重要质量特性
- 格式:doc
- 大小:102.00 KB
- 文档页数:8
产品质量特性重要度分
级表
Document number:BGCG-0857-BTDO-0089-2022
设计文件
质量特性重要度分级
DSA300-100-002
编制
审核
批准
株洲时代工业装备有限公司
1 范围
本产品质量特性重要度分级表适用于受电弓零部件的分级
2 引用标准
本产品质量特性重要汇总表通过引用下列标准而编制.
JB/T5058-91 机械工业产品质量特性重要性分级导册
Q/TX01-025-2000 产品质量特性重要度分级同册
3 分级原则;
产品质量特性重要度分级以按产品适应性要求的影响及经济程度为依据
产品质量特性重要等级按关键特性, 符合为(A);重要特性, 符号为(B); 一般特性, 符号为(C),共分为三级。
由设计者在产品图样或所编制的设计文件上标注。
特性符号按规定采用号字体,通常应标注在特性右侧。
一般特性可不标注。
4 产品质量特性重要度分级汇总表。
品控中的关键质量特性控制与改进策略在现代生产和制造行业中,品控是一个至关重要的环节,它确保产品的质量符合客户的期望和要求。
然而,仅仅检测产品的缺陷是不够的,而是需要识别和控制品质中的关键特性。
本文将探讨品控中的关键质量特性控制与改进策略。
了解产品的关键质量特性对于制定有效的品控措施至关重要。
关键质量特性是产品质量中最重要、最具影响力的特征,它们直接影响产品的功能、性能和可靠性。
识别关键特性需要依据市场和客户需求,通过市场研究、需求调研和竞争分析等手段来确定。
只有明确了关键特性,才能为其制定相应的控制和改进策略。
品控中的关键质量特性控制需要采取适当的工具和技术。
常见的工具包括统计过程控制(SPC)、可行性研究、设计试验、故障模式与影响分析等。
统计过程控制是一种基于统计方法的质量控制技术,它能够实时监测生产过程中的关键特性,并及时采取控制措施。
而可行性研究、设计试验和故障模式与影响分析等工具则可帮助品控人员深入了解和分析产品特性,以便制定更准确的控制策略。
第三,改进策略是品控中不可或缺的一部分。
无论产品质量如何,都有改进的空间。
品控人员应该持续寻找改进的机会,并制定相应的改进策略。
改进策略可以包括工艺和设备改进、员工培训和技能提升、供应链合作和沟通、全员参与和持续改进的文化建设等。
通过不断改进,企业可以提高产品的质量,降低成本,增强竞争力。
质量反馈和客户满意度的测量也是品控中的关键环节。
企业应建立有效的质量反馈及客户满意度调查机制,及时了解客户的需求和反馈。
通过分析质量反馈和客户满意度调查结果,企业可以了解产品的缺陷和不足之处,并针对性地制定改进措施。
同时,积极回应客户的反馈和投诉,增强客户满意度,提升品牌形象。
持续改进是品控中的关键理念。
品控不能仅仅是一次性的工作,而是需要持续不断地进行。
企业应建立起一套完善的品控体系和质量管理体系,不断监测、评估和改进产品的关键质量特性。
通过有效的质量管理体系,企业可以实现质量的持续改进和提升。
产品质量特性重要度分级管理制度
1 主题内容与适用范围
本规定涵盖了产品质量特性重要度分级的目的与作用、分级原则与方法、以及在图样上的标注方式。
本规定适用于各种产品设计开发过程和生产过程的控制。
2 引用文件
2.1产品质量特性重要度分级导则
3 目的与作用
3.1对产品关键特性进行重点控制和重点管理,以保证产品功能的实现。
3.2研发部门为将设计意图和设计质量特性的重要程度及时、正确地传递给工艺、生产、品质及采购部门,从而使各部门在制订相关方案和控制计划中,重点采取预防控制措施,以保证产品的符合性质量。
4 分级原则
4.1为便于重点控制和管理,质量特性重要度一般分为三级,即关键特性、重要特性、次要特性。
4.2分级原则按对产品的安全性和功能性的质量特性,即对产品性能水平、寿命、可靠性等六性要求和经济性的影响程度确定。
5 分级方法和标志
5.1 G级特性(关键特性)
如果不满足要求,将危及人身安全并导致产品不能完成主要任务的特性,用符号“[G]”表示。
5.2 Z级特性(重要特性)
如果不满足要求,将导致产品不能完成主要任务的特性,用符号“[Z]”表示。
5.3 一般特性(次要特性)
如果符合基本要求,不影响产品使用功能,一般不作标识。
6 标注方法
6.1在产品图样中标注[G]、[Z],未标注的均为一般特性级。
6.2整机、外购外协件由研发部编制《质量特性重要度分级表》下发各相关部门。
6.3产品质量特性重要度分级标志必须明确,防止出现模棱两可现象。
7 记录
●质量特性重要度分级表。
质量特性全面解析1. 引言本文档旨在全面解析质量特性,帮助读者深入理解质量管理的基本概念和关键要素。
本文档适用于对质量管理和质量控制有兴趣的专业人士,以及希望提高产品质量的组织和团队。
2. 质量特性的定义和重要性2.1 定义质量特性是指产品或服务在满足顾客需求和期望方面的固有特性。
它包括产品的外观、性能、可靠性、安全性、可维护性和可追溯性等方面。
2.2 重要性质量特性对于产品和服务的成功至关重要。
它们直接影响顾客的满意度和忠诚度,以及组织的声誉和竞争力。
通过确保产品和服务具有高质量的特性,组织可以提高顾客满意度,降低成本,提高市场份额。
3. 质量特性的分类质量特性可以分为以下几个主要类别:3.1 功能性质量特性功能性质量特性是指产品或服务的基本功能和性能。
它们直接影响产品或服务的使用价值和顾客满意度。
功能性质量特性包括:- 性能:产品或服务在特定条件下的表现和效率。
- 可靠性:产品或服务在特定时间内正常运行的能力。
- 可用性:产品或服务易于使用和操作的程度。
- 安全性:产品或服务在使用过程中对人员和财产的保护程度。
3.2 非功能性质量特性非功能性质量特性是指产品或服务的辅助特性,它们不影响产品或服务的基本功能,但影响顾客的满意度和忠诚度。
非功能性质量特性包括:- 外观:产品或服务的外观设计和包装。
- 感知质量:产品或服务给顾客的整体感觉和印象。
- 可维护性:产品或服务的维护和修理的容易程度。
- 可追溯性:产品或服务的来源和生产过程的可追溯性。
4. 质量特性的管理和控制4.1 质量管理原则质量管理应遵循以下原则:- 以顾客为中心:理解和满足顾客需求和期望。
- 过程方法:采用系统的方法管理过程和活动。
- 持续改进:不断改进产品和服务质量。
- 事实基础的决策制定:基于数据和事实进行决策。
- 互利的供应商关系:与供应商建立互利的合作关系。
4.2 质量控制工具和技术为了确保产品和服务具有高质量的特性,组织应采用适当的质量控制工具和技术,包括:- 统计过程控制(SPC):通过监控过程参数的变化来控制产品质量。
产品质量特性重要度分级管理制度一、背景随着市场竞争的加剧和消费者意识的提高,产品质量对企业的竞争力越来越关键。
而产品质量特性的重要度分级管理是保证产品质量的重要手段之一、通过对产品质量特性进行分级,可以帮助企业识别和关注关键的产品质量特性,从而优化产品设计、生产和检测过程,提高产品的质量和性能,满足消费者的需求和期望。
二、目的该制度的目的是规范和指导企业对产品质量特性的重要度进行分级管理,确保企业能够始终关注和优化关键的产品质量特性,提高产品质量,增加消费者的满意度,提升企业的竞争力。
三、管理方法1.分级标准(1)功能性特性:产品功能是否正常、完备,是否满足用户的需求和期望。
(2)可靠性特性:产品是否经得住长期使用和各种环境条件的考验,是否存在故障的风险。
(3)安全性特性:产品是否存在安全隐患,是否符合相关的国家和行业标准。
(4)耐久性特性:产品在正常使用条件下的寿命、耐久度和抗磨损能力。
(5)外观质量特性:产品的外观是否整洁、美观,是否符合消费者的审美需求。
(6)性能稳定性特性:产品在不同工作状态下的性能是否稳定并达到设计要求。
(7)易用性特性:产品的易操作、易维护性,以及是否考虑了用户的人体工程学需求。
(8)可维修性特性:产品是否易于维修、维护,维修是否容易、快捷。
(9)环境适应性特性:产品在不同环境条件下的适应性和稳定性。
2.分级程序(1)确定产品的质量特性:通过市场调研、用户需求分析、竞品分析等方式,确定产品的质量特性。
(2)设定分级标准:根据企业的战略目标、市场需求和竞争环境,制定产品质量特性的分级标准。
(3)对产品质量特性进行分级:根据产品的质量特性和分级标准,对每个特性进行分级评估,确定其重要度等级。
(5)制定改进计划:根据关键特性的重要度和优先级,制定相应的改进计划,确保关键特性的质量能够得到提升。
3.审查和改进(1)定期审查:定期对产品质量特性的分级进行审查,确保分级的准确性和有效性。
一、什么是特性:
特性分为两类:产品特性和过程特性
产品特性:
是指在图纸或其他的工程技术资料中所描述的零部件或总成的特点与
性能,如尺寸、材质、外观、性能等特性。
过程特性:
是指被识别产品特性具有因果关系的过程变量,也成为过程参数。
过程特性仅能在它发生时才能测量出,对于每一个产品特性,可能有一个或者多个过程特性。
在某些过程中,一个过程特性可能影响到多个产品特性。
二、什么是特殊特性:
1)影响产品的安全性或法规要求的符合性的产品特性或过程参数。
2)影响产品配合/功能或者关于控制和文件化有其他原因(如顾客需求)的产品特性和过程参数.
3)在验证活动中要求特别关注的特性(如检验与试验、产品和过程审核)
说明:特殊特性包括产品特性和过程特性。
QS对特性的分级也是根据三大车厂来进行的.具体可参见APQP第三版附录C。
不过,这里可以简单叙述.我们根据福特的公司为例,基本上可以这样去细分重要特性和关键特性。
重要特性:指那些对顾客满意程度重要的产品、过程和试验要求,其质量策划措施应包括在控制计划之中。
关键特性:指那些能与政府法规符合性或车辆/产品功能安全性并包括在控制计划之中需要特殊生产者、装配、发运、或监控的产品要求(尺寸、规范、试验)或过程能数。
通俗地说,关键特性指符合法律法规的和对安全性能有显著影响地特性。
重要特性是对公差配合,性能有重大影响的严重影响顾客满意度的.。
产品质量特性重要度分级
表
Lele was written in 2021
设计文件
质量特性重要度分级
DSA300-100-002
编制
审核
批准
株洲时代工业装备有限公司
1 范围
本产品质量特性重要度分级表适用于受电弓零部件的分级
2 引用标准
本产品质量特性重要汇总表通过引用下列标准而编制.
JB/T5058-91 机械工业产品质量特性重要性分级导册
Q/TX01-025-2000 产品质量特性重要度分级同册
3 分级原则;
产品质量特性重要度分级以按产品适应性要求的影响及经济程度为依据
产品质量特性重要等级按关键特性, 符合为(A);重要特性, 符号为(B); 一般特性, 符号为(C),共分为三级。
由设计者在产品图样或所编制的设计文件上标注。
特性符号按规定采用号字体,通常应标注在特性右侧。
一般特性可不标注。
4 产品质量特性重要度分级汇总表。
ICSQ/SXC 上海万象汽车制造有限公司企业标准Q/SXC J201.123—2010目次前言 (II)1 范围 (1)2 规范性引用文件 (1)3 术语和定义 (1)4 总则 (1)5 重要度等级 (1)5.1 关键特性 (2)5.2 重要特性 (2)5.3 一般特性 (2)6 重要度分级的主要内容 (2)7 重要度分级级别符号及其含义 (2)8 重要度分级级别符号的标注方法 (2)8.1 尺寸、公差与配合、形状和位置公差及表面粗糙度特性的标注 (2)8.2 图纸上技术要求特性的标注 (3)8.3 材料特性标注 (3)8.4 质量特性重要度分级表 (3)8.5 部件重要度的分级 (3)附录A(规范性附录) 部件重要度的分级 (4)前言本标准代替Q/SXC 1203-2005《客车产品零部件分级和控制要求》。
本标准和Q/SXC 1203-2005《客车产品零部件分级和控制要求》相比,除编辑性修改外主要技术变化如下:——变更了分级原则,由原来按部件重要度分A、B、C三类等级变更为关键特性、重要特性和一般特性;——增加了规范性引用文件、术语和定义和总则;——增加了重要度分级的主要内容;——增加了重要度分级级别符号及其含义;——增加了重要度分级级别符号的标注方法。
本标准在编写格式、结构和表述规则上,符合GB/T 1.1-2009《标准化工作导则 第1部分:标准的结构和编写》的规定。
本标准由上海万象汽车制造有限公司提出。
本标准由上海万象汽车制造有限公司技术开发部归口。
本标准起草部门:上海万象汽车制造有限公司技术开发部。
本标准主要起草人:宦晓丽本标准所代替标准的历次版本发布情况为:——Q/SXC 1203-2005。
质量特性重要度分级1 范围本标准规定了客车产品的质量特性重要度分级的术语和定义、等级、主要内容、符号及其含义、标注方法以及分级表。
本标准适用于上海万象汽车制造有限公司自主开发的客车产品质量特性重要度分级。
1目的把产品质量特性等技术要求和信息准确而有效地从设计部门传递给工艺、制造和检验部门。
2范围本标准对研究本院产品质量特性的分级内容、分级等级及其符号、在图样上的标注方法等做出规定。
适用于研究本院产品重要度分级的管理。
3定义产品质量特性:由产品的规格、性能和结构所决定,并影响产品的适用性,是设计传递给工艺、制造和检验等的技术要求和信息。
4分级内容、等级及标注方法4.1 分级内容4.1.1安全、环保要求;4.1.2性能、结构的使用要求;4.1.3可靠性、使用寿命及互换性要求;4.1.4材料性能及处理规定;4.1.5焊接及铸、锻规定;4.1.6尺寸、公差与配合、形状和位置公差及表面粗糙度等要求;4.1.7外形、外观要求;4.1.8清洁度要求;4.1.9涂敷、包装、防护及储运要求等。
4.2 分级等级重要度等级分为关键特性、重要特性和一般特性。
4.2.1关键特性如发生故障,会发生人身安全事故、丧失产品主要功能、严重影响产品使用性能和降低产品寿命、对环境产生违反法规的污染,以及必然会引起使用单位申诉的特性。
4.2.2重要特性如发生故障,会影响产品使用性能和寿命,使用单位可能提出申诉的特性。
4.2.3一般特性如发生故障,对产品的使用性能及寿命影响不大及不致引起使用单位申诉的特性。
4.3 分级符号重要度分级级别符号见表1。
表14.4 在图样上标注方法图14.4.1在新产品设计阶段,主管设计人员应负责对产品的零部件特性分级,分级符号在特性的右侧,若特性的右侧不便标注时,允许分级符号标注在特性的尺寸线下面,见示例图1。
4.4.2分级符号字体为仿宋字,字高由特性字高决定,如果特性字高为3.5mm,分级符号字高为3.5mm;如果特性字高为5mm,分级符号字高则为5mm。
5相关文件产品特性重要度分级标准》6附加说明本制度由技术中心起草,并负责解释和归口管理。
河南中州起重集团有限公司质量特性、重要度分级及控制规定1主题内容与适用范围本标准规定了停车设备产品采购、制造、安装等过程进行重要度级别划分,并按相应级别进行控制的要求。
本标准适用于停车设备产品。
2定义:2.1质量特性:具体反映产品适用性的定性质量表示和规定。
2.2质量特性重要度:对产品适用性的影响程度。
2.3质量特性重要度分级:按质量特性对产品适用性的影响程度而划分的级别。
3职责质量特性重要度分级及控制规定由技术部归口,其它部门配合实施。
4工作程序4.1质量特性重要度分级4.1.1质量特性重要度按对产品适用性的影响程度分为关键特性、重要特性、一般特性三个级别。
4.1.2质量特性重要度划分级别4.1.2.1直接影响产品的使用安全或严重影响使用性能、寿命及特性超差后无法返修,影响程度很大,为关键特性,级别符号为A。
4.1.2.2影响使用性能及寿命的质量特性,影响程度较大,为重要特性,级别符号为B。
o 4.1.2.3对使用性能及寿命影响不大的质量特性,影响程度较小,为一般特性,级别符号为C4.2停车设备产品重要度级别具体划分见表1、表2、表3,C级不标明。
4.3控制规定4.3.1对于A、B级特性中外购件,自制件、外协件尺寸、公差技术要求等,按表1、表2、表3的要求执行,当表中的要求不足以说明质量特性重要度要求时,由技术部以表格形式填写质量特性重要度分级表或直接在图纸上表明。
对于操作及警示要求应在产品图样及相关技术文件中明确说明。
4.3.2对于A、B级特性的自制件必要时应有相应的工艺文件,且有必要的工装保证设计要求。
4.3.3对于外购件、外协件的供方,质量部根据重要度级别提出相应的评定方法。
4.3.4生产车间应根据重要度级别进行生产的控制。
435质量部应根据重要度级别进行检验的控制,A、B级特性的外购件、外协件应有检验记录。
表1采购件重要度分级表2制造件重要度分级表3安装、调试、出厂文件「本页无正文」附加说明:本标准由技术部负责归口;本标准由技术部负责解释;本标准由技术部负责起草。
关键质量特性分析在产品开发和制造的过程中,关键质量特性是一项至关重要的考量因素。
它们直接决定了产品的品质和性能,对于提高产品竞争力和顾客满意度具有重要作用。
而对于关键质量特性的全面分析,则是确保产品质量达到预期目标的基石。
本文将对关键质量特性进行深入剖析,并探讨如何有效进行分析。
一、什么是关键质量特性关键质量特性,顾名思义,是指那些对于产品质量具有关键决定性作用的特性。
它们通常是产品功能、性能或者使用寿命等方面的重要因素。
关键质量特性的分析旨在明确产品开发过程中所需关注的重点,确保在资源有限的情况下,能够有效地提高产品的关键品质。
关键质量特性一般包括以下几个方面:1. 功能特性:产品所具备的关键功能特点。
例如,对于一款智能手机而言,其核心功能可能包括通信、上网、拍照等。
这些功能的性能和稳定性将直接影响用户的使用体验。
2. 性能特性:产品在各种工作条件下的表现。
例如,对于一台冰箱而言,温度控制的准确性、制冷速度等性能特性将是关键质量指标。
用户希望冰箱能够迅速降温,并且能够保持稳定的温度。
3. 可靠性特性:产品在长时间使用过程中的稳定性和可靠性。
例如,对于一款汽车而言,发动机的可靠性、零部件的耐用性等特性将是关键质量指标。
用户期望汽车能够长时间稳定运行,不出现故障。
4. 安全性特性:产品使用过程中的安全性。
例如,对于一款儿童玩具而言,材料的安全性、设计的安全性等将是关键质量特性。
用户期望儿童玩具不会对孩子造成任何伤害。
以上只是一部分关键质量特性的例子,在实际应用中,不同的产品会有不同的关键质量特性。
关键质量特性的分析需要根据产品的实际情况进行具体确定。
二、关键质量特性分析的重要性关键质量特性分析是产品开发和制造过程中的一项关键任务。
它对于确保产品的质量达到预期目标具有重要作用。
以下是关键质量特性分析的重要性:1. 确定关注重点:在产品开发过程中,资源是有限的。
通过对关键质量特性进行全面分析,可以帮助团队明确哪些特性对产品性能和品质的重要影响最大,从而确保资源的有效利用。
CTQ是Criticaltoquality的英文缩写,是来自于关键质量特性的英文缩写。
它是分析与发现对于顾客来说,重要的质量特性的一种方法。
CTQ(Critical-To-Quality)的意思是品质关键点。
该概念常在six sigma管理中被提到。
企业提供的产品和服务必须满足客户要求的品质特征。
在Six Sigma (六西格玛)中,通常用Y来表示。
很多公司都是把其作为一个输出的衡量性指标(Outcome Indicator)。
1.CTQ的目的及重要性CTQ (Critical-TO–Quality):对性能、技能、安全等重要品质有致命影响的部品的核心特性值(规格、SPEC)。
CTQ管理目的:把认为在顾客立场上最重要的特性值选定后以六西格玛水准来改善并管理.这就是管理CTQ的最大的目的。
CTQ的重要性:预测性(虽然目前没发生但是可以预测未来要发生的隐患);长期现况把握(对解决顽固性不良提供依据);Project的指引;追求做事的便利性。
CTQ管理时注意事项:数据的真实性;及时性;数据的收集方法要正确;测定System一定要OK。
2.CTQ的确定方法:1)由客户指定。
有些客户会对某些特定产品规定一些特别重要的特性。
2)可以召集相关的人员,特别是产品工程师,工艺工程师以及流程操作人员讨论,共同确认哪些产品特性或过程参数对最终产品品质有重要影响。
3)收集关于该产品在sample-built或pilotrun中发现的问题,或类似产品在生产过程中及使用现场发现的问题的数据,然后进行分析(比如用paretochart),得出CTQ。
4)对一些复杂的流程(即不太清楚流程的哪些变量对流程输出的质量有关键影响),也许需要借助DOE。
总之,只有对产品特性和过程参数与产品最终性能和品质之间的因果关系有比较清楚的认识,才能有效地确定CTQ。
另外,CTQ也许会随时间的变化或流程的变化而改变;同时,确定CTQ 后不等于说可以降低对其他特性和参数的重视程度。
产品质量特性重要度分级规则在制定产品质量特性重要度分级规则时,可以考虑以下几个方面:1.产品功能的重要性:产品的功能是用户购买的主要原因之一、不同的功能在不同的产品中有着不同的重要性。
为了判断功能的重要性,可以从以下几个方面进行评估:-用户需求:通过市场调研、用户访谈等方式了解用户对产品功能的需求和期望。
根据用户的反馈确定产品功能的重要性等级。
-竞争对手分析:分析竞争对手的产品功能,比较其与自身产品的差异,确定产品功能的重要性等级。
-技术可行性:考虑产品功能的实现难度和成本,评估其重要性等级。
2.产品性能的重要性:产品的性能对于用户的体验和满意度有着重要影响。
在评估产品性能的重要性时,可以从以下几个方面考虑:-标准和规范:参考相关的行业标准和产品规范,了解产品性能的要求和指标。
-用户体验:用户在使用产品时,对于产品性能的感受和评价是重要的参考依据。
通过用户测试和反馈,确定产品性能的重要性等级。
-使用场景:不同的使用场景对产品性能有着不同的要求,根据产品在不同场景下的性能需求,确定其重要性等级。
3.产品可靠性和耐久性的重要性:产品的可靠性和耐久性直接关系到产品的寿命和使用寿命。
在评估产品的可靠性和耐久性重要性时,可以考虑以下几个方面:-产品寿命:根据产品的预期寿命,确定产品可靠性和耐久性的重要性等级。
-故障率和保修周期:分析产品的故障率和保修周期,了解产品可靠性和耐久性的程度,从而确定其重要性等级。
4.产品安全性的重要性:产品的安全性是用户购买的重要考虑因素之一、在评估产品安全性的重要性时,可以从以下几个方面考虑:-安全规范和要求:参考相关的安全规范和要求,了解产品的安全性标准和指标。
-风险评估:通过对产品可能存在的安全风险进行评估,确定产品安全性的重要性等级。
以上是建立产品质量特性重要度分级规则的一些参考方向。
在实际制定规则时,可以根据具体产品的特点和市场需求进行调整和完善。
同时还需要注意,不同的产品和行业对于产品质量特性的重要性可能有所不同,因此需要根据具体情况进行灵活处理。
建设工程质量特性表现在6个方面建设工程质量是指对建筑工程进行的满足规定标准的设计、施工、验收等环节进行质量管理并保证建设成果的一项工作。
建筑工程的质量表现在许多方面,本文将介绍建设工程质量特性表现在6个方面。
1. 结构稳定性建筑工程的结构稳定性是指建筑物在规定的荷载下,保持稳定、不倒塌的能力。
建筑结构的不稳定会导致建筑物质量问题,严重时威胁人员的安全。
因此,建筑工程的结构稳定性是其中一个最重要的质量特性。
2. 立面效果建筑立面效果是指建筑物外立面的视觉效果,包括建筑的线条、色彩、协调度等方面。
立面效果的好坏会直接影响到建筑物的美观程度和市场价值。
因此,建筑工程的立面效果也是考虑建筑物质量的重要方面之一。
3. 细节处理细节处理是指建筑物内部和外部一些小细节的处理,如缝隙处理、各种接口处理、材料的表面质量等等。
细节处理的好坏直接影响到建筑的耐久性和寿命。
因此,对于建筑工程的细节处理要求尤其严格。
4. 功能性随着社会经济的发展,建筑物的功能要求越来越高,如室内空气质量、绿色环保、智慧化等。
一个好的建筑工程必须要在功能性上能满足人们不断增长的需求。
5. 施工质量施工质量是指在建筑物的施工过程中,按照规定标准进行工作,并按照规定程序进行验收的质量特性。
施工质量对于建筑物的整体质量非常重要,也是一个综合考虑的重要方面。
6. 安全性建筑工程安全性是指建筑物的使用和维护过程中,能保持人员和财产安全的能力。
安全性是建筑工程的重要质量特性,也是考虑建筑物整体质量的重要方面。
建筑工程质量是通过多方面、多角度的考虑来综合评估的。
尽管建筑工程质量表现在各方面的程度不同,一项良好的建筑工程必须在所有方面都保持优秀表现。
建设工程质量特性表现在6个方面,应该在设计阶段规划、在施工过程中注意把握,做到质量可控、安全可靠,最终实现优秀的建筑工程成果。
产品质量特性的重要度分级规定1. 目的产品质量特性的重要度分级是实行工艺质量控制点的依据之一,是执行产品标准,传递设计者意图、实出重点,使工作重点更为合理,从而有效地保证产品质量。
2. 主题内容与适用范围本标准主要规定了产品质量特性的重要度分级原则和方法。
本标准适用于产品设计、制造、装配和安装及相应质量控制。
3. 术语3.1 质量按GB6583.1《质量管理和质量保证术语》1.1条的规定。
3.2 质量特性在产品过程或服务的总体中,区分各个体之间质量差别的性质、性能和特点。
3.3 质量特性分级按产品质量特性对其适用性影响重要程度进行分类,相应明确要求,突出重点来保证质量的一种方法。
3.4 控制点为了保证工序处于受控状态,在一定的时间和一定的条件下,在产品制造过程中需重点控制的质量特性,关键部件或薄弱环节。
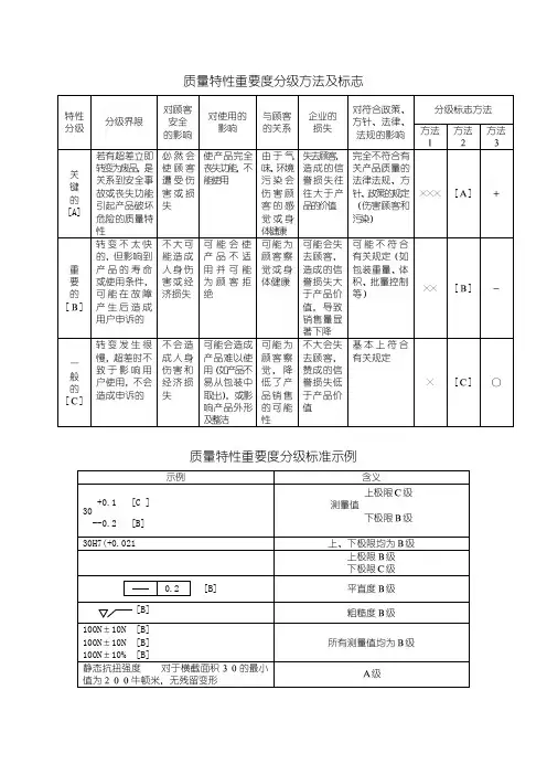
4. 质量特性的重要度分级标记按质量特性的重要度分级标记的规定为关键、重要和一般三级(见表一)表一质量特性重要度分级的标记5. 质量特性的重要度分级原则及处理方法质量特性的重要度分级原则及处理方法,(详见表二)表二质量特性的重要度分级原则及处理方法注:对未列入以上原则的其它质量特性有缺陷,但不会影响其它零件的特性则不设标记,处理方法同一般分级的处理方法。
6. 产品质量特性分级范围6.1 产品标准、产品图样、技术文件中的技术要求。
6.2 反映产品特性的主要零部件的几何精度(尺寸、公差、形位公差,表面粗糙度)。
7. 实例7.1 铝合金门窗的关键项目与重要项目7.1.1 关键项目铝合金型材;抗风压变形性能;雨水渗漏性能;空气渗透性能;保温性能。
7.1.2 重要项目连接;扇的开启;附件安装;玻璃磨边。
7.2 建筑幕墙的关键项目与重要项目7.2.1 关键项目风压变形性能;雨水渗漏性;空气渗透性;预埋件安装;幕墙与主体连接;硅酮结构胶。
7.2.2 重要项目防火防雷变形缝体系;横梁与立柱的连接;结构胶厚度与宽度的允许偏差;幕墙组件;玻璃与幕墙配合尺寸;螺桩焊接;喷涂质量;玻璃磨边等。