锂电池各测试标准对比
- 格式:xls
- 大小:61.00 KB
- 文档页数:4
锂电池检测报告引言:锂电池是现代电子设备中广泛使用的一种电池类型,其高能量密度和轻便特性使其成为移动设备和电动车辆等领域的首选电源。
为了确保锂电池的性能和安全性,进行严格的检测和标准制定非常重要。
本文旨在提供一份锂电池检测报告,详细介绍锂电池检测所需遵循的标准和相关内容。
概述:正文:1.锂电池外观检测标准:1.1外壳检测:检查锂电池外壳是否完整,有无变形或损坏。
1.2标志和标签检测:确认锂电池上的标志和标签是否清晰可见,符合规定要求。
1.3尺寸和重量检测:测量锂电池的尺寸和重量,确保符合规定的尺寸和重量范围。
1.4温度和湿度测试:在不同温度和湿度条件下测试锂电池的性能是否稳定。
1.5防水性能检测:测试锂电池的防水性能,确保在潮湿环境下仍能正常工作。
2.锂电池电性能检测标准:2.1容量测试:使用标准测试方法测量锂电池的容量,确保符合规定的容量范围。
2.2内阻测量:测量锂电池的内阻,确保内部电阻不过大,影响电池性能。
2.3充放电性能测试:测试锂电池的充放电性能,确保在不同充放电条件下的表现。
2.4短路测试:测试锂电池在短路条件下的安全性和性能表现。
2.5循环寿命测试:通过反复充放电测试锂电池的寿命和性能稳定性。
3.锂电池安全性检测标准:3.1过充安全性测试:测试锂电池在过充条件下的安全性表现。
3.2过放安全性测试:测试锂电池在过放条件下的安全性表现。
3.3温度安全性测试:测试锂电池在高温和低温条件下的安全性表现。
3.4短路安全性测试:测试锂电池在短路条件下的安全性表现。
3.5振动和冲击测试:测试锂电池在振动和冲击条件下的安全性表现。
4.锂电池环境适应性检测标准:4.1温度适应性测试:测试锂电池在不同温度条件下的性能是否稳定。
4.2湿度适应性测试:测试锂电池在不同湿度条件下的性能是否稳定。
4.3压力适应性测试:测试锂电池在不同压力条件下的性能是否稳定。
4.4海拔适应性测试:测试锂电池在不同海拔条件下的性能是否稳定。
fda 检测锂电池标准锂离电池安全测试标准是针对处于开发阶段的锂离子电池进行测试,确保其符合全球安全要求而制定的。
这些锂离子电池测试标准由美国保险商实验室 (UL)、日本标准协会 (JSA) 等知名国际组织制定,因此得到全球认可。
对于锂电池的安全测试,我们最常用的有以下6个标准:1. 国际电工委员会(IEC) 62133IEC 62133 是测试二次电池和含有碱性或非酸性电解质的电池组的安全要求。
用于便携式密封二次电池锂离子电池的安全性测试。
IEC 62133 确保锂离子电池满足便携式电子产品和其他应用所需的安全要求。
有了这个标准,锂离子电池单元根据足够的功能进行区分。
引入IEC 62133 是为了维护和消除化学和电气危害,例如对消费者和环境构成威胁的振动和机械冲击。
2. 联合国运输测试 (UN/DOT) 38.3UN 38.3标准测试确保锂离子电池满足空运、海运、陆运等安全运输要求。
UN 38.3的要求适用于所有锂电池芯和电池。
联合国(UN)和美国交通部(DOT)都在确保锂电池的安全运输方面发挥着作用。
锂电池是相当危险的,在从一个地点运输到另一个地点之前,需要接受 UN 38.3 标准运输测试和其他规定。
任何锂电池都经过 UN38.3 测试,确保电池符合电池运输的国际规则和规定。
3. 联合国ECE法规R100ECE R100标准测试是针对电动汽车电池进行的,以确保足够的安全性。
ECE R100 在电动汽车电池充电时提供安全保护。
为确保满足此规则,电动汽车在电池充电时不应移动或驾驶,并应避免直接接触。
ECE R100还确保电动汽车在行驶过程中保持准确的位置而不会出现破绽。
ECE R100仅适用于最高时速为25km/hr的M+N电动车。
因此,本标准也适用于电动汽车的电压转换。
4. 国际电工委员会(IEC)62619国际电工委员会 62619 规定了二次锂电池和电池组安全应用所需的要求。
它确保所有锂电池都可以安全地用于电子产品和其他应用。
锂电池测试标准 Jenny was compiled in January 2021锂电池测试标准1. 连续充电:充满电的电芯20加减5℃。
按照制造商规定连续28天充电,不着火,不爆炸不漏液。
2. 振动标准测试:充满电的电芯20加减5℃,振幅,1赫兹/分钟,在10-55Hz之间,三个互相垂直方向,每个轴测试90分钟。
不着火,不爆炸不漏液。
3. 温度循环:充满电的电芯在一个电池测试箱,电芯做如下循环测试。
A.)75±2℃4个小时B.)20±5℃2小时C. )-20±2℃2小时D) 20±5℃2小时 E。
)从A到D重复4次。
F)5个循环后在测试前储存7天。
4. 外部短路:充满电电芯20±5℃和55±2℃,用总电阻小于100毫欧的电阻短路,不着火,不爆炸。
5. 自由下落:充满电电芯20±5℃,从任意方向从1米高位置落到水泥地上获得冲击,连续3次,不着火,不爆炸。
6. 机械震动:充满电电芯20±5℃,最大加速度125-175gn,3个相互垂直的方向做相同力度3次震动。
不着火,不爆炸,不漏液。
7. 高温:充满电的电芯在130±2℃环境下放置10分钟,不着火,不爆炸!8. 电芯的压迫:20±5℃,在2个平面使用大约13Kn的力压迫充满电的电芯,以便电芯的纵轴与平面平行,一旦达到最大压力,立即解除。
不着火,不爆炸。
9. 低压:充满电的20±5℃,保持6小时,不着火,不爆炸,不漏液。
10. 过充:20±5℃,放完电的电芯在大雨等于10V,充电电流等于Irec,时间为rec,rec等于造商规定建议充电的恒定电流。
单位是安培。
不着火,不爆炸!11. 强迫放电:20±5℃,放完电的电芯用恒定的1ItA电流放电90分钟。
不着火,不爆炸!。
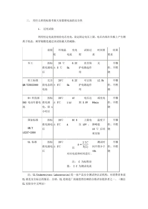
三、用什么样的标准考察大容量锂电池的安全性1、过充试验利用恒定电流持续给电芯充电,设定固定电压上限。
电芯内部在负极上产生锂离子枝晶,刺穿隔膜是通过该试验最大的威胁。
前提环境温度充电电流试验过程时间要求结果要求军工按标准充满电后20 ℃± 5 ℃0.2C5A直至保护电路起作用无不爆炸、不燃烧轻工标准QB/T25022000完全放电态的电池20℃± 5℃0.2C5A可让保护电路起作用12.5h不爆炸、不燃烧04 科技部863 电动车蓄电池按标准充满电,放 1小时后20℃± 5℃1C1(A)电压达到 5.0V或充电90min不爆炸、不燃烧国家标准GB/T 18287-2000按标准充满电后20℃± 5℃3C 5A上限电压 10V ,温度下降峰值10 ℃后结束实验不爆炸、不燃烧UL 标准按标准充满电后20℃± 5℃以对应电流和时间进行。
注: C 为标称容量, I C 为测试电流测试时间不得少于48h不爆炸、不燃烧注:UL(Underwriters Laboratories)是一家产品安全测试和认证机构,对消费者来说UL就是安全标志的象征。
全球,UL是制造厂商最值得信赖的合格评估提供者之一。
(摘自UL实验室中文网站)2、短路试验用小电阻的导线直接连接正负极,使电池形成超大电流回路,电池内部快速升温。
方法\\电芯放在不同温度下经受以下循环:①start:25±5℃-->85℃(升温t≤30min )②85±2℃保持4h;85±2℃-->25℃(降温t≤30min)③25±5°C保持2h;25±5°C-->-40℃(降温t≤30min )④-40±2°C保持4h:-40±2°C-->25℃(升温t≤30min )⑤25±5°C保持2h;25±5℃-->85℃(升温t≤30min )返回步骤②,循环10次;循环结束后,在25±5℃放置24h 再检查:循环结束时,测量电池的开路电压(OCV),并与预测试值进行比较。
@100%SOC(BEV) 或80%SOC(HEV),最低工作温度应为制造商规定的Tmin或-40℃,最高工作温度应为由制造商规定的Tmax或85℃,电芯放在不同温度下经受480min温度变化:①第0min-->25℃②第60min-->Tmin(降温约1℃/min到-40℃)③第150min-->Tmin(保温90min)④第210min-->25℃(升温约1℃/min到25℃)⑤第300min-->Tmax(升温约0.67℃/min到85℃)⑥第410min-->Tmax(保温90min)⑦第480min-->25℃(降温约0.86℃/min到-25℃)重复以上30次循环同IEC-62660-2中测试方法电芯放在不同温度下经受以下循环:①start:25+5℃-->72±2℃(t≤30min )②保持6h:72±2℃③变换:72℃-->-40±2℃(t≤30min )④保持6h:-40±2℃⑤变换:-40℃-->-72±2℃(t≤30min )重复步骤②,供完成10次,取出在室温(25±5)℃静置24h。
锂电池高温高湿测试标准锂电池高温高湿测试是为了评估锂电池在高温高湿环境下的性能和安全性。
这种测试通常在电池研发和生产过程中进行,以确保锂电池在恶劣条件下的可靠性。
以下是一些常见的锂电池高温高湿测试标准和要点:1.IEC 62660-3:2016 标准:这个标准是国际电工委员会(IEC)发布的,涵盖了锂离子电池组的高温高湿测试方法和要求。
它包括了不同温度和湿度条件下的电池性能测试,如电容、电阻、循环寿命等。
2.UL 1642 标准:这是美国安全实验室(Underwriters Laboratories)发布的标准,用于测试锂电池的安全性和性能。
虽然它主要关注锂电池的安全性,但也包括了高温高湿环境下的一些测试要求。
3.GB/T 31485-2015 标准:这是中国国家标准,用于评估锂离子电池在高温高湿条件下的性能。
它包括了温度、湿度、压力、循环等多个测试项目。
锂电池高温高湿测试通常包括以下要点:1.温度条件:测试通常在高温环境下进行,温度范围可以在50°C至85°C之间变化,具体取决于标准和测试要求。
2.湿度条件:湿度通常设置在相对湿度(RH)为85%至98%之间,以模拟高湿度环境。
3.测试时间:测试时间可以根据标准和测试目的而变化,通常为数天或数周。
4.测试项目:测试项目包括电池性能指标、电池安全性、电池外壳和密封性等。
5.循环测试:一些测试要求电池在高温高湿条件下进行循环充放电测试,以评估电池的寿命和稳定性。
锂电池高温高湿测试的目的是确定锂电池在恶劣环境下的性能和安全性,以便制造商可以进行产品改进和合规性评估。
在进行这种测试时,应遵循适用的国际、国家或地区标准,并确保测试设备和程序符合标准的要求。
储能锂电池电池测试标准一、电池安全性电池安全性是电池性能的关键指标之一,涉及到电池使用时的稳定性和可靠性。
为了确保电池的安全性,需要进行多项测试。
1.1 内部短路测试内部短路测试是用来检测电池在内部是否存在短路情况。
在测试过程中,需要对电池施加一定的电压,并观察电池的电流变化情况。
如果电池存在内部短路,电流会迅速增加,从而发现电池的问题。
1.2 过充电测试过充电测试是用来检测电池在过充电情况下的稳定性。
在测试过程中,需要对电池进行过充电操作,并观察电池的压力、温度和容量变化情况。
如果电池存在过充电安全隐患,会表现为压力和温度的急剧上升,以及容量的明显下降。
1.3 机械冲击测试机械冲击测试是用来检测电池在受到机械冲击时的稳定性。
在测试过程中,需要对电池施加一定的机械冲击力,并观察电池的外形变化、内部结构损伤情况以及电性能表现。
如果电池存在机械冲击安全隐患,会表现为外形变化明显、内部结构损伤和电性能下降。
二、电池能量密度电池能量密度是评价电池性能的重要指标之一,指单位体积或单位质量的电池所能释放的能量。
高能量密度意味着在相同体积或质量下,电池具有更高的能量储存能力。
测试电池能量密度的方法主要有以下两种。
2.1 质量法质量法是通过测量电池样品的质量和体积,计算出质量对应的体积能量密度。
具体步骤为:首先对电池样品进行精确的质量和体积测量;然后根据测量的数据计算体积能量密度,公式为:能量密度=电量/质量。
2.2 电量法电量法是通过测量电池样品的电压和电流,计算出电流对应的能量密度。
具体步骤为:首先对电池样品施加一个已知的电压;然后通过测量通过样品的电流计算出电量;最后根据测量的数据计算能量密度,公式为:能量密度=电压×电量。
三、电池循环寿命电池循环寿命指电池在充放电过程中能够保持原有性能而使用的时间。
它是评价电池可靠性和使用寿命的重要指标。
电池循环寿命的测试方法如下:3.1 充放电测试充放电测试是通过给电池进行充放电操作,并记录充放电过程中的电压、电流和容量变化情况。
磷酸铁锂电池测试标准一、安全性测试1. 针刺测试:将电池用针刺破,观察电池是否有短路、爆炸、起火等现象,以评估电池的安全性。
2. 过充测试:对电池进行过充,观察电池是否有过充保护功能,以评估电池的安全性。
3. 挤压测试:将电池挤压,观察电池是否有短路、爆炸、起火等现象,以评估电池的安全性。
4. 冲击测试:对电池进行冲击,观察电池是否有损坏,以评估电池的安全性。
5. X光透视测试:通过X光透视电池,观察电池内部结构是否正常,以评估电池的安全性。
二、性能测试1. 容量测试:通过充放电实验,测定电池的容量,以评估电池的性能。
2. 电压测试:在充放电过程中,测量电池的电压,以评估电池的性能。
3. 内阻测试:测量电池的内阻,以评估电池的性能。
4. 倍率测试:测量电池的倍率性能,以评估电池的性能。
5. 循环寿命测试:通过充放电循环实验,测定电池的循环寿命,以评估电池的性能。
三、环境适应性测试1. 温度测试:在不同温度环境下,对电池进行充放电实验,以评估电池的环境适应性。
2. 湿度测试:在不同湿度环境下,对电池进行充放电实验,以评估电池的环境适应性。
3. 振动测试:在不同振动环境下,对电池进行充放电实验,以评估电池的环境适应性。
4. 冲击测试:在不同冲击环境下,对电池进行充放电实验,以评估电池的环境适应性。
四、循环测试1. 充放电循环次数测试:测定电池可以充放电的循环次数,以评估电池的循环性能。
2. 容量保持率测试:在循环充放电过程中,测量电池容量的保持率,以评估电池的循环性能。
五、电池内阻测试1. 欧姆内阻测试:通过测量电池的欧姆内阻,评估电池内部电子传输的阻力。
2. 电化学内阻测试:通过测量电池的电化学内阻,评估电池内部化学反应的阻力。
六、自放电率测试1. 常温自放电率测试:在室温下测量电池放置一段时间后的容量损失率,以评估电池的自放电率。
2. 高温自放电率测试:在高温环境下测量电池放置一段时间后的容量损失率,以评估电池的高温自放电率。
国内外动力锂电池测试标准比较电池产品的标准,尤其是安全标准是约束质量的重要依据,也是规范市场秩序和推动技术进步的重要手段。
本文作者针对国内外现有的常见标准,进行介绍和归纳分析,并对这些标准体系中存在的问题进行简单的探讨。
一、国外动力锂离子电池标准表1列举了国外常用的锂离子电池测试标准。
标准颁发机构主要有国际电工委员会 ( IEC) 、国际标准化组织( ISO) 、美国保险商实验室( UL) 、美国汽车工程师学会( SAE) 以及欧盟相关机构等。
表 1 国外常用的动力锂离子电池标准1 国际标准IEC发布的动力锂离子电池标准主要有IEC 62660-1∶2010《电动道路车辆用锂离子动力蓄电池单体第1部分: 性能测试》和IEC 62660-2∶2010《电动道路车辆用锂离子动力蓄电池单体第2部分: 可靠性和滥用性测试》。
联合国运输委员会颁布的UN 38. 3《联合国关于危险货物运输的建议书标准和试验手册》,对锂电池测试的要求是针对电池在运输过程中的安全性。
ISO在动力锂离子电池方面制定的标准有ISO 12405-1∶2011《电驱动车辆———锂离子动力电池包及系统测试规程第1部分: 高功率应用》、ISO 12405-2∶2012《电驱动车辆——锂离子动力电池包及系统测试规程第2部分: 高能量应用》及ISO 12405-3∶2014《电驱动车辆——锂离子动力电池包及系统测试规程第3部分: 安全性要求》,分别针对高功率型电池、高能量型电池以及安全性能要求,目的是为整车厂提供可选择的测试项和测试方法。
2 美国标准UL 2580∶2011《电动汽车用电池》主要评估电池的滥用可靠性以及在滥用产生危害时对人员的保护能力,该标准于2013年进行修订。
SAE在汽车领域拥有庞大、完善的标准体系。
2009年颁布的SAE J2464: 2009《电动和混合动力电动汽车可再充能量储存系统的安全和滥用性测试》是很早一批应用于北美和全球地区的车用电池滥用测试手册,明确指出了每个测试项的适用范围及需要采集的数据,也针对测试项目所需样品数量给出建议。
欧盟锂电池检测标准
欧盟对锂电池的检测主要采用以下标准:
1. IEC61960:这是锂电池性能标准,适用于可充电锂电芯(电池)和不可充电锂电芯(电池)。
2. IEC62660-1:这是电动汽车(BEV, HEV)二次锂离子电芯的性能要求标准。
3. IEC62660-2 & IEC62660-3:这两个标准是电动汽车(BEV, HEV)二次锂离子电芯的可靠性和滥用测试,以及安全技术要求标准。
此外,欧盟对锂电池的检测还包括电池进入欧盟市场需要符合的ROHS指令,ROHS是由欧盟立法制定的一项强制性标准,主要用于规范电子电气产品的材料及工艺标准,使之更加有利于人体健康及环境保护。
电池产品进入欧洲产品需要有ROHS认证。
ROHS测试项目包括:铅(Pb): ≤0.1%; 汞(Hg): ≤0.1%; 镉(Cd): ≤0.01%; 六价铬(Cr VI): ≤0.1%; 多溴联苯(PBBs): ≤0.1%;多溴联苯醚(PBDEs): ≤0.1%; 邻苯二甲酸二2(2-乙基己基)酯(DEHP):s0.1%,邻苯二甲酸甲苯基J酯(BBP): s0.1%; 邻苯= = 甲酸二丁基酯(DBP): s0.1%,邻苯=甲酸= C异丁酯(DIBP):≤0.1%等。
以上内容仅供参考,建议咨询专业人士获取更准确的信息。
制表:审核:批准:。
锂离子电池国内外测试标准(一)锂离子电池国内外测试标准概述•锂离子电池是目前最为普遍使用的二次电池,其广泛应用于电子产品、电动工具以及电动汽车等领域。
•为确保锂离子电池的质量、性能和安全性,各国纷纷制定了一系列测试标准。
国际测试标准1. IEC 62133•IEC 62133是国际电工委员会制定的锂离子电池安全性标准。
•该标准包含了关于电池设计、结构、电气性能和安全性要求的规定,以及一些基本的测试项和方法。
•IEC 62133测试标准已成为全球范围内锂离子电池安全性测试的基准。
2.•是联合国运输测试委员会制定的锂离子电池运输安全性测试标准。
•标准规定了锂离子电池在运输过程中的各项测试要求,包括温度试验、机械冲击试验、振动试验等。
•通过测试的锂离子电池才能获得国际航空运输协会(IATA)的运输认证。
国内测试标准1. GB/T 18287•GB/T 18287是中国国家标准化管理委员会制定的锂离子电池安全性能要求和测试方法标准。
•标准规定了锂离子电池的电气性能、外观要求以及机械性能等方面的测试要求。
•GB/T 18287标准已成为中国锂离子电池行业的基础性标准。
2. QC/T 743•QC/T 743是中国汽车工业标准制定的新能源汽车动力蓄电池技术条件和测试方法标准。
•该标准规定了新能源汽车动力蓄电池的性能要求、安全性测试以及通信协议等方面的内容。
•QC/T 743标准在中国新能源汽车行业得到了广泛应用。
结论•锂离子电池国内外的测试标准旨在确保产品的质量、性能和安全性。
•作为创作者,了解并遵守这些测试标准,可以为生产和使用锂离子电池的相关行业提供指导和参考,确保产品的可靠性和稳定性。
锂离子电池国内外测试标准锂离子电池作为现代电子产品的重要电源之一,其性能和安全性直接影响到电子产品的质量和安全。
为了确保锂离子电池的质量和安全性,国内外都制定了一系列的测试标准和规范。
以下是锂离子电池的国内外测试标准的主要内容和特点。
一、国际电工委员会(IEC)国际电工委员会是国际上最具权威性的电气技术标准化机构之一,其制定的IEC 62660系列标准是锂离子电池的测试标准和规范。
IEC 62660-1: 锂离子电池的通用测试方法该标准规定了锂离子电池的基本测试方法,包括电性能、热性能、安全性能和环境适应性等方面的测试。
其中,电性能测试包括充放电容量、循环寿命、倍率性能、自放电率等测试;热性能测试包括热稳定性、热释放速率、电池内温升等测试;安全性能测试包括过充、过放、短路、撞击等测试;环境适应性测试包括高温、低温、湿度等测试。
IEC 62660-2: 锂离子电池的分类和标识该标准规定了锂离子电池的分类和标识规则,包括电池的型号、额定容量、电压、生产日期等信息。
这些标识信息可以帮助用户了解电池的性能和使用寿命,同时也方便电池的回收和处理。
IEC 62660-3: 锂离子电池的安全要求该标准规定了锂离子电池的安全要求,包括电池的结构设计、材料选择、生产工艺等方面的要求。
这些要求旨在确保锂离子电池在使用过程中不会出现安全问题,如电池爆炸、起火等。
二、美国材料试验学会(ASTM)美国材料试验学会是全球著名的材料试验标准化机构之一,其制定的ASTM D5296-17标准也是锂离子电池的测试标准和规范。
ASTM D5296-17: 锂离子电池的测试方法该标准规定了锂离子电池的基本测试方法,包括电性能、热性能、安全性能等方面的测试。
其中,电性能测试包括充放电容量、循环寿命、倍率性能等测试;热性能测试包括热稳定性、热释放速率等测试;安全性能测试包括过充、过放等测试。
ASTM D5296-18: 锂离子电池的分类和标识该标准规定了锂离子电池的分类和标识规则,包括电池的型号、额定容量、电压等信息。
锂离子电池全套测试标准嘿,你知道吗?在科技的神奇世界里,就像超级英雄要有强大的装备指南一样,锂离子电池也有它的“神秘测试标准”!要是不了解,小心你的电子设备被电池这个“小调皮”整得崩溃哦!**“电压大考验:稳定输出是关键”**在锂离子电池的世界里,电压就像它的“心跳”,稳定的心跳才能让电池活力满满!电压的稳定输出那可是超级重要的,就好比你正在玩游戏激战正酣,突然因为电压不稳手机黑屏,这得多崩溃啊!想象一下,电压就像是给电池这个大力士输送力量的管道。
如果这管道一会儿粗一会儿细,力量输送不稳定,大力士就没办法好好发挥啦。
优质的锂离子电池,其电压输出就像一条平稳的高速公路,让电流能够顺畅通行,给设备提供持续而稳定的动力。
比如说,一些高品质的电动汽车电池,稳定的电压输出能够保证车辆在行驶过程中动力不中断,让你的出行一路顺畅,绝绝子!**“容量大比拼:能量满满走四方”**锂离子电池的容量,那可是它的“能量宝库”!别小看这个宝库,容量越大,能为你的设备提供的“能量弹药”就越多。
电池容量就如同你的手机钱包,钱包越大,能装的钱就越多,你出门就越安心。
大容量的锂离子电池,就像是一个超级大钱包,让你的手机、电脑等设备能够长时间运行,不用频繁充电。
比如那些大容量的充电宝,充满一次就能给你的手机充好几次电,yyds!**“循环寿命之战:经久耐用才靠谱”**循环寿命对于锂离子电池来说,就像是一场永不停歇的马拉松!能跑得多远多久,决定了它的厉害程度。
把循环寿命想象成电池的“耐力值”,耐力好的电池,经过多次充放电还能保持良好状态,就像一位经验丰富的长跑运动员,不管跑多少圈依旧精力充沛。
而耐力差的电池,几次充放电后就变得萎靡不振,像个跑几步就气喘吁吁的新手。
比如说,一些质量好的锂离子电池,经过上千次的循环使用,依然能够保持较高的性能,这才是真正的靠谱选手!好啦,锂离子电池全套测试标准就像是一组神奇的密码,掌握了它们,你就能选到性能卓越的电池,告别那些因为电池不给力而带来的烦恼啦!朝着这些标准努力吧,让自己在电子设备的使用中成为“幸运锦鲤”,闪瞎那些劣质电池的“小眼睛”!赶快行动起来,选对锂离子电池,让科技为你的生活增添更多精彩!。