初二物理电学基础试题
- 格式:doc
- 大小:337.50 KB
- 文档页数:7
物理电学试题一、填空题(每空1分,共20 分)1.已知甲、乙两电阻大小分别是10Ω和8Ω,甲、乙两电阻串联时,甲、乙两端的电压之比为;现将它们并联在电路中,则两端的电压之比为,通过它们的电流之比为__________ 。
2.加在一个导体两端的电压是2V 时,通过它的电流是0.5A;当电压提高到4V时,通过它的电流是 A,它的电阻是Ω。
3.R1等于10Ω,R2与R1串联后接入电源电压为6V的电路中,通过R2的电流是0.5A,则R2的阻值是Ω;R1两端的电压为___________V.4.两个相同的电阻并联后接到电源上,干路总电流为2A,若把它们串联后接到该电源上,电路中电流为 A。
5.如图所示,电阻R1=2欧,某同学在实验过程中记录了三只电表的示数,但漏记单位,记下的一组数据是1、2、3(电流单位是安,电压单位是伏),则这位同学所用的电源电压为______V,R2的电阻值为______Ω.6.三盏电灯连在一个电路中,要求每盏灯的亮、灭不影响别的灯,这三盏灯应该 _________联。
有一盏灯的灯丝断了,则这个电路中总电阻将___________(选填变大、变小、不变)。
7.如图所示,闭合开关,当滑动变阻器的滑片P向右端滑动时,电流表的读数,电压表的读数______ (填“增大”、“减小”或“不变”)。
8.阻值分别为R1=4Ω,R2=2Ω的两个电阻串联起来接到电源上,通过R2的电流为0.4A,则电源电压 V。
把它们并联起来再接到原来的电源上,则通过R2的电流是 A。
9.某家用电热器正常工作时的电阻是484欧,将其插头插在家庭电路中使用,在5分钟内该电热器产生的热量是焦。
10.图甲所示为小华家本月初电能表的示数,图乙为本月末电能表的示数,这段时间小华家用电度, 1度=焦。
电能表是测量________(选填电功、电功率)的仪表。
二、单项选择题(每题2分,共24分)11.如图所示是简化了的电冰箱内部电路图,图中M是压缩机用电动机(正在工作),L是冰箱内的照明灯,S1为自动控制温度开关。
初二物理电学试题答案及解析1.将标有“220V 25W”的L1和标有“220V 40W”的L2先并联起来接到220V的电路中,后串联起来接入同一电路,则A.两种情况下两灯泡都能正常发光B.两种情况下两灯泡都不能正常发光C.串联接入时两灯消耗的总功率比并联时大D.串联接入时L1比L2亮【答案】D【解析】AB、两灯并联时能正常发光,串联时不能正常发光;故A、B错;C、根据公式P=可知,电路电阻越大,消耗的功率越小,并联时的总电阻小于串联时的总电阻,所以并联时消耗的总功率大于串联时消耗的总功率,故C错;D、由P=可知灯L1的电阻比L2的电阻大,由P=I2R可知,当两灯串联时,L1的实际功率大、更亮,故D正确.故选D.2.电风扇通电后扇叶转动,此过程中______能转化为动能。
拔下插头,在插头处接发光二极管,用手旋转电风扇叶片,发光二极管发光,这是________现象,人们利用这一原理制成了___________(填“电动机”或“发电机”)【答案】电、电磁感应、发电机【解析】电风扇通电后扇叶转动时,电能转化为机械能;用手旋转电风扇叶片,发光二极管发光,这是电磁感应现象,这一原理的应用是发电机,闭合电路中的一部分导体在磁场中做切割磁感线运动时,导体中就会产生感应电流。
【考点】电磁感应3.摩擦起电的实质是得、失电子,所以相摩擦的两个物体靠近时,必定相互,因为;而带电体也能吸碎纸屑,这又是因为。
【答案】吸引,异种电荷相互吸引;带电体能吸引轻小物体【解析】经过摩擦后的两个物体带异种电荷,所以靠近时必定相互吸引;带电的能够吸引不带电的轻小物体。
【考点】电荷间的相互作用4.与丝绸摩擦的玻璃棒A分别靠近悬挂的轻质带电小球B和C,发现B被排斥,C被吸引,则带正电;用久的风扇扇叶上布满灰尘主要是由于风扇旋转与空气发生,带电体具有的性质.【答案】A、B;摩擦带电;吸引轻小物体.【解析】解:丝绸摩擦过的玻璃棒A带正电,A与B排斥,说明B带正电,A与C吸引,说明C带负电;风扇叶转动时,与空气摩擦而起电,因为带电体具有吸引轻小物体的性质,所以扇叶会布满灰尘.故答案为:A、B;摩擦带电;吸引轻小物体.【考点】摩擦起电.专题:电路和欧姆定律.分析:(1)丝绸摩擦过的玻璃棒带正电.(2)同种电荷相互排斥,异种电荷相互吸引.(3)带电体能够吸引不带电的轻小物体.点评:此题主要考查了电荷间的相互作用以及摩擦起电现象及解释.将所学的知识与生活实际联系在一起,是一道很好的题目.5.在如图所示的电路连接中,下列说法正确的是A.灯泡L1和L2并联,电流表测的是L1支路的电流B.灯泡L1和L2并联,电压表测量的是电源电压C.灯泡L1和L2串联,电压表测的是L2的电压D.灯泡L1和L2串联,电压表测的是L1的电压【答案】D【解析】分析电路的串并联时,由于电压表的内阻很大,把它看作开路;由于电流表的内阻很小,把它看作一根导线。
初中电学基础试题及答案一、选择题(每题2分,共10分)1. 电流的单位是:A. 伏特(V)B. 欧姆(Ω)C. 安培(A)D. 瓦特(W)2. 以下哪种材料是导体?A. 橡胶B. 玻璃C. 金属D. 陶瓷3. 电阻的单位是:A. 瓦特(W)B. 欧姆(Ω)C. 安培(A)D. 伏特(V)4. 串联电路中,电流的关系是:A. 各处电流相等B. 各处电流不等C. 电流与电阻成反比D. 电流与电阻成正比5. 并联电路中,电压的关系是:A. 各处电压相等B. 各处电压不等C. 电压与电流成反比D. 电压与电流成正比二、填空题(每题2分,共10分)1. 电荷的定向移动形成了______。
2. 电路中电流的大小与______和______有关。
3. 电阻是电路中阻碍电流流动的______。
4. 电压表是用来测量电路中两点间的______。
5. 欧姆定律的公式是______。
三、简答题(每题5分,共10分)1. 请简述串联电路和并联电路的区别。
2. 什么是电功率?请简述其计算公式。
四、计算题(每题10分,共20分)1. 已知一个电阻为10Ω,通过它的电流为0.5A,求该电阻两端的电压。
2. 一个电路中,电压为220V,电流为2A,求电路的总电阻。
五、实验题(每题10分,共20分)1. 请设计一个实验来验证欧姆定律。
2. 描述如何使用电压表和电流表测量一个未知电阻的阻值。
答案:一、选择题1. C2. C3. B4. A5. A二、填空题1. 电流2. 电压,电阻3. 物理量4. 电压5. I = V/R三、简答题1. 串联电路中,电流处处相等,电阻相加;并联电路中,电压处处相等,电流分流。
2. 电功率是单位时间内电能的消耗量,计算公式为P = UI。
四、计算题1. 电压V = I * R = 0.5A * 10Ω = 5V2. 电阻R = V / I = 220V / 2A = 110Ω五、实验题1. 实验步骤:(1)准备一个电源、一个电阻、一个开关、一个电流表和一个电压表;(2)将电阻接入电路,闭合开关,测量电流和电压;(3)改变电阻值,重复测量,记录数据;(4)根据欧姆定律,验证电压和电流的比值是否等于电阻值。
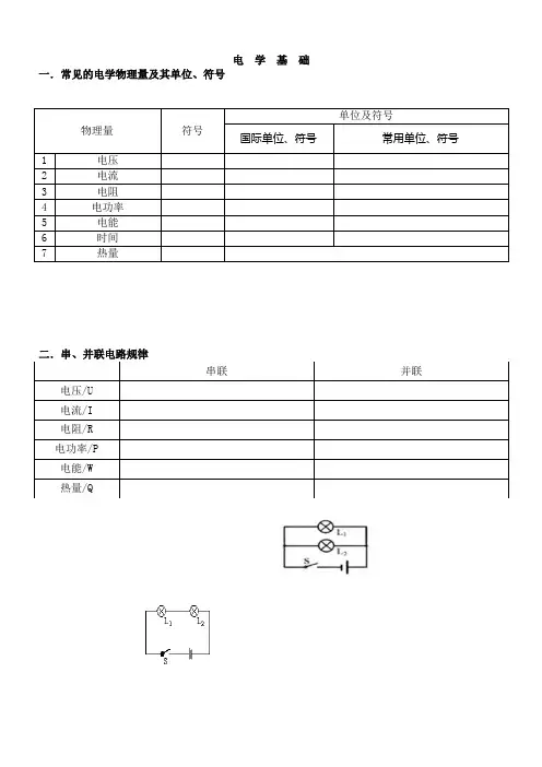
电学基础一.常见的电学物理量及其单位、符号二.串、并联电路规律物理量符号单位及符号国际单位、符号常用单位、符号1 电压2 电流3 电阻4 电功率5 电能6 时间7 热量串联并联电压/U电流/I电阻/R电功率/P电能/W热量/Q四.电路专题一:串联电路和并联电路(1)识别串并联电路用电器工作的特点串联电路首尾连接(逐个顺次)只有一条电流路径(无分支)同时工作,相互影响开关控制整个电路,其控制作用与位置无关并联电路用电器两端相连(并列连接)有两条或两条以上路径(无分支)可单独工作,互不影响干路开关控制整个电路,支路开关控制所在支路(2)例1.如右图1所示,假设只需要灯L1发光,那么用导线连接______接线柱;假设连接BC接线柱,那么灯L1L2______联;假设要使灯L1 L2并联,那么接线柱A与B连接,C与____连接。
例2. 如下图,请分析ABCD四个图电路中灯的连接方式及发光情形专题二:实物图与电路图例1:画出电路图例2:连接实物图(1)(2)专题三:通路、断路、短路1.完整电路组成部份。
2. 如下图的四个电路中连接正确的选项是()3.如左以下图,只闭合K1 亮;同时闭合K1K2 亮。
短路分为电源短路和用电器短路(或部份短路)两种你判定短路的方式是。
专题四:开关操纵电路1.如右上图1所示,要使灯泡L1和L2串联,应闭合开关;要使灯泡L1和L2并联,应闭合开关;绝不许诺同时闭合开关.2.如右上图7所示,当开关闭合时,两个电流表的示数转变是()A.A1不变,A2变小;B.A1不变,A2变大;C.A1、A2都变小;D.A1变小,A2变大专题五:电路分析1.移动滑片,判定电路转变情形L1L2SRP甲VAPLSR2.小明家买了一台电烤箱,有低、中、高三个档位的发烧功率。
如左下图是其内部简化电路图,开关S1可别离与触点a、b接触。
已知:R1=48.4Ω,R2=96 .8Ω请分析电烤箱在低、中、高三个档位时开关的连接情形3.电饭煲的原理图如右上图所示,它有高温烧煮和焖饭、保温两挡,通过单刀双掷开关S进行调剂,R0为电热丝.当开关S接()时为高温烧煮挡;当开关S接( )时为焖饭、保温挡ARRPSV。
1、电路:把电源、用电器、开关、导线连接起来组成的电流的路径。
2、通路:处处接通的电路;开路:断开的电路;短路:将导线直接连接在用电器或电源两端的电路。
3、电流的形成:电荷的定向移动形成电流.(任何电荷的定向移动都会形成电流)4、电流的方向:从电源正极流向负极.5、电源:能提供持续电流(或电压)的装置.6、电源是把其他形式的能转化为电能.如干电池是把化学能转化为电能.发电机则由机械能转化为电能.7、在电源外部,电流的方向是从电源的正极流向负极。
8、有持续电流的条件:必须有电源和电路闭合.9、导体:容易导电的物体叫导体.如:金属,人体,大地,盐水溶液等.导体导电的原因:导体中有自由移动的电荷;10、绝缘体:不容易导电的物体叫绝缘体.如:玻璃,陶瓷,塑料,油,纯水等. 原因:缺少自由移动的电荷11、电流表的使用规则:①电流表要串联在电路中;②电流要从"+"接线柱流入,从"-"接线柱流出;③被测电流不要超过电流表的量程;④绝对不允许不经过用电器而把电流表连到电源的两极上.实验室中常用的电流表有两个量程:①0~0.6安,每小格表示的电流值是0.02安;②0~3安,每小格表示的电流值是0.1安.12、电压是使电路中形成电流的原因,国际单位:伏特(V);常用:千伏(KV),毫伏(mV). 1千伏=1000伏=1000000毫伏.13、电压表的使用规则:①电压表要并联在电路中;②电流要从"+"接线柱流入,从"-"接线柱流出;③被测电压不要超过电压表的量程;实验室常用电压表有两个量程:①0~3伏,每小格表示的电压值是0.1伏; ②0~15伏,每小格表示的电压值是0.5伏.14、熟记的电压值:①1节干电池的电压1.5伏;②1节铅蓄电池电压是2伏;③家庭照明电压为220伏;④安全电压是:不高于36伏;⑤工业电压380伏.15、电阻(R):表示导体对电流的阻碍作用.国际单位:欧姆(Ω);常用:兆欧(MΩ),千欧(KΩ);1兆欧=1000千欧; 1千欧=1000欧.16、决定电阻大小的因素:材料,长度,横截面积和温度17、滑动变阻器:A. 原理:改变电阻线在电路中的长度来改变电阻的.B. 作用:通过改变接入电路中的电阻来改变电路中的电流和电压.C. 正确使用:a,应串联在电路中使用;b,接线要"一上一下";c,闭合开关前应把阻值调至最大的地方.18、欧姆定律:导体中的电流,跟导体两端的电压成正比,跟导体的电阻成反比.公式:I=U/R. 公式中单位:I→安(A);U→伏(V);R→欧(Ω).19、电功的单位:焦耳,简称焦,符号J;日常生活中常用千瓦时为电功的单位,俗称“度”符号kw.h1度=1kw.h=1000w×3600s=3.6×106J20.电能表是测量一段时间内消耗的电能多少的仪器。
初二电学的试题及答案初二电学试题一、选择题(每题2分,共20分)1. 电流的单位是:A. 米B. 秒C. 安培D. 伏特2. 以下哪个不是导体?A. 铁丝B. 铜线C. 盐水D. 玻璃3. 欧姆定律的公式是:A. V = IRB. V = I + RC. I = V / RD. R = V / I4. 串联电路中,总电阻与各部分电阻的关系是:A. 总电阻等于各部分电阻之和B. 总电阻等于各部分电阻之积C. 总电阻等于各部分电阻之差D. 总电阻是各部分电阻的倒数之和5. 并联电路中,总电阻的倒数等于各支路电阻倒数之和,这是:A. 欧姆定律B. 基尔霍夫定律C. 焦耳定律D. 韦伯定律二、填空题(每空1分,共10分)6. 电能的单位是______。
7. 电压是使导体中的自由电荷发生定向移动形成电流的原因,电压的单位是______。
8. 电阻是表示导体对电流的阻碍作用大小的物理量,其单位是______。
9. 串联电路中,各处电流相等,而并联电路中,干路电流等于各支路电流的______。
10. 电功率的单位是______。
三、简答题(每题5分,共10分)11. 请简述什么是串联电路和并联电路,并说明它们的特点。
12. 解释什么是短路,并说明短路对电路的影响。
四、计算题(每题10分,共20分)13. 已知一个电阻为10Ω,通过它的电流为0.5A,求该电阻两端的电压。
14. 一个串联电路由两个电阻R1=20Ω和R2=30Ω组成,电源电压为12V。
求电路的总电阻和总电流。
五、实验题(15分)15. 设计一个实验,测量小灯泡的电阻,并说明实验步骤和所需器材。
六、论述题(15分)16. 论述电能在生活中的应用,并说明节约用电的重要性。
答案:一、选择题1. C2. D3. C4. A5. D二、填空题6. 焦耳7. 伏特8. 欧姆9. 总和10. 瓦特三、简答题11. 串联电路是将电阻器首尾相连的电路,特点是电流处处相等,电压分配在各个电阻上。
初二物理电学试题1.夜幕下,路边的LED灯将道路照得犹如白昼,这种LED灯是通过光电转换来供电的。
下图是某小区利用太阳能给LED路灯供电的自动控制电路的原理示意图。
其中,R是光敏电阻,此光敏电阻的阻值R、流过线圈电流I与光照度E(单位勒克斯,符号lx)之间的几次实验数据如下表所示:当线圈A中的电流I≥30.0mA时,动触点D与静触点G、H接触。
(1)由表格中数据可知,光敏电阻的阻值R随光照度E的增强而。
(2)白天,太阳能电池板将能转化为能,这种能量通过再次转化储存在大容量蓄电池内。
傍晚,当光照度小于lx(勒克斯)时,路灯开始工作。
(3)请用铅笔画线将电路原理图连接完整,使工作电路能正常工作(与触点的接线只能接在静触点上,图中已给出静触点E、F、G、H的四根引线;连线不能交叉)。
【答案】(1)变小 .(2)太阳能,电能, 30.0mA (3)略【解析】由表格中数据可知,光敏电阻的阻值R随光照度E的增强而变小;白天,太阳能电池板将太阳能转化为电能,这种能量通过再次转化储存在大容量蓄电池内。
傍晚,当光照度小于30.0mA就开始工作,由表格可以看出。
2.为了节能,许多场所采用LED发光二极管照明,二极管的主要材料是()A.纳米材料B.超导体C.导体D.半导体【答案】D【解析】二极管的主要材料是半导体所以D是正确的。
3.电视机的玻璃荧光屏表面上经常吸附很多的灰尘,其主要原因是A.灰尘的自然堆积B.玻璃有较强的吸附灰尘能力C.电视机工作时屏表面温度较高而吸附空气中灰尘D.电视机工作时显示屏有静电而吸附灰尘【答案】D【解析】解:电视机工作时,由于电子运动到了屏幕上,使屏幕带了电,而带电体有吸引轻小物体的性质,故把灰尘吸引到了屏幕上.故选D.4.为测定额定电压为3.8伏的小灯泡的额定功率,提供了如图所示的器材.其中,灯泡电阻约为10欧,滑动变阻器最大阻值为20欧,要求:(1)在下面方框中画出实验电路图.(2分)(2)用笔画线代替导线,按电路图将器材连成实验电路图(连接电路时导线不能交叉,滑动变阻器滑片P向右移时灯变亮,注意正确选择电流表和电压表的量程). (3分)(3)甲同学做该试验时,连接电路完毕并闭合开关,当移动变阻器滑片时,发现灯泡变亮时,电压表示数反而减小,灯泡变暗时电压表示数反而增大(器材是完好的),原因是_________________________.(4)乙同学连接完实验电路后,闭合开关,发现无论怎样移动变阻器的滑片,电流表和电压表示数都不变化,且灯光较暗,原因是___________________________________.(5)丙同学做“测定小灯泡的功率”实验时,电源为三节新的干电池,灯泡的额定电压为3.8V,其灯丝的电阻约为10Ω,滑动变阻器标有“10Ω 1A”字样, 将实验电路连接好后,当闭合电路的开关时,电路中可能出现的不正常的现象(见下表)。
初二物理电学基础专项练习题及答案1. 小明在电路中测得电流为1.5安培,电阻为3欧姆,请计算电压的大小。
解析:根据欧姆定律,U = I × R,其中U代表电压,I代表电流,R代表电阻。
将已知数值代入公式,可得U = 1.5 × 3 = 4.5伏特。
答案:电压的大小为4.5伏特。
2. 一个电路中,两个电阻分别为4欧姆和6欧姆,电压为12伏特,请计算电流的大小。
解析:同样利用欧姆定律,U = I × R。
首先,将两个电阻进行并联计算,即求得它们的等效电阻。
根据并联电阻的计算公式,1/R等效 = 1/R1 + 1/R2,代入数值可得1/R等效 = 1/4 + 1/6 = 5/12,因此R等效 = 12/5 = 2.4欧姆。
接下来,将已知的电压12伏特和等效电阻2.4欧姆代入欧姆定律,可得12 = I × 2.4,解方程可得I ≈ 5安培。
答案:电流的大小约为5安培。
3. 一台电流表的量程为0-5安培,每一格的刻度间距为0.5安培,请回答以下问题:(1) 若电流表指针指在最右侧,表示电流为多少安培?(2) 若电流表指针指在最左侧,表示电流为多少安培?(3) 若电流表指针指在距最左侧一格的位置上,表示电流为多少安培?解析:(1) 当电流表指针指在最右侧时,表示电流达到了量程上限的5安培。
(2) 当电流表指针指在最左侧时,表示电流为0安培,即没有电流通过电流表。
(3) 若电流表指针指在距最左侧一格的位置上,即表示电流为0.5安培。
答案:(1) 电流为5安培。
(2) 电流为0安培。
(3) 电流为0.5安培。
4. 一个电路中,串联连接了三个电阻,分别为2欧姆、3欧姆和4欧姆,请计算它们的总电阻。
解析:根据串联电阻的计算公式,R总 = R1 + R2 + R3,将已知的电阻数值代入公式,可得R总 = 2 + 3 + 4 = 9欧姆。
答案:总电阻为9欧姆。
5. 一个充电器输出电压为6伏特,通过电阻为2欧姆的电路,请计算电流的大小。
第一部分串联电路和并联电路练习题一、选择题1.电阻R1、R2、R3串联在电路中。
已知R1=10Ω、R3=5Ω,R1两端的电压为6V,R2两端的电压为12V,则A.电路中的电流为0.6AB.电阻R2的阻值为20ΩC.三只电阻两端的总电压为21VD.电阻R3消耗的电功率为3.6W2.如图1所示,电源和电压表都是好的,当滑片由a滑到b的过程中,电压表的示数都为U,下列判断正确的是A.a处接线断开B.触头P开路C.a、b间电阻丝开路D.b处接线开路3.在图2中,AB间的电压力30V,改变滑动变阻器触头的位置,可以改变CD间的电压,U CD的变化范围是[ ]A.0~10V B.0~20VC.10V~20V D.20V~30V4.如图3电路所示,当ab两端接入100V电压时,cd两端为20V;当cd两端接入100V电压时,ab两端电压为50V,则R1∶R2∶R3之比是[ ]A.4∶2∶1B.2∶1∶1C.3∶2∶1D.以上都不对5.在图4的电路中,U=8V不变,电容器电容C=200μF,R1∶R2=3∶5,则电容器的带电量为[ ]A.1×103C B.1×103CC.6×104C D.1.6×103C6.下列说法中正确的是[ ]A.电阻A与阻值无穷大的电阻B并联,电阻不变B.电阻A与导线B(不计电阻)并联,总电阻为零C.并联电路中任一支路的电阻都大于总电阻D.并联电路某一支路开路,总电阻为无穷大7.实验室中常用滑动变阻器来调节电流的大小,有时用一个不方便,须用两个阻值不同的滑动变阻器,一个作粗调(被调节的电流变化大),一个作微调(被调节的电流变化小)。
使用时联接方式可以是串联,也可以是并联,如图5所示,则[ ]A.串联时,阻值大的变阻器作粗调B.串联时,阻值大的变阻器作微调C.并联时,阻值大的变阻器作微调D.并联时,阻值大的变阻器作粗调8.三根相同的电热丝分别全部串联和全部并联,它们发出相同的热量,所需通电时间之比为[ ]A.9∶1B.1∶9C.3∶1D.1∶39.如图6所示,L1,L2是两个规格不同的灯泡,当它们如图连接时,恰好都能正常发光,设电路两端的电压保持不变,现将变阻器的滑片P向右移动过程中L1和L2两灯的亮度变化情况是[ ]A.L1亮度不变,L2变暗B.L1变暗,L2变亮C.L1变亮,L2变暗D.L1变暗,L2亮度不变10.如图7所示,R1=2Ω,R2=10Ω,R3=10Ω,A、B两端接在电压恒定的电源上,则[ ]A.S断开时,R1与R2的功率之比为1∶5B.S闭合时通过R1与R2的电流之比为2∶1C.S断开与闭合两情况下,电阻R1两端的电压之比为2∶1D.S断开与闭合两情况下,电阻R2的功率之比为7∶1211.在图8所示的电路中。
八年级物理电学基础练习题及答案电学基础练习题及答案1. 题目:电流大小的计算问题描述:一根电线中的电荷流动速度为每秒10毫米,电线的截面积为2平方毫米。
求该电线中的电流强度。
解答:电流强度的计算公式为 I = Q/t,其中 I 表示电流强度,Q 表示通过截面的电荷量,t 表示时间。
电流强度 = 电荷量 / 时间 = (电荷速度 ×截面积) / 时间电流强度 = (10毫米/秒 × 2平方毫米) / 1秒 = 20毫安答案:该电线中的电流强度为20毫安。
2. 题目:电压的计算问题描述:一个电阻为30欧姆的电路中通过电流为0.5安。
求电路的电压。
解答:电压的计算公式为 U = R × I,其中 U 表示电压,R 表示电阻,I 表示电流。
电压 = 电阻 ×电流 = 30欧姆 × 0.5安 = 15伏特答案:该电路的电压为15伏特。
3. 题目:电阻的计算问题描述:一个电路的电压为12伏特,通过电流为0.4安。
求电路中的电阻。
解答:电阻的计算公式为 R = U / I,其中 R 表示电阻,U 表示电压,I 表示电流。
电阻 = 电压 / 电流 = 12伏特 / 0.4安 = 30欧姆答案:该电路中的电阻为30欧姆。
4. 题目:欧姆定律的应用问题描述:一个电阻为20欧姆的电路中通过电流为2安。
求该电路的电压和电阻。
解答:根据欧姆定律,可得电压和电阻的计算公式分别为 U = R × I 和 R = U / I。
电压 = 电阻 ×电流 = 20欧姆 × 2安 = 40伏特电阻 = 电压 / 电流 = 40伏特 / 2安 = 20欧姆答案:该电路的电压为40伏特,电阻为20欧姆。
5. 题目:串联电路的总电阻计算问题描述:在一个串联电路中,有三个电阻分别为10欧姆、15欧姆和20欧姆。
求串联电路的总电阻。
解答:串联电路中各个电阻的总电阻计算公式为 Rt = R1 + R2 + R3,其中 Rt 表示总电阻,R1、R2、R3 表示各个电阻的阻值。
初二物理电学测试题及答案一、选择题(每题2分,共20分)1. 电流的单位是:A. 伏特(V)B. 安培(A)C. 欧姆(Ω)D. 瓦特(W)答案:B2. 电阻的基本单位是:A. 欧姆(Ω)B. 千欧姆(kΩ)C. 兆欧姆(MΩ)D. 微欧姆(μΩ)答案:A3. 电压是形成电流的:A. 条件B. 原因C. 动力D. 阻碍答案:C4. 串联电路中,总电阻与各部分电阻的关系是:A. 总电阻等于各部分电阻之和B. 总电阻小于各部分电阻之和C. 总电阻大于各部分电阻之和D. 无法确定答案:A5. 并联电路中,总电阻的倒数等于各支路电阻倒数之和,这是因为:A. 并联电路具有分流作用B. 并联电路具有分压作用C. 并联电路具有短路作用D. 并联电路具有断路作用答案:A二、填空题(每空1分,共10分)6. 欧姆定律的数学表达式是:__________。
答案:V = IR7. 串联电路中,电流处处相等,而并联电路中,各支路电流之和等于__________。
答案:总电流8. 家庭电路中的电压是__________伏。
答案:2209. 电流表的正确使用方法是:与被测电路__________联。
答案:串10. 电路中形成持续电流的条件是:有__________和__________。
答案:电源;闭合电路三、简答题(每题5分,共10分)11. 什么是串联电路和并联电路?答案:串联电路是指电路元件首尾相接,电流只有一条路径的电路。
并联电路是指电路元件两端分别连接,电流有多条路径的电路。
12. 为什么说电流表是“小量程”的仪器?答案:电流表的内阻很小,相当于一根导线,所以它只能测量较小的电流,如果测量较大的电流,可能会烧坏电流表。
四、计算题(每题10分,共20分)13. 已知电阻R1=10Ω,R2=20Ω,它们串联后接在电压为12V的电源上,求电路中的电流。
答案:首先计算总电阻R总=R1+R2=10Ω+20Ω=30Ω。
根据欧姆定律,电流I=U/R总=12V/30Ω=0.4A。
初中物理电学试题及答案(绝对有用)一、填空题(5、6、7每空2分,其余每空1分共24分)1.如图所示,抽水机使水管两端保持一定的水压,水压使水管中形成持续的水流;电源使电路两端保持一定的,使电路中产生持续的_______,这种思维方法称为“类比法”。
2.在如图所示的电路中,合上开关S后,电压表V1的示数为2V,电压表V的示数为6V,电流表A的示数为0.3A。
则通过灯L1的电流为______,电压表 V2示数为_______。
3.如图所示,电源电压保持6V不变,R=10Ω,R'上标有10Ω 1A字样,当滑动变阻器的滑片从上端滑到下端时电压表的示数变化范围是~,电流表的变化范围是~。
4.某型号摄像机的随机蓄电池的容量是“2 Ah”(“2 Ah”的含义是:该蓄电池若以2 A的电流放电,可放电1 h。
),输出电压为12 V。
这样的蓄电池充好电后,能释放的最大电能为__________J。
5.把如图所示的“220V 100W”的灯泡,灯丝电阻为Ω,接到110V 的电路上,若不考虑灯丝电阻变化,则此时灯泡的实际功率是_______;额定功率是。
6.小灯泡L的额定电压为6V,小明通过实验测得其电流随电压变化的曲线如图。
由图可知,当小灯泡L正常发光时,通过其灯丝的电流是 A;通过调节滑动变阻器,使小灯泡两端的电压为3V,则此时小灯泡L消耗的实际功率为_______W。
7.当电源插头出现如图所示的甲、乙两种情况时,一旦插入插座内,会造成短路的是___________(“甲”或“乙”)。
8.小明想在家里安装一盏照明灯,如图是他设计的电路,(1)请你帮他在图中的虚线框内填入开关和电灯的符号;(2)小明请电工师傅正确安装完毕,闭合开关,电灯不亮。
电工师傅用试电笔分别测试电灯两接线处和插座的两孔时,试电笔的氖管都发光,则电路的故障为。
二、选择题(每题3分,共30分)9.以下说法中正确的是()A.只有固体与固体之间相互摩擦,才会摩擦起电B.把A物体和B物体摩擦,结果A物体带负电,B物体带正电,由此可判定A物体得到电子C.分别用丝线吊起甲、乙两通草小球,互相靠近时若互相吸引,则它们一定带有异种电荷D.用丝绸摩擦过的玻璃棒靠近一个用细线吊起的塑料小球,小球被排开,小球一定带负电10.下列说法中,正确的是()A.电功率是表示电流做功多少的物理量B.电功率是表示电流做功快慢的物理量C.用电器的电功率越大,做功越多D.用电器的电功率越大,发热越多11.小明和同组同学利用如图所示的a、b两个电路进行“串联电路和并联电路的比较”的探究活动,在保持电源电压不变的条件下,他们所记录的实验结果如下。
1.在国际单位制中,电荷的单位是A.伏特B.安培C.库仑D.瓦特2 •小明家装修房屋需要购买导线,关于导线种类的选择,最恰当的是:A .强度大的铁丝B .细小价格较便宜的铝丝C.粗一点的铜丝3 •小明在研究通过导体的电流时,根据测量数据绘制出如图所示的I-U图像。
对此作出的判断中,错误的是:A .通过R i的电流与它两端所加电压成正比B .通过R2的电流与它两端所加电压不成正比C.将它们串联接入到同一电路中时,通过R i的电流较小D •将它们并联连接到两端电压为 1.5V的电路中时,通过干路的电流大约是0.46A4 •小灯泡L上标有“ 2.5V ”字样,它的电阻随它两端电压变化的图像如图甲所示。
将小灯泡L和电阻R o接入图乙所示的电路中,电源电压为6V,且保持不变。
当开关S闭合时,小灯泡L恰好能正常发光。
F列说法正确的是:A •开关S断开时,小灯泡L的电阻为0 Q 甲乙第10題阳B. 开关S 闭合时,小灯泡 L 的电阻为8 QC. 小灯泡L 的额定功率为0.5WD .电阻R o 的阻值为14 Q5•假设导体没有电阻,当用电器通电时,下列说法正确的是(A .白炽灯仍然能发光B .电动机仍然能转动C .电饭锅仍然能煮饭D •电熨斗仍然能熨衣服8所示电路中,闭合开关 S 后,在滑片P 向右滑动过程中,各电表示数变化正确的A. A i 、A 3示数不变,A 2、V 示数变小B. A i 、V 示数不变,A 2、A 3示数变大C. A i 、A 2、V 示数不变,A 3示数变小D . A 2、V 示数不变,A i 示数变小,A 3示数变大7 .保密室有两道门,只要有一道门没有关上(相当于一个开关断开),值班室 内的指示灯就会发光报警。
如图2所示的四个电路图中,能体现该装置工作可编辑6 .在图原理的是8 .下列关于电阻的说法正确的是()A •滑动变阻器是通过改变连入电路中电阻线的横截面积的大小来改变电阻的B. 长度和横截面积均相同的铜导线和保险丝,在同一温度下,保险丝的电阻大C. 一切导体的电阻都随着温度的升高而增大D •当导体中电流为零时,导体的电阻也为零9 .某兴趣小组为了研究电子温控装置,将热敏电阻R i、定值电阻R2R2以及电压表和电流表连入如图所示电路,热敏电阻的阻值随温度的升高而减小。
八年级物理电学专题训练题(有答案)编者按:查字典物理网小编为大家收集发布了初二物理试题:八年级物理电学专题训练题(有答案),希望对大家有所帮助。
八年级物理电学专题训练题(有答案)一、填空题(每空1分,共15分)1.一个导体两端加4 V电压时,通过它的电流强度为0.8 A,当把它两端电压变为6 V时,通过它的电流为_______A,它的电阻为_______ .2.如图所示的电路中,定值电阻R2为10 ,闭合开关S 前后干路中总电流的比为2∶3,则R1的阻值为_______.3.标有2.5 V 0.3 A的小灯泡,正常工作1 min通过的电量为_______,功率为_______,产生的热量为_______.4.如图所示的电路,用电器的电阻R0=30 ,要求通过它的电流能在100~200 mA的范围内变化,选用的电源电压最小应为_______V,电路中所用滑动变阻器的阻值变化范围应是_______ .5.220 V 100 W的甲灯和220 V 40 W的乙灯相比较,正常工作时_______灯更亮,_______灯的电阻大一些,_______灯的灯丝粗一些.6.如图所示的圆环是由阻值R、粗细均匀的金属丝制成的.A、B、C三点将圆环分成三等份(每等份电阻为 R),若将其中任意两点连入电路,则连入电路的电阻值为_________.7.如图所示电路中,电源电压保持不变,当滑动变阻器的滑片P由中点向右端移动的过程中,电流表的示数将_______,灯泡L消耗的电功率将_______,变阻器R上消耗的电功率将_______(选填变大变小或不变)二、选择题(每题3分,共45分)8.阻值为3 与6 的电阻,将它们串联,其总电阻为R1;将它们并联,其总电阻为R2,则R1∶R2等于( )A.2∶1B.1∶2C.2∶9D.9∶29.如图所示的电路中,电源电压不变,闭合开关S后,灯L1、L2都发光,一段时间后,其中一灯突然熄灭,而电流表、电压表的示数都不变,则产生这一现象的原因是( )A.灯L1短路B.灯L2短路C.灯L1断路D.灯L2断路10.如图所示,V1和V2是完全相同的两个电压表,都有3 V 和15 V两个量程,闭合开关后,发现两个电压表偏转的角度相同,则( )A.R1∶R2=1∶4B.R1∶R2=4∶1C.R1∶R2=1∶5D.R1∶R2=5∶111.将两只滑动变阻器按图所示的方法连接,如果把a 、b 两根导线接入电路里,要使这两只变阻器接入电路中的总电阻最大,应把滑片P1、P2放在( )A.P1放在最右端,P2放在最右端B.P1放在最左端,P2放在最左端C.P1放在最右端,P2放在最左端D.P1放在最左端,P2放在最右端12.在图所示的电路中,电源电压保持不变,当开关S闭合,滑动变阻器的滑片P向右移动时,电流表和电压表的示数的变化情况分别为( )A.电流表的示数变小,电压表的示数变大B.电流表的示数变大,电压表的示数变小C.电流表的示数变小,电压表的示数不变D.电流表的示数变小,电压表的示数变小13.如图所示,下列判断错误的是( )A.仅使灯L1工作,应闭合开关S2、S3B.仅使灯L2工作,应闭合开关S1、S3C.使灯L1工作,应闭合开关S1、S3D.使灯L2工作,只闭合开关S3也可14.如图所示,电磁铁P和Q通电后( )A.P的右端是N极,Q的左端是S极,它们相互吸引B.P的右端是S极,Q的左端是N极,它们相互吸引C.P的右端是N极,Q的左端是N极,它们相互排斥D.P的右端是S极,Q的左端是S极,它们相互排斥15.有a、b、c、d四个带电体,它们之间的相互作用是:a 排斥c,b吸引c,b排斥d,由此判断( )A.a、d间相互排斥B.a、d间相互吸引C.a一定带正电D.d 一定带负电16.用粗细均匀的电热丝加热烧水,通电10 min可烧开一壶水,若将电热丝对折起来使用,电源电压不变,则烧开同样一壶水的时间是( )A.2.5 minB.5 minC.20 minD.30 min17.现有一只PZ22060灯泡L1和一只PZ22025灯泡L2,下列有关说法中正确的是( )A.灯泡L1的电阻小于灯泡L2的电阻B.它们并联在照明电路中时L2亮C.它们串联在照明电路中时L1亮D.它们正常发光时,在相同时间内消耗的电能相同18.原来室内的电灯正常发光,当把台灯的插头插入插座时(台灯的开关断开),室内的灯全部熄灭,熔丝熔断,发生这一现象的原因是( )A.台灯的功率太大B.台灯的插头处有短路C.台灯的灯座处有短路D.插座处原来就有短路19.电工修理如图所示的照明电路时,发现电灯R不亮,用测电笔测试C、D后,发现这两处都能使氖管发光,而测试A、B两点时,只有A点氖管发光,则故障可能发生在( )A.AC段B.CD段C.电灯R短路D.BD段20.一个通电螺线管两端磁极的极性决定于A.螺线管的匝数B.通过螺线管的电流方向C.螺线管内有无铁芯D.通过螺线管的电流21.闭合电路的一部分导体在磁场中运动的方向如下图所示,图中小圆圈表示导体的横截面,箭头表示导体运动的方向,下列各图中不能产生感应电流的是( )22.在如图所示的电路中,电源电压恒定,R1为一定值电阻,R2为滑动变阻器.开关S闭合后,当滑动变阻器的滑片P在a、b之间滑动的过程中,电压表的示数最大为4 V,电阻R1的电功率变化范围是0.8 W~7.2 W,则P从a端滑至b端的过程中,电流表的示数( )A.从1.8 A变化至0.2 AB.从0.4 A变化至1.2 AC.从1.2 A变化至0.4 AD.从0.2 A变化至1.8 A三、作图题(每题5分,共15分)23.根据下图中小磁针静止时的位置,标出电源的正、负极或通电螺线管的绕法.24.下图是安装一盏电灯和一个大功率插座的实物示意图,A、B为保险丝,请在图上画出接线.25.在下图中,A、B、C为三条引出线,由三个阻值相等的电阻组成,现用装有电池和电流表的检测器连接AB时,电流表示数I,当检测器与BC连接时,电流表的示数为I/2;当检测器与AC连接时,电流表的示数为I/3,试画出方框里的电路图.四、实验题(14分)26.测定标有3.8 V灯泡的额定功率.(1)画出实验电路图,并根据电路图将下列所需实物连接起来.(10分)(2)电压表所选量程是_______,调节滑动变阻器,应使电压表指针指在_______的位置上.(2分)(3)若此时电流表的示数如图所示,其读数为_______,则灯泡的额定功率约是________.(2分)五、计算题(11分)27.某同学家的电炉铭牌模糊不清了,为了测出电炉的额定功率,他让家里的所有用电器都停止工作,只接入电炉让其正常工作,然后观察家里正在运行的电能表,电能表上标有3000 R/kWh,利用手表计时,发现1 min转盘转了50转,那么:(1)电炉的额定功率是多少?(2)小明同学觉得电炉使用不方便,想对电炉进行改装:使电炉的功率可以为额定功率,也可以为额定功率的1/4,请你利用一个开关和一个定值电阻帮他设计一个电路,画出电路图,并计算出定值电阻的大小.参考答案1.1.2 52.203.18 C 0.75 W 45 J4.6 0~305.甲乙甲6.2R/97.变小不变变小8.D 9.D 10.A 11.D 12.C 13.C 14.B 15.B 16.A 17.A 18.B 19.D 20.B 21.C 22.C23.略 24.略 25.略26.(1)略 (2)0~15 V 2.8 V (3)0.34 A 1.3 W27.(1)1 kW(2)图略将开关与定值电阻并联后再与电炉丝串联 R=48.4 查字典物理网初中频道。
初二物理电学试题及答案一、选择题(每题3分,共30分)1. 电流通过导体时,导体内部的自由电荷会发生定向移动,形成电流。
关于电流方向的规定,下列说法正确的是()。
A. 正电荷定向移动的方向为电流方向B. 负电荷定向移动的方向为电流方向C. 正电荷定向移动的方向与电流方向相反D. 负电荷定向移动的方向与电流方向相反答案:A2. 电路中各元件的连接方式有串联和并联两种。
下列说法正确的是()。
A. 串联电路中各元件相互影响,不能独立工作B. 并联电路中各元件相互影响,不能独立工作C. 串联电路中各元件相互影响,能独立工作D. 并联电路中各元件不相互影响,能独立工作答案:D3. 欧姆定律是描述电流、电压和电阻之间关系的基本定律。
下列说法正确的是()。
A. 电阻一定时,电流与电压成正比B. 电压一定时,电流与电阻成正比C. 电流一定时,电压与电阻成正比D. 电压一定时,电流与电阻成反比答案:A4. 家庭电路中,各用电器之间是并联的。
下列说法正确的是()。
A. 各用电器之间相互影响,不能独立工作B. 各用电器之间不相互影响,能独立工作C. 各用电器之间相互影响,能独立工作D. 各用电器之间不相互影响,不能独立工作答案:B5. 电功是描述电流做功的物理量。
下列说法正确的是()。
A. 电功等于电功率与时间的乘积B. 电功等于电压与电流的乘积C. 电功等于电流与电阻的乘积D. 电功等于电压与电阻的乘积答案:A6. 电功率是描述电流做功快慢的物理量。
下列说法正确的是()。
A. 电功率等于电功与时间的比值B. 电功率等于电压与电流的乘积C. 电功率等于电流与电阻的乘积D. 电功率等于电压与电阻的乘积答案:B7. 电能表是测量电能的仪表。
下列说法正确的是()。
A. 电能表测量的是电流B. 电能表测量的是电压C. 电能表测量的是电功D. 电能表测量的是电功率答案:C8. 家庭电路中,开关控制用电器时,开关和用电器之间是串联的。
精选电学试题一.电流、电压、电阻一、选择题1.下列说法正确的是 [ ]A.短导线的电阻比长导线的电阻小B.粗导线的电阻比细导线的电阻小C.铜导线的电阻比铁导线的电阻小D.同种材料长度相等,粗导线的电阻比细导线的电阻小2.两条粗细相同的镍铬合金电阻线,长度分别为3米和1米,20℃时它们的电阻之比为3:1,当温度上升到40℃,它们的电阻之比是(横截面积变化不计)[]A.大于3:1 B.等于3:1C.小于3:1 D.等于1:33.下列说法中正确的是[]A.铁导线的电阻一定比铜导线的电阻大B.同种材料的导线,若长度相同,则细的导线电阻大C.长度相同的两根导线,细的导线电阻一定大D.粗细相同的两根导线,长的导线电阻一定大4.有关导体电阻的说法,正确的是[]A.粗细相同的两根导线,长度大的,电阻一定大B.长度相同的两根导线,横截面积小的,电阻一定大C.同种材料制成的长短相同的两根导线,横截面积小的,电阻一D.铝导线的电阻一定比铜导线的电阻大5.将图12的变阻器接入电路中,当滑片向左移动时,要使电阻减少,下列哪种接法正确[]A.a和b B.a和c C.c和d D.b和d6.如图13所示的滑动变阻器正确接入电路的两个接线柱可以是[]A.a和c B.b和c C.a和d D.b和d7.图14,A、B、C、D中所示的为滑线变阻器的结构和连入电路情况示意图,当滑片向右滑动时,连入电路的电阻变小的为[]8.如果将图15中滑线变阻器的C、D二接线接在电路中的MN间,为使电压表读数变小,问触头P应该:[]A.向左滑动B.向右滑动C.向左、向右均可以D.无法实现9.如图16所示,为一电阻箱结构示意图,下面关于此电阻箱接入电路电阻值大小的说法正确的是[]A.只拔出铜塞a、b,接入电路电阻为7欧姆B.只拔出铜塞c、d,接入电路电阻为7欧姆C.要使接入电路电阻为7欧姆,只有拔出铜塞c、d才行D.将铜塞a、b、c、d全拔出,接入电路的电阻最小10.图17为电阻箱结构示意图,要使连入电路的电阻为7欧姆,应将铜塞插入插孔的是[]A.C和B B.A和CC.A和D D.B和D12.决定导体电阻大小的因素是[]A.加在导体两端的电压B.通过导体的电流强度C.导体的电功率D.导体的材料、长度、横截面积13.用伏特表、安培表测量电阻实验中,在连接电路时,下列注意事项中,其中不必要的一点是[]A.连入变阻器时,应使滑片位于变阻器值最大的位置B.电键、安培表应接在靠近电源电流流出的一端C.连入电键时,应先将电键打开D.伏特表应与待测电阻并联,安培表应与待测量电阻串联,并使它们的“+”接线柱,靠近电源的“+”极一端14.在图18所示的电路中,有可能造成电源和安培表都损坏的是[]15.如图19所示,a、b、c表示的是伏特表或安培表,当K1、K2都闭合时,下列正确说法是[]A.a、b、c都是安培表B.a、b、c都是伏特表D.b、c是安培表,而a是伏特表C.a、b是伏特表,而c是安培表16.某同学做实验时,如图20连接电路,闭合电键后,灯泡正常发光,但安培表指针不动,伏特表读数正常,那么有可能是[]A.安培表已被烧坏,致使电路不通B.安培表完好,但未与导线接牢C.灯L的灯座接线处短路D.安培表接线处碰线(安培表被短路)17.图21,电键K合上,电灯L1、L2都不亮,伏特表示数为6伏特,出现此现象的原因是[]A.L1短路,L2断路B.L1断路,L2短路C.L1、L2都断路D.L1、L2都短路18.要使合上电键K,小灯泡L1、L2都发光,那么,下列图22中错误的是[]二、填空题20.如图23所示的导线,A处导线的直径大于B处导线的直径,那么通过A处和B处电流强度的关系I1______I2(填大于、小于或等于)。
初二物理电学试题一.选择题:1.日常生活的经验告诉我们,家中的电灯,插座,电视机,电冰箱等电气设备之间的连接方法是()A.一定是串联B.一定是并联C.可以串联,也可以是并联D.电灯与插座应该是串联,彩电与电冰箱应该是并联2.使用电池的时候,不允许用导线直接把电源的两极直接连接起来,这是因为()A.这样连接电路中没有电流B.这样连接有触电危险C.这样连接会在导线中产生很大的电流,损坏电池D.这样连接电路中的电流太小,用电器无法工作3.如下图所示,当开关S闭合后,三盏灯并联的电路是()A. B. C. D.4.下列四组物质中,都属于导体的是()A.水银,石墨,铁B.海水,盐水,油C.人体,大地,陶瓷D.铅,银,玻璃5.一只准确的电压表接入电路测电灯的电压,合上开关,灯泡均发亮,但电压表的示数为零,造成这一现象的原因可能是()A.表的正负接线柱接反了B.电压表被导线短路C.电源坏了,电路中没有电流 C.由于电压表接线柱接触不良,电压表被开路6.同种材料制成的甲,乙,丙三根电阻线,已知甲比乙长,但横截面积相等,丙比乙粗,丙比乙粗,但长度相等,则甲,乙,丙三根电阻线的电阻大小是()A.甲最大B.乙最大C.丙最大D.乙最小7.甲,乙两电阻之比是3:1,将它们串联后接入电路中,若测得乙电阻两端的电压为4V,那么这个电路的电源电压为()A.4VB.8VC.12VD.16V是定值电阻,电源电压U保持不变,当滑动变阻器滑8.如图2所示的电路中,R1片向右滑动时,电压表,电流表的示数将()A.电流表示数变小,电压表示数变大B.电流表示数变小,电压表示数变小C.电流表示数变大,电压表示数变大D.电流表示数变大,电压表示数变小9.在“测量小灯泡的电阻”的实验中,下列操作中有问题的是()图2A.连接线路的过程中,开关应处于断开状态B.连接线路的过程中,滑动变阻器的滑片要放在最大阻值的位置C.试触时发现电流表指针反向偏转,电压表指针偏转正常,只需断开电路将电池的正负极对调D.电流表串联在被测电路中,电压表并联在小灯泡两端10.如图3所示,开关S 闭合后,灯L 1和L 2均不亮,小炮祺同学利用一根导线去查找电路故障,当他将导线连接在灯L 1两端时,两灯均不亮,讲导线连接在灯L 2两端时,灯L 1亮而灯L 2不亮,由此可以判断( ) A.灯L 1短路 B.灯L 2短路C.灯L 1断路D.灯L 2断路图311.在选择电压表的量程时,正确的是( ) A.尽可能选择大一些的量程B.经试触后被测电压不超过小的量程时,尽可能选择小量程C.尽管选用的量程不同,但对测量结果毫无影响D.为使测量结果更精确,量程选得越小越好12.根据欧姆定律公式I=U/R 可以导出R=U/I ,由公式得出的正确结论是( ) A.导体电阻的大小跟导体两端电压成正比 B.导体电阻的大小跟导体中电流成反比C.导体电阻的大小是由导体两端的电压和通过导体中的电流共同决定D.导体的电阻是导体本身的一种性质,它的大小与导体两端的电压和通过导体中的电流无关13.如图4所示电路中,开关S 闭合时电压表测量的是( ) A.电源电压 B.L 1两端的电压 C.L 2两端的电压D.L 1两端的电压和电源电压之和 图4 14.如图所示,正确的是( )二.填空题:15.经验证明,只有 V 的电压才是安全的。