立式储气罐说明书
- 格式:docx
- 大小:24.58 KB
- 文档页数:3
储气罐使用说明书本储气罐产品主要用于储存压缩空气、调节用气负荷、延时供气;其使用、检验检测等均应严格按简单压力容器安全技术监察规程及特种设备安全监察条例之规定;1、储气罐使用单位须建立安全管理档案及完善的工艺操作规程和岗位操作规程,对本储气罐进行定期保养、检查并记录存档;发现异常情况,应当技术请特种设备检验检测机构进行检验;2、本产品应在推荐使用寿命年限内使用,达到推荐使用寿命的应报废;如需继续使用,使用单位应报请特种设备检验检测机构进行定期检验;3、在长期工作状态下,储气罐的支架板、进气管等焊接部位可能产生振动裂纹;安装及使用时应注意减少振动;4、使用单位的操作人员应进行专业培训与安全教育;严禁超压、超温使用;进入储气罐的压缩空气文的严禁超过罐体的设计温度;为确保储气罐处于正常状态,使用环境温度应不低于0℃;应避免腐蚀性物料接触罐体表面;如与外壁油漆层剥落,宜及时修复;5、对油润滑压缩机,应定期检查排气口至压缩空气温度80℃处之间的所有管路、容器本身和配件,任何积碳应有效去除包括压缩机缸头积碳物;视实际使用情况,应对储气罐进行定时排污和定期清洗,确保罐内的空气质量;不得在储气罐周围或储气罐上动明火;不得使用明火查看储气罐内部状况;6、储气罐处于受压状态时,不得进行任何维修包括紧螺栓等以及对储气罐的锤击和撞击;7、使用单位不得擅自对储气罐进行修理、技术改造或改为与原设计不符的压力容器;8、储气罐上的安全附件安全阀、压力表应定期检验定期检验日期一般以安全附件出厂日期为准安全阀一般每年至少校验一次;压力表每六个月至少校验一次;操作人员必须经常检查安全附件具有可靠的灵敏度;确保安全附件正常工作,一旦失效或精度达不到规定要求即予以更换;9、压缩机的最大容积流量即储气罐的实际进气量如超过储气罐安全阀的泄放量时,使用单位应在其系统中加装压力泄放装置;。
贮罐使用说明一、总则为保证各种贮罐的长期使用,特做此说明。
贮罐安装、使用过程中除应符合本说明外,尚应符合国家现行有关标准规定。
本说明所指贮罐主要包括指本公司生产的玻璃钢立式平底贮罐、立式圆底贮罐、卧式贮罐、塑料卧式贮罐、立式贮罐、配车用罐体等。
二、装卸及运输1、贮罐一般情况下是用卡车或铁路货车运输,无论是立式或卧式贮罐都必须用支撑和固定环将贮罐固定在车上,在支撑固定环与罐体之间垫上橡胶垫或其他软垫,取下时不能用铁锤或其他硬物直接敲击,以免将罐体震坏。
2、用起重机和软绳索将贮罐吊起,放在地面上事先备好的木板上,比较小的贮罐也可将叉车的前叉包上软垫,用叉车将贮罐放置在木板上,所有贮罐都应避免罐体及配件直接与地面接触。
3、如果暂时不安装,应将罐体放在支架上并加以固定,以免滚动。
三、起吊1、起吊时,索具必须用粗麻绳或钢丝绳(外包软橡胶或其他软物),在罐体两侧应有引导绳,以免罐体摆动而撞击其他物体。
2、使用吊装环起吊时,起重机挂钩至罐顶距离要大于两个吊装环之间的距离。
3、平底贮罐起吊时,底部与地面接触部分要垫软物。
四、贮罐基础1、贮罐要放在一个表面平整的混凝土基础上,基础大小根据贮罐类型、贮罐载荷、支撑重量以及当地土壤类型,通过计算而定。
2、如平底贮罐底部有一排放口,则在基础上应留有足够的凹槽,使排放口法兰不会在任何一点接触基础,以免产生应力集中。
3、平底玻璃钢贮罐基础尺寸见下图1,平底塑料贮罐需保证基础平整光滑无突起异物。
五、贮罐的定位及固定1、卧式贮罐卧式玻璃钢贮罐均采用包角1800的鞍式支座,卧式塑料贮罐包角≥1200。
支座间距离按图纸要求,要求支座与贮罐外壁相吻合,其间并垫有4~6mm厚的胶板或用混凝土沙浆塞实,各支座之间一定要水平,水平误差不大于±1.5mm。
(图2)卧式玻璃钢贮罐安装照2、圆底立式贮罐该类贮罐分三类:第一种底部有支撑,该支撑在出厂前已完全调平,故用户只需将基础找平确保贮罐垂直即可安装牢固。
立式储罐使用说明书 The Standardization Office was revised on the afternoon of December 13, 2020HCG系列立式储罐使用说明书制作单位:...........................生产基地:..............................公司电话:.................................公司传真:................................邮编:..........................编制日期:..........................目录一产品介绍 (4)二产品特点 (4)三设备技术参数 (5)四使用说明及注意事项 (5)五设备的维护与保养 (6)六售后服务承诺 (6)七合格证 (7)八随机附件表 (8)一产品介绍:本设备可用于食品、乳品、饮料、酒类、中药、化工行业的液体物料的贮存或运输,可以耐部分有机溶剂的腐蚀。
确保无污染,具有效率高,操作方便等优点。
罐顶部配备了物料接口、清洗口、人孔、呼吸阀接口、液位计接口,罐下部配置了突面出料口,外形美观等优点。
材料采用优质不锈钢并进行内镜面抛光至μm、外表面亚光处理。
二产品特点:①溶剂贮罐,广泛的应用于食(乳)品、饮料、制药等行业的液体物料贮存或运输。
②具有耐腐、防腐、使用寿命长、硬度高、运输安全,质量有保障。
③罐内配备自动旋转清洗球,确保清洗彻底。
④另外还配置了人孔,以保养维修的方便。
⑤本设备确保无污染、效率高、操作方便等三设备技术参数:四使用说明及注意事项:1.本系列容器按《钢制焊接容器技术条件》进行制造、试压和验收。
2.贮罐在安装、移位时要尽量使用吊机并注意安全。
3.贮罐在储存化学物品时,应对存储物品作明显标示。
放置储罐的场地四周应有良好的排液地沟与稀释装置。
4.用户在使用前应对储罐的密封性能进行检查,可加液体观察是否泄漏。
仪表储气罐技术说明
1.供货范围
整套供货:包括罐体及其他相关附属部件,配套气源处理器(三联件)。
2.主要结构及技术要求
2.1技术参数
罐体形式:立式
有效容积(m3):1
工作压力(Mpa):1
气体分子量:29
材质:碳钢防腐
防爆等级:非爆炸危险环境
运转情况:间歇
年运行时数:4000
保证耐压力1.5MPa,最高使用压力1.0MPa;过滤精度25μm。
储气罐气源为空气压缩机供气,经三联件处理后用于向脱水机房气动阀门供气。
安装在污泥脱水机房,直径≤0.7m。
2.2介质特性
介质名称:空气
气提分子量:29
腐蚀性:无
2.3安装条件
安装位置:室内不采暖
安装现场温度:常温
2.4设备的防腐
包装前对机加工面按 GB4879 标准要求做防腐处理。
运输、安装过程中涂层破损,严格按涂装工艺进行修复,其质量水平不低于原涂层的质量水平。
简单压力容器储气罐使用说明书一、产品的工作条件:产品工作条件应与图纸设计条件相吻合,即最高工作压力、最高工作温度应不超过图纸设计技术参数的规定值,所装的介质为空气,严禁私自改变使用条件。
二、推荐使用寿命:本设备参照GB150《钢制压力容器》进行设计,产品推荐使用寿命为10年,达到推荐使用寿命的产品应当报废。
如需继续使用的,使用单位应报特种设备检验检测机构,按《压力容器定期检验规则》进行定期检验。
三、用途:本设备主要用途是与空气压缩机配套使用,储存压缩空气。
四、安装要求:储气罐与空压机安装应保持一定距离,两者安装距离不得小于2米,5米之内两者连接宜采用软管,如硬管连接,需设置缓冲弯管。
因罐内装的是压缩空气,为防止储气罐内压缩气体受热后气体膨胀而引发不安全因素,本罐安装位置应远离火源及易然、易爆物质。
储气罐安装应牢固,支脚应用螺母紧固在地脚螺栓上或焊接在基础钢板上。
压缩机的最大容积流量(储气罐的实际进气量)如超过储气罐安全阀泄放量时,使用单位应在其系统中加装压力释放装置。
五、使用管理要求:本产品按照TSG R0003-2007《简单压力容器安全技术监察规程》第四十三条要求,不需要办理使用登记手续,在推荐使用寿命内,本产品不需要进行定期检验。
使用单位应当建立设备安全管理档案,对产品定期保养、检查并且记录存档,发现异常情况时,应当及时请特种设备检验机构进行检验。
六、安全维护:a)储气罐额定压力见合格证,运行时不得将压力任意调高。
b)必须由专人管理和使用,发现问题及时采取措施,防止发生意外,以保证人机安全。
c)运行时发现漏气,要处理拆卸的一定要先停机,切记!待完全卸压后方可进行操作。
d)储气罐需定期的进行维护和保养。
e)安全附件使用要求:压力表应每半年校验一次,安全阀应每年校验一次。
f)排污应定期(每星期)排放油水污物,以免积水过多加速罐体腐蚀而影响容器使用寿命。
浙江开山压力容器有限公司。
立式贮罐设计前言玻璃钢罐分为立式、卧式机械缠绕玻璃钢储罐、运输罐、反应罐、各种化工设备,玻璃钢卧式罐、立式贮罐、运输罐、容器及大型系列容器、根据所用(贮存或运输)介质选用环氧呋喃树脂、改性或聚酯树脂、酚醛树脂为粘结剂,由高树脂含量的耐腐蚀内衬层、防渗层、纤维缠绕加强层及外表保护层组成。
玻璃钢具有耐压、耐腐蚀、抗老化、使用寿命长、重量轻、强度高、防渗、隔热、绝缘、无毒和表面光滑等特点。
机械缠绕玻璃钢容器可以通过改变树脂系统或采用不同的增强材料来调整产品的物理化学性能以适应不同介质和工作条件需要,通过结构层厚度、缠绕角和壁厚设计制不同压力,是纤维缠绕复合材料的显著特点。
由于有以上的特点,玻璃钢贮罐可广泛应用于石油、化工、纺织、印染、电力、运输、食品酿造、给排水、海水淡化、水利灌溉及国防工程等行业。
储存各种腐蚀性介质可以耐多种酸、碱、盐和有机溶剂,主要应用于石油、化工、制药、印染、酿造、给排水、运输等行业,适应于盐酸、硫酸、硝酸、醋酸、双氧水、污水、次氯酸钠等多种产品的贮存、运输,也可作地下油槽、保温储槽、运输槽车等[1]。
本设计为容积180,贮存质量分数为的硫酸,使用温度为90℃的立式贮罐,设计中分别从造型、性能、结构、工艺、零部件、防渗漏、安装、检验等八个方面做了说明、计算和设计,整体介绍了立式贮罐的设计流程、方法及主要事项,最终设计出了满足设计要求的立式贮罐。
1.造型设计1.1设计要求立式玻璃设计,容积为140,贮存质量分数为的醋酸,使用温度为常温,拱形顶盖设计.1.2贮罐构造尺寸确定贮罐容积V140,取公称直径为D3800,则贮罐高度为 (式1。
1)初定贮罐结构尺寸为 D H1.3拱形顶盖尺寸设计与锥形顶盖相比,其结构简单、刚性好、承载能力强,是立式贮罐广为使用的一种形式.为取得罐顶和罐壁等强度,罐顶的曲率半径与贮罐直径差值不超过20%。
即(式1.2)式中——拱顶球面曲率半径,;——贮罐内径,,等于.取罐顶高为h,r为转角曲率半径,r小则h 小,一般取此时[1]。
引言:储气罐是一种用于储存压缩空气或其他气体的大型容器。
在工业和商业领域中,储气罐被广泛应用于多种应用,如能源储备、气动系统、压缩机等。
本文将详细介绍储气罐的操作说明,包括安全操作、维护保养、气体质量控制等方面的内容。
概述:正文:一、安全操作指南:1.1熟悉储气罐的基本结构和工作原理,了解其操作规程。
1.2检查储气罐的外观和密封情况,确保没有损坏的地方。
1.3在操作储气罐之前,先确认是否已经放空,并检查连接管道是否松动。
1.4确保储气罐周围没有易燃、易爆或腐蚀性物质,并保持通风良好。
1.5在操作期间,严禁将储气罐用于超过其额定压力和温度的情况。
二、储气罐的维护保养:2.1定期检查储气罐的外观和内部状况,包括焊缝、密封面、阀门等。
2.2清洁储气罐表面,防止积尘和腐蚀。
2.3在使用前,确保阀门、压力表和压力安全装置的正常工作。
2.4定期检查储气罐的涂层和防腐层,确保其完整性和耐蚀性。
2.5根据使用情况,进行定期检修和更换储气罐部件,确保其长期可靠运行。
三、压力调节与监控:3.1根据工作需求,设置合适的储气罐压力和流量。
3.2定期检查压力调节器和压力传感器的性能和准确性。
3.3监测储气罐内的压力变化,防止过高或过低的压力对储气罐的损坏。
3.4当发现压力异常时,及时采取措施进行调整或维修。
四、气体质量控制:4.1使用合格的气体供应商,并确保使用的气体符合相关标准。
4.2进行气体质量的检测和分析,确保储气罐内的气体达到所需纯度和质量要求。
4.3定期检查储气罐内的气体含水量和杂质含量,清理污染物和换气。
五、应急处理:5.1储气罐发生泄漏或意外事故时,应立即停止使用,并迅速采取紧急措施。
5.2组织紧急疏散和报警,通知相关人员和应急部门。
5.3切勿试图修复或拆卸损坏的储气罐,应等待专业人员进行维修和处理。
5.4储气罐事故后,及时进行调查和分析,总结教训,以防止类似事故再次发生。
总结:储气罐操作的正确与安全对于提高工作效率和保护人员生命财产安全至关重要。
简单压力容器(储气罐)使用说明书本设备的最高允许工作压力、工作温度、全容积等技术参数,详见竣工图上的技术特性表。
本设备主要用于完成介质流体压力平衡、缓冲、做输送动力源用。
设备安装注意事项1.环境温度:储气罐安装地的环境温度应在本设备工作温度范围之内,超过其范围应采取措施保温或移至有温度调节的室内。
2.设备环境不应有腐蚀性介质(气体或液体)存在。
因储气罐在设计时,以轻微腐蚀(年腐蚀速率≤0.1mm/年)考虑的,如使用环境年腐蚀速率超过0.1mm/年,应做防腐处理,确保设备在推荐寿命15年内安全运行。
3.压缩机最大流量如超过储气罐安全泄放量,使用单位应在其系统中加装压力释放装置。
4.为防止储气罐距压缩机过近,罐体进气口、支座等部位因长期振动而产生裂纹,故两者距离不得小于2m。
5m之内连接宜采用软管,如硬管连接须设置缓冲弯管。
5.安全附件的安装:1)务请注意,在安全阀与储气罐罐体之间不得加设阀门或其它引出管。
2)安全阀必须装设排放管。
排放管要尽量避免曲折和急转弯,以尽量减少阻力排放管要直通安全地点,并有足够的流通截面积,保证排气畅通。
3)压力表装设位置应便于操作人员观察和清洗。
4)为了便于拆卸,压力表安装时应在其与容器之间设置三通旋塞阀或针型阀。
三通旋塞阀或针型阀上应有开启标志和锁紧装置。
压力表与容器之间不得连接其他用途的任何配件或接管。
设备的使用与管理1.基本要求。
1)平稳操作。
加载和卸载应缓慢,并保持运行期间载荷的相对稳定。
�压力容器开始加载时,速度不宜过快,尤其要防止压力的突然升高。
过高的加载速度会降低材料的断裂韧性,可能使存在微小缺陷的容器在压力的快速冲击下发生脆性断裂。
�高温容器或工作壁温在0℃以下的容器,加热和冷却都应缓慢进行,以减小壳壁中的热应力。
�操作中压力频繁地和大幅度地波动,对容器的抗疲劳强度是不利的,应尽可能避免,保持操作压力平稳2)防止超载。
防止压力容器过载主要是防止超压。
压力来自外部(如气体压缩机、蒸汽锅炉等)的容器,超压大多是由于操作失误而引起的。
储气罐使用说明书储气罐设备属于压力容器,需要由压力容器制造许可单位制造并监检合格方可安装使用。
常用储气罐介质为压缩空气、蒸汽、水汽混合气、其它惰性气体等,压力、温度、容积可以根据用户需要定做。
储气罐作用:主要用于介质压力平衡、缓冲、作输送动力源用。
一、设备安装注意事项1.环境温度:储气罐安装地的环境温度应在本设备工作温度范围之内,超过其范围应采取措施,保温或移至有温度调节的室内。
2.安装环境无腐蚀性介质(气体或液体)存在,因储气罐在设计时,以轻微腐蚀(年腐蚀率≤0.14mm/年)考虑,如果使用环境年腐蚀率超过0.14mm/年时,应作防腐处理,确保设备在推荐寿命10年内安全运行。
3.安全阀与储气罐罐体之间不得加设阀门。
4.进气最大流量如果超过储气罐安全泄放量,使用单位应在其系统中加装压力释放装置。
5.储气罐与气源之间应选用硬管连接并增设缓冲弯管。
二、使用管理1.使用单位负责储气罐使用的安全管理。
符合《固定式压力容器安全技术监察规程》的储气罐需要办理使用登记证并接受当地检测部门的定期检验。
属于《简单压力容器安全技术监察规程》范围的储气罐不需要办理使用登记,应按照设计使用年限使用,若达到使用年限需继续使用的,使用单位应当报特种设备检验检测机构按《压力容器定期检验规则》进行定期检验。
2.使用单位应逐台建立储气罐安全管理挡案,对储气罐进行定期保养、检查并且记录存挡。
发现异常情况时,应及时请特种设备检验检测机构进行检验。
3.储气罐使用单位应严格按操作规程执行,对操作人员应定期进行专业培训和安全教育。
4.储气罐严禁超温、超压使用,设备应进行定时排污、定期清洗,确保储气罐处于正常工作状态。
5.储气罐的安全附件,应按有关规定进行定期校验,确保安全附件正常工作。
6.储气罐发生事故,事故发生单位应迅速采取有效措施,组织抢救,防止事故扩大,并且按照《压力容器特种设备处理规定》的要求进行报告和处理,不得隐瞒、拖延不报或者谎报。
3吨立式储罐说明
3吨立式储罐是一种用于存储各种液体的设备,特别是在化工、制药、食品加工和饮料等行业中得到广泛应用。
这种储罐采用优质的不锈钢
材料制成,具有优良的耐腐蚀性和强度,能够承受较高的压力和温度。
下面我们就来详细介绍一下3吨立式储罐的相关特点和用途。
首先,3吨立式储罐采用了立式结构设计,具有较小的占地面积,便于放置和使用。
结构紧凑、体积小,方便搬运和维护。
而且,该储罐还
采用了抛光技术,表面光滑平整,不易滋生细菌,符合卫生标准要求,适合储存各类饮料、食品、制药等液体产品。
其次,改装的3吨立式储罐在箱体结构上做了很多细节处理,使其更
为实用。
由于储罐的上部配备了各种接口,可以加装配件,满足不同
用户的不同需求。
例如,在饮料行业中,可加装破碎机和混合器,用
于糖浆、果汁、茶饮等产品生产的混合、研磨等工艺,提高生产效率。
在制药业中,则可加装搅拌器和高压均质器,用于制剂的生产和混合,提高产品均质度和成品率。
此外,3吨立式储罐还具有完善的安全装置,如防爆装置、泄压装置等,确保产品的装卸、储存、操作等过程的安全性。
同时,该储罐满足
ISO9001、CE等质量认证标准,质量可靠,长期使用寿命长。
综上所述,3吨立式储罐是一种多功能、高效、安全的储罐设备,广泛用于制药、食品加工、饮料等行业的液体产品的储存和生产过程中。
无论在哪个行业中,因其体积小、操作简单、耐腐蚀、低成本及易于清洗维护等优点,3吨立式储罐都是非常实用的设备。
可以说,它是现代工业生产中不可缺少的设备之一。
Simple Pressure Vessel (Air Tank)Operation Manual1.W o r k i n g p r e s s u r e s h o u l d n o t b e h i g h e r t h a n M a x.w o r k i n g p r e s s u r e,overpressure use cause to bad consequencewill be responsible by u s e r.2. The air tank application for compressor of oil lubricated.3. Air tank is important components of air compress system. Must work after make sure unit is complete, safe assistance parts areall ready and debugging safety valve.4. Before use the air tank, must install one piece of full lift safety valve at least. Before install the air tank, must be tested by qualificatoryorganization. During use the air tank, must examine one time per yearat fixed period at least, and mak e sure the safety valve is not rust during using.5. B e f o r e u s e t h e a i r t a n k, m u s t i n s t a l l o n e p i e c e o fp r e s s u r e g a g e,a n d p r e c i s i o n n o l e s s t h a n 2.5g r a d e,m e a s u r i n g r a n g e i s 1.5t o3t i m e s o f design pressure.6. Hospital who use the air tank need to establish equipment safety management record, scheduled maintenance, inspect, and make record, once abnormal occurred, should ask special equipment inspecting and testing organization come to inspect.7. Simple pressure vessel(Air tank) no need to transact use registration, during recommend life time no need to periodical s u r v e y. After recommend life time, the air tank need to scrap. If user organization request to continue using, need to ask local special equipment inspection agencies for periodic inspection according to ‘pressure vessel periodic inspection rules’.8. Air tank should be layout on flat, avoid shaking m a k e the weldingpoint between support and barrel crazing, thus cause accident.9. The shell of air tank should be avoid striking or heavy load, and avoid corrosive material contact shell or working in corrosive environment.10. Periodically open the drain valve in the bottom of air tank, drain out ponding, prevent rust inside the tank.11. After air tank is using, don’t patch or weld repair.。
储气罐操作说明储气罐操作说明1:简介储气罐是一种用来储存气体的设备,具有重要的功能和作用。
本文档旨在提供详细的储气罐操作说明,以确保使用者正确、安全地操作储气罐。
2:储气罐的组成2.1 储气罐本体:由高强度材料制成,具有一定的容量和压力承受能力。
2.2 排气阀:用于控制储气罐内气体的放出和封闭。
2.3 压力表:用于显示储气罐内气体的压力情况。
2.4 安全阀:一种用于排除过高压力的安全装置,避免储气罐发生爆炸等安全事故。
3:操作步骤3.1 准备工作3.1.1 确保储气罐周围环境干净整洁,没有易燃物和易爆物。
3.1.2 确保储气罐与电源、火源等安全距离。
3.1.3 检查储气罐本体及配件是否完好无损,并清理储气罐表面。
3.1.4 检查储气罐的压力表、排气阀、安全阀是否工作正常。
3.2 开启储气罐3.2.1 将储气罐连接到相应的设备上。
3.2.2 慢慢旋转排气阀,逐渐打开。
3.2.3 观察压力表,确保气体压力逐渐升高到设定的工作压力。
3.3 关闭储气罐3.3.1 关闭相应的设备。
3.3.2 逆时针旋转排气阀,使其关闭。
3.3.3 观察压力表,确认压力已降至零。
3.3.4 断开储气罐与设备的连接。
4:注意事项4.1 在操作储气罐前,必须具备相应的操作经验和知识。
4.2 严禁在储气罐附近吸烟或使用明火。
4.3 不得超过储气罐的额定压力,以免引发安全事故。
4.4 定期检查储气罐的完整性和配件的工作情况。
4.5 遇到储气罐异常情况(如漏气、异常压力等),应立即停止使用并报告相关人员。
附件:暂无法律名词及注释:1:爆炸:指由于燃烧、化学反应等而引起突然破裂或破坏的现象,伴随着极大的能量释放和冲击波。
2:安全装置:一种用于保护设备、人员和环境安全的装置,通过察觉、预警和阻断等方式实现。
3:额定压力:储气罐所能承受的设计压力,超过此压力可能导致储气罐的破损和事故发生。
本文档涉及附件:暂无本文所涉及的法律名词及注释:爆炸、安全装置、额定压力。
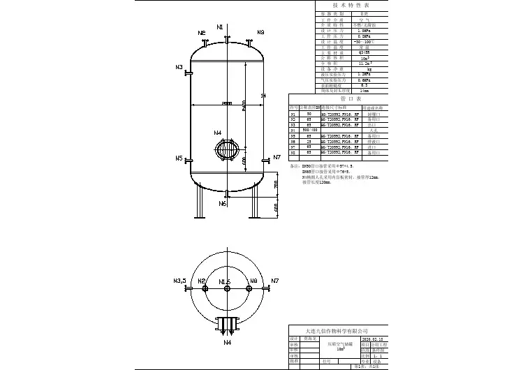
立式储气罐说明书一、设计压力容器设备的各项参数要求:压力、介质、温度根据设计要求,最高工作压力为1.5MPa,工作温度为常温20℃,工作介质为压缩空气,容积为2m31、确定压力容器的类型为方便对压力容器的安全技术监督和管理,我国根据容器发生事故的可能性以及发生事故后的二次危害程度的大小,对压力容器进行了综合分类。
这种分类方法综合考虑了以下几种因素:设计压力的大小;工作介质的危害性;容积几何容积的大小。
这种分类方法将压力容器分为Ⅰ、Ⅱ、Ⅲ类。
从安全的角度反映压力容器的重要性和对压力容器的不同要求。
根据介质分组、设计压力和容器,按压力容器类别划分图可以得到容器的类型。
由于储气罐为低压(<1.6MPa)且介质无毒不易燃,应为Ⅰ类容器。
二、设计参数说明1、设计压力说明容器的最高压力为1.5MPa,设计压力取值为最高工作压力的1.05~1.10倍。
根据介质的危害性和容器所带的安全装置,本容器中取1.10。
得到设计压力为Pc=1.05×1.5=1.575MPa2、设计温度说明根据工作要求,考虑容器环境温度,在室内工作,工作温度为常温20℃。
3、几何容积计算说明由计算得: a=b=r=0.6mh i=0.3mL=1.8m其中:a−封头的长轴b−封头的短轴r−圆筒的半径h i−封头高度L−圆筒的高度圆柱的体积V=πr2L椭圆的面积V=43πabc压力容器的总容积V=πr2L+43πabc=π×0.6×0.6×1.8+43×π×0.6×0.6×0.3 =2.48814m34、确定腐蚀裕量规定设计压力≤1.6MPa;钢板使用温度0℃~350℃;Q235−B用于壳体时厚度不得大于20mm,且不得用于高度危害的介质。
储气罐使用压力、温度和介质都符合Q235-B的条件,厚度还未知,若超过了20mm,能使用16MnR。
故材质先确定用Q235−B。
储气罐操作说明一、储气罐的概述储气罐是一种用于储存气体的设备,通常由高强度钢材制成,具有一定的压力容纳能力。
储气罐广泛用于工业、医疗、道路运输等领域,用于储存气体供给设备使用。
为了确保储气罐的安全使用,以下将介绍储气罐的操作说明。
二、操作前的准备工作1. 确保储气罐外部没有损坏或漏气迹象,如果发现异常情况,应立即停止使用并进行检修。
2. 检查储气罐阀门是否正常关闭,并确保阀门密封良好。
3. 确认储气罐周围没有易燃或易爆物质,并保持通风良好的环境。
三、储气罐的使用方法1. 打开储气罐阀门前,请确保操作人员已经戴上适当的防护装备,如手套、护目镜等。
2. 轻轻转动储气罐阀门,使其缓慢打开,防止气体突然释放造成不必要的危险。
3. 在使用储气罐时,应注意保持阀门畅通,防止阀门堵塞或泄漏。
4. 使用过程中,如发现储气罐异常发热或阀门出现异常现象,应立即停止使用,并通知相关人员进行检修。
5. 使用完毕后,应立即关闭储气罐阀门,并确保密封良好。
四、储气罐的维护与保养1. 定期检查储气罐外部是否有腐蚀、损坏等问题,并及时进行维修。
2. 每年至少进行一次常规检查,包括检查罐体的内外壁、阀门、底部支座等是否存在问题,并进行严格记录。
3. 定期清洁储气罐,并注意保持其干燥、通风良好的环境。
4. 储气罐使用寿命一般为15年左右,超过使用寿命时应进行更换。
五、储气罐的安全注意事项1. 储气罐应禁止撞击、重压等外力作用,以防止容器破裂或泄漏。
2. 储气罐不得靠近火源或高温区域,防止罐体被加热过热引发安全事故。
3. 在搬运或安装储气罐时,应采取适当的防护措施,并由专业人员操作。
4. 使用储气罐时,严禁在罐体周围堆放物品,保持周围环境整洁和通风良好。
5. 储气罐长时间不使用时,应关闭阀门,并加装防尘罩,以防止灰尘进入罐体。
请您在使用储气罐时严格按照以上操作说明进行操作,确保您和周围人员的安全。
储气罐是一种高压容器,使用不当可能引发安全事故,请务必谨慎使用,并定期进行检查和维护,以确保设备的可靠性和安全性。
立式储气罐说明书
一、设计压力容器设备的各项参数要求:压力、介质、温度
根据设计要求,最高工作压力为1.5MPa,工作温度为常温20℃,工作介质为压缩空气,容积为2m3
1、确定压力容器的类型
为方便对压力容器的安全技术监督和管理,我国根据容器发生事故的可能性以及发生事故后的二次危害程度的大小,对压力容器进行了综合分类。
这种分类方法综合考虑了以下几种因素:设计压力的大小;工作介质的危害性;容积几何容积的大小。
这种分类方
法将压力容器分为Ⅰ、Ⅱ、Ⅲ类。
从安全的角度反映压力容器的重要性和对压力容器的不同要求。
根据介质分组、设计压力和容器,按压力容器类别划分图可以得到容器的类型。
由于储气罐为低压(<1.6MPa)且介质无毒不易燃,应为Ⅰ类容器。
二、设计参数说明
1、设计压力说明
容器的最高压力为1.5MPa,设计压力取值为最高工作压力的1.05~1.10倍。
根据介质的危害性和容器所带的安全装置,本容器中取1.10。
得到设计压力为
Pc=1.05×1.5=1.575MPa
2、设计温度说明
根据工作要求,考虑容器环境温度,在室内工作,工作温度为常温20℃。
3、几何容积计算说明
由计算得: a=b=r=0.6m
h i=0.3m
L=1.8m
其中:a−封头的长轴
b−封头的短轴
r−圆筒的半径
h i−封头高度
L−圆筒的高度
圆柱的体积V=πr2L
椭圆的面积V=4
3
πabc
压力容器的总容积V=πr2L+4
3πabc=π×0.6×0.6×1.8+4
3
×π×0.6×0.6×0.3 =2.48814m3
4、确定腐蚀裕量
规定设计压力≤1.6MPa;
钢板使用温度0℃~350℃;
Q235−B用于壳体时厚度不得大于20mm,且不得用于高度危害的介质。
储气罐使用压力、温度和介质都符合Q235-B的条件,厚度还未知,若超过了20mm,能使用16MnR。
故材质先确定用Q235−B。
由于介质是无腐蚀的容器,所以腐蚀裕量取C2=2mm.
5、确定焊缝系数
根据《容规》所规定的种情况选择焊缝系数∅=0.85。
6、主要受压元件材质的确定
选择受压材质为Q235−B
三、设备基本尺寸说明
1、容器直径设计说明
首先要确定容器直径。
取长径比为1.5。
要求容器的几何容积为2m3。
先设定直径Di=1.2,可按照GB150公式计算出厚度。
容器直径Di=1.2。
厚度负偏差C1=0.3mm
Q235−B的屈服极限,其值不低于235MPa
设计温度下许用应[σ]t=235MPa
计算厚度δ=PcDi
2[σ]t∅−Pc = 1.575×1.2×103
2×235×0.85−1.575
=7.99mm
名义厚度δn=δ++C2=7.99+2+0.3=10.02mm
考虑到焊缝等其他因素,取δs=12mm
符合Q235−B对厚度不超过20mm的要求,至此,得到容器外形。
2、按照工艺要求确定配置各管口的法兰和接管。
需要设计进出口管及法兰,选择人孔或者手孔之一进行设计。
(1)、’法兰及其密封面型式
根据要求选择标准椭圆形封头,其形状系数
K=1
6
[2+(
Di
2hi
)2]
=1
6
[2+(
1.2×103
2×0.3×103
)2]=1
封头采用钢板整体冲压而成,焊接封头系数取∅=1.0,故封头厚度=筒壁厚度K=12mm×1=12mm。
(2)、检查孔
开手孔d=180mm
(3)、设计支座
支座不需设计计算,按所设计的容器形状,画出结构合理的图。
(4)、撰写计算说明书
四、强度校核计算说明
对已知尺寸的容器进行强度校核时,其应力强度或许用压力应分别满足式ⅰ和式ⅱ
σt=p t(D i+δe)
2δe
≤[δ]t∅ (ⅰ)σt=
p t(D i+δe)
2δe
=2×(1.2×103+7.8)
2×7.8
=154.85MPa [δ]t∅=235×0.85=199.75MPa
所以σt<[δ]t∅满足应力强度要求
[P w]=2δe[δ]t∅
D i+δe
≥P c (ⅱ)
[P w]=2×7.8×235×0.85 1.2×103+7.8
=2.58≥1.65=P c 所以[P w]≥P c满足许用压力要求
式中[δ]t−设计温度下圆筒材料的许用应力,MPa;
D i−圆筒内直径,mm;
P c−计算压力,MPa;
[P w]−设计温度下的许用应力,MPa;
σt−计算压力下圆筒的计算应力,MPa;
δe−圆筒有效厚度,δe=δn−C, mm;
δn−圆筒名义厚度,mm;
C−厚度附加量,C=C1+C2,mm;。