【CN305320433S】中性笔包装盒【专利】
- 格式:pdf
- 大小:197.88 KB
- 文档页数:3
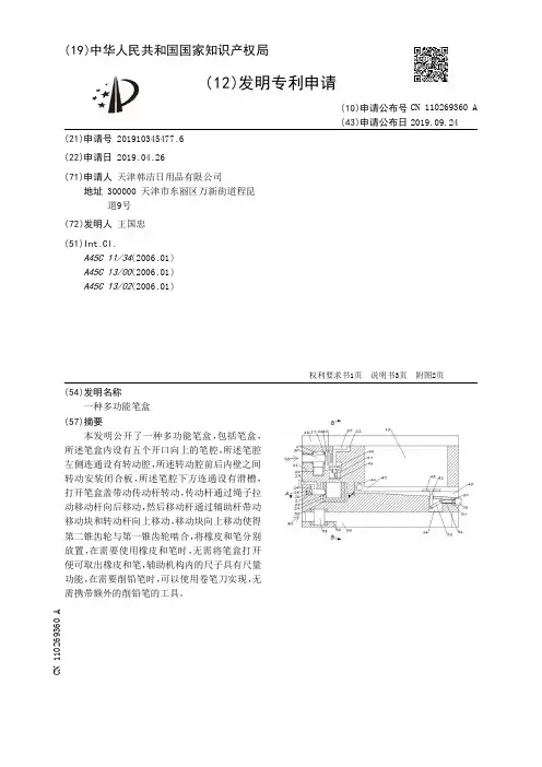
(19)中华人民共和国国家知识产权局(12)发明专利申请(10)申请公布号 (43)申请公布日 (21)申请号 201910345477.6(22)申请日 2019.04.26(71)申请人 天津韩洁日用品有限公司地址 300000 天津市东丽区万新街道程昆道9号(72)发明人 王国忠 (51)Int.Cl.A45C 11/34(2006.01)A45C 13/00(2006.01)A45C 13/02(2006.01)(54)发明名称一种多功能笔盒(57)摘要本发明公开了一种多功能笔盒,包括笔盒,所述笔盒内设有五个开口向上的笔腔,所述笔腔左侧连通设有转动腔,所述转动腔前后内壁之间转动安装闭合板,所述笔腔下方连通设有滑槽,打开笔盒盖带动传动杆转动,传动杆通过绳子拉动移动杆向后移动,然后移动杆通过辅助杆带动移动块和转动杆向上移动,移动块向上移动使得第二锥齿轮与第一锥齿轮啮合,将橡皮和笔分别放置,在需要使用橡皮和笔时,无需将笔盒打开便可取出橡皮和笔,辅助机构内的尺子具有尺量功能,在需要削铅笔时,可以使用卷笔刀实现,无需携带额外的削铅笔的工具。
权利要求书1页 说明书3页 附图2页CN 110269360 A 2019.09.24C N 110269360A权 利 要 求 书1/1页CN 110269360 A1.一种多功能笔盒,包括笔盒,其特征在于:所述笔盒内设有五个开口向上的笔腔,所述笔腔左侧连通设有转动腔,所述转动腔前后内壁之间转动安装闭合板,所述笔腔下方连通设有滑槽,所述闭合板与所述滑槽滑动安装,所述闭合板内设有滑动腔,所述滑动腔内滑动安装滑动板,所述滑槽下方设有铰接腔,所述滑动板向下延伸贯穿所述铰接腔顶壁,所述铰接腔右侧设有按钮腔,所述按钮腔内滑动安装按钮,所述按钮左侧端面固定安装贯穿所述铰接腔右侧内壁的推动杆,所述推动杆与所述滑动板之间铰接安装连接杆,所述按钮左侧端面与所述按钮腔左侧内壁之间固定安装第一弹簧,可以把笔放置在所述笔腔内,当需要使用笔时,按下所述按钮推动所述推动杆向左移动,所述推动杆通过所述连接杆带动所述滑动板向下移动,所述滑动板带动所述闭合板向下转动,使得笔通过所述滑槽滑出,所述笔腔左侧设有具有削铅笔功能的削铅笔机构,所述削铅笔机构包括设置在所述笔盒内的削铅笔腔,所述削铅笔腔右侧内壁内转动安装贯穿所述笔盒左侧端面的卷笔刀,所述削铅笔腔内放置有用于存笔屑的,所述削铅笔机构下方设有可以取出橡皮和具有尺量功能的辅助机构,所述辅助机构包括设置在所述笔盒底部端面内的辅助腔,所述辅助腔上下内壁之间转动安装支撑杆,所述支撑杆上固定安装可以用于尺量的尺子。
(19)中华人民共和国国家知识产权局(12)实用新型专利(10)授权公告号 (45)授权公告日 (21)申请号 201920636613.2(22)申请日 2019.05.06(73)专利权人 福州你和我科技发展有限公司地址 350007 福建省福州市仓山区建新镇金山工业区金洲北路7号10号楼五层-1(72)发明人 高居斌 (74)专利代理机构 新余市渝星知识产权代理事务所(普通合伙) 36124代理人 廖平(51)Int.Cl.A45C 11/34(2006.01)A45C 13/00(2006.01)A45C 15/04(2006.01)(54)实用新型名称一种文具盒(57)摘要本实用公开了一种文具盒,包括文具壳体和挡板,所述文具壳体包括第一文具壳体和第二文具壳体,所述第一文具壳体与所述第二文具壳体铰链连接,所述挡板包括第一挡板和第二挡板,所述第一挡板嵌入安装于所述第一文具壳体上,所述第二挡板嵌入安装于所述第二文具壳体上,采用上述技术方案,将第一文具壳体和第二文具壳体的角度展开到理想角度后,再通过挡板上的缺角打开挡板,就能将文具放入文具盒内,第一文具壳体和第二文具壳体闭合时所呈现的正六棱柱,不仅可以收纳更多的文具,而且不易滚动,更易放置。
权利要求书1页 说明书2页 附图2页CN 210144036 U 2020.03.17C N 210144036U权 利 要 求 书1/1页CN 210144036 U1.一种文具盒,包括文具壳体和挡板,其特征在于:所述文具壳体包括第一文具壳体和第二文具壳体,所述第一文具壳体与所述第二文具壳体铰链连接,所述挡板包括第一挡板和第二挡板,所述第一挡板嵌入安装于所述第一文具壳体上,所述第二挡板嵌入安装于所述第二文具壳体上。
2.根据权利要求1所述的一种文具盒,其特征在于:所述第一文具壳体和第二文具壳体均为底面为等腰梯形的四棱柱,所述第一文具壳体和所述第二文具壳体闭合时为正六棱柱。
专利名称:一种中性笔
专利类型:实用新型专利
发明人:吴斌,强胜群
申请号:CN201120428805.8申请日:20111102
公开号:CN202357656U
公开日:
20120801
专利内容由知识产权出版社提供
摘要:本实用新型公开了一种中性笔,其包括笔杆,并且笔杆内设置有一个书写笔芯,该笔杆的下端设置有一固定筒,该固定筒的外壁上设置有外螺纹,该固定筒配置有一书写头,该书写头上设置有用于穿出书写笔芯的笔头的通孔,该书写头的内壁上设置有与外螺纹相适配的内螺纹;该笔杆上设置有一沿笔杆长度方向布置的条形储存腔,该条形储存腔的上端设置有开口,该开口配置有一盖体,该条形储存腔内储存有个笔芯。
本实用新型采用在笔杆内设置一书写笔芯,并在笔杆上设置有条形储存腔的结构形式,使笔杆具有携带多个笔芯的功能,提高了中性笔的连续书写性能,并且用户根据需要可以在条形储存腔内储存不同颜色的笔芯,方便了用户更换笔芯。
申请人:山东科技大学
地址:266510 山东省青岛市经济技术开发区前湾港路579号
国籍:CN
代理机构:济南舜源专利事务所有限公司
代理人:王连君
更多信息请下载全文后查看。
(19)中华人民共和国国家知识产权局(12)实用新型专利(10)授权公告号 (45)授权公告日 (21)申请号 201920443290.5(22)申请日 2019.04.02(73)专利权人 深圳市名品天下科技发展有限公司地址 518000 广东省深圳市南山区西丽街道阳光社区松白路1059号百旺二工业园3栋厂房201-206(72)发明人 兰瑛 兰鹏 陈秋颜 (51)Int.Cl.B44D 3/00(2006.01)B43M 99/00(2010.01)(54)实用新型名称一种画笔盒(57)摘要本实用新型公开了一种画笔盒,包括:盒体,其内壁上设有与其固定连接的铁片;内衬,用于放置画笔等文具,其可活动的设置在所述盒体内,其四周底部的边缘处设有第一凸体;以及磁铁块,其吸附在所述盒体内壁上,将所述第一凸体压住。
采用上述设计,使得画笔盒的内衬被磁铁压住不易掉落出来,同时想要将其取下来时,也能在不破坏其结构的情况下轻易取下来,极其的方便快捷。
权利要求书1页 说明书3页 附图5页CN 209851944 U 2019.12.27C N 209851944U权 利 要 求 书1/1页CN 209851944 U1.一种画笔盒,其特征在于,所述画笔盒包括:盒体,其内壁上设有与其固定连接的铁片;内衬,用于放置画笔等文具,其可活动的设置在所述盒体内,其四周底部的边缘处设有第一凸体;以及磁铁块,其吸附在所述盒体内壁上,将所述第一凸体压住。
2.根据权利要求1所述的画笔盒,其特征在于,所述盒体包括第一盒体和第二盒体,所述第一盒体与所述第二盒体可活动连接。
3.根据权利要求2所述的画笔盒,其特征在于,所述盒体上还设有锁扣,其固定部分设置在所述第一盒体上,活动部分设置在所述第二盒体上,通过所述活动部分与所述固定部分的结合与分离达到所述盒体的关闭与开启。
4.根据权利要求3所述的画笔盒,其特征在于,所述盒体内壁的顶端还设有第二凸体。
专利名称:新型水笔包装盒
专利类型:实用新型专利
发明人:谢旭盛,黄薇
申请号:CN201020509686.4申请日:20100830
公开号:CN201816962U
公开日:
20110504
专利内容由知识产权出版社提供
摘要:新型水笔包装盒,包括包装盒,所述包装盒由多个独立包装水笔的柱状的单体盒组成,所述单体盒包括盖子和盒体,所述盖子和盒体由裁切线分开。
本实用新型的有益效果:实用美观,多功能化,不易丢失水笔,有助于养成节约的习惯。
申请人:浙江工业大学
地址:310014 浙江省杭州市下城区朝晖六区
国籍:CN
代理机构:杭州天正专利事务所有限公司
更多信息请下载全文后查看。
(19)中华人民共和国国家知识产权局(12)实用新型专利(10)授权公告号 (45)授权公告日 (21)申请号 201920259421.4(22)申请日 2019.03.01(73)专利权人 杨瀚杰地址 410000 湖南省长沙市雨花区劳动中路37号海华嘉园2栋106房(72)发明人 杨瀚杰 (74)专利代理机构 广州市红荔专利代理有限公司 44214代理人 吝秀梅(51)Int.Cl.A45C 11/34(2006.01)A45C 13/00(2006.01)A45C 13/02(2006.01)A45C 13/10(2006.01)(ESM)同样的发明创造已同日申请发明专利(54)实用新型名称一种文具用品收纳盒(57)摘要本实用新型公开了一种文具用品收纳盒,包括外盒体和内盒体,所述外盒体由第一外壳体和第二外壳体转动连接组成,且外盒体的开口处设有锁紧件,内壳体存放于外盒体的内部,内盒体从左到中部依次开设有敞口的魔方区和玩具区,且内盒体与魔方区和玩具区对应的下端转动连接有第一盖板,内盒体右端的上侧和前侧依次开设有呈三棱柱形的量具区和胶带区,量具区的内部设有与内盒体转动连接的胶带存放盒,胶带区的内部设有与内盒体转动连接的量具存放盒,且内盒体的表面设有与胶带区对应设置的第二盖板。
该文具用品收纳盒,可以对笔、尺子和橡皮进行存放,还可以魔方和玩具进行分开存放,存放样品多,功能多样,使用方便。
权利要求书1页 说明书4页 附图4页CN 209610203 U 2019.11.12C N 209610203U权 利 要 求 书1/1页CN 209610203 U1.一种文具用品收纳盒,包括外盒体和内盒体(5),其特征在于:所述外盒体由第一外壳体(1)和第二外壳体(2)转动连接组成,且外盒体的开口处设有锁紧件(3),所述内盒体(5)存放于外盒体的内部,所述内盒体(5)从左到中部依次开设有敞口的魔方区(51)和玩具区(52),且内盒体(5)与魔方区(51)和玩具区(52)对应的下端转动连接有第一盖板(55),所述内盒体(5)右端的上侧和前侧依次开设有呈三棱柱形的量具区(54)和胶带区(53),所述量具区(54)的内部设有与内盒体(5)转动连接的胶带存放盒(7),所述胶带区(53)的内部设有与内盒体(5)转动连接的量具存放盒(8),且内盒体(5)的表面设有与胶带区(53)对应设置的第二盖板(56)。
专利名称:中性消失笔芯
专利类型:实用新型专利
发明人:洪为务
申请号:CN200520144661.8申请日:20051219
公开号:CN2850932Y
公开日:
20061227
专利内容由知识产权出版社提供
摘要:本实用新型公开了一种中性消失笔芯,其包括塑料中空管、连接管和笔头,在所述的中空管内装有中性消失墨水,所述连接管的一端插入所述中空管的前端,所述连接管的另一端套接在所述笔头的末端,在所述连接管设有挡片,所述挡片挡在中空管外端从而将中空管与连接管密封,所述笔头的中心贯穿有内孔,所述笔头的内孔通过所述连接管与所述中空管连通,在所述笔头的内孔前端安装有滚珠,这种中性消失笔芯克服了传统技术,出水量比较大,速度较慢,只能适合用于皮革或毛料,不适合用在纸制材料上,保质期比较短的缺陷,纸、布、皮革等材料均可适用,比如用于纸上我们就可以适用于临时性记号,非常方便好用,而且出水减小也褪色干净迅速,延长了保质期。
申请人:洪为务
地址:361000 福建省厦门市洪文二里106号601室
国籍:CN
代理机构:北京集佳知识产权代理有限公司
代理人:赵慧
更多信息请下载全文后查看。
专利名称:一种多功能制图中性笔专利类型:实用新型专利
发明人:曾银法
申请号:CN201520203326.4
申请日:20150407
公开号:CN204488265U
公开日:
20150722
专利内容由知识产权出版社提供
摘要:本实用新型公开了一种多功能制图中性笔,包括中性笔本体和中性笔笔芯,所述中性笔笔芯的笔头外侧套有海绵筒,中性笔的端部设有可拆卸的后盖,后盖内设有海绵块,所述中性笔的侧壁设有长条状凹槽,凹槽内铰接有定位杆,该定位杆为伸缩结构,定位杆的端部设有针头,防止漏油、方便画圆。
申请人:曾银法
地址:362100 福建省泉州市惠安县螺阳镇松星村后康86-1号
国籍:CN
更多信息请下载全文后查看。
专利名称:一种护士用中性笔专利类型:发明专利
发明人:王小美
申请号:CN201711387607.X 申请日:20171220
公开号:CN109941020A
公开日:
20190628
专利内容由知识产权出版社提供
摘要:本发明公开了一种护士用中性笔,包括笔筒,笔筒前端装有可拆卸的笔芯头,笔芯头上设有笔芯过的通孔,笔筒的后方设置有连接座,连接座和笔芯头均采用可透光材料制成,连接座匹配固定的握柄,握柄前端设有安装照明装置的容纳部,握柄后端开有匹配体温计大小的内腔,内腔出口通过密封盖密封,连接座具有一内凹槽,照明装置包括设置在握柄外侧的开关以及安装在容纳部中的LED灯,该LED灯突出于握柄前端且能够容纳于内凹槽中;内腔出口设有凸出的内管,密封盖底部设有与内管套接的外管,连接座外壁设有外螺纹,容纳部内壁设有匹配外螺纹的内螺纹;本发明解决了现有中性笔功能单一、不方便实用的问题。
申请人:王小美
地址:710075 陕西省西安市高新区高新三路信息港大厦
国籍:CN
更多信息请下载全文后查看。
(19)中华人民共和国国家知识产权局(12)实用新型专利(10)授权公告号 (45)授权公告日 (21)申请号 201920287541.5(22)申请日 2019.03.07(73)专利权人 张宪存地址 274200 山东省菏泽市成武县成武镇伯乐大街104号241号专利权人 郑乐欣(72)发明人 张宪存 郑乐欣 (74)专利代理机构 佛山市启鹏专利代理事务所(普通合伙) 44403代理人 邓晓琪 赵志丹(51)Int.Cl.A45C 11/20(2006.01)A45C 9/00(2006.01)(54)实用新型名称一种文具盒(57)摘要本实用新型涉及一种文具盒,包括盒本体,其特点在于所述盒本体包括第一半盒体和第二半盒体;所述第一半盒体内安装有文件夹装机构,该第一半盒体的外表面是第一信息书写面;所述第二半盒体内设有文具安装机构,该第二半盒体的外表面是第二信息书写面;所述第一半盒体与第二半盒体相铰接,以致第一半盒体与第二半盒体可通过转动将第一信息书写面与第二信息书写面拼接成一整体。
本实用新型具有结构简单、设计合理、生产成本低、使用方便、携带方便、可供用户书写的面积大,实用性佳等特点。
权利要求书1页 说明书3页 附图3页CN 209660697 U 2019.11.22C N 209660697U权 利 要 求 书1/1页CN 209660697 U1.一种文具盒,包括盒本体,其特征在于:所述盒本体包括第一半盒体和第二半盒体;所述第一半盒体内安装有文件夹装机构,该第一半盒体的外表面是第一信息书写面;所述第二半盒体内设有文具安装机构,该第二半盒体的外表面是第二信息书写面;所述第一半盒体与第二半盒体相铰接,以致第一半盒体与第二半盒体可通过转动将第一信息书写面与第二信息书写面拼接成一整体。
2.根据权利要求1所述的一种文具盒,其特征在于:所述第一半盒体的一外侧面上形成有第一站立平面,所述第二半盒体的一外侧面上形成有第二站立平面,所述第一站立平面与第二站立平面是处于同一平面上的。