制药工艺用水验证
- 格式:ppt
- 大小:666.50 KB
- 文档页数:67
工艺用水系统的验证工艺用水是在制造过程中所使用的水源,一般用于冷却、清洗、加热、蒸汽产生等工艺环节。
验证工艺用水系统的必要性在于确保水质符合生产要求,并提高系统的稳定性和运行效率。
首先,验证工艺用水系统需要进行水质测试。
通过对水样的化学成分、微生物菌落总数以及悬浮物含量进行测试,可以评估水质是否符合生产所需。
例如,对于饮料或食品加工行业,需要测试水中的重金属、有机物和微生物水平是否符合国家标准。
同时,还需要测试水的硬度、pH值以及电导率等参数,以确保水质稳定。
其次,验证工艺用水系统需要检查水源和水源处理设备。
水源的质量直接关系到系统的稳定性和产水质量。
因此,需要确定水源是否符合要求,如地下水、自来水或纯水等。
此外,不同行业还可能需要采用不同的水质处理设备,如软化水设备、反渗透设备或臭氧发生器等。
验证这些设备的功能和性能是否符合要求,以确保水质达到所需标准。
随后,验证工艺用水系统需要评估系统设计和管道布局。
工艺用水系统的设计应考虑到满足生产需求,同时尽量减少水资源浪费。
因此,需要评估系统的管道布局是否合理,是否存在死角或积水现象。
此外,还需要检查系统中的过滤和消毒装置是否正常运行,以确保水质得到有效处理。
此外,验证工艺用水系统还要考虑节能措施和废水处理。
通过优化设备的选型和运行模式,可以降低能耗和运行成本。
同时,废水处理也是验证过程的一部分,以确保废水排放符合国家环保标准。
综上所述,验证工艺用水系统的过程包括水质测试、设备功能评估、管道布局检查以及节能和废水处理。
这些验证步骤的目的在于保障工艺用水的质量和稳定性,以确保生产过程的正常运行。
只有在经过验证并达到要求的工艺用水系统下,企业才能够生产出符合质量要求的产品。
验证工艺用水系统是确保生产过程中所使用的水源符合要求的重要工作。
在生产过程中,工艺用水用于许多关键的工艺环节,如冷却、清洗、加热、蒸汽产生等,因此其质量直接影响到产品的质量和生产效果。
而只有通过验证工艺用水系统,才能够有效地预防水质问题,提高生产的稳定性和效率。
制药工艺用水系统的验证(1)制药工艺用水系统的验证是确保质量和安全性的重要步骤。
下面将从以下几个方面介绍制药工艺用水系统的验证。
1. 设计验证在制药工艺用水系统的设计阶段,必须进行验证以确保其符合相关标准和规定。
设计验证要考虑工艺流程、安全性、可靠性、易用性、维护性等方面。
同时,需要在设计验证中考虑到可能出现的问题,比如工艺用水量的变化、水源水质的变化、水处理设备的故障等情况。
2. 安装验证在制药工艺用水系统的安装过程中,需要进行验证以确认系统符合设计要求,并检查设备是否安装正确、设置是否合理、连接是否牢固等。
如果有必要,还需进行工艺用水系统的泄漏测试,以确保系统密封性。
3. 运行验证在制药工艺用水系统投入使用前,需要进行运行验证,以确保系统达到预期性能。
运行验证包括系统稳态运行测试、污染物去除效率测试和系统安全性测试。
测试结果要与设计要求进行比较和评估,确保制药工艺用水系统的运行达到预期目标。
4. 维护验证制药工艺用水系统的维护验证是指在运行期间对系统进行检查和维护的过程。
维护验证包括系统清洁维护、设备检查维护和水质监测,以确保系统能够持续稳定地运行。
5. 变更验证如果制药工艺用水系统需要进行任何变更,如更换设备或更改工艺流程,都需要进行变更验证。
变更验证要考虑到变更的影响以及变更后可能出现的问题,以确保系统能够继续达到设计要求。
总之,制药工艺用水系统的验证是一个重要的环节,其目的是确保制药工艺用水系统能够稳定、可靠地运行,并达到预期的目标。
验证过程应该系统化、完整、可追溯、可证明。
只有通过验证,制药工艺用水系统才能够获得使用许可并得到市场的认可。
制药用水验证方案制药用水是指用于医药生产和制造过程中的水,其纯度要求非常高,因为在制药过程中,不纯的水会对生产过程造成很大的影响,且可能会对最终药品的质量产生负面的影响。
因此,正确验证制药用水的纯度和质量显得十分重要。
本文将讨论制药用水验证方案的问题,主要包括方案的基本要素、验证过程和方案的有效性。
一、方案的基本要素针对制药用水的验证方案,首先需要考虑方案的基本要素。
这些基本要素包括水源的选择、制药用水的纯度标准和验证的频率。
具体说,我们需要确定水源的质量,以及在制药过程中应该保持的水的污染等级。
此外,需要确定一定的验证频率,以确保水的质量能够在整个生产过程中得到持续的维护和控制。
二、验证过程制药用水的验证过程需要包括一些基本步骤。
首先,要进行水源的选择,这通常包括对水源的采样和水质检测。
同时,还需要确定适当的制药用水纯度标准,以确保最终产品达到所需的标准。
其次,需要确定验证方案的频率和范围。
这可以通过对产品和生产规程进行评估来确定。
第三,需要设定验证的具体测试方法,并确定如何记录和报告结果。
最后,还需要将验证结果与制药用水的规范和纯度标准进行比对,以评估验证方案的有效性。
三、方案的有效性制药用水验证方案的有效性非常重要。
行业标准要求验证方案期限应不超过三年,因此需要完成有效性分析,以确保方案的准确性和有效性。
首先,需要评估验证结果,以确保验证程序按照预定标准得到执行。
同时,还需要根据验证结果检查制药用水规范和纯度标准是否需要作出改进。
最后,还需要确定制药用水验证方案是否已得到有执法权单位的认可。
四、结论制药用水的纯度对于最终药品的质量具有直接影响。
因此,需要对制药用水进行验证,以确保水的质量达到预定标准,并且得到持续的保障和维护。
制药用水验证方案应包括基本要素、验证程序和有效性分析。
总体而言,制药用水验证方案应该是一项常规实践,以确保生产过程中得到持续的保障和维护。
制药用水系统验证方案目录1.引言2.预确认3.安装确认4.运行确认5.性能确认6.验证综合评价7.根据验证结果对下列文件的可行性进行评估8.根据本次验证结果确定再验证周期及日常监控的项目内容9.最终批准附表:1.纯化水取样记录2.水质监测记录汇总表3.纯化水水质结果综合评价表4. 纯化水检验报告书1.引言1.1验证小组人员及责任本公司制药用水系统由管道泵、石英砂过滤器、活性炭过滤器、软化器、保安滤器、一级高压泵、一级反渗透、二级高压泵、二级反渗透等部分组成。
本系统用符合中华人民共和国标准(GBl7051—1997)的生活饮用水作为水源,通过水处理设施制得制药用水,其出水水质符合《中华人民共和国药典》2010年版项下纯化水的质量标准。
纯化水的储罐与配管通过卫生泵进行循环,以保证纯化水的质量。
1.3工艺流程图1.3.1纯化水制备系统:1.3.2纯化水贮存、输送系统:纯化水储罐→纯水输送泵→管网→送纯化水使用点→回水管网→回纯化水储罐1.3.3工艺流程简述:本系统制取纯化水的工艺过程可分为两大部分,第一部分为水的预处理,即净化过程;第二部分为净水反渗透处理,即纯化过程。
水的预处理由五级预处理器完成,而反渗透处理由两级反渗透系统完成。
1.4 用途制备合格的纯化水作为本公司药品生产中的溶媒、洁净区设备、容器最终清洗等的工艺用水。
1.5 验证的前提条件、时间1.5.1 制备纯化水的水源——生活饮用水经市预防疾病控制中心检验符合国家标准规定。
1.5.2 各计量仪表、仪器均经检定合格1.5.3 验证起讫日期:2011年7月9日至2011年8月9日1.6验证目的1.6.1纯化水制备系统的设计可靠性评估。
1.6.2 纯化水制备系统的产水量是否达到生产、设计要求,生产的纯化水各项性能指标是否达到2010年版药典的规定,其贮存和输送分配系统是否对纯化水构成新的污染。
1.7 验证所需的相关文件确认2.1 预确认目的对饮用水水质情况,设备的性能、操作、设备的参数等方面综合考虑,选出适合本公司生产实际需要的纯化水设备进行验收;同时对水系统的安装、施工单位的资质、安装经验、技术力量、售后服务进行考察,确定水系统的安装施工单位,以保证纯化水的质量。
制药用水系统验证制药用水是制药工业中至关重要的一项资源,储存和供应高质量的水源对于药品生产的成功至关重要。
为了确保制药用水的安全和稳定性,制药企业需要建立一个有效的制药用水系统,并进行验证,以符合各种国际、国内标准的要求。
因此,本文将讨论制药用水系统验证的重要性、验证步骤及其实现方法。
制药用水系统验证的重要性制药用水是指用于制造药品的水,与饮用水和其他工业用水不同。
制药过程中,药品与制药用水接触会导致药物的变化和腐败,从而影响药品质量;同时,药品与制药用水接触还会引起细菌和微生物的滋生、污染和繁殖,从而有可能对人体造成伤害。
因此,制药用水的纯度和质量有着非常高的要求,需要对制药用水系统进行验证,保证药品的生产质量和安全性。
制药用水系统的验证步骤制药用水系统的验证主要包括三个步骤:确定验证范围、制订验证计划和实施验证。
1. 确定验证范围在制药用水系统验证发展过程中,首先需要明确验证范围。
验证范围包括验证目标、被测对象和验证方法。
需要给出验证计划,明确了每种验证环节(如净化、消毒、过滤等)的验证内容和方法,以及每个验证环节需要满足的参数要求。
这样做可以确保对整个验证范围的覆盖度且使验证过程更明确和准确。
2. 制订验证计划验证计划是对制药用水系统验证的详细计划和步骤的描述。
验证计划应包括以下主要内容:验证目标、验证方法、验证时间,验证人员、验证步骤、验证依据、验证限制、验证设备和设备纪录。
验证目标:指制药用水的质量标准和质量控制目标,如纯度、浓度、细菌和微生物的数目等。
验证方法:包括对设备的操作和检验、细菌或微生物的检测方法等。
验证时间:指验证过程的时间计划,包括开始验证、各种参数的检测阶段、结束验证等时间。
验证人员:指参与验证过程的人员,包括验证人员、测试人员、记录人员等。
验证步骤:需要详细说明所验证的每一个参数,包括不同参数的要求和测试方法等。
验证依据:对所使用的条款和标准进行明确和总结。
验证限制:标识和概述验证过程中的限制,可能造成错误或者错误的因素。
最新的GMP工艺用水检查指南最新的GMP(Good Manufacturing Practice)工艺用水检查指南是一项对工艺水的质量和安全性进行评估的指南。
工艺用水是在制药、食品和化妆品等工业领域中广泛使用的水源,其质量和纯度对产品的质量和安全性至关重要。
以下是一份关于最新的GMP工艺用水检查指南的详细介绍,内容超过1200字。
第一部分:导言导言介绍了GMP工艺用水检查指南的目的和适用范围。
它强调了工艺用水对产品质量和安全性的重要性,并提供了整个检查指南的结构和内容概述。
第二部分:术语和定义这一部分提供了与工艺用水相关的术语和定义的解释。
这有助于确保在整个指南中使用相同的术语和理解,以提高指南的一致性和可读性。
第三部分:工艺用水质量标准这一部分详细介绍了工艺用水的质量标准。
它列出了各种可能的污染物和限制值,如微生物、重金属、悬浮物、有机物等,并提供了相应的监测方法。
此外,还介绍了工艺用水处理的常见方法和技术,以确保水源符合质量标准。
第四部分:工艺用水系统设计与维护这一部分讨论了工艺用水系统的设计和维护要求。
它包括了净水设备的选取和设计准则,如反渗透、离子交换、臭氧消毒等。
还强调了定期维护和监督,以确保工艺用水系统的长期可靠性和性能。
第五部分:工艺用水系统验证这一部分介绍了工艺用水系统验证的原理和方法。
它详细描述了验证的步骤和程序,如验证计划、验证方案的编制、实施验证和验证报告的编写等。
此外,还讨论了验证结果的分析和解释,以及针对验证中的问题的纠正和预防措施。
第六部分:工艺用水监测这一部分讨论了工艺用水系统的监测要求和方法。
它介绍了定期监测的重要性,并提供了具体的监测频率和项目,如微生物监测、化学物质测定等。
此外,还讨论了监测结果的分析和报告,以及根据监测结果采取的纠正措施和预防措施。
第七部分:变更管理和持续改进这一部分强调了工艺用水系统变更管理和持续改进的重要性。
它介绍了变更管理的步骤和程序,如变更评估、变更控制、记录和报告等。
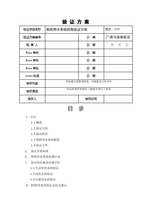
验证方案目录1.引言1.1概述1.2验证目的1.3验证职责1.4制药用水系统描述1.5验证文件2. 验证合格标准3.制药用水系统监测计划4. 验证的实施及结果评价4.1生活饮用水的验证4.2纯化水的验证4.3注射用水的验证5.制药用水的验证总结及建议1.引言1.1 概述:1.1.1公司药品(注射剂)生产所使用的制药用水是由B区一层水处理间的水系统生产,此水系统包括纯化水系统和注射用水及纯蒸汽系统。
1.1.2水系统是完成安装及IQ、OQ、PQ后,为针剂车间常年提供制药用水,每年按规定的监测计划进行监测及验证计划进行再验证工作,证明了该系统运行是稳定的,能够提供质量合格的制药用水。
1.1.3此次水系统的验证是为生产车间长期供水情况下而提出的长期考察方案。
在注射剂生产的同时,按预定的监测计划对水系统各使用点进行监测,确认符合标准要求。
1.2验证目的:确认纯化水系统、注射用水及纯蒸汽系统是否符合GMP要求,考察系统的生产运行及质量监测状况,对增加的警戒限度、纠偏限度进行确认,保证系统可以长期稳定的按照工艺要求提供合格制药用水。
1.3验证职责:验证负责人员起草验证方案。
验证小组负责验证的实施。
质量管理部验证管理负责审核验证方案,并对验证结果进行评价。
1.4制药用水系统描述:生产厂家:安装位置:1.4.1纯化水系统:概述:xxxxxxxxxx水处理系统,它的核心是RO反渗透和EDI电除盐设备以及前预处理系统,淡水产出能力为3吨/小时,主要为制水间的蒸馏水机制备注射用水和纯蒸汽提供原料水,也为生产车间、质检化验室、动物室和科研实验室等提供清洗和实验用纯化水,生产车间采用循环供水。
本设备采用西门子PLC控制,HITECK触摸屏操作,正常情况下运行自动操作程序,也可以手动操作。
1)纯化水系统主要流程为:加盐饮用水→多介质过滤器→活性炭过滤器→软化器→5µm精密过滤器→RO反渗透→NaOH加药装置EDI电除盐→纯化水储罐→254nm紫外灯照射杀菌→0.22um过滤器→各使用点→纯化水储罐2)纯化水制备工艺管理控制要点:A.纯化水制备辅助系统要求:压缩空气压力:不小于0.5Mpa;饮用水压力:3ba r~4 ba r。
制药工艺用水系统的验证-V1制药工艺用水系统的验证制药工艺用水系统的验证是指通过一系列测试和分析,确认这些系统可以按照设计要求正确地运行,确保产品的质量和安全性。
这种验证是药品生产过程中的重要组成部分,要求严格的操作和记录,以确保符合相关的法规和标准。
以下是制药工艺用水系统验证的一些步骤及注意事项。
1. 系统安装验证系统安装验证是指验证工艺用水系统已按照设计图纸和规格要求正确地安装。
这个步骤涉及到确保管道、阀门、泵、过滤器等设备的正确安装,以及材料的选用和测试。
为了确保系统的稳定性,应该进行各种试验,如水压试验、气密性测试等。
此外,还应确保其符合相关的法律和法规。
2. 运行条件和环境验证验证系统在必要的操作条件和环境下能够稳定运转。
这种验证包括了温度、湿度、空气质量、水质、气压和相对湿度等参数的测试,以及设备稳定性和阀门作用力的测试。
此外,还应对施工区域的温度、湿度、空气质量和无尘度进行压力测试,以确保所有操作条件都健全无障碍。
3. 设计质量验证该验证程序包括了材料、设计、测试记录、污染控制等,确保系统满足最高的质量标准要求。
该程序涉及到从供应商的材料质量保证到系统设计以上的方方面面,从而确保系统运行在最佳状态,并保证制造的产品符合法律和法规的标准。
4. 性能验证该验证程序涉及到测试设备各个方面的性能,以查看其是否正常工作。
这涉及到检查过滤器的依据,以及保证其能够有效地去除污染物,其中包括氧化还原态和微生物。
其他测试包括空气温度、流量、压力、微生物培养等,为了保证精确测量,需要全程记录每次试验。
5. 运行最终确认该验证程序是由相关部门进行操作,以确认系统可进行正常运行。
该过程包括了测试各个方面的设备,运行测试以查看是否存在泄漏、污染物开裂等情况,还可以观察文档变化,以确定是否向生产线上引入了变化。
总结制药工艺用水系统的验证是确保生产过程中标准的关键环节。
必要的验证程序和测试可以有效的保证系统和设备的稳定性、质量和正确性,确保产品的质量和安全性符合相关法规和标准。
制药用水系统验证制药用水系统的验证,是为了证实整个工艺用水系统能够按照设计的目的进行出产和可靠操作的过程。
验证工作需要从设计阶段就开始,通过监按建造、使用过程,收集和组织相关的文件资料,最终形成完善的验证文件。
通常,工艺用水系统的验证程序分为三个方面,即确认系统中采用的所有关键的硬件和软件安装是否符合原定的要求(IQ);确认工艺用水系统中使用的设备或系统的操作是否能够满足原定的要求(OQ);确认工艺用水系统采用的工艺是否能够按照原定的要求正常的运转(PQ)。
1 验证的筹办在针对一个指定的工艺用水系统,进行验证以前应该做好验证前的筹办工作,包罗下述使用文件所规定的有关内容。
使用文件是由建造工艺用水系统的工程公司、设备制造厂、使用者共同制作的。
要求这些文件必需以适宜的形式组织起来,更便于接受药政办理部分(SDA、FDA等)的查抄和批准。
系统的使用测试和文件将满足多种资格要求。
使用文件包罗以下六个方面。
(1)文件清单①系统内设备,包罗设备出厂标签号、出产厂商、样品序号和设备尺寸大小;②PC/PLC/DOS/WINDOWS输入,输出和警告;③阀门,包罗标签号、位置、类型、尺寸;④关镀的和非关键的设施,包罗标签号、位置、类型、作用/目的、范围和测定日期;⑤管道,包罗节段号、类型、尺寸和完成情况;⑥滤膜,包罗标签号、位置、品种、尺寸、制造用的材料、出产商、型号和孔径大小;⑦工艺过程和配套公用工程,包罗系统名、提供压力、温度和所需电力;⑧采购、安装合同中所需的原材料;⑨零部件清单;⑩尺度操作程序(适用于系统设备的操作、维护、测定,运行办理)。
(2)工厂测试程序①设备测试程序,测定程序和数据表;②压力测试,PLC/PC测试;③安然查抄,制动设备的操作测试步调。
(3)焊接文件①焊接管道材料的质量包管书,材料成分陈述书;②焊工证书确认,焊接质量的查抄记录;③焊接设备合格证书,焊接口抽样查抄的百分比;④焊接记录,焊接查抄百分比;⑤焊接程序,焊接查抄证书和仓储。
制药用水系统验证操作规程1目的:建立制药用水系统验证操作规程,确保制药用水系统验证符合相关要求且顺利实施。
2范围:本规程适用于公司水系统验证。
3职责:3.1质量管理部负责本规程的变更、培训。
3.2质量管理部、质量受权人、质量管理负责人负责承担文件的管理和监督检查责任。
3.3水系统验证操作相关部门对本规程的实施负责。
4参考文献:《药品生产质量管理规范》(2010年修订);5定义:5.1制药用水:药品生产工艺中使用的水,包括饮用水、纯化水、注射用水等。
本文件特指纯化水。
5.2验证:按照GMP的原则,证明任何规程、工艺过程、设备、物料、活动或系统确实能导致预期结果的一系列活动。
6规程6.1用户需求URS6.1.1URS是判断是否满足用户要求的标准,是设计和检测的基础。
6.1.2URS应包含以下类型的要求6.1.2.1产品/工艺–法规6.1.2.2商务需要–健康和安全的需求6.1.2.4用户需求应定义需要,不是如何满足要求,应独立于设计6.1.2.5应是完整的、清晰的、精炼的以便于理解。
6.1.2.6应是唯一的,不与其他要求混在一起6.1.2.7应使用非模糊和非主观的词语(如,足够)6.1.2.8应在调试和确认中可通过检查、分析是“可检测的”或“可客观核查的”和“可追溯的”6.1.2.9应确定关键工艺参数,操作工艺参数6.1.2.10应有记录并监测关键参数,必须是切实可行的6.1.3批准的用户需求作为设计、采购、调试和确认的基础,作为系统追溯矩阵的基础用户需求说明;可以作为检测的可接收标准。
6.2设计确认(DQ)6.2.1设计确认要符合相关法规要求6.2.2设计确认:是连续确认活动的一项风险转移活动;要求对所有的直接影响和间接影响系统进行检查设计是否满足要求需要的文件必须包括:6.2.2.1检查文件清单6.2.2.2核查设计文件保证需求被满足、参与人员的清单,可追溯性的审核6.2.2.3问题和纠正措施的清单6.2.2.4说明设计适合性的结论6.2.3设计确认的范围包括但不限于以下方面:6.2.3.1确认必需的公用工程可用且有效。
【精编原版】GMP认证制药用水要求精编原版资料GMP认证制药用水要求一:制药用水分类及水质标1、制药用水(工艺用水:药品生产工艺中使用的水,包括饮用水、纯化水、注射用水)分类1)饮用水(Potable-Water):通常为自来水公司供应的自来水或深井水,又称原水,其质量必须符合国家标准GB5749-85《生活饮用水卫生标准》。
按2000中国药典规定,饮用水不能直接用作制剂的制备或试验用水。
2)纯化水(Purified Water):为原水经蒸馏法、离子交换法、反渗透法或其他适宜的方法制得的制药用的水、不含任何附加剂。
纯化水可作为配制普通药物制剂的溶剂或试验用水,不得用于注射剂的配制采用离子交换法、反渗透法、超滤法等非热处理制备的纯化水一般又称去离子水。
采用特殊设计的蒸馏器用蒸馏法制备的纯化水一般又称蒸馏水。
3)注射用水(Water for Injection):是以纯化水作为原水,经特殊设计的蒸馏器蒸馏,冷凝冷却后经膜过滤制备而得的水。
注射用水可作为配制注射剂用的溶剂。
4)灭菌注射用水(Sterile Water for Injection):为注射用水依照注射剂生产工艺制备所得的水。
灭菌注射用水用于灭菌粉末的溶剂或注射液的稀释剂。
2、制药用水的水质标准1)饮用水:应符合中华人民共和国国家标准《生活饮用水卫生标准》(GB5749-85)2)纯化水:应符合《2000中国药典》所收载的纯化水标准。
精编原版资料精编原版资料在制水工艺中通常采用在线检测纯化水的电阻率值的大小,来反映水中各种离子的浓度。
制药行业的纯化水的电阻率通常应?0.5MΩ.CM/25?,对于注射剂、滴眼液容器冲洗用的纯化水的电阻率应?1MΩ.CM/25?。
3)注射用水:应符合2000中国药典所收载的注射用水标准。
二:GMP对制药用水制备装置的要求1、结构设计应简单、可靠、拆装简便。
2、为便于拆装、更换、清洗零件,执行机构的设计尽量采用的标准化、通用化、系统化零部件。
工艺用水检验操作规程1.目的规定了工艺用水的监测、取样、标准检验管理要求,确保工艺用水的检验结果可靠性。
2.范围适用于质量保证部部对本厂工艺用水的全性能监测管理。
3.参考/引用文件3.1 2015版《中国药典》4.定义4.1纯化水:本品为饮用水经蒸馏法、离子交换法、反渗透法或其他适宜的方法制得的制药用水,不含任何添加剂。
4.2注射用水:本品为纯化水经蒸馏所得的水。
5. 职责5.1检验员负责按照本规程实施工艺用水检测,出具检验结果。
5.2质量工程师负责审核检验报告,负责不符合结果的跟踪、处理,并定期根据检验结果完成数据趋势统计。
5.3生产部门负责查明工艺用水数据不符合的原因,组织纠正。
6.操作程序6.1仪器、设备超净工作台、立式高压灭菌器、电热恒温水浴锅、薄膜过滤器、无菌滤膜、旋涡振荡器、电子天平、pH计、电导率仪、电热恒温鼓风干燥箱、电热恒温培养箱、菌落计数器、酒精灯、烧杯、培养皿、试管架、试管、比色管等。
6.2取样方法化学性能测试:放水30s之后取水对容器震荡三次以后,进行取样。
总有机碳:采样时必须使用密闭容器,采样后容器顶空应尽量小,并应及时测试。
所使用的玻璃器皿必须严格清洗有机残留物,并用总有机碳检查用水做最后的淋洗。
微生物性能测试:使用经高温蒸汽灭菌的容器取样,取样前,先放水30s,尽量缩短瓶盖开启的时间。
6.3操作步骤6.3.1性状取本品50ml用肉眼和鼻子进行观察检测,应为无色、无臭的澄明液体;6.3.2酸碱度(纯化水)a.溶液配制①0.05mol/L氢氧化钠溶液:取0.2g氢氧化钠,加水稀释至100 ml,摇匀,即得。
②甲基红指示液:取甲基红0.1g,加0.05mol/L的氢氧化钠溶液7.4ml使溶解,再加水稀释到200ml,即得。
③溴麝香草酚蓝指示剂:取溴麝香草酚蓝0.1g,加0.05mol/L的氢氧化钠溶液3.2ml 使溶解,再加水稀释到200ml,即得。
b.检验与合格判断标准④取本品10ml,加甲基红指示液2滴,不得显红色。
工艺用水系统验证一、工艺用水的含义药品生产使用的水统称为工艺用水。
主要有饮用水、纯化水、注射用水三类。
药品生产工艺用水的分类,不是根据制备过程划分的,而是根据化学和微生物的质量指标进行分类的。
因此,工艺用水的类型要看水质达到什么样的质量标准。
达到饮用水质量标准的就是饮用水,达到纯化水质量标准的就是纯化水,达到注射用水质量标准的就是注射用水。
工艺用水更是一种分级的划分,因为其主要成分都是水,只是污染程度和纯度不同,就成为不同品质和不同用途的水。
灭菌注射用水属于药品,是按照注射剂生产工艺制备的注射用水,主要用于注射用灭菌粉末的溶剂和注射剂的稀释剂。
其他工艺用水还有:初淋水、终淋水、灭菌锅冷却用水、冷却用氨水等。
这里主要讲纯化水、注射用水系统的验证与日常管理。
二、工艺用水在药品生产中的地位与用途及质量标准1、工艺用水的重要性与意义:水是药品生产重要的物料,药品生产离不开水而且用量很大,可以说,离开了水就谈不上制药,老祖宗就是从煎汤熬水开始的。
工艺用水的质量直接影响药品的质量和用药的安全、有效,工艺用水质量必须得到切实的保障。
2、药品生产工艺用水的应用范围水质类别饮用水制备纯化水的水源设备、容器的初洗药品包装材料初洗中药材和中药饮片的清洗、浸润、提取等纯化水制备注射用水(纯蒸汽)的水源非无菌药品直接接触药品的设备、器具和包装材料最后一次洗涤用水注射剂、无菌药品用瓶的初洗非无菌药品的配制非无菌原料药精制注射用水无菌产品直接接触无菌药品的包装材料的最后一次精洗用水注射剂、无菌冲洗剂等无菌制剂的配料用水无菌原料药精制无菌原料药直接接触无菌原料的包装材料的最后洗涤用水纯蒸汽无菌药品物料、容器、设备、无菌衣或其他物品需进入无菌作业区的湿热无菌处理培养基不温热灭菌·1·纯蒸汽冷凝水应符合中国药典注射用水标准应符合中国药典相关标准应符合中国药典相关标准用途水质要求应符合生活饮用水卫生标准(GB5749-85)3、工艺用水的质量标准1)原水的质量标准3)注射用水质量标准(中国药典)注:总有机碳和易氧化物两项可选做一项。