结构设计大赛(桥梁)计算书
- 格式:doc
- 大小:424.00 KB
- 文档页数:12
结构设计大赛计算书结构设计大赛计算书结构设计大赛是一项旨在考察参赛者对于结构设计原理和实践能力的比赛活动。
参赛者通过设计、计算和模拟结构的方法,展示自己的创造力、工程素质和解决问题的能力。
本文将从浅入深,从设计思路到实际实施,介绍结构设计大赛的相关内容。
首先,结构设计大赛的成功与否与参赛者的设计思路有着密切的关系。
设计思路是指在结构设计过程中,参赛者根据任务要求和限制条件,通过合理的分析和策略,形成一种可行的设计思想。
参赛者应该注重综合考虑结构的安全、经济和实用性,灵活运用不同的结构设计方法,如梁结构、桁架结构、柱状结构等,以满足工程要求。
其次,结构设计大赛的计算工作至关重要。
参赛者需要根据设计思路,对结构进行力学分析和计算。
力学分析包括结构的受力情况、应力分布和变形特征等。
参赛者需要熟练掌握结构力学的相关原理和计算方法,如静力学、动力学和弹性力学等。
通过准确的计算,可以充分评估结构的可靠性和安全性,为设计提供科学依据。
此外,参赛者还需要利用计算机进行结构的模拟和优化。
计算机辅助设计(CAD)和计算机辅助工程(CAE)技术的应用,能够帮助参赛者快速生成结构模型,并进行力学仿真和优化计算。
参赛者可以通过不断调整结构参数、材料选型和构件布置等,寻找最佳的设计方案。
同时,计算机模拟也可以为结构设计提供详细的结果数据,方便参赛者进行结果分析和展示。
最后,结构设计大赛还强调参赛者对于结构实施的指导意义。
结构设计不仅仅是理论上的构思和计算,更需要考虑实际的施工和使用情况。
参赛者应该重视工程实践,了解结构施工工艺和材料特性,提供合理的施工指导和建议。
只有结构设计与实际实施相结合,才能确保设计方案的可行性和有效性。
综上所述,结构设计大赛是一项需要参赛者具备全面能力和创新思维的活动。
通过设计思路、力学计算、计算机模拟和实施指导四个方面的全面考察,参赛者可以充分展现自己的结构设计才能和应对问题的能力。
希望广大参赛者能够在结构设计大赛中充分发挥自己的潜力,为工程领域的发展贡献力量。
郑州大学结构设计大赛作品名称:保钓桥参赛单位:郑州大学土木工程学院参赛成员:指导教师:⏹目录:◆设计说明1.作品名称……………………………………………………2.结构选型……………………………………………………3.结构尺寸确定…………………………………………………4.结构模型制作及节点构造的设计……………………………◆方案图◆计算书一、计算思路1.结点…………………………………………………………………..2.单元…………………………………………………………………….3.支座……………………………………………………………………4.荷载加载…………………………………………………………………5.计算工具…………………………………………………………………..二、具体计算1.计算简图 ........................................2.结构建模……………………………………………………3.内力计算…………………………………………………三、结构分析◆总结和感想●设计说明1. 作品名称保钓桥(以此表达我们的爱国热情)2. 结构选型一般较大跨径的桥梁,常采用刚桁架桥梁,我国比较有名的桁架桥梁有:武汉长江大桥(三联3*128m连续桁架梁),南京长江大桥(三联3*160连续钢桁梁),九江长江大桥,香港青马大桥以及芜湖长江大桥等【南京长江大桥】联系到本次比赛模型制作的具体要求:模型为纸制单跨简支结构(150g/㎡),结构形式不限,结构模型计算净跨800mm,中部承受集中力。
众所周知,纸的材料性能较差,尤其是抗弯和受剪能力,但纸制柱形构件抗拉和抗压能力较强,为尽量避免使构件承受弯矩和剪力,充分发挥材料的抗拉、抗压能力,我们采用了桁架桥梁的形式,桥梁上部和下部主桁架是主要承重结构,在竖向荷载作用下,各杆件主要产生轴向力(但由于节点的刚性,杆件中也产生较小弯矩,设计时需注意)。
根据比赛设计的承重的特殊性(中部垂直受力),我们将桥梁设计成上承式双层层面结构。
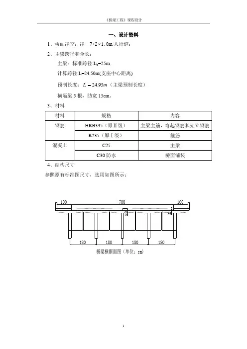
一、设计资料1、桥面净空:净—7+2⨯1.0m人行道;2、主梁跨径和全长:主梁:标准跨径:L b=25m计算跨径:L=24.50m(支座中心距离)'=(主梁预制长度)预制长度:m24.L95横隔梁5根,肋宽15cm。
3、材料4、结构尺寸参照原有标准图尺寸,选用如图所示:桥梁横断面图(单位:cm)T形梁尺寸图(单位:cm)桥梁纵断面图(单位:cm)5.设计依据1、《桥梁工程》教材,刘龄嘉主编,人民交通出版社。
2、《结构设计原理》教材。
3、《公路桥涵设计通用规范》(JTG-D60-2004)。
4、《公路桥涵钢筋混凝土和预应力混凝土桥涵设计规范》(JTG-D60-2004)。
5、公路设计丛书《桥梁通用构造及简支梁桥》胡兆同,陈万春编著。
6、《桥梁计算示例集》混凝土简支梁(板)桥.易建国编著。
7、T型梁有关标准图。
二、行车道板内力计算 计算图如下图:图1 T 形梁尺寸图(单位:cm)1、恒载及其内力(以纵向1m 宽的板进行计算) (1)、每延米上的恒载g 的计算见表1:(2)、每米宽板条的恒载内力为弯矩m KN gl M g ⋅-=⨯⨯-=-=76.18.05.52121220min,剪力KN l g V Ag 40.48.050.50=⨯=⋅= 2、车辆荷载产生的内力将车辆荷载的后轮作用于铰逢轴线上(见上图),后轴作用力标准值P=140KN ,轮压分布宽度如下图2所示,后轮着地宽度为,6.02m b =着地长度为,2.02m a =则mH b b m H a a 80.01.026.0240.01.022.022121=⨯+=+==⨯+=+=荷载对于悬臂根部的有效宽度为:m l d a a 4.38.02|4.14.0201=⨯++=++= 由规范:汽车荷载的局部加载及在T 梁,箱梁悬臂板上的冲击系数采用1.3。
作用于每米宽板条上的弯矩为:mKN b l a p M p ⋅-=-⨯⨯⨯-=-⨯⨯+-=059.16)48.08.0(4.3421403.1)4(42)1(10min,μ 作用于每米宽板条上的剪力为: KN a p V Ap 765.264.3421403.142)1(=⨯⨯⨯=⨯+=μ3、内力组合:(1)承载能力极限状态内力组合(用于验算强度)。
一、设计要求竞赛模型为木质单跨桥梁结构,采用木质材料制作,具体结构形式不限。
1.几何尺寸要求(1) 模型长度:模型有效长度为1200mm,两端提供竖向和侧向支撑。
对于竖向支撑,每边支撑长度为0-70mm。
(2)模型宽度:在模型有效长度范围内(中央悬空部分),模型宽度应不小于180mm,最宽不应超过300mm;在支座范围内,宽度不限,但不应超过320mm 。
(3) 模型高度:模型上下表面距离最大位置的高度不应超过400mm;为方便小车行驶,中央起拱高度不应超过40mm;端部支座位置处的高度不应超过150mm。
2.结构形式要求对于结构形式没有特定要求,桥面设置两个车道,每个车道宽不得小于90mm,车道之间不能有立柱、拉索一类的构件。
结构可以仅采用竖向支撑的方式,也可以采用竖向和侧向同时支撑的方式来实现约束。
3.材料(1)木材:用于制作结构构件。
有如下两种规格:木材规格(单位:mm)材料2 mm×2 mm×1000mm桐木2 mm×4 mm×1000mm 桐木2 mm×6 mm×1000 mm桐木4 mm×6 mm×1000mm桐木1 mm×55 mm×1000 mm桐木木材力学性能参考值:顺纹弹性模量1.0×104MPa,顺纹抗拉强度30Mpa。
(2) 502胶水:用于模型结构构件之间的连接。
二、结构选型拱桥桥梁的基本体系之一,建筑历史悠久,外形优美,古今中外名桥遍布各地,在桥梁建筑中占有重要地位。
它适用于大、中、小跨公路或铁路桥,尤宜跨越峡谷,又因其造型美观,也常用于城市、风景区的桥梁建筑。
根据不同的分类标准,可以分为不同的类型。
按拱圈(肋)结构的材料分:有石拱桥(见石桥)、钢拱桥、混凝土拱桥、钢筋混凝土拱桥。
按拱圈(肋)的静力图式分:有无铰拱、双铰拱、三铰拱(见拱)。
前二者属超静定结构,后者为静定结构。
桥梁结构设计大赛计算书桥梁结构设计大赛计算书大赛名称:桥梁结构设计大赛主办单位:XXX大学桥梁工程学院比赛时间:2022年X月X日比赛地点:XXX大学校园一、比赛背景桥梁是人类交通和基础设施建设中不可或缺的重要组成部分。
为了推动桥梁工程的研究和创新,促进优秀人才的培养,XXX大学桥梁工程学院决定举办桥梁结构设计大赛。
本次大赛旨在通过参赛选手的创新设计和计算能力,提升桥梁结构设计水平,促进桥梁工程的发展。
二、参赛要求与规则1.参赛对象:本次比赛开放给全国范围内的高校本科生和研究生报名参加。
2.作品要求:参赛作品需为原创桥梁结构设计方案,并附有详细的计算书。
作品形式不限,可以是CAD图纸、模型或电子文档。
3.评审标准:评审将综合考虑桥梁结构的创新性、安全性、经济性和可行性。
参赛作品需符合国家桥梁设计规范和相关标准。
4.参赛费用:参赛选手需按规定缴纳报名费用,并提交参赛申请表和相关证明材料。
三、计算书要求与内容1.计算书编写:参赛作品需附有详细的计算书,包括结构设计的计算过程、参数选择、荷载计算、受力分析、构件验算等内容。
2.计算方法:计算书应使用合理的计算方法和软件工具,确保计算准确性和可靠性。
参赛选手需在计算书中说明所采用的计算方法和工具。
3.材料选择:计算书中需详细说明所选用的材料性能参数、强度设计值、安全系数等,并合理选择材料,以确保桥梁结构的强度和稳定性。
4.荷载计算:计算书中需对桥梁结构所受的静载荷、动载荷和温度荷载进行详细计算和分析,确保桥梁结构在各种工况下的安全性能。
5.构件验算:计算书中需对桥梁结构各个构件进行验算,包括钢梁、混凝土梁、桩基等。
验算应满足设计规范的要求,确保构件的强度和稳定性。
四、奖项设置与评选方式1.奖项设置:本次大赛设一、二、三等奖各若干名,并颁发优秀组织奖、最佳创新奖等特别奖项。
2.评选方式:评审团将对参赛作品进行评审和打分,综合考虑结构设计、计算书质量、创新性等因素进行评选。
桥梁结构设计理论方案作品名称参赛学校参赛队员、专业名称指导教师大庆市大学生结构创新设计竞赛组委会二○一一年目录1设计说明根据本次大赛要求及所提供材料,本组成员秉承“安全、节省、承载力高、美观”原则,设计此桥梁“步步精心”结构模型。
桥梁以桁架结构为主体,尽量做到受力均匀,拉杆和压杆合理分布。
其中“杆件承载力充分利用和桥身自重轻”为此设计最大亮点。
1.1设计构思在接到比赛要求最初,本组成员经过分析得出“材料本身承载力强、材质轻、只适合粘结”的结论,初步确定以“平面结构,主梁主要承力,桁架结构”为大体思路。
为减轻桥梁自重,我们决定尽量多用拉杆,但在模拟加载过程中,发现此想法难以实现。
遂改用另一种减重方式,即尽量使每根杆都受力均匀,所受最大拉(压)力和最小拉(压)力差值最小。
1.2结构选型在确定“平面结构、主梁主要承力、桁架结构”为大体思路后,设计步骤如下:①根据大赛尺寸要求,初步确定桥梁的跨度、高度和宽度;②根据以往经验和资料分析,设计出桥梁大体模型;③以实际情况为准,提取计算简图;④利用结构力学求解器软件对结构进行模拟加载,计算出各杆所承受轴力及弯矩,以确定桥梁各单元杆件截面尺寸;⑤结合杆件密度,取最优荷重比。
1.3详细计算1.3.1设计资料根据大赛要求,可以确定桥梁跨度L=1300mm,净跨L0=1200mm,桥宽B=185mm,由经验和资料初步确定桥高H=150mm,竖向腹杆间距由比赛小车车轮中心轴距离确定,选为120mm。
1.3.2桥梁形式、尺寸及支撑布置根据上述原则,最终确定桥梁如图1-1,1-2图1-1正视图图1-2俯视图1.3.3基本假定①节点粘结处按照铰接计算;②支座简支;③荷载取为竖直集中静荷载,分别作用在结点和单元上④考虑动荷载影响,计算荷载取为实际荷载1.2倍;⑤忽略桥本身自重,⑥材料材质均匀。
⑦定义杆件单元和结点码,下文提到单元和结点码皆基于此定义图1-41.3.4荷载模拟①桥面板近似为均布荷载q=mg/l0=3×10/1300=0.0125N/mm②一辆小车加砝码P’=120N,考虑动荷载影响P=1.2P’=144N③一辆小车在两榀桁架上荷载分配的原则如图1-5图1-5P1=0.25P=36NP2=0.75P=108N考虑每辆小车轮距,将一辆小车及砝码的荷载简化为两集中力Q1和Q2Q1=0.5P2=18NQ2=0.5P1=54N则桥梁计算简图如图1-6图1-6按照图1-6将计算简图输入结构力学求解器,将集中荷载依次作用在各单元中间位置,得出各杆件所受最大轴力和弯矩值,依次列在附表1-5,再将集中荷载依次作用在各结点位置,同样得出各杆件所受最大轴力和弯矩值,依次列在附表6-9,此数据作为设计最终依据。
全国大学生结构设计大赛计算书作品名称:参赛学校:参赛队员:专业名称:指导教师:全国大学生结构设计竞赛组委会目录第1 部分设计说明书 (2)1.1 结构选型 (2)1.2 特色说明 (3)第2 部分设计方案图 (4)2.1 结构总装配图 (4)2.2 构件详图 (5)2.3 节点详图 (6)2.4 方案效果 (7)2.5 铁块分布 (7)第3 部分设计计算书 (10)3.1 计算模型 (10)3.2 结构计算假定及材料特性 (10)3.2.1 计算假定 (10)3.2.3 构件截面尺寸 (11)3.2.4 材料力学性能 (11)3.3 结构动力分析 (12)3.3.1 计算模型建模 (12)3.3.2 模态分析 (12)3.3.3 时程分析 (14)3.4 结构极限承载力计算 (16)3.5 计算结论 (18)参考文献 (20)第 1 部分设计说明书··1.1 结构选型根据本次竞赛要求,该竹制结构模型需要经受三次不同强度大小的地震考验,分别以不发生破坏、不发生梁柱等主要构件破坏和不坍塌为评判标准,并不参考结构在地震效应作用下的侧移反应。
因此不必选用抗侧刚度较大的结构体系,从而达到节省材料、减小地震时地震力的作用;由于比赛规则限制,上层部分的平面内部竖向构件到底层时无法落地,造成竖向抗侧力构件不连续,因此不利于结构选用核心筒等抗侧力结构体系;综上,将该结构模型的结构形式定为框架结构。
由于模型加载时采用的铁块为长方体,且屋面水箱底部为正方形。
为方便加载,将模型的各层平面设计为正方形。
同时,为减小结构在地震作用下产生扭转作用,将竖向构件分别布置在四个角点,使其沿平面主轴对称。
各竖向构件底部间距均取规则所允许的最大间距,使结构的高宽比达到最小,最大程度减小了地震引起结构的倾覆作用。
按照结构在地震作用下的剪力与弯矩上小下大的基本分布规律,将模型的平面尺寸依次减小,使结构竖向刚度从上到下均匀增大,使模型外形更接近于弯矩的分布,使各杆件内力分布更合理。
Babel-Tower框架结构模型设计理论方案安徽工业大学第一届大学生结构设计竞赛框架结构模型设计理论方案Babel-Tower框架结构模型设计理论方案作品序号KJ-146学院名称学生姓名指导教师联系电话安徽工业大学结构设计竞赛组委会1一、Babel Tower结构设计理论方案概述根据竞赛规则规定,我们从结构形式选型与规则要求相协调的角度出发,综合考虑加载实际情况以及所提供材料的特点等方面,设计了该结构。
根据规则,采用230克白卡纸,蜡线及白乳胶这三种材料制作成该框架体系。
并绘制出模型的结构空间立体图、结构整体布置图、结构局部布置图、结构破坏形式图等。
从结构整体着眼,设计中充分利用三角形结构的稳定性和偏心支撑良好的耗能性能以及预应力的受力优点。
在设计计算过程中假定材质连续均匀、柱与斜撑连接采用铰结、模型本身质量不计,忽略底部与板连接的斜撑,利用PKPM程序进行立体模型建立,利用结构力学求解器进行内力分析计算得出整个结构的内力图及变形图,并对结构杆件进行强度及稳定性计算校核。
同时,对模型进行了大量加载实验。
通过计算和实验,最终确认该模型能满足强度、刚度及稳定性的要求,实用和美观结合体现了结构有形、创意无限的大赛主题思想。
二、本模型设计的六大特点说明1:预应力束管柱的制作与组合:由于加载过程中主要部位的竖向支撑柱为大偏心受压(即一侧受压一侧受拉),故在柱截面受拉一侧布置蜡线并且施加预应力。
由于管内预应力较大导致管体向受拉一侧均匀弯曲,则考虑使用普通纸管与预应力纸管通过纸带螺旋加箍束缚组合形成束管的方案消除预应力带来的初始偏心。
最终,在束管成型后,加载试验证明,该预应力束管柱较之相同截面尺寸的纸管柱抗压抗扭承载力可以提高1.2倍左右。
2:空间斜撑构成3个刚性面与分层连接板的布置方案:该框架结构以束管作为主要的受力构件,为提高整体性并减小受压束管的自由长度,我们采用分段合理增加空间斜撑并且使用纸板作为连接板的方案。
桥梁结构设计理论方案作品名称蔚然水岸参赛学院建筑工程学院参赛队员吕远、李丽平、李怡潇、赵培龙专业名称土木工程一、方案构思1、设计思路对于这次的设计,我们分别考虑了斜拉桥、拱桥、梁式桥和桁架桥的设计方案。
斜拉桥可以看作是小跨径的公路桥,且对刚度有较高的要求,所以斜拉桥对材料的要求比较高,对于用桐木强度比不上其他样式的桥来得结实;拱桥最大主应力沿拱桥曲面而作用,而沿拱桥垂直方向最小主应力为零,可以很好的控制桥梁竖直方向的位移,但锁提供的支座条件较弱,且不提供水平力,显然也不是一个好的选择;梁式桥有较好的承载弯矩的能力,也可以较好的控制使用中的变形,但桥梁的稳定性是个很大的问题,控制不了桥梁的扭转变形,因此,我们也放弃了制作梁式桥的想法;而桁架桥具有比较好的刚度,腹杆即可承拉亦可承压,同时也可以较好的控制位移用料较省,所以,相比之下我们最后选择了桁架桥。
2、制作处理(1)、截杆裁杆是模型制作的第一步。
经过试验我们发现,截杆时应该根据不同的杆件,采用不同的截断方法。
对于质地较硬的杆应该用工具刀不断切磋,如同锯开;而对于较软的杆应该直接用刀刃用力按下,不宜用刀口前后切磋,易造成截面破损。
(2)、端部加工端部加工是连接的是关键所在。
为了能很好地使杆件彼此连接,我们根据不同的连接形式,对连接处进行处理,例如,切出一个斜口,增大连接的接触面积;刻出一个小槽,类似榫卯连接等。
(3)拼接拼接是本模型制作的最大难点。
由于是杆件截面较小,接触面积不够,乳胶干燥较慢等原因,连接是较为困难的。
我们采取了很多措施加以控制,如用铁夹子对连接处加强压、用蜡线进行绑扎固定等。
对于拱圈的制作,则预先将杆件置于水中浸泡并加上预应力使其不断弯曲,并按照先前划定的拱形不断调整,直至达到理想形状。
在拱脚处处理时,先粘结一个小的木块,让后用铁夹子施加很大的压力,保证连接能足够牢固。
乳胶粘接时要不断用电吹风间断性地吹风,使其尽快形成粘接力,达到强度的70%(基本固定)后即可让其自行风干。
目录1结构选型 (1)1.1设计背景 (1)1.2设计思路 (2)1.3 结构选型 (2)2结构分析与计算 (3)2.1 荷载分析 (3)2.2内力分析 (5)2.3位移分析 (6)2.4 小结 (7)3. 模型设计 (8)3.1构件几何尺寸及数量 (8)3.2 模型制作工序 (9)4节点构造 (10)4.1支撑节点 (10)4.2梁杆节点 (11)5. 试验分析 (11)5.1实验方法 (11)5.2 试验数据 (12)结论 (12)参考文献 (12)1结构选型1.1设计背景桥梁是这样一种建筑物,它或者跨过惊涛骇浪的汹涌河流,或者在悬崖断壁间横越深渊险谷,但在克服困难、改造了大自然以后,它便利了两岸的往来,又不阻挡山间水上的原有交通。
——茅以升桥的上下结构是用多种材料造成的。
材料的选择及如何剪裁配合,都是设计的任务。
在这里有两个重要条件,一是要使上层建筑适应下面的地基基础,有什么样的基础,就决定什么样的上层建筑,上层建筑又反过来要为巩固基础而服务;一是要把各种不同性质、不同尺寸的材料,很好结合起来,使全座桥梁形成一个整体,没有任何一个孤立“单干”的部分。
纵然上部结构和下部结构各有不同的自由活动,也要步调一致,发挥集体力量。
因此如何提高桥梁上部结构的刚度,提高抗疲劳性是当代工程师们应该想方设法去解决的问题。
本次结构设计竞赛以不等跨桥梁设计为题目具有重大的现实意义和工程针对性。
图1-1 杭州湾跨海大桥1.2设计思路在满足竞赛全部要求的前提下通过较为精确的模拟荷载计算和合理的设计做出优秀的长跨结构模型尽可能利用所给材料使结构具有足够的结构强度、刚度来抵御较大的移动荷载。
因此基于以上设计要求和目的我们可以按照以下几个思路进行设计:1)选择合理的受力结构体系桁架结构体系制作工艺简单、结构传力明显高效、具有较强的刚度和承重性能而且稳定性良好,是一种合理且常采用的结构类型。
斜拉结构体系质量轻盈、结构设计更为简单。
桥梁计算书本页仅作为文档页封面,使用时可以删除This document is for reference only-rar21year.March一.设计资料与结构布置(一).设计资料 1.桥面跨径及桥宽标准跨径:该桥为三级公路上的一座简支梁桥,标准跨径为13m 。
主梁全长:根据当地温度统计资料。
并参考以往设计值:主梁预制长度为. 计算跨径:根据梁式桥计算跨径的取值方法,计算跨径取相邻支座中心间距为. 桥面宽度:横向布置为 (安全带)+(车行道)+(安全带)= 2.设计荷载车道荷载 q k=× N/m= N/m 集中荷载 p k =×210 N/m = N/m桥面宽度较小,不设置人行道,无人群荷载 3.材料的确定混凝土:主梁采用C30,人行道、桥面铺装、栏杆C40钢筋:直径≥12mm 采用HRB335级钢筋。
直径<12mm 采用HPB235级热轧光面钢筋 4.设计依据1、《公路桥涵设计通用规范》JTG D60-20152、《公路钢筋混凝土及预应力混凝土桥涵设计规范》JTG D62-20123、《公路桥涵地基与基础设计规范》JTG D63-20074、《公路桥涵施工技术规范》JTG/T F50-2011 (二)结构布置 设置两套方案 方案一:1.主梁高:以往的经济分析表明钢筋混凝土T 形简支梁高跨比的经济范围大约在 111-161之间,本桥取 131,则梁高取1m.2.主梁间距:装配式钢筋混凝土T 形简支梁的主梁间距一般选在-之间,桥宽米,方案一采用五片主梁形式,主梁间距为。
3.主梁梁肋宽:为保证主梁抗剪需要,梁肋受压时的稳定,以及混凝土的振捣质量,通常梁肋宽度为15cm -18cm ,方案一采用16cm 。
4.横隔梁:为增强桥面系的横向刚度,在支点、跨中设置三道横梁,跨中和支点间再设置一道,梁高一般为主梁高的3/4左右,取,厚度取12-16之间,本设计横隔梁下为15cm ,上缘16cm5. 桥面铺装:混凝土铺装不宜小于80mm ,本桥混凝土铺装采用80mm 。
摘 要本设计是根据设计任务书的要求和《公路桥规》的规定,对高坎——上官伯段的高坎大桥进行方案比选和设计的。
对该桥的设计,本着“安全、经济、美观、实用”的八字原则,本论文提出两种不同的桥型方案进行比较和选择:方案一为预应力混凝土简支梁桥,方案二为拱桥。
经由以上的八字原则以及设计施工等多方面考虑、比较确定预应力混凝土简支梁桥(锥形锚具)为推荐方案。
在设计中,桥梁上部结构的计算着重分析了桥梁在使用工程中恒载以及活载的作用利,采用整体的体积以及自重系数,荷载集度进行恒载内力的计算。
运用杠杆原理法、偏心压力法求出活载横向分布系数,并运用最大荷载法法进行活载的加载。
进行了梁的配筋计算,估算了钢绞线的各种预应力损失,并进行预应力阶段和使用阶段主梁截面的强度和变形验算、锚固区局部强度验算和挠度的计算。
下部结构采用以钻孔灌注桩为基础的双墩柱,采用盆式橡胶支座,并分别对桥墩和桩基础进行了计算和验算。
本设计全部设计图纸采用计算机辅助设计绘制,计算机编档、排版,打印出图及论文。
还有,翻译了一篇英文短文“Reliability analysis”。
关键词:预应力混凝土、简支梁桥、钻孔灌注桩、锥形锚具、AutoCAD。
- 1 -AbstractThis is a partial struct design of a flyover crossing that is over the railway in Gaokan—Shangguanbo, according to designing assignment and the standard of road and bridge. For the purpose of make the type of the bridge corresponding with the ambience and cost saving, this paper provides two different types of bridge for selection: the first one is pre-stressed concrete continuous bridge; the second one is double cantilever half through no-thrust arch bridge. After the comparisons of economy, appearance, characteristic under the strength and effect, the first one is selected.In this design, The checking calculation of strength of main girder was preceded not only in prestressed statement but also in using statement, deflection,precamber and the assessment of reinforcing steel bar were checked too.The pier of the bridge was basing on digging pile, and adopted rubber pot bearing. According to the characteristic of the overpass bridge and spot condition, it adopted the method that the cantilever job placing combined with bracket job placing.All of the design drawings were protracted by AutoCAD. Except that the thesis called A note on dynamic fracture of the bridge bearing due to the great Hanshin–Awaji earthquake was translated into Chinese, and made a report on.Keywords: prestressed concrete、AutoCAD、simple supported beam bridge、cast-in-place pile、cone anchorage device。
西南交通大学第十六届结构设计竞赛桥梁承重B组设计理论方案作品名称自锚式多塔张弦桁架梁悬索桥参赛编号B010西南交通大学第十六届结构设计竞赛组委会二〇一六年摘要桥梁建筑的设计讲究造型美观、受力合理、节省材料、承载力大、制作精细。
作为一个土木学子,我们的目标是成为一名优秀的土木工程师,因此我们想通过参加这样的一次结构设计大赛,提前感受下“工程师”的滋味……在此次结构设计大赛中,我们对模型选型设计等经过了长时间考虑,最终决定做成自锚式多塔鱼腹梁悬索桥,在此次结构设计过程中,我们着重对悬索桥的加劲梁进行优化设计,解决悬索桥为了增大加劲梁的刚度而增加加劲梁截面尺寸的问题,首先采用桁架梁结构,再对桁架梁受力进行优化,设计成为张弦梁,大大减轻了桥梁的质量,同时又保住了主梁的刚度。
整个过程全方位模拟了从设计到施工各个环节,让我们真实的了解到了真正的施工过程中遇到问题是难以预测的,在发现问题是,仔细想出一个完美的解决方案才是我们应该去做的。
在做桥过程中,我们切身体会到了作为一名工程人员的自豪,经过本次结构大赛,我想无论结果怎么样,我们不会太去在乎,我们在乎的是在这个过程中,我们终究是没有放弃,也让我们体会到了桥梁的美,提升了对未知知识学习的兴趣。
关键词模型,悬索桥桥,荷重比,挠度,节点,承重,鱼腹梁目录一、设计说明书..........................................................1 方案构思...................................................................1.1作品名.............................................................1.2造型...............................................................2 结构选型...............................................................2.1设计准则...........................................................2.2整体选型...........................................................3 材料试验...............................................................4 结构设计...............................................................4.1结构整体布置图.....................................................4.2构件尺寸详细设计...................................................4.3构造(节点)设计图.................................................4.4 模型三维效果图 ....................................................5 特色处理...............................................................6 制作工艺...............................................................二、模型计算书..........................................................7 计算模型...............................................................7.1模型简化...........................................................7.2荷载模拟...........................................................8 内力分析...............................................................8.1静力荷载工况下的结构内力...........................................8.2移动荷载工况下的结构内力...........................................8.3结构动力响应分析...................................................9 构件验算...............................................................9.1材料参数...........................................................9 承载力估算.............................................................参考文献.................................................................一、设计说明书1 方案构思对于本次结构设计,我们首先对赛题进行了详细分析,考虑到组委会提供的材料特点以及赛题对组合桥型的限制,从安全、耐用、美观的角度出发,我们选择了现在作为我国大跨径桥最流行的桥型之一的悬索桥。
结构设计大赛计算书
我理解你的意思是希望制作一个关于结构设计大赛的计算书,以便参赛选手能够进行相关计算。
以下是一个简要的
计算书的结构设计示例:
封面:在封面上写上计算书的名称、结构设计大赛信息、
参赛选手的姓名等。
目录:列出计算书中各个章节的标题和页码,方便读者查阅。
简介:简要介绍结构设计大赛的目的、背景、参赛规则等。
章节1:设计要求和限制
- 解释参赛选手需要满足的设计要求和限制条件,包括结构类型、载荷要求、材料限制等。
章节2:设计参数和变量
- 列出设计过程中涉及到的参数和变量,如强度、位移、截面尺寸等。
章节3:理论计算方法
- 介绍常用的结构设计理论和计算方法,如梁的弯曲计算、柱的稳定计算等。
章节4:结构力学计算
- 详细说明参赛选手需要进行的结构力学计算方法,如静力分析、动力分析等。
章节5:结构设计软件使用
- 介绍常用的结构设计软件,如AutoCAD、ANSYS等,以及如何使用这些软件进行结构设计计算。
章节6:案例分析
- 给出一些结构设计的案例,包括实际结构和理论计算样例,供参赛选手进行学习和实践。
附录:补充相关信息和表格
- 包括参考文献、公式表、材料性能表、单位换算表等。
这只是一个示例,你可以根据实际情况对计算书的结构进
行调整和完善。
**桥梁计算书(含水文、荷载、桩长、挡墙的计算)**本计算书中包括桥涵水文的计算、恒荷载计算、活荷载计算桩长、以及挡墙的计算。
荷载标准:公路Ⅱ级乘0.8的系数桥面宽度:净4.5+2×0.5m跨度:13孔×13m1、工程存在问题*****桥位于***闸下游1000m处,建于1982年,为钢筋砼双排架式桥墩,预制拼装型板梁桥面,17孔,每跨8.85m。
总长150.45m,宽5.3m。
该桥运行20多年,根据***省水利建设工程质量监测站检验测试报告检测结果如下:(1)桥墩A.桥墩基础桥墩基础为抛石砼,设计强度等级为150#,钻芯法检测砼现有强度代表值为16.4MPa。
B.排架立柱及联系梁立柱设计强度等级为200#,超声回弹综合法检测砼现有强度代表值为14.0~18.3MPa。
联系梁设计强度等级为200#,超声回弹综合法检测砼现有强度代表值为14.7MPa。
立柱外观质量总体较差,局部区域麻面较重。
立柱砼碳化深度最大值为31mm,最小值为5mm,平均值为14mm。
立柱钢筋保护层实测厚度为20mm,钢筋目前未锈,但碳化深度平均值已接近钢筋保护层厚度。
通过普查,全桥64根立柱中有12根35处箍筋锈胀外露,有6处联系梁主筋外露。
C.盖梁盖梁设计强度等级为200#,超声回弹综合法检测砼现有强度代表值为17.4~21.5MPa。
盖梁外观质量一般,梁体砼总体感觉较疏松。
盖梁砼碳化深度最大值为24mm,最小值为9mm,平均值为18mm。
,盖梁主筋侧保护层实测厚度为9~13mm,底保护层实测厚度29~42mm,砼碳化深度已超过钢筋侧保护层厚度,盖梁主筋已开始锈蚀。
通过普查,全桥32根盖梁中共有14根15处主筋锈蚀膨胀,表层砼脱落,主筋外露,长度15~70cm;有28处箍筋锈胀外露。
(2)T型梁T型梁设计强度等级为200#,每跨中间两根T型外观较好,两边T型梁外观较差。
T型梁砼碳化深度最大值为20mm,最小值为7mm,平均值为14mm。
桥梁结构设计理论方案作品名称蔚然水岸参赛学院建筑工程学院参赛队员吕远、李丽平、李怡潇、赵培龙专业名称土木工程一、方案构思1、设计思路对于这次的设计,我们分别考虑了斜拉桥、拱桥、梁式桥和桁架桥的设计方案。
斜拉桥可以看作是小跨径的公路桥,且对刚度有较高的要求,所以斜拉桥对材料的要求比较高,对于用桐木强度比不上其他样式的桥来得结实;拱桥最大主应力沿拱桥曲面而作用,而沿拱桥垂直方向最小主应力为零,可以很好的控制桥梁竖直方向的位移,但锁提供的支座条件较弱,且不提供水平力,显然也不是一个好的选择;梁式桥有较好的承载弯矩的能力,也可以较好的控制使用中的变形,但桥梁的稳定性是个很大的问题,控制不了桥梁的扭转变形,因此,我们也放弃了制作梁式桥的想法;而桁架桥具有比较好的刚度,腹杆即可承拉亦可承压,同时也可以较好的控制位移用料较省,所以,相比之下我们最后选择了桁架桥。
2、制作处理(1)、截杆裁杆是模型制作的第一步。
经过试验我们发现,截杆时应该根据不同的杆件,采用不同的截断方法。
对于质地较硬的杆应该用工具刀不断切磋,如同锯开;而对于较软的杆应该直接用刀刃用力按下,不宜用刀口前后切磋,易造成截面破损。
(2)、端部加工端部加工是连接的是关键所在。
为了能很好地使杆件彼此连接,我们根据不同的连接形式,对连接处进行处理,例如,切出一个斜口,增大连接的接触面积;刻出一个小槽,类似榫卯连接等。
(3)拼接拼接是本模型制作的最大难点。
由于是杆件截面较小,接触面积不够,乳胶干燥较慢等原因,连接是较为困难的。
我们采取了很多措施加以控制,如用铁夹子对连接处加强压、用蜡线进行绑扎固定等。
对于拱圈的制作,则预先将杆件置于水中浸泡并加上预应力使其不断弯曲,并按照先前划定的拱形不断调整,直至达到理想形状。
在拱脚处处理时,先粘结一个小的木块,让后用铁夹子施加很大的压力,保证连接能足够牢固。
乳胶粘接时要不断用电吹风间断性地吹风,使其尽快形成粘接力,达到强度的70%(基本固定)后即可让其自行风干。
(4)风干模型制作完成后,再次用吹风机间断性地吹粘接处,基本稳定后,让其自然风干。
(5)修饰在模型完成之后,为了增强其美观性,用砂纸小心翼翼的将杆件表明的毛刺打磨光滑,注意不要破坏结构,以免影响其稳定。
3、设计假定(1)、材质连续,均匀;(2)、梁与索之间结点为铰结;梁与塔柱(撑杆)之间的连接为刚结;撑杆与下部拉条之间为铰结;桥梁支座为连续弹性支座;(3)、桥面和桥梁本身质量以均布荷载作用在整个梁上;加载时,车辆移动荷载以集中力的形式作用在指定的梁上。
(4)、杆件计算时采用结构的计算模式;根据以上假定,通过结构力学求解器建立计算模型,所得的内力和位移作为构件设计的依据。
二、材料的力学性能1、桐木根据试验分析数据,每次试验有三到四组试验数据,剔除无效的数据,采用有效数据的平均值,根据弹性理论计算桐木的弹性模量E。
拉伸试验:(1)2×2木杆:去除第三组偏差较大的数据E1=F×L/(△L×A)=168.714×70/(2×2×2.5307)=1166.67MPaE2=F×L/(△L×A)=178.0272×70/(2×2×2.2598)=1378.65MPaE=(E1+E2)/2=1272.66MPa(2)2×5木杆:E1=F×L/(△L×A)=471.1845×70/(2×5×3.8002)=867.93MPaE2=F×L/(△L×A)=462.1775×70/(2×5×3.8319)=844.29MPaE=(E1+E2)/2=856.11MPa(3)2×10木杆:E1=F×L/(△L×A)=404.9354×110/(2×10×2.713)=820.83MPaE2=F×L/(△L×A)=694.5129×110/(2×10×2.985)=1279.33MPaE3=F×L/(△L×A)=203.97×110/(2.10×1.738)=645.47MPaE=(E1+E2+E3)/3=915.21MPa(4)3×3木杆:E1=F×L/(△L×A)=281,436×70/(3.3,3.581)=611.27MPaE2=F×L/(△L×A)=314.277×70/(3×3×6.4352)=379.84MPaE3=F×L/(△L×A)=299.169×70/(3×3×7.2362)=321.56MPaE=(E1+E2+E3)/3=437.56MPa(5)3×5木杆:去除第三组偏差较大的数据E1=F×L/(△L×A)=515.566×70/(3×5×3.6519)=658.83MPaE2=F×L(△L×A)=1085.104×70/(3×5×7.4596)=676.11MPaE=(E1+E2)/2=667.47MPa(6)4×6木杆:去除第三组偏差较大的数据E1=F×L/(△L×A)=976.335×70/(4×6×4.6522)=608.18MPaE2=F×L/(△L×A)=798.416×70/(4×6×4.7955)=485.60MPaE=(E1+E2)/2=546.89MPa由以上计算数据可以得出,截面越大,计算得到的弹性越小。
这是由于木材内部的缺陷导致的,桐木截面面积越大,截面越对称,所含的缺陷对弹性模量E的影响越小。
因此,我们取弹性模量E=60OMPa。
此外,根据木材的拉伸、压缩试验,压杆试验及弯曲试验的试验结果,我们还可以得出以下结论:①桐木的顺纹抗压强度比抗拉强度低,因此用桐木做拉杆能够更好的利用材料。
② 4×6木杆的抗弯强度比抗压强度降低很多.要充分利用材料,使之受拉较好.③ 桐木强度指标的离散性大,变异性强。
由一于内部结构不均匀份致的应力集中所致。
尤其是抗拉强度,因此受拉杆件宜采用较大的安全系数。
在计算桐木的弹性模量时,要充分考虑这个影响因素,选用有效的实验数据。
④ 木在受压时,在某个较小力值范围内会产生很大的变形;当变形到达一定数值时,桐木所能承受的压力急剧增大,但此时变形却很小。
⑤桐木为各向异性材料,顺纹方向与横纹方向受力性能差异较大。
制作中要避免横纹受力。
2、腊线根据试验数据,由公式E=F ×L/(△L ×A )计算出腊线的弹性模量,在试验数据的取值方面,由于多股腊线由单股腊线人工搓捻而成,因此多股腊线的受拉承载力受人为因素的影响,故在数据的选取中我们取保守值。
计算单股腊线的弹性模量:E=F ×L/(△L ×A)=37.2539×200/(4×20.7×14.6275)=1323.566MPa·图表资料(2)双股腊线计算双股腊线的弹性模量:E=F ×L/(△L ×A )=90.905×200/(4π×20.7×21.5295)=2194.309·图表资料(3)三股腊线计算三股腊线的弹性模量:E=F ×L/(△L ×A)=114.6968×200/(4π·20.7·18.7512》=3178.822MPa·图表资料(4)四股腊线计算四股腊线的弹性模量:E=F ×L/(△L ×A)=153.4951×200/(4×20.7×23.6309)=3375.657MPa·图表资料由于以上的计算结果及图表资料得知,由于人工搓绳的不确定性较大.不能保证多股腊线与单股腊线的弹性模量的倍数关系。
因此,腊线的弹性模量:E=1323.566 MPa三、方案立体图四、计算书1、结构选型:我们所设计的桥采用的是空间组合形式,结构以梁承受抗弯,以腹杆承受抗压抗拉。
桁架桥结构应用桐木材料和线索柔性构件抗拉强度高的腊线,结构可以做到结构自重相对较轻,体系的刚度和形状稳定性相对较大,因而可以跨越很大的空间。
同时四棱锥式的设计有避免了结构受侧向力和扭转的影响,并可以使满载时的小车可以顺利通过。
2、荷载分析桥的主要承重为:桥面板和梁本身的重量和车辆移动荷载。
(1)桥面板和梁本身的重量。
桐木材料的平均重量为0.5g/cm平方,考虑乳胶及其他因素,将其扩大至N/M。
桥梁长1660mm,经计算,桥梁自重约为g。
将其设置为均匀荷载,经计算得q=1.3N/m,考虑乳胶及其他因素,将q扩大至q=2N/m(2)车辆移动荷载。
通过做影响线确定梁、腹杆和腊线的最不利荷载位置,进而求出桥面梁和拉索的极限力和弯距。
将小车在车轮与桥面接触点简化成2个集中荷载,同时车辆通过速度可控制,所以在任意时刻可以按静载处理。
这样每条主梁同时受均布力及两个集中荷载。
小车质量=15kg。
经过计算,每个集中荷载为N=73.5N另外在加载时会存在一定的动力效应,及加载时的不均匀性等不利因素的影响,采取在制做时适当加强构件的措施,计算时不予考虑。
3、简化模型4、计算简图由于集中荷载为可动荷载,分四种最不利情况考虑,如图所示:(1)(2)(3)(4)5、荷载分析。