汽车滑行试验
- 格式:doc
- 大小:58.00 KB
- 文档页数:4
《汽车运用工程》实验指导书王革新金正兴编黑龙江工程学院汽车系2007年10月·哈尔滨实验一:汽车动力性实验一、实验目的和性质目的:测量滑行距离,了解汽车滚动阻力,汽车最高车速及汽车加速能力,分析汽车动力性技术状况。
提高学生综合分析汽车动力性能的能力。
性质:综合性实验。
二、实验仪器设备、材料1.AM-2000非接触式车速仪一套2.丰田海狮客车一台3.耗材:温度计、汽油、打印纸等三、预习内容1.汽车弹性迟滞损失功产生的原因。
2.汽车运行阻力与驱动力平衡图。
3.最高车速的实验条件。
4.测量汽车加速能力的实验条件。
四、实验项目㈠、汽车滑行实验内容与步骤汽车滑行试验:试验时车辆先稳定在某一车速,换入空档滑行到停车,由记录数据S′、V′a 0′,按公式1计算a值代入公式2求得V a0=50km/h时汽车滑行距离。
分析汽车动力性技术水平对道路实验加速能力、V amax、制动效能测定的影响。
S=(-b+(b2+ac)1/2)/2a (式1)a=(V a0′2-bS′)/S′2(式2)S:V a0=50km/h时汽车滑行距离,m;a:计算系数,1/s2;b:常数(车重小于4吨,滑行距离小于600m,b=0.37),m/s2;c:常数(c=771.6),m2/s2。
1. 初始阶段:开机或按复位健,以此复位主机。
2.步路、步长的选择,按目的或要求选择步距和步长。
3.准备试验:当汽车速度略大于预想初这时,表示测试条件已具备,搞档进行滑行。
4.试验过程:当汽车速度降至预想初速度时,按开始键,计算机对汽车速度进行监视.如果测试过程中欲监视其它参数的变化情况可按“切换”被改变局承内容。
5.打印阶段:当滑行给克按结束键,计算机自动对测试过程中的数据进行处理。
被打印I健或打印11键,打印结果。
㈡、汽车最高车速实验内容与步骤汽车达到最高车速后,测定其通过1km路段的时间,即可求得V amax。
1.初始阶段:开机或按复位健l复位主机。
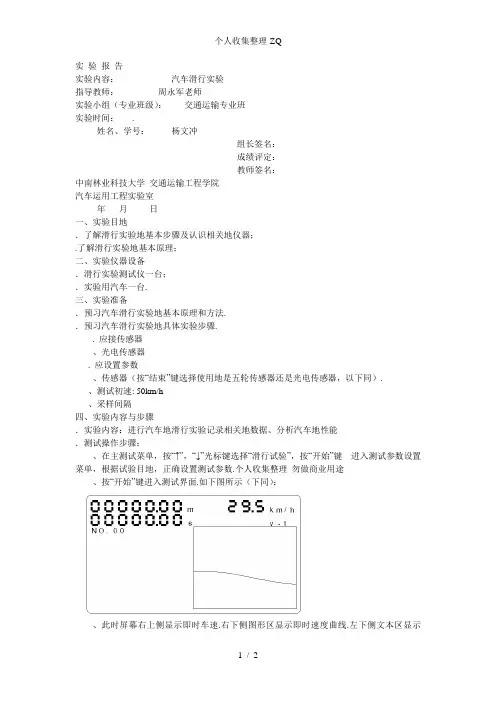
个人收集整理-ZQ实验报告实验内容:汽车滑行实验指导教师:周永军老师实验小组(专业班级):交通运输专业班实验时间:.姓名、学号:杨文冲组长签名:成绩评定:教师签名:中南林业科技大学交通运输工程学院汽车运用工程实验室年月日一、实验目地.了解滑行实验地基本步骤及认识相关地仪器;.了解滑行实验地基本原理;二、实验仪器设备.滑行实验测试仪一台;.实验用汽车一台.三、实验准备.预习汽车滑行实验地基本原理和方法..预习汽车滑行实验地具体实验步骤.. 应接传感器、光电传感器. 应设置参数、传感器(按“结束”键选择使用地是五轮传感器还是光电传感器,以下同).、测试初速: 50km/h、采样间隔四、实验内容与步骤.实验内容:进行汽车地滑行实验记录相关地数据、分析汽车地性能.测试操作步骤:、在主测试菜单,按“↑”,“↓”光标键选择“滑行试验”,按“开始”键进入测试参数设置菜单,根据试验目地,正确设置测试参数.个人收集整理勿做商业用途、按“开始”键进入测试界面.如下图所示(下同):、此时屏幕右上侧显示即时车速.右下侧图形区显示即时速度曲线.左下侧文本区显示个人收集整理-ZQ“.00”,表示第次测试.(按“↑”“↓”光标键,修改该值).个人收集整理勿做商业用途、当实测速度等于“测试初速”时,仪器发出“嘀”地一声报警声,表示测试条件已具备,仪器已进入测试状态.可待实测车速大于“测试初速”后,摘档进行滑行.个人收集整理勿做商业用途、此时系统自动对车速进行监视,当车速降至“测试初速”时,屏幕左下侧文本区显示“ ”,表示滑行初速.测试过程自动开始.个人收集整理勿做商业用途、此时屏幕左上侧开始显示“滑行距离”和“滑行时间”.、当车速降至“0”时,测试过程自动结束.屏幕左下侧文本区显示测试结果.测试结果依次为:“滑行初速”、“滑行距离”、“滑行时间”,下面是按“采样间隔”采集地各个测试点地“速度”、“距离”和“时间”值.按“↓”键可以循环查看其他地测试结果.个人收集整理勿做商业用途、按“↑”键可以循环查看测试过程地和曲线,当一条曲线在一屏中显示不开时,可以按“→”键循环查看曲线地其余部分.个人收集整理勿做商业用途、按“打印”键可以将测试结果打印出来,再次按“打印”键可以将和曲线打印出来.按“发送”键,可以将测试结果由标准串口发送出去.个人收集整理勿做商业用途、按“结束”键,则可以开始一次新地测试,再次按“结束”键,则返回主测试菜单.六.实验总结通过这次汽车滑行实验,让我初步了解了有关汽车滑行测试仪地知识、以及一些简单地操作步骤.与此同时,也让我了解更多地关于汽车性能、检测等知识.总而言之,这次实验让我学到了许多这些东西是单从课本上是学不到地.个人收集整理勿做商业用途。
一、实验目的本次实验旨在通过汽车滑行试验,验证汽车传动系统的传动效率,分析不同条件下汽车滑行距离与传动效率之间的关系,为汽车性能优化提供数据支持。
二、实验原理汽车滑行试验是一种模拟汽车在实际行驶中因传动系统效率不足而导致的能量损失的方法。
在实验过程中,通过测量汽车在空档滑行时的滑行距离,可以间接反映传动系统的传动效率。
传动效率越高,滑行距离越远。
三、实验方法1. 实验设备:实验车、五轮仪、计时器、温度计等。
2. 实验步骤:(1)确保实验车经过充分预热行驶,使发动机出水温度、油温及各总成油温达到正常稳定,并记录温度值。
(2)以稍高于50km/h的车速驶入设置的测量试路段,驾驶员将变速器排档放入空档,松开离合器踏板,汽车开始滑行。
(3)当速度为50km/h时,汽车应进入测试段,用五轮仪进行记录,直至汽车完全停止。
(4)在滑行过程中,驾驶员不得转动方向盘。
(5)滑行实验至少往返各进行一次,往返区段应尽量重合。
(6)将滑行初速度、滑行距离和滑行时间记入实验报告中的表1。
(7)测定滑行阻力,控制滑行初速度,使通过100m测试路段的滑行时间在202s 内,测量实验车通过前50m和100m的滑行时间t1和t2,往返测量各两次。
若数据重复性差,应补充进行实验。
四、实验结果与分析1. 传动效率与滑行距离的关系通过实验数据可以看出,同一速度下,滑行距离与传动效率呈正相关。
即滑行距离越远,传动效率越高。
这说明在传动系统效率较高的情况下,汽车在空档滑行时能够保持较长的滑行距离。
2. 滑行阻力对传动效率的影响实验结果表明,滑行阻力对传动效率有一定影响。
在相同条件下,滑行阻力越大,传动效率越低。
因此,在汽车设计过程中,应尽量降低滑行阻力,以提高传动效率。
3. 滑行试验与实际行驶的关系滑行试验是模拟汽车实际行驶中的一种试验方法。
通过滑行试验,可以初步了解汽车传动系统的传动效率。
但在实际行驶中,由于路况、驾驶习惯等因素的影响,传动效率可能会有所不同。
《汽车滑行实验》实验报告专业班级姓名指导老师袁焕同组人员实验地点校外实验时间六、结果整理与分析1.将实测的初速度、滑行距离、滑行时间按下列公式算出标准初速度V0=50km/h 的滑行距离式中:S——初速度为50km/h时的滑行距离,m; a——计算系数——实测的滑行初速度,m/s;c——常数,m2/s2 (c=771.6);S′——实测的滑行距离,m;b——常数,m/s2(b=0.2;当整车质量<4000kg且滑行距离<600m时,b=0.3)七、汽车滑行实验报告1.滑行实验测试结果汽车滑行实验测试记录与处理结果滑行方向往返实测初速度V′0(m/s)实测滑行距离S′(m)V0=50km/h时滑行距离S(m)实测初速度V′0(m/s)实测滑行距离S′(m)V0=50km/h时滑行距离S(m)S算术平均S1= (m) S算术平均S2= (m) 初速度V0=50km/h往返两个方向滑行距离的平均值:汽车滑行实验一、实验目的测量初速度为50km/h的滑行距离和滑行时间。
二、设备和仪表综合气象观测仪、非接触车速仪或相应的车速、行程记录装置(精度不低于 0.5%)、实验车等。
三、准备工作1.非接触车速仪安装在实验车适当的位置;2.按非接触车速仪说明书规定接通电源,检查仪器的功能是否正常;3.检查实验车轮胎气压是否符合规定要求;4.实验车装额定载荷。
四、实验步骤车速为50km/h的滑行距离实验车应经过充分预热行驶,使发动机出水温度、油温及各总成油温达到正常稳定,并记录温度值。
汽车以稍高于50km/h的车速驶入按设置的测量试路段前,驾驶员将变速器排档放入空档,松开离合器踏板,汽车开始滑行,当速度为50km/h时(汽车应进入测试段)用五轮仪进行记录,直至汽车完全停止。
在滑行过程中,驾驶员不得转动方向盘。
滑行实验至少往返各进行一次,往返区段应尽量重合。
将滑行初速度、滑行距离和滑行时间记入实验报告中的表。
五、注意事项1.实验车的总质量,按实验车的整备质量加参加试验的在车人员质量(每人按 65kg)计。
汽车滑行试验对研究整车性能具有重要意义道路滑行试验可以检查汽车传动系和制动系有无阻滞现象研究汽车的滚动阻力、空气阻力、传动系阻力的变化规律还可以根据车速与时间的关系计算汽车的行驶阻力设定底盘测功机进行道路模拟试验。
可见汽车的道路滑行试验对于汽车技术的进步具有重要意义。
由于汽车道路试验受道路条件和环境条件的影响很大尤其是重型汽车试验实施难度大、周期长、成本高所以对重型车进行理想的道路滑行试验并不容易研究合理的滑行试验方法十分重要。
关键词重型汽车滑行试验统计准确度行驶阻力1 引言1.1 问题的提出随着社会主义经济建设进入高潮重型货车担当着越来越重要的角色了。
那么如何对一台重型汽车进行研究便成为一个热门话题。
今天呢我们就带着这个问题对重型汽车进行“滑行试验”。
1.2 试验方案关于滑行试验的国家标准为GB T 1 2536—1 990汽车滑行试验方法该标准规定长度为1 000m左右的路段作为滑行区段从50km h开始滑行直至汽车完全停止其目的是对汽车进行简单的单项符合性评定。
如果要全面分析汽车的性能或单独研究高速段滑行显然无法完全依据该标准实施试验。
国家标准GB183523—2005轻型汽车污染物排放限值及测量方法中附件“车辆行驶阻力一道路测量方法一在底盘测功机上的模拟”部分给出了滑行试验中功率的测量方法对选定的试验车速V测量功率并进行校正目的是根据道路阻力进行底盘测功机设定。
对于汽车的总体分析希望能得到尽可能多速度点下的性能数据所以期望汽车从某目标车速开始滑行直到汽车停止。
重型汽车的总质量一般都比较大进行滑行试验时滑行距离长。
如果选择的试验道路足够长则可根据标准要求从高于目标速度lOkm h 时挂空挡滑行到汽车停止这是理想的试验状态。
但是一般找不到足够长的试验道路供重型汽车进行滑行试验所以重型汽车滑行试验往往选择分段进行视情况可分为高速段、低速段共2段进行或者分为高速段、中速段、低速段共3段进行。
文中在中重型商用车燃料消耗量试验方法标准制定的前期工作中从重型汽车中取了半挂牵引列车、厢式货车、密闭厢式运输车、客车和中型货车等几个车型进行滑行试验试验在交通部公路交通试验场进行。
实验三汽车滑行和通过性实验一、实验内容1. 测量初速度为50km/h的滑行距离和滑行时间、滑行阻力及滑行阻力系数。
2. 汽车结构参数及特性参数测量。
二、实验目的要求了解五轮仪结构,工作原理及使用方法;掌握滑行实验方法,实验数据处理方法,并分析实验车装配调整技术状况。
熟悉汽车主要结构参数和特性参数的实际含义,并能正确的进行测量。
三、仪器设备1.主要结构参数测量仪器设备1)高度尺:量程0~1000mm,最小刻度:0.5mm;2)离地间隙仪:量程0~500mm,最小刻度:0.5mm;3)角度尺:量程0~180°,最小刻度:1°;4)钢卷尺:量程0~20mm,最小刻度:1mm;5)水平仪及三维H点装置(可用三维坐标仪代替)。
2.汽车质量参数测量设备1)使用地秤时,秤台面积应能容纳全部实验车车轴,秤台出入口地面应与台面保持同一水平面;2)使用车轮负荷计时,应使各车轮负荷计的上平面在同一水平面内。
3.汽车最小转弯直径测量设备1)行驶轨迹显示装置;2)钢卷尺,量程0~30m,精度1mm。
4.实验车四、实验步骤1.滑行实验内容2.汽车结构参数测量1)基准面和基准点确定;2)测量基准点相对于支承平面的距离;3)测量前排座位R点位置及后排座位R点位置。
4)外部尺寸测量:(1)外部宽度尺寸;(2)外部高度尺寸;(3)外部长度尺寸;(4)离地间隙尺寸。
汽车质量参数测量步骤1)使用地秤测量时,汽车先从一个方向低速行驶入秤台面,依次测量前轴轴载质量、整车质量、后轴轴载质量,然后汽车调头,从相反方向驶入秤台面,依次重复测量前述几个参数。
2)使用车轮负荷计测量时,首先将车轮负荷计标零,再将汽车驶向车轮负荷计,分别测量各轴轴载质量并计算整车质量。
3.汽车最小转弯直径测量步骤1)在前外轮和后内轮胎面中心线的上方,在车体离转向中心最远点和最近点的垂直地面方向分别安装行驶轨迹显示装置。
2)汽车以低速行驶,方向盘转到极限位置、保持不动、待车速稳定后,起动显示装置,使测点分别在地面上显示封闭的运动轨迹之后,将车开出轨迹外。
在汽车底盘测功机上进行滑行试验的原理与方法
滑行试验是指将汽车行驶在底盘测功机上,通过测量汽车滑行阻力和滑行距离等参数,来评估汽车的动力性能,包括发动机输出功率、扭矩、压缩比等指标。
汽车底盘测功机是测量车辆动态性能的专用设备,它能够模拟车辆在实际行驶中的各种情况,从而对车辆性能进行详细测试和分析。
在进行滑行试验之前,需要对底盘测功机进行正确的校准和调整,以保证测试数据的准确性和可靠性。
测试时,首先需要将汽车置于测功机的滑行台上,然后加上适量的负载和制动力,使汽车在特定的档位和转速下进行滑行。
此时,底盘测功机会通过测量传动轴的转速和扭力,自动计算出汽车的输出功率和扭矩等参数。
在滑行试验中,需要注意以下几点:首先,测试车辆应该处于正常工作条件下,以确保测试结果的准确性。
其次,测试中应该保持连续性和稳定性,避免出现干扰因素影响测试结果。
最后,需要注意保护测试车辆的安全,避免因测试操作不当
而导致车辆受损或发生事故。
总之,滑行试验是汽车测试中一个非常重要的部分,通过对汽车行驶阻力和动力性能等参数的测量,可以评估车辆的整体性能水平,从而为后续的优化设计和
改进提供可靠的数据基础。
汽车滑行实验报告篇一:汽车滑行实验报告专业班级姓名指导老师袁焕同组人员实验地点校外实验时间篇二:汽车滑行试验实验三汽车滑行试验一、实验内容测量初速度为50km/h的滑行距离和滑行时间、滑行阻力及滑行阻力系数。
二、实验目的要求了解五轮仪结构,工作原理及使用方法;掌握滑行实验方法,实验数据处理方法,并分析实验车装配调整技术状况。
三、仪器设备综合气象观测仪、五轮仪或相应的车速、行程记录装置(精度不低于0.5%)、实验车等。
五轮仪的结构和工作原理参见附件1。
.四、准备工作1.五轮仪安装在实验车适当的位置;2.按五轮仪说明书规定接通电源,检查仪器的功能是否正常;3.检查实验车轮胎气压是否符合规定要求;4.实验车装额定载荷,设置实验路段标杆。
五、实验步骤1.车速为50km/h的滑行距离实验车应经过充分预热行驶,使发动机出水温度、油温及各总成油温达到正常稳定,并记录温度值。
汽车以稍高于50km/h的车速驶入设置的测量试路段前,驾驶员将变速器排档放入空档,松开离合器踏板,汽车开始滑行,当速度为50km/h时(汽车应进入测试段)用五轮仪进行记录,直至汽车完全停止。
在滑行过程中,驾驶员不得转动方向盘。
滑行实验至少往返各进行一次,往返区段应尽量重合。
将滑行初速度、滑行距离和滑行时间记入实验报告中的表1。
2.测定滑行阻力控制滑行初速度,使通过100m测试路段的滑行时间在20±2(s)内,测量实验车通过前50m和100m的滑行时间t1和t2。
往返测量各两次,若数据重复性差,应补充进行实验。
六、注意事项1.实验车的总质量,按实验车的整备质量加参加试验的在车人员质量(每人按65kg)计。
2.实验过程中,轮胎充气压力应符合该车技术条件规定,误差不得超过±10kPa。
3.实验时天气应无雨无雾,气温0~40℃,风速不大于3m/s。
4.实验应在清洁、干燥、平坦的,用沥青或混凝土铺装的直线道路上进行,道路长2~3km,宽度不小于8m,纵向坡度在1‰以内。
汽车空气阻力系数滑行试验测定法汽车空气阻力系数滑行试验测定法是一种常用的测量汽车空气阻力系数的方法。
该方法通过在特定的测试场地上进行滑行试验,测量汽车在不同速度下的滑行距离和时间,从而计算出汽车的空气阻力系数。
该方法的具体步骤如下:1. 选择测试场地:测试场地应该是平坦、宽敞、无障碍物和风的干扰的场地。
通常选择的场地是跑道或者停车场。
2. 准备测试设备:需要准备一辆标准的汽车,以及一台计时器和一台测距仪。
3. 进行测试:在测试场地上,将汽车从静止状态开始加速,加速到一定的速度后,松开油门,让汽车自由滑行。
在滑行过程中,使用计时器和测距仪测量汽车在不同速度下的滑行距离和时间。
4. 计算空气阻力系数:根据测量得到的数据,可以计算出汽车在不同速度下的空气阻力系数。
通常使用的计算公式是:Cd = 2m / (ρAv^2)其中,Cd为空气阻力系数,m为汽车的质量,ρ为空气密度,A为汽车的横截面积,v为汽车的速度。
该方法的优点是简单易行,不需要特殊的设备和技术,可以在普通的测试场地上进行。
同时,该方法可以测量出汽车在不同速度下的空气阻力系数,对于汽车设计和优化具有重要的意义。
然而,该方法也存在一些缺点。
首先,该方法只能测量出汽车在平稳滑行状态下的空气阻力系数,无法考虑到汽车在实际行驶中的各种复杂情况。
其次,该方法的测量结果受到测试场地和气象条件的影响,需要进行多次测试才能得到准确的结果。
总的来说,汽车空气阻力系数滑行试验测定法是一种简单易行的方法,可以用于测量汽车的空气阻力系数。
但是,在实际应用中需要考虑到该方法的局限性,结合其他测试方法和实际行驶情况进行综合评估。
武汉科技大学汽车道路实验专业:姓名:学号:组员:实验日期:报告日期:汽车滑行实验一、实验数据及图表表一初始滑行速度V=30Km/h实验记录二、数据处理(以初速度为30km/h 计算)根据实验数据,求出滑行减速度α、滑行阻力系数f 、滑-------行阻力R从曲线中读出2t =13s ,s t 61=代入公式中 滑行平均速度V :V=t2360(km/h)=27.7km/h滑行减速度a :a=)11(1001212t t t t --(m/2s )=0.183m/2s 滑行阻力系数f :f=8.9a=0.0187 滑行阻力R :R=9.8×(f a G G +)·f (N )=447.25(N )(查阅资料,实验汽车整备质量为1810Kg,实验人数9人,平均质量每人取60Kg)三、问答题⑴什么是滑行?进行滑行试验的目的是什么?答:滑行是指汽车加速到某一规定速度后,摘挡脱开发动机,利用汽车的惯性继续行驶直到停车的过程。
目的是通过滑行试验,检查汽车传动系和制动系有无阻滞现象,并可根据车速与时间的关系曲线求得汽车的滚动阻力、空气阻力、滑行减速度、滑行阻力、滑行减速度。
⑵简述非接触性能测试仪在滑行实验中的使用方法。
答:1、开机或按复位键按钮2、选择工况:按滑行键3、预置数据,按B 键,设置初始速度,按C 键,输入采样速度间隔4、按执行键,当车速低于实际设定的初速度值,测试仪开始记录数据。
5、打印结果:当实验结束后,打印记录结果(3)汽车加速行驶时,行驶阻力有哪些?答:汽车滚动阻力、空气阻力、加速阻力、道路坡度阻力及汽车运动部件旋转惯性阻力。
一.实验内容汽车滑行实验二.实验目的掌握汽车动力性能的道路实验方法学会根据实验记录处理和分析实验结果学会实验仪器的连接与使用三.仪器设备GDS-Ⅱ速度传感器 AM-2020A非接触汽车性能测试仪卷尺标杆试验车四.实验条件实验条件可以分为车辆道路天气三个方面。
首先是车辆,实验车各总成,部件以及附属装置必须整备齐全;轮胎花纹应为原始花纹深度的90%-50%,轮胎气压符合技术条件的规定,不超过规定的±10Kpa;载荷在车厢内均布,我国规定的载荷是满载;实验前应对车进行技术保养(对于新车要进行磨合,一般不少于2500KM);实验时,发动机水温应为80-90℃,发动机油温应为50-90℃。
其次是道路,条件允许的话最好是专用试验跑道,一般选择平直,干燥的硬路面,长度2-3km,宽度不小于8m,纵向坡度在0.1%内。
最后是天气。
风速不超过3m∕s,大气温度在0-40℃,气压在80-110kpa五.实验步骤滑行试验应选在试验道路中段800-1000m长度内进行。
试验时,首先以略高于50km/h 的车速匀速行驶。
当行驶到滑行试验区段起点前时,迅速踏下离合器踏板,驾驶员将变速器挂入空档(松开离合器踏板)进行滑行,滑行直至停车为止。
与此同时,用五轮仪或相应的车速、行程、时间记录装置(精度不低于0.5%)进行记录,测定滑行时间和滑行距离。
滑行过程中,应保持汽车直线行驶,尽可能不转动转向盘,也不允许使用制动器。
试验至少往返各滑行一次,并且往返区段应尽量重合。
如果滑行初速度没有准确地控制到50km/h,为了使试验结果具有可比性,将实测的滑行距离换算成标准滑行初速度Vo=50km/h下的滑行距离。
其换算公式为:式中:S——初速度为50km/h时的滑行距离,m;a——计算系数,1/s2;a——22V bss''-';V′——实测滑行初速度,km/h;b——常数(当汽车总重不大于40000N且滑行距离不大于600m时,b=0.3;其他情况下,b=0.2),m/s2;s'——实测滑行距离,m;c——常数,m2/s2;c=771.6取换算后的两个方向滑行距离的平均值作为试验结果。
汽车滑行试验标准
汽车滑行试验标准是指对汽车在湿滑路面或结冰雪路面行驶时,进行的加速、制动、
方向控制等操作进行的评估和测试。
通过这些测试,可以评估汽车在湿滑路面或结冰雪路
面下的稳定性和驾驶性能,为汽车的研发和设计提供重要的参考和支持。
下面将为大家介
绍汽车滑行试验标准的主要内容。
一、试验环境
1. 路面条件:试验道路应为平整、宽度大于等于6米的路面;
2. 路面湿度:在进行加速和制动测试时,路面湿度应高于60%;在进行方向控制测试时,路面湿度应高于70%;
5. 结冰雪路面测试:在进行结冰雪路面测试时,路面应为冰雪覆盖或结冰路面。
二、试验项目
1. 加速测试:在湿滑路面或结冰雪路面上,对车辆进行加速测试,以测试车辆对湿
滑或结冰路面的适应性和稳定性。
测试速度为20km/h,30km/h和40km/h。
测试中应记录
加速时间和车辆滑行距离等数据。
三、试验结果评定
通过对试验数据的统计和分析,可对车辆在湿滑路面或结冰雪路面上的表现进行评定。
评定结果应用于汽车设计和研发中的改进和优化。
1. 加速评定:加速时间越短,说明车辆对湿滑或结冰路面的适应性越好;滑行距离
越短,说明车辆的稳定性越好。
四、总结。
汽车滑行试验标准
汽车滑行试验是评估汽车行驶性能和安全性的重要测试项目之一。
本文将介绍
汽车滑行试验的标准要求,以及试验过程中需要注意的事项。
首先,汽车滑行试验的标准要求包括对试验道路的要求、试验条件的要求以及
试验设备的要求。
试验道路应选择平整、无坑洼、无积水的路面进行测试,确保试验过程中不会受到外界环境的干扰。
试验条件包括试验车辆的负载状态、轮胎气压、路面湿度等因素,这些条件需要在试验前进行准确的设置和记录。
试验设备包括制动力测量仪、陀螺仪、数据采集系统等,这些设备需要满足相关的标准要求,并经过定期的校准和检测,以确保测试结果的准确性和可靠性。
其次,进行汽车滑行试验时需要注意的事项包括试验前的准备工作、试验过程
中的操作规范以及试验后的数据处理和分析。
在试验前,需要对试验车辆进行全面的检查和保养,确保车辆的各项指标符合要求。
在试验过程中,操作人员需要严格按照标准要求进行操作,保持试验道路畅通,确保试验过程中的安全性。
试验后,需要对试验数据进行详细的处理和分析,得出准确的试验结果,并对试验过程中存在的问题进行总结和分析,为汽车性能的改进提供参考。
总之,汽车滑行试验是评估汽车行驶性能和安全性的重要测试项目,标准化的
试验过程和准确可靠的测试结果对于汽车制造商和消费者来说都具有重要意义。
因此,我们需要严格遵守相关的标准要求,确保试验过程的科学性和可靠性,为汽车的安全性和性能提供有力的保障。
进行小车滑行的实验时,可以按照以下步骤进行操作:
1.实验准备:
a.准备一个平滑的斜面或光滑的水平面,确保其表面没有杂物或障碍物。
b.准备一个小车,并确保其底部光滑,以减少滑行时的摩擦力。
c.准备一个测量器具,如计时器和直尺。
d.根据实验需要,准备记录数据的纸张或电子设备。
2.设定实验条件:
a.确定小车滑行的起始位置和结束位置。
b.根据实验目的和需求,设定斜度或坡度(如果使用斜面)或者保持水平(如果使用水平面)。
c.确定实验的重复次数,以获得准确的数据。
3.实验操作:
a.将小车放置在起始位置,确保它静止不动。
b.释放小车,让其自由滑行。
c.使用计时器记录小车滑行经过的时间,从释放到达结束位置所经历的时间。
d.如果需要,使用直尺或测量仪器测量小车滑行的距离。
4.数据记录与分析:
a.记录每次实验的滑行时间和滑行距离。
b.对于多次实验的数据进行平均或其他统计分析方法,以获得更准确的结果。
c.通过分析实验结果,可以讨论小车滑行的速度、滑行距离与滑行时间之间的关系,以及摩擦对滑行的影响等问题。
5.结论与讨论:
a.根据实验结果,总结并得出结论,回答实验的研究问题或验证假设。
b.分析实验中可能存在的误差来源,并提出改进或进一步研究的建议。
c.将实验结果与理论知识进行比较和讨论,深化对物理规律的理解。
在进行实验过程中,需要确保操作安全,防止发生意外。
根据具体的实验要求和条件,可能需要采取其他相应的安全措施,如佩戴个人防护装备、设置防护网等。
此外,实验结果和结论应严格遵循科学精神。
实验三汽车滑行试验
一、实验内容
测量初速度为50km/h的滑行距离和滑行时间、滑行阻力及滑行阻力系数。
二、实验目的要求
了解五轮仪结构,工作原理及使用方法;掌握滑行实验方法,实验数据处理方法,并分析实验车装配调整技术状况。
三、仪器设备
综合气象观测仪、五轮仪或相应的车速、行程记录装置(精度不低于 %)、实验车等。
五轮仪的结构和工作原理参见附件1。
.
四、准备工作
1.五轮仪安装在实验车适当的位置;
2.按五轮仪说明书规定接通电源,检查仪器的功能是否正常;
3.检查实验车轮胎气压是否符合规定要求;
4.实验车装额定载荷,设置实验路段标杆。
五、实验步骤
1.车速为50km/h的滑行距离
实验车应经过充分预热行驶,使发动机出水温度、油温及各总成油温达到正常稳定,并记录温度值。
汽车以稍高于50km/h的车速驶入设置的测量试路段前,驾驶员将变速器排档放入空档,松开离合器踏板,汽车开始滑行,当速度为50km/h时(汽车应进入测试段)用五轮仪进行记录,直至汽车完全停止。
在滑行过程中,驾驶员不得转动方向盘。
滑行实验至少往返各进行一次,往返区段应尽量重合。
将滑行初速度、滑行距离和滑行时间记入实验报告中的表1。
2.测定滑行阻力
控制滑行初速度,使通过100m测试路段的滑行时间在20±2(s)内,测量
实验车通过前50m 和100m 的滑行时间t 1和t 2 。
往返测量各两次,若数据重复性差,应补充进行实验。
六、注意事项
1.实验车的总质量,按实验车的整备质量加参加试验的在车人员质量(每人按65kg )计。
2.实验过程中,轮胎充气压力应符合该车技术条件规定,误差不得超过±10kPa 。
3.实验时天气应无雨无雾,气温0~40℃,风速不大于3m/s 。
4.实验应在清洁、干燥、平坦的,用沥青或混凝土铺装的直线道路上进行,道路长2~3km ,宽度不小于8m ,纵向坡度在1‰以内。
5.进行初速度为50km/h 的滑行实验时,汽车在进入测试区段前,车速应稍大于50km/h 。
七、结果整理与分析
1.将实测的初速度、滑行距离、滑行时间按下列公式算出标准初速度V 0=50km/h 的滑行距离:
S =
式中:S ——初速度为50km/h 时的滑行距离,单位为m ; a ——计算系数
'2'0'2
V bS a S
-= (1/S 2
) '0V ——实测的滑行初速度,单位为m/s ;
c ——常数,单位为m 2/s 2 (c=; S ′——实测的滑行距离,单位为m ;
b ——常数,单位为m/s 2
(b=;当整车质量<4000kg 且滑行距离<600m
时,b=
2.滑行阻力计算
滑行平均速度:2
360
V t =
(km/h ) 滑行减速度:2121
10011
()a t t t t =
-- (m/s 2) 滑行阻力系数:9.8
a f =
滑行阻力:9.8*()*a f R G G f =+
式中:t 1——实验车通过50m 实验路段的时间,s ;
t 2——实验车通过100m 实验路段的时间,s ; G a ——实验时汽车的总质量,kg ;
G f ——实验车旋转部分当量质量,kg ;如G f 未知,一般中、大型车可取 G f =0.07G 0,小型车可取G f =0.05G 0; G 0——汽车的整备质量,kg 。
八、汽车滑行实验报告
实验日期: 实验地点: 实验车型号: 制造厂名: 底 盘 号: 发动机号: 变速器型号: 出厂日期: 使用燃料: 里程表读数: km 装载质量: kg 乘车人数: 总 质 量: kg
轮胎型号: kg 轮胎气压:前轮 kPa 后轮 kPa 路面状况:
天 气: 气 温: ℃ 气 压: kPa 相对湿度: % 风 向: 风 速: m/s
测试仪器和设备: 实验指导: 驾 驶 员:
1.滑行实验测试结果
表1 汽车滑行实验测试记录与处理结果
初速度V 0=50km/h 往返两个方向滑行距离的平均值:
12
2
S S S +=
(m) 2.根据实验数据,求出:
滑行平均速度V 、滑行减速度a 、滑行阻力系数f 、滑行阻力R 。
3.实验结果分析。