第七章 起升机构
- 格式:ppt
- 大小:1.96 MB
- 文档页数:15
目录1起升机构的总体设计 (2)1.1概述 (2)1.2起升机构的组成和典型零部件的选型要求 (3)1.2.1电机及其选型要求 (3)1.2.2制动器及其选型要求 (4)1.2.3减速器及其选型要求 (4)1.2.4联轴器及其选型要求 (5)1.2.5安全限位开关和超负荷限制器 (5)1.3起升机构的方案设计 (5)1.3.1设计参数 (5)1.3.2卷绕系统 (6)1.3.3起升机构布置形式 (6)1.3.4卷筒组结构形式 (7)2起升机构设计计算 (8)2.1钢丝绳的选型计算 (8)2.2滑轮选型计算 (10)2.3卷筒设计的相关参数 (11)2.3.1卷筒的几何尺寸 (11)2.3.2卷筒钢丝绳的固定 (14)2.3.3卷筒强度计算 (14)2.4电动机的选型 (16)2.5减速器选型计算 (19)2.6制动器选型计算 (21)2.7联轴器选型 (22)2.8启制动时间和启动加速度验算 (24)2.9制动时间和制动加速度验算 (25)3设计小结 (26)参考资料: (27)起重机起升机构设计1起升机构的总体设计1.1概述起升机构是用来实现货物升降的工作机构,它是起重机械中不可缺少的部分,是起重机最重要的机构,其工作性能的优劣将直接影响起重机的技术性能。
起升机构一般由驱动装置,传动装置,制动装置,卷绕系统,取物装置以及安全辅助装置等组成。
在起重量较大的起重机中,常设有两个或多个不同起重量的起升机构,其中起重量最大的为主起升机构,其余为副起升机构。
在港口,为满足抓斗和集装箱装卸作业要求,须设置特种起升机构,如抓斗起升机构,集装箱起升机构等。
港口门座式起重机的起升机构一般应满足下列要求:1.起升机构设计和选型应符合买方文件规定的工作级别或规范标准的规定,当没有明确提出执行标准时,一般采用FEM规范。
中国采用《起重机设计规范》(GB3811)。
2.起升机构的驱动装置一般设置在机器房内,各部件安装在具有足够强度和刚性的共用的底架上。
起升机构电动机初选按起升载荷、额定起升速度及机构效率计算机构的静功率。
对于双绳抓斗的开闭机构和起升机构,每一机构的电动机静功率取为总功率的0.66倍。
根据机构的静功率和接电持续率初选电动机,机构的接电持续率(参考件)。
电动机容量校验电动机必须校验过载和发热,校验方法可相应参照电动机和饶线型异步电动机。
对于在一次使用后停歇期间内足以冷却到环境温度的电动机,按短时工作制选择容量。
短时工作制电动机额定容量由电动机制造厂提供。
在校验电动机时,若无特殊的要求,机构起动时的物品平均加速度可参照表1选取。
制动器选择起升机构的每—套独立的驱动装置至少要装设一个支持制动器。
吊运液态金属及其他危险物品的起升机构,每套独立的驱动装置至少应有两个支持制动器。
支持制动器应是常闭式的,制动轮必须装在与传动机构刚性联结的轴上。
制动安全系数应不低于:a. 一船起升机构:1.5;b. 重要起升机构:1.75;c. 吊运液态金属和危险品的起升机构:装有两个支持制动器时,每一个的制动安全系数不低于1.25;对于二套彼此有刚性联系的驱动装置,每套装置装有两个支持制动器时,每一个的制动安全系数不低于1.1;d. 具有液压制动作用的液压传动起升机构:1.25。
无特殊要求时,制动所引起的物品升降减速度不应大于表1的规定值。
推荐支持制动与控制制动并用。
控制制动可以是电气式的,如:再生制动、反接制动、能耗制动及涡流制动器等;也可以是机械式的。
控制制动仅用来消耗动能,使物品安全减速。
在与控制制动并民用时;支持制动器的最低制动安全系数仍应满足上述要求。
表1 平均升降加(减)速度计算载荷起重机机构电动机容量选择计算中的JC,CZ,G值(参考件)各种起重机的每一机构的接电持续率JC值,CZ值,稳态负载平均系数G,应根据实际载荷情况计算。
如无法获得载荷情况的详细资料,可参考表1选取。
表1 JC,CG,G值电动机的过载校验(参考件)1起升机构电动机Pn ≥(H/m*λM)*(PQ*Vq/1000η)式中:Pn---- 基准接电持续率时电动机额定功率,kw;PQ---- 起升载荷,N;双抓斗电动机过载校验时应考虑负载不均匀程度。
第一章测试1.起升机构的功用是实现物料在垂直方向的运动。
()A:对B:错答案:A2.运行机构的功用是实现物料在水平方向的运动。
()A:对B:错答案:A3.回转机构的功用是实现起重机的一部分相对于另一部分作相对回转运动。
()A:对B:错答案:A4.变幅机构的功用是实现幅度的改变。
()A:错B:对答案:B5.关于跨度说法正确的是()。
A:跨度是指桥(门)式起重机小车的轴距B:跨度是指桥(门)式起重机小车运行轨道中心线之间的水平距离C:跨度是指桥(门)式起重机大车的轴距D:跨度是指桥(门)式起重机大车运行轨道中心线之间的水平距离答案:D6.关于起重力矩说法正确的是()。
A:对于臂架类起重机,起重力矩等于额定起重量与相应幅度的乘积B:对于臂架类起重机,起重力矩等于额定起重量与最小幅度的乘积C:对于臂架类起重机,起重力矩等于最大起重量与最小幅度的乘积D:对于臂架类起重机,起重力矩等于额定起重量与最大幅度的乘积答案:A7.关于起重机械的金属结构说法正确的是()。
A:它可以根据需要,制成梁、柱、桁架等基本受力组件,再把这些基本受力组件通过焊接或螺栓连接_连接起来,构成桥、门、塔、臂架等承载结构B:在任何类型的起重机中,它都属于工作机构的一部分C:它是由金属材料轧制的型材或钢板采用铆接、焊接等方法,按照一定的结构组成,规则地连接起来而形成的能承受载荷的结构体D:它本身必须具有足够的强度、刚度和稳定性答案:ACD8.关于控制系统说法正确的是()。
A:它设有各种类型的调速装置和起重机上专用的安全装置等部件B:它是解决各机构怎样运动的问题,也就是协调各机构运动,完成工作循环C:它可实现各机构的起动、调速、换向、制动和停止D:它设有离合器、制动器、停止器、液压传动中的各种操纵阀答案:ABCD9.确定工作速度时,应考虑()。
A:工作性质B:工作行程的大小C:起重量的大小D:适用场合答案:ABCD10.关于工作级别,说法正确的是()。
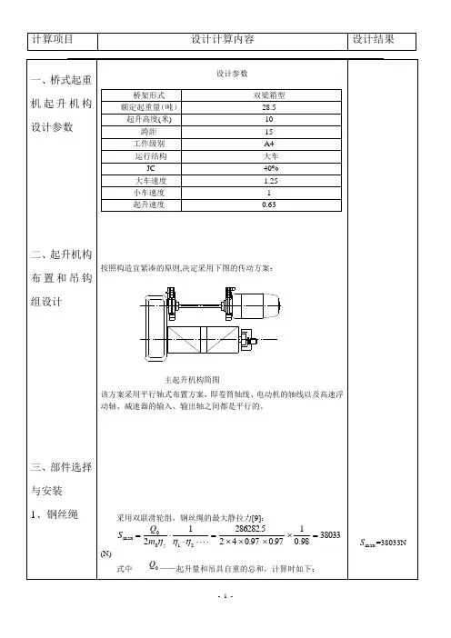
起升机构设计说明书设计内容计算与说明结果1)确定起升机构传动方案,选择滑轮组和吊钩组设计参数:(1)起重量:主钩10t(2)跨度:L=22m(3)最大起升高度: H=16m(4)起升速度V=7.6m/min小车运行速度V=46m/min大车运行速度V=76m/min(5)工作级别A4(6)JC值:251.起升机构计算按照布置宜紧凑的原则,决定采用如下图5-1的方案。
按Q=10t,查[1]表4-2取滑轮组倍率m=4,承载绳分支数:Z=2m=8图5-1 起升机构计算简图查起重机设计手册附表9选长型吊钩组,图号为图3-4-22(b)。
得其质量:G0=697kg两端滑轮间距 A=376mm并根据工作级别和起重量从表3-4-2中选择吊钩m=4Z=8选长型吊钩组,图号为图3-4-22(b)2)选择钢丝绳3)确定滑轮及滑轮组主要尺寸LM20-M,材料为DG20。
若滑轮组采用滚动轴承,当m=4,查[1]表2-1得滑轮组效率ηh=0.982.钢丝绳的选择钢丝绳所受最大拉力:S max =Qg/2mηh=98.042.8925000⨯⨯⨯=31.25KN按选择系数C确定钢丝绳直径d(mm)机构工作级别M5,取w=0.46,k=0.82,n=5,bσ=1550MP a则有C=0.1d=C Smax=0.1×31250=18.38mm查起重机设计手册选用纤维芯钢丝绳6w(19)-22.5-1550-I-光-SZ GB 1102-74,钢丝公称抗拉强度1550MP a,光面钢丝,左右互捻,直径d=22.5mm,钢丝绳最小破断拉力[S b]=328KN,标记如下:钢丝绳 6w(19)-22.5-1550-I-光-SZ GB 1102-743.滑轮组的选择3.1滑轮的许用最小直径:D≥ed⨯=5.2220⨯=450mm式中系数e=20由起重机设计手册表3-2-1查得。
由[1]附表2选用滑轮直径D=600mm。
滑轮的绳槽部分尺寸可由[1]附表3查得。
起升机构电动机初选按起升载荷、额定起升速度及机构效率计算机构的静功率。
对于双绳抓斗的开闭机构和起升机构,每一机构的电动机静功率取为总功率的0.66倍。
根据机构的静功率和接电持续率初选电动机,机构的接电持续率(参考件)。
电动机容量校验电动机必须校验过载和发热,校验方法可相应参照电动机和饶线型异步电动机。
对于在一次使用后停歇期间内足以冷却到环境温度的电动机,按短时工作制选择容量。
短时工作制电动机额定容量由电动机制造厂提供。
在校验电动机时,若无特殊的要求,机构起动时的物品平均加速度可参照表1选取。
制动器选择起升机构的每—套独立的驱动装置至少要装设一个支持制动器。
吊运液态金属及其他危险物品的起升机构,每套独立的驱动装置至少应有两个支持制动器。
支持制动器应是常闭式的,制动轮必须装在与传动机构刚性联结的轴上。
制动安全系数应不低于:a. 一船起升机构:1.5;b. 重要起升机构:1.75;c. 吊运液态金属和危险品的起升机构:装有两个支持制动器时,每一个的制动安全系数不低于1.25;对于二套彼此有刚性联系的驱动装置,每套装置装有两个支持制动器时,每一个的制动安全系数不低于1.1;d. 具有液压制动作用的液压传动起升机构:1.25。
无特殊要求时,制动所引起的物品升降减速度不应大于表1的规定值。
推荐支持制动与控制制动并用。
控制制动可以是电气式的,如:再生制动、反接制动、能耗制动及涡流制动器等;也可以是机械式的。
控制制动仅用来消耗动能,使物品安全减速。
在与控制制动并民用时;支持制动器的最低制动安全系数仍应满足上述要求。
表1 平均升降加(减)速度计算载荷起重机机构电动机容量选择计算中的JC,CZ,G值(参考件)各种起重机的每一机构的接电持续率JC值,CZ值,稳态负载平均系数G,应根据实际载荷情况计算。
如无法获得载荷情况的详细资料,可参考表1选取。
表1 JC,CG,G值电动机的过载校验(参考件)1起升机构电动机P n ≥(H/m*λM)*(PQ*Vq/1000η)式中:Pn---- 基准接电持续率时电动机额定功率,kw;PQ---- 起升载荷,N;双抓斗电动机过载校验时应考虑负载不均匀程度。
起升机构的操作要领及安全技术起升机构是用于提升、运输、装卸和悬挂重物的重要设备。
在操作起升机构时,必须严格遵守相关操作要领,同时掌握一定的安全技术。
下面,我将结合实际情况,详细介绍起升机构的操作要领及安全技术。
一、起升机构的操作要领1. 熟悉设备的工作原理和工作规程:在操作前,必须对起升机构的工作原理和工作规程进行全面了解,了解每个按钮和开关的功能和使用方法。
2. 严格核实起升机构的安全保护装置:在操作前,必须检查起升机构的安全保护装置是否正常工作,如限位器、过载保护器等,确保安全装置处于可靠状态。
3. 使用正确的操作方法:操作起升机构时必须按照正确的操作方法进行,不能随意操作。
操作人员应根据实际需要选择合适的操作速度,不得超速或超载。
4. 保持稳定和平衡:在运输和悬挂重物时,必须保持起升机构的稳定和平衡。
在吊装过程中,应尽量避免晃动、摇摆和突然停止,以免造成事故。
5. 预防并解决故障:在操作起升机构时,操作人员应密切关注设备的运行状态,一旦发现故障,应立即停止操作,并通知维修人员进行处理。
二、起升机构的安全技术1. 安全检查:在操作前,必须对起升机构进行全面的安全检查。
包括检查机械部分、电气部分和安全保护装置等,确保设备处于正常工作状态。
2. 防止超载:起升机构在运输和吊装重物时,必须严格控制重量,不能超过设备的额定载荷。
否则容易导致设备损坏或事故发生。
3. 防止碰撞:在操作起升机构时,必须注意避免与其他设备或建筑物发生碰撞。
对于高空作业,应设置防撞装置,防止起升机构与障碍物接触。
4. 安全防护措施:操作人员必须佩戴符合要求的安全防护用品,如安全帽、防护眼镜、防护手套等。
同时,必须设置合理的防护设施,以确保操作人员的安全。
5. 紧急停机装置:起升机构应配备紧急停机装置,以应对突发情况。
操作人员必须熟悉紧急停机装置的使用方法,并随时准备进行紧急停机。
6. 定期维护和检修:起升机构必须定期进行维护和检修,确保设备处于良好的工作状态。
起升机构的操作要领及安全技术起升机构是指用于起升和搬运重物的设备,包括吊车、起重机、电梯等。
在操作起升机构时,必须严格遵守操作要领和安全技术,以确保操作的安全性和高效性。
以下是起升机构的操作要领及安全技术。
一、操作要领1.熟悉起升机构的结构和使用说明书,确保了解起升机构的技术参数、操作方式和注意事项等。
2.操作前要进行安全检查,检查起升机构的各个部件是否完好,电气系统是否正常,是否有异味等异常情况。
3.选择适当的工作场地,确保地面平整、无杂物和坡度适宜,并在工作场地周围设置警示标志,以确保工作区域的安全。
4.操作人员必须穿戴合适的劳保用品,如安全帽、防护眼镜、安全鞋等,以防止意外事故。
5.在搬运物体前,要确认物体的重量和物体重心的位置,并根据物体的重量选择合适的起升机构和起升工具。
6.操作起升机构时,要保持专注,不得分心进行其他操作,严禁饮酒或服用药物等影响判断和反应能力的行为。
7.具备团队协作意识,与其他操作人员配合默契,确保操作的顺利进行。
8.操作完成后,要对起升机构进行清洁和维护,及时排除故障和检修设备,确保设备的正常使用。
二、安全技术1.起升机构的安全装置必须完好,并按规定进行维护和检修,确保在紧急情况下能够及时启动。
2.操作人员必须接受专业的培训和考核,熟悉起升机构的操作规程和事故应急处理方法,提高应对突发事件的能力。
3.在操作起升机构时,必须根据起升机构的额定载荷进行搬运,严禁超载操作,以及将人员悬挂在起升机构上。
4.起升机构的电气系统必须经过专业人员检修和维护,确保电气设备的安全性和正常运行。
5.严格遵守操作规程和安全操作指南,不得擅自改变操作方法,严禁操作人员违反安全操作规程的行为。
6.起升机构的维修和保养必须按照规定进行,定期检查起升机构的各个部件和关键部位,确保设备处于良好的工作状态。
7.操作起升机构时,要保持良好的通讯联系,及时沟通和报告工作进展及可能存在的问题,确保团队之间的协调配合。
起升机构总体设计2.1 概述起升机构是用来实现货物升降的工作机构,它是起重机械中不可缺少的部分,是起重机最重要的机构,其工作性能的优劣将直接影响起重机的技术性能。
起升机构一般由驱动装置,传动装置,制动装置,卷绕系统,取物装置以及安全辅助装置等组成。
在起重量较大的起重机中,常设有两个或多个不同起重量的起升机构,其中起重量最大的为主起升机构,其余为副起升机构。
在港口,为满足抓斗和集装箱装卸作业要求,须设置特种起升机构,如抓斗起升机构,集装箱起升机构等。
港口门座式起重机的起升机构一般应满足下列要求:(1) 起升机构设计和选型应符合买方文件规定的工作级别或规范标准的规定,当没有明确提出执行标准时,一般采用FEM规范。
中国采用《起重机设计规范》(GB3811)。
(2) 起升机构的驱动装置一般设置在机器房内,各部件安装在具有足够强度和刚性的共用的底架上。
底架再与机器房钢结构固定。
(3) 驱动装置的各传动轴同心度应是可调的,当轴同心度出现很小的偏差时可通过底盘和机座之间的调整垫片进行适当调整。
可用定位销或楔形止动块将各部件定位在底架上。
(4) 传动装置的支座应有足够的倾向刚度,以承受因钢丝绳偏斜产生的侧向力,保证盘式制动器正常工作。
(5) 钢丝绳工作时对卷筒绳槽的偏斜角一般不大于3.5°,对滑轮槽的偏斜角最大不大于5°。
当买方文件有明确规定时,应以买方文件为主。
(6) 在高速轴(减速器侧)和低速轴(卷筒轴侧)装设有可靠的制动器。
(7) 配置可靠的安全保护装置,包括高度指示器和限位保护,超载保护,超速保护,挂舱保护架,对转动部件外侧应装设安全防护栏,在卷筒的下方应有接油盘,以防止污染环境。
(8) 满足标准或买方文件规定的噪声限制要求。
(9) 便于维修保养,留有足够的维修保养空间和通道。
(10) 当电气系统发生故障时,应有将货物放置到地面或将吊具自舱内取出的措施。
2.2 起升机构的组成和典型零部件的选型要求起升机构由驱动机构,钢丝绳卷绕系统,吊具和安全保护装置等组成。
起升机构的操作要领及安全技术范文一、引言起升机构是指用于吊运和搬运物体的设备,广泛运用于工矿企业、建筑工地等场所。
正确的操作方法和安全技术是保证起升机构安全运行的关键。
本文将介绍起升机构的操作要领及安全技术,以提高起升机构的使用效率和安全性。
二、起升机构的操作要领1. 预先检查在操作起升机构之前,务必进行预先检查,包括检查起升机构各部位是否完好无损,电气系统是否正常,润滑情况是否良好等。
确保起升机构处于安全和良好的工作状态。
2. 熟悉操作控制器操作人员应熟悉起升机构的操作控制器,了解各个按钮和开关的功能。
必要时,可以查阅起升机构的操作手册,以便正确使用操作控制器。
3. 严格遵守操作规程在操作起升机构时,应严格按照操作规程进行操作。
遵循正确的起升顺序和速度,确保起升物体的平稳和安全。
4. 注意物体重量和平衡在起升操作中,要注意物体的重量和平衡,避免超载或偏载的情况发生。
如果超过起升机构的额定载荷或物体重心偏离过大,需要采取相应的安全措施,如减少起升速度或重新调整物体位置。
5. 合理安排操作人员在起升操作中,需要合理安排操作人员的位置和数量。
确保操作人员可以清晰地观察起升过程和发出相关指示,避免因操作人员不当而导致安全事故的发生。
三、起升机构的安全技术1. 定期检查和维护定期检查起升机构的各个部件和关键部位,如起升机构梁、绳索、起升机构及电气系统等,并进行必要的维护和修理。
及时排除隐患,确保起升机构的安全运行。
2. 建立安全警示标识在起升机构周围建立明显的安全警示标识,以提醒工作人员注意安全。
标识应包括起升机构的最大载荷限制、禁止临时停留区域、禁止闲杂人等信息,避免人员靠近或越过起升机构的限定范围。
3. 保持通畅的操作区域确保起升机构周围的操作区域通畅,避免障碍物的存在。
同时,还应保持良好的照明条件,以便操作人员正确观察起升过程和环境。
4. 加强员工培训和意识教育对操作人员进行专业的培训,提高其对起升机构操作技术和安全知识的理解和掌握。
1. 引言起升机构是现代机械设备中常见且重要的部分之一。
它通常由各种机械设备组成,用于提升和运输重物。
本文将探讨起升机构的设计方案,其中包括起升机构的类型、构成要素、工作原理以及注意事项等内容。
2. 起升机构的类型起升机构可以分为几种不同的类型,常见的包括液压起升机构、气动起升机构和电动起升机构。
2.1 液压起升机构液压起升机构利用液体的力来产生起升力。
它主要由液压缸、液压泵和液压阀等组成。
液压起升机构具有结构简单、起升平稳、负载能力大等优点,广泛应用于各种工业领域。
2.2 气动起升机构气动起升机构利用气体的动力来产生起升力。
它主要由气动缸、气动泵和气动阀等组成。
气动起升机构具有启动快速、维护简单等优点,常用于一些对起升速度要求较高的场合。
2.3 电动起升机构电动起升机构利用电动机的转动产生起升力。
它主要由电动机、传动机构和控制器等组成。
电动起升机构具有起升力稳定、起升速度可调等优点,适用于各种情况。
3. 起升机构的构成要素起升机构主要由以下几个构成要素组成:3.1 起升装置起升装置是起升机构的核心部分,用于提升和运输重物。
它通常由钢丝绳、链条或液压缸等组成。
3.2 传动机构传动机构用于将起升装置的运动传递给负载物体。
常见的传动机构包括齿轮传动、链条传动和皮带传动等。
3.3 控制系统控制系统对起升机构的运行进行控制和调节。
它通常由传感器、执行器和控制器等组成,可以实现起升机构的自动化控制。
3.4 支撑结构支撑结构用于支撑起升机构的各个部分,保证其稳定运行。
它通常由钢架、支撑梁和支承装置等组成。
4. 起升机构的工作原理起升机构的工作原理根据其类型的不同有所区别。
4.1 液压起升机构的工作原理液压起升机构通过液体的压力来产生起升力。
当液压泵启动时,液压缸接收到液体,液压缸内的活塞受到液压力的作用向上移动,从而产生起升力。
4.2 气动起升机构的工作原理气动起升机构通过气体的压力来产生起升力。
当气动泵启动时,气动缸接收到气体,气动缸内的活塞受到气压力的作用向上移动,从而产生起升力。
起升机构操作规程范本第一章总则第一条目的和适用范围1.为了确保起升机构的安全运行,规范操作,预防事故的发生,保护人身和设备安全,制定本操作规程。
2.本操作规程适用于所有起升机构的操作人员。
第二章起升机构操作前的准备工作第一节安全检查第二条操作人员在使用起升机构前,应仔细检查设备是否正常工作,如下事项需特别注意:1.确认设备电源是否稳定、接地是否良好。
2.检查设备控制系统各个控制按钮是否灵敏。
3.确认安全装置是否可靠,包括限位器、重载保护器、起重限位器等。
4.检查起升机构的起重钢丝绳是否完好无损。
第三条操作人员应按照设备规定的操作要求进行操作,不得擅自改变或离开操作位置。
第四条操作人员应保持专注,在操作过程中不得与其他人交谈或分散注意力。
第五条操作人员应经过正规培训并持有相应的资格证书,否则不得操作起升机构。
第六条在起升机构操作之前,操作人员应佩戴个人防护装备,如安全帽、防护鞋等。
第三章起升机构操作中的注意事项第一节起升过程中的限制条件第七条操作人员在起升机构运行过程中,应注意以下限制条件:1.确保起升机构在额定负荷范围内运行,不得超载。
2.确保提升物体的重心稳定,并采取适当的安全措施,避免物体倾斜或滑落。
3.注意危险物品的起升操作,应按照相关安全规范执行,并配备必要的安全设施。
第八条操作人员在起升过程中,应佩戴安全带,并将其锚定到安全位置上,以防止意外摔落。
第九条在起升机构移动过程中,操作人员应保持机构平稳,尽量避免急转弯或急停等危险操作。
第十条操作人员在操作过程中必须始终保持清醒状态,不得携带酒精、毒品等影响判断和反应的物品。
第二节紧急情况应急处置第十一条操作人员应熟悉起升机构的紧急停机按钮位置,并在遇到紧急情况时及时按下该按钮,切断起升机构的电源。
第十二条操作人员应熟悉起升机构的紧急下降装置,以防止在意外停电或设备故障时无法降低物体。
第十三条操作人员在紧急情况下应及时向上级报告,并遵守事故应急预案进行处置,确保人员和设备安全。