模具开模费用地计算方法
- 格式:doc
- 大小:24.50 KB
- 文档页数:9
模具费用怎么计算模具价格=材料费+设计费+加工费与利润+增值税+试模费+包装运输费.经验计算法模具价格=材料费+设计费+加工费与利润+增值税+试模费+包装运输费各项比例通常为:材料费:材料及标准件占模具总费用的15%-30%;加工费与利润:30%-50%;设计费:模具总费用的10%-15%;试模:大中型模具可控制在3%以内,小型精密模具控制在5%以内;包装运输费:可按实际计算或按3%计;增值税:17%2.材料系数法根据模具尺寸和材料价格可计算出模具材料费.模具价格=(6~10)*材料费锻模,塑料模=6*材料费压铸模=10*材料费模具报价估计1、首先要看客户的要求,因为要求决定材料的选择以及热处理工艺。
2、选择好材料,出一个粗略的模具方案图,从中算出模具的重量(计算出模芯材料和模架材料的价格)和热处理需要的费用。
(都是毛胚重量)3、加工费用,根据模芯的复杂程度,加工费用一般和模芯材料价格是1.5~3:1,模架的加工费用一般是1:1。
4、风险费用是以上总价的10%。
5、税6、设计费用是模具总价的10%。
模具的报价策略和结算方式模具的报价与结算是模具估价后的延续和结果。
从模具的估价到模具的报价,只是第一步,而模具的最终目的,是通过模具制造交付使用后的结算,形成最终模具的结算价。
在这个过程里,人们总是希望,模具估价=模具价格=模具结算价。
而在实际操作中,这四个价并不完全相等,有可能出现波动误差值。
这就是以下所要讨论的问题。
当模具估价后,需要进行适当处理,整理成模具的报价,为签定模具加工合同做依据。
通过反复洽谈商讨,最后形成双方均认可的模具价格,签订了合同。
才能正式开始模具的加工。
一、模具估价与报价、报价与模具价格模具估价后,并不能马上直接作为报价。
一般说来,还要根据市场行情、客户心理、竞争对手、状态等因素进行综合分析,对估价进行适当的整理,在估价的基础上增加10-30%提出第一次报价。
经过讨价还价,可根据实际情况调低报价。
模具费管理规范标题:模具费管理规范引言概述:模具费是企业生产过程中不可或者缺的一项费用,如何规范管理模具费对企业的生产效率和成本控制至关重要。
本文将从多个角度探讨模具费管理的规范性要求及实施方法。
一、明确模具费用的来源和计算方法1.1 确定模具费用的来源:模具费用主要包括模具创造成本、模具维护成本和模具更新成本等。
1.2 计算模具费用的方法:可以采用成本法、市场法、效益法等多种方法进行模具费用的计算。
1.3 确定模具费用的核算标准:应根据企业的实际情况确定模具费用的核算标准,确保费用的准确性和合理性。
二、建立完善的模具费用管理制度2.1 设立模具费用管理部门:应设立专门的模具费用管理部门,负责模具费用的核算、管理和监督。
2.2 制定模具费用管理制度:建立完善的模具费用管理制度,明确模具费用的核算流程、报销流程和监督制度。
2.3 定期进行模具费用的审计:定期对模具费用进行审计,及时发现问题并采取有效措施加以解决。
三、加强模具费用的预算管理3.1 制定模具费用预算计划:根据企业的生产计划和发展战略,制定模具费用的预算计划。
3.2 控制模具费用的支出:严格控制模具费用的支出,避免超支现象的发生。
3.3 定期进行模具费用预算的调整:根据生产情况和市场需求的变化,及时调整模具费用的预算计划。
四、优化模具费用的使用效益4.1 提高模具的利用率:通过加强模具的维护和保养,提高模具的利用率,降低模具费用的支出。
4.2 优化模具的设计和创造:优化模具的设计和创造过程,提高模具的使用寿命和效率。
4.3 推行模具共享机制:在企业内部推行模具共享机制,降低模具费用的重复支出。
五、加强模具费用管理的信息化建设5.1 建立模具费用管理系统:建立模具费用管理系统,实现对模具费用的全面监控和管理。
5.2 引入先进的模具费用管理软件:引入先进的模具费用管理软件,提高模具费用管理的效率和准确性。
5.3 培训模具费用管理人员:对模具费用管理人员进行培训,提升他们的管理水平和专业能力。
塑胶模具报价的计算公式
1.材料成本计算:
首先,根据模具的尺寸和产品的结构,确定使用的模具材料,例如:钢材、铝合金等。
然后,根据模具所需的材料量以及材料的单价,计算模具的基本材料成本。
模具材料成本=模具所需材料量×材料单价
2.制造工艺成本计算:
制造工艺成本包括模具加工的各个步骤,例如:铣、刨、磨、电火花等。
制造工艺成本=加工步骤1成本+加工步骤2成本+...+加工步骤n成本
3.制造周期成本计算:
制造周期成本包括模具制造所需的时间成本、设备使用成本等。
制造周期成本=制造时间×设备使用成本
4.其他成本计算:
其他成本包括设计成本、开发成本、运输费用等。
5.利润计算:
利润是根据市场需求、竞争情况、产品质量和交货期等综合因素来确定的。
一般来说,利润率会根据不同的情况有所变动。
利润=成本×利润率
6.报价计算:
综合以上因素,将所有成本加总并加入利润,得到最终的塑胶模具报价。
报价=材料成本+制造工艺成本+制造周期成本+其他成本+利润
需要注意的是,塑胶模具报价的计算还需要考虑到市场的竞争情况、供求关系以及客户的特殊需求等因素。
因此,以上公式仅为一般情况下的计算方法,具体的报价还需要根据实际情况进行调整和综合考虑。
工业制造企业模具开发费用怎么入账话题:收客户版模具费怎么做账?而且是收一半,我司自出一...问:急求答案推荐回答:版模具费的收取要视情况而定。
1.如果模具属自制,收一半时应视同销售; 2.如果模具属外部购入: a.购入发票分别开给你公司及客户的,你公司自出一半钱的可作为资产入账处理。
b.购入发票直接开给你公司的,收一半时应视同销售。
仅供参考话题:工业企业初期,产生的费用主要为开模,这些费用如...推荐回答:其实模具也是一种产品,只不过是自用,也有可能出卖。
那和产生的费用归集在生产成本中,如有模具检验合理入库的话则分配到此,即可以做为库存商品也可做为低值易耗品。
如果使用期超过1年,通常都是进长期待摊费用的生产入库时借长期待摊费用-...话题:工业企业购入10万模具怎么做账?用什么科目问:是固定资产?制造费用?还是低值易耗品?推荐回答:会计实务操作中,各行各业所涉及业务内容都有自己的特殊性,具体到一项业务处理,没有一成不变的公式、标准去套用,即使普遍执行的都是一个会计准则。
上述购入10万元模具,具体列支项目,还是要结合企业行业特点,根据模具属性,包括用途、使用... 话题:工业企业,为了生产产品,模具费怎么做分录推荐回答:如果模具所有权属于你公司的,入固定资产,依据会计政策折旧。
如果模具属于为这一批材料一次性使用的,按合理方法分摊转入该批材料成本。
话题:加工费如何做账务处理问:我公司生产产品,需要大批的模具,而且模具价值很高更新又快,模具是委...推荐回答:1.收到受托加工材料物资时:可不作会计处理,但对收到的受托加工物资要在备查簿中进行登记,记录其收到、投入加工等材料增减。
2.将受托的材料发到生产车间加工后,将人工、辅助材料等记:借:生产成本贷:制造费用等 3.加工完成入库时,结转...话题:工业企业为生产产品购入模具应计入什么科目推荐回答:购入时计入低值易耗品-在库,领用时,转为在用;按公司制定的低值易耗品管理模式摊销,借记制造费用,贷记低值易耗品-摊销。
模具费和加工费计算方法一、模具费计算方法:模具费是指制造模具所需的费用,通常包括模具设计费、制造费和试模费等三个方面。
1.模具设计费:指设计师完成模具产品的设计所需的费用。
模具设计费的计算一般根据设计工时和设计师的工资水平来确定。
具体计算方式可以采用以下公式:模具设计费用=设计师工资*设计工时2.制造费:指制造模具所需的原材料成本和制造工人的工资等费用。
制造费的计算比较复杂,涉及到模具的复杂程度、规模和材料等因素。
一般来说,制造费可以按照以下方式计算:制造费用=模具材料费+模具加工费+模具组装费+模具试模费3.试模费:指模具制造完成后进行试模的费用,包括试模设备的费用和试模工人的工资等。
试模费的计算方法也比较灵活,可以根据试模时间、试模设备和试模工人的工资来确定。
一般来说,试模费用可以采用以下公式计算:试模费用=试模设备费用+试模工人工资二、加工费计算方法:加工费是指产品在加工过程中所产生的费用,主要包括人工费、材料费和设备费等。
加工费的计算可以根据产品的设计、加工工序和材料耗费等因素来确定。
1.人工费:指产品在加工过程中所需的人工工资。
人工费的计算一般可以按照工序的复杂程度、工人数量和工资水平等因素来确定。
一般来说,人工费可以采用以下公式计算:人工费用=总工资*加工工时2.材料费:指产品在加工过程中所使用的原材料的费用。
材料费的计算可以根据产品的设计要求和加工工序来确定。
一般来说,材料费可以按照以下公式计算:材料费用=单位材料成本*加工数量3.设备费:指产品加工过程中所使用的设备的折旧费用。
设备费的计算可以根据设备的购买成本、使用年限和折旧率等因素来确定。
一般来说,设备费可以按照以下公式计算:设备费用=设备购买成本*(1-折旧率)^使用年限综上所述,模具费和加工费是制造业中常用的两个费用指标,其计算方法主要涉及到模具设计费、制造费、试模费、人工费、材料费和设备费等方面。
这些费用的计算需要结合产品的设计要求、加工工序、材料成本和设备折旧等因素进行综合考虑,以便更准确地计算出模具费和加工费。
开模费在定额子目的详细解释
开模费是制造企业在生产过程中为了满足特定产品的生产需求而进行的一项费用支出。
开模费通常用于设计和制造产品所需的模具或模型,以便在生产过程中大规模复制该产品。
开模费的主要目的是为生产过程中的产品提供一个准确和一致的模板。
通过制造模具,企业可以确保产品的尺寸、形状和质量符合设计要求,从而保证产品的稳定性和一致性。
此外,模具还可以提高生产效率,因为它们可以用于连续生产大批量产品。
开模费的具体费用包括设计和制造模具所需的材料、设备、人工和技术支持。
设计模具通常需要进行详细的产品分析和工程计算,以确保模具能够准确地复制产品的形状和尺寸。
制造模具涉及到使用各种机械设备和工具来加工和成型模具材料,通常需要熟练的技术人员进行操作。
开模费的金额通常根据产品的复杂程度、尺寸、材料和数量等因素而定。
一般来说,复杂度高、尺寸大、材料特殊或数量较多的产品需要更大的开模费用。
此外,开模费也可能因为技术革新、原材料价格波动或制造工艺的改变而发生变化。
开模费是制造企业在产品开发和生产过程中的重要成本之一。
它对产品的质量和一致性起到关键作用,并且直接影响到企业的生产效率和竞争力。
因此,企业在考虑开模费用时需要综合考虑产品需求、
成本效益和市场竞争力等因素,以做出最佳的决策。
1.经验计算法模具价格=材料费+设计费+加工费与利润+增值税+试模费+包装运输费各项比例通常为:材料费:材料及标准件占模具总费用的15%-30%;加工费与利润:30%-50%;设计费:模具总费用的10%-15%;试模:大中型模具可控制在3%以内,小型精密模具控制在5%以内;包装运输费:可按实际计算或按3%计;增值税:17%2.材料系数法根据模具尺寸和材料价格可计算出模具材料费.模具价格=(6~10)*材料费锻模,塑料模=6*材料费压铸模=10*材料费模具报价估计1、首先要看客户的要求,因为要求决定材料的选择以及热处理工艺。
2、选择好材料,出一个粗略的模具方案图,从中算出模具的重量(计算出模芯材料和模架材料的价格)和热处理需要的费用。
(都是毛胚重量)3、加工费用,根据模芯的复杂程度,加工费用一般和模芯材料价格是1.5~3:1,模架的加工费用一般是1:1。
4、风险费用是以上总价的10%。
5、税6、设计费用是模具总价的10%。
模具的报价策略和结算方式模具的报价与结算是模具估价后的延续和结果。
从模具的估价到模具的报价,只是第一步,而模具的最终目的,是通过模具制造交付使用后的结算,形成最终模具的结算价。
在这个过程里,人们总是希望,模具估价=模具价格=模具结算价。
而在实际操作中,这四个价并不完全相等,有可能出现波动误差值。
这就是以下所要讨论的问题。
当模具估价后,需要进行适当处理,整理成模具的报价,为签定模具加工合同做依据。
通过反复洽谈商讨,最后形成双方均认可的模具价格,签订了合同。
才能正式开始模具的加工。
一、模具估价与报价、报价与模具价格模具估价后,并不能马上直接作为报价。
一般说来,还要根据市场行情、客户心理、竞争对手、状态等因素进行综合分析,对估价进行适当的整理,在估价的基础上增加10-30%提出第一次报价。
经过讨价还价,可根据实际情况调低报价。
但是,当模具的商讨报价低于估价的10%时,需重新对模具进行改进细化估算,在保证保本有利的情况下,签订模具加工合同,最后确定模具价格。
开模费用的会计处理【最新版4篇】目录(篇1)1.开模费用的定义和范围2.开模费用的会计处理方法3.开模费用的会计分录示例4.开模费用的会计处理注意事项正文(篇1)一、开模费用的定义和范围开模费用,通常是指在产品生产过程中,为制作模具所发生的一系列费用。
这些费用包括模具的设计费、制作费、试制费、维修费等。
在制造业中,尤其是精密制造业,开模费用往往占据产品成本的很大比例。
二、开模费用的会计处理方法根据我国企业会计准则,开模费用应当被视为固定资产,按照其成本进行会计处理。
具体来说,开模费用在发生时,首先被记入“在建工程”,然后在模具制作完成并达到预定可使用状态后,转入“固定资产”。
三、开模费用的会计分录示例1.发生开模费用时:借:在建工程贷:银行存款/应付账款等2.模具制作完成,达到预定可使用状态:借:固定资产贷:在建工程四、开模费用的会计处理注意事项1.区分开模费用和其他生产费用:开模费用是特指制作模具的费用,不包括直接生产产品的成本,如原材料费、直接人工费等。
2.准确计算开模费用:对于多次使用的模具,需要准确计算每次使用时的折旧费用,以保证会计处理的准确性。
3.及时进行会计处理:开模费用的会计处理应当及时进行,以确保财务报表的准确性。
目录(篇2)1.开模费用的概念和分类2.开模费用的会计处理方法3.开模费用的会计处理实例4.开模费用的会计处理注意事项正文(篇2)一、开模费用的概念和分类开模费用,指的是在产品生产过程中,为制作模具所产生的一系列费用。
根据模具的使用次数和制作材料的不同,开模费用可以分为一次性开模费用和重复使用开模费用,以及金属模具费用和非金属模具费用等。
二、开模费用的会计处理方法在会计处理中,开模费用一般计入产品成本,随产品的销售逐步摊销。
具体的会计处理方法有以下两种:1.直接计入产品成本:一次性开模费用和重复使用开模费用均可直接计入产品成本。
在模具制作完成后,会计将开模费用按照模具的使用次数,分摊到每个产品的成本中。
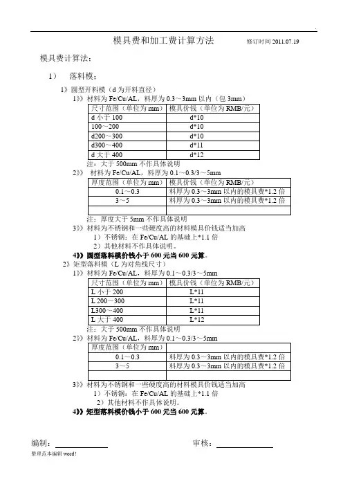
模具费和加工费计算方法修订时间2011.07.19模具费计算法;1)落料模;1》圆型开料模(d为开料直径)1》2》3》》材料为不锈钢和一些硬度高的材料模具价钱适当加高1)不锈钢:在Fe/Cu/AL的基础上*1.1倍2)其他材料不作具体说明。
4》》圆型落料模价钱小于600元当600元算。
2》矩型落料模(L为对角线尺寸)1》2》3》1)不锈钢:在Fe/Cu/AL的基础上*1.1倍2)其他材料不作具体说明。
4》》矩型落料模价钱小于600元当600元算。
编制:审核:2)落料冲孔模:1》圆型落料冲孔模圆型落料模模具费+圆孔数量*圆孔单价(50元/个)=圆型落料冲圆孔模模具费 圆型落料模模具费+方孔数量*方孔单价(60元/个)=圆型落料冲方孔模模具费如用以上公式得出模具费小于落料模模具费1.5倍,按落料模模具费1.5倍算。
2》方型落料冲孔模方型落料模模具费+圆孔数量*圆孔单价(50元/个)=方型落料冲圆孔模模具费 方型落料模模具费+方孔数量*方孔单价(60元/个)=方型落料冲方孔模模具费如用以上公式得出模具费小于落料模模具费1.5倍,按落料模模具费1.5倍算。
3)拉伸模:1》圆型拉伸模:一次拉伸: 开料直径(d )*10元二次拉伸: 第一次拉伸直径(d1)*10元三次拉伸: 第二次拉伸直径(d2)*10元以此类推……都是*10元圆型落拉模:一次拉伸模具费*1.5倍2》矩型拉伸模:一次拉伸: 开料对角线尺寸(L )*11元二次拉伸: 第一次拉伸最大一边尺寸(L1)*11元三次拉伸: 第二次拉伸最大一边尺寸(L2)*11元以此类推……都是*11元方型落拉模:一次拉伸模具费*1.5倍3》圆锥型或方锥型的拉伸模的模具费在原来的拉伸模的模具费*1.3倍。
4》圆型拉伸比系数(10号钢以内)d(只拉伸一次) ≥0.5 /d1(多次拉伸)≥0.6 d2/d1≥0.7 d3/d2≥0.8dn/dn1……不具体说明方型拉伸比系数比较复杂,其他不作具体说明。
模具价格计算1.经验计算法模具价格=材料费+设计费+加工费与利润+增值税+试模费+包装运输费各项比例通常为:材料费:材料及标准件占模具总费用的15%-30%;加工费与利润:30%-50%;设计费:模具总费用的10%-15%;试模:大中型模具可控制在3%以内,小型精密模具控制在5%以内;包装运输费:可按实际计算或按3%计;增值税:17%2.材料系数法根据模具尺寸和材料价格可计算出模具材料费.模具价格=(6~10)*材料费锻模,塑料模=6*材料费压铸模=10*材料费模具报价估计1、首先要看客户的要求,因为要求决定材料的选择以及热处理工艺。
2、选择好材料,出一个粗略的模具方案图,从中算出模具的重量(计算出模芯材料和模架材料的价格)和热处理需要的费用。
(都是毛胚重量)3、加工费用,根据模芯的复杂程度,加工费用一般和模芯材料价格是1.5~3:1,模架的加工费用一般是1:1。
4、风险费用是以上总价的10%。
5、税6、设计费用是模具总价的10%。
模具的报价策略和结算方式模具的报价与结算是模具估价后的延续和结果。
从模具的估价到模具的报价,只是第一步,而模具的最终目的,是通过模具制造交付使用后的结算,形成最终模具的结算价。
在这个过程里,人们总是希望,模具估价=模具价格=模具结算价。
而在实际操作中,这四个价并不完全相等,有可能出现波动误差值。
这就是以下所要讨论的问题。
当模具估价后,需要进行适当处理,整理成模具的报价,为签定模具加工合同做依据。
通过反复洽谈商讨,最后形成双方均认可的模具价格,签订了合同。
才能正式开始模具的加工。
一、模具估价与报价、报价与模具价格模具估价后,并不能马上直接作为报价。
一般说来,还要根据市场行情、客户心理、竞争对手、状态等因素进行综合分析,对估价进行适当的整理,在估价的基础上增加10-30%提出第一次报价。
经过讨价还价,可根据实际情况调低报价。
但是,当模具的商讨报价低于估价的10%时,需重新对模具进行改进细化估算,在保证保本有利的情况下,签订模具加工合同,最后确定模具价格。
模具加工费用计算机加工费用是这样的:普床0.5/min 钻床0.25/min 数控1.00/min 卧式加工中心1.40/min立式加工中心1.20/min一般机械维修加工收费标准一以工时记价办法。
Z25钻床,CA6140车床刨床插床锯床以每小时15元记费。
立铣,卧铣,线切割,大车床,龙门铣以每小时20元记费。
钳工一般维修以每小时15元记费。
记时单位从接手加工开始至加工完成验收合格结束二以根据零件,数量,精度要求收费办法。
1钻孔加工一般材料,深径比不大于2.5倍的直径25MM以下按钻头直径*0.05直径25-60的按钻头直径*0.12(最小孔不低于0.5元)深径比大于2.5的一般材料收费基价*深径比*0.4收取对孔径精度要求小于0.1MM或对中心距要求小于0.1MM的按基价*5收费对攻丝收费标准按丝锥直径*0.2收费(以铸铁为标准,钢件另*1.2)在批量加工时以标准基价*0.2-0.8收取(根据批量大小与加工难易程度)2车床加工类一般精度光轴加工长径比不大与10的按加工件毛坯尺寸*0.2收费(最底5元)长径比大于10的按一般光轴基价*长径比数*0.15精度要求在0.05MM以内的或要求带锥度的以一般光轴基价*2收取一般阶梯轴(风机轴,泵轴,减速器轴,砂轮轴,电机轴,主轴等)以一般精度光轴加工基价*2收取阶梯轴如有带锥度,内外罗纹,的按一般精度光轴加工基价*3收取一般用途丝杠按一般精度光轴加工基价*4收取一般兰盘类零件收费标准按材料直径*0.07收取,直径大于430MM的按材料直径*0.12收取。
一般圆螺母零件按直径*0.25收费(包括材料)一般梯形,三角螺母零件按直径*0.3(不包材料)一般轴套类零件(直径小于100径长比小于2)按材料外径*0.2收取,径长比超过2的按径长比*基价*0.6 一般修补轴承台类零件磨损量小于2MM的直径小于40MM宽度小于25MM的每个5元,需要上中心架,或长度大于1.7米的基价*2收取。
开模费用的会计处理
开模费用是指企业在进行产品开发或生产过程中,为了制作模具而发生的费用。
模具是制造企业生产产品必备的工具,它直接影响产品的质量和生产效率。
在企业的成本构成中,开模费用通常占据较大的比例,因此对其进行正确的会计处理非常重要。
开模费用应当被纳入到企业的生产成本中。
生产成本是指企业在生产过程中所发生的直接和间接费用,包括原材料、人工、制造费用等。
开模费用作为生产过程中的直接费用,应当按照实际发生的金额计入到生产成本中。
企业在进行开模费用的会计处理时,需要注意以下几点。
首先,应当将开模费用进行明细分类,比如模具制造费用、模具修理费用等,以便于后续的成本控制和分析。
开模费用还可能与企业的资产管理和税务申报等方面有关。
例如,开模费用可能形成固定资产,需要按照企业的资产管理政策进行资本化和折旧处理。
另外,开模费用也需要在企业的税务申报中进行合理的税前扣除和税后调整,以确保企业在税务方面的合规性和效益最大化。
开模费用的会计处理对于企业的成本控制和经营决策非常重要。
企业应当合理分类、分摊和核算开模费用,并建立相应的会计凭证和账务处理程序,以确保开模费用的准确计量和核算。
同时,企业还
需关注开模费用与资产管理和税务申报等方面的关联,以实现成本最小化和效益最大化。
模具费用怎么计算模具价格=材料费+设计费+加工费与利润+增值税+试模费+包装运输费.经验计算法模具价格=材料费+设计费+加工费与利润+增值税+试模费+包装运输费各项比例通常为:材料费:材料及标准件占模具总费用的15%-30%;加工费与利润:30%-50%;设计费:模具总费用的10%-15%;试模:大中型模具可控制在3%以内,小型精密模具控制在5%以内;包装运输费:可按实际计算或按3%计;增值税:17%2.材料系数法根据模具尺寸和材料价格可计算出模具材料费.模具价格=(6~10)*材料费锻模,塑料模=6*材料费压铸模=10*材料费模具报价估计1、首先要看客户的要求,因为要求决定材料的选择以及热处理工艺。
2、选择好材料,出一个粗略的模具方案图,从中算出模具的重量(计算出模芯材料和模架材料的价格)和热处理需要的费用。
(都是毛胚重量)3、加工费用,根据模芯的复杂程度,加工费用一般和模芯材料价格是1.5~3:1,模架的加工费用一般是1:1。
4、风险费用是以上总价的10%。
5、税6、设计费用是模具总价的10%。
模具的报价策略和结算方式模具的报价与结算是模具估价后的延续和结果。
从模具的估价到模具的报价,只是第一步,而模具的最终目的,是通过模具制造交付使用后的结算,形成最终模具的结算价。
在这个过程里,人们总是希望,模具估价=模具价格=模具结算价。
而在实际操作中,这四个价并不完全相等,有可能出现波动误差值。
这就是以下所要讨论的问题。
当模具估价后,需要进行适当处理,整理成模具的报价,为签定模具加工合同做依据。
通过反复洽谈商讨,最后形成双方均认可的模具价格,签订了合同。
才能正式开始模具的加工。
一、模具估价与报价、报价与模具价格模具估价后,并不能马上直接作为报价。
一般说来,还要根据市场行情、客户心理、竞争对手、状态等因素进行综合分析,对估价进行适当的整理,在估价的基础上增加10-30%提出第一次报价。
经过讨价还价,可根据实际情况调低报价。
铝材挤压开模协议书甲方(委托方):______________________乙方(受托方):______________________一、协议背景。
嗨呀,咱这事儿可得好好说道说道。
甲方呢,有铝材挤压开模的需求,乙方呢,刚好在这方面是个行家。
咱们凑一块儿,就是为了把这个铝材挤压开模的事儿顺顺利利地搞定。
二、模具相关事项。
1. 模具规格。
甲方得明确告诉乙方,这模具的规格是啥样的呀。
比如说,这模具的尺寸,是长多少、宽多少、高多少,可不能含糊。
像那种很精细的地方,也得和乙方说清楚呢。
就好像我们要做一件超级合身的衣服,尺寸要是错了,那衣服可就没法穿啦。
2. 模具材质。
这模具用啥材质做,也是个很重要的事儿。
不同的材质有不同的特性,有的结实耐用,有的可能加工起来更方便。
甲方心里肯定有自己的小算盘,得把这个材质的要求和乙方讲得明明白白的。
乙方呢,也得根据甲方的要求,好好盘算一下,这材质能不能满足开模的各种条件。
三、开模要求。
1. 精度要求。
甲方对于这个模具的精度肯定是有要求的。
比如说,某个部分的尺寸误差只能在多少毫米之内,这就像是在走钢丝,差一点儿都不行。
乙方就得拿出自己的看家本领,保证能达到这个精度要求。
要是精度达不到,那做出来的铝材可能就不符合标准,这可就麻烦大了。
2. 开模时间。
四、费用及支付方式。
1. 开模费用。
这开模得花多少钱呢?这可是个关键问题。
乙方得根据模具的规格、材质、开模的难度等等因素,算出一个合理的价格。
这个价格要公平合理,不能漫天要价,也不能让自己吃亏。
甲方呢,也得觉得这个价格划算,才会愿意和乙方合作呀。
2. 支付方式。
说到钱,支付方式也得商量好。
是一次性付清呢,还是分阶段付款?比如说,先付一部分定金,等模具做到某个阶段再付一部分,最后模具验收合格了再付清尾款。
这样双方都有保障,乙方不用担心做完了甲方不给钱,甲方也不用担心付了钱乙方不认真做模具。
五、双方的权利和义务。
1. 甲方权利与义务。
1.经验计算法
模具价格=材料费+设计费+加工费与利润+增值税+试模费+包装运输费
各项比例通常为:
材料费:材料及标准件占模具总费用的15%-30%;
加工费与利润:30%-50%;
设计费:模具总费用的10%-15%;
试模:大中型模具可控制在3%以内,小型精密模具控制在5%以内;
包装运输费:可按实际计算或按3%计;
增值税:17%
2.材料系数法
根据模具尺寸和材料价格可计算出模具材料费.
模具价格=(6~10)*材料费
锻模,塑料模=6*材料费
压铸模=10*材料费
模具报价估计
1、首先要看客户的要求,因为要求决定材料的选择以及热处
理工艺。
2、选择好材料,出一个粗略的模具方案图,从中算出模具的重量(计算出模芯材料和模架材料的价格)和热处理需要的费用。
(都是毛胚重量)
3、加工费用,根据模芯的复杂程度,加工费用一般和模芯材料价格是1.5~3:1,模架的加工费用一般是1:1。
4、风险费用是以上总价的10%。
5、税
6、设计费用是模具总价的10%。
模具的报价策略和结算方式
模具的报价与结算是模具估价后的延续和结果。
从模具的估价到模具的报价,只是第一步,而模具的最终目的,是通过模具制造交付使用后的结算,形成最终模具的结算价。
在这个过程里,人们总是希望,模具估价=模具价格=模具结算价。
而在实际操作中,这四个价并不完全相等,有可能出现波动误差值。
这就是以下所要讨论的问题。
当模具估价后,需要进行适当处理,整理成模具的报价,为签定模具加工合同做依据。
通过反复洽谈商讨,最后形成双方均认可的模具价格,签订了合同。
才能正式开始模具的加工。
一、模具估价与报价、报价与模具价格
模具估价后,并不能马上直接作为报价。
一般说来,还要根据市场行情、客户心理、竞争对手、状态等因素进行综合分析,对估价进行适当的整理,在估价的基础上增加10-30%提出第一次报价。
经过讨价还价,可根据实际情况调低报价。
但是,当模具的商讨报价低于估价的10%时,需重新对模具进行改进细化估算,在保证保本有利的情况下,签订模具加工合同,最后确定模具价格。
模具价格是经过双方认可且签订在合同上的价格
这时形成的模具价格,有可能高于估价或低于估价。
当商讨的模具价格低于模具的保本价进,需重新提出修改模具要求、条件、方案等,降低一些要求,以期可能降低模具成本,重新估算后,再签订模具价格合同。
应当指出,模具是属于科技含量较高的专用产品,不应当用低价,甚至是亏本价去迎合客户。
而是应该做到优质优价,把保证模具的质量、精度、寿命放在第一位,而不应把模具价格看得过重,否则,容易引起误导动作。
追求模具低价,就较难保证模具的质量、精度、寿
命。
廉价一般不是模具行业之所为。
但是,当模具的制造与制品开发生产是同一核算单位或是有经济利益关系时,在这种情况下,模具的报价,应以其成本价作为报价。
模具的估价仅估算模具的基本成本价部分,其它的成本费用、利润暂不考虑,待以后制品生产的利润再提取模具费附加值来作为补偿。
但此时的报价不能作为真正的模具的价格,只能是作为模具前期开发费用。
今后,一旦制品开发成功,产生利润,应提取模具费附加值,返还给模具制造单位,两项合计,才能形成模具的价格。
这时形成的模具价格,有可能会高于第一种情况下的模具价格,甚至回报率很高,是原正常模具价格的几十倍,数百倍不等。
当然,也有可能回报率等于零。
二、模具价格的地区差与时间差
这里还应当指出,模具的估价及价格,在各个企业、各个地区、国家;在不同的时期,不同的环境,其内涵是不同的,也就是存在着地区差和时间差。
为什么会产生价格差呢,这是因为:一方面各企业、各地区、国家的模具制造条件不一样,设备工艺、技术、人员观念、消费水准等各个方面的不同,产生在对模具的成本、利润目标等估算不同,因而产生了不同的模具价格差。
一般是较发达的地区、或科技含量高、设备投入较先进,比较规范大型的模具企业,他们的目标是质优而价高,而在一些消费水平较低的地区,或科技含量较低,设备投入较少的中小型模具企业,其相对估算的模具价格要低一些。
另一方面,模具价格还
存在着时间差,即时效差。
不同的时间要求,产生不同的模具价格。
这种时效差有两方面的内容:一是一付模具在不同的时间有不同的价格;二是不同的模具制造周期,其价格也不同。
三、模具报价单的填写
模具价格估算后,一般要以报价的形式向外报价。
报价单的主要内容有:模具报价,周期,要求达到的模次(寿命),对模具的技术要求与条件,付款方式及结算方式以及保修期等。
模具的报价策略正确与否,直接影响模具的价格,影响到模具利润的高低,影响到所采用的模具生产技术管理等水平的发挥,是模具企业管理的最重要的,是否成功的体现!
四、模具的结算方式
模具的结算是模具设计制造的最终目的。
模具的价格也以最终结算到的价格为准,即结算价。
才是最终实际的模具价格。
模具的结算方式从模具设计制造一开始,就伴随着设计制造的每一步,每道工序在运行、设计制造到什么程序,结算方式就运行到什么方式。
待到设计制造完成交付使用,结算方式才会终结,有时,甚至
还会运行一般时间。
所有设计制造中的质量技术问题最终全部转化到经济结算方面来。
可以说,经济结算是对设计制造的所有技术质量的评价与肯定。
结算的方式,是从模具报价就开始提出,以签订模具制造合同开始之日,就与模具设计制造开始同步运行。
反过来说,结算方式的不同,也体现了模具设计制造的差异和不同
结算方式,各地区、各企业均有不同,但随着市场经济的逐步完善,也形成一定的规范和惯例。
按惯例,结算方式一般有以下几种:
(1)“五五”式结算:即模具合同一签订开始之日,即预付模具价款50%,余50%待模具试模验收合格后,再付清。
这种结算方式,在早期的模具企业中比较流行。
它的优缺点有以下:
1)50%的预付款一般不足于支付模具的基本制造成本,制造企业还要投入。
也就是说,50%的预付款,还不能与整付模具成本运行同步。
因此,对模具制造企业来说存在一定的投入风险。
2)试模验收合格后,即结算余款。
使得模具保修费用与结算无关。
3)在结算50%余款时,由于数目款项较多,且模具已基本完工,易产生结算拖欠现象。
4)万一模具失败,一般仅退回原50%预付款。
(2)“六四”式结算:即模具合同一签订生效之日起,即预付模价款的60%,余40%,待模具试模合格后,再结清。
这种结算方式与第一种结算方式基本相同。
只不过是在预付款上增加10%。
这相对于模具制造企业有利一点。
(3)“三四三”式结算:即模具合同一签订生效之日,即预付模价款的30%,等参与设计会审,模具材料备料到位,开始加工时,再付40%模价款。
余30%,等模具合格交付使用后,一周内付清。
这种结算方式,是目前比较流行的一种。
这种结算方式的主要特点如下:
1)首期预付的30%模价款作为订金。
2)再根据会审,检查进度和可靠性,进行第二次40%的付款,加强了模具制造进度的监督。
3)余款30%,在模具验收合格后,再经过数天的使用期后,结算余款。
这种方式,基本靠近模具的设计制造使用的同步运行。
4)万一模具失败,模具制造方,除返还全部预付款外,还要加付赔偿金。
赔偿金一般是订金的1-2倍。
(4)提取制件生产利润的模具费附加值方式:即在模具设计制造时,模具使用方,仅需投入小部分的款项以保证模具制造的基本成本费用(或根本无需支付模具费用)。
待模具制造交付使用,开始制件生产,每生产一个制件提取一部分利润返还给模具制造方,作为模具费。
这种方式,把模具制造方和使用方有机地联系在一起,形成利润一体化,把投资风险与使用效益紧密地联系起来,把技术与经济、质量与生产效益完全地挂钩在一起,这样也最大限度地体现了模具的价值与风险。
这种方式是目前一种横向联向的发展趋势。
其主要特点是:充分发挥模具制造方和模具使用方的优势,资金投入比较积极合理。
但对于模具制造方来说,其风险较大,但回报率也较为可观。