2017工地安全日志范例
- 格式:doc
- 大小:268.50 KB
- 文档页数:43
工地安全日志范例日期:具体日期天气:天气情况温度:具体温度一、基本情况工程名称:工程名称施工地点:详细地点施工单位:单位名称二、人员情况今日现场施工人员总数:具体人数其中,架子工:人数电工:人数焊工:人数钢筋工:人数新入场人员:人数,已进行入场安全教育培训。
特种作业人员:列举特种作业人员及证件情况三、施工进度今日施工部位及进度:1、基础施工:详细描述基础施工的进展情况,如土方开挖、基础钢筋绑扎等2、主体结构:描述主体结构施工的楼层、混凝土浇筑等情况3、装饰装修:如内外墙抹灰、地面铺设等的进度四、安全检查情况1、个人防护用品大部分施工人员能够正确佩戴安全帽,但仍有少数人员存在安全帽佩戴不规范的情况,已现场纠正。
高处作业人员安全带佩戴情况良好。
2、施工机械与设备塔吊运行正常,每日检查记录齐全。
电焊机接地良好,电线无破损。
某台切割机防护装置损坏,已要求立即停止使用并进行维修。
3、临时用电配电箱门锁完好,无乱接乱拉电线现象。
部分区域电线拖地,已要求架空处理。
4、脚手架与吊篮脚手架搭建稳固,横杆、立杆间距符合要求。
吊篮安全锁、限位器正常,操作人员持证上岗。
5、消防安全灭火器配备齐全,压力正常。
易燃材料堆放区防火措施到位。
6、临边防护楼梯口、预留洞口防护设施完好。
某层阳台临边防护栏杆被拆除,已要求立即恢复。
7、文明施工施工现场材料堆放较杂乱,已要求分类整理。
施工道路有积水,已安排人员清扫。
五、隐患整改情况对于今日检查发现的安全隐患,已下达整改通知单,明确整改责任人及整改期限:1、切割机防护装置维修,责任人:责任人姓名,整改期限:明天。
2、电线架空处理,责任人:责任人姓名,整改期限:今天下午。
3、恢复阳台临边防护栏杆,责任人:责任人姓名,整改期限:明天上午。
六、事故及处理情况今日工地未发生安全事故。
七、安全教育与交底1、上午对新入场人员进行了三级安全教育培训,培训内容包括工地安全规章制度、个人防护用品使用、常见安全事故预防等。
建筑工地安全日记范文(必备29篇)(经典版)编制人:__________________审核人:__________________审批人:__________________编制单位:__________________编制时间:____年____月____日序言下载提示:该文档是本店铺精心编制而成的,希望大家下载后,能够帮助大家解决实际问题。
文档下载后可定制修改,请根据实际需要进行调整和使用,谢谢!并且,本店铺为大家提供各种类型的经典范文,如工作总结、工作计划、合同协议、条据文书、策划方案、句子大全、作文大全、诗词歌赋、教案资料、其他范文等等,想了解不同范文格式和写法,敬请关注!Download tips: This document is carefully compiled by this editor. I hope that after you download it, it can help you solve practical problems. The document can be customized and modified after downloading, please adjust and use it according to actual needs, thank you!Moreover, our store provides various types of classic sample essays for everyone, such as work summaries, work plans, contract agreements, doctrinal documents, planning plans, complete sentences, complete compositions, poems, songs, teaching materials, and other sample essays. If you want to learn about different sample formats and writing methods, please stay tuned!建筑工地安全日记范文(必备29篇)建筑工地安全日记范文第1篇为保证工程质量,依据《_建筑法》与《建设工程质量管理条例》要求,施工单位应当建立质量责任制。
施工现场安全日记大全1. 日记一:施工现场安全日记今天的施工现场工作比较紧张,但我们始终将安全放在第一位。
早上,我和我的团队进行了日常安全例会,强调了使用各种防护装备的重要性,并确保每个人都理解并遵守相关规定。
下午,我们集中精力处理了一个可能影响安全的问题。
一台大型机械设备出现了故障,我们立即停工,将其隔离,并通知专业维修人员前来处理。
在等待维修期间,我们设立了标志和临时的安全提醒,以确保其他人员不会靠近这个区域。
另外,我们还进行了施工现场的日常巡检,确保所有工具和设备都被正确放置并保持整洁。
我们还定期检查了防护设备,如安全帽、安全带、手套等,以确保其正常使用。
总的来说,今天的施工现场安全工作非常重要,我们的团队整体表现出色。
我们将继续加强对安全的关注,确保所有工作都在安全的控制下进行。
2. 日记二:施工现场安全日记今天是施工现场的一个忙碌的一天,但我们的安全意识没有放松。
早上,我们进行了一次针对施工现场安全的特别会议,重点讨论了现场的一些风险和措施。
我们提醒整个团队在工作中始终注意安全,确保每个人都能平安无事。
在施工过程中,我们严格控制现场的秩序,并设立了标志和警示牌以提醒其他人员注意安全。
我们还定期检查扣带和安全绳等防护设备,确保其正常使用,并做好维护记录。
下午,我们遇到了一个突发情况,一块巨大的建筑板突然崩塌,幸好没有造成严重伤害。
我们立即停工进行救援,并对现场进行了全面检查,以防止类似事件再次发生。
事故的原因是板材质量问题,我们立即与供应商联系进行查找并进行了改进。
在今天结束时,我们的施工现场仍然是一个安全和有序的工作环境。
我们会继续努力,做好施工现场安全工作,以确保每个人都能平安无事。
施工安全日志范文日期:年/月/日天气:晴/雨/阴等温度:具体温度施工部位:详细说明施工的具体区域或项目施工人员:列出主要施工人员姓名今日施工进展:详细描述当天施工的主要工作内容,包括施工的工序、完成的工作量等。
例如:今天主要进行了基础钢筋的绑扎工作,已完成约 80%的工作量。
安全检查情况:人员安全:1、施工人员均佩戴了安全帽、安全带等个人防护用品,但仍有个别人员佩戴不规范,已当场进行纠正和教育。
2、对新入场的施工人员进行了三级安全教育,包括安全规章制度、操作规程和事故案例等方面的培训。
设备与机械安全:1、对塔吊、升降机等特种设备进行了日常检查,发现塔吊的钢丝绳有轻微磨损,已安排专人进行更换。
2、搅拌机、电焊机等机械设备运行正常,未发现异常情况。
施工现场安全:1、施工现场的安全警示标识清晰、齐全,但部分标识被风吹倒,已及时重新树立。
2、楼梯、洞口等临边防护设施完好,无损坏和缺失现象。
安全隐患排查与整改:排查出的隐患:1、在施工现场发现一处配电箱未关门上锁,存在触电风险。
2、部分施工区域的材料堆放杂乱,影响施工通道的畅通。
整改措施:1、立即安排电工对配电箱进行关门上锁,并对相关责任人进行批评教育。
2、组织施工人员对材料进行整理和分类堆放,确保施工通道畅通无阻。
安全事故及处理:今日施工现场未发生安全事故。
安全会议与交底:1、上午开工前,项目经理组织召开了安全晨会,强调了施工安全的重要性,提醒施工人员注意个人防护和遵守操作规程。
2、针对新的施工任务,技术负责人对施工班组进行了安全技术交底,详细说明了施工过程中的安全注意事项和防范措施。
明日安全工作计划:1、继续加强对施工现场的安全巡查,重点检查高处作业、动火作业等危险作业的安全措施落实情况。
2、对已整改的安全隐患进行复查,确保整改措施落实到位。
3、组织开展一次消防安全演练,提高施工人员的火灾应急处置能力。
总结:今天的施工过程中,虽然在安全方面存在一些小的问题,但通过及时的排查和整改,未对施工造成较大影响。
建筑工程施工安全日志范文日期:具体年月日天气:晴、雨、阴等温度:最高温度最低温度一、施工基本情况今日施工的项目为具体项目名称,施工地点位于详细地址。
现场施工人员共计X人,包括钢筋工X人、木工X人、架子工X人、混凝土工X人等。
施工内容主要为简要描述当日的主要施工任务,如基础钢筋绑扎、模板安装等。
二、安全管理情况1、安全教育早上施工前,对全体施工人员进行了 15 分钟的班前安全教育,强调了施工现场的安全注意事项,如佩戴安全帽、系好安全带、遵守操作规程等。
对新入场的X名工人进行了入场安全教育,并签订了安全承诺书。
2、安全检查上午,安全管理人员对施工现场进行了全面的安全检查,重点检查了临时用电、脚手架、垂直运输设备等。
检查发现,部分配电箱存在一闸多机的现象,已要求电工立即整改。
脚手架上的脚手板有个别松动,已安排架子工进行加固。
3、安全防护施工现场的“四口五临边”防护设施基本完好,个别防护栏杆有损坏的情况,已及时修复。
作业人员均能正确佩戴安全帽,但有少数工人未系好安全帽带,已当场纠正。
4、安全标识施工现场的安全标识齐全、醒目,能够起到良好的警示作用。
三、施工机械及设备情况1、塔吊塔吊运行正常,操作人员持证上岗,严格按照操作规程进行作业。
对塔吊的基础、塔身、起重臂等进行了检查,未发现异常情况。
2、施工电梯施工电梯的限速器、安全钳等安全装置灵敏有效,运行平稳。
对施工电梯的吊笼、导轨架等进行了检查,发现有一处导轨架的连接螺栓有松动,已通知维修人员进行紧固。
3、钢筋加工机械钢筋切断机、弯曲机等设备运转正常,防护装置完好。
4、木工机械木工圆盘锯的锯片防护罩完好,操作人员在作业时能保持安全距离。
四、消防及文明施工情况1、消防施工现场的消防器材配备齐全,灭火器均在有效期内。
对易燃易爆物品的存放和使用进行了检查,未发现违规现象。
2、文明施工施工现场的材料堆放整齐,道路畅通,无积水和垃圾。
对施工现场的扬尘进行了控制,采取了洒水降尘措施。
施工安全日志怎么写施工安全日志(1)这天我印象最深刻的是关于工地的安全问题,现整理如下,进入工地要注意“三保、五邻边”凡进入施工现场人员,务必正确佩戴安全帽。
安全帽要经常检查,然后不贴合要求的坚决报废。
凡在2m及2m以上高处作业,务必系好安全带。
安全带上的各种部件不得任意拆掉和随意更换。
安全网的规格、材质务必贴合国家标准,使用前要认真检验。
该工程外侧及龙门架外侧均使用密目式安全网全封闭,安全网支设完毕,经过检查验收后方可使用。
基坑四周设置防护栏杆,夜间挂红灯示警。
然后通往屋面周边、一层框架周边、斜马道两侧边、卸料平台两侧边都务必设置1。
2m高的双层护栏,并挂安全网。
电梯口和楼梯侧边务必安装临时防护栏杆,在安装正式栏杆前,不得拆除。
上料平台除两侧设防护栏杆外,平台口还应设置安全门或活动防护栏杆。
各种临近防护务必安装牢固,经检查验收后方可使用,任何人都无权私自随意挪动和拆除施工现场的各种防护装置,防护设施和安全标志。
施工安全日志(2)工地正在支模板,从技术员那大概明白了此刻的模板大部分都是木模版,都有必须的使用次说限制,大概是5次左右。
这也是保证支模过程的质量保证。
我们看到的是已经根据规定尺寸加工完成的模板。
支模模板施工前,应根据建筑物构特点和混凝土施工工艺进行模板设计,然后并编制安全技术措施。
模板及支架应具有足够的强度、刚度和稳定性,能可靠地承受新浇混凝土的自重、侧压力和施工中产生的荷载及风荷载。
各种材料模板的制作,应贴合相关技术标准的规定。
模板支架材质应贴合相关技术标准的规定。
另外支模还需要满足下列构造要求:模板支架立杆底部应设置垫板,不得使用砖及脆性材料铺垫。
并应在支架的两端和中间部分与建筑构进行连接。
模板支架立杆在安装的同时,应加设水平支撑,立杆高度大于2m时,应设两道水平支撑,每增高1。
然后5-2m时,再增设一道水平支撑。
模板上不得有施工荷载。
模板支架的安装应按照设计图纸进行,安装完毕浇筑混凝土前,经验收确认贴合要求。
第1篇日期:2024年3月15日天气:晴朗一、今日工作概述今日,我作为施工现场的安全员,对工地进行了全面的安全巡查,主要针对以下几个方面进行了检查和指导:1. 工人安全帽佩戴情况2. 高空作业人员安全带使用情况3. 塔吊操作人员资质及操作规范4. 施工用电安全及线路布置5. 施工现场材料堆放及消防设施检查二、具体巡查情况1. 工人安全帽佩戴情况:在施工现场,大部分工人能够按照规定正确佩戴安全帽,但仍有少数工人未按要求佩戴,我立即对其进行了纠正,并强调了安全帽的重要性。
2. 高空作业人员安全带使用情况:高空作业人员均正确佩戴了安全带,但个别人员在使用过程中存在不规范现象,我对其进行了现场指导,确保其正确使用。
3. 塔吊操作人员资质及操作规范:塔吊操作人员均具备相关资质,且操作规范,但我在巡查过程中发现,部分塔吊的警示标志不够明显,我要求施工单位立即整改。
4. 施工用电安全及线路布置:施工现场用电安全,线路布置合理,但仍有个别电线外露,我要求施工单位加强线路管理,确保用电安全。
5. 施工现场材料堆放及消防设施检查:材料堆放整齐,消防设施齐全,但个别消防器材存在过期现象,我要求施工单位及时更换。
三、安全教育工作1. 对新进场工人进行安全教育培训,使其了解施工现场的安全规章制度,提高安全意识。
2. 对施工现场的安全隐患进行排查,及时消除安全隐患,确保施工现场安全。
3. 对施工人员进行安全知识普及,提高其应对突发事件的能力。
四、明日工作计划1. 持续关注施工现场的安全状况,确保施工现场安全稳定。
2. 对施工现场的安全隐患进行整改,确保整改到位。
3. 加强对施工人员的安全教育,提高其安全意识。
4. 定期检查施工现场的消防设施,确保消防设施完好有效。
5. 加强与施工单位的沟通,确保安全生产措施落实到位。
通过今天的巡查和安全教育工作,我深刻认识到,施工现场的安全管理工作至关重要。
作为一名安全员,我将继续努力,为施工现场的安全保驾护航,确保工程顺利进行。
第1篇日期:2023年10月26日星期:星期三天气:晴施工地点:XX市XX区XX路XX号项目名称:XX住宅小区建设项目一、工程进度及人员、机具情况1. 实际进度:今日,项目已完成主体结构施工至五层,正在进行六层结构施工。
地下室工程已完工,正在进行防水处理。
2. 人员数量:现场共有施工人员120人,其中管理人员10人,施工工人110人。
3. 机具运行情况:所有施工机械均处于良好运行状态,包括混凝土泵车、搅拌车、塔吊、施工电梯等。
二、安全检查及隐患发现1. 安全检查:今日上午,安全工程师对施工现场进行了全面的安全检查。
2. 隐患发现:- 施工电梯附近未设置安全警示标志,存在安全隐患。
- 部分施工人员未佩戴安全帽,存在安全风险。
- 地下室防水层施工过程中,存在防水材料堆放不规范的情况。
三、问题及隐患的解决办法1. 施工电梯附近安全警示标志问题:已安排专人负责,在施工电梯附近设置醒目的安全警示标志。
2. 施工人员安全帽佩戴问题:已对全体施工人员进行安全教育,强调安全帽佩戴的重要性,并对未佩戴安全帽的施工人员进行现场纠正。
3. 地下室防水材料堆放问题:已要求施工人员按照规范要求进行防水材料堆放,确保现场整洁有序。
四、问题及隐患解决后的效果及复查1. 效果:通过采取以上措施,施工现场安全隐患得到了有效消除,施工人员安全意识得到提高。
2. 复查:下午,安全工程师对整改情况进行复查,确认安全隐患已全部整改到位。
五、下一步注意事项1. 继续加强施工现场安全管理,确保施工安全。
2. 定期开展安全教育培训,提高施工人员安全意识。
3. 加强对施工机械的维护保养,确保其正常运行。
4. 严格执行安全生产规章制度,确保施工顺利进行。
备注:本日志由安全工程师XX于2023年10月26日填写,如有需要,请及时联系本人。
第2篇一、天气情况:晴二、施工部位:某住宅小区主体结构施工三、施工人员:10人四、施工内容:1. 混凝土浇筑:浇筑主体结构部分,包括楼板、梁、柱等。
第1篇今日,我作为施工现场的安全员,对建筑工程施工现场进行了全面的安全检查,以下是详细的安全日记记录:一、工地大门及安全通道1. 检查工地大门及安全通道,确认大门开启正常,安全通道畅通无阻。
2. 发现大门两侧围墙有部分损坏,已记录并通知相关部门进行修复。
二、施工人员安全教育1. 对新进场的施工人员进行安全教育,强调安全生产的重要性,要求他们严格遵守操作规程。
2. 对施工人员进行安全培训,包括高处作业、机械操作、用电安全等方面。
三、施工现场安全检查1. 检查施工现场的安全防护设施,包括安全网、防护栏杆、安全带等,确保其完好、可靠。
2. 检查施工现场的消防设施,如灭火器、消防栓等,确认其数量充足、压力正常。
3. 检查施工现场的用电线路,确保线路敷设合理、安全,无裸露电线、破损插座等安全隐患。
四、机械设备安全检查1. 检查施工现场的机械设备,包括塔吊、搅拌机、混凝土泵等,确认其运行正常、安全。
2. 检查机械设备的安全防护装置,如限位器、制动器等,确保其有效、可靠。
3. 检查机械设备的使用说明书,确认操作人员已了解其安全操作规程。
五、施工现场环境安全检查1. 检查施工现场的环境,确保其符合安全要求,无积水、积尘等安全隐患。
2. 检查施工现场的排水系统,确保排水畅通,无堵塞现象。
3. 检查施工现场的通风设施,确保通风良好,无异味、有害气体等。
六、安全隐患整改1. 发现施工现场存在安全隐患,如高处作业人员未佩戴安全带、施工现场电线破损等,已要求施工人员进行整改。
2. 对无法立即整改的安全隐患,已制定整改措施,并安排专人负责整改。
七、总结今日施工现场安全检查总体情况良好,但仍存在一些安全隐患。
在今后的工作中,我将继续加强施工现场安全管理,确保施工现场安全生产形势稳定。
明日工作计划:1. 对已整改的安全隐患进行复查,确保整改到位。
2. 对施工现场进行日常巡查,及时发现并消除安全隐患。
3. 加强对施工人员的安全教育,提高他们的安全意识。
施工安全日志(精选12篇)施工安全日志篇1XX花园项目共涵盖了四个施工班组,包括:园林绿化,景观施工,道路排水与楼梯内装。
主要危险源包括,施工临时用电,基坑开挖,高空赘物等。
此工程工程量大,工期紧,现场作业交叉施工尤为突出,对安全管理的工作是一个考验。
为确保工程总体目标的实现,项目部人员在加强现场质量管理,工期控制的同时,始终把安全工作放于第一位。
为此,项目部重点从以下几个方面做好安全控制:一、建立现场安全管理制度结合施工现场建立切实可行的安全管理制度,另一方面,加强安全工作的宣传,对项目管理人员及施工班组组长实行责任制,层层落实,层层把关。
二、加强现场信息的沟通项目与班组建立安全周例会制度,要求现场施工管理人员及施工人员加强信息沟通,以项目安全员为首,在施工宣传栏处张贴安全管理联系人名单,如现场任何一人发现现场存在任何安全方面的隐患,应及时上报,及时处理。
三、加强施工现场文明工地的管理在工程现场悬挂安全宣传横幅,设立宣传栏。
施工现场材料堆放整齐,施工场地清洁。
园林景观工程工期短,工种交叉较多,人员流动性强,这些特征决定此类工程的安全管理工作的特点。
灵活管理,用心管理,始终将安全放在第一位,才能将安全工作做好。
施工安全日志篇2红灯短暂而生命长久,为了更好地宣传交通安全法规,增强学生交通安全意识,更好地珍视我们生命,二年七班举行了家长教师进课堂活动,邀请警察来给学生们讲以《安全伴你行》为主题的安全教育活动。
在此,向全体学生发出倡议:1、我们要认真学习交通安全的法律法规,遵守交通规则,加强安全意识,树立交通安全文明公德;2、当我们徒步行走于人来车往的马路时,请时刻保持清醒的头脑,不在马路上嬉戏打闹;3、当我们时马路时,多一份谦让与耐心,不闯红灯,走人行横道,绝不能为贪一时之快,横穿马路;4、严禁12周岁以下的学生骑自行车。
放学回家一定要排好路队。
记得有一个故事。
几个学者与一个老者同船共渡。
学者们问老者是否懂得什么是哲学,老者连连摇头。
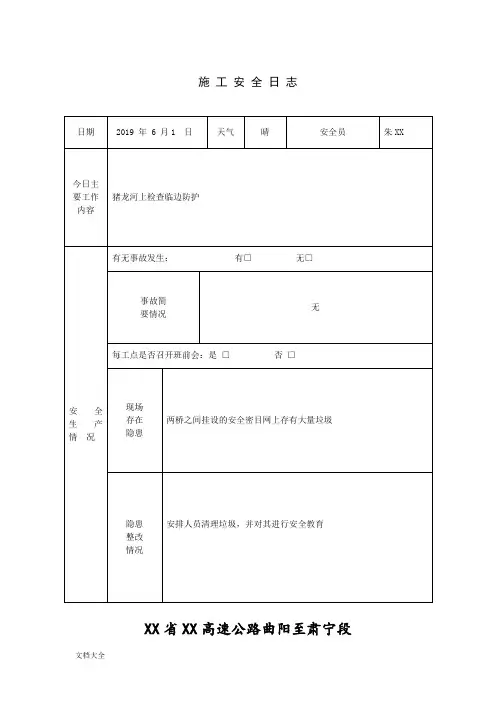
日期:2017年6月1日天气:多云
日期:2017年6月2日天气:晴
日期:2017年6月3日天气:多云
日期:2017年6月4日天气:晴
日期:2017年6月5日天气:晴
日期:2017年6月6日天气:多云
日期:2017年6月7日天气:多云
日期:2017年6月8日天气:多云
日期:2017年6月9日天气:多云
日期:2017年6月10日天气:中雨
日期:2017年6月11日天气:中雨
日期:2017年6月12日天气:多云
日期:2017年6月13日天气:阵雨
日期:2017年6月14日天气:多云
日期:2017年6月15日天气:多云
日期:2017年6月16日天气:小雨
日期:2017年6月17日天气:多云
日期:2017年6月18日天气:小雨
日期:2017年6月19日天气:小雨
日期:2017年6月20日天气:小雨
日期:2017年6月21日天气:阵雨
日期:2017年6月22日天气:小雨
日期:2017年6月23日天气:阴
日期:2017年6月24日天气:中雨
日期:2017年6月25日天气:中雨
日期:2017年6月26日天气:中雨转暴雨
日期:2017年6月27日天气:小雨
日期:2017年6月28日天气:中雨
日期:2017年6月29日天气:阵雨
日期:2017年6月30日天气:小雨。
施工安全日志模板一、施工任务概述今天的主要施工任务是进行XX项目的施工。
施工内容包括地基处理、钢筋绑扎以及混凝土浇筑等工作。
施工过程中,安全员始终在现场进行巡查,确保所有施工人员按标准流程操作。
二、人员安排及安全教育施工现场共有XX名工人,其中电工X名,焊工X名,钢筋工X名,浇筑工X名。
所有人员在早会上接受了当日安全培训,内容包括个人防护装备的正确使用、作业区域的危险源识别、应急预案的执行步骤等,确保每位工人都清楚自己的职责和防护措施。
三、个人防护装备使用情况所有施工人员按要求佩戴了安全帽、安全带及防护手套,进入高空作业区域的人员穿戴了全套防护装备。
安全员随机检查了若干工人的装备使用情况,未发现违规操作或遗漏防护装备的现象。
特别注意到有几名工人在高温作业时,额外准备了防暑物品,表现出较好的安全意识。
四、设备使用与维护今天使用的主要设备包括混凝土搅拌机、电焊机、塔吊等大型设备。
操作人员严格按照设备操作规程进行操作。
设备使用前进行了例行安全检查,未发现异常情况。
塔吊运行时,全程由专业人员指挥,确保安全距离的保持。
焊接设备在使用过程中,焊接工配备了绝缘手套,并严格控制周围易燃物的堆放位置,未出现安全隐患。
五、作业环境安全检查施工区域划分清晰,设置了安全警示标志。
危险区域如深基坑、脚手架周围,均有安全防护网及围栏。
安全员重点巡查了脚手架稳固情况,未发现松动或隐患。
深基坑区域的排水系统运行正常,未出现积水或滑倒的风险。
此外,高温天气下采取了降温措施,现场配备了足够的饮水点和休息区。
六、突发事件及应对措施今日施工过程中无重大安全事故或人员伤害报告。
上午10点左右,焊工操作时由于设备短路,出现短暂的火花,但现场安全员及时采取了断电措施,并通知设备维护人员进行处理,问题在5分钟内解决。
事故未造成人员伤害或其他损失,事后对操作人员进行了相关的安全教育,强调设备维护与检查的重要性。
七、隐患排查及整改今天的巡查重点是高空作业区域及电气设备使用情况。
1.4.1 工地安全日记
1.4.1 工地安全日记
1.4.1 工地安全日记
1.4.1 工地安全日记
1.4.1 工地安全日记
1.4.1 工地安全日记
1.4.1 工地安全日记
1.4.1 工地安全日记
1.4.1 工地安全日记
1.4.1 工地安全日记
1.4.1 工地安全日记
1.4.1 工地安全日记
1.4.1 工地安全日记
1.4.1 工地安全日记
1.4.1 工地安全日记
1.4.1 工地安全日记
1.4.1 工地安全日记
1.4.1 工地安全日记
1.4.1 工地安全日记
1.4.1 工地安全日记
1.4.1 工地安全日记
1.4.1 工地安全日记
1.4.1 工地安全日记
1.4.1 工地安全日记
1.4.1 工地安全日记
1.4.1 工地安全日记
1.4.1 工地安全日记
1.4.1 工地安全日记
1.4.1 工地安全日记
1.4.1 工地安全日记
1.4.1 工地安全日记
1.4.1 工地安全日记
1.4.1 工地安全日记
1.4.1 工地安全日记
1.4.1 工地安全日记
1.4.1 工地安全日记
1.4.1 工地安全日记
1.4.1 工地安全日记
1.4.1 工地安全日记
1.4.1 工地安全日记。
工地安全日志范例范文工地安全日志范例范文工地安全是建筑行业中最重要的一环。
任何一项建筑工程的成功都离不开强有力的安全保障。
为了确保工人们的安全,并通过增强安全意识、建立工地安全管理制度、提高工作人员的安全技能和知识来更好地保护工人们的生命和健康,每个建筑工地都需要建立完善的工地安全日志。
工地安全日志的意义和作用工地安全日志是工地安全管理的一个重要组成部分,它起到记录、查找工地安全问题、预防事故、改善安全管理等作用。
工地安全日志对工地企业来说具有以下重要意义和作用:1.日常管理和控制:安全日志作为一个重要的管理工具,可以帮助工地管理人员加强对工人工作状态的监督和掌握对工作场所的各种情况,从而拥有及时发现问题、及时处理问题、避免事故发生的能力。
2.法律依据:如果在出现安全事故之后,安全日志将成为作为证据的必要文件之一。
在工地发生安全问题被迫进行问责时,工地安全日志能很好地为工地企业申辩。
3.工地安全管理的参考和指导:安全日志是管理者管理的重要资料基础,对于日后工作的安全管理有着重要的参考和指导作用。
工地安全日志的内容要求工地安全日志包括以下内容:1.时间:安全记录中需要标明具体的时间。
因为时间是一个很重要的方面,能够准确说明工作事件、解决方案以及后续操作计划等。
2.地点:标明事件发生的具体地点,以确保工作人员能够很好地了解安全事件的发生情况,并促进日后安全管控。
3.事件描述:详细记录工地安全事件的具体情况,包括原因、损失、目击者等。
只有详细地描述了安全事故的发生情况,才能更准确、有效地进行后续的处理。
4.处置情况:记录事件的处理步骤、方法和结果。
在事件处理过程中,工作人员需要有相应的行动方案,并做好相应记录。
保留记录可以为后续的检查、分析和调整提供相关数据。
5.后续操作计划:在处理完事件后,需要有相应的后续操作计划,以确保不挑起安全问题,保障工人安全。
工地安全日志范例范文下面是一份工地安全日志范例范文,旨在帮助读者加深对安全日志的理解和记忆:时间:2019年12月10日地点:某工地4楼事件描述:当天上午9点左右,一名工人因失足从4楼坠下,落地时严重受伤。