悬式绝缘子串安装质量检验表
- 格式:doc
- 大小:15.04 KB
- 文档页数:2
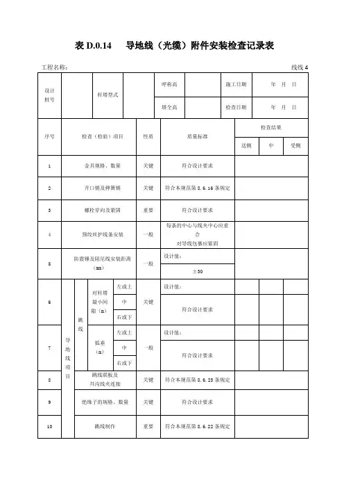
表D.0.14导地线(光缆)附件安装检查记录表工程名称:线线4设计桩号杆塔型式呼称高施工日期年月日塔全高检查日期年月日序号检查(检验)项目性质质量标准检查结果送侧中受侧1 金具规格、数量关键符合设计要求2 开口销及弹簧销关键符合本规范第8.6.16条规定3 螺栓穿向及紧固重要符合设计要求4 预绞丝护线条安装一般每条的中心与线夹中心应重合,对导线包裹应紧固5 防震锤及阻尼线安装距离(mm)一般设计值:±306导地线项目跳线对杆塔最小间隙(m)左或上关键设计值:中符合设计要求右或下7 弧垂(m)左或上一般计算值:中符合设计要求右或下8跳线连板及并沟线夹连接关键符合本规范第8.6.23条规定9 绝缘子的规格、数量关键符合设计要求10 跳线制作重要符合本规定第8.6.22条规定11 悬垂绝缘子串倾斜偏差一般5º(最大70mm)12 绝缘避雷器线放电间隙一般±2 左:右:13 铝包带缠绕一般符合本规范第8.6.18条规定14 间隔棒安装一般第一个±1.5%L 中间±3.0%L续表D.0.14 序号检查(检验)项目性质质量标准检查结果送侧中受侧15 光缆项目分流线(接地)悬垂线夹安装关键符合设计要求16 接线盒安装位置重要符合设计要求17 耐张塔引下线安装一般符合设计要求备注L为次档距检查结论现场技术负责人专职质检员施工负责人监理工程师。
交流盘形悬式绝缘子(技术规范通用部分)本规范对应的专用技术规范目录序号名称编号1 1405020-0000-01_10kV~750kV交流盘形悬式瓷绝缘1405020-0000-01子_专用2 1405018-0000-01_10kV~750kV交流盘形悬式玻璃绝1405018-0000-01缘子_专用3 1405006-0000-01_地线用盘形悬式绝缘子专用技术规范1405006-0000-0110kV~750kV交流盘形悬式瓷/玻璃绝缘子技术规范使用说明1. 本技术规范分为通用部分、专用部分。
2. 项目单位根据需求选择所需设备的技术规范,技术规范通用部分条款及专用部分固化的参数原则上不能更改。
3. 项目单位应按实际要求填写“项目需求部分”。
如确实需要改动以下部分,项目单位应填写专用部分“项目单位技术差异表”并加盖该网、省公司物资部(招投标管理中心)公章,与辅助说明文件随招标计划一起提交至招标文件审查会:1)改动通用部分条款及专用部分固化的参数;2)项目单位要求值超出标准技术参数值;3)需要修正污秽、温度、海拔等条件。
经标书审查会同意后,对专用部分的修改形成项目单位技术差异表,放入专用部分中,随招标文件同时发出并视为有效,否则将视为无差异。
4. 对扩建工程,项目单位应在专用部分提出与原工程相适应的一次、二次及土建的接口要求。
5. 技术规范的页面、标题、标准参数值等均为统一格式,不得随意更改。
6. 投标人逐项响应技术规范专用部分中“1 标准技术参数表”、“2 项目需求部分”和“3投标人提供信息”三部分相应内容。
填写投标人响应部分,应严格按招标文件技术规范专用部分的“招标人要求值”一栏填写相应的招标文件投标人响应部分的表格。
投标人填写技术参数和性能要求响应表时,如有偏差除填写“投标人技术偏差表”外,必要时应提供相应试验报告。
7. 本专业要求:1)本通用技术规范适用于10kV~750kV交流盘形悬式瓷/玻璃绝缘子,其相应的专用技术规范按瓷和玻璃绝缘子分册编写。
基础施工质量检查表检查人:受检桩位:现场负责人:说明:本表使用时可根据项目特点增减检查内容。
检查时该工序未涉及的项目填о,检查结果符合规定画“√”,不符合画“×”,出现不符合项应在情况说明栏内注明实际情况并下达整改通知单限时整改。
杆塔施工质量检查表工程名称:检查日期:年月日说明:本表使用时可根据项目特点增减检查内容。
检查时该工序未涉及的项目填о,检查结果符合规定画“√”,不符合画“×”,出现不符合项应在情况说明栏内注明实际情况并下达整改通知单限时整改。
放紧线施工质量检查表工程名称:检查日期:年月日说明:本表使用时可根据项目特点增减检查内容。
检查时该工序未涉及的项目填о,检查结果符合规定画“√”,不符合画“×”,出现不符合项应在情况说明栏内注明实际情况并下达整改通知单限时整改。
基础施工安全/环保检查表工程名称:检查日期:年月日检查人:受检桩位:现场负责人:说明:本表使用时可根据项目特点增减检查内容。
检查时该工序未涉及的项目填о,检查结果符合规定画“√”,不符合画“×”,出现不符合项应在情况说明栏内注明实际情况并下达整改通知单限时整改。
组立杆塔施工安全/环保检查表检查人:受检桩位:现场负责人:说明:本表使用时可根据项目特点增减检查内容。
检查时该工序未涉及的项目填о,检查结果符合规定画“√”,不符合画“×”,出现不符合项应在情况说明栏内注明实际情况并下达整改通知单限时整改。
架线施工安全/环保检查表检查人:受检桩位:现场负责人:说明:本表使用时可根据项目特点增减检查内容。
检查时该工序未涉及的项目填о,检查结果符合规定画“√”,不符合画“×”,出现不符合项应在情况说明栏内注明实际情况并下达整改通知单限时整改。
注:施工作业人员质量责任登记应按部位和工序分别签名。
注:施工作业人员质量责任登记应按部位和工序分别签名。
注:施工作业人员质量责任登记应按部位和工序分别签名。
注:施工作业人员质量责任登记应按部位和工序分别签名。
注:施工作业人员质量责任登记应按部位和工序分别签名。
注:施工作业人员质量责任登记应按部位和工序分别签名。
注:施工作业人员质量责任登记应按部位和工序分别签名。
杆塔组立、横担组装及绝缘子安装检验批质量验收记录表
09040202
011。
表D.0.14 导地线(光缆)附件安装检查记录表工程名称:线线4设计桩号杆塔型式呼称高施工日期年月日塔全高检查日期年月日序号检查(检验)项目性质质量标准检查结果送侧中受侧1 金具规格、数量关键符合设计要求2 开口销及弹簧销关键符合本规范第8.6.16条规定3 螺栓穿向及紧固重要符合设计要求4 预绞丝护线条安装一般每条的中心与线夹中心应重合对导线包裹应紧固5 防震锤及阻尼线安装距离(mm)一般设计值:±306导地线项目跳线对杆塔最小间隙(m)左或上关键设计值:中符合设计要求右或下7弧垂(m)左或上一般设计值:中符合设计要求右或下8跳线联板及幷沟线夹连接关键符合本规范第8.6.23条规定9 绝缘子的规格、数量关键符合设计要求10 跳线制作重要符合本规范第8.6.22条规定续表D.0.14序号检查(检验)项目性质质量标准检查结果送侧中受侧11导地线项目悬垂绝缘子串倾斜偏差一般5º(最大70mm)12 绝缘避雷线放电间隙一般±213 铝包带缠绕一般符合本规范第8.6.18条规定14 间隔棒安装一般第一个±1.5%L,中间±3%L15光缆项目分流线(接地)悬垂线夹安装关键符合设计要求16 接线盒安装位置重要符合设计要求17 耐张塔引下线安装一般符合设计要求备注L为次档距检查结论现场技术负责人专职质检员施工工程师监理工程师。
表A.0.1 途径复测登记表格(线记1)监理: 专职质检员: 施工负责人: 检查人:表A.0.2 一般基础和拉线基础分坑及开挖检查登记表(线记2)监理: 专职质检员: 施工负责人: 检查人:表A.0.3岩石、掏挖基础分坑及开挖检查登记表(线记3)监理: 专职质检员: 施工负责人: 检查人:表A.0.4 施工基础及电气开方检查登记表(线记4)监理: 专职质检员: 施工负责人: 检查人: 表A.0.5 交叉跨越检查登记表(线记5)监理: 专职质检员: 施工负责人: 检查人:表A.0.6 OPGW现场开盘测试登记表(线记6)监理: 专职质检员: 施工负责人: 检查人: 表A.0.7 OPGW接头衰耗测试登记表(线记7)监理: 专职质检员: 施工负责人: 检查人: 表A.0.8 OPGW纤芯衰耗测试登记表(线记8)监理: 专职质检员: 施工负责人: 检查人:表B.0.1 现浇铁塔基础(含插入式)检查及评估登记表(线基1)续表B.0.1监理: 专职质检员: 施工负责人: 检查人: 表B.0.5 岩石、掏挖基础检查及评估登记表(线基5)续表B.0.5监理: 专职质检员: 施工负责人: 检查人: 表B.0.9-1 拉线铁塔组立检查及评估登记表(线塔2-1)监理: 专职质检员: 施工负责人: 检查人: 表B.0.11 钢管电杆组立检查及评估登记表(线杆2)监理: 专职质检员: 施工负责人: 检查人:表B.0.16 导线、地线(含OPGW)附件安装施工检查及评估登记表(线线5)监理: 专职质检员: 施工负责人: 检查人:表C.0.1 _____________分部工程质量评估登记表(线统1)表C.0.2 _____________单位工程质量评估登记表(线统2)。
、中国南方电网专用表格3、 1 110KV ~ 500KV送变电工程质量检验及评定标准第 1 部分送电工程附录 A(规范性附录)复测、分坑、验槽及杆塔号对照表表A.1 路径复测记录表(线记1)表A.2 被跨越物及地形凸起点测量记录表(线记2 )表A.3 普通(掏挖)基础和拉线基础分坑及开挖检查记录表(线记3)表A.4 地基基坑(槽)检查记录表(线记4)表A.5 杆塔号对照表(线记5 )附录 B(规范性附录)线路工程施工质量检查及评级记录表表B.1 现浇、掏挖(等高)铁塔基础检查及评级记录(线基1)表B.2 现浇、掏挖(不等高)铁塔基础检查及评级记录(线基2)表B.3 铁塔拉线(含锚杆)基础检查及记录(线基3)表B.4 岩石铁塔基础检查及评级记录(线基4)表B.5 混凝土电杆基础检查及评级记录(线基5)表B.6 角钢插入式(等高)基础检查及评级记录(线基6 )表B.7 角钢插入式(不等高)基础检查及评级记录(线基7)表B.8 灌注桩基础桩身检查及评级记录(线基8 )表B.9 灌注桩基础承台、连梁检查及评级记录表(线基9 )表B.10 贯入桩基础检查及评级记录(线基10)表B.11 挖孔桩基础检查及评级记录(线基11)表B.12 自立式铁塔组立检查及评级记录(线塔1 )表B.13 拉线铁塔组立检查及评级记录(线塔2)表B.14 铁塔拉线压接管施工检查及评级记录(线塔3)表B.15 混凝土电杆组立检查及评级记录(线塔4 )表B.16 自立式钢管杆组立检查及评级记录(线塔5 )表B.17 导、地线展放施工检查及评记录表(线线1 )表B.18 导、地线直线液压管施工检查及评级记录(线线2 )表B.19 导、地线耐张液压管施工检查及评级记录(线线3 )表B.20 导地线紧线施工检查及评级记录(线线4 )表B.21 导地线附件安装施工检查及评级记录(线线5 )表B.22 对地、风偏开方对地距离检查及评级记录(线线6 )表B.23 交叉跨越检查及评级记录(线线7 )表B.24 复合光缆OPGW展放施工检查及评级记录(线光1 )表B.25 复合光缆OPGW紧线施工检查及评级记录(线光2 )表B.26 复合光缆OPGW附件安装施工检查及评级记录(线光3)表B.27 复合光缆OPGW现场开盘测试报告(线光4)表B.28 复合光缆OPGW接头衰减测试报告(线光5)表B.29 复合光缆OPGW纤芯衰减测试报告(线光6 )表B.30 接地装置施工检查及评级记录(线地1 )表B.31 线路防护设施一览表(线防1)附录 C(规范性附录)送电线路工程施工质量评级统计表表C.1 分部工程质量评级统计表(线统1)表C.2 单位工程质量评级统计表(线统2)3 、 2 110KV ~ 500KV 送变电工程质量检验及评定标准第 2 部分变电电气安装工程5电气装置安装工程竣工资料总的部分电气装置安装工程竣工资料总的部分(封皮)电气装置安装工程竣工资料总卷册说明电气装置安装工程竣工资料总目次Q/CGS表0.1 参与本工程电气测量仪表检定计量检定员登记表Q/CGS表0.2 本工程电气装置安装、调试用计量器具登记表Q/CGS表0.3 工程设备、材料出厂试验报告及合格证登记表Q/CGS表0.4 工程设计变更及材料代用通知单登记表Q/CGS表0.5-1 设备缺陷通知单Q/CGS表0.5-2 设备缺陷处理报告单Q/CGS表0.6 工程质量验评汇总表6_ 号主变压器系统设备安装主变压器系统设备安装单位工程资料核查项目表Q/CSG表1.0.1 变压器运输冲击记录Q/CSG表1.0.2变压器破压前气体压力检查记录Q/CSG表1.0.3变压器绝缘油试验记录Q/CSG表1.0.4变压器气体继电器检验记录Q/CSG表1.0.5 主变压器器身检查(隐蔽)签证记录Q /CSG表1.0.6 主变压器冷却器密封试验签证记录Q/CSG表1.0.7 变压器真空注油及密封试验签证记录Q/CSG表1.0.8导线液压施工检查记录Q/CSG表1.0.9箱柜基础检查记录Q/CSG表 1.10_ 号主变压器带电试运行质量检验评定(签证)表Q/CSG表1.1 主变压器安装分部工程质量验收评定表Q/CSG表1.1.1 主变压器本体安装分项工程质量检验评定表Q/CSG表1.1.2主变压器器身检查分项工程质量检验评定表Q/CSG表1.1.3主变压器附件安装分项工程质量检验评定表Q/CSG表1.1.4主变压器注油及密封试验分项工程质量检验评定表Q/CSG表1.1.5 主变压器整体检查分项工程质量检验评定表Q/CSG表1.2 _ 号主变压器系统附属设备安装分部工程质量验收评定表Q/CSG表1.2.1 中性点隔离开关安装分项工程质量检验评定表Q/CSG表1.2.2 中性点电流互感器安装分项工程质量检验评定表Q/CSG表1.2.3 中性点避雷器安装分项工程质量检验评定表Q/CSG表1.2.4 支柱绝缘子安装分项工程质量检验评定表Q/CSG表1.2.5-1 中性点管形母线安装分项工程质量检验评定表Q/CSG表1.2.5-2 中性点软母线安装分项工程质量检验评定表Q/CSG表1.2.6 中性点消弧线圈安装分项工程质量检验评定表Q/CSG表1.2.7 控制柜及端子箱安装分项工程质量检验评定表Q/CSG表1.2.8 二次回路检查及接线分项工程质量检验评定表Q/CSG表1 _ 号主变压器系统设备安装单位工程质量验收评定表号主变压器系统设备安装单位工程竣工资料(封皮)号主变压器系统设备安装单位工程竣工资料卷内目次7保护、控制及直流设备安装保护、控制及直流设备安装单位工程竣工资料(封皮)保护、控制及直流设备安装单位工程竣工资料卷内目录保护、控制及直流设备安装单位工程资料核查项目表Q/CSG表2.0.1 ×号蓄电池组(第×次)充电记录Q /CSG表2.0.2 ×号蓄电池组充、放电特性曲线Q/CSG表2.0.3 ×号蓄电池组充、放电特性曲线Q/CSG表2.0.4 ×号蓄电池组充、放电检查签证Q/CSG表2.0.5 箱柜基础检查记录Q/CSG表2 保护、控制及直流设备安装单位工程质量验收评定表Q/CSG表2.1 主控室、继电器室设备安装分部工程质量验收评定表Q/CSG表2.1.1 控制屏、保护屏安装分项工程质量检验评定表Q/CSG表2.1.3 二次回路检查及接线分项工程质量检验评定表Q/CSG表2.2 蓄电池组安装分部工程质量验收评定表Q/CSG表2.2.1 蓄电池台架、屏柜安装分项工程质量检验评定表Q/CSG表2.2.2 蓄电池安装分项工程质量检验评定表Q/CSG表2.2.3 蓄电池充、放电分项工程质量检验评定表8_KV 配电装置安装KV配电装置安装单位工程竣工资料(封皮)KV 配电装置安装单位工程竣工资料卷内目次KV 配电装置安装单位工程资料核查项目表Q/CSG表3.0.1 新SF6 气体抽样检验记录Q /CSG表3.0.2断路器安装调整记录Q /CSG表3.0.3 (设备名称、编号)隔离开关、负荷开关调整记录Q /CSG表3.0.4导线液压施工检查记录Q /CSG表3.0.5高压配电柜母线检查隐蔽前(签证)记录Q /CSG表3.0.6 箱柜基础检查记录Q /CSG表3 _KV 配电装置安装单位工程质量验收评定表Q /CSG表3.1 主母线及旁路母线安装分部工程质量验收评定表Q /CSG表3.1.1 悬式绝缘子串安装分项工程质量检验评定表Q /CSG表3.1.2支柱绝缘子安装分项工程质量检验评定表Q /CSG表3.1.3软母线安装分项工程质量检验评定表Q /CSG表3.1.4 管形母线安装分项工程质量检验评定表Q /CSG表3.1.5 接地隔离开关安装分项工程质量检验评定表Q/CSG表3.2 电压互感器及避雷器安装分部工程质量验收评定表Q/CSG表3.2.1 避雷器安装分项工程质量检验评定表Q/CSG表3.2.2-2 SF6 互感器安装分项工程质量检验评定表Q/CSG表3.2.3 隔离开关安装分项工程质量检验评定表Q/CSG表3.2.4 支柱绝缘子安装分项工程质量检验评定表Q/CSG表3.2.5 引下线及设备连线安装分项工程质量检验评定表Q/CSG表3.2.6 端子箱安装分项工程质量检验评定表Q/CSG表3.2.7 二次回路检查及接线分项工程质量检验评定表Q/CSG表3.3 进出线(含母联、分段及旁路)间隔安装分部工程质量验收评定表Q/CSG表3.3.1 隔离开关安装分项工程质量检验评定表Q/CSG表3.3.2.1(Y) SF 分项工程质量检验评定表Q/CSG表3.3.2.1(T) SF 分项工程质量检验评定表Q/CSG表3.3.2-1(Q) SF 分项工程质量检验评定表Q/CSG表3.3.2-2 罐式SF6 断路器安装分项工程质量检验评定表Q/CSG表3.3.2-3 屋外少油断路器安装分项工程质量检验评定表Q/CSG表3.3.3-1 油浸式电流互感器安装分项工程质量检验评定表Q/CSG表3.3.3-2 SF 分项工程质量检验评定表Q/CSG表3.3.4 避雷器安装分项工程质量检验评定表Q/CSG表3.3.5 穿墙套管安装分项工程质量检验评定表Q/CSG表3.3.6 支柱绝缘子安装分项工程质量检验评定表Q/CSG表3.3.7-1 软母线安装分项工程质量检验评定表Q/CSG表3.3.7-2 管形母线安装分项工程质量检验评定表Q/CSG表3.3.8 引下线及设备连线安装分项工程质量检验评定表Q/CSG表3.3.9-1 油浸式电压互感器安装分项工程质量检验评定表Q/CSG表3.3.9-2 SF 分项工程质量检验评定表Q/CSG表3.3.10 端子箱安装分项工程质量检验评定表Q/CSG表3.3.11 二次回路检查及接线分项工程质量检验评定表Q/CSG表3.4 _KV 配电柜安装分部工程质量验收评定表Q/CSG表3.4.1-1 手车式高压成套配电柜安装分项工程质量检验评定表Q/CSG表3.4.1-2 固定式高压成套配电柜安装分项工程质量检验评定表Q/CSG表3.4.2 硬母线安装分项工程质量检验评定表Q/CSG表3.4.3 真空断路器检查分项工程质量检验评定表Q/CSG表3.4.4 二次回路检查及接线分项工程质量检验评定表Q/CSG表3.5 限流电抗器安装分部工程质量验收评定表Q/CSG表3.5.1 母线安装分项工程质量检验评定表Q/CSG表3.5.2 穿墙套管安装分项工程质量检验评定表Q/CSG表3.5.3 限流电抗器安装分项工程质量检验评定表Q/CSG表3.5.4 支柱绝缘子安装分项工程质量检验评定表Q/CSG表3.10 _KV 配电装置带电试运行分部工程质量检验评定(签证)表9_KV 封闭式组合电器安装KV封闭式组合电器安装单位工程竣工资料卷内目次KV 封闭式组合电器安装单位工程资料核查项目表Q/CSG表4.0.1 新SFQ/CSG表4.0.2 封闭式组合电器安装及调整记录Q /CSG表4.0.3 封闭式组合电器隔气室气体密封试验记录Q /CSG表4.0.4 封闭式组合电器隔气室气体湿度检测记录Q /CSG表4.0.5 导线液压施工检查记录Q /CSG表4.0.6 箱柜基础检查记录表Q /CSG表4 KV 封闭式组合电器安装单位工程质量验收评定表Q /CSG表4.1 KV 封闭式组合电器检查安装分部工程质量验收评定表Q /CSG表4.1.2 封闭式组合电器本体检查安装分项工程质量检验评定表Q /CSG表4.1.3-1 电压互感器安装分项工程质量检验评定表Q /CSG表4.1.1 基础检查及设备支架安装分项工程质量检验评定表Q /CSG表4.2 _KV 封闭式组合电器配套设备安装分部工程质量验收评定表Q /CSG表4.2.1-1 油浸式电压(电流)互感器安装分项工程质量检验评定表Q /CSG表4.2.1-2 SF (电流)互感器安装分项工程质量检验评定表Q /CSG表4.2.2 避雷器安装分项工程质量检验评定表Q /CSG表4.2.3 引下线及设备连线安装分项工程质量检验评定表Q /CSG表4.2.4 悬式绝缘子串安装分项工程质量检验评定表Q /CSG表4.3 _KV 封闭式组合电器控制设备安装分部工程质量验收评定表Q /CSG表4.3.1 控制柜及端子箱安装分项工程质量检验评定表Q /CSG表4.3.2 二次回路检查及接线分项工程质量检验评定表Q /CSG表4.10 _KV 封闭式组合电器带电试运行分部工程质量检验评定(签证)表_KV 封闭式组合电器安装单位工程竣工资料10站用配电装置安装站用配电装置安装单位工程竣工资料(封皮)站用配电装置安装单位工程竣工资料卷内目次站用配电装置安装单位工程资料核查项目表Q/CSG表5.0.1 (变压器名称、编号)绝缘油试验记录Q/CSG表5.0.2变压器名称、编号气体继电器检验记录Q/CSG表5.0.3站用低压配电装置母线隐蔽前检查(签证)记录Q/CSG表5.0.4 低压盘柜基础检查记录Q/CSG表5 站用配电装置安装单位工程质量验收评定表Q/CSG表5.1 站用变压器安装分部工程质量验收评定表Q/CSG表油浸式变压器安装分项工程质量检验评定表Q / CSG 表 6.0.11 组合式油浸电容器安装签Q / CSG 表 6.1 干式电抗器安装 分部工程质量验收评定表 Q / CSG 表 5.2 站用低压配电装置安装 分部工程质量验收评定表 Q / CSG 表 5.2.1 低压配电盘安装 分项工程质量检验评定表 Q / CSG 表 5.2.2 硬母线安装 分项工程质量检验评定表Q / CSG 表 5.2.3 二次回路检查及接线 分项工程质量检验评定表 Q / CSG 表 5.3 网栏安装检查 分部工程质量验收评定表Q / CSG 表 5.3.1 网栏安装检查 分项工程质量检验评定表 Q / CSG 表 5.10 站用低压配电装置带电试运行 分部工程质量检验评定 11 无功补偿装置安装无功补偿装置安装单位工程竣工资料Q / CSG10017.2— 2007 全站电缆线路安装 单位工程资料核查项目表 Q / CSG10017.2—2007 无功补偿装置安装 单位工程资料核查项目表 Q / CSG 表 6 无功补偿装置安装 单位工程质量验收评定表签证)表Q / CSG 表 6.0.1 电抗器运输冲击记录Q / CSG 表 6.0.2 电抗器破压前气体压力检查记录Q / CSG 表 6.0.3 电抗器 绝缘油试验记录Q / CSG 表 6.0.4 电抗器气体继电器检验记录Q / CSG 表 6.0.5 电抗器器身检查 ( 隐蔽 )签证Q / CSG 表 6.0.6 电抗器冷却器密封试验签证Q / CSG 表 6.0.7 电抗器真空注油及密封试验签证Q / CSG 表 6.0.8 导线液压施工检查记录Q / CSG 表 6.0.9 箱柜基础检查记录Q / CSG 表 6.0.10 电容器组安装签证Q/CSG表6.1.1 干式电抗器安装分项工程质量检验评定表Q/CSG表6.1.2硬母线安装分项工程质量检验评定表Q/CSG表6.1.3 硬引下线及设备连线安装分项工程质量检验评定表Q/CSG表6.2 油浸式电抗器安装分部工程质量验收评定表Q/CSG表6.2.1 油浸式电抗器本体安装分项工程质量检验评定表Q/CSG表6.2.2油浸式电抗器器身检查分项工程质量检验评定表Q/CSG表6.2.3油浸式电抗器附件安装分项工程质量检验评定表Q/CSG表6.2.4油浸式电抗器注油及密封试验分项工程质量检验评定表Q/CSG表6.2.5油浸式电抗器整体检查分项工程质量检验评定表Q/CSG表6.2.6 中性点电抗器安装分项工程质量检验评定表Q/CSG表6.2.7.1 中性点管形母线安装分项工程质量检验评定表Q/CSG表6.2.7.2 中性点软母线安装分项工程质量检验评定表Q/CSG表6.2.8 引下线及设备连线安装分项工程质量检验评定表Q/CSG表6.2.9 控制柜及端子箱安装分项工程质量检验评定表Q/CSG表6.2.10 二次回路检查及接线分项工程质量检验评定表Q/CSG表6.3 电容器间隔安装分部工程质量验收评定表Q/CSG表6.3.1 电容器组安装分项工程质量检验评定表Q/CSG表6.3.2放电线圈安装分项工程质量检验评定表Q/CSG表6.3.3接地隔离开关安装分项工程质量检验评定表Q/CSG表6.3.4硬母线安装分项工程质量检验评定表Q/CSG表6.3.5 引下线及设备连线安装分项工程质量检验评定表Q/CSG表6.4 网栏安装分部工程质量验收评定表Q/CSG表网栏安装检查分项工程质量检验评定表Q/CSG表6.10.1 电容器组带电试运行质量检验评定(签证)表Q/CSG表6.10.2 油浸式电抗器带电试运行质量检验评定(签证)表12全站电缆施工全站电缆施工单位工程竣工资料Q/CSG10017.2—2007 全站电缆单位工程竣工资料卷内目次Q/CSG10017.2—2007 全站电缆线路安装单位工程资料核查项目表Q/CSG表7.0.1 35KV 及以上电缆敷设记录Q/CSG表7.0.2 电缆敷设记录(设计变更部分)Q/CSG表7.0.3 直埋电缆隐蔽前检查(签证)记录Q/CSG表7.0.4 电力电缆中间接头位置记录Q/CSG表7 全站电缆施工单位工程质量验收评定表Q/CSG表7.1 电缆管配制及敷设分部工程质量验收评定表Q/CSG表7.1.1 电缆管配制及敷设分项工程质量检验评定表Q/CSG表7.2 电缆支架安装分部工程质量验收评定表Q/CSG表7.2.1 电缆架安装分项工程质量检验评定表Q/CSG表7.3 电缆敷设分部工程质量验收评定表Q/CSG表7.3.1 电缆敷设分项工程质量检验评定表Q/CSG表7.3.2 光缆敷设分项工程质量检验评定表Q/CSG表7.3.3 直埋电缆敷设分项工程质量检验评定表Q/CSG表7.4 电力电缆终端及中间接头制作安装分部工程质量验收评定表Q/CSG表7.4.1 电力电缆终端制作安装分项工程质量检验评定表Q/CSG表7.4.2 电力电缆中间接头制作安装分项工程质量检验评定表Q/CSG表7.5 控制电缆终端制作安装分部工程质量验收评定表Q/CSG表7.5.1 控制电缆终端制作安装分项工程质量检验评定表Q/CSG表7.6 35KV 及以上电压等级电缆线路分部工程质量验收评定表Q/CSG表7.6.1 35KV 及以上电压等级电缆线路敷设分项工程质量检验评定表Q/CSG表电缆防火与阻燃分项工程质量检验评定表Q/CSG表7.7 电缆防火与阻燃分部工程质量验收评定表13全站防雷及接地装置安装全站防雷及接地装置安装单位工程竣工资料Q/CSG10017.2—2007 全站防雷及接地装置安装单位工程竣工资料卷内目次Q/CSG10017.2—2007 全站防雷及接地装置安装单位工程资料核查项目表Q/CSG表8.0.1 屋外接地装置隐蔽前检查(签证)记录Q/CSG表8.0.2避雷针及接地引下线检查(签证)记录Q/CSG表8.0.3 接地电阻(局部)测量(签证)记录Q/CSG表8 全站防雷及接地装置安装单位工程质量验收评定表Q/CSG表8.1 避雷针及引下线安装分部工程质量验收评定表Q/CSG表避雷针及引下线安装分项工程质量检验评定表Q/CSG表8.2 接地装置安装分部工程质量验收评定表Q/CSG表8.2.1 屋外接地装置安装分项工程质量检验评定表Q/CSG表8.2.2 屋内接地装置安装分项工程质量检验评定表14通信系统设备安装通信系统设备安装单位工程竣工资料Q/CSG10017.2—2007 变电站通信系统安装单位工程资料核查项目表Q/CSG10017.2—2007 通信系统设备安装单位工程竣工资料卷内目次Q/CSG表9.0.1 微波塔避雷针及引下线检查签证Q/CSG表9.0.2微波塔接地电阻(局部)测量(签证)记录Q/CSG表9.0.3变电站通信蓄电池组充、放电质量验收签证Q/CSG表9.0.4 变电站通信系统整体施工质量验收签证Q/CSG表9 通信系统设备安装单位工程质量验收评定表Q/CSG表9.1 通信系统一次设备安装分部工程质量验收评定表Q/CSG表通信系统一次设备安装分项工程质量检验评定表Q/CSG表9.2 通信系统二次设备安装分部工程质量验收评定表Q/CSG表9.2.1 微波天线安装分项工程质量检验评定表Q/CSG表9.2.2 微波馈线安装分项工程质量检验评定表Q/CSG表9.2.3 载波机、光端、微波设备安装分项工程质量检验评定表Q/CSG表9.2.4 程控交换机安装分项工程质量检验评定表Q/CSG表9.3 通信蓄电池安装分部工程质量验收评定表Q/CSG表9.3.1 免维护蓄电池安装分项工程质量检验评定表Q/CSG表9.4 通信系统接地施工分部工程质量验收评定表Q/CSG表9.4.1 通信站(系统)防雷接地施工分项工程质量检验评定表3 、 3 110KV ~ 500KV 送变电工程质量检验及评定标准第 3 部分变电土建工程附录 I 施工技术管理表格Q/CSG表BJ1-1 工程概况表Q/CSG表BJ1-2 施工现场质量管理检查记录Q/CSG表BJ1-3 有见证试验汇总表Q/CSG表BJ1-4 施工日志Q/CSG表BJ1-5 技术交底记录Q/CSG表BJ1-6 工程洽商记录附录 J 施工过程记录表格J.1 通用表格Q /CSG表BJ2-1 隐蔽工程验收记录表Q /CSG表BJ2-2 施工试验记录表(通用)Q /CSG表BJ2-3 交接检查记录表Q /CSG表BJ2-4 设备单机试运转记录Q /CSG表BJ2-5 系统试运转调试记录Q /CSG表BJ2-6 材料、构配件进场检验记录Q /CSG表BJ2-7 设备开箱检验记录Q /CSG表BJ2-8 材料、构件和设备合格证或试验报告汇总表J.2 建筑工程Q /CSG表BJ2-9 工程定位测量记录Q/CSG表BJ2-10 建筑物垂直度、标高测量记录Q/CSG表BJ2-11建(构)筑物沉降(变形)观测记录Q/CSG表BJ2-12沉降观测示意图Q/CSG表BJ2-13重锤夯实试夯记录Q/CSG表BJ2-14重锤夯实施工记录Q/CSG表BJ2-15强夯施工记录Q/CSG表BJ2-16强夯施工汇总记录Q/CSG表BJ2-17基坑支护结构顶部水平位移结果表Q/CSG表BJ2-18 锤击沉管混凝土灌注桩工程施工工艺试验记录表Q /CSG表BJ2-19 锤击沉管混凝土灌注桩工程施工记录表Q/CSG表BJ2-20水泥土搅拌桩供灰记录表Q/CSG表BJ2-21水泥土搅拌桩施工记录表Q/CSG表BJ2-22水泥土搅拌桩施工记录汇总表Q/CSG表BJ2-23内击式套管成孔灌注桩施工工艺试验记录表Q/CSG表BJ2-24内击式套管成孔灌注桩施工记录表Q/CSG表BJ2-25 锤击混凝土预制桩、钢桩施工工艺试验记录表Q/CSG表BJ2-26锤击混凝土预制桩、钢桩施工记录表Q/CSG表BJ2-27 静压混凝土预制桩、钢桩施工工艺试验记录表Q/CSG表BJ2-28静压混凝土预制桩、钢桩施工记录表Q/CSG表BJ2-29_ 号人工挖孔桩成孔检查记录Q/CSG表BJ2-30 人工挖孔灌注桩资料汇总表Q/CSG表BJ2-31 钻(冲、挖)孔桩钢筋笼安装隐蔽验收记录表Q/CSG表BJ2-32_ 号钻(冲)孔桩成孔施工记录Q/CSG表BJ2-33护壁泥浆质量检查记录Q/CSG表BJ2-34_ 号(钻)冲孔桩隐蔽验收记录Q/CSG表BJ2-35地下连续墙隐蔽验收记录Q/CSG表BJ2-36 _ 号钻(冲)孔桩地下连续墙灌注水下混凝土记录Q/CSG表BJ2-37 钻(冲)孔灌注桩施工资料汇总表Q/CSG表BJ2-38-1 地基验槽(坑)检查记录Q/CSG表BJ2-38-2 地基验槽(坑)检查记录Q/CSG表BJ2-39 地基基坑(槽)回填施工检查记录Q/CSG表BJ2-40地基处理记录Q/CSG表BJ2-41混凝土浇灌申请书Q/CSG表BJ2-42混凝土开盘鉴定表Q/CSG表BJ2-43混凝土拆模申请单Q/CSG表BJ2-44混凝土搅拌质量记录表Q/CSG表BJ2-45混凝土坍落度检测记录表Q/CSG表BJ2-46混凝土工程浇筑施工记录Q/CSG表BJ2-47混凝土养护情况记录表Q/CSG表BJ2-48大体积混凝土结构测温记录Q/CSG表BJ2-49大体积混凝土结构测温示意图Q/CSG表BJ2-50砂浆配合比申请、通知单Q/CSG表BJ2-51砌筑砂浆试块强度统计评定记录Q/CSG表BJ2-52混凝土生产水平统计评定表Q/CSG表BJ2-53 混凝土配合比申请、通知单Q/CSG表BJ2-54 混凝土试块强度统计评定记录Q/CSG表BJ2-55混凝土(砂浆)试块试验报告汇总表Q/CSG表BJ2-56幕墙防雷接地电阻测试记录表Q/CSG表BJ2-57 玻璃幕墙结构胶粘结剥离试验记录表Q/CSG表BJ2-58 密封胶、密封材料和衬垫材料检查验收记录表Q/CSG表BJ2-59 混凝土后浇带施工检查记录Q/CSG表BJ2-60屋面泼水、淋水、蓄水试验记录表Q/CSG表BJ2-61 厕所、厨房、阳台等有防水要求的地面淋水、蓄水试验记录表Q /CSG表BJ2-62 钢筋焊接(机械连接)试验报告汇总表Q/CSG表BJ2-63构架横梁检查及安装记录表Q/CSG表BJ2-64 构支架立柱检查及安装记录表Q /CSG表BJ2-65 构件吊装记录Q /CSG表BJ2-66 焊接材料烘焙记录Q/CSG表BJ2-67 地下工程防水效果检查记录J.3 给排水工程Q /CSG表BJ2-68 灌(满)水试验记录Q /CSG表BJ2-69 通水试验记录Q/CSG表BJ2-70吹洗试验记录Q /CSG表BJ2-71 通球试验记录Q /CSG表BJ2-72 补偿器安装记录Q /CSG表BJ2-73 消火栓试射记录Q/CSG表BJ2-74阀门安装前试验记录Q/CSG表BJ2-75管道焊接检查记录Q/CSG表BJ2-76管道(设备)水压试验记录Q/CSG表BJ2-77水泵安装记录Q/CSG表BJ2-78 水泵检查试运转记录J.4 建筑电气工程Q/CSG表BJ2-79 漏电保护器模拟漏电测试记录Q/CSG表BJ2-80 防雷引下线连接记录Q/CSG表BJ2-81 大型灯具牢固性试验记录Q/CSG表BJ2-82 电气接地电阻测试记录Q/CSG表BJ2-83 电气接地装置隐检与平面示意图Q/CSG表BJ2-84 电气绝缘电阻测试记录Q/CSG表BJ2-85 电气器具通电安全检查记录Q/CSG表BJ2-86 漏电开关模拟试验记录Q/CSG表BJ2-87 建筑物照明通电试运行记录J.5 通风与空调Q/CSG表BJ2-88 风管漏光检测记录Q/CSG表BJ2-89 风管漏风检测记录Q /CSG表BJ2-90 空调系统试运转调试记录附录 K 工程施工质量验收记录表K.1 质量验收通用记录表格Q/CSG表3.0.18-2 _分项工程质量验收记录Q/CSG表3.0.18-3_ 分部(子分部)工程质量验收记录Q/CSG表3.0.18-4单位(子单位)工程质量竣工验收记录Q/CSG表3.0.18-5单位(子单位)工程质量控制资料核查记录Q/CSG表3.0.18-6单位(子单位)工程安全和功能检验资料核查及主要功能抽查记录Q/CSG表3.0.18-7单位(子单位)工程观感质量检查记录Q/CSG表3.0.18-8 单位工程质量等级评定记录K.2 单位工程定位放线Q/CSG表单位工程定位放线检验批质量验收记录表K.3 土石方及基坑工程Q /CSG表5.3.1 土方开挖工程检验批质量验收记录表Q/CSG表5.3.2 土方回填工程检验批质量验收记录表Q/CSG表5.3.3石方爆破开挖工程检验批质量验收记录表Q/CSG表5.3.4重复使用钢板桩支护工程检验批质量验收记录表Q/CSG表5.3.5混凝土板桩支护工程检验批质量验收记录表Q/CSG表5.3.6水泥土桩墙支护工程检验批质量验收记录表Q/CSG表5.3.7锚杆及土钉墙支护工程检验批质量验收记录表Q/CSG表5.3.8钢筋混凝土支撑系统检验批质量验收记录表Q/CSG表5.3.9地下连续墙工程检验批质量验收记录表Q/CSG表5.3.10沉井(箱)工程检验批质量验收记录表Q /CSG表5.3.11 降水与排水工程检验批质量验收记录表K.4 地基及地基处理工程Q/CSG表5.4.1 灰土地基工程检验批质量验收记录表Q/CSG表5.4.2砂和砂石地基工程检验批质量验收记录表Q/CSG表5.4.3土工合成材料地基工程检验批质量验收记录表Q/CSG表5.4.4粉煤灰地基工程检验批质量验收记录表Q/CSG表5.4.5强夯地基工程检验批质量验收记录表Q/CSG表5.4.6振冲地基工程检验批质量验收记录表Q/CSG表5.4.7砂桩地基工程检验批质量验收记录表Q/CSG表5.4.8预压地基工程检验批质量验收记录表Q/CSG表5.4.9高压喷射注浆地基工程检验批质量验收记录表Q/CSG表5.4.10土和灰土挤密桩复合地基工程检验批质量验收记录表Q/CSG表5.4.11 注浆地基工程检验批质量验收记录表。
样板示范内容:绝缘子(支柱绝缘子)安装2013 年示范工程样板点施工作业指导书绝缘子(支柱绝缘子)安装目录1.适用范围 (3)2.编写依据 (3)3.作业流程 (3)4.安全风险分析与控制措施 (4)5.作业准备 (5)6.作业方法 (6)7.工艺质量控制措施及检验标准 (7)8.工艺成品要求 (10)9.成品展示 (10)样板示范内容:绝缘子(支柱绝缘子)安装1.适用范围本作业指导书适用于110~500kV 电压等级的绝缘子(支柱绝缘子)安装作业,其他电压等级可参照执行。
2.编写依据表2-1 编写依据序号引用资料名称1GB 50150—2006《电气装置安装工程电气设备交接试验标准》2GB 50149—2010《电气装置安装工程母线装置施工及验收规范》;3GB 26860—2011《电力安全工作规程(发电厂和变电站电气部分)》4D L5009.3—1997《电力建设安全工作规程(变电所部分)》5Q/C S G 10001—2004《变电站安健环设施标准》6Q/C S G 10007—2004《电力设备预防性试验规程》7《10kV~500kV 输变电及配电工程质量验收与评定标准第二册:变电电气安装》8Q/C S G11105.2—2008《南方电网工程施工工艺控制规范》9《中国南方电网公司反事故措施》生2012[71]号3.作业流程作业(工序)流程见图3-1。
图3-1 作业(工序)流程图4.安全风险分析与控制措施4.1绝缘子(支柱绝缘子)安装作业前,施工项目部根据该项目作业任务、施工条件,参照《电网建设施工安全基准风险指南》(下简称《指南》)开展针对性安全风险评估工作,形成该任务的风险分析表。
4.2按《指南》中与绝缘子(支柱绝缘子)安装作业相关联的《电网建设安全施工作业票》(附件1 安全施工作业票编码:B DD Q-Z W-05-01/01),结合现场实际情况进行差异化分析,确定风险等级,现场技术员填写安全施工作业票,安全员审核,施工负责人签发。
1.1 1.21.3ICS备案号: Q/CSG中国南方电网有限责任公司企业标准基建工程质量控制作业标准〔WHS 〕中国南方电网有限责任公司 发 布1.4目录1 总那么 (2)2 标准性引用文件 (2)3 术语和定义 (4)4 职责 (5)5 工作内容、程序与要求 (5)5.1工程质量WHS控制点的设置原那么 (5)5.2 工程质量WHS控制点设置类型 (6)5.3 工作程序要求 (6)5.4 质量控制关键点清单 (7)5.4.1土建工程质量控制关键点清单 (7)5.4.2电气工程质量控制关键点清单 (14)5.4.3线路工程质量控制关键点清单 (18)5.4.4配网工程质量控制关键点清单 (22)5.5工程质量WHS控制点设置表 (27)5.5.1工程质量WHS控制点设置表编制及使用说明 (27)5.5.2前控工程质量WHS控制点设置表 (29)5.5.3土建专业质量WHS控制点设置表 (30)5.5.4电气安装专业质量WHS控制点设置表 (63)5.5.5电气试验、调试专业质量WHS控制点设置表 (72)5.5.6线路专业质量WHS控制点设置表 (73)5.5.7配网专业质量WHS控制点设置表 (77)5.6 WHS控制标准 (78)5.6.1 工程质量WHS控制标准内容的编制及使用说明 (78)5.6.2前控工程控制标准 (78)5.6.3 土建专业控制标准 (89)5.6.4 电气安装控制标准 (173)5.6.5 电气试验控制标准 (223)5.6.6 电气调试控制标准 (233)5.6.7 线路专业控制标准 (234)5.6.8配网专业控制标准 (258)5.7 WHS控制记录表 (267)5.7.1 工程质量WHS控制记录表的编制及使用说明 (267)5.7.2 见证点〔w〕质量控制记录表 (268)5.7.3停工待检点〔H〕质量控制记录表 (271)5.7.4旁站点〔S〕质量控制记录表 (273)5.8 作业流程图 (275)5.9业主工程部控制标准清单 (280)6 检查与考核 (288)7.附那么 (289)附表A WHS质量控制点设置报审表 (290)附表B WHS质量控制点执行情况报审表 (292)1 总那么1.1为贯彻“百年大计,质量第一〞的方针,全面落实中国南方电网有限责任公司〔以下简称公司〕建设“智能、高效、可靠〞绿色电网的战略目标,建设标准达标、绿色可靠、文档齐全的基建工程。
目录
1、支(吊)架、保护网安装
2、绝缘子安装
3、巨型母线安装
4、共箱封闭母线安装
5、全连式离相封闭母线安装
6、管形母线安装
7、软母线安装
1、支(吊)架、保护网安装
1.0.1本章适用于母线支(吊)架、配电装置及电气设备间保护网栏的安装1.0.2支(吊)架安装检查
-可编辑-
1.0.3保护网栏安装检查
2绝缘子安装
2.0.1本节适用于悬式绝缘子串、支柱式绝缘子及穿墙套管等的安装2.0.2悬式绝缘子串安装检查
-可编辑-
2.0.3支柱绝缘子安装检查
-可编辑-
2.0.4穿墙套管的安装检查
-可编辑-
3矩形母线的安装
3.0.1本章适用于交、直流矩形母线及槽型母线的安装3.0.2矩形母线的安装检查
-可编辑-
-可编辑-
4共箱封闭母线安装
4.0.1本章适用于共箱封闭母线(矩形、槽型、重型、电缆母线)的安装4.0.2共箱封闭母线的安装检查
-可编辑-
-可编辑-
6管型母线安装
6.0.1本章适用于屋内、外高压配电装置管型母线的安装6.0.2管型母线的安装检查
7软母线安装
7.0.1本章适用于配电装置软母线、发电机组合导线的安装7.0.2软母线安装检查
-可编辑-
-可编辑-
-可编辑-。