高中物理《传感器的应用》教案2
- 格式:doc
- 大小:404.50 KB
- 文档页数:9
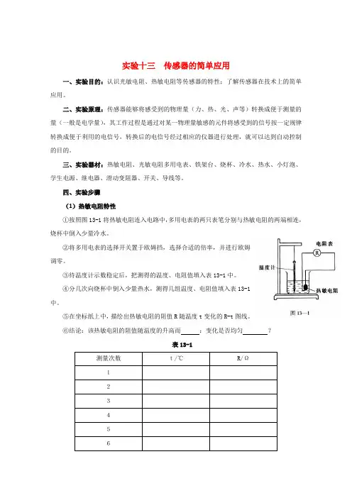
实验十三传感器的简单应用一、实验目的:认识光敏电阻、热敏电阻等传感器的特性;了解传感器在技术上的简单应用。
二、实验原理:传感器能够将感受到的物理量(力、热、光、声等)转换成便于测量的量(一般是电学量),其工作过程是通过对某一物理量敏感的元件将感受到的信号按一定规律转换成便于利用的电信号,转换后的电信号经过相应的仪器进行处理,就可以达到自动控制的目的。
三、实验器材:热敏电阻、光敏电阻多用电表、铁架台、烧杯、冷水、热水、小灯泡、学生电源、继电器、滑动变阻器、开关、导线等。
四、实验步骤(1)热敏电阻特性①按照图13-1将热敏电阻连入电路中,多用电表的两只表笔分别与热敏电阻的两端相连,烧杯中倒入少量冷水。
②将多用电表的选择开关置于欧姆挡,选择合适的倍率,并进行欧姆调零。
③待温度计示数稳定后,把测得的温度、电阻值填入表13-1中。
④分几次向烧杯中倒入少量热水,测得几组温度、电阻值填入表13-1中。
⑤在坐标纸上中,描绘出热敏电阻的阻值R随温度t变化的R-t图线。
⑥结论:该热敏电阻的阻值随温度的升高而:变化是否均匀?表13-1测量次数t/℃R/Ω123456(2)光敏电阻特性①按照图13-3将光敏电阻连入电路中,多用电表的两只表笔分别与光敏电阻的两端相连。
②将多用电表的选择开关置于欧姆挡,选择合适的倍率,并进行欧姆调零。
③在正常的光照下,把测得的电阻值填入表13-2中。
④将手张开,放在光敏电阻的上方,上下移动手掌,观察阻值的变化,记录不同情况下的阻值,将测量结果填入表13-2中。
表13-2光照强度强中弱R/Ω⑤结论。
五、实验探究1.让学生自己设计一个由热敏电阻作为传感器的简单自动报警器,当温度过高时灯亮或者响铃,向人报警。
可供选择的器材有:小灯泡(或门铃)、学生电源、继电器、滑动变阻器、开关、导线等。
在右侧方框中划出电路图。
引导学生思考,可以将这样的装置用在哪些方面?2.图13-4是利用光敏电阻自动计数的示意图,其中A是,B是,B 中的主要元件是。
第2节传感器的应用1.应变式力传感器可用来测量各种力,其中的应变片能把物体形变这个力学量转换为电压这个电学量。
2.电熨斗因为装有双金属片温度传感器,所以它能够自动控制温度。
双金属片上层金属的热膨胀系数大于下层金属。
3.电饭锅中的温度传感器主要元件是感温铁氧体。
4.有一种火灾报警器是利用了光传感器的作用,即利用烟雾对光的散射来工作。
一、传感器应用的一般模式二、传感器的应用实例1.力传感器的应用——电子秤(1)组成及敏感元件:由金属梁和应变片组成,敏感元件是应变片。
(2)工作原理:金属梁自由端受力F ⇒金属梁发生弯曲⇒应变片的电阻变化⇒两应变片上电压的差值变化(3)作用:应变片将物体形变这个力学量转换为电压这个电学量。
2.温度传感器的应用实例电熨斗电饭锅敏感元件双金属片感温铁氧体工作原理温度变化时,由于双金属片上层金属与下层金属的膨胀系数不同,双金属片发生弯曲从而控制电路的通断(1)居里温度:感温铁氧体常温下具有铁磁性,温度上升到约103 ℃时,失去铁磁性,这一温度称为“居里温度〞(2)自动断电原理:用手按下开关通电加热,开始煮饭,当锅内加热温度达到103 ℃时,铁氧体失去磁性,与永久磁铁失去吸引力,被弹簧片弹开,从而推动杠杆使触点开关断开(1)组成:如图621所示,发光二极管LED、光电三极管和不透明的挡板。
(2)工作原理:平时光电三极管收不到LED发出的光,呈现高电阻状态,烟雾进入罩内后对光有散射作用,使部分光线照射到光电三极管上,其电阻变小。
与传感器连接的电路检测出这种变化,就会发出警报。
图6211.自主思考——判一判(1)传感器可以直接用来进行自动控制。
(×)(2)传感器可以用来采集信息。
(√)(3)传感器可以将所有感受到的信号都转换为电学量。
(×)(4)鼠标是力传感器。
(×)(5)电吉他是光电传感器。
(×)(6)火灾报警器是温度传感器。
传感器的简单应用1、知道什么是传感器,传感器的工作原理。
2、知道传感器中常见的三种敏感元件及其它们的工作原理。
3、了解电容式传感器的应用。
(一)、传感器及其工作原理1、传感器:传感器是指这样一类元件:它能够感受诸如力、温度、光、声、化学成分等非电学量,并能把它们按照一定的规律转换为电压、电流等电学量,或转换为电路的通断。
把非电学量转换为电学量以后,就可以很方便地进行测量、传输、处理和控制了。
2、传感器一般由敏感元件和输出部分组成,通过敏感元件获取外界信息并转换为电信号,通过输出部分输出,然后经控制器分析处理。
常见的传感器有:力传感器、气敏传感器、超声波传感器、磁敏传感器3、 常见传感器元件:(1)光敏电阻:光敏电阻的材料是一种半导体,无光照时,载流子极少,导电性能不好;随着光照的增强,载流子增多,导电性能变好,光敏电阻能够把光照强弱这个光学量转换为电阻这个电学量。
它就象人的眼睛,可以看到光线的强弱。
(2)金属热电阻和热敏电阻:金属热电阻的电阻率随温度的升高而增大,用金属丝可以制作温度传感器,称为热电阻。
它能用把温度这个热学量转换为电阻这个电学量。
热敏电阻的电阻率则可以随温度的升高而升高或降低。
与热敏电阻相比,金属热电阻的化学稳定性好,测温范围大,但灵敏度较差。
(3)电容式位移传感器能够把物体的位移这个力学量转换为电容这个电学量。
拓展:分析下列传感器的工作原理:4、霍尔元件能够把磁感应强度这个磁学量转换为电压这个考纲解读基础突破电学量如图,霍尔元件是在一个很小的矩形半导体(例如砷化铟)薄片上,制作4个电极E 、F 、M 、N 而成。
若在E 、F 间通入恒定的电流I ,同时外加与薄片垂直的匀强磁场B ,薄片中的载流子就在洛伦兹力的作用下发生偏转,使M 、N 间出现电压U H 。
这个电压叫霍尔电压,其决定式为H IBU k d=。
式中d 为薄片的厚度,k 为霍尔系数,它的大小与薄片的材料有关 推导:二、传感器的应用实例1、力传感器的应用-----电子秤(1)电子秤理有应变片、电压放大器、模数转换器微处理器和数字显示器等器件.电阻应变片受到力的作用时 ,它的阻值会发生变化,把应变片放在合适的电路中,他能够把物体物体的形变这个力学量转换为电压这个电学量,因而电子秤是力传感器的应用.(2)工作原理:如图所示,弹簧钢制成的梁形元件右端固定,在梁的上下表面各贴一个应变片,在梁的自由端施力F ,则梁发生弯曲,上表面拉伸,下表面压缩, 上表面应变片的电阻变大,下表面应变片的电阻变小。
6.3实验:传感器的应用----教学设计姓名:侯伟杰学校:阜阳二中6.3 实验:传感器的应用(教学设计)教材分析本章讲述传感器的相关知识。
这部分内容是《课程标准》中“在课程内容上体现时代性”的一个标志。
本章共有三节,第一节介绍常见的传感器及其基本工作原理;第二节介绍常见传感器在生活中的应用;本节是常见传感器的应用研究。
教材在本节安排了两个用传感器完成一定控制任务的学生实验,其目的是使学生动手体会传感器的应用,培养学生组装和调试电子电路的能力。
能够帮助学生了解现在电子行业的发展层次,加强理论联系实际,树立学以致用的教育理念。
学情分析通过第一节和第二节的学习,学生对传感器已经有了初步的了解。
但是学生在技术方面的知识仍然十分匮乏的,动手能力也亟待培养。
教学三维目标(一)知识与技能1.了解斯密特触发器的工作特点,了解两个实验的基本原理。
2.通过实验,加深对传感器作用的体会,培养动手能力。
(二)过程与方法通过实验培养动手能力,体会传感器在实际中的应用。
(三)情感、态度与价值观1.在实验中通过动手组装和调试,增强理论联系实际的意识,激发学习兴趣,培养良好的科学态度。
2.感受传感器在现代社会中的作用及意义教学重点、难点重点1.了解斯密特触发器的工作特点,能够分析光控电路的工作原理。
2.理解温度报警器的电路工作原理。
难点光控电路和温度报警器电路的工作原理。
教学方法讲授法、谈论法、演示法、讨论法、启发法课前准备斯密特触发器(74ls14集成电路块),二极管,蜂鸣器,变阻器,热敏电阻,光敏电阻,5V直流电源,面包板等。
教学过程(一)引入新课随着科技的发展,传感器的应用越来越广泛,如走廊里的声、光控开关(实物展示内部结构),火灾报警器,路灯的自动控制,商场酒店门口的自动门等都用到了传感器。
就连我们每天都用的手机,也用了多种传感器。
请同学们讨论一下手机用到了哪些类型的传感器?接下来请欣赏老师自制智能机器人小车的超声波避障表演(实物展示)图1大家想不想也制作一些类似的科技作品呢?首先我们需要学习一些与传感器相关的知识和技能,这节课我们就来动手制作光控开关或温度报警器吧!(二)进行新课教学任务1:了解相关元件的功能及其工作原理。
6.3 感測器的應用(二)教學目標(一)知識與技能1.瞭解溫度感測器在電鍋和測溫儀上的應用。
2.瞭解光感測器在滑鼠和火災報警器上的應用。
(二)過程與方法通過實驗或演示實驗,瞭解感測器在生產、生活中的應用。
(三)情感、態度與價值觀在瞭解感測器原理及應用時,知道已學知識在生活、生產、科技社會中的價值,增強學習興趣,培養良好的科學態度。
教學重點、難點重點各種感測器的應用原理及結構。
難點各種感測器的應用原理及結構。
教學方法實驗法、觀察法、討論法。
教學手段演示用的感溫鐵氧體,磁鐵,電烙鐵,電腦的滑鼠,光敏電阻,多用表,乾電池,蠟燭,各種功率的白熾燈等教學過程(一)引入新課感測器的應用已經滲透到環境保護、交通運輸、航太、軍事以及家庭生活等各領域.例如,空調、電冰箱、微波爐、消毒碗櫃等與溫度控制相關的家用電器,幾乎都要使用溫度感測器.光感測器的應用也十分廣泛,如電腦上的滑鼠、路燈的自動控制及火災報警器等.這節課我們就來學習溫度感測器和光感測器的應用實例。
(二)進行新課1、溫度感測器的應用——電鍋引導學生閱讀教材有關內容。
(1)溫度感測器的主要元件是什麼?感溫鐵氧體。
(2)感溫鐵氧體的組成物質是什麼?氧化錳、氧化鋅和氧化鐵粉末混合燒結而成。
(3)感溫鐵氧體有何特點?常溫下具有鐵磁性,能夠被磁體吸引,溫度達到約103℃,失去鐵磁性.(4)什麼是“居裡點”?居裡點,又稱居裡溫度,即指103℃。
觀察演示實驗:感溫鐵氧體的特性。
現象:當感溫鐵氧體的溫度升高到一定數值時,感溫鐵氧體與磁鐵分離。
說明溫度升高到一定數值時,感溫鐵氧體的磁性消失。
投影電鍋的結構示意圖。
引導學生思考並回答教材“思考與討論”中的問題,瞭解電鍋的工作原理。
(1)開始煮飯時,用手壓下開關按鈕,永磁體與感溫磁體相吸,手鬆開後,按鈕不再恢復到圖示狀態。
(2)水沸騰後,鍋內大致保持100℃不變。
(3)飯熟後,水分被大米吸收,鍋底溫度升高,當溫度升至“居裡點103℃”時,感溫磁體失去鐵磁性,在彈簧作用下,永磁體被彈開,觸點分離,切斷電源,從而停止加熱.(4)如果用電鍋燒水,水沸騰後,鍋內保持100℃不變,溫度低於“居裡點103℃”,電鍋不能自動斷電。
6.2 传感器的应用(一)教学目标(一)知识与技能1.了解力传感器在电子秤上的应用。
2.了解声传感器在话筒上的应用。
3.了解温度传感器在电熨斗上的应用。
(二)过程与方法通过实验或演示实验,了解传感器在生产、生活中的应用。
(三)情感、态度与价值观在了解传感器原理及应用时,知道已学知识在生活、生产、科技社会中的价值,增强学习兴趣,培养良好的科学态度。
教学重点各种传感器的应用原理及结构。
教学难点各种传感器的应用原理及结构。
教学方法实验法、观察法、讨论法。
教学手段驻极体话筒的工作电路示教板,示波器,学生电源,电熨斗,日光灯起动器(若干)教学过程(一)引入新课传感器是能够感知诸如力、温度、光、声、化学成分等非电学量,并把它们按照一定的规律转化成电压、电流等电学量,或转化为电路通断的一类元件。
请大家回忆一下光敏电阻、热敏电阻、霍尔元件各是把什么物理量转化为电学量的元件?光敏电阻将光学量转化为电阻这个电学量。
热敏电阻将温度这个热学量转化为电阻这个电学量。
霍尔元件把磁感应强度这个磁学量转化为电压这个电学量。
这节课我们来学习传感器的应用。
(二)进行新课1、传感器应用的一般模式阅读教材并在练习本上画出传感器应用的一般模式示意图。
下面学习几个传感器应用的实例。
2.力传感器的应用——电子秤阅读教材有关内容,思考并回答问题。
(1)电子秤使用的测力装置是什么?它是由什么元件组成的?(2)简述力传感器的工作原理。
(3)应变片能够把什么力学量转化为什么电学量?总结点评,结合板画强调讲解应变片测力原理(如图所示)。
应变片能够把物体形变这个力学量转化为电压这个电学量。
3.声传感器的应用——话筒阅读教材有关内容,思考并回答问题。
(1)话筒的作用是什么?(2)说明动圈式话筒的工作原理和工作过程。
(3)说明电容式话筒的工作原理和工作过程。
这种话筒的优点是什么?(4)驻极体话筒的工作原理是什么?有何优点?提示:(1)话筒的作用是把声音信号转化为电信号。
第三节:传感器的应用(二)教案【教学目标】1.知识与技能:(1)、理解温度传感器的应用――电饭锅的工作原理。
(2)、理解温度传感器的应用――测温仪的工作原理。
(3)、理解光电传感器的应用――鼠标器的工作原理(4)、理解光电传感器的应用――火灾报警器的工作原理。
2.过程与方法:(1)通过对电饭锅的构造和原理的探究以及测温仪的了解,进一步地深入认识温度传感器的应用(2)通过对鼠标器以及火灾报警器的原理的探究,认识光传感器的应用。
3.情感、态度与价值观培养学生的学习兴趣,激发创造的欲望。
【教学重点】:温度、光传感器的应用原理及结构。
【教学难点】:温度、光传感器的应用原理及结构。
【教学方法】:PPT课件,演示实验,讲授【教学用具】:电饭锅,鼠标器,烟雾式火灾报警器【教学过程】一、引入新课上节课我们学习了力传感器、温度传感器、声音传感器及其工作原理。
请大家回忆一下我们学了哪些具体的力、温度、声音传感器?学生思考后回答:电子秤,动圈式话筒,电容式话筒,驻极体话筒,电熨斗,他们都是传感器。
这节课我们继续来学习一些传感器的应用二、进行新课1、温度传感器——电饭锅电饭锅的主要部件铁氧体,它的特点是常温下,具有铁氧体,能够被磁铁吸引,但是温度上升到约为103℃时,就失去了磁性,不能被磁体吸引了。
我们把103℃就叫做该材料的居里温度或居里点。
生:随着温度的升高,103℃以上时,铁氧体完全失去磁性,不吸引任何物体了思考与讨论:(1)开始煮饭时为什么要压下开关按钮?手松开后这个按钮是否会恢复到图示的状态?为什么?(2)煮饭时水沸腾后锅内是否会大致保持一定的温度?为什么? 接线螺丝触点(3)饭熟后,水分被大米吸收,锅底的温度会有什么变化?这时电饭锅会自动地发生哪些动作?(4)如果用电饭锅烧水,能否在水沸腾后自动断电?生1:开始煮饭时,用手压下开关按钮,永磁体与感温磁体相吸,手松开后,按钮不再恢复到图示状态。
生2:水沸腾后,锅内大致保持100℃不变。
传感器的应用教案Document serial number【NL89WT-NY98YT-NC8CB-NNUUT-NUT108】第二节传感器的应用浙江省天台育青中学许智岳一、教学目标:1.知识与技能:认识常见的传感器,了解传感器的应用能进行简单传感器应用电路的制作能了解三极管的作用2.过程与方法:通过实验结合从而了解红外传感器、光敏传感器、热敏传感器、湿敏等的一般应用,进一步总结出传感器生活生产等方面的应用3.情感、态度与价值观:激发学生的学习兴趣,培养动手能力,提高创新意识,提高理论知识与实际相结合的综合实践能力。
学生分析:由于所教的学生对于控制及电子还是零接触零基础,所以本节课的安排也是从这点发出:首先从找传感器到认识传感器及其一些特性,再从符合学生思维的电路出发步步探索下去,最终能使学生理解传感器在生活生产等领域的应用,并能制作出简单的传感器应用模型。
二、教学重难点:能进行简单传感器应用电路的制作能了解并应能用三极管三、教学方法:讲述法、学生分组练习探究、教师演示等四、教学过程:引入:学生观看《偷天陷井》电影片段从中找出相关的传感器并能简单理解这种传感器在电影起到什么作用?新课过程:活动一认一认:常见的传感器的认知根据上节课上的内容与桌面上的传感器,同学们能认出哪些常见的传感器,电阻值如电影中的情节是怎么实现的呢?教师展示电影出的红外线防盗,并讲解其工作原理,当红外线照射时其电阻较小电路被断路,当阻断时电阻变大电路导通(当然要么实现还要用到非常重要的电子原件,等会介绍)。
当这模型除了防盗还有没有其它用处?学生简单回答,教师小结,如课文P34页工业的的计数、检测空瓶,生活中自动门铃,商店自动门迎(会说你好欢迎光临)等等。
同学们是不是也想做一做这电子控制呢,当然我们要一步步来。
活动二用一用:首先我们就在要认识到:有些同学会把传感器当普通开关一样将之串入电路中就行了?如下图他们的理由是,当无光照里光敏传感器电阻非常大相当于断路,LED是不会发光,发有光照里光敏传感器电阻变小电路就导通,LED是就发光。
传感器的应用(二)整体设计教材分析与教学建议本节继第2节之后再介绍四种传感器的应用实例,进一步拓展学生的视野,提高学生的认识和分析能力。
要让学生认识到,传感器应用在生活中的各个方面,人类已进入电气化和计算机时代,许多信息都需要转化为电学量来处理。
本节教学目标之一是进一步拓展学生对各类传感器应用的认识。
目标之二是让学生通过认识、操作教科书中介绍的几种传感器,了解它们的工作原理,了解敏感元件的特性,学会分析控制电路,并能够迁移到其他控制电路的分析和简单设计中去。
本节课建议有条件的学校开设分组实验,分四大组同时将电饭锅、测温仪、鼠标器和火灾报警器展放在同一教室内,每一大组配备三套装置(包括说明书),4人1小组开展边教边实验的探究教学。
教学目标1.通过阅读说明书和示意图,了解电饭锅、测温仪、鼠标器、火灾报警器的自动控制工作原理。
2.观察演示实验,了解热敏元件、光敏原件的工作特性。
3.利用光敏电阻或硅光电池,制作摄影用的曝光表。
教学重点难点各种传感器的应用原理及结构。
教学方法与手段教学方法:实验法、观察法、讨论法。
教学手段:演示用的感温铁氧体、磁铁、电烙铁、计算机的鼠标器、光敏电阻、多用表、干电池、蜡烛、各种功率的白炽灯等。
课前准备教学媒体电饭锅用的铁氧体、收音机的磁棒、酒精灯、鼠标器、火灾报警器。
多媒体课件、实物投影仪、视频片段。
知识准备什么是传感器?力传感器、声传感器、温度传感器的原理。
教学过程[事件1]教学任务:课前热身师生活动:学生独立完成下列预习题目,汇报结果。
一、温度传感器的应用——电饭锅1.电饭锅中的温度传感器主要元件是________,它的特点是:常温下具有铁磁性,能够被磁铁吸引,但是上升到约103 ℃时,就失去了磁性,不能被磁体吸引了。
这个温度在物理学中称为该材料的“居里温度”或“居里点”。
(感温铁氧体)2.感温铁氧体是用________、________和________混合烧制而成的。
传感器的应用实验教案【教学目标】1.知识与技能:(1)、知道二极管的单向导电性和发光二极管的发光特性。
(2)、知道晶体三极管的放大特性。
(3)、掌握逻辑电路的基本知识和基本应用。
2.过程与方法:通过实验的方法,让学生在组装和调试中,更为深入地认识传感器的应用。
3.情感、态度与价值观培养学生的学习兴趣,倡导以创新为主,实践为重的素质教育理念。
【教学重点】:传感器的应用实例。
【教学难点】:由门电路控制的传感器的工作原理。
【教学方法】:PPT课件,演示实验,讲授【教学用具】:斯密特触发器或非门电路,二极管,三极管,蜂鸣器,滑线变阻器,热敏电阻,光敏电阻。
【教学过程】一、引入新课上节课我们学习了温度传感器、光传感器及其工作原理。
请大家回忆一下我们学了哪些具体的温度、光传感器?学生思考后回答:电饭锅,测温仪,鼠标器,火灾报警器这节课我们将结合简单逻辑电路中的知识学习由门电路以及传感器控制的电路问题。
二、进行新课在我们学习这些知识之前,先要学习一些相关的元件的作用功能,及其工作原理。
(一)、普通二极管和发光二极管固态电子器件中的半导体两端器件。
起源于19世纪末发现的点接触二极管效应,发展于20世纪30年代,主要特征是具有单向导电性,即整流特性。
利用不同的半导体材料、掺杂分布、几何结构,可制成不同类型的二极管,用来产生、控制、接收、变换、放大信号和进行能量转换。
例如稳压二极管可在电源电路中提供固定偏压和进行过压保护;雪崩二极管作为固体微波功率源,用于小型固体发射机中的发射源;半导体光电二极管能实现光-电能量的转换,可用来探测光辐射信号;半导体发光二极管能实现电-光能量的转换,可用作指示灯、文字-数字显示、光耦合器件、光通信系统光源等;肖特基二极管可用于微波电路中的混频、检波、调制、超高速开关、倍频和低噪声参量放大等。
按用途分:检波二极管、整流二极管、稳压二极管、开关管、光电管。
按结构分:点接触型二极管、面接触型二极管发光二极管简称为LED。
传感器的应用教学目标1. 知识与技能(1)了解传感器应用的一般模式.(2)了解力传感器在电子秤上的应用.(3)了解温度传感器在电熨斗、电饭锅上的应用.(4)了解传感器在火灾报警中的应用.2. 过程与方法通过实验或演示实验,了解传感器在生产、生活中的应用.3. 情感、态度与价值观在了解传感器原理及应用时,知道已学知识在生活、生产、科技社会中的价值,增强学习兴趣,培养良好的科学态度.教学重难点1.各种传感器的应用原理及结构.2.设计简单的有关传感器应用的控制电路.教学准备日光灯启动器、电饭锅、多媒体课件.教学过程设计在超市里,当我们购买水果时,售货员把水果放在平即可显示水果的质量及应该支付钱的数额,【自主学习】引导学生阅读课本P57“力传感器的应用把这个启动器用作温控开关,可以控制小灯泡的亮和【课件展示】电熨斗在达到设定的温度后就不再升温,当温度降低时又会继续加热,使它总与设定的温度相差不多.在熨烫不同的织物时,设定的温度可以不同.进行这样的控制,靠的是温度传感器.思考讨论:开始煮饭时为什么要压下开关按钮?手松开后这个按钮是否会恢复到图示的状态?为什么?煮饭时水沸腾后锅内是否会大致保持一定的温度?板书设计2 传感器的应用一、力传感器的应用——电子秤1.测力装置是力传感器,力传感器是由金属梁和应变片组成的2.力传感器的工作原理:应变片能够把物体形变这个力学量转化为电压这个电学量二、温度传感器的应用——电熨1.双金属片温度传感器的作用是控制电路的通断2.双金属片上层金属的热膨胀系数大于下层金属三、温度传感器的应用——电饭锅1.电饭锅中的温度传感器的主要元件是感温铁氧体2.感温铁氧体的特点是常温下具有铁磁性,温度上升到约为103 ℃时,就失去了铁磁性,四、光传感器的应用——火灾报警器烟雾散射式火灾报警器是利用烟雾对光的散射来工作的。
選修3-2第六章第3節:感測器的應用(二)教案一、教材分析本節繼第二節之後再介紹四種感測器的應用實例,進一步拓展學生的視野,提高學生的認識和分析能力,瞭解這幾種感測器的工作原理,瞭解敏感元件的特徵,學會分析控制電路,並能夠遷移到其他控制電路的分析和簡單設計中去。
二、教學目標1.知識目標:(1)、理解溫度感測器的應用――電鍋的工作原理。
(2)、理解溫度感測器的應用――測溫儀的工作原理。
( 3 )、理解光電感測器的應用――滑鼠的工作原理(4)、理解光電感測器的應用――火災報警器的工作原理。
2.能力目標:(1)通過對電鍋的構造和原理的探究以及測溫儀的瞭解,進一步地深入認識溫度感測器的應用(2)通過小組對滑鼠以及火災報警器的原理的探究和討論,認識光感測器的應用。
3.情感、態度和價值觀目標:培養學生的學習興趣,激發創造的欲望。
三、教學重點難點重點:溫度、光感測器的應用原理及結構。
難點:溫度、光感測器的應用原理及結構。
四、學情分析我們的學生屬於基礎較差,講太快的話接受不了,因此講解時要細緻,並且因為本節與生活聯繫較密切,儘量讓學生多動手,必要時需要教師指導並借助動畫給予直觀的認識。
五、教學方法PPT課件,演示實驗,講授六、課前準備1.學生的學習準備:預習新課,初步把握感測器的原理和方法步驟。
2.教師的教學準備:多媒體課件製作,課前預習學案,課內探究學案,課後延伸拓展學案。
3.教學環境的設計和佈置:四人一組,課前準備好電鍋,滑鼠,煙霧式火災報警器等材料用具。
七、課時安排:1課時八、教學過程(一)預習檢查、總結疑惑檢查落實了學生的預習情況並瞭解了學生的疑惑,使教學具有了針對性。
(二)情景導入、展示目標。
上節課我們學習了力感測器、溫度感測器、聲音感測器及其工作原理。
請大家回憶一下我們學了哪些具體的力、溫度、聲音感測器?學生思考後回答:電子秤,動圈式話筒,電容式話筒,駐極體話筒,電熨斗,他們都是感測器。
(三)合作探究、精講點撥。
第六章传感器
6.3 传感器的应用(二)
★新课标要求
(一)知识与技能
1.了解温度传感器在电饭锅和测温仪上的应用。
2.了解光传感器在鼠标器和火灾报警器上的应用。
(二)过程与方法
通过实验或演示实验,了解传感器在生产、生活中的应用。
(三)情感、态度与价值观
在了解传感器原理及应用时,知道已学知识在生活、生产、科技社会中的价值,增强学习兴趣,培养良好的科学态度。
★教学重点
各种传感器的应用原理及结构。
★教学难点
各种传感器的应用原理及结构。
★教学方法
实验法、观察法、讨论法。
★教学工具
演示用的感温铁氧体,磁铁,电烙铁,计算机的鼠标器,光敏电阻,多用表,干电池,蜡烛,各种功率的白炽灯等
★教学过程
(一)引入新课
师:传感器的应用已经渗透到环境保护、交通运输、航天、军事以及家庭生活等各领域.例
如,空调、电冰箱、微波炉、消毒碗柜等与温度控制相关的家用电器,几乎都要使用温度传感器.光传感器的应用也十分广泛,如电脑上的鼠标器、路灯的自动控制及火灾报警器等.这节课我们就来学习温度传感器和光传感器的应用实例。
[板书课题]传感器的应用(二)
(二)进行新课
1、温度传感器的应用——电饭锅
师:人类已步入电气化时代,随着人们生活质量的提高,电饭锅、电饭煲已经走进越来越多的家庭,为什么电饭锅、电饭煲能自动加热和保温而不会使饭烧焦呢?原来电饭锅中采用了温度传感器,能够随着温度的变化自动控制电路的开关。
师:引导学生阅读教材有关内容。
师:温度传感器的主要元件是什么?
生:感温铁氧体。
师:感温铁氧体的组成物质是什么?
生:氧化锰、氧化锌和氧化铁粉末混合烧结而成。
师:感温铁氧体有何特点?
生:常温下具有铁磁性,能够被磁体吸引,温度达到约103℃,失去铁磁性.
师:什么是“居里点”?
生:居里点,又称居里温度,即指103℃。
师:观察演示实验:感温铁氧体的特性。
生:观察实验现象。
现象:当感温铁氧体的温度升高到一定数值时,感温铁氧体与磁铁分离。
说明温度升高到一定数值时,感温铁氧体的磁性消失。
师:投影电饭锅的结构示意图。
引导学生思考并回答教材“思考与讨论”中的问题,了解电饭锅的工作原理。
生1:开始煮饭时,用手压下开关按钮,永磁体与感温磁体相吸,手松开后,按钮不再恢复到图示状态。
生2:水沸腾后,锅内大致保持100℃不变。
生3:饭熟后,水分被大米吸收,锅底温度升高,当温度升至“居里点103℃”时,感温磁体失去铁磁性,在弹簧作用下,永磁体被弹开,触点分离,切断电源,从而停止加热.生4:如果用电饭锅烧水,水沸腾后,锅内保持100℃不变,温度低于“居里点103℃”,电饭锅不能自动断电。
只有水烧干后,温度升高到103℃才能自动断电。
师:引导学生连贯地叙述电饭锅的工作过程。
生:开始煮饭时,用手压下开关按钮,永磁体与感温磁体相吸,手松开后,按钮不再恢复到图示状态,则触点接通,电热板通电加热,水沸腾后,由于锅内保持100℃不变,故感温磁体仍与永磁体相吸,继续加热,直到饭熟后,水分被大米吸收,锅底温度升高,当温度升至“居里点103℃”时,感温磁体失去铁磁性,在弹簧作用下,永磁体被弹开,触点分离,切断电源,从而停止加热.
2.温度传感器的应用——测温仪
师:2003年的那个春天,一头恶魔冲进中华大地,一夜之间,国人无不谈S ARS色变.但在全国人民的共同努力下,终于将这头恶魔降服,并彻底消灭,在抗击SARS的过程中,许多公共场合都使用了非接触式红外测温仪.
师:引导学生阅读教材,思考并回答有关问题。
师:温度传感器测温仪有何优点?
生1:可以远距离读取温度的数值.因为温度信号变成电信号后可以远距离传输.
师:常见的测温元件有哪些?
生2:热敏电阻、金属热电阻、热电偶及红外线敏感元件等.
3.光传感器的应用——鼠标器
师:在工农业生产中经常用到自动控制装置,而设计自动控制装置很多情况下要用到传感器.如光电传感器,把光信号转化为电信号,然后对电信号进行放大,再将电信号输入到相应的装置,进而完成相应的自动控制。
下面我们学习光传感器的应用实例——鼠标器。
师:引导学生阅读教材有关内容,思考并回答有关问题。
师:机械式鼠标器的内部组成是什么?
生1:滚球、滚轴与码盘、红外发射管与红外接收管.(光传感器,如图所示)豆品多一师:简述机械式鼠标器的工作原理。
生2:鼠标器移动时,滚球运动通过轴带动两个码盘转动,红外接收管就收到断续的红外线脉冲,输出相应的电脉冲信号,计算机分别统计两个方向的脉冲信号,红外接收管处理后就使屏幕上的光标产生相应的位移。
电饭锅 测温仪 温度传感器
传感器4.光传感器的应用——火灾报警器
师:许多会议室、宾馆房间的天花板上都装有火灾报警器,火灾报警器是光传感器应用的又一实例。
师:引导学生阅读教材有关内容,思考并回答有关问题。
师:以利用烟雾对光的散射来工作的火灾报警器为例,简述其工作原理。
生:报警器带孔的罩子内装有发光二极管LED 、光电三极管和不透明的挡板.平时,光电三极管收不到LED 发出的光,呈现高电阻状态.烟雾进入罩内后对光有散射作用,使部分光线照射到光电三极管上,其电阻变小.与传感器连接的电路检测出这种变化,就会发出警报.
师:实验
生:做实验,记录实验现象。
(三)课堂总结、点评
本节课主要学习了以下几个问题:。