重大危险源清单一览表
- 格式:doc
- 大小:304.50 KB
- 文档页数:11
环境工程重大危险源清单及控制措施1. 引言环境工程是保护和改善环境质量的一门学科,但在环境工程过程中存在一些重大危险源,可能对环境和人类健康造成潜在风险。
本文档旨在列出环境工程中的重大危险源清单,并提供相应的控制措施,以确保工程的安全运行和环境保护。
2. 重大危险源清单下面列出了一些常见的环境工程重大危险源:1. 污水处理厂:(危险源:有毒废水、高浓度气味)。
2. 垃圾焚烧厂:(危险源:高温、有害气体、飞灰)。
3. 污水泵站:(危险源:高压泵、电气设备)。
4. 化学品储存和使用区:(危险源:易燃有毒化学品)。
5. 水处理厂:(危险源:化学药剂、高压设备)。
6. 气体甲烷回收站:(危险源:爆炸、中毒)。
以上仅为示例,实际环境工程中的重大危险源可能更多,具体应根据实际情况进行调查和评估。
3. 控制措施为了保障环境工程的安全和环境保护,以下是一些常见的控制措施建议:3.1 设计阶段控制措施- 合理规划设施布局,将重大危险源远离人口密集区。
- 优选安全可靠的设备和工艺,减少事故概率。
- 对危险源进行全面评估,确保设备和工艺的安全性。
- 设计和建设适当的安全设备,例如喷淋系统、泄漏探测器和自动停机装置。
3.2 运营阶段控制措施- 定期对设备、管道和阀门进行巡检和维护,确保其正常运行和安全性。
- 严格遵守操作规程和安全操作程序,培训员工熟悉安全操作流程。
- 定期进行安全检查和隐患排查,及时消除隐患。
- 建立完善的应急预案和演练机制,以便在发生事故时能够迅速应对并减少损失。
3.3 废物处理控制措施- 严格按照相关法规和规定处理废物,避免对环境造成污染。
- 使用合适的储存和包装材料,控制废物的泄露和挥发。
- 建立专门的废物处理区域,并设置相应的防护设施,防止废物泄漏事故。
以上提供的控制措施仅供参考,具体的安全管理应根据环境工程的实际情况进行定制化设计。
为确保环境工程的安全和环境保护,还需遵守相关的法律法规,并结合具体项目进行风险评估和管理。
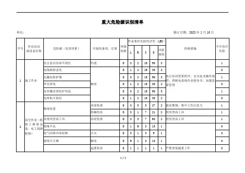
重大危险源识别清单单位:修订日期:2023年1月10日序号作业活动或设备名称危险源(危害因素)可能的事故、后果判别依据作业条件危险性评价(LEC)控制措施不可容许风险L E C D风险级别1施工作业安全意识培训不到位灼烫D3215903执行培训管理程序、安全技术操作规程、供配电系统作业指导书,加强监督管理1电线破损老化触电D1*******无漏电保护器D3*******外壳带电D1*******未穿戴劳保防护用品D3*******电焊机不到位D1*******2高空作业(机修工维修设备、电工线路检修)物体坠落高处坠落D333272提高警惕、集中工作注意力1机械伤害D317212使用登高工具1未使用登高工具高处坠落D337632使用登高工具1绝缘不良D1631810电气回路内部短路火灾D313910接线不正确触电D6131810起重伤害D11111严禁货架超重工作03出差工作地治安差其他伤害D363542执行员工出差安全管理程序1乘座非法营运车辆车辆伤害D1*******机械伤害D113310工作地自然环境恶劣其他伤害D1*******身体素质差中毒或窒息D0.5674221住宿条件差中毒或窒息D3635421火灾D313910乘坐夜车车辆伤害D1616104办公楼安全管理吸烟火灾D1012202执行消防安全管理程序和火灾应急预案,加强监督检查1消防器材摆放位置不正确火灾D3671263规范摆放1消防器材失效D3671263加强检查,及时对失效器材进行更换1缺少应急疏散通道方向标识火灾或其他伤害D3671263加强巡查,加强维保1执行日期:2023年1月10日判别依据栏:A违反法律法规;B曾发生过事故仍未采取有效措施;C严重违规,重大隐患或企业主观确定;D作业条件危险性评价(LEC)法。
若判别依据为A、B、C或LEC法中C值≥40,风险级别为五、四、三级,“不可容许风险”填“1”否则填“0”。
制表人:审批人:。
危险源及重大危险源清单危险源识别与评价表一、办公生活区域1.用电危险源类别:开关老化、破损、线路老化、破损、无保险装置、违章用电可能导致后果:触电、火灾、中毒管理控制措施:对线路进行定期检查、维修和保养,XXX绝非专业人员的违章作业2.使用复印机危险源类别:复印机产生的辐射、附带静电可能导致后果:电击、电磁伤害管理控制措施:定期维护保养,不超过2小时连续作业时间,不允许违章作业3.电脑使用危险源类别:显示屏辐射、漏电可能导致后果:影响视力、触电管理控制措施:每年体检,注意休息,风量不要开太大,注意防潮4.空调危险源类别:中央空调氟利昂泄漏、中央空调噪声排放可能导致后果:中毒、噪声伤害管理控制措施:定期检查维护,遵守相关规定5.各类电气插座、插头老化危险源类别:老化,漏电可能导致后果:火灾、触电管理控制措施:及时专人更换6.部门人员出差下工地危险源类别:车辆、机械设备的危害可能导致后果:人身伤害、财产损失管理控制措施:遵守交规,遵守安全操作规程7.办公楼消防标志不规范危险源类别:火灾可能导致后果:财产损失、人员伤亡管理控制措施:按消防制度要求规范二、生活区域1.财务危险源类别:金库或现金保管不慎,发生失窃或票据丢失可能导致后果:财产损失管理控制措施:执行财务管理制度2.检查危险源类别:检查过程不按检查要求进行可能导致后果:财产损失、人员伤亡管理控制措施:进入施工区域前由现场管理人员检查,否则不得进入3.生活环境不良危险源类别:四害传染可能导致后果:感染疾病管理控制措施:加强环境卫生管理4.火灾危险源类别:明火、电火灾、灯泡或其他热源引燃易燃物造成火灾可能导致后果:财产损失、人员伤亡管理控制措施:加强火灾预防措施,定期检查消防设施5.饮食伤害危险源类别:食物污染、变质、食物中毒可能导致后果:人员伤亡、财产损失管理控制措施:加强食品安全管理,定期检查食品质量6.天灾危险源类别:台风可能导致后果:房屋破坏、造成人员意外伤害管理控制措施:加强防灾减灾措施,定期检查建筑安全7.违章或意外危险源类别:进入施工区域没有戴安全帽、吸烟或乱丢烟头可能导致后果:人员伤亡、财产损失、坠物砸伤管理控制措施:加强安全教育,规范作业行为在进行检查前,必须与施工现场管理人员确认安全性。
重大危险源识别清单中国建筑管理表格表格编号:CSCEC-SC-SS-23项目名称:营业用房建设项目南主楼序号项目名称危险源可能导致的事故风险级别控制措施要点1 塔吊作业限位、保险装置不起作用吊物坠落、伤人一级加强检查、确保限位、保险装置齐全有效2 塔吊作业起重钢丝线磨损、断丝超标吊物坠落、伤人一级每日检查,及时更换钢丝绳3 塔吊作业锁具不符合要求吊物坠落、伤人一级每日检查,及时更换锁具4 塔吊作业附墙装置不符合要求倒塌、伤人一级按图纸、方案要求施工5 塔吊作业漏电保护器未设或失效触电伤人一级每天检查,及时更换,按规范要求定期检查,接好保护零线6 塔吊作业接地接零线不符合要求触电伤人一级定期检测,及时调整7 塔吊作业垂直度偏差超标倒塌、伤人一级按方案设计做好防护8 塔吊作业与架空线路防护不符合要求触电伤人一级定期检查,确保安全装置齐全有效9 施工升降机钢丝线磨损、短丝超标吊物坠落、伤人一级每日检查,及时更换钢丝绳10 施工升降机漏电未接保护零线触电伤人一级定期检查,按规范要求接好保护零线11 施工升降机漏电保护器失灵触电伤人一级每天检查,及时更换12 施工升降机附墙装置不符合要求倒塌、伤人一级按图纸、方案要求施工,按要求搭设平台、防护门(棚),定期检测,及时调整13 作业场所未安装避雷装置雷击伤人一级按设计要求安装避雷装置14 重大危险源识别清单不符合要求人员坠落、落物伤人一级加强检查,杜绝私拉现象,杜绝使用按要求实行“三级配电、两级保护”15 重大危险源识别清单垂直度偏差超标一级定期检查,及时更换16 重大危险源识别清单未安装避雷装置倒塌、伤人一级按设计要求安装避雷装置17 作业场所配重、梯笼坠落一级定期检查,及时更换使用二次空载降压保护器或防触电装置18 作业场所焊接时有防护措施,配备灭火器一级按规范要求接好保护零线,按规范要求安装漏电保护器注:本表格仅针对营业用房建设项目南主楼,其他项目应根据实际情况进行调整。
重大危险源清单(建筑)
重大危险源清单 (建筑)
介绍
本文档旨在列举建筑物中的重大危险源,以便识别和管理潜在的危险,确保人员和财产的安全。
列表
1. 电气设备故障:建筑物中的电气系统和设备可能存在故障,导致火灾、电击和其他安全问题。
2. 楼梯和楼梯间腐蚀:楼梯和楼梯间的腐蚀可能导致结构不稳定,造成人员坠落和受伤。
3. 烟雾和火灾:缺乏有效的烟雾报警系统以及不合规的消防设施可能导致人员无法及时逃生并造成火灾扩散。
4. 高处作业和坠落:建筑物内外的高处作业如果没有合适的防护设施,可能导致人员坠落和伤亡。
5. 建筑结构腐蚀:建筑物的结构腐蚀可能导致结构不安全,增加坍塌和崩溃的风险。
6. 装卸货物事故:装卸货物过程中的不当操作和设备故障可能导致人员被夹伤或重物坠落。
7. 化学品泄漏和暴露:建筑物中使用的化学品泄漏可能导致爆炸、火灾和人员中毒。
8. 施工作业安全:施工作业中的不合规操作和设备故障可能导致人员受伤和建筑物结构损坏。
9.排气系统故障和室内空气质量不佳:建筑物内的排气系统故障和气体污染可能导致人员吸入有害物质。
10.紧急疏散安排不当:缺乏紧急疏散路线和标志系统可能导致人员无法及时、安全地离开建筑物。
总结
通过识别并针对建筑中的重大危险源采取适当的管理和控制措施,可以减少潜在的风险并确保建筑内的人员和财产安全。
质量/环境/职业健康安全管理体系
重大危险源清单与控制措施
单位(部门):总承包部编号:1
质量/环境/职业健康安全管理体系
重大危险源清单与控制措施
单位(部门):总承包部编号:2
质量/环境/职业健康安全管理体系
重大危险源清单与控制措施
单位(部门):总承包部编号:3
质量/环境/职业健康安全管理体系
重大危险源清单与控制措施
单位(部门):总承包部编号:4
质量/环境/职业健康安全管理体系
重大危险源清单与控制措施
单位(部门):总承包部编号:5
最新文件---------------- 仅供参考--------------------已改成-----------word文本--------------------- 方便更改赠人玫瑰,手留余香。