软件验收表单
- 格式:doc
- 大小:18.50 KB
- 文档页数:1
IT项目验收申请单
备注:* 为必填字段。
字段说明:
1、单据号:只读文本字段,表单新建时,系统自动带出;
2、申请日期:只读日期字段,表单新建时,自动带出服务器当前日期;
3、申请单位:只读文本字段,表单新建时,自动带出申请人单位名称;
4、申请部门:只读文本字段,表单新建时,自动带出申请人部门名称;
5、申请人:只读文本字段,表单新建时,自动带出申请人名字;
6、项目名称:文本字段,表单新建时,申请人必填;
7、项目附件:可编辑附件字段,表单新建时,申请人可上传项目的资料;
8、项目开始日期:可编辑日期字段,表单新建时,申请人可选择日期;
9、项目结束日期:可编辑日期字段,表单新建时,申请人可选择日期;
10、项目负责人:文本字段,表单新建时,申请人必填;
11、项目经理:文本字段,表单新建时,申请人必填;
12、项目说明:文本字段,表单新建时,申请人必填;
13、申请部门审核:签字意见字段,申请人直接上级、部门长、中心负责人意见都在此
处签署;
14、部门会签:签字意见字段,相关部门的意见都在此处签署;
15、总裁:签字意见字段,总裁的意见在此处签署;
16、董事长:签字意见字段,董事长的意见在此处签署。
项目验收通用表格模版目录1.11.1承建单元通用表格表A-1方案/计划报审表XXXXX方案/计划报审表工程名称分项名称致:本工程监理机构我方根据合同的有关规定完成了《》方案/计划的编制,并经我单位上级技术负责人审查批准,请予以审查。
附:xxxxx方案/计划承建单位(章)项目经理日期监理单位审查意见:经审核,方案/计划内容符合合同要求及相关规范。
同意按此方案/计划施工。
建设单位审批意见:扶植单元(章)负责人日期监理机构(章)总监理工程师日期文档序号日期说明:1、本表用于承建单位报批项目设计、实施等技术、组织方案。
本表一式三份,监理单位、承建单位、建设单位各一份。
如果项目有独立的设计单位,此表一式四份,增加设计单位意见。
2、本表应附有报审的方案/计划。
总/监理工程师评审意见可以以附件形式提供。
表A-2总体进度计划报审表总体进度计划报审表工程名称分项名称致:业主方监理方我方根据合同的有关规定制订了《》计划,并经我单位上级负责人审查批准,请予以审查。
附:总体进度打算监理单元审查意见经审核,进度计划符合合同工期要求。
同意按此进度计划组织施工。
扶植单元审批意见扶植单元(章)负责人日期监理机构(章)总监理工程师日期承建单位(章)项目经理日期文档序号日期表A-3分包单元资格审查申请表分包单元资格审查申请表工程名称分项名称致:本工程监理机构经考察,我方认为拟选择的(分包单位)具有承担下列工程分项的分包能力,可以保证本工程分项按合同的规定进行。
分包后,我方仍承担总包单位的全部责任。
请予以审查和批准。
附:1、分包单位资质材料2、分包单位业绩材料分项名称合计分项内容拟分包工程合同额承建单位(章)项目经理日期监理单位审查意见:经审核,分包单位资质具备承包工程分项工作的条件。
建设单位审批意见:文档序号日期分包额度占总额度比例监理机构(章)总监理工程师日期建设单位(章)卖力人日期表A-4开工申请开工申请工程名称分项名称致:本工程监理机构根据合同的有关划定,我方认为工程已具备了开工条件。
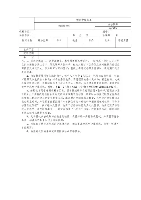
注:1、除水泥混凝土、沥青混凝土、水稳料等成品物资外,一般情况下收料人员不得在供方送货小票上签字,须现场开具收料单,相关人员签字后将供应商对账联交给供应商授权人或送货人,作为结算对账的凭证;混凝土在送货小票上签字时,须定期汇总开具验收单;
2、项目物资管理部门组织收料,收料人员至少2人以上,包括项目收料员、专业工程师及分包授权材料员;对于安全类物资,还需项目安全人员参与;新型材料、大模板等特殊类材料,还需项目总工(技术负责人)参与;如为理论重量验收的,需在交验说明中注明计算过程:例如:∮12 2(捆)*250(支/捆)*9米*0.888Kg=3.996吨。
3、若验收单用于材料收料单汇总,需单独成册并在封面注明(收料单/混凝土小票对账),开具前提是根据合同约定的结算周期进行结算,结算时由物资记账员依据存根联和第三联核对供应商提交的第二联,填写材料名称规格及数量,注明收料单张数以及供应起止时间,并在显要位置注明“本单据仅作为材料收料单据数据核对使用,不作为结算付款依据”。
供方经办人签字、物资工程师在物资负责人处签字,物资记账员在验收人处签字。
并在收料单二、三联背面加盖“已对账”印章,收料单第二联、随同验收单第三联附在结算书后面。
4、此单据仅代表收到相应数量的物资,质量待进一步检验或复试,如质量不符合要求,扣减退货数量后作为结算依据;
5、按照合同约定采用理论计算收料时,须在备注处注明计算过程,位置不够时可单独附页;
6、供应商送货的原始凭证需附在验收单存根后。
开工报告注:本表一式三份,建设单位、监理单位、承建单位各一份。
项目实施方案报审表注:本表一式三份,建设单位、监理单位、承建单位各存一份实施进度计划报审表注:本表一式三份,建设单位、监理单位、承建单位各一份。
企业资质报审表注:本表一式三份,建设单位、监理单位、承建单位各存一份。
XX信息化项目企业名称2020年XX月XX日目录一、概述 (3)(一)项目基本信息 (3)(二)方案编制依据 (3)(三)计划工期要求 (3)(四)主要建设内容与目标 (3)(五)术语定义 (3)二、项目实施工作分析 (4)(一)项目工作范围 (4)(二)具体建设内容 (4)(三)项目技术要求 (4)三、项目管理总体方案 (4)(一)项目管理总体方案 (4)(二)项目整体管理 (6)(三)项目范围管理 (6)(四)项目时间管理 (6)(五)项目成本管理 (6)(六)项目质量管理 (7)(七)项目人力资源管理 (7)(八)项目沟通管理 (7)(九)项目监督管理 (7)四、网络安全防护能力(信息系统类项目) (8)五、项目风险管理方案 (8)六、项目实施与组织计划 (8)I(一)本项目实施模式 (9)(二)项目组织计划 (9)七、项目进度计划 (9)(一)项目阶段划分 (9)(二)项目详细计划 (9)八、项目实施方案 (9)(一)系统集成实施方案 (9)(二)软件开发实施方案 (10)(三)项目进度偏差控制 (10)九、质量控制方案 (10)(一)质量管理流程 (10)(二)施工质量管理监督与检查 (10)十、测试方案 (10)(一)系统集成测试 (10)(二)软件开发测试 (10)十一、培训方案 (11)一、概述(一)项目基本信息简单描述项目背景、项目名称、建设单位、设计单位、施工单位、建设地点等项目基本信息内容。
(二)方案编制依据方案编制依据、标准规范(三)计划工期要求项目总体工期要求。
(四)主要建设内容与目标描述项目主要建设内容与目标。
网站验收单网站验收单项目名称:使用单位:开发单位:域名:1、使用域名,能否通过连接Internet网络的计算机正常浏览网站?□能□不能2、网站内容栏目是否完整?□完整□不完整3、网站内容以下部分是否有误:文字□没有□有链接□没有□有图片□没有□有动画/视频□没有□有4、所开发的系统产品能否正常使用:(未涉及到有的系统功能模块,请留空,不做选择)论坛系统能否正常使用:□能□不能留言反馈系统能否正常使用:□能□不能新闻发布系统能否正常使用:□能□不能产品展示系统能否正常使用:□能□不能软件下载系统能否正常使用:□能□不能在线联系系统能否正常使用:□能□不能在线招聘系统能否正常使用:□能□不能图片管理系统能否正常使用:□能□不能网上调查系统能否正常使用:□能□不能邮件列表系统能否正常使用:□能□不能网站访问统计系统能否正常使用:□能□不能会员注册管理系统能否正常使用:□能□不能视频/动画展示系统能否正常使用:□能□不能其他能否正常使用:□能□不能5、安全检测验收ASP、PHP、JSP编程。
MSSQL数据库二、安全建设的技术要求门户网站和部门网站的基本运行环境、信息发布系统和通用应用系统的安全建设应当符合下列技术要求:(一)机房建设门户网站和部门网站应当安排专用机房(自建或者托管), 安置关键设备及电源系统。
机房建设的技术要求可参照《电子计算机场地通用规范》(GB/T 2887-2000)和《计算机场地安全要求》(GB/T 9361-1988)(二)网络安全发布系统门户网站和部门网站应当建设网络安全发布系统, 以防止网络黑客对页面的非法篡改, 并使网站具备应急恢复的能力。
网络安全发布系统占用系统资源百分比的均值不得超过5%, 峰值不得超过15%。
(三)电子公告服务内容过滤系统门户网站和部门网站应当建设电子公告服务内容过滤系统, 对电子公告服务活动进行实时监管, 重点加强对电子公告板和聊天室的内容过滤, 对黄色、反动、暴力等不良信息及其发布者及时进行处理, 以维护网站的内容健康。
软件系统验收报告(模版)***目录1. 简介1.1 目的1.2 范围1.3 定义、首字母缩写词和缩略语1.4 概述2. 产品3. 人员3.1 项目实施人员3.2 验收参加人员4. 安装验收5. 功能验收1. 简介本文档为电联工程技术有限公司网络安全升级项目验收报告。
工程名称电联工程技术有限公司网络安全升级施工工期验收日期甲方:需方电联工程技术有限公司乙方:供方工程概述:本工程为整体网络安全解决方案,其中涉及软硬件产品安装,调试及验收。
1.1 目的提供项目验收的方法、内容和结果。
1.2 范围本验收报告的范围是针对电联工程技术有限公司安全升级项目的实施。
1.3 定义、首字母缩写词和缩略语在验收报告中将提到电联工程为电联工程技术有限公司的简称,在本验收报告中提到的“此项目”或“本网络安全升级项目”,如无特别说明,指的是电联工程技术有限公司网络安全升级项目。
1.4 概述本验收报告中包含的内容为项目涉及的产品、产品安装验收和功能验收方法、结果等内容。
本验收报告的验收结果是在项目双方或多方依据认可的验收方法进行验收得出,项目双方或多方对验收结果均认可。
2. 产品电联工程技术有限公司网络安全工程实际安装及配置清单:安装日期产品型号数量防火墙 1台VPN设备 1台应用层网关 1台内网管理软件 1套(300 点)服务器 1 台Window server 2008 标准 1套版数据安全软件 1套(70点)Ad域部署包括公司全部电脑及服务器安全邮件网关 1台 3. 人员乙方工程师: 甲方验收参加人员: 4. 安装验收本次项目中共安装的产品为:产品防火墙安装完成 [ ] 未安装完成[ ] VPN设备安装完成 [ ] 未安装完成[ ]应用层网关安装完成 [ ] 未安装完成[ ]内网管理软件安装完成 [ ] 未安装完成[ ]服务器安装完成 [ ] 未安装完成[ ]Window server 2008 标准版安装完成 [ ] 未安装完成[ ]数据安全软件安装完成 [ ] 未安装完成[ ]Ad域部署安装完成 [ ] 未安装完成[ ]安全邮件网关部署安装完成 [ ] 未安装完成[ ]以上产品由乙方工程师根据甲方要求全部安装完毕。
项目验收标准文档修订记录*变化状态:C = 创立,A = 增加,M = 修改,D = 删除*正式发布时文档版本号从1.0开始。
对文档进行小改动时,版本号以0.1进阶;大改动时版本号以1.0进阶。
1文档审批记录目录1.前言 (5)1.1.目的 (5)1.2.范围 (5)1.3.用户 (5)1.4.参考 (5)2.项目概述 (5)2.1.背景 (5)2.2.项目目标 (6)2.3.设计原则 (7)3.验收原则 (8)4.总体验收标准 (8)4.1.标准定义 (8)4.2.验收标准的详细说明 (9)4.2.1.软件错误的严重性等级 (9)4.2.2.错误与严重性等级对应 (9)4.2.2.1.一级错误的描述 (9)4.2.2.2.二级错误的描述 (10)4.2.2.3.三级错误的描述 (10)4.2.2.4.四级错误的描述 (10)4.2.2.5.五级错误的描述 (10)5.项目验收标准 (11)5.1.功能测试 (11)5.1.1.功能项测试 (11)5.1.1.1.网上业务受理(一站联办业务受理) (11)5.1.1.2.叫号业务受理(一站联办业务受理) (11)5.1.1.3.窗口业务受理(一站联办业务受理) (11)5.1.1.4.补交业务受理(一站联办业务受理) (11)5.1.1.5.退回业务受理(一站联办业务受理) (12)5.1.1.6.已退回的业务(一站联办业务受理) (12)5.1.1.7.领证登记管理(一站联办业务受理) (12)5.1.1.8.业务综合查询(一站联办业务受理) (12)5.1.1.9.我的待办业务(业务办理) (12)5.1.1.10.我的已办业务(业务办理) (13)5.1.1.11.我的办结业务(业务办理) (13)5.1.1.12.已退回的业务(业务办理) (13)5.1.2.业务流程测试 (13)5.1.2.1.业务流程一 (13)5.1.2.2.业务流程二 (14)5.1.2.3.业务流程三 (14)5.1.2.4.业务流程四 (14)5.1.2.5.业务流程五 (14)5.1.2.6.业务流程六 (14)5.1.2.7.业务流程七 (15)5.1.2.8.业务流程八 (15)5.1.2.9.业务流程九 (15)5.1.2.10.业务流程十 (15)5.1.2.11.业务流程十一 (15)5.1.2.12.业务流程十二 (16)5.2.非功能测试 (16)5.2.1.容错测试 (16)5.2.2.安全性测试 (16)5.2.3.易用性测试 (17)6.验收资料 (18)6.1.程序资料 (18)6.2.文档资料 (18)1.前言1.1.目的在参考了大量的实践案例和文献的基础上,结合项目特征、客户需求及当前业务实际制定本验收标准,确立项目质量目标,规范本软件的验收。
软件项目开发各阶段文档模板目录一、项目启动阶段 (3)1.1 项目立项报告模板 (4)1.2 项目计划书模板 (4)1.3 项目需求分析文档模板 (5)1.4 项目组织架构及人员分工模板 (6)1.5 项目风险评估与应对措施模板 (7)二、需求分析阶段 (8)2.1 需求分析报告模板 (8)2.2 需求规格说明书模板 (9)2.3 需求跟踪矩阵模板 (11)三、设计阶段 (12)3.1 概要设计文档模板 (13)3.2 详细设计文档模板 (16)3.3 接口设计文档模板 (17)3.4 数据库设计文档模板 (18)3.5 系统架构设计文档模板 (19)四、开发阶段 (20)4.1 编码规范与注释规范模板 (21)4.2 代码审查记录表单模板 (22)4.3 单元测试用例模板 (23)4.4 集成测试用例模板 (24)4.5 系统测试用例模板 (25)4.6 用户验收测试用例模板 (26)4.7 缺陷管理表格模板 (26)4.8 版本控制记录表单模板 (26)4.9 项目进度报告模板 (28)五、部署与上线阶段 (29)5.1 部署计划书模板 (30)5.2 系统安装部署脚本模板 (31)5.3 系统配置文件模板 (32)5.4 系统数据备份与恢复方案模板 (33)5.5 系统上线申请表单模板 (34)5.6 系统上线验收报告模板 (35)六、维护与升级阶段 (36)6.1 问题反馈与处理记录表单模板 (38)6.2 功能优化建议收集表单模板 (39)6.3 性能优化建议收集表单模板 (40)6.4 安全漏洞修复记录表单模板 (41)6.5 新功能需求调研报告模板 (42)6.6 系统升级计划书模板 (43)6.7 系统升级测试报告模板 (45)一、项目启动阶段在这一阶段,项目经理和团队需明确项目的目标、范围、预期成果以及关键利益相关方。
还需对项目的可行性进行评估,包括技术可行性、经济可行性和操作可行性。
网站验收单模板项目信息
- 项目名称:[填写项目名称]
- 项目负责人:[填写项目负责人]
- 项目开始时间:[填写开始时间]
- 项目结束时间:[填写结束时间]
- 验收日期:[填写验收日期]
网站功能
- [填写网站功能1]
- [填写网站功能2]
- [填写网站功能3]
- ...
验收过程
1. 页面布局
请检查网站的页面布局是否符合设计要求,并确保各页面的元素位置正确。
2. 功能测试
请对网站的各项功能进行测试,并确保以下功能正常运行:
- 登录/注册功能
- 导航菜单功能
- 内容展示功能(例如,文章显示、图片显示等)
- 表单提交功能
- 数据存储功能
- ...
3. 页面速度
请测试网站的加载速度,并确保页面能在合理的时间内加载完成。
4. 兼容性测试
请在各个常用的浏览器(例如,Chrome、Firefox、Safari、Edge等)上测试网站的兼容性,并确保网站能在各个浏览器中正
常显示。
5. 移动设备适配
请在常见的移动设备(例如,手机、平板电脑)上测试网站的
适配性,并确保网站在各个设备上的显示效果良好。
验收结果
我确认,根据以上验收过程,该网站已通过验收,并满足了项
目要求。
网站的功能正常运行,并在各个浏览器和设备上显示良好。
验收人员签名:
[验收人员签名]
附件
[如有需要,可以在此列出附件或参考文件]
备注:本文档仅供参考,可根据实际需求进行调整和修改。