冠梁施工技术交底
- 格式:doc
- 大小:113.50 KB
- 文档页数:7
引言概述:冠梁施工技术交底是在建筑施工过程中非常重要的一环,它涉及到冠梁施工的各个方面,包括施工方法、施工工艺、施工流程、安全措施等内容。
本文将就冠梁施工技术交底从引言概述、正文内容、总结三个方面进行详细阐述。
正文内容:一、冠梁施工方法1.传统冠梁施工方法传统冠梁施工方法是指采用传统的人工施工方式进行冠梁的搭建,具体包括搭设脚手架、安装模板、浇筑混凝土等步骤。
在传统施工方法中,需要对脚手架的搭建、模板的安装以及混凝土的浇筑进行详细说明。
2.模块化冠梁施工方法模块化冠梁施工方法是指通过预制构件来实现冠梁的搭建,具有施工速度快、施工质量稳定的优点。
需要详细介绍模块化冠梁施工方法的具体步骤和要点。
二、冠梁施工工艺1.冠梁模板施工工艺冠梁模板施工工艺主要包括模板安装、模板调整、模板拆除等步骤。
需要说明具体的模板施工工艺流程和注意事项。
2.钢筋绑扎工艺钢筋绑扎工艺是冠梁施工过程中非常关键的一环,需要详细介绍绑扎的方法、节点处理以及钢筋连接等内容。
3.混凝土浇筑工艺混凝土浇筑工艺包括配料、搅拌、运输和浇筑等步骤,需要强调施工中对混凝土浇筑的质量控制措施和注意事项。
4.冠梁防水处理工艺冠梁防水处理工艺是保证冠梁使用寿命和性能的重要环节,需要详细介绍防水材料的选择和施工方法。
5.冠梁养护工艺冠梁养护工艺对冠梁的使用寿命和性能具有重要影响,需要详细介绍养护期间的注意事项和措施。
三、冠梁施工流程1.施工准备阶段施工准备阶段包括施工计划、施工方案的制定以及施工材料和人力的准备工作等内容。
2.模板安装与调整模板安装与调整是冠梁施工的关键步骤,需要详细介绍模板安装的准确性和模板调整的方法。
3.钢筋绑扎与焊接钢筋绑扎与焊接是冠梁施工过程中重要的一步,需要强调施工质量和安全。
4.混凝土浇筑与养护混凝土浇筑与养护是冠梁施工过程中的关键环节,需要详细介绍浇筑和养护工艺。
5.冠梁防水处理与验收冠梁防水处理与验收是施工的最后一步,需要强调防水质量和验收标准。
冠梁施工安全技术交底摘要冠梁施工是大型建筑施工中重要的一步,也是施工安全难点之一。
在冠梁施工过程中,存在着许多安全风险和技术难点。
为了确保冠梁施工的安全,本文将从施工前、施工中、施工后三个阶段的安全技术交底方面进行详细阐述,包括现场安全、施工材料安全、人员安全等方面的措施与要求,以便工程施工中有效降低事故风险,保证工程质量。
1.施工前的安全技术交底在冠梁施工前,应先进行施工方案论证和施工图设计,明确施工场地、施工工序、施工人员等。
同时,还应对冠梁施工中可能遇到的危险和风险进行评估和分析,考虑并实施预防措施。
1.1 现场安全要求施工现场应根据实际情况制定安全防护措施,并对施工现场的道路、围墙、场地、临时电力线路及设施、运输和起重设备、机具与工具、场内通道、卫生等设施,进行检查、整治。
同时,禁止闲杂人员随意进入施工现场,保障施工现场的安全。
1.2 施工材料安全要求施工前需对所使用的材料进行质检,确保其符合规定的标准及技术要求,避免使用质量不合格的材料。
同时,还应考虑到材料的存放、运输和交接等环节中可能出现的安全问题,制定相应的安全措施。
1.3 人员安全要求在冠梁施工前,需对参与施工的人员进行专业培训、考核和认证,并确保他们了解和掌握所需的安全技术要求,有足够的技术与经验来保证施工的安全和质量。
同时,作业人员必须要具备相应的安全防范意识,遵守施工现场的规定和安全操作规程。
2.施工中的安全技术交底在冠梁施工中,必须具备一定的技术实力和安全意识,才能有效控制施工过程中的安全问题,降低施工风险。
施工中应注意以下几个方面:2.1 施工场地安全施工现场应按照预定的施工图纸和标准进行施工,同时注意现场安全。
安装冠梁时,必须确保施工场地平整、结实、干燥,严谨控制地基沉降,这是保证冠梁整体结构完好,防止倾斜和坍塌的重要条件。
2.2 施工材料安全施工过程中应注意各种材料的储存、保管以及装卸、搬运的合理安排和安全操作,避免发生危险。
冠梁施工技术交底一、施工概述在建筑施工过程中,冠梁是起到支撑梁柱和传递荷载的重要构件。
其施工质量直接影响整体结构的安全稳定性和使用寿命。
本文档将对冠梁施工技术进行详细的交底,以确保施工过程中的高质量完成。
二、施工准备1. 施工图纸与技术文件在进行冠梁施工前,施工队需详细研究冠梁的施工图纸和相关技术文件,理解设计要求与施工要求,并确保了解施工过程中的安全注意事项和工作流程。
2. 材料与设备准备施工队应根据设计要求检查所需的材料和设备,确保其数量、质量和规格符合要求。
同时,需要有足够的操作空间和安全防护设备。
3. 施工人员组织为保证施工质量和进度,施工队需合理组织施工人员,并确保各工种人员都具备相应的技术经验和证书资质。
三、冠梁施工步骤1. 梁板安装首先,根据设计图纸确定冠梁的位置和尺寸,确保其与梁柱的连接处平整。
然后,使用合适的起重设备将梁板逐步安装到位,并通过水平仪进行调整,确保其水平度符合要求。
2. 预埋件的布置在梁板安装完成后,根据设计要求,在梁板上进行预埋件的布置。
需要注意预埋件的数量、位置和尺寸要与设计图纸一致,并确保预埋件的固定牢固。
3. 梁柱连接在梁板和柱体预埋件确认无误后,使用螺栓等连接件将梁板与柱体进行连接。
连接过程中,应注意螺栓的紧固力和连接件的稳定性,确保连接牢固可靠。
4. 钢筋绑扎将钢筋按照设计要求进行绑扎,确保其位置和间距符合相关标准。
在绑扎过程中,要注意防止钢筋之间的错位和交叉。
5. 混凝土浇筑在完成钢筋绑扎后,进行混凝土的浇筑。
浇筑过程中,要确保混凝土的均匀性和完整性,以及浇筑厚度和密实度的合格性。
6. 平顶与养护混凝土浇筑完成后,需进行平顶和养护。
平顶是为了保证混凝土梁顶表面的平整度和光滑度,养护则是为了防止混凝土早期干缩和开裂,提高其强度和耐久性。
四、质量控制与安全注意事项1. 施工质量控制在冠梁施工过程中,质量控制是至关重要的一环。
施工队应根据施工图纸和技术要求,进行材料的验收和试验,确保其符合标准。
冠梁施工技术交底〔1〕材料预备:Φ25,Φ20,Φ12,Φ16,Φ14,Φ18,φ14,φ10,φ8,φ6钢筋、φ48钢管。
〔2〕机械预备:小型挖掘机、钢筋调直机、切割机、弯曲机、电焊机。
2.施工工艺流程围护桩→测量放线→挖土→凿桩头→清理基础→垫层施工→钢筋绑扎→预埋件安装→支模→冠梁混凝土浇注→拆模→构造柱及钢筋混凝土挡土墙钢筋绑扎→砖砌体施工→构造柱混凝土浇注及钢筋混凝土挡土墙施工→冠梁施工。
3.具体施工方法〔1〕进场检验钢筋加工:钢筋在加工棚集中进行下料加工,运至施工现场人工绑扎。
钢筋进场检验:钢筋进场后,对品种、规格、质量、数量进行验收,做好验收记录,办理验收手续,对不合格的钢筋拒绝验收。
钢筋存放:钢筋原材到场后,需挂牌标示,注明牌号、直径、炉批号、日期、产地等。
钢筋加工及存放场地应做硬化,周围排水良好。
钢筋用垫木垫平,与地面隔离防止受潮,用盖布防止雨淋。
有条件时加盖防雨棚。
〔2〕钢筋制作前调直:原材料应平直、无局部曲折。
清除钢筋表面油渍、水泥浆、浮皮、铁锈。
加工后的钢筋,表面不应有削弱钢筋截面的伤痕。
利用冷拉方法矫直钢筋时,Ⅱ级钢筋矫直伸长率不得超过1%。
〔3〕下料:钢筋下料必须了解混凝土爱护层、钢筋弯曲、弯钩等规定,运算其下料长度。
冠梁主筋爱护层厚度50mm。
运算如下:直钢筋下料长度=构件长度-爱护层厚度+弯钩增加长度弯起钢筋下料长度=直段长度+斜段长度-弯曲调整值+弯钩增加长度箍筋下料长度=箍筋周长+弯曲调整值弯曲调整值需依照理论推算并结合实践体会确定。
〔4〕弯制:钢筋弯制和末端的弯钩应符合以下要求:受拉热轧带肋钢筋的末端,应采纳直角形弯钩,弯钩的直线段长度不应小于3d,直勾的弯曲直径不得小于5d,且符合图纸要求。
钢筋宜在常温下加工。
弯制钢筋宜从中部开始,逐步弯向两端,弯钩应一次弯成。
〔5〕钢筋连接主筋钢筋采纳搭接焊,搭接长度单面焊不小于10d,双面焊不小于5d。
电弧焊接接头的焊缝表面应平顺,无缺口,裂纹和较大的金属焊瘤。
技术交底记录xkhjw1-015共7 页/第1页工程名称施工单位分部分项工程交底时间名称交底内容:一、冠梁概略:冠梁截面尺寸800×1000,混凝土强度等级 C30,保护层厚度30mm。
配筋情况如图:冠梁配筋图二、施工条件1、冠梁钢筋加工及安装、模板安装施工队伍拥有专业承包资质,已经在项目部存案,施工人员已经接受安全、技术交底,并完美署名手续。
2、冠梁轴线、标高点已放设达成,并已经达成丈量复核。
3、围护桩桩头凿除达成,并查收合格经过。
三、施工准备1、钢筋加工场、机械、人员、资料已准备就绪;2、施工时严格依据项目部规定的施工时间进行作业,尽量降低噪音影响。
四、施工工艺施工工艺:开挖基槽→桩头办理→浇筑冠梁底部垫层→施工放线→钢筋安装→预埋件安装→模板及支撑→砼浇注→拆模保养。
1、开挖土方:依据基础边线采纳 1.2m3 发掘机开挖基槽到基础底标高,剩余土方人工开挖,尽量技术交底记录xkhjw1-015共7页/第 2页工程名称施工单位分部分项工程名交底时间称防止地基土遇到扰动。
2、桩头办理:围护桩桩头挖出后,应实时清理渣土并安排机械配合桩头凿除,距离设计桩顶标高100mm时应采纳人工 +风镐破凿,一定保证桩顶界面平坦、表面。
3、施工放线:在施工过程中,一定按测绘院供给的丈量控制点对竖井冠梁进行丈量放样,并经过监理工程师查收4、钢筋安装五、施工注意事项1、钢筋施工(1)冠梁施工前,先将围护桩顶混凝土凿除、冲洗至设计标高,检查桩头,若有未破至新鲜混凝土面的持续向下破除,直至达到新鲜混凝土面,再支模浇筑至设计标高。
( 2)钢筋砼桩顶以上出露的钢筋长度应达到35d,如不够时采纳5d 长双面搭接焊接长,保证冠梁与桩连结坚固。
(3)钢筋按绑扎序次、不一样型号、规格齐整堆放在规定的地点。
(4)钢筋制作[1]纵向受力钢筋梁筋的搭接采纳绑扎方法连结,搭接长度为41d。
且相邻主筋接头地点错开距离≥ 1.3*41d (d 为纵向受力主筋直径)[2]箍筋箍筋的尾端应作弯钩。
技术交底记录项目名称:备塘路(艮山西路-德胜路)地下综合管廊工程编号:施工单位:浙江交工集团股份有限公司合同段:交底工序冠梁及支撑施工交底时间年月日或工程名称参加对象项目部技术员交底人及人数交底地点项目部会议室记录人参加人员签名:交底内容摘要:1、施工安排本工程基坑围护工法桩顶设置钢筋砼冠梁及钢筋混凝土支撑梁,将基坑两侧的H型钢连接为整体,使其形成一个框架结构。
冠梁、支撑梁施工安排在围护结构工法桩施工完成后分段组织施工。
冠梁、支撑梁采用胶合模板,现场绑扎钢筋,商品砼运至现场灌注,插入式振动器捣固密实,洒水养生。
首道支撑平面图第二道支撑平面图2、施工工艺流程开挖土方至冠梁底标高→人工清除工法桩顶水泥土(人工平整支撑梁基础地面)→浇注垫层→绑扎冠梁、支撑梁钢筋→支模→浇注冠梁砼→养生。
(1)采用人工配合挖机清除冠梁底标高以上土方,靠近型钢不便使用机械的部位由人工用风镐凿除工法桩顶松散水泥土。
(2)破除桩顶水泥土(或混凝土),将桩顶面整平,在冠梁及支撑梁位置浇注C20砼垫层,作为冠梁及支撑梁底模。
(3)冠梁钢筋制作钢筋采取在钢筋场内集中加工成半成品后拉至施工现场,钢筋骨架在现场进行绑扎,主筋接长采用单面搭接焊,焊缝长度不小于10d;H型钢锚入冠梁长度按照设计要求执行。
(4)支模立模采用胶合模板配合方木、ф48mm脚手架钢管进行固定。
水平固定钢管横向设两道,竖向间距不大于1米。
模板应表面平整、光滑、支撑牢固、拼缝严密、尺寸满足设计要求。
(5)砼浇注冠梁砼采用C30商品砼,坍落度10±2cm。
砼浇注采用汽车输送泵,砼振捣采用插入式振捣器,以砼表面泛浆,无大量汽泡产生及混凝土面不再下沉为止,严防砼振捣不足、过振或漏振。
(6)混凝土浇筑后,覆盖土工布,并进行保湿养护。
(7)混凝土强度达到规范要求后进行下步施工。
3、冠梁、支撑梁施工技术措施(1)工法桩每施工段完成后,待桩身水泥土达到一定强度后开挖基坑范围内土方至冠梁底标高位置。
西安市轨道交通工程施工质量验收技术资料统一用表
施工质量验收技术资料通用表
CJ2-5 编号
施工技术交底记录
合同号
D1a-TJ-2021041
地铁里程YDK0+290.706-YDK0+852.706
工程名称西安市地铁一号线
二期D1aTJSG-4标
交底日期2021年02月19日
施工单位中铁十六局集团分项工程名称冠梁及挡土墙施工交底提要冠梁及挡土墙施工
交底内容:
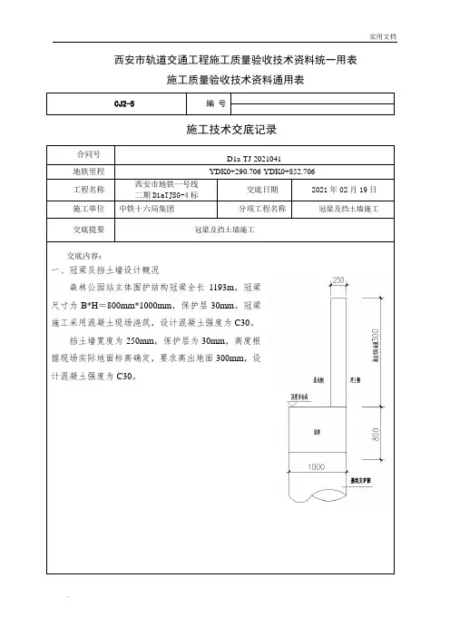
一、冠梁及挡土墙设计概况
森林公园站主体围护结构冠梁全长1193m,冠梁
尺寸为B*H=800mm*1000mm,保护层30mm。
冠梁
施工采用混凝土现场浇筑,设计混凝土强度为C30。
挡土墙宽度为250mm,保护层为30mm,高度根
据现场实际地面标高确定,要求高出地面300mm,设
计混凝土强度为C30。
冠梁施工技术交底内容1. 冠梁施工概述好啦,今天咱们聊聊冠梁施工的事儿,别看这个名字听上去有点高大上,其实就是建筑中很重要的一部分,咱们可以把它想象成一座大楼的“腰带”。
这个“腰带”可得系得紧,才能撑得起整个建筑,不然可就麻烦了!所以说,冠梁的施工技术交底可不能马虎,必须得认真对待。
1.1 冠梁的作用冠梁就像是我们身体里的脊梁,承载着上面的负重,保持整体的稳固。
它的主要作用就是将上方的荷载均匀分布到下方的柱子上,防止建筑出现倾斜、开裂的情况。
这就像是在队伍里,大家都是要合作的,要不然一不小心,队伍就散了,场面可就尴尬了。
想象一下,一栋楼房上面压着重重的水泥块,要是下面的冠梁不给力,整栋楼可能就“哗啦”一声倒了,这可不是闹着玩的。
1.2 施工准备在施工之前,我们得做好充分的准备工作。
就像是打仗之前得先侦察敌情,备齐武器一样。
首先,得有详尽的施工图纸,不能让施工人员看得一头雾水;其次,材料得提前准备好,确保没有缺漏,像钢筋、混凝土啥的,得一应俱全,缺一不可。
别让施工现场变成“杂乱无章”的市场,那可真是“贻笑大方”了。
2. 冠梁施工流程接下来咱们聊聊施工的具体流程,这可是重中之重,像做菜得有步骤,随便跳过一步可就惨了。
2.1 钢筋绑扎首先,钢筋绑扎是个关键步骤,得像织毛衣一样,小心翼翼。
钢筋的连接得牢固,不能让它松松垮垮的,要不然日后可就得哭着后悔了。
在绑扎的时候,得遵循设计图纸的要求,确保每根钢筋的位置和数量都精准到位。
就好比做数学题,不认真计算,结果可就大相径庭了。
2.2 模板安装然后就是模板的安装。
模板就像是做蛋糕的模具,得合适才能做出好蛋糕。
在安装的时候,要确保模板的稳固,不然可就会漏浆,造成麻烦。
这个过程也得注意,模板之间的缝隙不能太大,得像熬粥一样,火候得掌握好,不然可就煮糊了。
还有,要定期检查模板的变形情况,确保它能撑住混凝土的重量。
3. 混凝土浇筑最后,浇筑混凝土可是一门技术活,这可不是“随便一浇”就行的。
冠梁施工技术交底一、引言冠梁作为房屋建筑的一部分,起到了加固和支撑结构的作用。
正确使用冠梁施工技术,对于保证建筑结构的稳定性和质量具有关键意义。
本文将介绍冠梁施工技术的要点和注意事项,以提高施工效率和质量。
二、冠梁施工技术概述冠梁施工技术是指在建筑结构中使用混凝土模板梁进行施工的技术方法。
冠梁施工技术应用广泛,从住宅到商业建筑等各类建筑工程都需要采用该技术。
冠梁施工技术的核心是确保模板梁的质量和稳定性,以及施工过程中的安全性。
三、冠梁施工技术要点1. 设计和计划:在进行冠梁施工前,必须进行充分的设计和计划。
这包括梁的几何尺寸、钢筋布置、模板梁的制作等。
设计和计划的合理性将直接影响到施工的效率和质量。
2. 模板梁的制作:在冠梁施工中,使用模板梁是必不可少的。
模板梁的制作应根据设计要求进行,保证模板的牢固性和稳定性,避免出现变形和破损的情况。
同时,在模板梁的制作过程中,要确保使用环保材料和工艺,以保证建筑的可持续发展。
3. 钢筋布置:钢筋的布置对于冠梁的强度和稳定性至关重要。
在冠梁施工过程中,要根据设计要求进行钢筋的布置,并严格按照施工图进行。
同时,在钢筋的连接处要保证牢固可靠,以防止出现钢筋断裂或脱落的情况。
4. 混凝土浇筑:混凝土浇筑是冠梁施工的最后一个环节。
在进行混凝土浇筑前,要进行充分的准备工作,包括模板的清理、预处理和加固等。
在浇筑过程中,要保证混凝土的质量和流动性,并及时进行振捣和养护,以确保冠梁的强度和稳定性。
5. 安全措施:在冠梁施工中,安全永远是第一位的。
施工人员必须要具备相关的安全知识和技能,严格遵守相关规定和操作流程。
此外,要定期检查和维护施工现场的安全设施,确保施工过程中不出现安全事故。
四、冠梁施工技术注意事项1. 施工人员要具备相关的技术和操作经验,避免出现操作不当的情况。
2. 施工过程中要注意环境保护,遵守相关环保法律法规。
3. 施工现场要保持整洁,并采取相应的安全措施,避免人员和设备的损伤。
冠梁施工安全技术交底一、危险源辨识冠梁施工危险因素辨识及控制要点如下:危险因素辨识及控制措施序号危险源易发生安全事故类型主要控制措施1沟槽开挖未放坡或未喷护坍塌1、严格落实专项施工方案要求放坡,不满足放坡条件的必须挂网喷护;2、施工过程安排专人监护及监测,有异常情况立即组织人员撤离;2沟槽未设置人员上下通道、周边未设置防护高处坠落1、沟槽开挖完成并进行清底后设置刚性人员上下梯道及扶手;2、沟槽周边设置定型化防护并悬挂警示牌,严禁人员随意拆除;3钢筋调直人员操作不规范物体打击作业前必须熟悉工作环境及流程,掌握施工工具;4模板施工加固不牢固、未设置操作平台坍塌、物体打击1、施工完成后必须经现场技术管理人员验收后方可进入下道工序,主要检查拉杆、横梁、斜撑等设置情况;2、如冠梁高度较高必须设置牢固的操作平台及安全防护;5冠梁周边未设置排水沟坍塌开挖条件核查前必须设置排水沟,将场地水排入沉淀池,防止倒灌造成基坑坍塌风险;二、一般安全要求及控制措施1、工人入场前必须进行三级教育,经考试合格后发放信息卡及反光背心,方可进入施工现场;进入施工现场必须及时录入实名制,每日作业前刷脸进出;2、所有人员进入施工现场必须戴合格安全帽,系好下颚带,锁好带扣;严禁赤脚和穿拖鞋、高跟鞋进入施工现场,佩戴齐劳动防护用品;3、各种特种工种必须持证上岗,并进行过进场特种安全教育,并佩戴专用防护用品;4、夜间施工时,施工场地应有足够的照明,夜间应设红色标志灯;5、各种机械设备的最大作业半径内严禁站人,并设置安全警戒线;坑内挖出的渣土坡脚线距坑顶边线不得小于1.5m;6、凿除工作时,风管接入口不得对准任何人,且必须绑扎压紧,并不少于两道;7、各种用电设备及开关箱均必须有可靠接地,开关箱必须满足规范要求;8、各种机械设备必须做到“一机、一闸、一漏、一箱”,严禁使用一闸多用机具;9、起重机的作业位置应离基槽有必要的安全距离,起重机在作业或行走时,都不得靠近架空输电线路,要保持安全距离;10、起重机吊运重物时,其下方不得有人员停留或通过,更不得在吊起来的重物下面进行作业,严禁起重机吊运人员;11、加工好的成品钢筋必须按规格尺寸和形状码放整齐,高度不超过150㎝,并且下面要垫枕木,标识清楚;12、绑扎钢筋的绑丝头,应弯回至骨架内侧,暂停绑扎时,应检查所绑扎的钢筋或骨架,确认连接牢固后方可离开现场;13、脚手架或操作平台上不得集中存放钢筋,应随时用随时运送,不得将工具、箍筋或短钢筋随意放在脚手架上;14、六级以上强风和大雪、大雨、大雾天气必须停止露天作业,在雨后和冬季,露天作业是必须先清除水雪霜冰,采取取防滑措施;15、切断钢筋,手与刀口的距离不得小于15㎝。
冠梁技术交底技术交底书编号:工程名称施工单位施工技术负责人编制单位交底人职称(务)技术员技术交底内容冠梁施工技术控制要点1、开挖基坑隧道所处位置地形复杂,边坡高,土层厚,地下水为高且非常丰富,基坑施工作业平台小,工序衔接紧密.开挖基坑时,考虑到机械开挖的方便及支立模板要求,基坑的边缘按冠梁两侧各1米设置、用石灰洒好边线后用挖机进行开挖,开挖的深度一般低于冠梁底面标高10cm,并且在有水影响时做好排水沟和集水井及时排除积水。
2、破桩头基坑开挖完成,及时测量桩顶标高,确定应凿除的桩头高度后,安排凿除桩头,桩头破除应考虑墩钻孔桩埋钢筋深度,依次破除到位;当桩顶标高不够时,组织进行接桩。
凿除桩头后的桩顶标高应高于桩顶设计标高10cm,以保证设计要求埋置深度,然后对桩基位置进行复测,检查桩基偏位情况。
桩头凿除完成之后进行桩基的无破损检测,检测前将桩顶处打磨一块平整位置,然后用干净的水冲洗干净,桩基检测合格后方能进行下一道工序施工.3、浇注砂浆冠梁开挖至要求的高程后应及时进行底面找平,找平砂浆的顶面标高与冠梁的设计底面标高相同,砂浆找平完成后,用全站仪精确放出桩基的中心点,并按轴线放出冠梁轮廓,弹出墨线放完成后技术员、质检员进行检查,确保模板安装位置的准确性。
4、钢筋加工与安装(1)、钢筋应具有出厂合格证,分批进场,分批进行验收,且必须经过试验检验合格后方可下料制作。
(2)、钢筋弯制前必须除锈,钢筋的表面应该洁净,油渍,漆垢、和铁复核者:签收者: 签收时间:技术交底书编号:工程名称施工单位施工技术负责人编制单位交底人职称(务) 技术员技术交底内容锈应立即清除干净.在焊接前,水锈应清除。
钢筋应平直,无局部曲折,成盘的和弯曲的钢筋均应该调直.(3)、钢筋接头采用搭接焊,焊接接头与钢筋弯曲处距离不应小于10d.同一区段范围内(不小于35d)主筋搭接焊数量不得超过主筋数量的50%,所有焊工均持证上岗。
(4)、在浇注砼之前,应对已安装好的钢筋检查,填写检查记录,如有误差应及时纠正。
冠梁施工技术交底记录
1. 项目概述
本文档记录了在冠梁施工过程中进行的技术交底内容。
冠梁作为建筑物承重结构的重要组成部分,施工过程需要严格按照设计要求进行,并结合相关施工工艺和安全措施进行操作。
2. 工程背景
冠梁是承载屋顶和上层楼层荷载的横梁,通常位于建筑物的顶部。
冠梁的施工关系到整个建筑物的稳定性和安全性,因此在施工过程中必须遵循严格的工艺要求。
3. 技术要求
在冠梁的施工过程中,需要满足以下技术要求:
- 冠梁的尺寸、形状和材料要符合设计要求。
- 施工过程中需要检查和修复冠梁的预埋件和现场焊接质量,确保连接牢固。
- 冠梁的支撑和脚手架要满足安全要求,确保施工过程中的稳定性。
- 施工现场必须落实安全生产责任制,加强安全教育培训,提高员工的安全意识。
4. 施工工艺
冠梁的施工一般包括以下几个步骤:
- 确定冠梁的尺寸和位置,测量并标记出施工参考线。
- 按照设计要求制作冠梁的模板,确保模板的精确度和稳定性。
- 配制混凝土材料,按照配比进行搅拌,并在施工前进行强度试验。
- 配合现场预埋件的安装,将预埋件固定在模板上。
- 进行冠梁的浇筑,控制浇筑厚度和均匀度,并采取震动措施,排除混凝土内部的气泡。
- 冠梁浇筑完成后,对模板进行拆除,确保冠梁表面的平整度。
冠梁施工安全技术交底一、项目概况冠梁施工是建筑工程中一项重要的工序,不仅要保证施工质量,更要注重施工安全。
本文将重点介绍冠梁施工安全技术交底的内容和要求,以确保施工过程中的安全和顺利进行。
二、施工安全技术交底的目的施工安全技术交底是为了让参与施工的人员了解冠梁施工的安全要求和技术规范,提高他们的施工安全意识,减少施工事故的发生。
通过有效的交底,可以确保施工人员熟悉工作流程、掌握施工技术,提高整体施工质量和工作效率。
三、施工安全技术交底的内容1. 施工前准备:交底人员应详细介绍冠梁施工前的准备工作,包括材料及机械设备的准备、施工场地的布置、施工人员的安全培训等。
2. 安全要求和措施:交底人员应详细介绍冠梁施工的安全要求和措施,并强调施工人员必须遵守这些要求和措施。
例如,要求施工人员佩戴安全帽、安全鞋等个人防护装备,禁止饮酒、吸烟等不良嗜好,严禁在工作中违章作业等。
3. 施工技术要点:交底人员应重点介绍冠梁施工的技术要点,包括施工方法、施工顺序、关键节点等。
同时,还要说明施工中可能遇到的难点和风险,并提供相应的解决方案和应急措施。
4. 施工现场安全管理:交底人员应介绍施工现场的安全管理措施,并要求施工人员严格执行。
例如,要求施工人员做好施工现场的文明施工,做到垃圾分类、道路畅通等。
5. 施工事故应急处理:交底人员应详细介绍万一发生施工事故时的应急处理措施,包括报警流程、救护措施等。
同时,还要强调施工人员在面对事故时要保持冷静,并及时向相关部门汇报。
四、施工安全技术交底的要求1. 提前准备:施工安全技术交底应提前进行,确保施工人员有足够的时间理解和吸收交底内容。
2. 全员参与:所有参与冠梁施工的人员都应参加交底会议,确保他们都对施工安全要求有清晰的认识。
3. 交底记录:交底人员应记录交底的内容和参与人员名单,并保留好相关资料。
4. 定期检查:施工单位应定期检查施工人员的安全交底情况,确保交底内容得到有效贯彻。
技术交底记录
xkhjw1-015
共7页/第1页工程名称施工单位
分部分项工程名称交底时间
交底内容:
一、冠梁概况:
冠梁截面尺寸800×1000,混凝土强度等级C30,保护层厚度30mm。
配筋情况如图:
冠梁配筋图
二、施工条件
1、冠梁钢筋加工及安装、模板安装施工队伍具有专业承包资质,已经在项目部备案,施工人员
已经接受安全、技术交底,并完善签字手续。
2、冠梁轴线、标高点已放设完成,并已经完成测量复核。
3、围护桩桩头凿除完成,并验收合格通过。
三、施工准备
1、钢筋加工场、机械、人员、材料已准备就绪;
2、施工时严格按照项目部规定的施工时间进行作业,尽量降低噪音影响。
四、施工工艺
施工工艺:
开挖基槽→桩头处理→浇筑冠梁底部垫层→施工放线→钢筋安装→预埋件安装→模板及支撑→砼浇注→拆模养护。
1、开挖土方:根据基础边线采用1.2m³挖掘机开挖基槽到基础底标高,剩余土方人工开挖,尽量
技术交底记录
xkhjw1-015
技术交底记录
xkhjw1-015
xkhjw1-015
共7页/第4页工程名称施工单位
分部分项工程名称交底时间
3、预埋件设置及检查验收:
冠梁钢筋绑扎时,应按照设计图纸要求预埋钢支撑的端头连接钢板(每根钢支撑两端各设一块800mm*1200mm*16mm钢板);Q235-B钢板采用E43系列焊条进行焊接;预埋挡土墙竖向连接筋,竖向连接拉筋锚入冠梁长度不小于35d。
钢支撑与冠梁节点
斜支撑与冠梁节点
xkhjw1-015 共7页/第5页
xkhjw1-015 共7页/第6页
技术交底记录
xkhjw1-015。