轨道式集装箱门式起重机性能参数
- 格式:doc
- 大小:185.50 KB
- 文档页数:1
绪论0.1 简介A型门式起重机(也称门吊)是属于桥式类型起重机的一种,由于它的金属结构像门形框架,承载主梁下安装两条支腿,可以直接在地面的轨道上行走,并且主梁两端具有悬臂梁(主梁的延长),相似“龙门”故称为龙门起重机。
架桥两侧的支腿一般都是刚性支腿:跨度超过30m时,常是一侧为刚性支腿,而另一侧通过球铰和桥架连接的柔性支腿,使门架成为静定系统,这样可以避免在外载荷所用下由于侧向推力而引起附加应力,也可补偿桥架纵向的温度变形龙门起重机的受风面积大,为防止在强风作用下滑行或翻倒,装有测风仪和与运行机构连锁的起重机夹轨器。
桥架可以是两端无悬臂的:也可以是一端有悬臂或两端都有悬臂的,以扩大作业范围。
半龙门起重机桥架一端有支腿,另一端无支腿,直接在高台架上运行。
图 0-1 A型门式起重机门式起重机也是由机械传动,金属结构和电器设备三大部分组成。
机械传动部分又由起升机构、起重小车走行机构等构成。
即为门式起重机的三大工作机构。
它们分别实现吊装货物的上下升降,左右横向(纵向)搬运三个动作,构成一个作业区域。
任何生产机械都由原动机、传动装置、工作机构和操纵控制设备等组成。
如果以电动机作为原动机来拖动生产机械的工作机构,则它的驱动、传动装置通常称为电力拖动系统。
该系统中的电动机、控制操纵部分,电气电路和电气器件等等习惯统称电气设备。
电气设备部分主要由电动机、电器元件和电气线路等组成。
它将电力网中的电能转变为机械能,实现起重机工作的目的,同事控制各工作机构按照工作要求进行作业。
电气设备的公用主要在于:由电动机将电能转变成机械能,通过传动装置拖动工作机构:控制设备通过各种控制器件和电器元件来控制电动机按工作机构的要求完成各种动作。
0.2 主要技术性能参数门式起重机的主要技术参数有起重量、起升高度、跨距和伸距、工作速度以及工作类型等。
门式起重机的起重量有三个指标,即额定起重量、吊具下起重量、吊钩下起重量。
本设计门式起重机的起重量为32t。
优秀设计目录摘要 (I)关键词 (I)ABSTRACT (II)KEY WORD (II)1.轨道式集装箱门式起重机总概 (1)2.总体设计 (2)2.1设计参数 (2)2.2主梁设计 (3)2.3端梁设计 (5)2.4刚性支腿设计 (5)2.5柔性支腿设计 (8)2.6下端梁设计 (10)2.7上马鞍设计 (10)3.起重机整机稳定性计算 (11)3.1空载起重机沿轨道方向起、制动时的载重稳定性安全系数验算 (12)3.2起重机满载时垂直于大车运行轨道方向的载重稳定性安全系数验算 (15)4.主桥架计算 (17)4.1载荷计算 (17)4.2主梁内力计算 (19)4.3强度计算 (21)4.4疲劳强度计算 (24)4.5主梁稳定性计算 (27)5.支腿计算 (29)5.1载荷计算 (29)5.2支腿内力计算 (31)5.3支腿强度计算 (34)5.4支腿稳定性计算 (36)6.下横梁的强度计算 (39)7.连接强度验算 (39)7.1计算法兰板上焊缝的强度 (39)7.2刚性支腿下端与下横梁联合 (41)7.3螺栓连接计算 (42)8.刚度计算 (43)8.1静刚度和位移 (43)8.2桥架水平惯性位移 (44)8.3起重机偏斜运行对主梁产生的水平位移 (45)8.4垂直动刚度 (45)9.起重机拱度 (46)参考文献 (47)致谢.......................................................................................... 错误!未定义书签。
摘要:随着国际集装箱运输事业的飞速发展,对轨道式集装箱门式起重机的要求越来越高,使得各大厂商在新研制的起重机堆码高度、跨度以及速度等主要参数上都有了较大的发展。
我国从90年代开始着手研制轨道式集装箱门式起重机,主要用于铁路系统的集装箱堆场。
由于受各方面条件的限制,与国外同类产品相比,国产轨道式集装箱门式起重机还存在不少差距,如技术性能、质量水平、作业效率等相对较低,尤其是海港堆场使用的现代化轨道式集装箱门式起重机,国内尚属空白,国内市场均被进口产品所占领。
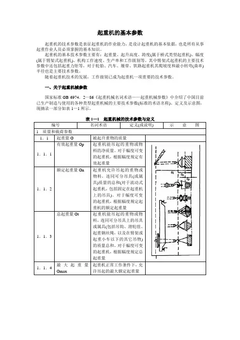
起重机的基本参数起重机的技术参数是表征起重机的作业能力,是设计起重机的基本依据,也是所有从事起重作业人员必须掌握的基本知识。
起重机的基本技术参数主要有:起重量、起升高度、跨度(属于桥式类型起重机)、幅度(属于臂架式起重机)、机构工作速度、生产率和工作级别等。
其中臂架式起重机的主要技术参数中还包括起重力矩等,对于轮胎、汽车、履带、铁路起重机其爬坡度和最小转弯(曲率)半径也是主要技术参数。
随着起重机技术的发展,工作级别已成为起重机一项重要的技术参数。
一、关于起重机械参数国家标准GB 6974.2—86《起重机械名词术语——起重机械参数》中介绍了中国目前已生产制造与使用的各种类型起重机械的主要技术参数(标准的术语名称)、定义及示意图,现摘录一部分如表1—1所示。
二、起重机工作级别以往作为起重机的主要技术参数中,常常提起ⅡB%值、JC%值等标明起重机的级别,如轻级、中级或重级等即所谓的“工作制度”。
随着起重机技术的发展,显然起重机工作制度的技术概念和含义均有相当的欠妥与不足之处,因为起重机工作制度只考虑了起重机的通电时间的长短,来确定起重机的级别是十分不合理的。
当今,作为起重机的一个主要技术参数是起重机的工作级别,它代替了过去不合理的工作制度。
起重机的工作级别的大小高低是由二种能力所决定,其一是起重机的使用频繁程度,称为起重机利用等级;其二是起重机承受载荷的大小,称为起重机的载荷状态。
1.起重机的利用等级起重机在有效寿命期间有一定的工作循环总数。
起重机作业的工作循环是从准备起吊物品开始,到下一次起吊物品为止的整个作业过程。
工作循环总数表征起重机的利用程度,它是起重机分级的基本参数之一。
工作循环总数是起重机在规定使用寿命期间所有工作循环次数的总和。
确定适当的使用寿命时,要考虑经济、技术和环境因素,同时也要涉及设备老化的影响。
工作循环总数与起重机的使用频率有关。
为了方便起见,工作循环总数在其可能范围内,分成10个利用等级(U0~U9),如表1—2所示。
一、工程概况:40.5T双梁轨道式集装箱龙门起重机,是轨距为35米的一种轨道运行式机型,该机采用全回转伸缩式吊具、变频调速、刚性导杆防摇、小偏轨宽翼缘箱型主梁与u型门腿,其结构、机械传动、电气控制及吊具等目前较广泛地使用于铁路车站、库场和港口、码头集装箱货场,进行20英尺、40英尺规格的集装箱的装卸、搬运和堆码作业。
结构件主要由双悬臂双主梁、端梁、U形门腿、运行台车、起重小车、驾驶室、取物装置(主要使用专用集装箱吊具)等组成。
双梁轨道式集装箱龙门起重机主体结构是箱形焊接结构,包括一个由钢板(加筋板)焊接的门架,即由两根偏轨箱形主梁和两根箱形横梁构成顶面水平框架;两个U形的垂直框架,其每一框架由两个支腿和一个下横梁栓接而成。
主梁和端梁有焊接和法兰螺栓连接,主梁与支腿、支腿与下横梁各构件采用法兰螺栓连接。
结构件的装配关系是主梁框架支承在两个U 形门框上方,门框则由带行车台车组件的运行台车支承与轨道上。
小车架通过行车车轮支承在主梁盖板上的小车轨道上。
这种结构形式的龙门架,结构简单,外形美观、制造方便。
同时又便于小车的布置。
轨道式集装箱龙门起重机的小车桥架,采用箱形双梁结构形式。
两箱梁之间的距离,以小车在桥架上的支承与悬挂吊具的钢丝绳回转时不碰擦主梁来确定。
司机室为悬挂支承式且为自行封闭式结构,行走轮支承在主梁下方的行车轨道上。
司机室内装有操纵台,控制起重机各机构的运转。
在小车桥架上安装着小车运行机构。
二、安装方案轨道运行式双主梁集装箱门式起重机的安装也同其它机型一样,可选用不同的方法。
如由滑轮组、卷扬机通过钢丝绳缠绕后板立门腿(即U形门框),再由桅杆起重机提升主梁水平框架至门腿上方,并与门腿连成门架,最后提升小车到位安装。
因为大型流动式起重机(尤其是机动灵活的汽车起重机)广泛使用,给轨道运行式双主梁集装箱门式起重机的安装带来了很大方便,使安装工程效率高、劳动强度小,节省辅助材料及安装费用,能安全可靠地承担全部结构件的转运、卸车与吊装。
25T-37M门座式起重机参数规格书日照港岚北港务有限公司25T-37M门座式起重机技术规格书第一章概述1.1 总则 (4)1.2 安装地点 (5)1.3 设计制造标准 (5)1.4 工作条件 (6)1.5 起重机工作级别 (7)1.6 稳定性 (8)1.7 主要技术参数 (8)1.8 供货范围 (9)1.9 供货方式、交货期 (10)第二章结构2.1 一般要求 (11)2.2 材料 (11)2.3 金属结构制造工艺 (11)2.4 臂架、门架、主梁和端梁 (13)2.5 四连杆机构和人字架 (14)2.6 平台、通道、阶梯和直梯 (14)2.7 机房 (14)2.8 电气房 (15)2.9 高压室 (16)2.10 司机室 (16)第三章工作机构3.1 一般要求 (19)3.2 一般机械零部件 (20)3.3 起升机构 (23)3.4 变幅机构 (24)3.5 旋转机构 (25)3.6 行走机构 (26)3.7 安全连锁保护装置 (27)3.8 润滑系统 (29)第四章电气与控制4.1 电气系统一般准则 (30)4.2 供配电系统 (30)4.3 主要电气设备 (33)4.4 司机室操作 (35)4.5 配电屏与控制屏、柜与端子 (35)4.6 电缆和电缆敷设 (36)4.7 照明 (37)4.8 接地和防雷 (38)4.9 起重机监控管理系统(CMS) (38)第五章通信5.1 有线电话通信 (42)5.2 无线电话对讲机 (42)5.3 扩音设备 (42)第六章涂装6.1 预处理和底漆 (43)6.2 油漆厚度 (44)第七章标记和铭牌、起重机基本配置和备品备件7.1 标记和铭牌 (45)7.2 起重机基本配置 (46)7.3 备品和备件 (47)第八章项目管理和相关要求8.1 设计审查及图纸资料 (49)8.2 竣工图和最终技术文件 (51)8.3 监造 (53)8.4 培训 (55)第九章安装、调试和验收9.1 运输 (55)9.2 现场安装调试 (56)9.3 起重机的最终验收 (58)第一章概述本技术规格书其内容明确本次招标的起重机基本的技术要求和确保这些基本技术要求所必须的相关条款,并非起重机的所有细节,投标人应仔细阅读,如发现有疑问、不详和矛盾之处,请立即与招标人及时联系。
轨道式塔吊参数
轨道式塔吊的参数主要包括以下几个方面:
1.最大起重量:指塔吊能够起吊的最大重量,单位为吨。
根据塔吊的型号和规格,
最大起重量可能有所不同。
2.工作幅度:指塔吊能够回转的最大范围,也就是塔吊的旋转半径,单位为米。
根据塔吊的型号和规格,工作幅度可能有所不同。
3.最大起升高度:指塔吊能够起吊的最大高度,单位为米。
最大起升高度由塔吊
的高度和起升钢丝绳的长度决定。
4.运行速度:指塔吊的起升速度和回转速度,单位为米/分钟。
根据塔吊的型号和
规格,运行速度可能有所不同。
5.轨道式塔吊的尺寸:指塔吊的高度、宽度和长度,单位为米。
根据塔吊的型号
和规格,尺寸可能有所不同。
6.轨道式塔吊的重量:指塔吊的自重,单位为吨。
根据塔吊的型号和规格,重量
可能有所不同。
以上是轨道式塔吊的主要参数,具体参数可能会因为不同的制造商、型号和使用场景而有所不同。
在实际应用中,应确保轨道式塔吊的参数能够满足工程需求和安全标准。
一、工程概况:40.5T双梁轨道式集装箱龙门起重机,是轨距为35米的一种轨道运行式机型,该机采用全回转伸缩式吊具、变频调速、刚性导杆防摇、小偏轨宽翼缘箱型主梁与u型门腿,其结构、机械传动、电气控制及吊具等目前较广泛地使用于铁路车站、库场和港口、码头集装箱货场,进行20英尺、40英尺规格的集装箱的装卸、搬运和堆码作业。
结构件主要由双悬臂双主梁、端梁、U形门腿、运行台车、起重小车、驾驶室、取物装置(主要使用专用集装箱吊具)等组成。
双梁轨道式集装箱龙门起重机主体结构是箱形焊接结构,包括一个由钢板(加筋板)焊接的门架,即由两根偏轨箱形主梁和两根箱形横梁构成顶面水平框架;两个U形的垂直框架,其每一框架由两个支腿和一个下横梁栓接而成。
主梁和端梁有焊接和法兰螺栓连接,主梁与支腿、支腿与下横梁各构件采用法兰螺栓连接。
结构件的装配关系是主梁框架支承在两个U 形门框上方,门框则由带行车台车组件的运行台车支承与轨道上。
小车架通过行车车轮支承在主梁盖板上的小车轨道上。
这种结构形式的龙门架,结构简单,外形美观、制造方便。
同时又便于小车的布置。
轨道式集装箱龙门起重机的小车桥架,采用箱形双梁结构形式。
两箱梁之间的距离,以小车在桥架上的支承与悬挂吊具的钢丝绳回转时不碰擦主梁来确定。
司机室为悬挂支承式且为自行封闭式结构,行走轮支承在主梁下方的行车轨道上。
司机室内装有操纵台,控制起重机各机构的运转。
在小车桥架上安装着小车运行机构。
二、安装方案轨道运行式双主梁集装箱门式起重机的安装也同其它机型一样,可选用不同的方法。
如由滑轮组、卷扬机通过钢丝绳缠绕后板立门腿(即U形门框),再由桅杆起重机提升主梁水平框架至门腿上方,并与门腿连成门架,最后提升小车到位安装。
因为大型流动式起重机(尤其是机动灵活的汽车起重机)广泛使用,给轨道运行式双主梁集装箱门式起重机的安装带来了很大方便,使安装工程效率高、劳动强度小,节省辅助材料及安装费用,能安全可靠地承担全部结构件的转运、卸车与吊装。
轨道式集装箱门式起重机的系统原理、使用与维修时间:2010-1-7 10:08:00 作者:来源:不详点击数:34河南卫华重型机械股份有限公司JMG4535轨道式集装箱龙门起重机一、总则本起重机专供集装箱货场上作国际标准集装箱的装卸车及堆垛之用。
在龙门起重机的行走距离内可以进行吊一箱过三箱的作业,为扩大起重机的作业范围,本机具有两侧7.5米的外伸距,加上龙门架跨度内的35米工作长度,形成50米长的小车作业线。
起重机可以在门架跨度内堆存12排集装箱;在外伸距处作车道的集装箱装卸车作业。
同时,为了适应不同的集装箱堆放方向和集装箱拖车行走方向,本机设计有小车旋转机构,可使集装箱索具在空载或满载时都能旋转±1700,以提高装卸效率。
本机配备伸缩式集装箱索具(亦称吊具),索具的开闭锁动作和伸缩可以由司机在操纵室操作。
本起重机在轨距35米的轨道上运行,轨道型号为QU80,轨道安装质量必须达到中华人民共和国交通部标准 JT5022-86《港口起重机轨道安装技术条件》的规定,以保证起重机在额定载荷下安全使用。
操纵室悬挂在小车旋转架上,和旋转架、集装箱索具一起横移和旋转,保证司机有良好的视线,以便准确对箱操作。
本起重机各机构均为工作性机构。
即都能带载动作,完成20英尺或40英尺集装箱的起升、下降、横移、旋转及整机沿堆场轨道运行。
起重机的设计和校核均按我国国家现行标准 GB3811-83《起重机设计规范》和 GB6070-85《起重机械安全规程》的相应规定执行,以保证本起重机在集装箱装卸作业时正常工作。
起重机总体性能表起重量起重能力 45吨吊(索)具下起重量 35吨装卸集装箱(长×宽)20×8英尺,40×8英尺起升高度轨上12米轨下5米吊(索)具旋转角度±1700门架跨距 35米门架两侧外伸距 7.5米门架基距 15.5米工作速度起升 14.1米/分小车横行 62米/分吊(索)具旋转 1.13转/分大车运行 51米/分起重机最大工作轮压 27吨/轮大车使用钢轨 QU80使用电源种类 3相 380伏 50赫方式电缆卷筒绕入/±100米电力装机容量 CZ=6,JC=40%,255.5千瓦起重机总重量 260吨只有取得劳动管理部门的起重机驾驶操作证的司机才能进行装卸作业。
第三章轨道式集装箱门式起重机的机构设计集装箱门式起重机专门用于集装箱货场进行堆码作业,按其大车行走部分不同可分为轮胎式和轨道式两种。
轨道式集装箱门式起重机(英文缩写RMG)是集装箱堆场专用机械之一,它利用市电,通过行走轮在轨道上的移动,配有20',40'可伸缩吊具(根据需要亦可配双箱吊具),在集装箱堆场的规定范围内起吊、堆放集装箱。
RMG与RTG(轮胎式集装箱门式起重机)相比,具有用市电驱动,无污染,可加大起重量和起升速度,大车可吊货快速行走等优点。
轨道式集装箱门式起重机由主梁、刚性和柔性门腿、运行小车、起升机构、大车运行机构、电气系统、操作驾驶室、减摇机构等等组成。
根据堆场作业工艺,在单门腿方向或双门腿方向外伸悬臂成为单悬臂或双悬臂机型,不外伸成为无悬臂机型(图6-3-1)。
图6-3-1 轨道式集装箱门式起重机的分类a)“U”形双悬臂;b)“∏”形双悬臂;c)无悬臂轨道式集装箱门式起重机除起升机构有其特殊选择外,小车运行机构和大车运行机构与其他桥式、门式类型起重机机构基本相同。
轨道式集装箱门式起重机的载重小车上还装有回转机构。
转盘下面有4个滚轮,其中2个为主动滚轮,由两台对称布置的驱动装置驱动,在固定的小车环形轨道上行走。
另一种形式的回转小车采用大直径滚柱轴承,图6-3-2 轨道式集装箱门式起重机结构紧凑,回转平稳,只需一套回转驱动装置,见图6-3-2。
轨道式集装箱门式起重机较轮胎式门式起重机跨度大、堆码层数多,可以充分利用堆场面积,提高堆场的堆存能力。
轨道式集装箱门式起重机结构较为简单,操纵容易,维修方便,有利于实现自动化控制。
起升、大车、小车机构多为交流变频控制。
起升机构一般为单卷筒形式,亦可根据需要设计成双卷筒形式。
第一节 起升机构一、起升机构的类型起升机构有两种形式,对钢丝绳卷筒式基本与轮胎式集装箱门式起重机的起升机构相同;而刚性伸缩式起升机构又类似于钢厂冶金用夹钳桥式起重机的起升机构。
集装箱专用龙门吊技术规范书1)招标设备(1)Gn=40t(吊具下起重),S=26m集装箱专用门式起重机(含吊具)。
(2)数量 1台(套)。
2)主要技术参数(1)设计参数(2)技术要求3)概述(1)该机为集装箱专用门式起重机。
(2)该机主要由主梁、大车行走端梁、起重小车总成、旋转伸缩吊具、备用吊钩及司机室等组成。
应有主钢丝绳8绳防摇装置、润滑系统、电气控制系统。
该机宜采用偏轨双梁箱型结构。
(3)起重机的起升机构、小车运行机构应全部安装在小车架上。
(4)本机使用380V、50Hz、3相交流电。
(5)起重小车总成在主梁的轨道上运行,小车上设有司机室,司机可以操纵起重机的大车走行、小车走行、起升、吊具四个机构的动作。
(6)起重小车上应设有照明灯,便于人员晚间安全工作。
(7)该起重机是装卸20′、40′国际标准集装箱的门式起重机。
起重机应装有一个横向运行于门架主梁上部轨道的起重小车,能在起重机跨距间进行装卸作业。
(8)起重机应能用集装箱伸缩式吊具装卸40英尺的集装箱,并能堆三过四,或吊起一只2896mm高的集装箱越过堆垛2层2896mm高的集装箱高度。
4)标准和规定(1)除非本规格书另有规定,起重机的的设计、制造、安装和检验均采用下述标准的最新版本或修订本:①铁路货场门式起重机技术条件TB1357-1992②铁路货场门式起重机起重量、跨度系列TB/T1418-1989③铁路货场桥式、门式起重机防风制动装置技术条件TB/T1428-1990④铁路货场集装箱门式起重机技术条件 TB/T2334-1993⑤门式起重机检测工艺及方法 TB/T2666-1995⑥起重机设计规范 GB3811⑦起重机械安全规程 GB6067⑧起重机试验规范和程序 GB5905-6⑨起重机械超载保护装置安全技术规范 GB12602⑩起重机设备安装工程施工及验收规范 GB50278○11起重机危险部位与标志 GB15052○12钢结构设计规范 GB50017○13涂装通用技术条件 JB/ZQ4000.10○14工程机械涂漆通用技术条件 JB/ZQ3015○15电控技术条件 GB3797○16起重机电控设备 JB4315○17电气装置安装工程施工及验收规范 GBJ232(2)以上标准如有抵触,按较高的标准执行。
45吨35米轨道式集装箱龙门起重机一、总则本起重机专供集装箱货场上作国际标准集装箱的装卸车及堆垛之用。
在龙门起重机的行走距离内可以进行吊一箱过三箱的作业,为扩大起重机的作业范围,本机具有两侧7.5米的外伸距,加上龙门架跨度内的35米工作长度,形成50米长的小车作业线。
起重机可以在门架跨度内堆存12排集装箱;在外伸距处作车道的集装箱装卸车作业。
同时,为了适应不同的集装箱堆放方向和集装箱拖车行走方向,本机设计有小车旋转机构,可使集装箱索具在空载或满载时都能旋转?1700,以提高装卸效率。
本机配备伸缩式集装箱索具(亦称吊具),索具的开闭锁动作和伸缩可以由司机在操纵室操作。
本起重机在轨距35米的轨道上运行,轨道型号为QU80,轨道安装质量必须达到中华人民共和国交通部标准 JT5022-86《港口起重机轨道安装技术条件》的规定,以保证起重机在额定载荷下安全使用。
操纵室悬挂在小车旋转架上,和旋转架、集装箱索具一起横移和旋转,保证司机有良好的视线,以便准确对箱操作。
本起重机各机构均为工作性机构。
即都能带载动作,完成20英尺或40英尺集装箱的起升、下降、横移、旋转及整机沿堆场轨道运行。
起重机的设计和校核均按我国国家现行标准 GB3811-83《起重机设计规范》和 GB6070-85《起重机械安全规程》的相应规定执行,以保证本起重机在集装箱装卸作业时正常工作。
起重机总体性能表起重量起重能力 45吨吊(索)具下起重量 35吨装卸集装箱 (长×宽) 20×8英尺,40×8英尺起升高度轨上12米轨下5米吊(索)具旋转角度 ?1700门架跨距 35米门架两侧外伸距 7.5米门架基距 15.5米工作速度起升 14.1米/分小车横行 62米/分吊(索)具旋转 1.13转/分大车运行 51米/分起重机最大工作轮压 27吨/轮大车使用钢轨 QU80使用电源种类 3相 380伏 50赫方式电缆卷筒绕入/?100米电力装机容量 CZ=6,JC=40%,255.5千瓦起重机总重量 260吨只有取得劳动管理部门的起重机驾驶操作证的司机才能进行装卸作业。
45t-40m轨道式集装箱门式起重机说明书45t-40m轨道式集装箱门式起重机施工说明书GCS0722-00SM签字日期图样标记标检打字共 11 日期本机生产能力为:20~24箱/小时。
第二节主要性能参数一、起重机的总体布置起重机的总体布置见图GCS0722-00。
二、起重机的总体尺寸起重机的总体尺寸见图GCS0722-00。
三、起重机的主要性能及参数起重机主要性能及参数见图GCS0722-00。
第三节小车一、小车部分本起重机小车为自行式载重小车,小车上设有起升机构,起升机构起重量为两套起升机构通过联轴器刚性联接。
小车上还设有两套小车运行机构,小车架、机构、机器房、司机室支架以及司机室等。
小车运行轨道铺设在主梁上翼缘表面,轨道采14.56m,轮距4.2m,车轮直径为Φ700mm,为了保证小车能正常安全工作,起升机构均设置超负荷限制器装置,小车上设置锚定及缓冲装置。
小车锚定装置与小车运行机构互锁,小车锚定装置工作时,小车运行机构不允许动作。
、起升机构起升是由两套起升机构、导向滑轮、超负荷限制器,集装箱专用吊具等几部分组成。
起升机构传动线路是:卷筒:双联卷筒,卷筒直径D= 842mm超负荷限制器:在起升绳固定端设置拉力传感器号:26NAT6×19W+FC-1670-I-光安全系数:N≥6安装钢丝绳时,四绳安装后吊具必须处于水平位置,四旋锁头必须在同一平面内,否则必须重新调整钢丝绳长度。
吊具旋转机构可通过司机室操作,由电动推杆推动四个固定绳点伸缩,使得吊具绕°,以满足装卸作业的需要。
为了防止吊具超位升高造成事故,在二台起升机构的卷筒轴承座上共设置了二台高度限位装置,它们分成两组,每组一个,一组控制吊具的最大工作高度和吊具搁置地面,它们的作用是到位时,起升断电,停止工作,钢丝绳不继续卷绕或放出。
另一组是控制集装箱,吊具必须提升到一定高度时才能接通小车运行电源。
、小车运行机构本机小车共有四个车轮,采用二套运行驱动机构驱动。