注浆法施工
- 格式:pptx
- 大小:204.50 KB
- 文档页数:13
基层注浆施工方案1. 引言基层注浆是一种常用的工程施工方法,广泛应用于土木工程和建筑工程中。
它通过向基层注入特定的材料来增强基层的稳定性和承载能力。
本文将介绍基层注浆的施工方案,包括施工准备、注浆材料、施工步骤等,以帮助施工人员更好地进行基层注浆施工。
2. 施工准备在进行基层注浆施工之前,需要进行一系列的准备工作,以确保施工的顺利进行。
2.1 工程勘测在开始施工之前,需要进行详细的工程勘测,了解基层的情况,包括土质、湿度、含水量等。
通过勘测结果,确定注浆材料的选择和注浆的深度。
2.2 施工方案设计根据勘测结果,制定详细的施工方案。
包括确定注浆材料的种类和用量、注浆的深度和间距、施工的步骤和施工时间等。
2.3 施工设备准备准备好所需的施工设备,包括注浆泵、管道、注浆钻头等。
确保施工设备的运行正常,以避免施工过程中的故障和延误。
3. 注浆材料选择注浆材料的选择是基层注浆施工的关键。
根据基层的情况和工程要求,选择合适的注浆材料。
3.1 水泥浆料水泥浆料是基层注浆中常用的材料之一。
它通过水泥和水的混合形成浆料,具有较高的强度和稳定性。
适用于基层的固结和加固。
3.2 沙浆料沙浆料是基层注浆中另一种常用的材料。
它通过沙子和水的混合形成浆料,具有良好的流动性和填充性。
适用于基层的填补和平整。
3.3 聚合物浆料聚合物浆料是一种新型的注浆材料。
由于其具有优良的抗裂性能和耐久性,广泛应用于基层注浆施工中。
适用于基层的修补和增强。
4. 施工步骤基层注浆的施工步骤主要包括以下几个方面:4.1 基层准备在进行注浆之前,需要对基层进行准备。
包括清理基层表面的杂质和泥沙,确保基层表面的干燥和平整。
4.2 注浆孔钻探使用注浆钻头,在基层中钻探注浆孔。
注浆孔的位置、深度和间距根据工程设计确定。
4.3 注浆材料调配根据注浆方案,将注浆材料按照一定的比例进行调配。
确保注浆材料的性能符合工程要求。
4.4 注浆施工将调配好的注浆材料通过注浆泵注入注浆孔中。
第二章:注浆法施工§一、概述注浆技术是矿山建设中凿井、治水的要紧方式之一,也是地下工程中地层改良的重要手腕。
注浆法是将浆液注入刀岩土的间隙,裂隙或空洞中,浆液经扩散,凝固,硬化以减少岩土的渗透性,增加其强度和稳固性,达到岩土加固和堵水的目的。
注浆法永久改变了岩土的性质,岩土强度提高,稳固性增强,而冻结法中的冻结壁是临时改变岩土的性质,冻结解冻后岩土又恢复到原先的性能。
一、注浆分类分类方式很多,可按注浆时刻,浆液注入形态,将浆液材料类型,主将目的等进行分类,矿山注浆通常按注浆工作与矿山掘砌工序的前后时刻顺序分类:预注浆、后注浆地面预注浆改变围岩性质进行预注浆工作面预注浆加固注浆法(施工地址不同)后注浆壁后注浆治水方法(注浆位置不同)壁内注浆(封水与加固)二、注浆法在矿山中的应用一、国外:1882年南非第一次应用工作面预注浆开凿井筒1885年德国又成功地采纳地面预注浆开凿井筒1925年荷兰采纳水玻璃浆液注浆,开始了化学注浆的历史。
注浆法在英、法、南非、美、加拿大、德国及苏联应用普遍。
60~70年代,英国有80%煤矿井筒采纳注浆技术,注深达1657m,南非注浆深度达1700m多,苏联78年用注浆法凿井占煤矿用特殊施工总进尺的75%。
二、国内:我国50年代初期开始成功应用注浆法,60年代开始应用水泥—水玻璃浆液及其它化学浆液。
55年代新汶张庄矿主井第一次采纳工作面注浆,58年峰峰薛村矿主井副井采纳地面预注浆。
目前,注浆技术在矿山中应用及其普遍,注浆深度已达900m,注浆技术即可用于井筒工程,为了减少井筒涌水,加速凿井速度,对所有含水层进行预注浆施工,也可对破碎地层,高应力大地压地层进行堵水加固,能够说,对所有地下工程都可采纳注浆技术。
§二、注浆材料正确选择注浆材料是实现岩土改良、完成注浆工程的关键,因为它直接阻碍注浆工艺进程,注浆成效及注浆工程的本钱和工期。
一、注浆材料分类一、对理想注浆材料的要求①粘度低,流动性好,可注性好。
注浆法施工技术注浆法施工技术本旨在介绍注浆法施工技术,详细说明其工艺流程、施工方法和注意事项。
通过本的阅读,读者将能够全面了解注浆法施工技术,并在实践中应用。
一、注浆法施工技术概述注浆法是一种将浆液填充到岩体或土层中的方法,以改善其力学性质和水密性能。
通过注浆工艺,可以实现岩土固结、加固和密封等目的。
注浆法施工技术广泛应用于地下工程、隧道工程和水利工程等领域。
1. 注浆法施工技术的基本原理注浆法施工技术利用注浆设备将浆液注入岩体或土层中,浆液在孔隙中形成胶结体,以增加岩土固结体的强度和密实度。
其基本原理包括浆液的选择、注浆孔的布置和注浆压力的控制等。
2. 注浆法施工技术的主要工艺流程注浆法施工技术的主要工艺流程包括预处理、孔隙准备、浆液注入、固化硬化和后处理等步骤。
每个步骤都有详细的操作方法和注意事项。
注浆法施工技术的具体方法可以根据工程的具体要求进行选择。
常用的注浆法施工技术包括压力注浆法、重力注浆法、超声波注浆法和微生物注浆法等。
1. 压力注浆法压力注浆法是最常用的注浆法施工技术之一,通过注浆设备提供的压力力量将浆液注入岩体或土层中。
该方法通常适用于较坚固的岩体和土层。
2. 重力注浆法重力注浆法是一种简单而有效的注浆方法,通过自重力力量使浆液自上而下渗入岩体或土层中。
该方法适用于较松散的土层和较大的注浆孔。
3. 超声波注浆法超声波注浆法利用超声波的能量将浆液注入岩体或土层中,以提高注浆效果。
该方法适用于细颗粒、粘性较高的浆液。
4. 微生物注浆法微生物注浆法是一种利用特定的微生物将浆液注入岩体或土层中,以促进土壤胶结和强化的方法。
该方法适用于一些特殊的地质情况。
在注浆法施工过程中,有一些需要注意的事项,以确保施工质量和安全。
1. 注浆孔布置要合理,确保注浆效果均匀。
2. 浆液的配制要根据工程要求进行,保证其强度和粘度。
3. 注浆设备的维护和保养要及时进行,以确保其正常工作。
4. 注浆过程中要注意施工现场的安全,防止事故发生。
灌注桩后注浆方法及施工工艺范本1:正文:注浆方法及施工工艺注浆是灌注桩后的重要工序,其目的是加固灌注桩的稳定性和承载能力。
下面介绍注浆的方法及施工工艺。
1. 注浆方法1.1 压力注浆法:使用注浆泵将浆液注入注浆管中,通过持续施加压力,使浆液充分填充至灌注桩内部。
1.2 震动注浆法:在灌注桩内部使用振动器,通过震动将浆液充分排除气泡,使浆液完全填充至桩中。
2. 施工工艺2.1 准备工作:清理灌注桩顶部,检查注浆管的质量和连接方式,准备好注浆设备和浆液。
2.2 穴洞开设:根据设计要求,在灌注桩上部钻孔,使孔洞与注浆管相连接。
2.3 注浆管安装:将注浆管插入孔洞中,并采用适当的固定方法,确保注浆管与灌注桩紧密连接。
2.4 注浆操作:根据注浆方法,使用注浆泵或振动器进行注浆,调整注浆速度和时间,确保浆液充分填充桩内。
2.5 注浆结束:待注浆完成后,停止注浆泵或振动器的工作,等待浆液固化。
2.6 清理工作:清理注浆设备和场地,移除多余的浆液和杂物。
3. 附件本文档涉及附件:注浆设备清单、注浆管安装示意图、注浆工艺流程图。
4. 法律名词及注释4.1 注浆:将浆液注入构筑物中,以加固和增强其性能。
4.2 注浆泵:用于将浆液通过注浆管注入构筑物的设备。
4.3 振动器:通过振动作用,排除浆液中的气泡,使其充分填充至构筑物中。
范本2:正文:注浆方法及施工工艺为了保证灌注桩的稳定性和承载能力,注浆是灌注桩后必不可少的工序。
下面详细介绍注浆的方法及施工工艺。
1. 注浆方法1.1 压力注浆法:使用注浆泵将浆液注入注浆管中,通过施加持续的压力,使浆液充分填充至灌注桩内部。
1.2 射流注浆法:利用高速喷射流将浆液注入注浆管中,通过冲击作用,浆液均匀分布至灌注桩内。
2. 施工工艺2.1 准备工作:清理灌注桩顶部的杂物,检查注浆管的质量和连接是否正常,准备好注浆设备和浆液。
2.2 穴洞开设:根据设计要求,在灌注桩上部开设孔洞,以便与注浆管相连接。
注浆流程和施工方法一、注浆流程。
注浆呢,就像是给建筑的小伤口打针敷药的过程。
1. 钻孔。
这是第一步啦。
得先在需要注浆的地方钻出合适的孔来。
这个孔的大小、深度和角度都是有讲究的哟。
就像医生找穴位一样,要精准。
钻孔的时候,那机器嗡嗡响,感觉像是在给大地做小小的按摩呢。
2. 清孔。
孔钻好了,可不能就这么不管了,里面可能有一些小碎石、灰尘啥的。
这时候就得清孔啦,把那些杂质都清理干净,就像给小伤口消毒一样,要让注浆的地方干干净净的,这样注浆材料才能好好地发挥作用。
3. 安装注浆管。
清好孔后,就把注浆管小心翼翼地安装进去。
这注浆管就像是输送药物的小管道,要安装得稳稳当当的,不能歪了斜了,不然注浆的时候就会出问题,就像输液管要是弯了,药就流不好啦。
4. 拌制注浆材料。
这可是个关键步骤呢。
不同的工程需要不同的注浆材料,就像不同的病要吃不同的药。
把注浆材料按照一定的比例搅拌均匀,这个过程就像在厨房做小点心一样,要精确地把握各种原料的量,搅拌的时候也要充分,这样做出来的“注浆点心”才能达到效果。
5. 注浆。
最后就是注浆啦。
通过注浆泵把拌制好的注浆材料通过注浆管注入到钻孔里。
这个时候就感觉像是在给大地注入活力一样,注浆材料慢慢填充到那些缝隙里,让建筑变得更加稳固。
注浆的时候要注意压力的控制,压力太大了,可能会把周围的东西撑坏,压力太小了,又不能很好地填充。
二、施工方法。
1. 静压注浆法。
这是一种比较温柔的方法呢。
它是靠注浆泵产生的压力把浆液慢慢注入到地层里。
就像给大地轻轻地喂药,一点点渗透进去。
这种方法适合比较松软的地层,不会对地层造成太大的扰动。
2. 高压喷射注浆法。
这个就比较有力量啦。
它是利用高压喷射流把浆液和土体搅拌混合。
就像一个超级大力士,把浆液强行和土体搅和在一起。
这种方法可以形成比较坚固的加固体,适合处理一些有特殊要求的地基。
3. 复合注浆法。
这就像是把静压注浆法和高压喷射注浆法结合起来的一个小机灵鬼。
先用高压喷射注浆法在土体里形成一个加固的骨架,然后再用静压注浆法填充那些剩下的小缝隙。
静压注浆施工方法引言:静压注浆是一种常用于土木工程和地基处理的施工方法,其目的是通过注入压力使浆液渗入地下,以加固土壤或填充裂缝。
本文将介绍静压注浆的施工方法,包括准备工作、操作步骤、注浆剂选择以及施工注意事项。
一、准备工作1. 确定注浆工程的范围和目的,如填充土壤空隙、加固地基等。
2. 检查施工区域,清除杂物,并修复可能存在的裂缝或缺陷。
3. 了解施工区域的地质条件,包括土壤类型、坚硬程度以及存在的地下障碍物,这将有助于确定注浆剂的选择和注浆压力。
二、操作步骤1. 安装注浆设备,包括泵站、注浆管道以及压力表等。
2. 根据地质条件和工程需求,选择合适的注浆剂,如水泥浆液、聚氨酯等。
3. 清洁注浆管道,并确保其畅通无阻。
4. 在注浆管道的进口处设置混合器,将注浆剂与水按照一定比例混合。
5. 将混合后的注浆剂泵入注浆管道,控制注浆剂的流量和压力。
注浆压力的选择应根据地质条件和工程需求进行调整。
6. 从注浆点开始,逐步注入注浆剂,同时观察注浆剂的渗透情况。
需要注意的是,注浆点之间的距离应合理安排,以充分填充整个施工区域。
7. 在注浆过程中,根据需要可以调整注浆剂的流量和压力,以确保注浆效果的达到预期。
三、注浆剂选择1. 水泥浆液:适用于填充土壤空隙、加固地基等工程。
其优点是固化速度较快,能够提供较高的强度和稳定性。
2. 聚氨酯:适用于填充细小的裂缝和空隙。
其优点是具有较好的黏附性和可渗透性,能够达到较好的填充效果。
四、施工注意事项。
注浆法施工,注浆法到底是什么?注浆法是将一定材料配制成浆液,用压送设备将其灌入地层或缝隙内,使其扩散、胶凝或固化,以达到加固地层或防渗堵漏的目的。
注浆法可用于防渗堵漏、提高地基土的强度和变形模量、充填空隙、进行既有建筑地基基础加固和控制变形。
按浆液在土中的流动方式,可将注浆法分成以下三类:(1)渗透注浆指浆液以渗透渗入方式,渗入土体孔隙的注浆方式。
显然,在渗透注浆中浆材必须与土体孔隙大小相适应。
一般认为,对渗透系数κ数量级的地基上,即使选用真溶液也难以达到渗透形式。
20世纪80年代初以来,我国用环氧树脂浆液注浆成功地处理了低渗透性含泥破碎岩体,渗透系数κ:其机理用传统的压力渗透理论是无法解释的。
我国学者将双重孔隙介质力学模型理论与化学注浆相结合,提出化学注浆的吸渗理论。
该理论认为在注入浆液(驱动相)与被注介质的亲和力大于孔隙水(被驱动相)的亲和力时,具有浆液自动渗入被注入介质和被注入介质自动吸吮浆液的双向作用机制。
根据吸渗理论的基本方程的计算结果,提出了间歇注浆方法,即在初注时采用较快速率灌注,使浆液迅速进入裂隙系统后尽快将夹泥系统投入吸渗,而随后间歇一段时间让夹泥充分地吸渗浆液,该方法克服了连续注浆浪费浆液的缺点,工程实践证明有良好的效果。
化学注浆吸渗理论机理还需进一步的探讨。
(2)压密注浆指用很稠的浆液灌入事先在地基土内钻进的孔中并挤向土体,在注浆处形成浆泡,浆液的扩散靠对周围土体的压缩。
浆体完全取代了注浆范围的土体,在注浆邻近区存在大的塑性变形区,离浆泡较远的区域土体发生弹性变形,因而土的密度明显增加。
评价浆液稠度的指标通常是浆液的坍落度。
(3)劈裂注浆劈裂注浆是目前应用最广泛的一种注浆方法,是在钻孔内施加液体压力于土体,当液体压力超过劈裂压力时土体产生水力劈裂,也就是土体突然出现裂缝,吃浆量突然增加,劈裂注浆在注浆孔附近形成网状浆脉,通过浆脉挤压土体和浆脉的骨架作用加固土体。
虽然注浆法有以上分类,但在实际注浆中浆液往往是以多种形式灌入地基中,单一的流动方式是难以产生的,只是以某一种形式为主而已。
高压喷射注浆法(旋喷桩法)选喷桩法适用于淤泥、淤泥质土、黏性土、粉土、黄土、砂土、人工填土和碎石土等的地基加固。
桩径一般0.5-1.4m,最大2m,深达45m,其抗压强度5-10MPa,渗透系数可降至10-7-10-8cm/s。
A. 旋喷(一)施工准备1.材料(1)浆液材料以水泥为主材,加入不同外加剂后,可具有速凝早强、抗冻等性能。
一般普硅425#纯水泥浆,固结体强度28天可最大达1-2MPa。
(2)喷浆量可按下列两种方法计算取大值)(3)对地下水丰富的工程需要在水泥浆中掺入速凝早强剂,通常有氯化钙、水玻璃及三乙醇胺等,用量为水泥用量的2%-4%,早期强度能提高1.6-2.4倍。
(4)旋喷固结体的平均抗压强度为20MPa以上高强型,一般注浆用的水泥要求不低于525号普硅水泥,通常掺入高效能扩散剂有NNO、NR3、NaNa2、Na2SiO3等。
(5)对于有抗渗要求的旋喷固体,不宜使用矿渣水泥,如仅要求抗渗而无抗冻要求的可使用火山灰水泥,在水泥浆中掺入2%-4%的水玻璃,注浆用的水玻璃模数要求在 2.4-3.4较为合适,浓度要在30-45波美度为宜。
(6)对改善型,在水泥浆中掺入膨润土,使浆液悬浮性增加,微减小水泥颗粒沉淀量,以至浆液的析水率减小,稳定性强,其配方为:水:水泥:陶土:碱(水玻璃)=1:1:3:0.0009(7)在水泥浆中掺入其它外加剂,如铝酸钠、三乙醇胺(NR3)、β-萘磺酸盐甲醛缩合物(NF)、氧节——节树脂磺酸盐(CRS)、亚甲基二萘磺酸钠(NNO)、沸石粉等,按不土要求的流定性和稳定度凝结时间或提高抗压强度作适当选择。
2.作业条件选喷注浆加固方案拟定前需要进行试验性调查及工作准备。
(1)工程地质资料,各钻孔柱状图及地质剖面图,有各土层的物理力学特性,化学成分,各种要求参数齐全。
(2)旋喷体作端承桩时,应注意持力层顶面的起伏变化情况,用作摩擦桩的注意土层不均匀性,有无软弱夹层。
(3)室配方,为了解喷射注浆后桩体可能有的强度和决定浆液合理配合比,必须取现场各层土样,在室按不同的含水量和配合比进行配方试验,优选出最合理的浆液配方。
地基加固注浆施工方式1. 引言地基加固注浆是一种常用的地基处理方法,通过注入特定的注浆材料,可以改善地基的力学性质,提高地基的承载能力和稳定性。
本文将介绍地基加固注浆施工的几种常见方式。
2. 直接注浆法直接注浆法是最常见的地基加固注浆方法之一。
具体施工步骤如下:1. 确定注浆孔的位置和数量,通常需要根据地基的具体情况和工程要求进行设计。
2. 在地表上钻孔,直至达到预定的深度。
3. 在注浆孔内插入注浆管,确保紧密贴合孔壁。
4. 使用专用的注浆泵将注浆材料注入注浆管中,直至注浆孔内充满材料。
5. 按照需求进行多次注浆,确保地基充分加固。
3. 爆破注浆法爆破注浆法主要适用于强夯地基加固。
具体施工步骤如下:1. 根据地基的类型,确定需要进行强夯的区域。
2. 钻孔或挖掘孔坑,并根据设计要求埋入炸药。
3. 对炸药进行引爆,产生冲击波和振动力,使地基颗粒发生重新排列和压实。
4. 在强夯区域进行注浆,填充注浆材料以加固地基。
4. 重力注浆法重力注浆法适用于需要在较大范围内进行地基加固的情况,施工步骤如下:1. 将注浆材料运输到工地,并配备注浆槽或注浆井。
2. 确定注浆点的位置和数量,根据地基分布情况进行布置。
3. 通过重力将注浆材料从注浆槽或注浆井中注入地基内。
4. 不断监测注浆点的注浆情况,确保地基均匀加固。
5. 超声波注浆法超声波注浆法适用于复杂地质条件或需要在特定区域进行地基加固的情况,施工步骤如下:1. 通过超声波勘察仪器对地基进行勘测,获取地下土质的信息。
2. 根据勘测结果确定注浆的位置和孔径,并钻孔预留注浆孔。
3. 使用超声波注浆泵将注浆材料注入地基孔洞中。
4. 根据需要进行多次注浆,确保地基加固效果。
6. 结论地基加固注浆施工方式包括直接注浆法、爆破注浆法、重力注浆法和超声波注浆法等多种方法。
选择适当的施工方式需要考虑地基的具体情况、工程要求和预算限制。
在施工过程中,应严格按照相关规范和要求进行操作,以确保地基加固效果和施工安全。
钻孔灌注桩后注浆施工工法一、前言钻孔灌注桩后注浆施工工法是一种常用于地基处理和加固的施工方法,通过在已经钻制的灌注桩孔中注入特定的浆液,实现进一步加固和提升地基承载能力的目的。
该工法具有简单高效、灵活多变的特点,在不同地质条件和工程要求下都可以得到广泛应用。
二、工法特点钻孔灌注桩后注浆施工工法具有以下特点:1. 工艺灵活:根据实际需求和地质条件,可选用不同的注浆剂和注浆压力,调整施工参数,以适应复杂多变的地质环境。
2. 施工效率高:施工过程简单快捷,一次钻孔灌注桩施工可同时完成注浆工序,节省时间和人力成本。
3. 土体变形小:注浆作用下,浆液能够渗透进入土体孔隙并填充,形成连续性堆积体,有效抑制土体塌陷、下沉和变形。
4. 承载力提升快:注浆剂中的聚合物能够与土体颗粒形成胶结体系,增加土体内聚力和抗剪强度,提高地基的承载力和稳定性。
三、适应范围钻孔灌注桩后注浆施工工法适用于以下工程:1. 地基处理:用于改善地基土体的力学性质,增加地基承载能力,减小地基沉降和变形。
2. 基础加固:用于加固现有基础或为新建基础提供加固层,增加基础的抗震能力和稳定性。
3. 地下建筑:用于地下结构的抗浮和排水,保证地下工程的安全和稳定。
四、工艺原理钻孔灌注桩后注浆施工工法在施工过程中注重以下几个方面:1. 注浆剂选择:根据土体性质和工程要求选择合适的注浆剂,常见的有水泥浆、化学浆液和聚合物浆液等。
2. 注浆压力控制:通过调整注浆泵的工作参数,确保注浆剂能够充分渗透土体孔隙并填充,形成连续的浆液体系。
3. 注浆孔隙率控制:在进行注浆施工前,要对钻孔灌注桩进行清洗和检查,确保孔隙率和孔壁清洁,以保证浆液能够充分填充孔隙。
4. 注浆浆液配比:根据实际工程需要和土体特性,确定浆液的配比,以确保注浆效果和施工质量。
五、施工工艺钻孔灌注桩后注浆施工工艺主要包括以下几个阶段:1. 钻孔准备:确定钻孔位置和孔径,采用适当的钻杆和钻头进行钻孔作业,清洗孔口并检查孔隙率和孔壁的清洁度。
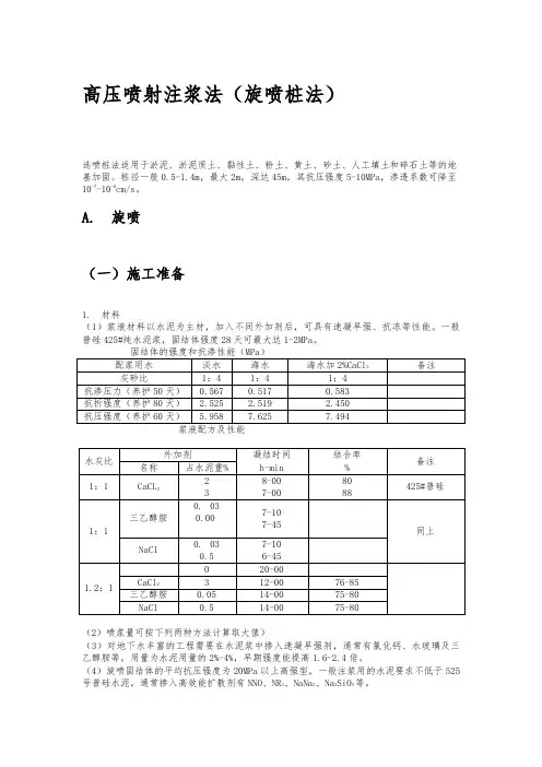
高压喷射注浆法(旋喷桩法)选喷桩法适用于淤泥、淤泥质土、黏性土、粉土、黄土、砂土、人工填土和碎石土等的地基加固。
桩径一般,最大2m,深达45m,其抗压强度5-10MPa,渗透系数可降至10-7-10-8cm/s。
A. 旋喷(一)施工准备1.材料(1)浆液材料以水泥为主材,加入不同外加剂后,可具有速凝早强、抗冻等性能。
一般普硅425#纯水泥浆,固结体强度28天可最大达1-2MPa。
固结体的强度和抗渗性能(MPa)浆液配方及性能(2)喷浆量可按下列两种方法计算取大值)(3)对地下水丰富的工程需要在水泥浆中掺入速凝早强剂,通常有氯化钙、水玻璃及三乙醇胺等,用量为水泥用量的2%-4%,早期强度能提高倍。
(4)旋喷固结体的平均抗压强度为20MPa以上高强型,一般注浆用的水泥要求不低于525号普硅水泥,通常掺入高效能扩散剂有NNO、NR3、NaNa2、Na2SiO3等。
(5)对于有抗渗要求的旋喷固体,不宜使用矿渣水泥,如仅要求抗渗而无抗冻要求的可使用火山灰水泥,在水泥浆中掺入2%-4%的水玻璃,注浆用的水玻璃模数要求在较为合适,浓度要在30-45波美度为宜。
(6)对改善型,在水泥浆中掺入膨润土,使浆液悬浮性增加,微减小水泥颗粒沉淀量,以至浆液的析水率减小,稳定性强,其配方为:水:水泥:陶土:碱(水玻璃)=1:1:3:(7)在水泥浆中掺入其它外加剂,如铝酸钠、三乙醇胺(NR3)、β-萘磺酸盐甲醛缩合物(NF)、氧节——节树脂磺酸盐(CRS)、亚甲基二萘磺酸钠(NNO)、沸石粉等,按不土要求的流定性和稳定度凝结时间或提高抗压强度作适当选择。
2.作业条件选喷注浆加固方案拟定前需要进行试验性调查及工作准备。
(1)工程地质资料,各钻孔柱状图及地质剖面图,有各土层的物理力学特性,化学成分,各种要求参数齐全。
(2)旋喷体作端承桩时,应注意持力层顶面的起伏变化情况,用作摩擦桩的注意土层不均匀性,有无软弱夹层。
(3)室内配方,为了解喷射注浆后桩体可能有的强度和决定浆液合理配合比,必须取现场各层土样,在室内按不同的含水量和配合比进行配方试验,优选出最合理的浆液配方。