2009年江苏造价员考试装饰案例分析
- 格式:doc
- 大小:116.50 KB
- 文档页数:19
2009年江苏省造价员考试土建案例试题一、某现浇砼框架结构别墅如下图所示,外墙为370厚多孔砖,内墙为240厚多孔砖(内墙轴线为墙中心线),柱截面为370×370mm(除已标明的外,柱轴线为柱中心线),板厚为100mm,梁高为600mm。
室内柱、梁、墙面及板底均做抹灰。
坡屋面顶板下表面至楼面的净高的最大值为4.24m,坡屋面为坡度1:2的两坡屋面。
雨篷YP1水平投影尺寸为2.10×3.00m, YP2水平投影尺寸为1.50×11.55m, YP3水平投影尺寸为1.50×3.90m。
请按建筑面积计算规范(GB/T50353-2005)和江苏省04年计价表规定,计算:1、建筑面积; 2、一层内墙砌筑脚手架;3、一层抹灰脚手架;4、外墙砌筑脚手架(山墙外墙脚手架算至山尖1/2处);5、外墙抹灰脚手架。
(2009t二)某单独招标打桩工程,断面及示意如图所示,设计静力压预应力圆形管桩75根,设计桩长18m(9+9m),桩外径400mm,壁厚35mm,自然地面标高-0.45m,桩顶标高-2.1m,螺栓加焊接接桩,管桩接桩接点周边设计用钢板,根据当地地质条件不需要使用桩尖,成品管桩市场信息价为2500元/m3。
本工程人工单价、除成品管桩外其他材料单价、机械台班单价按计价表执行不调整,企业管理费费率7%,利润费率5%,机械进退场费为6500元,检验试验费费率0.2%,临时设施费费率1.0%,安全文明施工措施费按1.8%,工程排污费费率1‰,建筑安全监督管理费费率1.9‰,社会保障费费率1.2%,公积金费率0.22%,税金费率3.44%,其他未列项目暂不计取,应建设单位要求管桩场内运输按定额考虑。
请根据上述条件按《建设工程工程量清单计价规范》(08)列出工程量清单(桩计量单位按“根”),并根据工程量清单按江苏省04计价表和09费用定额的规定计算打桩工程总造价。
(π取值3.14;按计价表规则计算送桩工程量时,需扣除管桩空心体积。
2009年江苏造价员考试装饰案例解析一一、根据下表提供的子目名称及做法,请按04计价表填写所列子目的计价表定额编号、综合单价及合价,具体做法与计价表不同的,综合单价需要换算。
(人工工资单价、管理费费率、利润费率不作说明的按计价表子目不做调整,项目未注明者均位于檐高20m以内,一至六层楼之间。
)2009年江苏造价员考试装饰案例解析二二、某公司办公室位于某写字楼三楼,平面尺寸见下图,墙体厚度除卫生间内墙为120mm外,其余均为240mm;门洞宽度:除进户门为1000mm外其余均为800mm。
总经理办公室地面做法:断面为60×70 mm木龙骨地楞(计价表为60×50mm),楞木间距及横撑的规格、间距同计价表,木龙骨与现浇楼板用M8×80膨胀螺栓固定,螺栓设计用量为50套,不设木垫块,免漆免刨实木地板面层,实木地板价格为160元/m2,硬木踢脚线毛料断面为150×20 mm,设计长度为15.24米,钉在墙面木龙骨上,踢脚线油漆做法为刷底油、刮腻子、色聚氨酯漆四遍;总工办及经理室为木龙骨基层复合木地板地面;卫生间采用水泥砂浆贴250×250 mm防滑地砖(25mm厚1:2.5防水砂浆找平层),防滑地砖价格3.5元/块;其余区域地面铺设600×600mm地砖。
(未作说明的按计价表规定不作调整)1、根据题目给定的条件,按计价表规定计算该公司各区域地面面层及踢脚线的工程量;2、根据题目给定的条件,按计价表规定计算总经理室有关项目的计价表综合单价。
3、根据题目给定的条件,按08清单计价规范编制该公司有关项目的分部分项工程量清单以及总经理室、卫生间地面工程量清单综合单价。
【主要考点】1、计算地板及地砖工程量时,应按主墙间净面积计算,应扣除凸出地面的柱所占面积,门洞开口部分面积另增并入相应的面层内计算。
而清单中的工程量则是不扣柱,门窗洞口亦不增加。
2、踢脚线按图示尺寸以实贴延长米计算,门洞扣除,侧壁增加。
‘;二○○九年江苏省建设工程造价员资格考试土建造价案例分析试卷本卷为案例分析题,初级做一~四题,共四题,总分100分;中级做三~六题,共四题,总分120分;高级做四~七题,共四题,总分120分;多做和漏做的题均不得分。
除注明外,人工工资单价、材料单价和施工机械台班单价全部以14计价定额中价格为准;文字与图形不同时,以文字说明为准;要求分析合理,结论正确,并简要写出计算过程。
一、(本题25分)某现浇混凝土框架结构别墅如下图所示,外墙为370厚多孔砖,内墙为240厚多孔砖(内墙轴线为墙中心线),柱截面为370×370mm(除已标明的外,柱轴线为柱中心线),板厚为100mm,梁高为600mm。
室内柱、梁、墙面及板底均做抹灰。
坡屋面顶板下表面至楼面的净高的最大值为4.24m,坡屋面为坡度1:2的两坡屋面。
雨篷YP1水平投影尺寸为2.10×3.00m, YP2水平投影尺寸为1.50×11.55m, YP3水平投影尺寸为1.50×3.90m。
请按建筑面积计算规范(GB/T50353-2013)和江苏省14计价定额规定,计算:1、建筑面积; 2、一层内墙砌筑脚手架;3、一层抹灰脚手架;4、外墙砌筑脚手架(山墙外墙脚手架算至山尖1/2处);5、外墙外侧面抹灰脚手架。
(以前的,新定额里面不好求);计算脚手架工程量并按14计价定额计价(自己出的题目)建筑面积和工程量计算表工程预算表(修改后)二、(本题25分)某单独招标打桩工程,断面及示意如图所示,设计静力压预应力圆形管桩75根,设计桩长18m(9+9m),桩外径400mm ,壁厚35mm ,自然地面标高-0.45m ,桩顶标高-2.1m ,螺栓加焊接接桩,管桩接桩接点周边设计用钢板,根据当地地质条件不需要使用桩尖,成品管桩市场信息价为2500元/m 3。
本 工程人工单价、除成品管桩外其他材料单价、机械台班单价按计价定额执行不调整,企业管理费费率7%,利润费率5%,大型机械进退场费为6500元,临时设施费费率1.0%,安全文明施工措施费按1.8%,工程排污费费率1‰,社会保险费费率1.2%,住房公积金费率0.22%,税金费率3.44%,其他未列项目暂不计取,应建设单位要求管桩场内运输按定额考虑。
第一百七十四篇:江苏省造价员安装工程案例分析(三)(2010-09-24 17:50:33)转载标签:杂谈四、请根据下面的工作内容,按照工程量清单计价规范GB50500-2008和江苏省安装工程计价表(2004年)的有关规定,计算综合单价和分部分项工程费。
1、本工程楼层层数为7层。
2、室内安装在管廊内的塑料管UPVC排水管DN100 (零件粘接) ,套管采用焊接钢管,直径比排水管公称直径大二号,套管共10个,套管长度每个按250mm计。
3、成品安装的电热水器(挂式)RS30型,室内安装高度距楼面4m。
4、工程量保留三位小数,其他数据保留两位小数。
5、为了便于计算,本工程人工、材料、机械台班、管理费、利润均按江苏省安装工程计价表(2004年)规定不做调整。
主要材料单价和用量表序号名称和规格单位单价(元)数量备注1焊接钢管DN150m80.002塑料管UPVC排水管DN100m18.00503塑料排水管件DN100个8.004电热水器(挂式)RS30型套2200.001暂估价【相关考点】1、掌握给排水安装工程量清单编制原则、分部计价与分部分项综合单价分析表的计取依据、方法。
2、掌握有关定额的子目换算系数。
3、掌握材料费计取与损耗关系。
【答题思路】1、掌握安装清单编制规范要求:项目编码、项目名称、计量单位要正确,项目特征描述要准确、完整,清单量要按清单量计算规则计算。
2、根据清单规范掌握安装计价编制依据:清单包括的哪些工作内容,按工作内容套取相应定额,如:给排水管道清单的工作内容包括本体管道、管件的安装及套管的制作安装、管道的防腐、保温、冲洗、试压等内容。
3、掌握分部分项计价表的组成,综合单价的计取方法如答案中的2种方法;综合单价的计取依据,它包括人、材、机、管理费、利润,各价格的组成标准,如题例中说明本工程人工、材料、机械台班、管理费、利润均按江苏省安装工程计价表(2004年)规定不做调整。
4、定额套用的有关规则:要列入分部分项清单计价中的有关子目系数的费用,如本题中管道的管廊内施工增加换算系数为人工增加30%,热水器安装的超高费用为人工增加10%以及高层建筑增加费用的计算。
二○○九年江苏省建设工程造价员资格考试市政造价案例分析试卷题号 一 二 三 四 五 六 总分 计分人 核分人 得分本卷共六题,为案例分析。
试题要求分析计算过程清晰。
π=3.142。
小数点保留位数:计算过程三位,结果二位,后一位四舍五入。
初级造价员考一至四题,总分100分,中级造价员考一至五题,总分120分,高级考二至六题,总分120分。
试题中对规范的“分部分项工程量清单综合单价计算表”进行了修改,请按栏目名称计算相应数据。
一、(本题20分)一场地的地形及方格网(a=40m ),如图所示,原始角点标高标示在方格网上,如进行场地平整,场内土方平衡,场地设计标高14.14m ,试计算Ⅳ填、Ⅳ挖的土方量。
得分 评卷人b1 0.36/(0.36+0.44)*40 18 c1 40-18 22 b2 0.36/(0.36+0.14)*40 28.8 c2 40-28.8 11.2 V挖1/6*18*28.8*0.36 31.10V填(40*40-1/2*18*28.8)*(0+0.44+1.44+0.14+0)/5 541.681、挖、填体积计算正确分别给10分,公式正确计算错误各给6分2、b1、c1、b2、c2计算正确各给2.5分方格网计算步骤及方法图示计算步骤方法适用范围1.划方格网根据地形图划分方格网,尽量使其与测量或施工坐标网重合,方格一般采用20m×20m~40m×40m,将相应设计标高和自然地面标高分别标注在方格点的右上角和右下角,求出各点的施工高度(挖或填),填在方格网左上角,挖方为(+),填方为(-)。
2.计算零点位置计算确定方格网中两端角点施工高度符号不同的方格边上零点位置,标于方格网上,联接零点,即得填方与挖方区的分界线。
零点的位置按下式计算,见图(a):;式中、——角点至零点的距离 m;、——相邻两角点的高程 m,均用绝对值;a——方格网的边长 m。
零点亦可采用图解法求出,如图(b)用尺在各角上标出相应比例,用尺相接,与方格相交点即为零点位置。
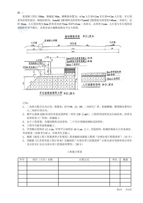
题一:某道路工程长500m,路幅宽30m,横断面布置为:4.5m人行道+21m车行道+4.5m人行道。
车行道采用沥青砼面层,路面结构为:3cmAC-13I细粒式沥青砼+7cmAC-25I粗粒式沥青砼+40cm二灰碎石,总厚50cm;人行道结构为6cm舒布洛克砖+3cm米砂+12cm二灰碎石,总厚度21cm。
人行道与车行道间设预制砼甲型平侧石。
具体详设计横断面图及节点大样图。
已知:1、二灰碎石配合比为石灰:粉煤灰:碎石=8:12:80;二灰碎石厂拌、机械摊铺;整理路床费用计入二灰碎石项目内。
2、侧平石基础C20砼采用非泵送预拌砼(单价250元/m3);工程所用沥青均为石油沥青;沥青及沥青砼加工厂拌制、机械施工。
3、由于工程需要,先铺设粗粒式沥青砼,二个月后再铺设细粒式沥青砼。
4、工程尽可能考虑机械施工。
5、甲型侧石材料价12元/m,甲型平石材料价10元/m,人工、其他材料、机械价格执行计价表基价。
考试要求(初级考生做1,中级考生全做):1、根据《建设工程工程量清单计价规范》要求编制该路面工程的“分部分项工程量清单”;(25分)2、请根据《江苏省市政工程计价表》及编制的“分部分项工程量清单”计算分部分项清单综合单价及合价并汇总出分部分项工程量清单费用。
(20分)工程量计算表第1页共16页分部分项工程量清单分部分项工程量清单综合单价分析表第2页共16页第3页 共16页.题二(25分):某新建污水工程,长200m ,设计采用D1000mm 钢筋砼平口管(钢丝网水泥砂浆接口)、省标135度C15砼基础、省标丙型窨井(混凝土流槽式,假设为240度流槽)。
纵断面、管基断面图、窨井图(假设A=1.6m )如下所示。
1第4页 共16页已知:工程现状为农田,土质为三类干土;为减少土方工作量采用支撑直槽开挖,机械施工,所挖土方推土机推放于沟槽20米外堆放,回填时再用推土机推回,余方就地弃置;设计要求沟槽土方回填密实度为93%(重型击实);工程施工后按原地形恢复;每节钢筋砼管道长度为2米;窨井钢筋砼盖板采用成品构件;每座窨井体积暂定10立方米。
二○一四年江苏省建设工程造价员考试本卷为案例分析题,共四题。
初级做一~三题,总分100分;中、高级做一、三、四题,总分120分(具体要求见各题说明)。
多做和漏做均不得分。
要求分析合理,结论准确,并简要写出计算过程。
(数据保留小数点后两位,图示尺寸未具体标明者,除标高外计量单位均为mm)一、客观题(本题为单选题,本题分值40分,共20个问题,每个问题2分,只有一个正确答案,选错和多选均不得分,初、中、高级均做)(题目中未特别注明者均按2014年江苏省建筑与装饰计价定额子目不作调整,项目未注明者均位于檐高20m以内,一至六层楼之间。
)1.某装饰工程,包工包料,无工程设备费,该项目的分部分项工程费为200万元,脚手架费为10万元,临时设施费为2.5万元,装饰工程安全文明施工措施费基本费率为1.6%。
请根据2014年江苏省建设工程费用定额的规定,计算该工程的安全文明施工措施费基本费为()万元。
A.3.20 B.3.36 C.3.24 D.3.402.某装饰工程,包工包料,无工程设备费,该项目的分部分项工程费为300万元,措施费中:单价措施项目费为20万元,总价措施项目费为30万元;其他项目费用中:暂列金20万元,材料暂估价10万元;社会保险费率为2.2%。
请根据2014年江苏省建设工程费用定额的规定,计算该工程的社会保险费为()万元。
A.7.70 B.7.92 C.8.14 D.8.363.某办公楼在第20层进行装修,该项目的总人工工日数为2500工日,人工工资单价为每工日100元,管理费率42%,利润率15%;请根据2014年江苏省建筑与装饰计价定额的规定,计算该项目的超高施工增加费为()万元。
A.1.25 B.1.96 C.3.75 D.5.894.某大楼裙楼外墙干挂石材,铁件为后置埋件,总用量为10吨,型钢单价为每吨4200元,请根据2014年江苏省建筑与装饰计价定额的规定,计算该铁件制作的分部分项工程费为()万元。
2009年江苏省造价员考试土建案例试题一、某现浇砼框架结构别墅如下图所示,外墙为370厚多孔砖,内墙为240厚多孔砖(内墙轴线为墙中心线),柱截面为370×370mm(除已标明的外,柱轴线为柱中心线),板厚为100mm,梁高为600mm。
室内柱、梁、墙面及板底均做抹灰。
坡屋面顶板下表面至楼面的净高的最大值为4.24m,坡屋面为坡度1:2的两坡屋面。
雨篷YP1水平投影尺寸为2.10×3.00m, YP2水平投影尺寸为1.50×11.55m, YP3水平投影尺寸为1.50×3.90m。
请按建筑面积计算规范(GB/T50353-2005)和江苏省04年计价表规定,计算:1、建筑面积; 2、一层内墙砌筑脚手架;3、一层抹灰脚手架;4、外墙砌筑脚手架(山墙外墙脚手架算至山尖1/2处);5、外墙抹灰脚手架。
(2009t二)某单独招标打桩工程,断面及示意如图所示,设计静力压预应力圆形管桩75根,设计桩长18m(9+9m),桩外径400mm,壁厚35mm,自然地面标高-0.45m,桩顶标高-2.1m,螺栓加焊接接桩,管桩接桩接点周边设计用钢板,根据当地地质条件不需要使用桩尖,成品管桩市场信息价为2500元/m3。
本工程人工单价、除成品管桩外其他材料单价、机械台班单价按计价表执行不调整,企业管理费费率7%,利润费率5%,机械进退场费为6500元,检验试验费费率0.2%,临时设施费费率1.0%,安全文明施工措施费按1.8%,工程排污费费率1‰,建筑安全监督管理费费率1.9‰,社会保障费费率1.2%,公积金费率0.22%,税金费率3.44%,其他未列项目暂不计取,应建设单位要求管桩场内运输按定额考虑。
请根据上述条件按《建设工程工程量清单计价规范》(08)列出工程量清单(桩计量单位按“根”),并根据工程量清单按江苏省04计价表和09费用定额的规定计算打桩工程总造价。
(π取值3.14;按计价表规则计算送桩工程量时,需扣除管桩空心体积。
江苏省建设工程造价员资格考试装饰造价案例分析试卷本卷为案例分析题,共五题。
初级做一~四题,总分100分;中高级做二~五题,总分120分(具体要求见各题说明)。
多做和漏做均不得分。
要求分析合理,结论准确,并简要写出计算过程。
(数据保留小数点后两位,图示尺寸未具体标明者,计量单位均为mm)楼地面1、2007初级、(本题25分)某市一学院舞蹈教室,木地板楼面,木龙骨与现浇楼板用M8×80膨胀螺栓固定@400×800 mm,不设木垫块。
做法如下图所示,面积328 m2。
硬木踢脚线设计长度90m,毛料断面120×20 mm,钉在砖墙上,润油粉、刮腻子、聚氨酯清漆三遍。
请按清单计价规范和计价表规定,编制该教室木地板楼面工程的分部分项工程工程量清单及其相应的综合单价。
(未作说明的按计价表规定不作调整)答分部分项工程工程量清单套用计价表子目综合单价计算表分部分项工程量清单综合单价2、2009年、(本题初级25分,中高级30分)(初级做第1个问题,中级做1、2两个问题,高级3个问题全做)某公司办公室位于某写字楼三楼,平面尺寸见下图,墙体厚度除卫生间内墙为120mm外,其余均为240mm;门洞宽度:除进户门为1000mm 外其余均为800mm。
总经理办公室地面做法:断面为60×70 mm木龙骨地楞(计价表为60×50mm),楞木间距及横撑的规格、间距同计价表,木龙骨与现浇楼板用M8×80膨胀螺栓固定,螺栓设计用量为50套,不设木垫块,免漆免刨实木地板面层,实木地板价格为160元/m2,硬木踢脚线毛料断面为150×20 mm,设计长度为米,钉在墙面木龙骨上,踢脚线油漆做法为刷底油、刮腻子、色聚氨酯漆四遍;总工办及经理室为木龙骨基层复合木地板地面;卫生间采用水泥砂浆贴250×250 mm 防滑地砖(25mm厚1:防水砂浆找平层),防滑地砖价格元/块;其余区域地面铺设600×600mm地砖。
二○○×年江苏省工程造价编审专业人员资格考试装饰造价案例分析试卷100分;中级做二~五题,共四题,总分120分;高级做二~四题及第六题,共四题,总分120分。
多做或漏做的题均不得分。
要求分析合理,结论正确,并简要写出计算过程。
一、(本题20分)合价,具体做法与计价表不同的,综合单价需要换算。
(人工工资单价、管理费费率、利润费率二、(本题20分) 某餐厅楼梯栏杆如下图所示。
采用型钢栏杆,成品榉木扶手。
设计要求栏杆25×25方管与楼梯用M 8×80膨胀螺栓连接。
木扶手漆聚酯亚光漆三遍。
型钢栏杆防锈漆一遍,黑色调和漆三遍。
装饰单位二级资质,人工按60元/工日计算,成品榉木扶手价格85元/m, 其余材料价格按照计价表。
(注:25×4扁钢0.79kg/m,25×25×1.5方钢管1.18 kg)。
1、计算1m长楼梯栏杆的型钢用量;2、编制1m长楼梯栏杆的工程量清单及其相应的综合单价。
(一)1m长楼梯栏杆的型钢用量(二)套用计价表子目综合单价计算表(三)三、(本题35分)某装饰二级施工企业承接某单位12层办公楼装饰工程,其中某房间楼面花岗岩铺贴如下图所示.。
“1”代表白色花岗岩,“2”代表黑色花岗岩,“3”代表米黄色花岗岩,“4”代表紫色花岗岩,墙体厚度240,四周采用200mm宽黑色花岗岩镶边,小圆直径d=2m,小圆直径D=4.8m。
施工时先在现浇板上刷素水泥浆一遍,结合层采用30mm厚干硬性水泥砂浆,施工完毕后进行酸洗打蜡。
假设白色、黑色、米黄色及紫色花岗岩的市场价格分别为510元/㎡、320元/㎡、580元/㎡、300元/㎡,其他材料价格按04计价表,人工单价为60元/工日。
1、按计价表规定计算复杂图案的工程量及各石材的定额含量2、请按清单计价规范和计价表规定,编制该房间楼面工程的分部分项工程工程量清单及其相应的综合单价。
(未作说明的按计价表规定不作调整)楼面拼花布置图 (门洞口宽度为1200mm)(二)套用计价表子目综合单价计算表(三) 分部分项工程量清单综合单价四、(本题分值25分)某卫生间墙面装饰如下图所示。
江苏省建设工程造价员考试装饰造价案例分析试卷答案徐州市建筑工程定额管理站报送一、(本题25分)价及合价,具体做法与计价表不同的,综合单价需要换算。
(人工工资单价、管理费费率、二、(初级做问题1、2,分值25分;中级全做,分值30分)已知:某大厅内地面水泥砂浆一般镶贴花岗岩板,20厚1:3水泥砂浆打底,8厚1:1水泥砂浆结合层。
其中:做有下列图案花型,在现场切割,图案周边为芝麻灰色,中间为紫色红,紫红色外围为蒙古黑色,两道镶边,各宽200mm,外侧镶边南非红、内侧金米黄,材料价格:芝麻灰200元/m2,紫色红450元/m2,蒙古黑,300元/m2,南非红350元/m2,金米黄300元/m2.,其他不计。
1、列出地面镶贴分部分项工程量清单;2、按照计价表要求计算除图案以外各分项综合单价及合价3、针对图案进行清单组价。
分部分项工程工程量清单套用计价表子目综合单价计算表图案分项工程量清单综合单价三、(初级做问题1,分值20分;中级全做,分值25分) 某公司接待室墙面如下图。
红榉饰面踢脚线高120㎜,下部为红、白榉分色凹凸墙裙并带压顶12×25,上部大部分为丝绒软包,外框为红榉饰面。
不计算油漆,细木工板均为18厚。
(不考虑材差及费率调整)1、根据计价表计算分部分项工程量;2、计算分部分项综合单价及合价;(一)根据计价表计算规则计算工程量四、(初级仅计算分部分项工程费,分值25分;中级、高级全做,分值30分)某学院门厅采用不上人型轻钢龙骨(间距400×600),防火板基层,以为铝塑板,具体做法如下图。
吊筋为Φ8,板底标高为+4.500,有孔铝塑板价格为90元/㎡。
(不考虑价差和费率调整)1、根据计价表计算分部分项工程量;2、计算分部分项综合单价及合价;(一)工程量计算表(二)分部分项工程费为55元/工日。
白影木切片板50.39元/㎡,雀眼木切片板60.47元/㎡,白榉木实木收边线6.5元/m,细木工板43.5元/㎡,门洞尺寸如图),执手锁一把,门扇漆聚酯亚光清漆三遍.试计算该门清单造价。
一、根据下表提供的子目名称及做法,请按04计价表填写所列子目的计价表定额编号、综合单价及合价,具体做法与计价表不同的,综合单价需要换算。
(人工工资单价、管理费费率、利润费率不作说明的按计价表子目不做调整,项目未注明者均位于檐高20m以内,一至六层楼之间。
)二、某公司办公室位于某写字楼三楼,平面尺寸见下图,墙体厚度除卫生间内墙为120mm 外,其余均为240mm;门洞宽度:除进户门为1000mm外其余均为800mm。
总经理办公室地面做法:断面为60×70 mm木龙骨地楞(计价表为60×50mm),楞木间距及横撑的规格、间距同计价表,木龙骨与现浇楼板用M8×80膨胀螺栓固定,螺栓设计用量为50套,不设木垫块,免漆免刨实木地板面层,实木地板价格为160元/m2,硬木踢脚线毛料断面为150×20 mm,设计长度为15.24米,钉在墙面木龙骨上,踢脚线油漆做法为刷底油、刮腻子、色聚氨酯漆四遍;总工办及经理室为木龙骨基层复合木地板地面;卫生间采用水泥砂浆贴250×250 mm 防滑地砖(25mm厚1:2.5防水砂浆找平层),防滑地砖价格3.5元/块;其余区域地面铺设600×600mm地砖。
(未作说明的按计价表规定不作调整)1、根据题目给定的条件,按计价表规定计算该公司各区域地面面层及踢脚线的工程量;2、根据题目给定的条件,按计价表规定计算总经理室有关项目的计价表综合单价。
3、根据题目给定的条件,按08清单计价规范编制该公司有关项目的分部分项工程量清单以及总经理室、卫生间地面工程量清单综合单价。
【主要考点】1、计算地板及地砖工程量时,应按主墙间净面积计算,应扣除凸出地面的柱所占面积,门洞开口部分面积另增并入相应的面层内计算。
而清单中的工程量则是不扣柱,门窗洞口亦不增加。
2、踢脚线按图示尺寸以实贴延长米计算,门洞扣除,侧壁增加。
3、木地板龙骨断面与定额不符时,按比例调整。
同时木楞与楼板用膨胀螺栓连接,按设计用量另增膨胀螺栓、电锤0.4台班。
4、硬木踢脚线钉在墙面木龙骨上应扣除成材0.091M3【解题思路】(一)、按题目要求计算楼地面工程量总经理办公室铺实木地板:(5.2-0.24)×(3.4-0.24)(按主墙间净面积,门洞处开口按图示不加)=15.67 m2硬木踢脚线:15.24米(按题意)总工办铺复合地板:(3.6-0.24)×(3.4-0.24)(按主墙间净面积,门洞处开口按图示不加)=10.62 m2经理室铺复合地板:(3.2-0.12-0.06)×(3.6-0.24) (按主墙间净面积,门洞处开口按图示不加)=10.15 m2卫生间贴防滑地砖;(2.5-0.24)×(1.8-0.12-0.06) (按主墙间净面积,门洞处开口按图示不加)=3.66 m2办公区及接待区域贴地砖:办公区:(1.80-012-0.06)×(2.4+5.2-1.3-0.12)+0.24×0.8×2(总经理室、总工办门洞)+0.12×0.8×2(卫生间、经理室门洞)+(3.2-0.12+0.06)×(5.2-0.24)-0.16×0.4(扣柱)+0.24×0.8(接待区门洞)接待区(1.8-0.24)×(2.3+1.24-0.24)+0.24×1.0(进户门门洞)合计:31.70 m2(二)、据题意,总经理办公室有木楞、实木地板、硬木踢脚线及油漆,应分别套用计价表子目计算综合单价12-123换铺设木楞计价表子目综合单价换算为17.36(定额人工费用)+[(60×70(题目中木楞尺寸)/60×50(定额中木楞尺寸))×0.082(定额木楞含量)+0.033(定额横撑含量)] ×1599+(50题目中设计用量/15.67地板实铺面积) ×10(定额单位)×0.95(预算价格)+4.86+2.00(原定额材料费)+(17.36+14.73+0.4×8.14(增加的电锤台班))×1.37(管理费及利润)=321.92元12-129换免漆免刨实木地板 2362.43-2082.89+10.5×160=1959.54元(按题意换算木地板材料单价)12-137换硬木踢脚线 1165.41-0.091×1599(扣除成材料0.091M3)=1019.90元16-130+16-138 踢脚线油漆 29.48+8.13(增加一遍色聚氨酯漆)=37.56元.(三)、根据题意,按08清单计价规范编制该公司有关项目的分部分项工程量清单以及总经理室、卫生间地面工程量清单综合单价,包括地砖、地板、踢脚线等。
分部分项工程工程量清单分部分项工程量清单综合单价计算:卫生间块料楼地面:316.91/3.86=82.10元总经理室:免漆免刨实木地板:综合单价含铺设木楞及免漆地板(1.57×321.93+1.57×1959.54)/15.67=228.58元木质踢脚线:综合单价含踢脚线及其油漆:(0.152×155.02+1.52×57.17)/2.29=92.62元。
三、某宾馆一层楼梯栏杆如下图所示,采用型钢栏杆,成品榉木扶手,设计要求栏杆25×25×1.5方管与楼梯按预埋件焊接(考初、中级者按此考虑)。
成品木扶手批腻子,刷聚酯封闭漆,透明底漆各二遍,聚酯哑光漆三遍。
型钢栏杆红丹防锈漆一遍,黑色调和漆三遍。
装饰工程管理费率42%,利润率15%,人工60元/工日,成品榉木扶手价格80元/M,其余材料价格按照计价表不变。
高级做此题时,设计要求栏杆25×25×1.5方管与楼梯按M8*80膨胀螺栓连接考虑,其他不变。
(注:理论重量25×4扁钢0.79kg/m,25×25×1.5方管1.18kg/m,损耗率6%)。
1、计算图示1米斜长楼梯栏杆的型钢用量;2、根据04计价表,计算1米斜长楼梯栏杆的综合单价。
3、08清单规范要求,编制图示1米斜长楼梯栏杆的清单及综合单价。
【主要考点】1、根据图示尺寸计算型钢的用量,换算定额单价时应考虑损耗率。
2、设计成品木扶手安装,每10米扣除制作人工2.85工日,定额中硬木成材扣除,按规定的价格进行换算综合单价,若栏杆与楼梯踏步的连接设计用螺栓时,每10米另增0.35工日,M10×100膨胀螺栓10只,铁件1.25kg,合金刚钻头0.13只,电锤0.13台班,其中铁件中仍要分析人工。
3、楼梯栏杆油漆套用其他金属面油漆定额时需要乘以系数1.71。
【解题思路】(一)、根据图示尺寸计算每米楼梯栏杆型钢用量:25×4扁钢(1.00+0.42+0.85+0.45+0.55+0.45+0.30)(图示尺寸)×0.79(理论重量)×1×1.06(定额损耗量)=3.367kg25×25×1.5方管(0.95×1+0.975×2) (图示尺寸)×1.18(理论重量)×1×1.06(定额损耗量)=3.627kg合计:6.99 kg(二)、套用计价表子目计算综合单价1、套用计价表子目“型钢栏杆木扶手制作安装”12-162换(1)方管与楼梯按预埋件焊接定额人工费计算:( 8.15-2.85扣除木扶手制作人工工日)×60(题目给定人工单价=318元定额材料费计算::543.07-232.66+80×10.6根据题意换算成品扶手价格-143.4+3.367×3×10换算扁钢用量-152.29+3.627×3.25×10换算方管用量=1081.62元机械费:201.91元定额单价不变管理费:(318+201.91)×42%=218.36元利润: (318+201.91)×15%=77.99元综合单价为:318+1081.62+201.91+218.36+77.99=1897.88元(2)栏杆与楼梯踏步的连接设计用螺栓定额人工费计算:( 8.15-2.85扣除木扶手制作人工工日+0.35膨胀螺栓增加人工+1.25×3.6/1000增加的1.25kg铁件其中的制作人工)×60(题目给定人工单价=339.27元定额材料费计算::543.07-232.66+80×10.6根据题意换算成品扶手价格-143.4+3.367×3×10换算扁钢用量-152.29+3.627×3.25×10换算方管用量+10×0.95增加膨胀螺栓材料费+0.13×19增加合金钢钻头材料费用+1.25×3580.47/1000增加铁件制作材料费=1098.06元机械费:201.91+0.13×8.14增加电锤台班费用+1.25×1066.62/1000增加铁件制作机械费=204.30元定额单价不变管理费:(339.27+204.30)×42%=228.30元利润: (339.27+204.30)×15%=81.54元综合单价为:339.27+204.30+1098.06+228.30+81.54=1951.47元2、套用计价表子目“木扶手聚酯清漆二遍”16-167换0.74×60×(1+42%+15%)换算人工工资单价+25.36=95.07元3、套用计价表子目“金属面调和漆二遍”16-260换1.98×60×(1+42%+15%)换算人工工资单价+55.92=242.44元4、套用计价表子目“金属面增加调和漆一遍”16-262换0.95×60×(1+42%+15%)换算人工工资单价+28.48=117.97元5、套用计价表子目“金属面防锈漆一遍”16-264换1.08×60×(1+42%+15%)换算人工工资单价+46.96=148.70元(三)计算分部分项工程量清单综合单价综合单价计算为:1897.88×0.1+95.07×0.1+242.44×0.00699×1.71+117.97×0.00699×1.71+148.708×0.00699×1.7=205.41元四、某二级装饰企业独立承建某综合楼的二楼会议室装饰天棚吊顶。