基础分部工程质量验收记录
- 格式:doc
- 大小:133.51 KB
- 文档页数:7
基础分部工程质量验收记录一、工程概况项目名称:大楼基础工程工程地点:省市承包商:建筑公司工程监理单位:监理公司二、验收时间与验收人员验收时间:2024年1月1日验收人员:项目负责人、监理工程师、建设单位负责人等三、验收内容1、施工工艺(1)地基基准点的确定:验收人员核实了地基基准点的位置和高程,并与设计图纸进行了对比,确认地基基准点的准确性。
(2)地下水处理:施工单位采取了相应的措施,包括排水、井点、泵站等,对地下水进行有效的处理和控制。
(3)基坑开挖:施工单位对基坑开挖的深度、坡度、坡顶宽度等进行了仔细测量,并按照图纸要求进行了施工,确保基坑开挖符合要求。
(4)同一地基处理:验收人员查看了同一地基处理的实施情况,包括挡土墙和护坡等,施工单位采取了合适的措施,确保同一地基的稳定性。
2、土方工程(1)土方的开挖:验收人员对土方工程的开挖进行了检查,包括土方开挖的深度、坡度、坡顶宽度等。
同时,还查看了土方的质量,确保土方的稳定和结构安全。
(2)土方的填筑:验收人员对土方工程的填筑进行了检查,包括填土的层次、均匀性和压实度等。
同时,还查看了填土的质量,确保填土的稳定和结构安全。
(3)软基处理:验收人员查看了软基处理的实施情况,包括加固地基、灌浆处理等。
施工单位采取了相应的措施,确保软基的稳定性和安全性。
3、桩基工程(1)桩基施工方案:验收人员查看了桩基施工方案,并核实了施工单位是否按照方案进行施工。
(2)桩基材料质量:验收人员对桩基材料的质量进行了检查,包括桩身的强度、钢筋的焊接质量等。
(3)桩基施工工艺:验收人员查看了桩基施工的工艺流程,包括钻孔、灌注、沉桩等环节。
同时,还对桩基施工的精度进行了检查。
四、结论与意见经过对基础分部工程的全面检查和评估,结论如下:1、施工单位按照图纸要求进行施工,施工工艺正确,各项工程均符合设计要求;2、土方工程的开挖和填筑符合要求,土方质量良好;3、软基处理措施得当,软基良好;4、桩基工程施工方案合理,桩基材料质量可靠,桩基施工精度达到要求。
地基与基础分部工程质量验收记录一、工程概述本工程为地基与基础分部工程,主要包括地基处理、基础开挖、基础填筑和基础加固等工作。
验收内容包括地基处理质量、基础开挖质量、基础填筑质量和基础加固质量四个方面。
二、验收内容及标准1.地基处理质量验收:-地基处理工作是否按照设计要求进行;-施工过程中地基处理工序是否符合规范;-地基处理的稳定性工作是否得到保证。
2.基础开挖质量验收:-基础开挖是否符合设计要求,如开挖深度、开挖斜坡等;-开挖过程中是否进行了有效的支护和排水措施;-基础开挖是否平整,无明显裂缝、滑动、塌方等现象。
3.基础填筑质量验收:-基础填筑材料是否符合规范要求;-基础填筑层的厚度、均匀度是否满足设计要求;-填筑过程中是否进行了有效的夯实和排气措施。
4.基础加固质量验收:-基础加固工程是否按照设计要求进行;-加固工程中使用的材料和设备是否符合规范;-加固效果是否达到设计要求。
三、验收程序及结果记录1.地基处理质量验收:-验收程序:检查地基处理施工记录、检查地基处理的合格证明、实地检查地基处理的稳定性工作。
-验收结果:地基处理质量符合规范要求。
2.基础开挖质量验收:-验收程序:检查基础开挖设计图纸、实地检查基础开挖施工过程、测量基础开挖的深度和坡度等。
-验收结果:基础开挖质量符合规范要求。
3.基础填筑质量验收:-验收程序:检查填筑层厚度记录、测量填筑层厚度和均匀度、观察填筑过程中夯实和排气措施。
-验收结果:基础填筑质量符合规范要求。
4.基础加固质量验收:-验收程序:检查加固工程设计图纸、检查加固材料和设备质量证明、实地检查加固工程施工过程。
-验收结果:基础加固质量符合规范要求。
四、验收结论与建议经过对地基与基础分部工程的质量验收,得出以下结论:1.地基处理质量、基础开挖质量、基础填筑质量和基础加固质量都符合规范要求。
2.施工过程中采取了有效的支护和排水措施,确保了施工安全和质量。
3.现场施工人员遵守了相关规范要求,工程过程中无违规行为。
基础分部工程质量验收记录一、项目名称:XXXX工程二、工程内容:本次验收的工程内容主要包括XXXXX三、工程验收时间:2024年X月X日四、参与验收人员:XXXXX五、工程介绍:(一)工程的规模和主要结构:本次工程的规模为XXXXX,主要结构包括XXXXX。
(二)工程的主要材料:本次工程的主要材料包括XXXXX,材料的质量符合相关标准要求。
(三)工程的主要施工工艺:本次工程的主要施工工艺包括XXXXX,工艺的实施符合相关标准要求。
六、分部工程的验收情况:分部工程名称:XXXXX验收时间:XXXX年X月X日验收人员:XXXXX验收结论:本分部工程的施工符合设计要求和相关规范要求,并通过了验收。
分部工程名称:XXXXX验收时间:XXXX年X月X日验收人员:XXXXX验收结论:本分部工程的施工符合设计要求和相关规范要求,并通过了验收。
......(继续列举其他分部工程的验收情况)七、存在的问题和整改要求:(一)问题描述:1.问题1:XXXXX问题描述:XXXXX整改要求:XXXXX2.问题2:XXXXX问题描述:XXXXX整改要求:XXXXX(二)问题发现时间:XXXX年X月X日(三)问题整改完成时间:XXXX年X月X日八、工程质量验收结论:经过对工程的质量验收,本次工程的施工符合设计要求和相关规范要求,并已整改存在的问题。
工程各分部工程的质量达到验收要求。
九、附图及资料:1.工程平面图2.施工工艺图3.材料验收记录4.分部工程验收照片5.工程管理资料等以上为本次分部工程质量验收记录,共计XXX字。
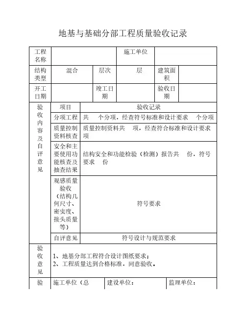
地基与基础分部工程质量验收记录
工程
名称
施工单位
结构类型混合层次层建筑面
积
开工日期竣工日
期
验收日
期
验收内容及自评意见
项目验收记录
分项工程共个分项,经查符号标准和设计要求个分项
质量控制
资料核查
质量控制资料共项,经查符合标准和设计要求
项
安全和主
要使用功
能核查及
抽查结果
结构安全和功能检验(检测)报告共份,符号
要求份
观感质量
验收
(结构几
何尺寸、
密实度、
接头质量
等)
符号要求
自评意见符号设计与规范要求
验
收意见1、地基分部工程符合设计图纸要求;
2、工程质量达到合格标准,同意验收。
验施工单位(总建设单位:监理单位:
收单位包):
项目经理:
(公章)
年月日
项目责任人:
(公章)
年月日
总监理工程师:
(公章)
年月日
设计单位:
设计责任人:
(公章)
年月日
勘察单位:
项目责任人:
(公章)
年月日
相关单位:
项目责任人:
(公章)
年月日。
地基与基础分部工程验收记录一、项目概述本次验收的地基与基础分部工程是建筑项目的重要组成部分,负责承载整个建筑物的重量,并将其传递到地下基础中,以确保建筑物的稳定和安全。
二、验收方案本次验收按照国家相关标准和规范进行,主要包括以下内容:1.监测数据分析:通过对地基和基础的监测数据进行分析,评估其稳定性和承载能力。
2.实地勘查:对地基和基础进行实地勘查,确认其与设计图纸的符合程度。
3.施工工艺与质量检查:对施工工艺和材料进行检查,确保其符合相关标准和规范要求。
4.施工记录和档案检查:检查施工记录和档案是否完备,包括施工日志、工程量清单、材料验收记录等。
三、验收内容1.地基验收1.1施工方式:地基施工采用了挖掘、回填和压实的方式进行,施工现场整洁、有序。
1.2地基土质:经现场勘测和实验室测试,地基土质符合设计要求,其承载能力满足工程要求。
1.3沉降观测:地基沉降观测数据显示,整体沉降稳定,未出现大幅度偏离设计值的情况。
1.4地下水位:地下水位监测数据显示,地下水位控制在合理范围之内,不会对地基造成不利影响。
1.5设计标高:地基标高与设计标高基本一致,未发现明显的误差。
1.6施工监理记录:施工监理记录完整,包括沉降观测记录、地下水位监测记录等。
2.基础验收2.1基础尺寸:基础尺寸与设计图纸要求一致,未发现明显的误差。
2.2基础深度:基础深度符合设计要求,并通过实测验证其与设计值的一致性。
2.3地下室验收:地下室基础施工符合设计要求,地下室结构完整、无明显裂缝。
2.4基础材料:基础材料符合建设工程材料质量检验标准要求,不存在质量问题。
2.5基础连接:基础连接部位符合设计要求,连接牢固,无松动现象。
2.6基础施工记录:基础施工记录完整,包括草稿、验收图纸、模板和支撑记录等。
四、问题及处理在本次验收过程中,针对以下问题进行了处理:1.在地基施工过程中,发现了一处地基土质较松散的现象,经过挖掘和回填压实处理后,问题得到解决。
地基与基础分部工程质量验收记录
地基与基础分部工程质量查收记录
工程名称
施工单位
分包单位
序号子分部工程名称
1无支护挖土子分部工程
2有支护挖土子分部工程
地基及基础办理子分部3
工程
4桩基子分部工程
5地下防水子分部工程6混凝土基础子分部工程7砌体基础子分部工程劲
钢(管)混凝土子分
8
部工程
9钢构造子分部工程
构造种类层数
技术部门质量部门
负责人负责人
分包单位分包技术
负责人负责人
查验
施工单位检查评定查收建议批数
质量控制资料
构造实体查验报告
观感质量查收
分包单位项目经理 2 0 0年月日验
施工单位项目经理 2 0 0年月日
收勘探单位项目负责人 2 0 0年月日单
位
设计单位项目负责人 2 0 0年月日
监理(建设)单位
总监理工程师
2 0 0
(建设单位项目专业负责人)年月日。
基础分部工程验收记录一、工程概况项目名称:XXX建筑工程项目工程地点:XXX省XXX市建设单位:XXX公司施工单位:XXX公司设计单位:XXX设计院监理单位:XXX监理公司验收时间:XX年XX月XX日二、验收内容三、验收情况1.土方开挖施工单位按照设计要求对土方开挖进行了施工,土方开挖数量、坡度和坡高符合设计要求,未发现开挖不规范、裂缝、塌方等问题。
2.地基处理施工单位根据设计要求对地基进行了处理,包括强夯、加固、处理等措施。
经现场检查,地基处理符合设计要求,未发现处理不规范的情况。
3.桩基与基础施工单位按照设计要求进行桩基施工,桩基数量、深度和质量满足设计要求,未发现桩基沉降、倾斜等问题。
基础施工采用了混凝土浇筑,混凝土强度达到设计要求,未出现渗漏、开裂等情况。
4.砌体与模板施工单位按照设计要求进行了砌体墙体的砌筑和模板搭设。
砌体墙体垂直度、平整度、强度等满足设计要求,未发现裂缝、空鼓、晃动等问题。
模板搭设牢固、尺寸准确,未出现倾斜、脱落等情况。
5.防水与排水施工单位按照设计要求进行了防水和排水工程施工。
防水层施工牢固、平整,未发现渗漏、开裂等情况。
排水系统畅通,排水管道布设到位,未出现堵塞、渗漏等问题。
6.地下室结构地下室结构施工包括地下室墙体、地下室楼板等。
墙体和楼板施工质量良好,墙体垂直度和楼板平整度满足设计要求,未发现裂缝、空鼓等问题。
四、存在问题及整改措施在基础分部工程验收中,存在以下问题:1.土方开挖过程中未遵守施工现场管理规定,导致周围环境受到一定影响。
施工单位应加强施工现场管理,做好环境保护工作。
整改措施:施工单位将加强施工现场管理,严格按照环保要求进行施工,确保不对周围环境造成污染。
五、验收结论经过现场勘验和检查,该工程的基础分部工程符合设计要求和相关施工规范,质量可接受。
施工单位在整改存在问题后,可以进行下一步的工程施工。
六、相关附件1.验收图纸及技术文件2.相关验收记录和文件七、编制单位监理单位:XXX监理公司八、验收人员1.建设单位代表2.施工单位代表3.设计单位代表4.监理单位代表5.相关专业验收人员以上为基础分部工程验收记录,验收结论可根据具体情况进行调整。
基础分部工程质量验收记录分部工程质量验收记录是指在工程建设过程中,对每个分部工程进行质量验收,并将验收结果进行记录的一种文档。
下面是一篇关于分部工程质量验收记录的范文,供参考。
项目名称:XXX工程项目地点:XXX地区质量验收日期:XXXX年XX月XX日一、工程概况本工程位于XXX地区,共包括XXX分部工程。
分部工程主要包括施工基础、主体结构、装饰装修、给排水及电气等。
二、分部工程验收情况1.施工基础:验收时间:XXXX年XX月XX日验收单位:XXXX监理公司验收人员:XXX工程师、XXX工程师验收结论:经过验收,施工基础符合设计要求,无明显质量问题。
2.主体结构:验收时间:XXXX年XX月XX日验收单位:XXXX监理公司验收人员:XXX工程师、XXX工程师、XXX设计师验收结论:经过验收,主体结构牢固可靠,各节点连接处无明显开裂或渗漏现象。
3.装饰装修:验收时间:XXXX年XX月XX日验收单位:XXXX监理公司验收人员:XXX工程师、XXX工程师、XXX设计师、XXX室内设计师验收结论:经过验收,装饰装修工程符合设计要求,无明显质量问题。
墙面拼接平整、地面铺装整齐。
4.给排水:验收时间:XXXX年XX月XX日验收单位:XXXX市水利局验收人员:XXX工程师、XXX工程师、XXX设计师、XXX市水利局工作人员验收结论:经过验收,给排水工程各部位运行正常,无明显渗漏或堵塞。
5.电气:验收时间:XXXX年XX月XX日验收单位:XXXX市电力公司验收人员:XXX工程师、XXX工程师、XXX设计师、XXX市电力公司工作人员验收结论:经过验收,电气工程设备正常运行,无短路、漏电等隐患。
三、分部工程质量问题及处理情况1.施工基础:无2.主体结构:无3.装饰装修:无4.给排水:无5.电气:无四、总结经过对分部工程进行质量验收,各个分部工程均符合设计要求,无明显质量问题。
项目建设单位将继续做好工程竣工验收及相关文件归档工作。
子分部工程安全和功能检验资料核查及主要功能抽查记录 H01(□□)01B
抽查项目由验收组协商确定
单位(子单位)工程施工质量竣工预验收报验表
建筑地基基础分部工程施工质量验收记录
砌体基础子部分工程施工观感质量检查评价记
表3。
4。
5 H0107(□□□
□)
砌体基础子分部工程施工质量控制资料核查记录
表3。
4.5 H0107(□□□□)
子分部工程施工质量控制资料核查记录
表3.4.5 H0107(□□□□)
混凝土基础子部分工程施工观感质量检查评价记
混凝土基础结构子分部工程施工质量验收记录
表3。
1.4 H0107(□□□□)
土方开挖工程检验批施工质量验收记录
上方回填工程检验批施工质量验收记录
模板安装工程检验批施工质量验收记录
模板拆除工程检验批施工质量验收记录
表5.3。
11 H010101(□□□□□□)□□A
钢筋加工工程检验批施工质量验收记录
钢筋安装工程检验批施工质量验收记录
表6.2。
22 H020102(□□□□□□)□□B
现浇结构外观及尺寸偏差检验批施工质量验收记录
表9.1.18 H020102(□□□□□□)□□A
混凝土工程检验批施工质量验收记录
表7.4。
1 H020103(□□□□□□)□□A。
分部工程质量验收记录
工程项目名称:________________
工程项目地点:________________
验收日期:_________________
验收单位:_________________
一、基本情况
1.分部工程名称:________________
2.施工单位:_________________
3.监理单位:_________________
4.设计单位:_________________
二、质量验收内容
1.对分部工程的施工质量进行检查,包括但不限于材料质量、施工工艺、规范要求等方面。
2.检查分部工程的符合设计图纸要求情况。
3.检查分部工程的施工过程中是否存在违反规定的现象,如偷工减料等。
4.对施工单位的施工人员进行技术交底,确保了解相关规范要求。
三、验收结果
1.经过质量验收,分部工程的质量达到了设计要求,并符合相关规范标准。
2.未发现施工中违反规定的现象,施工单位积极配合验收工作。
3.监理单位认为可以验收合格,予以通过。
四、下一步工作
1.对验收合格的分部工程进行档案归档,确保施工过程的记录完整准确。
2.落实验收结果,及时通知相关单位,并确保后续工程进度顺利进行。
3.同时加强对施工单位的监督,确保施工质量不降低,按照规定进行工程施工。
五、相关附件
1.验收人员签字:________________
2.监理单位意见:_________________
3.设计单位意见:_________________
以上为本次分部工程质量验收记录,如有需要进一步了解,可查阅相关资料。
地基与基础分部工程质量验收记录地基与基础分部工程质量验收记录是一个重要的建筑工程质量文件,用于记录和评估地基和基础分部工程的质量是否符合国家相关标准和规定。
以下是地基与基础分部工程质量验收记录的主要内容:1、工程信息:包括工程名称、、施工单位、设计单位、监理单位等信息,以及地基与基础分部工程的具体范围和内容。
2、地质条件:描述地基所在的土壤类型、地质构造、地下水位等信息,以及地基土质的工程性质指标,如地基承载力、压缩模量等。
3、施工过程及质量控制:描述地基与基础工程的施工过程,包括施工方法、材料、设备、工艺等,并对施工过程中的关键环节和重要质量控制点进行记录和分析。
同时,还需对施工过程中的质量问题和处理措施进行记录和说明。
4、检验检测结果:对地基与基础工程的各项检验检测结果进行记录和分析,包括地基处理、基础施工、桩基施工等环节的质量检测。
检验检测结果应符合国家相关标准和规定,如《建筑地基基础工程施工质量验收规范》、《建筑桩基技术规范》等。
5、验收结论:根据检验检测结果和相关标准和规定,对地基与基础分部工程的质量进行评估和验收。
验收结论应包括是否同意验收、验收等级、存在的问题和整改措施等内容,并由建设单位、施工单位、设计单位、监理单位等相关单位签署确认。
6、后续工作及注意事项:在地基与基础分部工程质量验收记录中,还需明确后续工作及注意事项,包括需要进一步完善的工程内容、质量问题的处理措施、使用和维护管理等方面的要求,以确保工程质量的稳定性和安全性。
地基与基础分部工程质量验收记录是一个重要的质量文件,对于保证建筑工程的整体质量和安全性具有重要意义。
在填写记录时,应认真细致地记录施工过程和检验检测结果,并对质量问题和处理措施进行详细说明和分析,以确保工程质量的稳定性和可靠性。
分部工程施工质量验收记录
一、验收项目:xxxxxxx
项目名称:xxxxxxx
验收时间:xxxx年xx月xx日
施工单位:xxxxxxx
监理单位:xxxxxxx
二、验收依据:
三、验收记录:
1.施工单位应提供相关资料,包括设计文件、施工方案、工程质量检验报告等。
2.验收人员对施工现场进行实地检查,对项目的合规性、施工质量进行评估。
四、验收结果:
1.对施工单位的资料进行审核,经比对确认无误。
2.验收人员对施工现场进行了全面的检查,并与设计文件进行对照,发现XXXXX(问题1),应立即整改。
3.验收人员对施工现场进行了细致的检查,并与工程质量检验报告进行对照,发现XXXXX(问题2),应立即整改。
五、整改措施:
1.针对问题1,要求施工单位立即采取措施进行整改,整改后重新进行施工质量验收。
2.针对问题2,要求施工单位立即采取措施进行整改,整改后重新进行施工质量验收。
六、验收结论:
1.经检查和整改,问题1已经得到了解决,符合相应的规范要求。
2.经检查和整改,问题2已经得到了解决,符合相应的规范要求。
七、质量验收报告:
1.附图:提供验收前后的施工照片,包括问题1以及整改后的照片。
2.附表:提供施工质量检验报告、评价表等相关资料。
八、验收人员:
审核人:xxxxxxx
监理人员:xxxxxxx
九、备注:
备注栏可以填写未验收合格的具体原因和整改措施。
十、签字确认:
施工单位负责人签字:_________________
监理单位负责人签字:_________________。
基础分部工程质量验收记录
单位(子单位)工程名称子分部工程
数量
3
分项工程
数量
7
施工单位项目负责人
技术(质量)负责人
分包单位/分包单位负
责人
/分包内容/
序号子分部工程名称分项工程名称检验批数量
施工单位
检查结果
监理单位验收结论
1 无支护土方子分部土方开挖 1 √
2 无支护土方子分部土方回填 1 √
3 混凝土结构子分部模板 3 √
4 混凝土结构子分部钢筋 2 √
5 混凝土结构子分部混凝土 4 √
6 混凝土结构子分部现浇结构 2 √
质量控制资料齐全、有效
安全和功能检验结果齐全、有效,符合设计及
规范要求
感官质量检验结果良好综
合
验
收
结
论
建设单位
项目负责人:
年月日施工单位
项目负责人:
年月日
勘察单位
项目负责人:
年月日
设计单位
项目负责人:
年月日
监理单位
总监理工程师:
年月日
单位(子单位)工程名称分部(子分部)工
程名称
无支护土方
分项工程数量 1 检验批数量 1
施工单位项目负责人
项目技术
负责人
分包单位
/ 分包单位项目负责
人
/ 分包内容/
序号检验批名称
检验批
容量
部位/区段
施工单位
检查结果
监理单位验收结论
1 土方开挖工程 1 基础√
说明:
施工单位
检查结果
项目专业技术负责人:
年月日
监理单位
验收结论专业监理工程师:
年月日
单位(子单位)工程名称分部(子分部)工
程名称
无支护土方
分项工程数量 1 检验批数量 1
施工单位项目负责人
项目技术
负责人
分包单位
/ 分包单位项目负责
人
/ 分包内容/
序号检验批名称
检验批
容量
部位/区段
施工单位
检查结果
监理单位验收结论
1 土方回填工程 1 基础√
说明:
施工单位
检查结果
项目专业技术负责人:
年月日
监理单位
验收结论专业监理工程师:
年月日
单位(子单位)工程名称分部(子分部)工
程名称
混凝土
分项工程数量 1 检验批数量 3
施工单位项目负责人
项目技术
负责人
分包单位
/ 分包单位项目负责
人
/ 分包内容/
序号检验批名称
检验批
容量
部位/区段
施工单位
检查结果
监理单位验收结论
1 模板安装 1 垫层√
2 模板安装 1 基础筏板√
3 模板拆除 1 基础筏板√
说明:
施工单位
检查结果
项目专业技术负责人:
年月日
监理单位
验收结论
专业监理工程师:
年月日
单位(子单位)工程名称分部(子分部)工
程名称
混凝土
分项工程数量 1 检验批数量 2
施工单位项目负责人
项目技术
负责人
分包单位
/ 分包单位项目负责
人
/ 分包内容/
序号检验批名称
检验批
容量
部位/区段
施工单位
检查结果
监理单位验收结论
1 钢筋加工工程 1 基础筏板√
2 钢筋安装工程 1 基础筏板√
说明:
施工单位
检查结果
项目专业技术负责人:
年月日
监理单位
验收结论专业监理工程师:
年月日
混凝土分项工程质量验收记录
单位(子单位)工程名称分部(子分部)工
程名称
混凝土
分项工程数量 1 检验批数量 4
施工单位项目负责人
项目技术
负责人
分包单位
/ 分包单位项目负责
人
/ 分包内容/
序号检验批名称
检验批
容量
部位/区段
施工单位
检查结果
监理单位验收结论
1 混凝土原材料及配合
比设计检验批
1 垫层√
2 混凝土原材料及配合
比设计检验批
1 基础筏板√
3 混凝土施工检验批 1 垫层√
4 混凝土施工检验批 1 基础筏板√
说明:
施工单位
检查结果
项目专业技术负责人:
年月日
监理单位
验收结论专业监理工程师:
年月日
现浇结构分项工程质量验收记录
单位(子单位)工程名称分部(子分部)工程
名称
混凝土
分项工程数量 1 检验批数量 2
施工单位项目负责人
项目技术
负责人
分包单位
/ 分包单位项目负责
人
/ 分包内容/
序号检验批名称
检验批
容量
部位/区段
施工单位
检查结果
监理单位验收结论
1 现浇结构外观及尺寸
偏差检验批
1 垫层√
2 现浇结构外观及尺寸
偏差检验批
1 基础筏板√
说明:
施工单位
检查结果
项目专业技术负责人:
年月日
监理单位
验收结论专业监理工程师:
年月日。