LED灯的恒流驱动芯片介绍_上_
- 格式:pdf
- 大小:3.46 MB
- 文档页数:7
LED恒流驱动简介由于LED是特性敏感的半导体器件,又具有负温度特性,因而在应用过程中需要对其进行稳定工作状态和保护,从而产生了驱动的概念。
LED器件对驱动电源的要求近乎于苛刻,LED不像普通的白炽灯泡,可以直接连接220V的交流市电。
LED是2~3伏的低电压驱动,必须要设计复杂的变换电路,不同用途的LED灯,要配备不同的电源适配器。
国际市场上国外客户对LED驱动电源的效率转换、有效功率、恒流精度、电源寿命、电磁兼容的要求都非常高,设计一款好的电源必须要综合考虑这些因数,因为电源在整个灯具中的作用就好比像人的心脏一样重要。
LED驱动电源把电源供应转换为特定的电压电流以驱动LED发光的电压转换器,通常情况下:LED驱动电源的输入包括高压工频交流(即市电)、低压直流、高压直流、低压高频交流(如电子变压器的输出)等。
而LED驱动电源的输出则大多数为可随LED正向压降值变化而改变电压的恒定电流源。
LED电源核心元件包括开关控制器、电感器、开关元器件(MOSfet)、反馈电阻、输入滤波器件、输出滤波器件等等。
根据不同场合要求、还要有输入过压保护电路、输入欠压保护电路,LED开路保护、过流保护等电路。
LED的恒流驱动用LED作为显示器或其他照明设备或背光源时,需要对其进行恒流驱动,主要原因是:1. 避免驱动电流超出最大额定值,影响其可靠性。
2. 获得预期的亮度要求,并保证各个LED亮度、色度的一致性3.能有效的避免雷击,电网的浪涌,过电流,过电压的保护,使LED寿命提高。
存在问题:要处理好散热问题,散热问题没有处理好就会影响LED寿命。
目前LED均采用直流驱动,因此在市电与LED之间需要加一个电源适配器即LED 驱动电源。
它的功能是把交流市电转换成合适LED的直流电。
根据电网的用电规则和LED 的驱动特性要求,在选择和设计LED驱动电源时要考虑到以下几点:1.高可靠性特别像LED路灯的驱动电源,装在高空,维修不方便,维修的花费也大。
常见的几款LED驱动芯片简介常见的几款LED驱动芯片简介为IC设计企业了解市场需要什么样的IC,应该制定什么价位中合适。
价格随时会变动只能为参考值。
质量和价格是决定是否采用的因数,符合产品设计质量参数要求很重要!价格更重要!现在越来越多的IC设计厂家加入了LED设计队伍,设计出众多型号,在此从性能价格比方面详细的谈谈,怎样选择自己合适的IC,哪些IC最合适自己准备设计的产品。
1、市场褒贬不一的LED驱动IC-AMC7150在当时AMC7150还是不错的,我想了想还是提提,它有个很重要的因数就是价格,有不到2元的市场价格,是你采用它的理由。
AMC7150目前有几十家可以直接替换的IC型号,价格战会无法避免。
在设计参数要求不高的低压4-25V产品中可以选择它,基本驱动能力在3W以下应用设计。
比如1W串3颗或3W 1颗LED设计是稳定的。
2、杭州士兰微电子-SB42511目前士兰半导体推出新款IC,主要是针对驱动24V驱动6颗LED 市场。
价格要高于AMC7153优惠于欧美市场IC,适合设计1-6颗LED,输入6-25V输入电压,SOP8封装形式,主要针对目前低端射灯市场。
3、美国CATAL YST公司-CA T4201这个IC驱动1-7颗1W LED。
效率可达92%,6-28V电压输入范围降压型驱动应用设计。
比前面两款IC最大的优势是封装SOT23大小,线路简介,符合目前多数小体积灯杯设计使用要求。
大阻值范围电流调节,可以电位器宽阻值范围调节亮度,比如设计台灯等产品需要这样时。
4、欧洲Zetex公司—ZXLD1350这颗IC目前市场反应良好,也是SOT23小体积封装,输入7-30V 电压降压恒流驱动1-7psc LED,线路简洁实用。
设计时Rs要紧靠IC避免供电电压大幅度不动,这样会影响恒流效果。
总体电子物料成本要略高于前款IC。
5、国国家半导体LM3402LM3402市场反映不错,输入电压范围涵盖整个汽车应用领域,内置MOS管最多可以15颗LED,1-3颗LED是感觉有些贵,5颗以上时性价比很不错。
LED降压恒流驱动IC大功率LED驱动IC-TAC7135 价格为:1.2元TAC Microtech(台创科技)针对大功率LED(发光二极管)的不同应用推出一款解决方案TAC7135。
TAC7135是一款输入电压2.7V-6V 的350mA超低压差稳流器。
350mA恒定电流输出推动1W的大功率LED,达到稳定亮度、增加电池总输出功率的效果,输出电流分别有300mA、330mA、350mA、380mA,其超低压差、低静态电流特性更延长了电池使用时间。
使用两个380mA并联则可直接驱动3W大功率LED,无须任何外接组件,并具有输出短路/开路保护与内建过热保护装置。
SOT-89-3封装。
应用范围:大功率LED手电筒、大功率LED矿灯、低压降压模块、汽车LED灯、LED灯箱、LED台灯照明, 并可直接代替AMC7135。
规格书下载:TAC7135大功率LED驱动IC-TAC7136 价格为:1.5元TAC7136 是一款低静态电流、低压差的LED恒流驱动器。
输入电压2.7V-6V,使用一个外接电阻,可使输出电流能在100mA到400mA范围内进行调节。
仅仅需要一个外接电阻就可构成一个完整的LED恒流驱动电路。
内部自带软启动、过热保护、低压保护。
提供一个可以用于扩压和扩流的DR脚。
外接一个MOS 场效应管或NPN三极管,可以扩大输出电流和输出电压范围,最大电流可达2A。
SOT-89-5封装。
应用范围:大功率LED手电筒、大功率LED矿灯、低压降压模块、汽车LED灯、LED灯箱、LED台灯照明,LED 显微镜灯。
规格书下载:TAC7136大功率LED驱动IC-TAC9920 价格为:1.5元TAC9920 是一款高效率,稳定可靠的大功率LED驱动IC,内置高精度比较器,off-time控制电路,恒流驱动控制电路等,特别适合大功率,多个大功率LED灯串恒流驱动。
TAC9920采用固定off-time控制方式,其工作频率可高达2.5MHz,可使外部电感和滤波电容,体积减少,效率提高。
LED灯的恒流驱动芯片介绍(上)1 LED 简介发光二极管( LED) 是一种固态光源,利用半导体中的电子和空穴相结合而发出光子,每种LED 所发出的颜色取决于光子的能量,而光子的能量又因其制造材料而异。
同一种材料的发光波长很接近,因此每颗LED 的颜色都很纯正,最常见的一般亮度的LED多是红色和草绿色。
LED 晶粒尺寸小,颜色种类多,使用时排列方式又有很大的灵活性,这是它比一般光源优越的地方;另外,LED 与其他光源相比还具有较高的光效和更高的可靠性,供电的方法也比较简单。
因而LED 特别适合用作显示光源。
例如,早期LED主要应用于各种仪表、室内音响、电器面板,或用于资讯和状态显示,如股票看板、活动字幕等。
随着LED 亮度的逐渐增强,LED 也逐渐由室内扩展到户外应用,例如户外广告、交通信号、夜景装饰照明、道路照明等。
目前,LED 大多仍限于上述的特殊照明,其缺点是光束较集中,每流明的成本较高,与一般的照明要求尚有一段距离。
但世界各国特别是美国和日本都把这种固态光源看作最具有发展前景的照明光源,并为研发应用于一般照明的白光LED而投入大量的人力和物力,努力早日使LED 应用于普通照明,我国也为此制定了中长期的研发规划。
与一般的半导体PN 结一样,LED 的正向导通压降随导通电流的变化并不大,一般为3. 5V 左右,正向压降约有± 16. 6% 的离散,如表1 所示( 资料来源为Luxeon Star 的技术数据,表2 和图1 也来自该公司的数据) ,不同颜色的LED 的导通压降也不尽相同。
表1 LED 的电特性( 电流为350mA、结温Tj = 25℃ 时)表2 LED 的光特性( 电流为350mA、结温Tj = 25℃ 时)各种LED 的发光强度随其发光颜色不同而有所差异,如表2 所列。
其正向压降VF和光强则随其电流变化而变化,如图1 所示。
从图1 不难看出,LED的照度随其通过的电流增加而增加,电流大,光输出及照度也大;但其压降变化并不大。
低压led灯的恒流芯片-回复低压LED灯的恒流芯片是一种重要的电子器件,用于控制LED灯的亮度和稳定工作电流。
在本文中,我将逐步回答有关该主题的问题,帮助读者了解低压LED灯的恒流芯片的工作原理、应用场景和优势。
一、低压LED灯的恒流芯片的工作原理是什么?低压LED灯的恒流芯片通过反馈控制,使电流在LED二极管中保持恒定。
当输入电压变化时,恒流芯片会调整输出电流以使LED亮度恒定。
这种反馈控制机制可以确保LED灯在不同工作条件下保持稳定的亮度和寿命。
二、低压LED灯的恒流芯片的应用场景有哪些?低压LED灯的恒流芯片广泛应用于各种LED灯具中,如照明、指示灯、背光等。
由于恒流芯片可以提供稳定的电流输出,因此LED灯具在不同电压和温度环境下都能正常工作。
这种特性使得低压LED灯的恒流芯片非常适用于室内和室外照明、汽车照明和显示屏等领域。
三、低压LED灯的恒流芯片相比其他控制方法有什么优势?1. 稳定性:恒流芯片能够提供稳定的电流输出,保证LED灯具的亮度不受供电电压和环境温度的影响。
这使得LED灯具在长时间使用过程中能够持续稳定地发光,延长了其使用寿命。
2. 省电效果:低压LED灯的恒流芯片根据实际需求提供精确的恒定电流输出,避免了传统电压驱动方式中因电流浪费而导致的能量损失。
相比较而言,恒流驱动方案更加高效,能够节约能源并降低使用成本。
3. 系统稳定性:恒流芯片不仅能够稳定LED灯具的亮度,还能提供过流和过热保护功能。
一旦检测到异常情况,芯片会立即切断电流输出,保护LED灯具的安全运行。
4. 设计灵活性:恒流芯片具有较小的封装尺寸和内部结构简单的特点,便于集成到LED灯具中。
这使得厂商可以根据需要设计出更为紧凑和独特的LED灯具。
四、如何选择合适的低压LED灯的恒流芯片?1. 电流范围:根据实际需求确定需要的电流范围。
不同的LED灯具可能需要不同的电流输出,选择合适的恒流芯片能够确保灯具工作在最佳工作范围内。
各种LED恒流驱动及恒流IC芯片盘点LED恒流驱动简介由于LED是特性敏感的半导体器件,又具有负温度特性,因而在应用过程中需要对其进行稳定工作状态和保护,从而产生了驱动的概念。
LED器件对驱动电源的要求近乎于苛刻,LED不像普通的白炽灯泡,可以直接连接220V的交流市电。
LED是2~3伏的低电压驱动,必须要设计复杂的变换电路,不同用途的LED灯,要配备不同的电源适配器。
国际市场上国外客户对LED驱动电源的效率转换、有效功率、恒流精度、电源寿命、电磁兼容的要求都非常高,设计一款好的电源必须要综合考虑这些因数,因为电源在整个灯具中的作用就好比像人的心脏一样重要。
LED驱动电源把电源供应转换为特定的电压电流以驱动LED发光的电压转换器,通常情况下:LED驱动电源的输入包括高压工频交流(即市电)、低压直流、高压直流、低压高频交流(如电子变压器的输出)等。
而LED驱动电源的输出则大多数为可随LED正向压降值变化而改变电压的恒定电流源。
LED电源核心元件包括开关控制器、电感器、开关元器件(MOSFET)、反馈电阻、输入滤波器件、输出滤波器件等等。
根据不同场合要求、还要有输入过压保护电路、输入欠压保护电路,LED开路保护、过流保护等电路。
LED的恒流驱动用LED作为显示器或其他照明设备或背光源时,需要对其进行恒流驱动,主要原因是:1.避免驱动电流超出最大额定值,影响其可靠性。
2.获得预期的亮度要求,并保证各个LED亮度、色度的一致性3.能有效的避免雷击,电网的浪涌,过电流,过电压的保护,使LED寿命提高。
存在问题:要处理好散热问题,散热问题没有处理好就会影响LED寿命。
目前LED均采用直流驱动,因此在市电与LED之间需要加一个电源适配器即LED驱动电源。
它的功能是把交流市电转换成合适LED的直流电。
根据电网的用电规则和LED的驱动特性要求,在选择和设计LED驱动电源时要考虑到以下几点:1.高可靠性特别像LED路灯的驱动电源,装在高空,维修不方便,维修的花费也大。
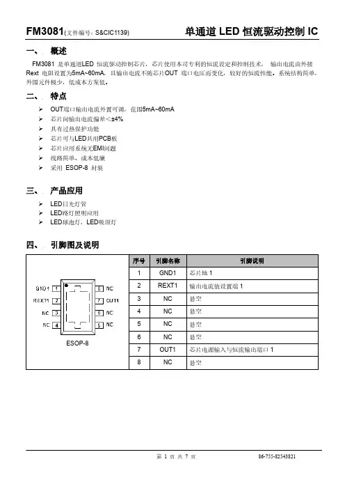
一、概述FM3081 是单通道LED 恒流驱动控制芯片,芯片使用本司专利的恒流设定和控制技术,输出电流由外接Rext 电阻设置为5mA~60mA,且输出电流不随芯片OUT 端口电压而变化,较好的恒流性能。
系统结构简单,外围元件极少,低成本方案低。
二、特点OUT端口输出电流外置可调,范围5mA~60mA芯片间输出电流偏差<±4%具有过热保护功能芯片可与LED共用PCB板芯片应用系统无EMI问题线路简单、成本低廉采用ESOP-8 封装三、产品应用LED日光灯管LED路灯照明应用LED球泡灯,LED吸顶灯四、引脚图及说明五、极限参数六、热阻参数七、电气参数(无特殊说明,TA=25℃)八、 典型应用线路OUTGND REXTRext220V~VinLED1LEDn注:图中电源可以是交流电源,也可以为直流电源九、 OUT 端口输出电流特性OUT 端口输出电流计算公式:输出电流与rext 电阻关系曲线恒流曲线图恒流曲线可看出常温下OUT 端口最低电压V OUT_MIN:I OUT = 20mA,V OUT_MIN = 4.1V;I OUT = 30mA,V OUT_MIN = 4.6V;I OUT = 40mA,V OUT_MIN = 5.0V;I OUT = 50mA,V OUT_MIN = 5.5V。
输出电流温度特性(IOUT = 20mA;IOUT = 40mA)温度补偿当LED 灯具内部温度过高,会引起LED 灯出现严重的光衰,降低LED 使用寿命。
FM3081 集成了温度补偿功能,当芯片内部结温超过110ºC 时,将会自动减小输出电流,以降低灯具内部温度。
十一、封装尺寸图。
LED灯的恒流驱动芯片介绍恒流驱动芯片的作用是提供稳定的电流输出,以保持LED灯的亮度恒定。
LED灯的亮度与电流成正比,如果电流波动,LED灯的亮度也会波动。
因此,一个稳定的电流输入是确保LED灯稳定亮度的关键。
恒流驱动芯片的工作原理是利用负反馈回路来实现对电流的恒定控制。
当输入电压发生变化时,芯片会自动调整输出电流,以确保恒定的电流输出。
这种反馈机制使得LED灯的亮度不会受到外界环境的影响。
恒流驱动芯片具有多种保护功能,以确保LED灯的安全使用。
它通常包括过流保护,过压保护,过温保护等功能,当发生异常情况时,芯片会自动断开电流输出,以保护LED灯和芯片本身。
恒流驱动芯片的选择要根据LED灯的功率和电源电压来确定。
不同功率和电源电压的LED灯需要不同规格的恒流驱动芯片。
因此,在选择恒流驱动芯片时,需要考虑LED灯的需求,并选择符合要求的芯片。
恒流驱动芯片的优点之一是高效的能源转化能力。
它可以通过电流的恒定输出减少能耗,并确保LED灯的寿命。
由于恒流驱动芯片能够根据实际需要调整输出功率,LED灯在使用过程中不会浪费能量,从而提高能源利用效率。
另一个优点是恒流驱动芯片的可靠性和稳定性。
由于其具有多种保护功能,能够及时检测和处理异常情况,保证LED灯的正常工作。
同时,该芯片的电流输出稳定,不受外界环境的影响,能够在各种工作环境下保持恒定的亮度。
除了以上优点,恒流驱动芯片还具有较小的体积和重量,适用于各种LED照明产品的设计。
它可以在有限的空间中集成多种功能,提高产品的紧凑性和便携性。
总的来说,恒流驱动芯片是LED照明产品中不可缺少的重要组件。
它具有稳定的电流输出和高效的能源转化能力,能够保障LED灯的稳定亮度和长寿命。
同时,它的多种保护功能和可靠性使LED灯更加安全可靠。
随着科技的不断发展,恒流驱动芯片将会变得更加先进和智能化,为人们的照明需求提供更好的解决方案。
CYT3000A四通道LED线性恒流驱动控制IC简介:CYT3000A是聚泉鑫研发代理的一款LED恒流驱动IC。
其外围器件极其精减,无需高电压电解电容和变压器,仅需一个外置电阻设定电流,同时具有高功率因数,极具性价比。
CYT3000A是高功率因数线性恒流高压LED驱动芯片,应用于LED照明领域。
该芯片通过独特的恒流控制专利技,实现恒流精度小于±5%,输出电流可由外接REXT电阻调节。
芯片具有高功率因数和低谐波失真。
系统结构简单,具有各种保护功能,无需变压器和高压电解电容,该高压LED 驱动芯片极少的外围元件,可节省电子元器件所占的空间,可实现LED照明方案批量化作业。
应用:T5/T8系列LED日光灯管、LED球泡灯、LED筒灯、LED吸顶灯LED灯管LED球泡灯LED筒灯LED吸顶灯等系列产品D4 D3 D2 D1GNDNCNCRCYT3000AIC引脚图片ESOP8封装CYT3000A典型应用ACCYT3000ACYT3000A方案优势1,无电解电容,更长寿命2,外围器件精减,成本更低,可靠性更高3,IC可与光源共用一个基板,满足空间有限灯具的需求。
九大优势:1、性价比高;2、去掉传统AC-DC开关电源,无需电解电容、变压器等元件,提高了产品寿命;3、功率因素(PF)全电压大于0.98;4、电源转换效率大于90%,无EMC问题、THD<20%5、电源部分和光源共用PCB板;6、直接市电输入,支持宽电压AC180-240V;7、结构简单,安装方便、可根据用户产品需求订制PCB板尺寸;8、光源采用SMD2835,散热好,光衰小;9、做成整灯可通过RoHS,CE认证;IC在正常使用情况下可以使用10年以上,并且CYT3000A具有温度保护功能,在达到110度时会自动调节输出电流,确保整体温度平衡。
IC转换效率高,本身功耗较小,并且IC采用ESOP-8封装,带底部散热器,可以快速将热量传递到外壳。
LED灯的恒流驱动芯片介绍LED灯的恒流驱动芯片是一种用于LED照明系统中的电子器件,其主要功能是稳定电流以确保LED灯的正常工作。
在LED灯中,常常需要使用恒流驱动芯片来控制LED的亮度和保证其寿命。
本文将从工作原理、特点和应用等方面介绍LED灯的恒流驱动芯片。
一、工作原理LED灯的恒流驱动芯片的工作原理主要是通过对电流进行反馈控制来实现恒流输出。
通常情况下,LED灯的工作电流为几十毫安到几百毫安之间,而且通常需要保持在恒定的范围内。
恒流驱动芯片通过电流反馈回路对LED电流进行测量和控制,实现输出电流的稳定和可调。
其基本原理是使用电流源通过对负载进行不间断的电流反馈调整,以使负载电流始终维持在设定的恒定数值。
二、特点1.稳定性:LED灯的恒流驱动芯片能够提供稳定的恒流输出,使LED 灯在不同的工作条件下都能保持稳定亮度。
这对于需要保持一致性光照的场景来说尤为重要。
2.高效性:采用恒流驱动芯片可以提高LED灯的能源利用效率,避免功率浪费和发热过多,从而延长LED的使用寿命。
3.可调性:恒流驱动芯片可以根据实际需要调整LED灯的亮度,以满足不同场景和要求下的光照需求。
4.安全性:恒流驱动芯片具有过流、过温和短路等多种保护功能,能够有效保护LED灯和驱动电路的安全运行。
三、应用1.家居照明:恒流驱动芯片广泛应用于家居照明领域,如LED灯管、LED灯泡和LED筒灯等。
其恒流输出稳定,能够提供一致的光照效果。
2.商业照明:在商业照明领域,如商场、办公室和酒店等场所,采用恒流驱动芯片的LED灯能够提供高效能的光照效果,降低能源消耗。
3.汽车照明:恒流驱动芯片还被广泛应用于汽车照明系统中,如车前灯、车尾灯和车内照明等。
恒流输出稳定,可调亮度,提高安全性和可靠性。
4.健康照明:近年来,恒流驱动芯片也在健康照明领域得到广泛应用。
采用可调光亮度的LED灯可以模拟自然光照的变化,对人体的生理和心理健康有积极的影响。
led灯驱动芯片LED灯驱动芯片是一种将电力转化为适合驱动LED灯的电流和电压的器件。
它的主要功能是将输入电源的直流电压转化为LED所需要的直流电流和电压,并保持稳定。
LED灯驱动芯片是LED灯的重要组成部分,对LED灯的亮度、寿命和稳定性有着关键的影响。
LED灯驱动芯片的主要特点之一是高效能。
由于LED灯的电压和电流要求比较低,因此合理设计的LED灯驱动芯片可以提供高效能的工作性能。
高效能意味着较低的功耗,从而可以节省能源,减少对环境的影响。
LED灯驱动芯片的第二个特点是稳定性。
由于LED灯的亮度和颜色是由电流和电压来控制的,因此稳定的电流和电压对于LED灯的正常工作非常重要。
LED灯驱动芯片通过稳定的电源输出来保证LED灯的亮度和颜色的稳定性,从而提高LED 灯的可靠性和寿命。
此外,LED灯驱动芯片还具备过温保护功能。
由于LED灯的工作会产生热量,如果没有恰当的散热措施,LED灯驱动芯片可能会因过热而受损。
因此,LED灯驱动芯片通常内置有过热保护电路,可以在温度超过一定范围时停止工作,以保护芯片的安全。
此外,LED灯驱动芯片还具有防护功能。
由于LED灯通常安装在户外或潮湿的环境中,它需要具备防水、防尘等功能。
因此,LED灯驱动芯片通常采用封装技术,如防水封装,以保护芯片免受外界湿度和灰尘的影响。
可以说,LED灯驱动芯片是LED灯的核心部件,对LED灯的性能和寿命有着重要的影响。
随着科技的进步和需求的增长,LED灯驱动芯片的技术也在不断创新和发展。
未来,LED灯驱动芯片将继续朝着更高效能、更稳定性、更可靠性和更环保的方向发展,以满足人们对节能环保照明产品的需求。
CYT8000A3段调节亮度色温的LED恒流驱动芯片
CYT8000A是一款可3段调节亮度/色温的LED恒流驱动芯片。
适用于200Vac~240Vac或90Vac~130Vac输入电压,恒流精度小于±3%。
当CYT8000A在3段调节亮度应用中,可根据开启关闭电源开关,依次自动改变输出电流的大小,从而改变LED灯的亮度,调节比例可以通过外接CS电阻进行调整。
当CYT8000A在3段调节色温应用中,可根据开启关闭电源开关,依次改变两路输出端口开关状态,实现两路不同颜色LED 灯的交替亮灭以实现调节色温的目的,调节外接REXT 电阻可对输出功率进行调节。
CYT8000A整体设计结构简单,具有各种保护功能,无需变压器和高压电解电容,该高压LED驱动芯片只需极少的外围元器件,并且可以实现全部SMT加工,可实现全自动化作业。
特性:
1,无需变压器和电解电容
2,输入电压220Vac、110Vac
3,集成高压启动供电
4,可实现3段调节亮度,调节比例可外部设置
5,调光比例:100%--50%--X%或X%--50%--100%
6,0.5秒~3秒内实现开关切换,支持快速开关切换
7,片间电流偏差<±3%
8,功率因数>0.9 ,
9, THD: <20%
10,具有温度自动调节功能
11,芯片应用系统无EMI问题
12,封装形式ESOP8
应用:
T5/T8 系列、LED 日光灯管、LED 球泡灯、LED 筒灯、LED 吸顶灯。
led恒流驱动芯片详解
恒流驱动芯片是LED照明应用中应用广泛的芯片。
它可以提供恒定的电流,使LED的亮度保持稳定。
下面介绍一下LED恒流驱动芯片的理解:
一.LED恒流驱动芯片的功能
LED恒流驱动芯片被用来驱动LED,其主要功能是:提供准确的电流驱动,保持LED在较长时间内亮度稳定;具有频率控制,可以控制LED亮度和色温的变化;可以根据LED驱动元件的消耗功率来调整电流,对LED的亮度有更好的保护;还能提供通过驱动提高LED的亮度;并且可以保护LED由于过流或过热而受损。
二.LED恒流驱动芯片的结构
LED恒流驱动芯片的结构主要由三部分组成,分别是输入电路、控制电路和输出电路。
输入电路负责输入电源,常用的电源有AC/DC、PWM或旁路;控制电路主要由微处理器或模拟电路组成,它负责控制LED的驱动电流;输出电路有电压控制和电流控制,它负责输出稳定的恒流供给LED灯。
三.LED恒流驱动芯片的应用
LED恒流驱动芯片主要用来驱动LED照明应用,通过驱动电路可以使LED灯的亮度保持稳定,并且可以有效地提高LED的亮度。
此外,LED恒流驱动芯片还可以用于LCD屏幕、交流调光电源、调光控制系统等等场景。
- 1 -。
产品概述UCS1903是三通道LED(发光二极管显示器)驱动控制专用电路,内部集成有MCU 数字接口、数据锁存器、LED高压驱动等电路。
通过外围MCU控制实现该芯片的单独辉度、级联控制实现户外大屏的彩色点阵发光控制。
产品性能优良,质量可靠。
主要特点●输出端口耐压15V●芯片内置稳压管,电源端需串电阻到IC VDD脚,无需外加稳压管●辉度调节电路(256级辉度可调)●内置双RC振荡,并根据数据线上信号进行时钟同步,在接受完本单元的数据后能自动将后续数据进行整形转发●内置上电复位电路●PWM控制端能够实现256级调节,扫描频率不低于400Hz/s●串行接口级联接口,能通过一根信号线完成数据的接收与解码●线性传输时,可无限级联●任意两点传输距离超过10米而无需增加任何电路●当刷新速率30帧/秒时,低速模式级联数不小于512点,高速模式不小于1024点●数据发送速度可达400Kbps与800Kbps两种模式●采用预置恒流模式,并根据红灯发光强度弱的原理,使OUTR输出口的电流略大于OUTG与OUTB,白光效果更佳。
引出端排列引出端功能8最大额定值(如无特殊说明,T A=25℃,V SS=0V)推荐工作范围(如无特殊说明,T A=−20~+70℃,V SS=0V)电气参数(如无特殊说明,T A=−20~+70℃,V DD=4.5~5.5V,V SS=0V)开关特性(如无特殊说明,T A=−20~+70℃,V DD=4.5~5.5V,V SS=0V)功能说明芯片采用单线通讯方式,采用归零码的方式发送信号。
芯片在上电复位以后,接受DIN 端打来的数据,接受够24bit后,DO端口开始转发数据,供下一个芯片提供输入数据。
在转发之前,DO口一直拉低。
此时芯片将不接受新的数据,芯片OUTR、OUTG、OUTB三个PWM输出口根据接受到的24bit数据,发出相应的不同占空比的信号,该信号周期在4ms。
如果DIN端输入信号为RESET信号,芯片将接收到的数据送显示,芯片将在该信号结束后重新接受新的数据,在接受完开始的24bit数据后,通过DO口转发数据,芯片在没有接受到RESET码前,OUTR、OUTG、OUTB管脚原输出保持不变,当接受到24µs 以上低电平RESET码后,芯片将刚才接收到的24bit PWM数据脉宽输出到OUTR、OUTG、OUTB引脚上。