资料分析八大题型之现期量
- 格式:doc
- 大小:192.00 KB
- 文档页数:4
资料分析八大题型之现期量资料分析在多省省考中规定分值为两分,足以说明这个部分的重要性,现在华图教育专家将为大家讲解资料分析八大题型中比较重要的一类题型-基期量【例一】:2010年1~4月全国入境旅游部分市场客源情况统计表按1--4月国家名称4月份1--4月累计入境旅游入境人数同比增长入境人数同比增长人数排序(万人)(%)(万人)(%)13 英国 5.03 -2.37 18.32 5.6116 法国 4.44 6.8 15.11 15.4若保持同比增长率不变,预计哪一年4月入境旅游的法国游客人数将会超过英国?()A.2011B.2012C.2013D.2014【解析】B。
经估算,4.44×1.068=4.7<5.03×0.9763,4.7×1.068=5.01,必能超过英国。
故需要2年时间,即2012年,选B。
【例二】:(11年424联考一)2009年某省各类农产品产量情况产量(万吨)同比增长率(%)粮食1314.50 5.7糖蔗1116.11 3.4蔬菜2567.17 5.6水果1061.89 8.04.若保持2009年的增长速度,哪一年水果的年产量开始超过糖蔗?( )A.2010年B.2011年C.2012年D.2013年【解析】B。
经估算,1061.89与1116.11相差大约55,水果第一年增产85,糖蔗第一年增产38,故第一年末水果与糖蔗只差8,第二年末定能开始超过。
故为2011年。
【例三】:2007-2012年全国夏粮产量万吨119.假如2013年我国夏粮产量增长率创6年以来的新高,则2013年产量预计()。
A. 在12995~13128万吨之间B. 在13200万吨左右C. 不高于13314万吨D. 高于13456万吨解析:2008年的增长量=12041-11534=507,为6年来最大,则增长率为6年来最高。
因此,2013年的夏粮产量>12995+507=13502。
资料分析常考题型及相关公式
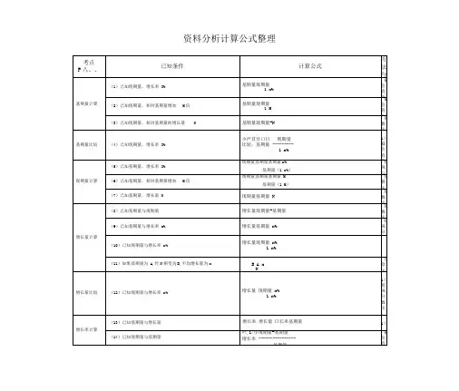
一、基期量(A)与现期量(B)
1. 基期量(A):常用公式:A=
常用速算技巧:①若选项首尾不同:截位直除法
②若选项首位相同:r或1+r用特殊分数替代
③若r很小:化除为乘
基期量的和或差:放缩法
间隔基期量:①求混合增长率;②求基期量
2.现期量(B):常用公式:B=A(1+r)
间隔现期量:①求混合增长率;②求现期量
特殊题型:若增长率与去年保持一致,预测今年的量:
方法一:利用增长量估算去年+去年的增长量
方法二:直接用公式=
二、增长量(△x)
1.计算型
常用公式:△x=B
常用速算技巧:r用特殊分数替代。
2.比较型
①“大大则大”
②看倍数关系
三、增长率(r)相关
1.常用公式 r=
常用速算技巧:截位直除法、插值法、分母用特殊分数替代。
2.两期混合增长率:(常用速算技巧:r用特殊分数替代)
3.拉动增长率=
4.合成增长率:大小居中,但不中,偏向基期基数较大的。
5.年均增长率:常用公式:末期值=初期值(1+年均增长率)n
常用速算技巧:
四、比重
1.现期比重=
2.基期比重=
3.比重的比较:①若部分r总体r,则比重上升;反之下降。
②比重上升或下降的百分点一般小于(部分r —总体r)的绝对值。
=50% 33.3% =25% =20% 16.7%
14.3% =12.5% 11.1% =10% 9.1%
8.3% 7.7% 66.7% 28.6% 22.2%。
资料分析常考公式一、基期与现期1.基期量=现期量-增长量=现期量/(1+r),当|r|≤5%,可化除为乘,现期量/(1+r)≈现期量×(1-r)2.现期量=基期量+增长量=基期量×(1+r)常见考法:基期量或现期量计算,基期量、现期量和差计算及大小比较。
基期比较:①当现期相差比较大,直接看量级;②现期相差不大,给出了现期和增长率,直接截位直除(根据选项差距来判断截取几位)。
二、增长量1.增长量=现期量-基期量(选项与材料精确度一样且尾数不同,可用尾数法;选项差距较大,首位法或者截位相加减)2.增长量=现期量×增长率/(1+增长率)(常用特殊分数法,增长率为正,用n+1;增长率为负,用n-1)3.年(月)均增长量=(末期-初期)/年(月)份差常见考法:增长量的计算及大小比较。
增长量比较口诀:“大大则大”,即当现期和增长率都大时,增长量也大;“一大一小”,主要看现期×增长率。
三、增长率r =(现期量-基期量)/基期量=增长量/基期量=现期量/基期量-1=增长量/(现期量-增长量)常见考法:增长率计算及大小比较增长率比较:①直接用现期量/基期量进行比较;②当基期量相差不大时,直接比较增长量大小;③分数比较(主要方法:首位法、截位直除、差分法)特殊增长率1.混合增长率:混合增长率介于部分增长率之间,且偏向基期较大的一方(用于判断大小范围);用线段法或十字交叉法估算具体数值。
2.间隔增长率:r=r1+r2+r1r2。
3.年均增长率:(1+年均增速)^n=末期/基期,n为年份差,计算时长代入10%、20%等中间值来判断年均增速的范围,进而确定选项。
四、比重1.比重=部分量/整体量,部分量=整体量×比重,整体量=部分量/比重2.现期比重=B/A (B为部分量,A为整体量)3.基期比重=B/A×(1+a)/(1+b)(B为部分量,b为部分量增速,A为整体量,a为整体量增速)4.两期比重差=B/A×(b-a)/(1+b)常见考法:比重计算和比较;两期比重判断:部分量增速大于整体量增速,比重上升;部分量增速小于整体量增速,比重下降。
为了帮助大家能够顺利通过,特悉心整理了大量考试辅导资料欢迎您登陆吉林华图官网进行查看。
近几年来,国家公务员笔试考试中的资料分析难度中等,但考生往往由于题量较大而且运算步骤较多,并且往往出现在在行测考试的最后一块,大部分考生时间有限,只能做到三篇左右,甚至更少,因此我们在做资料分析之前要做好充分的准备。
在资料分析中,考题变化形式多样,但要做好这一类题目,有两个量是基础也是关键,这就是“现期量与基期量”。
下面我们一起来学习一下在资料分析中这两个量的等一,怎样能很好的区分开,以及考点有哪些。
n 基期量:历史时期的量。
(比之后)n 现期量:现在研究时期的量。
(比之前)看到基期量与现期量的定义,很多考生可能还是非常迷惑,其实区分起来很简单,只需要根据时间前后进行区别,时间靠前是基期,时间靠后是现期,下面我们通过具体例题来更好的理解它们。
1. 增长量= 现期量-基期量【例1】2008年度全国“农民工总量”为22542万人,2009年度为22978万人,比2008年增加了万人。
A.426B.436C.446D.456解析:2008年与2009年相比较,2008年时间靠前,2009年时间靠后,所以现期量为22978万人,基期量为22542万人,增长量=现期量-基期量=22978- 22542=436,选B。
2. 增长率=增长量÷基期量=(现期量-基期量)÷基期量【例2】2010—2011年外国入境旅游人数单份:万人次年份2010 2011外国入境旅游总人数 1693.25 2025.512011年外国入境旅游总人数与2010年相比较( )。
A.约提高了19.6%B.约提高了2.7%C.约下降12.1%D.约下降6.9%解析:2010年与2011年相比较,2010年时间靠前,2011年时间靠后,所以现期量为2025.51,基期量为1693.25,增长率=(现期量-基期量)÷基期量=(2025.51-1693.25)/1693.25,估算选A。
资料分析公式及其术语:基期量=增长量增长率=现期量1+增长率=现期量-增长量; 隔年量=现期量(1+上期增长率)(1+上上期增长率)增量表示大小,是绝对量;增幅表示快慢,是相对量增长量=基期量⨯增长率=现期量-基期量=现期量1+增长率⨯增长率; 年均增长量=现期量−基期量年份差现期量大,增长率大,则增长量大,现期量所占的权重大增长率=增长量基期量=现期量基期量−1=增长量现期量−增长量; 增值率=增长率 年均增长率=√现期量基期量年份差−1<1年份差(现期量基期量−1)【实际值略小于估算值】 现期量=基期量⨯(1+年均增长率)年份差隔年增长率=(1+r1)(1+r2)(1+r3)(1+r4)-1同类事物增长量的增长率(已知基期增长率和现期增长率)=现期增长率⨯(1+基期增长率)基期增长率 -1上时期倍数=a 1+x%b 1+y%⁄= a b ⨯1+y%1+x% =上时期比重=上时期平均量; a 比b 多几倍=a/b -1;a 是b 的几倍=a/b增长量的倍数=a 1+x%×x%b 1+y%⨯y%⁄ = ax%by%×1+y%1+x%比重的变化幅度:已知今年比重a/b ,去年比重a b ⨯1+y%1+x%。
(各部分比重之和等于一)当部分增长率大于整体增长率时,比重上升;当部分增长率小于整体增长率时,比重下降。
同一整体中,各部分比重增长率加和等于零,即有的部分比重增加,有的部分比重必然减少。
今年比重比去年多几个百分点=a/b - a b ⨯1+y%1+x%。
= a b (x%−y%1+x%)翻番:a 翻n 番后 = a ⨯2n 拉动增长……百分点(单位:百分点): 部分增长量整体上期总量×100%贡献率(可正、可负、可零):部分和整体同时都在增长,部分的增长量占整体的增长量的多少 贡献率=部分增长量整体增长量×100% (各部分贡献率之和等于一)指数(单位:无):指数大小不代表实际值大小。
国考行测资料分析中常见的统计术语华图教育叶天竞资料分析是公考非常重要的一个模块,在国考与联考中的都会考察20道题,分值也非常高,但广大考生还是感觉资料分析这个模块很棘手,数据量特别大,很多题不太会列式子,究其原因,主要是因为考生们对统计术语不太熟悉,可以说,只要大家掌握了常见的统计术语,我们就能够顺利的把考题的式子列出来,下面就与大家分享一下关于统计术语的相关知识。
一.基础性统计术语1.基期量、现期量:分为两种情况:有时间作为基准的,时间相对靠前的量就是基期量,时间相对靠后的就是现期量;无时间基准的,“比”之后的是基期,之前的是现期。
例1:2007年前三个季度其他经济类型单位职工月平均工资1794元,同比增长15.6%,则2006年前三个季度,我国其他经济类型单位职工月平均工资为 (17941+15.6%)2.增长量增长量是刻画增长具体数值大小的,增长量为正,表示正增长,反之,表示负增长。
增长量=现期量-基期量=基期量×增长率=现期量×1+增长率增长率例2:2010年8月某企业完成销售额200万元,同比增长20%,则同比增长金额为(20%2001+20% ) 3.增长率增长率用来描述增长快慢,增长率为正,表示正增长,反之,表示负增长。
增长率=增长量÷基期量=(现期量-基期量)÷基期量=增长量÷(现期量—增长量)= 现期量÷基期量-1例3:某校去年毕业人数1000人,今年毕业人数为1160人,则今年的增长量为(1160-1000=160)人,增长率为(160=16%1000)4.年均增长率现期量=基期量×(1+年均增长率)n例4:某公司2007年销售额为2亿元,预计销售额年平均增长率为10%,则其2010年销售额为2(1+10%) 3亿元。
5.拉动增长率拉动增长率=部分增长量÷总体基期量例5:2011年某市GDP产值100亿元,其中第三产业产值40亿元;2012年某市GDP达到120亿元,其中第三产业产值50亿元,那么2012年该市第三产业拉动全市GDP增长率为(10%)。
第242文,公务员资料分析解题模式
现期量=基期量(1+增长率)
增长量=现期量-基期量。
看选项,前2位不同,保留3位有效数字计算。
当前2位相同,精确计算。
增长率r=增长量/基期量。
解题思路,现期量与基期量的倍数关系。
现期量大于基期量的2倍,直接用倍数关系比较。
现期量小于基期量的2倍,比较分子和分母大小。
2.,判断增长率,直除商首位。
3.二期相对一期增长率r1,三期相对二期增长率r2,三期比一期的增长率,r=r1+r2+r1*r2.
三期是一期的几倍=(1+r1)*(1+r2)
求一期基期量:=三期量/((1+r1)*(1+r2)
判断增长量的多少。
比较基期量*增长率=现期量*增长率/(1+增长率),用现期量*增长率的大小去判断,增长量的大小方向是一样的。
4.基期比重=部分的基期量*整体基期量的倒数。
即
A/(1+a%)*(1+b%)/B。
5.增长率判断比重大小。
(A/B)*(a%-b%)/(1+a%)A代表部分,B代表整体。
a%代表部分增长率,b%整体增长率。
6.通过分子分母增长率的大小来判断分数的大小。
资料分析现期题型总结第1篇(1)混合增长率存在加法关系(1)混合增长率到两个增长率的距离之比 = 基期的反比(2)混合增长率一定大于(或小于)两个增长率的平均值,并偏向基期大的(3)已知现期A + 现期B = 混合C,现期A :混合C = 5:3(4)最后一步计算口诀1:小左加,大右减(左加右减)例一:求2016-2017年的平均交易价格。
例二:求二个班的平均分(1)已知混合增长率和一个部分的增长率问:另一个部分与已知部分增长率的大小关系问:已知房产产值A,同比增长率为a,地产产值B,同比增长率为b,问房地产的同比增长率?解:问:已知1-4月产值为A,增长率为a;4月产值为B,增长率为b,求1-3月的增长率?解:资料分析现期题型总结第2篇例题:例题:已知农村人均消费为a,城市人均消费为b,全国人均消费为c,问:农村人数与城镇人数比值分析:解(减中间值,交叉相除):(1) 问法一:求平均增长率,选项是 %。
公式:(2) 问法二:求两期比重差,选项是百分点:(3)逆应用问:戴眼镜人数占全校人数的比重已知:加工贸易占出口量的比重a,进口量A,出口量B,求加工贸易占进出口总额的比重。
基本思路还是占比代替数量注意:求苹果比梨子,分母比重必须是苹果的分母比梨子的分母的值,若材料反着给,要反应出来例题:已知R=,现期 = 1053,问增长量例题:R= 50%口诀:现期不变,增长率变大,基期变小,增长量变多了资料分析现期题型总结第3篇分析:分子分母同时+8,数字小的变化大48 + 8 = 5655 + 8 =6348比55小,+8拉动的增长比55大,所以48的增长比55快,所以b > a解法二176-157 = 19 , 21-20 = 120*8 = 160 达到与157同一个级别差值 1 * 8 < 19分数超过1时,同一级别差值越大越大。
资料分析技巧一、统计术语基期量:历史时期的量(比之后)。
现期量:现在研究时期的量(比之前)。
增长量(增长最多)=现期量-基期量增长率、增速、增幅(增长最快):增长量除以基期量年均增长量:总增长量除以年数。
0-1指的是在精度要求允许的范围内,将计算过程当中的数字进行截位。
一般从左到右截取前两位,后一位四舍五入。
选项首位同,截三位,首位异,截两位;位数不同时,位数小的截位,位数大的多截一位。
三、截位直除法截位直除时分子不变,对分母截位:一般情况下,选项首位不同,分母截取前两位,首位相同时,分母截取前三位,后一位考虑四舍五入。
四、特殊分数法指在计算或者比较数据大小时,材料给出的百分数可以直接化成特殊分数或者经过演变化成分数,进而简化计算的方法。
熟记下列特殊分数:1/2=0.501/3=0.331/4=0.251/5=0.201/6=0.1671/7=0.1431/8=0.1251/9=0.111/10=0.101/11=0.0911/12=0.0831/13=0.0771/14=0.071五、插值法指在计算数值或者比较数值大小的时候,运用一个中间值(特殊分数)进行“参照比较”的速算方式。
计算分数大小的时候,选项首位不同,优先考虑截位直除法;选项首位相同,可考虑在两个选项之间插值。
一般1、已知现期量和基期量,求增长量:增长量=现期量-基期量,采用加减截位法。
2、已知现期量和增长率,求增长量:增长率增长率现期量增长率基期量增长量⨯+=⨯=1,采用特殊分数法。
比较增长量大小:1) 现期量大,增长率大,则增长量大;2) 1+增长率近似,现期量×增长率大,则增长量大3) 1+增长率不近似,按公式计算比较3、已知基期量和现期量,基期到现期的相差年数,则年均增长量=(现期量-基期量)÷年数。
九、增长率相关解题技巧1、基期量增长量基期量基期量现期量增长率=-= 选项首位不同时,采用截位直除法;选项首位相同时,采用插值法。
资料分析公式及其术语:基期量=增长量增长率=现期量1+增长率=现期量-增长量; 隔年量=现期量(1+上期增长率)(1+上上期增长率)增量表示大小,是绝对量;增幅表示快慢,是相对量增长量=基期量⨯增长率=现期量-基期量=现期量1+增长率⨯增长率; 年均增长量=现期量−基期量年份差现期量大,增长率大,则增长量大,现期量所占的权重大增长率=增长量基期量=现期量基期量−1=增长量现期量−增长量; 增值率=增长率 年均增长率=√现期量基期量年份差−1<1年份差(现期量基期量−1)【实际值略小于估算值】 现期量=基期量⨯(1+年均增长率)年份差隔年增长率=(1+r1)(1+r2)(1+r3)(1+r4)-1同类事物增长量的增长率(已知基期增长率和现期增长率)=现期增长率⨯(1+基期增长率)基期增长率 -1上时期倍数=a 1+x%b 1+y%⁄= a b ⨯1+y%1+x% =上时期比重=上时期平均量; a 比b 多几倍=a/b -1;a 是b 的几倍=a/b增长量的倍数=a 1+x%×x%b 1+y%⨯y%⁄ = ax%by%×1+y%1+x%比重的变化幅度:已知今年比重a/b ,去年比重a b ⨯1+y%1+x%。
(各部分比重之和等于一)当部分增长率大于整体增长率时,比重上升;当部分增长率小于整体增长率时,比重下降。
同一整体中,各部分比重增长率加和等于零,即有的部分比重增加,有的部分比重必然减少。
今年比重比去年多几个百分点=a/b - a b ⨯1+y%1+x%。
= a b (x%−y%1+x%)翻番:a 翻n 番后 = a ⨯2n 拉动增长……百分点(单位:百分点): 部分增长量整体上期总量×100%贡献率(可正、可负、可零):部分和整体同时都在增长,部分的增长量占整体的增长量的多少 贡献率=部分增长量整体增长量×100% (各部分贡献率之和等于一)指数(单位:无):指数大小不代表实际值大小。
-、基期量的计算:K基期量=现期量-增长量2、基期塑二现期量/ ©+「)二、现期量计算公式现期量二基期星* (Hr)计算方法小结1. 加减法估算:数■级一致的前提下,四會五入保留前两位2、乘法估算:一大一小3、除法估算:亶除法(1)选项首位不同,分子不变,分子四舍五入保留前两位。
(2)选项首位相同.分子不变,分子四舍五入保留前三位。
基期星的比较:仁「接近的情况下,现期量越大「基期量越大;2、现期量接近的情况下,「越大,基期量越小。
【增长量】公式:1s增怅■=现期■-基期・2、增长量=基期量*T3.增长量=现期量*!•/ (14-r)增长量计算方法技巧;仁已知现期量,匚并且「=1/n (r>0),增长量二现期量/ (n+1)2、已知现期量,匚并fir= 1/n (r<0),增长量二现期量/ (n-1)1、「接近的情况下,现期量越大, 增长量越大;增长量的比较:2、现期it接近的情况下,「越大'增长it越大;4、当现期量与r—大一<|、时, 比较倍数关系。
3・现期量大,「大°则增长量越大;增长率相关:[•名称二増长率■壇速.増幅.增f[率.名义增长率2•表现形式:增长A%・增长B倍【增长率常用公式】1v r=(现期量一基期量)/基期量(柱状图.折线图、表格材料中)2v r=增长量/ (现期量一增长量)(文字型材料中)增长率的比较:仁当现期量和基期量倍数关系明显时,现期莹/基期量越大, 增长率越大;2、当现期量和基期量倍数关系不明显(均为1倍多)时,增长量/基期量越大,增长率越大。
间隔增长率题目特征:中间隔一年居多($02017年相对于225年)间隔陽矗率公式= r1+r2+r1*r2解题技巧:1、先计算r1+r2,看选项若只有一个选项的结果大于r1+r2 (均为正数),直接选;若有多个选项的结果大于門+「2,则需要计算“节2,通常情况, 去掉一个%,保留一个%,再进行计算。
2019福建省考行测资料分析专业术语及常用公式汇总-公
务员考试
今天的资料分析考点梳理给大家盘点了专业术语及常用公式,掌握这些术语的概念,有利于我们更快更准确地的解出资料分析题。
1、基期量、现期量、增长量、平均增长量、增长量ﻭ
①基期量:对比参照时期的具体数值。
②现期量:相对于基期量
③增长量:现期量相对于基期量的变化量ﻭ
④平均增长量:一段时间内平均每期的变化量
⑤增长率:
概念:现期量相对于基期量的变化指标
公式:增长率=增幅=增速=增长量÷基期量=(现期量-基期量)÷基期量ﻭ我们举个例子来理解一下上面的统计术语:
2、年均增长率ﻭ
初期值为A,经过n个周期变为B,年均增长率为r,则可得出:ﻭ
①
,B(实际值)略大于A×(1n×r)(估算值);
②。
数学统计专业术语在资料分析题中,常会出现许多专业术语,这些术语看似差不多,但实际上“失之毫厘,谬以千里”.因此,咱们必需理顺清楚,绝对不能有一丝懈怠,万万不可模棱两可。
咱们给大家总结出考试中常常出现的术语,考生务必仔细研读,清楚把握。
一、易混淆术语基期量与现期量咱们常见到这种描述:一个时期的量与另一个时期的量相较较发生了如何的转变。
基期:被用作参照物的时期称为基期,描述基期的量即为基期量。
现期:相对于基期的称为现期,描述现期的量即为现期量。
增量、增速、增加率与增幅增量:增加的绝对量=末期量-基期量增速:增加速度=(末期量-基期量)÷基期量增加率:增量与基期量之比。
增幅:即增加的幅度,也可理解为增量。
百分数与百分点百分数:n%,即n/100.百分点:n个百分点,即n%或n/100(注意百分点不带百分号)。
同比与环比同比:与上一年的同一期相较。
环比:与牢牢相邻的上一期相较。
二、常见经济学名词GDP和GNPGDP(国内生产总值):指一个国家(或地域)所有常住单位在一按时期内生产的最终产品和服务价值的总和。
GNP(国民生产总值):指一个国家(或地域)所有国民在一按时期内生产的最终产品和服务价值的总和。
顺差和逆差贸易顺差:一个时期内一般是1年,一个国家(或地域)的出口商品额大于入口商品额,叫做对外贸易顺差(又称出超),其差额即贸易顺差额。
贸易逆差:在一个时期内,一个国家(或地域)的出口商品额小于入口商品额,叫做对外贸易逆差(又称入超,有时也称为“贸易赤字”),其差额即贸易逆差额。
基尼系数与恩格尔系数基尼系数:国际上通用的、用以衡量一个国家或地域人民收入差距的常常利用指标。
基尼系数介于0-1之间,越接近0就表明收入分派越是趋向平等,反之趋向于不平等。
依照国际一般标准,以上的基尼系数表示收入差距较大,当基尼系数达到以上时,则表示收入差距很大。
恩格尔系数:指食物支出总额(生活必需品,非奢侈品)占家庭或个人消费支出总额的百分比。
1. 基期与现期:做为对比参照的是基期,而相对于比较的是现期。
2. 增长量与增长率:增长量是用来表述变化的绝对量;增长量则表述两者变化的相对量。
3. 年均增长率、年均增长量:现期量=基期量×(1+年均增长率)”,其中n 为相差年数;年均增长量=(现期量-基期量)÷n,其中n 为相差年数。
4. 百分数与百分点:量A 占量B 的百分比例:A÷B×100%,n个百分点即n%5. 同比与环比:同比:指和某一相同时期(比如去年同一时期)相比较的情况。
环比:指和与之紧紧相连的上一统计周期相比较的情况。
6. 成数与翻番:成数:几成相当于十分之几。
翻番:翻一番为原来的2倍;翻两番为原来的4倍;以此类推,翻n 番为原来的 27倍。
7. 倍数:增长n 倍(增长了、增长、多了),即增加n00%,就是增长率,现值=原值×(1+n);是原来的几倍(增长到、是),说的是增长后的结果,现值=原值×n 。
8. 斜率≠增长率9. 比重:比重是指部分在总体中所占的比率,占、比重、贡献率、利润率、产销率。
主要公式:比重=部分÷总体;利润率=利润÷收入;产销率=销量÷产量;增长贡 献率=部分增量÷整体增量。
10.平均数:均;每;单位。
公式:平均数=后面+前面,人均GDP=GDP ÷人数;每户消费=消费÷户数;单位面积产量=产量÷面积。
题型识别:A 是B 的n 倍 常用公式:n=A÷B倍数是n 倍与增长r 倍:n=r+1,r=n-1题型识别口 占,比重,贡献率,利润率,产销率比重=部分-总体;部分=总体x 比重;总体=部分÷比重 利润率=利润-收入;产销率=销量÷产量;常用公式口 增长贡献率=部分增量-整体增量;题型识别:均;每;单位 常用公式:后面÷前面平 均 数人均GDP=GDP ÷人数;每户消费=消费÷户数;单位面积产量=产量-面积比例相关 比重11.顺差和逆差:顺差:在一个时期内,一个国家(或地区)的出口商品额大于进口商品额,叫作对外贸易顺差(又称出超)。
资料分析计算公式整理在进行资料分析时,掌握一些常用的计算公式能够帮助我们更高效、准确地处理数据和得出结论。
以下是对一些重要的资料分析计算公式的整理。
一、增长类计算公式1、增长量=现期量基期量例如,2022 年某公司的销售额为 100 万元,2021 年为 80 万元,那么增长量就是 100 80 = 20 万元。
2、增长率=增长量 ÷基期量 × 100%用上例的数据,增长率为(20 ÷ 80)× 100% = 25% 。
3、基期量=现期量 ÷(1 +增长率)假设 2023 年某产品的销量为 120 万件,同比增长 20%,则 2022 年的销量(基期量)为 120 ÷(1 + 20%)= 100 万件。
4、现期量=基期量 ×(1 +增长率)如果已知 2021 年某地区的人口为 50 万人,预计每年以 5%的速度增长,那么 2025 年的人口(现期量)为 50 ×(1 + 5%)^4 万人。
二、比重类计算公式1、比重=部分量 ÷整体量 × 100%比如,某班级男生有 20 人,全班共有 50 人,那么男生所占比重为(20 ÷ 50)× 100% = 40% 。
2、部分量=整体量 ×比重若已知某公司总利润为 1000 万元,其中 A 产品的利润占比为 30%,则 A 产品的利润为 1000 × 30% = 300 万元。
3、整体量=部分量 ÷比重比如某企业中研发部门的人数为 50 人,占总人数的 20%,则该企业总人数为 50 ÷ 20% = 250 人。
三、平均数类计算公式1、平均数=总数 ÷个数例如,某班级5 名学生的数学成绩分别为80、90、85、95、75 分,那么平均成绩为(80 + 90 + 85 + 95 + 75)÷ 5 = 85 分。
资料分析八大题型之现期量
资料分析在多省省考中规定分值为两分,足以说明这个部分的重要性,现在华图教育专家将为大家讲解资料分析八大题型中比较重要的一类题型-基期量
【例一】:2010年1~4月全国入境旅游部分市场客源情况统计表
按1--4月
国家名称4月份1--4月累计
入境旅游入境人数同比增长入境人数同比增长
人数排序(万人)(%)(万人)(%)
13 英国 5.03 -2.37 18.32 5.61
16 法国 4.44 6.8 15.11 15.4
若保持同比增长率不变,预计哪一年4月入境旅游的法国游客人数将会超过英国?
()
A.2011
B.2012
C.2013
D.2014
【解析】B。
经估算,4.44×1.068=4.7<5.03×0.9763,4.7×1.068=5.01,必能超过英国。
故需要2年时间,即2012年,选B。
【例二】:(11年424联考一)
2009年某省各类农产品产量情况
产量(万吨)同比增长率(%)
粮食1314.50 5.7
糖蔗1116.11 3.4
蔬菜2567.17 5.6
水果1061.89 8.0
4.若保持2009年的增长速度,哪一年水果的年产量开始超过糖蔗?( )
A.2010年
B.2011年
C.2012年
D.2013年
【解析】B。
经估算,1061.89与1116.11相差大约55,水果第一年增产85,糖蔗第一年增产38,故第一年末水果与糖蔗只差8,第二年末定能开始超过。
故为2011年。
【例三】:
2007-2012年全国夏粮产量
万吨
119.假如2013年我国夏粮产量增长率创6年以来的新高,则2013年产量预计()。
A. 在12995~13128万吨之间
B. 在13200万吨左右
C. 不高于13314万吨
D. 高于13456万吨
解析:2008年的增长量=12041-11534=507,为6年来最大,则增长率为6年来最高。
因此,2013年的夏粮产量>12995+507=13502。
选项D。
估算
【例四】2009年第一季度,全国工商行政管理机关共查处各类违法违章案件68202件,同比下降29.98%;其中立案查处案件49654件,同比下降32.26%,案件总值33.57亿元,同比下降21.26%,罚没金额3.33亿元,同比下降39.49%。
(2010年江西-91)若保持同比下降率不变,预计2010年第一季度全国立案查处案件数将:
A.接近4.8万
B.接近3.4万
C.接近1.6万
D.接近2.1万
解析:B。
本题为现期量计算。
49654×(1-32.26%)≈5000×2/3≈33333件。
(特殊分数法)【例五】2008年12月与2009年12月江苏省13省辖市工业增加值
2010-江苏A-104.按2009年12月的月平均增长速度估算,2010年12月南京市可望实现工业增加值()。
A.157.7亿元
B.159.4亿元
C.168.9亿元
D.178.6亿元
【答案】D
【题型】末期量计算
【解析】根据第102题的计算结果可知南京市2009年12月的同比增长速度约为30%,以此速度增长,2010年12月南京市可望实现工业增加值为:137.0×(1+30%)=137+137×30%≈178.1(亿元)。
因此,本题答案为D选项。
【例六】
按2005—2008年主要国家(地区)货物出口额平均增长速度,预计2010年相应出口总额将达到约()亿美元。
A. 13197
B. 13892
C. 15163
D. 15837
【解析】D.本题考查现期量相关知识。
2008年主要国家(地区)货物出口额之和2929+2523+1907+1161+1141+740+259+330=10990;2005年主要国家(地区)货物出口额之和1629+1437+1245+840+554+351+165+132=6353;2005—2008年主要国家(地区)货物出口额平均增长速度为%2016353
10990
3
≈-,预计2010年相应出口总额将达到约15837%)201(109902≈+亿美元,所以答案为D 。