隐蔽工程(随工检查)验收记录
- 格式:xls
- 大小:43.94 MB
- 文档页数:1
隐蔽工程的随工验收隐蔽工程是建筑工程中的一个重要环节,它指的是在建筑物内部,比如墙壁、地板、天花板等结构完成之前进行的一系列施工工作。
随工验收作为隐蔽工程的重要环节,是确保建筑物质量及安全的关键步骤之一。
随工验收是指在隐蔽工程施工过程中,对施工质量进行检查、评定和验收的过程。
通过随工验收,可以及时发现和排除施工过程中存在的质量问题,确保建筑物的结构稳固、安全可靠。
随工验收的内容涉及多个方面,包括材料的选择与使用、施工工艺的操作、施工人员的素质等。
首先,需要对材料进行验收,确保所使用的材料符合相关标准和要求。
例如,混凝土的强度、砖块的质量等都需要进行检测。
其次,需要对施工工艺进行检查,确保施工过程中的操作规范、细致。
比如,混凝土浇筑的均匀性、砖砌的垂直度等都需要进行验收。
另外,施工人员的素质也是随工验收的重要内容之一。
施工人员需要具备一定的技术能力和职业素养,能够按照要求进行施工操作。
随工验收的方法主要包括目测检查、取样检测、实地测试等。
目测检查是最常用的一种方法,通过肉眼观察施工过程中的问题,如材料是否齐全、施工是否规范等。
取样检测是通过取样分析材料的性能和质量,如混凝土的抗压强度、砖块的抗压强度等。
实地测试是通过现场测试设备对施工工艺进行验证,如混凝土的坍落度测试、砖砌的垂直度测试等。
随工验收的结果通常分为合格和不合格两种情况。
如果验收结果为合格,表示施工质量符合要求,可以继续进行下一步工作。
如果验收结果为不合格,需要及时整改,直至满足相关要求为止。
隐蔽工程的质量问题如果没有及时发现和整改,可能会对建筑物的使用安全造成严重的影响,因此随工验收的重要性不可忽视。
随工验收是隐蔽工程中的重要环节,通过对施工质量进行检查、评定和验收,可以确保建筑物的结构稳固、安全可靠。
随工验收的内容包括材料的选择与使用、施工工艺的操作、施工人员的素质等,方法包括目测检查、取样检测、实地测试等。
随工验收的结果分为合格和不合格两种情况,不合格需要及时整改。
建筑工程资料智能建筑中分部分项的划分以及隐蔽验收的填写范例都有哪些?1、只能建筑工程中子分部工程和分项工程的划分;(1)对于单位建筑工程,只能建筑工程为其中的一个分部工程。
根据只能建筑工程的特点,按照专业系统及类别划分为若干子分部工程,在按照主要工种、材料、施工工艺和设备类别等划分若干分项工程。
(2)不同功能的建筑还可能配置其他相关的专业系统,如医院的呼叫对讲系统、体育场馆的升旗系统、售验票系统等等,可根据工程项目内容补充作为子分部工程进行验收。
2、工程施工完成后,通电进行试运行是对系统运行稳定性观察的重要阶段,也是对设备选用、系统设计和实际施工质量的直接检验。
3、工程实施的质量控制应检查下列内容:(1)施工现场质量管理检查记录(如果是单独做的需要填写,如果包含在总包中就不需要做了,开工时已经做完)(2)图纸会审记录;存在设计变更和工程洽商时,还应该检查设计变更记录和工程洽商记录(需要按照专业进行划分)(3)设备材料进场检验记录和设备开箱检验记录;(设备开箱在安装工程中一定要做,就是进场的设备需要做个开箱的记录,软件中有表格的格式)(4)隐蔽工程(随工检查)验收记录;(一般只有导管敷设的隐蔽验收,其他隐蔽比较少,敷线是不用做隐蔽的)(5)安装质量与观感质量检查记录;(6)分项工程质量验收记录;(7)试运行记录。
4、隐蔽验收内容填写范例:依可视对讲、信息网络、有线电视为例:(1)隐蔽验收填写内容都可以参考一下范例填写,只有导管的做隐蔽记录,其他没有。
1)根据图纸及设计要求,采用SC20焊接钢管暗敷于混凝土内,管路位于双层钢筋中间,固定牢固。
管路走向及接线盒安装位置符合图纸设计要求。
2)钢管壁厚均匀,管口平整,无劈裂、毛刺、凹扁现象。
管内壁刷防锈漆处理,外壁进行除锈。
3)管路采用套管连接,套管长度大于管外径的2.2倍,焊接饱满,无夹渣咬肉等焊接缺陷,药皮清除干净。
4)管路保护层均大于15mm,管路弯曲处无明显折皱,凹凸现象;弯扁度均小于钢管外径的0.1倍,弯曲半径均大于钢管外径的6倍。
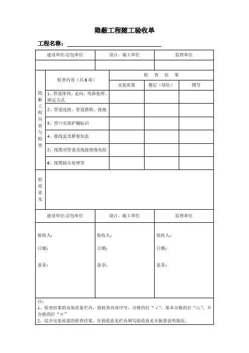
归档编号:C7-2智能建筑系统安装隐蔽工程检查验收记录
系统名称:
技术负责人:质量检查员:
1、智能建筑系统安装隐蔽工程指对系统中的各子分部工程(通信网络系统、建筑设备监控系统、火灾报警及消防系统、安全防范系统、综合布线系统、电源与接地系统)的管、线敷设以及凡敷设在地下、墙内、混凝土内不能进入检修部位的工程;
2、智能建筑系统安装隐蔽工程应在分项检验批中进行检查,并做工程隐蔽检查记录;
3、隐蔽工程要点及记录内容:
1)管道排列、走向、弯曲处理、固定方式;
2)管道连接、管道搭铁、接地;
3)管口安放护圈标识;
4)接线盒及桥架加盖;
5)线缆对管道及线间绝缘电阻;
6)线缆接头处理等。
4、检查结果的安装质量栏内,按检查内容序号,合格的打“√”,不合格的打 “×”,并注明对应的楼层(部位)、图号;
5、综合安装质量的检查结果,在验收意见栏内填写验收意见并扼要说明情况;
6、智能建筑系统的各子分部工程又分若干个分项工程,系统安装复杂,专业技术性强。
隐蔽工程记录的编写应在分项工程的隐蔽工程检查验收后及时填写,如分项工程量过大或工程实际需要可分批分段填写。
智能建筑工程质量验收规范1.总则1.0.1 为加强智能建筑工程质量管理,规范智能建筑工程质量验收,规定智能建筑工程质量检测和验收的组织程序和合格评定标准,保证智能建筑工程质量,制定本规范。
1.0.2 本规范适用于新建、扩建和改建工程中的智能建筑工程的质量验收。
1.0.3 智能建筑工程的质量验收除应符合本规范外,尚应符合国家现行有关标准的规定。
2 术语和符号2.1 术语2.1.1 系统检测 system checking and measuring建筑智能化系统安装、调试、自检完成并经过试运行后,采用特定的方法和仪器设备对系统功能和性能进行全面检查和测试并给出结论。
2.1.2 整改 rectification对工程中的不合格项进行修改和调整,使其达到合格的要求。
2.1.3 试运行 trial running建筑智能化系统安装、调试和自检完成后,系统按规定时间进行连续运行的过程。
2.1.4 项目监理机构 project supervision监理单位派驻工程项目负责履行委托监理合同的组织机构。
2.1.5 验收小组 acceptance group工程验收时,建设单位组织相关人员形成的、承担验收工作的临时机构。
2.2 符号HFC-------混合光纤同轴网ICMP-----因特网控制报文协议IP---------网络互联协议PCM------脉冲编码调制QoS------服务质量保证VLAN----虚拟局域网3 基本规定3.1 一般规定3.1.1 智能建筑工程质量验收应包括工程实施的质量控制、系统检测和工程验收。
3.1.2 智能建筑工程的子分部工程和分项工程划分应符合表3.1.2的规定。
表3.1.2 智能建筑工程的子分部工程和分项工程划分3.2 工程实施的质量控制3.2.1 工程实施的质量控制应检查下列内容:1 施工现场质量管理检查记录;2 图纸会审记录;存在设计变更和工程洽商时,还应检查设计变更记录和工程洽商记录;3 设备材料进场检验记录和设备开箱检验记录;4 隐蔽工程(随工检查)验收记录;5 安装质量及观感质量验收记录;6 自检记录;7 分项工程质量验收记录;8 试运行记录。
表B.0.1 设备材料进场检验记录表B.0.2 隐蔽工程(随工检查)验收记录表 B.0.3 安装质量及观感质量验收记录表B.0.4 自检记录表B.0.5 分项工程质量验收记录表 B.0.6 试运行记录表 C.0.1 分项工程检测记录表C.0.2 智能化集成系统子分部工程检测记录表C.0.3 用户电话交换系统子分部工程检测记录表C.0.6 有线电视及卫星电视接收系统子分部工程检测记录表 C.0.7 公共广播系统子分部工程检测记录表 C.0.8 会议系统子分部工程检测记录表C.0.9 信息导引及发布系统子分部工程检测记录表C.0.10 时钟系统子分部工程检测记录表C.0.11 信息化应用系统子分部工程检测记录表C.0.12 建筑设备监控系统子分部工程检测记录表C.0.13 安全技术防范系统子分部工程检测记录表C.0.14 应急响应系统子分部工程检测记录表C.0.17 分部工程检测汇总记录表D.0.1______________分部(子分部)工程质量验收记录表D.0.2 工程验收资料审查记录表D.0.3 验收结论汇总记录资料目录1、开工资料及附属资料页2、施工资料及现场质量检验评定表页3盖板涵资料页4、验收资料(单位、分部、分项工程评定)页年月日工程交工验收证书工程名称:工程地址:年月日工程交工验收证书交工验收时间:合同段交工验收证书第号注:表中内容较多时,可用附件工程交工验收报告工程名称:工程地址:年月日工程交工验收报告()开工报告书年月日工程开工报告段项目部文件号关于段工程项目部主要成员名单的报告项目负责人项目经理技术负责人施工员资料员质安员材料员驾驶员年月日工程人员进场报验单承包单位:合同号:监理单位:编号:工程机械进场报验单承包单位:合同号:监理单位:编号:建筑材料进场报验单承包单位:合同号:监理单位:编号:施工放样报验单承包单位:合同号:监理单位:编号:工程分项开工申请批复单承包单位:合同号:监理单位:编号:检验申请批复单承包单位:合同号:监理单位:编号:中间计量表承包单位:合同号:监理单位:·编号:日期:日期:地基验槽(坑)记录承包单位:合同号:监理单位:编号:。
监理(建设)单位
中咨工程建设监理有限公司专业工程师
签
字栏
施工单位
中国核工业华兴建设
有限公司
专业技术负责人
专业质检员施工员
复查结论:
复查人:复查日期: 年 月 日
检查意见:
检查结论:隐检内容:
东胜神洲一层顶板火灾自动报警系统配电线管在浇混泥土之前预埋,管子之间连接采用焊接并用胶布密封。
同一工程中的导线,应根据不同用途选择不同颜色加以区分,相同用途的导线颜色一致,导管内内无积水,线缆接头处理应符合施工规范的要求.
申报人:
有关国家现行标准等。
主要材料名称及规格/型号:电线管用刚性金属导管套接紧定式(JDG)扣压式(KBG)及连接件、接线盒标高
隐检依据:施工图图号电施-8B-03,设计变更/洽商(编号
无
)及
隐检项目东胜神洲报警系统线管安装
隐检日期
2019年 4 月13日隐检部位
一
层
轴线
甬统表C07-2
隐蔽工程(随工检查)验收记录
资料编号
ST-TM-YBYS-XJY-D002
工程名称浙江佛学院二期(弥勒圣坛)工程。