10KW屋顶太阳能光伏板安装材料清单
- 格式:xls
- 大小:19.00 KB
- 文档页数:1
太阳能板的材料太阳能板作为太阳能发电系统的核心组件,其材料的选择对于太阳能发电系统的性能和效率具有至关重要的影响。
目前,常见的太阳能板材料主要包括单晶硅、多晶硅和非晶硅。
本文将就这几种太阳能板材料进行详细介绍,并分析它们的特点和适用范围。
单晶硅是太阳能板中最常见的材料之一。
它的制作工艺要求非常严格,需要从高纯度硅晶体中切割而成,因此成本较高。
但单晶硅的转换效率较高,能够在较低的光照条件下产生较高的电能输出,因此在一些对电能输出要求较高的场合得到广泛应用。
多晶硅是另一种常见的太阳能板材料。
相比于单晶硅,多晶硅的制作工艺更加简单,因此成本相对较低。
多晶硅的转换效率虽然略低于单晶硅,但在光照条件良好的情况下,其电能输出也能够满足一般需求。
由于成本较低,多晶硅在大规模太阳能发电项目中得到广泛应用。
非晶硅是一种新型的太阳能板材料,其制作工艺更加简单,可以直接喷涂在基板上制成薄膜太阳能板。
非晶硅的转换效率较低,但其柔韧性和轻薄特性使得它在一些特殊场合得到应用,比如建筑一体化太阳能发电系统、户外便携式充电设备等。
除了硅材料外,还有一些新型太阳能板材料正在不断涌现,比如铜铟镓硒薄膜太阳能电池(CIGS)和钙钛矿太阳能电池等。
这些新型材料具有较高的转换效率和较低的制作成本,有望成为未来太阳能发电系统的主流材料。
综上所述,太阳能板的材料选择应根据具体的应用场景和需求来进行合理选择。
在成本允许的情况下,单晶硅和多晶硅是较为稳定和可靠的选择;而对于一些特殊场合,非晶硅和新型材料也具有一定的应用前景。
随着科技的不断进步和创新,太阳能板材料的选择将会更加多样化和个性化,为太阳能发电系统的发展注入新的活力。
太阳能光伏组件主要原材料1.1 硅料:(1)国内技术尚有欠缺(2)投资过热(3)利润在全球光伏产业链中,高纯度硅料不仅请求硅的纯度高达7~9个9,而且其中的硼、磷等杂质限制在几十个ppt(万亿分之一),它是光伏企业生产太阳能电池所需的核心原料。
因此,高纯度硅料的合成、精制、提纯、生产也就成为光伏产业集群中最上游的产业。
目前,尽管中国的硅原料矿藏储量占世界总储量的25%,但是国内太阳能电池生产企业所需原材料绝大部分需要从国外进口。
这是因为用于太阳能电池生产的硅料重要是通过不同的提炼方法从硅原料中提炼而成的单晶硅和多晶硅。
在中国,现有的高纯度硅原料生产技巧与西方发达国家相比,在产量和能耗等方面尚有不足之处。
如此一来,这不仅大大增长企业的生产成本,更成为制约当前我国光伏产业向上游环节发展难以逾越的“瓶颈”,使我们国家用很低的价格卖出高能耗、高污染的粗原料的同时,用极高的价格购回高纯硅料。
比如说在上游的硅料的方面,我们在做行业分析的时候曾经搜集了一些信息,基本上在过去两年多的时间里,在国内已经宣布要建多晶硅厂的公司大概有20、30家,然后把他们所宣布的产能加在一起大概有20几万吨。
07年全球硅料的消耗量才8万吨。
生产硅料大概不到30美金,市场上却曾卖到400、甚至500美金,这就造成了暴利。
硅料和硅片占到整个产业成本的70%EV AEV A是一种塑料物料由乙烯(E)及乙烯基醋酸盐(V A)所组成。
这两种化学物质比例可调较从而符合不同的应用需要,乙烯基醋酸盐(V A content) 的含量越高,其透明度,柔软度及坚韧度会相对提高。
EV A树脂的特点是具有良好的柔软性,橡胶般的弹性,在-50℃下仍能够具有较好的可挠性,透明性和表面光泽性好,化学稳定性良好,抗老化和耐臭氧强度好,无毒性。
与填料的掺混性好,着色和成型加工性好。
它和乙酸乙烯含量和分子量、熔体指数关系很大。
当熔融指数(MI)一定,乙酸乙烯(V AC)含量提高时候,其弹性、柔软性、相溶性,透明性等也随着提高。
10KW光伏并网示X工程XX合大太阳能科技XX2021年3月15日目录1、并网光伏系统的原理22、10KW并网光伏系统配置33、光伏组件技术参数44、逆变器技术参数45、安装支架56、系统报价67、相关政策自持68、投资预算和节能分析79、经济效益和经济社会效益分析710、后期维护管理效劳810KW光伏并网工程技术方案1、并网光伏系统的原理系统的根本原理:太阳能电池组件所发直流电通过光伏并网逆变器逆变成50Hz、380V 的交流电,经交流配电箱与用户侧并网,向负载供电。
本工程并网接入系统方案采用380V 低压并网,如图1所示:图1 光伏电站并网发电系统框图图2 光伏电站并网发电示意图2、10KW并网光伏系统配置表1 10KW并网系统配置清单序号零部件名称规格数量备注1 光伏组件250W多晶40块2 安装支架5KW/套2套水泥平顶屋面3 逆变器10KW/380V三相四线1只4 配电箱箱体1只直流断路器4P/1000V/16A 2只交流断路器4P/400V /32A 1只直流浪涌保护器1000V/ 1只交流浪涌保护器4P/400V/20KA 1只5 光伏电缆1*4mm2 200米6 逆变输出电缆3*6+2*4 20米3、光伏组件技术参数光伏系统采用250Wp的多晶硅太阳能电池组件,其参数如下:◆电池材料:多晶硅;◆峰值功率:253W;◆开路电压:37.6V;◆短路电流:8.55A;◆最正确工作电压:31.4V;◆最正确工作电流:7.96A;◆电池组件尺寸:1650×992×50mm◆电池组件重量:21.0 Kg◆电池组成:60片多晶硅电池式串联而成◆满足IEC61215,IEC61730标准◆工作环境温度:-40℃~+80℃◆正常使用25年后组件输出功率损耗不超过初始值的20%4、逆变器技术参数本系统采用1台10kW逆变器,技术参数如下:表2 10kW逆变器技术参数类别内容规格型号SPV-10KW光伏输入最大光伏输入功率11.7KW最大开路电压780输入电压X围280Vdc~700Vdc最正确效率输入电压>560v最低输入电压350V图3 240Wp多晶硅组件5、安装支架通过地锚栓或水泥根底固定,适用于平屋顶系统和地面系统。
10KW屋顶太阳能光伏板安装材料清单在安装10KW屋顶太阳能光伏板时,需要准备以下材料清单:1.太阳能光伏板:10KW屋顶太阳能光伏板是整个系统的核心组件。
选择高效率、高耐久度的光伏板可以提高系统的发电效率和使用寿命。
2.支架:支架是用于固定光伏板的重要组件。
可以选择不锈钢或铝合金材料的支架,以确保耐久性和稳定性。
3.光伏逆变器:光伏逆变器将直流电转换为交流电,并接入到家庭电网中。
可以选择具有高效率、稳定性和保护功能的逆变器。
4.电缆和接线盒:电缆用于连接光伏板和逆变器,选择符合安全要求的太阳能专用电缆。
接线盒用于连接电缆,并提供保护和隔离功能。
5.电池和电缆夹具:电池用于存储太阳能发电系统产生的电能,可以选择酸性电池或锂电池。
电缆夹具用于固定电缆,并确保连接的稳定性。
6.电池支架:电池支架用于固定电池,可以选择铁质或铝合金等材料的支架。
7.接地装置:接地装置用于将太阳能发电系统与地面连接,以确保安全性和减少雷击风险。
8.安全保护设备:包括过流保护器、短路保护器等,用于确保系统运行期间的安全。
9.太阳能跟踪器:太阳能跟踪器可以实现光伏板随着阳光的角度变化而自动调整,提高系统的发电效率。
10.监控设备:可以选择安装监控设备,实时监测太阳能发电系统的运行状态和发电量。
11.安装工具和辅助材料:包括螺丝刀、电钻、焊接机、绝缘胶带、绝缘胶水等,用于安装和连接太阳能光伏板系统的各个部分。
12.防水材料:在安装太阳能光伏板时,需要使用防水材料对屋顶进行处理,以确保系统不受水损害。
13.防雷设备:可以选择安装避雷针等设备,以减少雷电对太阳能发电系统的影响。
14.施工和安全标志:在安装过程中,需要使用施工和安全标志,以提醒人员注意安全事项。
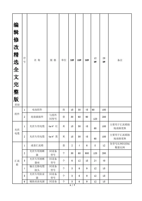
设备材料名称规格单位 太阳能电池板60W 块 太阳能电池板80W 块 太阳能电池板90W 块 太阳能电池板100W 块 太阳能电池板110W 块 太阳能电池板120W 块 太阳能电池板130W 块 太阳能电池板140W 块 太阳能电池板150W 块 太阳能电池板160W 块 太阳能电池板170W 块 太阳能电池板180W 块 太阳能电池板185W 块 太阳能电池板190W 块 太阳能电池板230W 块 太阳能电池板235W 块 太阳能电池板240W 块 太阳能电池板280W 块 太阳能电池板285W 块太阳能控制器12V5A 台太阳能控制器12V10A 台太阳能控制器12V20A 台太阳能控制器24V10A 台太阳能控制器24V15A 台太阳能控制器24V20A 台太阳能控制器24V30A 台太阳能控制器24V50A 台太阳能控制器24V100A 台太阳能控制器48V15A 台太阳能控制器48V30A 台太阳能控制器48V50A台离网电站材料清单表太阳能电池板太阳能控制器48V60A台太阳能控制器48V100A台太阳能控制器48V150A台太阳能控制器48V200A台太阳能控制器48V300A台太阳能控制器110V50A台太阳能控制器110V100A台太阳能控制器220V50A台太阳能控制器220V100A台太阳能控制器220V150A台太阳能控制器220V200A台太阳能控制器220V300A台太阳能控制器500V200A台离网逆变器24V1KW台离网逆变器48V1KW台离网逆变器48V2KW台离网逆变器48V3KW台离网逆变器48V5KW台离网逆变器110V3KW台离网逆变器110V5KW台离网逆变器110V7.5KW台离网逆变器110W10KW台离网逆变器110V15KW台离网逆变器110V20KW台离网逆变器110V30KW台离网逆变器220V5KW台离网逆变器220V7.5KW台离网逆变器220V10KW台离网逆变器220V15KW台离网逆变器220V20KW台离网逆变器220V30KW台离网逆变器220V50KW台离网逆变器220V60KW台离网逆变器220V80KW台离网逆变器220V100KW台离网逆变器110V5K3S台离网逆变器110V7.5K3S台离网逆变器110V10K3S台离网逆变器110V15K3S台离网逆变器110V20K3S台离网逆变器110V30K3S台离网逆变器110V50K3S台离网逆变器110V75K3S台离网逆变器220V7.5K3S台离网逆变器220V10K3S台离网逆变器220V15K3S台离网逆变器220V20K3S台离网逆变器220V30K3S台离网逆变器220V45K3S台离网逆变器220V60K3S台离网逆变器220V75K3S台离网逆变器220V100K3S台离网逆变器220V120K3S台离网逆变器220V150K3S台离网逆变器500V30K3S台离网逆变器500V45K3S台离网逆变器500V60K3S台离网逆变器500V100K3S台离网逆变器500V150K3S台离网逆变器500V200K3S台离网逆变器500V300K3S台离网逆变器500500K3S台直流防雷汇流箱6路输1路输出台直流防雷汇流箱8路输1路输出台直流防雷汇流箱10路输1路输出台直流防雷汇流箱12路输1路输出台直流防雷汇流箱16路输1路输出台直流防雷汇流箱18路输1路输出台直流柜定制台交流配电柜定制台直流线缆PV-F-1*4mm²米直流线缆ZR-YJVR22-2*6mm²米直流线缆ZR-YJVR22-2*10mm²米直流线缆ZR-YJVR22-2*16mm²米直流线缆ZR-YJVR22-2*25mm²米直流线缆ZR-YJVR22-2*50mm²米直流线缆ZR-YJVR22-2*70mm²米直流线缆ZR-YJVR22-2*95mm²米直流线缆ZR-YJVR22-2*120mm²米直流线缆ZR-YJVR22-2*150mm²米直流线缆ZR-YJVR22-2*185mm²米直流线缆ZR-YJVR22-2*50mm²米交流线缆ZR-YJY-2*2.5mm米交流线缆ZR-YJY-2*4mm米交流线缆ZR-YJV-2*6mm²米交流线缆ZR-YJV-2*16mm²米交流线缆ZR-YJV--3×70+2×35mm2米22交流线缆ZR-YJV--3×95+2×50mm2米22交流线缆ZR-YJV--3×120+2×60mm2米22交流线缆ZR-YJV--3×150+2×70mm2米22交流线缆ZR-YJV--3*185+2*95mm2米22交流线缆ZR-YJV--3*240+2*120mm2米22蓄电池12V33AH块蓄电池12V50AH块蓄电池12V65AH块蓄电池12V100AH块蓄电池12V150AH块蓄电池12V200AH块蓄电池12V250AH块蓄电池2V100AH块蓄电池2V200AH块蓄电池2V300AH块蓄电池2V400AH块蓄电池2V500AH块蓄电池2V600AH块蓄电池2V800AH块蓄电池2V1000AH块蓄电池2V1500AH块蓄电池2V1800AH块蓄电池2V2000AH块蓄电池2V2500AH块蓄电池2V3000AH块蓄电池支架定制套电缆桥架定制米无线发射模块定制台无线接收模块定制台数据采集器台模块电源箱定制台环境传感器台台式电脑台监控线缆超5类屏蔽网线米电源线ZR-YJY-3*2.5mm米光伏专用防水接头MC4个镀锌钢管DN100米蛇皮管DN25米PVC线管DN100米接地圆钢Φ12米主梁槽钢C52米次梁槽钢C72米次梁槽钢C41米立柱槽钢C41*410mm米转角连接件个塑翼螺母M12个连接件螺栓Bolt M12x25个U型槽钢连接件个U型连接件螺栓个铰连接件个 转角连接件锁扣个90°角连接件个水泥基础块定制个支柱C41/450个前支柱C41/600个后支柱C41/300个螺栓套件M10×20 个膨胀螺栓M12个压块(中间)个压块(边缘)个铰连接件热浸锌s235个连接螺栓套M12*25mm个钢管桩个现浇混凝土C30个表备注生产厂家单/多晶硅英利、海润、上海太阳能单/多晶硅英利、海润、上海太阳能单/多晶硅英利、海润、上海太阳能单/多晶硅英利、海润、上海太阳能单/多晶硅英利、海润、上海太阳能单/多晶硅英利、海润、上海太阳能单/多晶硅英利、海润、上海太阳能单/多晶硅英利、海润、上海太阳能单/多晶硅英利、海润、上海太阳能单/多晶硅英利、海润、上海太阳能单/多晶硅英利、海润、上海太阳能单/多晶硅英利、海润、上海太阳能单/多晶硅英利、海润、上海太阳能单/多晶硅英利、海润、上海太阳能单/多晶硅英利、海润、上海太阳能单/多晶硅英利、海润、上海太阳能单/多晶硅英利、海润、上海太阳能单/多晶硅英利、海润、上海太阳能单/多晶硅英利、海润、上海太阳能合肥阳光合肥阳光合肥阳光合肥阳光合肥阳光合肥阳光合肥阳光合肥阳光合肥阳光合肥阳光合肥阳光合肥阳光`合肥阳光合肥阳光合肥阳光合肥阳光合肥阳光合肥阳光合肥阳光合肥阳光合肥阳光合肥阳光合肥阳光合肥阳光合肥阳光合肥阳光合肥阳光合肥阳光合肥阳光合肥阳光合肥阳光合肥阳光合肥阳光合肥阳光合肥阳光合肥阳光合肥阳光合肥阳光合肥阳光合肥阳光合肥阳光合肥阳光合肥阳光合肥阳光合肥阳光合肥阳光合肥阳光合肥阳光合肥阳光合肥阳光合肥阳光合肥阳光合肥阳光合肥阳光合肥阳光合肥阳光合肥阳光合肥阳光合肥阳光合肥阳光合肥阳光合肥阳光合肥阳光合肥阳光合肥阳光合肥阳光合肥阳光合肥阳光合肥阳光合肥阳光合肥阳光合肥阳光可选监控系统配件,也可以定制合肥阳光、南京冠亚可选监控系统配件,也可以定制合肥阳光、南京冠亚可选监控系统配件,也可以定制合肥阳光、南京冠亚可选监控系统配件,也可以定制合肥阳光、南京冠亚可选监控系统配件,也可以定制合肥阳光、南京冠亚可选监控系统配件,也可以定制合肥阳光、南京冠亚根据每个电站容量的大小量身定制合肥阳光、南京冠亚根据每个电站容量的大小量身定制合肥阳光、南京冠亚远东电缆、河阳电缆、山东阳谷电缆远东电缆、河阳电缆、山东阳谷电缆远东电缆、河阳电缆、山东阳谷电缆远东电缆、河阳电缆、山东阳谷电缆远东电缆、河阳电缆、山东阳谷电缆远东电缆、河阳电缆、山东阳谷电缆远东电缆、河阳电缆、山东阳谷电缆远东电缆、河阳电缆、山东阳谷电缆远东电缆、河阳电缆、山东阳谷电缆远东电缆、河阳电缆、山东阳谷电缆远东电缆、河阳电缆、山东阳谷电缆远东电缆、河阳电缆、山东阳谷电缆远东电缆、河阳电缆、山东阳谷电缆远东电缆、河阳电缆、山东阳谷电缆远东电缆、河阳电缆、山东阳谷电缆远东电缆、河阳电缆、山东阳谷电缆远东电缆、河阳电缆、山东阳谷电缆远东电缆、河阳电缆、山东阳谷电缆远东电缆、河阳电缆、山东阳谷电缆远东电缆、河阳电缆、山东阳谷电缆远东电缆、河阳电缆、山东阳谷电缆远东电缆、河阳电缆、山东阳谷电缆铅酸/胶体山东圣阳、武汉银泰、扬州欧力特、广州恒达铅酸/胶体山东圣阳、武汉银泰、扬州欧力特、广州恒达铅酸/胶体山东圣阳、武汉银泰、扬州欧力特、广州恒达铅酸/胶体山东圣阳、武汉银泰、扬州欧力特、广州恒达铅酸/胶体山东圣阳、武汉银泰、扬州欧力特、广州恒达铅酸/胶体山东圣阳、武汉银泰、扬州欧力特、广州恒达铅酸/胶体山东圣阳、武汉银泰、扬州欧力特、广州恒达铅酸/胶体山东圣阳、武汉银泰、扬州欧力特、广州恒达铅酸/胶体山东圣阳、武汉银泰、扬州欧力特、广州恒达铅酸/胶体山东圣阳、武汉银泰、扬州欧力特、广州恒达铅酸/胶体山东圣阳、武汉银泰、扬州欧力特、广州恒达铅酸/胶体山东圣阳、武汉银泰、扬州欧力特、广州恒达铅酸/胶体山东圣阳、武汉银泰、扬州欧力特、广州恒达铅酸/胶体山东圣阳、武汉银泰、扬州欧力特、广州恒达铅酸/胶体山东圣阳、武汉银泰、扬州欧力特、广州恒达铅酸/胶体山东圣阳、武汉银泰、扬州欧力特、广州恒达铅酸/胶体山东圣阳、武汉银泰、扬州欧力特、广州恒达铅酸/胶体山东圣阳、武汉银泰、扬州欧力特、广州恒达铅酸/胶体山东圣阳、武汉银泰、扬州欧力特、广州恒达铅酸/胶体山东圣阳、武汉银泰、扬州欧力特、广州恒达定制蓄电池厂家提供市场厂家和商业店铺较多可选配件阳光、冠亚,深圳信立、中兴通讯可选配件阳光、冠亚,深圳信立、中兴通讯可选配件阳光、冠亚,深圳信立、中兴通讯可选配件阳光、冠亚,深圳信立、中兴通讯可选配件阳光、冠亚,深圳信立、中兴通讯可选配件联想、戴尔可选配件阳光、冠亚,深圳信立、中兴通讯可选配件阳光、冠亚,深圳信立、中兴通讯中环、仁和其他型号根据设计要求市场厂家和商业店铺较多其他型号根据设计要求市场厂家和商业店铺较多其他型号根据设计要求市场厂家和商业店铺较多其他型号根据设计要求喜利得其他型号根据设计要求喜利得其他型号根据设计要求喜利得其他型号根据设计要求喜利得其他型号根据设计要求喜利得其他型号根据设计要求喜利得其他型号根据设计要求喜利得其他型号根据设计要求喜利得其他型号根据设计要求喜利得其他型号根据设计要求喜利得其他型号根据设计要求喜利得其他型号根据设计要求喜利得其他型号根据设计要求喜利得项目所在地就近找水泥基础预制件厂家其他型号根据设计要求喜利得其他型号根据设计要求喜利得其他型号根据设计要求喜利得其他型号根据设计要求喜利得其他型号根据设计要求喜利得其他型号根据设计要求喜利得其他型号根据设计要求喜利得其他型号根据设计要求喜利得其他型号根据设计要求喜利得其他型号根据设计要求喜利得施工现场自制。
投资光伏电站所需的材料清单组件材料质量对光伏系统投资回报至关重要频发的质量问题、高衰减率组件正在中国西部光伏电站蔓延,可能会将过去三年积累的光伏电站成绩打入尘埃。
“部分多晶硅电池组件2-3年功率衰减3.8%-7.0%,非晶硅3年功率衰减达20%。
” 中科院电工所在对青海省太阳能光伏电站后评估检测后得出令人惊讶的结果.根据鉴衡认证中心调查,425座太阳能电站中,30%建成的3年以上电站都不同程度出现了问题;由于组件的质量问题,有些建成三年的电站设备衰减率甚至高达68%。
如果组件一年衰减超过5%,照此速度,五年后这个电站就报废了。
随着“婴儿期”(运行一年)失效率组件的出现,建设1年的电站成本、收益都出现了较大波动。
这样的电站如何保证投资回报率?如何获得银行贷款?如何让投资者、业主放心?以国内现有的招标交易及竞争环境,单独的太阳能电站组件供应商没有力量挽回这一局面,有些事情,需要电站业主、投资商自己把关。
未经实绩验证的材料损害组件根本组件是太阳能电站最重要的组成设备,电站的质量、发电量、收益率、价值都与它息息相关。
它主要由太阳电池、封装材料、背板、玻璃、边框、接线盒等组成,这些材料都对组件性能、质量产生影响,电池片是核心,外面的封装材料都是为了保护它,其中一个关键的保护材料是处于最外层的背板,一旦背板失效,里面的封装材料、电池片就如失去蔽护的花朵,随环境凋零。
背板是光伏组件背面的一层复合结构材料,将电池片和组件封装材料与大气环境隔离,为组件提供绝缘保护,它需要长期耐受各种环境应力作用,对组件在户外的可靠性、功率衰减和使用寿命都至关重要。
随着国内电站装机的不断攀升,市场上出现了采⽤不同材料和结构类型的背板,目前比较常见的背板外层保护材料有杜邦™ 特能® (Tedlar®) PVF薄膜、PVDF薄膜、FEVE涂料、PET聚酯/耐水解PET、PA聚酰胺。
背板的重要性能需要正确的关键材料组合才能体现,越来越多的组件质量问题,与背板选材有关,比较常见的失效模式有开裂、黄变、风沙磨损、热斑熔化等,这些问题都对组件造成破坏性损害,使电站存在严重的安全隐患。
家庭分布式10kw光伏电站并网方案随着能源需求的增长和环境保护的呼声,分布式光伏电站作为一种可持续的能源解决方案正越来越受到人们的关注。
家庭分布式10kw光伏电站并网方案是一种将太阳能转化为电能的系统,可满足家庭的电力需求,并将多余的电能注入电网。
本文将详细介绍家庭分布式10kw 光伏电站并网方案及其应用。
一、家庭分布式10kw光伏电站的构成家庭分布式10kw光伏电站由光伏电池组件、逆变器、电池储能系统和配电系统组成。
1. 光伏电池组件:光伏电池组件通常安装在家庭屋顶或其他适当的位置。
光伏电池通过将太阳能转化为直流电能。
2. 逆变器:逆变器将光伏电池发出的直流电能转换为交流电能,以供家庭使用。
3. 电池储能系统:当太阳能补给不足时,电池储能系统可以存储多余的电能并在需要时释放出来。
4. 配电系统:配电系统将生成的电能分配给家庭用电设备,并将多余的电能注入电网。
二、家庭分布式10kw光伏电站的优势家庭分布式10kw光伏电站具有以下几个方面的优势:1. 节约能源:太阳能是一种可再生的能源,通过使用光伏电站,家庭可以充分利用太阳能,减少对传统能源的消耗。
2. 环保减排:太阳能是一种清洁能源,使用家庭分布式光伏电站可以减少二氧化碳等有害气体的排放,有利于改善空气质量。
3. 降低电费:使用家庭分布式光伏电站可以大大降低家庭的电费支出。
多余的电能注入电网后,还可以获得电网反补贴。
三、家庭分布式10kw光伏电站的并网方案家庭分布式10kw光伏电站的并网方案需要遵守法规和技术要求,确保电站的安全性和可靠性。
1. 电站规模:电站的装机容量应为10kw,符合家庭分布式光伏电站的规模要求。
2. 并网条件:电站需要满足当地电网的并网条件,包括电压、频率、功率因数等要求。
需要向当地供电公司提交并网申请。
3. 安全保护:分布式光伏电站需安装直流断路器、接地保护器、过压保护器等安全设备来保护电站及使用者的安全。
4. 远程监控:为了方便管理和监控电站的运行情况,建议安装远程监控系统,可以实时监测发电量、功率、电压等参数。
一、监理范围包括:光伏场区部分:1、光伏阵列基础;2、箱、逆变器室基础;3、光伏支架组件安装; 4、汇流箱安装;5、箱式变压器安装;6、逆变器室设备安装;7、电缆敷设;8、电缆防火及阻燃;9、场区道路升压站建筑工程部分:1、综合楼;2、车库、材料库、电子设备间;3、35kV配电室; 4、35kV户外装置;5、变压器、架构及设备支架;6、附属设施升压站电气安装:1、变压器系统设备安装;2、变压器系统附属设备安装;3、主控室设备安装;4、蓄电池组安装;5、35KV配电装置安装;6、35KV配电装置电气设备安装;7、就地控制设备安装;8、站用配电装置安装;9、SVG无功补偿装置安装;10、SVG无功补偿装置带电试运;11、电缆管配置及敷设;12、电缆架制作及安装;13、电缆敷设;14、电力电缆终端及中间接头制作;15、控制电缆终端及中间接头制作;16、35KV及以上电缆终端及中间接头制作;17、电缆防火及阻燃;18、全站防雷及接地装置安装;19、接地装置安装;20、通讯系统设备安装;21、水工设备安装光伏电站工程资料清单单位工程/分部工程卷册号1 生产综合楼/升压站建筑工程001工程施工测量记录002建(构)筑物施工定位测量、高程测量和测量复核记录(包括定位依据、控制网和基准点)003建(构)筑物测试、沉陷、位移、变形观测站记录(施工中补测的基础资料及主厂房各类位置标高图)004土壤干密度及用水水质报告005土、岩试验报告、地基处理(包括打桩)记录006混凝土、砂浆配合比通知单及试验报告007混凝土试块强度报告、见证记录、试验委托单008砂浆试块强度报告、见证记录、试验委托单009混凝土数理统计010混凝土浇捣通知单011混凝土工程冬期施工热工计算及施工记录012混凝土配合比设计报告013大体积砼测温记录014混凝土跟踪管理记录015混凝土搅拌记录、浇筑、养护记录016二次灌浆通知单017沙、石跟踪管理记录018钢筋施工记录019预应力钢筋冷拉及张力记录020钢结构摩擦面的抗滑系数和高强螺栓副试验报告021钢筋焊接接头试验报告022回填土试验记录(回填土的干容重或压实数试验报告)、见证记录、试验委托单023混凝土结构实体、钢筋保护层厚度检测报告024 原材料、构件、半成品、设备等报验单、进场清单、自检记录、质量证明、质保书或产品合格证(包括焊条、钢材、水泥、砖、粗细骨料、混凝土构件、钢制品、木制品、防腐、保温等)025原材料及焊接试验报告(包括钢材、水泥、沙、石、砖、构件、焊条、防水材料、保温材料、耐火防腐材料、钢筋对焊、预埋铁焊接试验报告等)(含见证记录及试验委托单)026焊接、热处理检验记录和图表、探伤底片、检验报告、焊接工艺评定书、质量评定及总结027钢筋机械连接头试验报告028 金属材料等的金相理化检验记录029合金钢零部件和紧固件的光谱分析及硬度试验记录030 钢筋跟踪管理记录(应包括:编号、厂家名称、到货日期、单位、数量、规格等级、出厂证件编号、复试报告编号、报验单编号、宏观质量描述、领用单位、领用日期、领用数量、使用部位及数量、累计库存、存在问题及处理情况等)031 水泥跟踪管理记录(应包括:编号、厂家名称、到货日期、单位、数量、规格等级、出厂证件编号、复试报告编号、报验单编号、宏观质量描述、领用单位、领用日期、领用数量、使用部位及数量、累计库存、存在问题及处理情况等)032隐蔽工程验收记录(地基验槽、钢筋、地下混凝土结构、地下构筑物防水、防腐、防雷接地、抹灰砌体、钢结构及装饰装修基层)033管道、阀门等设备强度试验、严密性试验记录034排水系统清洗、灌水记录、通水、通球试验记录035蓄水构筑物灌水记录036管线标高、位置、坡度测量记录037管道水压检验记录038给水、采暖系统试压记录039设备、电气、仪表安装、调试记录040油质试验报告041建(构)筑物构件和建筑设备消缺处理记录042地基承载力试验报告及桩基检测报告043建(构)筑物沉降观测记录044工程质量检验评定和质量验收资料(地基验槽记录、地桩工程质量验收报告、地基与基础质量验收记录、分项、分部工程质量验)045主要轴线测量记录(暖通专业)(含水准测量)046辅机靠背轮找中心记录(暖通专业、消防专业)047焊接记录(暖通专业)048接地电阻测试记录(消防专业)049喷头安装记录(消防专业)050探测器安装记录(消防专业)051湿式报警阀及消火栓安装记录(消防专业)052安装过程中其它施工记录(暖通专业、消防专业)053器材、设备移交,检查记录054隐蔽工程(埋管、埋件)会签单(地基验槽记录、钢筋工程检验记录、地下混凝土工程检验记录、地下防水、防腐工程检验记录)055预应力混凝土输水管线垒底及基础工程验收记录056设备基础交工验收记录057中间交工验收记录及中间验收交接签证058空调调试记录及制冷系统试验记录059电梯负荷试验、安全装置检查记录060建筑智能系统安装调试记录等061 单位工程、分部、分项、检验批质量验收记录[单位(子)工程质量验收、等级评定、观感质量评定、安全与功能核查、技术资料核查表等]062施工和调试未完项目清单以及完成计划063项目划分表及报审表064阶段性工程技术总结、验收065其他有关检验记录066其它有关施工记录卷册号2 35kV集电线施工工程001工程施工记录002水泥跟踪台账、钢筋跟踪台账003混凝土配合比通知单004混凝土试验报告005主要原材料出厂合格证、质量证明、复试报告006工程质量检验评定和质量验收资料007阶段性工程技术总结、验收卷册号3 线路安装工程001场内电力线路安装记录002交叉跨越距离记录、接地电阻实测值记录003安装所需材料质量证明004绝缘子电阻试验报告、避雷器试验报告、塔杆接地电阻、冲击合闸试验报告005隐蔽工程质量验收记录006工程质量评定表卷册号4 光伏支架基础工程001工程施工测量记录(定位测量记录、基槽及各层测量放线记录、沉降观测记录、基础隐蔽工程记录)002原材料出厂合格证、质量证明、复试报告及进场检验记录003土壤干密度试验报告004混凝土搅拌记录、浇筑、养护测温记录005混凝土配合比通知单及试块抗压强度检验报告(基础垫层混凝土抗压强度实验报告)006预制构件检验记录007钢筋施工记录008钢筋机械连接头性能检测报告009钢筋、沙子、水泥等材料跟踪台账010地基处理施工记录011隐蔽工程验收记录012冬期施工测温记录013工程质量检验评定和质量验收资料(地基验槽记录、地桩工程质量验收报告、地基与基础质量验收记录、分项、分部工程质量验收记录)014阶段性工程技术总结、验收015工程质量检验评定卷册号5 变电站内系统设备安装调试001主变压器及电抗器:安装技术记录、器身检查记录、绝缘油分析试验报告、干燥记录及调整试验记录002主变压器器身检查隐蔽前签证、主变带电试验签证003继电保护动作值整定记录004仪表、保护、自动控制装置校验记录005工艺系统报警定值记录006系统联锁及全厂保护动作值整定记录007系统联锁、程序控制、自动调整试验报告008电气试验和继电保护、远动、自动化装置调试记录009《强制性条文》检查记录010断路器(含GIS、开关柜)、隔离开关、互感器和电容器、风机箱式变压器等安装过程中其它施工记录011设备及电缆绝缘电阻、交流阻抗、吸收比测试报告012继电保护联锁及模拟试验报告013全厂保护调试报告014不合格品处理报告015设备缺陷处理和修补记录与签证016质量事故报告017主变压器安装工程单位工程及分部工程报验申请表、及质量检验评定表018变压器及附件安装记录、变压器内检记录019主变压器器身检查隐蔽前签证、主变带电试验签证020隐蔽工程验收记录021阶段性工程技术总结、验收022结构高强螺栓试验报告023系统调试及分部试运试验报告024调试大纲、方案、措施及报审025调试报告、试验记录、调试验评记录026调试过程中设备缺陷处理记录027调试过程中变更设计资料028调试工作总结029按照相关规程、规范应该归档有关报告030按照相关规程、规范应该归档其他检验记录、报告031阶段性工程技术总结、验收卷册号6 直流设备安装001蓄电池安装记录002蓄电池充放电记录003蓄电池出厂合格证明004蓄电池技术参数测量记录005工程质量检验评定表卷册号7 全站电缆施工001 电缆敷设记录(包括接口位置、路途、代用)和原始安装记录002硬母线、软母线安装技术记录003直埋电缆隐蔽签证004全站电缆检测试验报告005全站电缆质量证明006工程技术总结、验收007全站电缆工程质量检验评定表卷册号8 无功补偿装置安装001避雷器、铝母线、接地开关等安装记录00235kv配电装置带电试运签证、无功补偿装置带电试运行签证003避雷器、铝母线、接地开关等工程质量检验评定表004工程技术总结、验收卷册号9 全站防雷及接地装置安装001接地电阻安装记录002接地电阻测试报告003工程质量检验评定表004主要原材料质量证明005电气绝缘和接地电阻测试记录006避雷器安装记录、母线安装记录、隔离开关安装记录007避雷器、母线、隔离开关等原材料出厂合格证、实验报告008避雷器、母线、隔离开关等调试记录009避雷器、母线、隔离开关等检验评定及质量验收单010阶段性工程技术总结、验收011工程质量检验评定表卷册号10 全站照明装置001全站照明带电试运签证记录002全站照明装置安装记录003全站照明系统质量检验评定表004工程技术总结、验收卷册号11 生活、消防水泵房电气设备安装001生活、消防水泵房电气设备安装002生活、消防水泵房电气设备带电试运卷册号12 全站盘柜安装001盘柜基础安装记录002工程质量检验评定卷册号工程监理文件卷册号13 综合管理类资料001工程项目的监理机构、人员组成及职责范围、人员资质证书、总监理工程师任命通知书;监理工程师变更通知书、监理机构设置通知书。