电力安全监管执法检查手册
- 格式:doc
- 大小:1.19 MB
- 文档页数:124
附件2电力安全监管执法检查事项库(推荐)一.通用部分序号检查项目具体事项检查方法检查依据法律责任1 主要负责人履职情况1.1建立、健全本单位安全生产责任制1.1.1查阅是否审批发布安全生产责任制1.1.2抽查安全生产责任制是否符合“党政同责、一岗双责、失职追责”的要求,安全生产监督体系和保证体系是否健全《安全生产法》第十八条《电力安全生产监督管理办法》第七条和第八条《安全生产法》第九十一条《电力安全生产监督管理办法》第三十五条1.2组织制定本单位安全生产规章制度和操作规程1.2.1 查阅是否审批发布《电力企业安全生产标准化达标评级规范》附录规定的安全生产基本规章制度1.2.2抽查部分重点生产系统是否制定配置了操作规程1.3组织制定并实施本单位安全生产教育和培训计划1.3.1 查阅是否审批发布年度安全生产教育培训计划1.3.2 抽查教育培训计划是否实施1.4保证本单位安全生产投入的有效实施1.4.1 询问安全管理人员和生产技术人员是否存在因安全投入不足影响安全生产的情况1.5督促、检查本单位的安全生产工作,及时消除生产安全事故隐患1.5.1查阅文件批阅、会议和安全检查记录,了解主要负责人是否对本单位安全生产工作进行部署、协调、督促和检查1.5.2 抽查隐患管理台账,了解主要负责人对未整改闭环隐患是否知情并进行督促序号检查项目具体事项检查方法检查依据法律责任1.6组织制定并实施本单位的生产安全事故应急救援预案1.6.1 查阅是否审批发布应急预案1.6.2 抽查应急预案是否进行培训、演练1.7及时、如实报告生产安全事故1.7.1 抽查相关会议记录、文件资料,询问安全管理人员和生产技术人员,了解是否存在不及时、如实报告事故的情况2 安全生产管理机构设置和安全生产管理人员配备情况2.1 按国家规定设置安全生产管理机构或者配备专(兼)职安全管理人员2.1.1检查是否按规定设置安全生产管理机构或者配备专职安全管理人员2.1.2是否明确机构、人员的职责《安全生产法》第二十一条和第二十二条《安全生产法》第九十四条:《电力安全生产监督管理办法》第三十五条2.2安全生产管理人员必须具备与本单位所从事的生产经营活动相应的安全生产知识和管理能力2.2.1抽查企业是否有对安全生产管理人员的知识和能力进行培训考核的证明《安全生产法》第二十四条3 安全生产管理机构及安全生产管理人员履行职责情况3.1组织或者参与拟订本单位安全生产规章制度、操作规程和生产安全事故应急救援预案3.1.1 查阅是否制定《电力企业安全生产标准化达标评级规范》附录规定的安全生产基本规章制度和应急预案3.1.2抽查部分重点生产系统是否制定配置了操作规程《安全生产法》第二十二条《安全生产法》第九十三条、九十四条3.2组织或者参与本单位安全生产教育和培训,如实记录安全生产教育和培训情况3.2.1 查阅是否制定年度安全生产教育培训计划3.2.2 查阅是否建立安全生产教育培训档案3.3督促落实本单位重大危险源的安全管理措施3.3.1 查阅是否有重大危险源的辨识、监控和检查的档案序号检查项目具体事项检查方法检查依据法律责任3.4组织或者参与本单位应急救援演练3.4.1 查阅是否制定应急演练计划,是否有应急演练的档案记录3.5检查本单位的安全生产状况,及时排查生产安全事故隐患,提出改进安全生产管理的建议3.5.1 查阅是否有组织开展安全生产检查的计划和实施情况记录3.5.2 查阅是否有安全隐患排查治理的记录档案3.5.3 查阅是否有提出改进安全生产管理的建议3.6制止和纠正违章指挥、强令冒险作业、违反操作规程的行为3.6.1查阅是否有对违规违章行为进行纠正、制止或处罚的记录3.7督促落实本单位安全生产整改措施3.7.1 抽查对本单位制定的安全生产整改措施的落实情况是否进行建档跟踪和闭环管理4 安全培训情况4.1生产经营单位的主要负责人和安全生产管理人员必须具备与本单位所从事的生产经营活动相应的安全生产知识和管理能力4.1.1查阅企业是否有对主要负责人和安全管理人员的安全生产知识和管理能力进行培训考核的证明材料《安全生产法》第二十四条《安全生产法》第九十四条4.2 生产经营单位应当对从业人员进行安全生产教育和培训,保证从业人员具备必要的安全生产知识,熟悉有关的安全生产规章制度和安4.2.1查阅是否制定安全教育培训制度4.2.2查阅是否制定对从业人员的安全培训计划4.2.3 抽考部分从业人员是接受“三级”安全培训,是否具备基本的安全生产知识和技能《安全生产法》第二十五条序号检查项目具体事项检查方法检查依据法律责任全操作规程,掌握本岗位的安全操作技能,了解事故应急处理措施,知悉自身在安全生产方面的权利和义务。
临时用电工程安全专项执法检查主要内容一、临时用电施工组织设计编制、审核、审批情况。
二、电工持证上岗情况。
三、安全教育培训和技术交底情况。
四、外电防护情况(脚手架、建筑起重机械等周边与外电架空线路的安全距离,外电架空线路防护措施,警示标志设置等)。
五、保护接零与保护接地系统情况(保护零线引出情况,是否同时采用接零保护和接地保护两种方式,电气设备的金属外壳、配电箱柜的金属框架等是否与保护零线连接牢固,保护零线是否装设开关或存在断线,重复接地是否符合规范要求,接地电阻阻值是否符合规范要求,塔吊等建筑起重机械防雷接地情况等)。
六、配电室布置是否符合规范要求(配电室耐火等级,灭火器材配备,正常照明和事故照明设置,警示标志设置,防止雨雪侵入和小动物进入的措施等)。
七、配电线路敷设情况(电缆选用是否符合方案及规范要求,电缆是否包含全部芯线,芯线颜色是否与用途一致,电缆敷设是否符合规范要求,是否设置警示标志等)。
八、配电箱(柜)及开关箱设置情况(安装高度是否符合规范要求,N线端子板和PE线端子板设置及接线情况,隔离开关断开时是否具有明显可见的分断点,是否采用三级配电逐级保护,漏电保护器参数是否符合规范要求,是否存在一闸多机现象,电器是否安装在电气安装板上,电器间距是否符合规范要求等)。
九、施工现场照明情况(电源电压、灯具高度、照明变压器配备、灯具外壳接地等)。
十、临时用电工程验收及档案管理情况(临时用电工程是否验收,变更临时用电组织设计时是否及时补充相关图纸和资料,安全技术档案是否齐全,是否与分包单位签订管理协议等)十一、生活区用电情况(是否有私拉乱接现象,是否使用热得快、电褥子等电器)。
十二、监理单位对临时用电施工组织设计的审查情况,对特种作业人员持证上岗审核情况,发现安全隐患后监理通知的签发及复查整改情况。
临时用电工程安全专项执法检查主要内容(二)临时用电工程是指在建设工程施工过程中,为满足施工需求而设置的临时供电设施。
电力安全监督管理工作手册内容一、引言电力是现代社会不可或缺的能源,但在电力生产、传输和使用的过程中也存在一定的安全风险。
为了确保电力系统的安全稳定运行,需要进行电力安全监督管理工作。
本手册旨在提供电力安全监督管理的基本原理、方法和操作流程,以提高电力安全管理效能。
二、电力安全监督管理的基本原则与目标1.基本原则(1)法律依据:电力安全监督管理必须依法依规进行,确保各项工作符合相关法律法规的要求。
(2)预防优先:重视事前预防,在电力生产、传输和使用环节中识别和解决安全隐患,避免事故发生。
(3)风险管控:通过风险评估和管控措施,降低电力系统的安全风险,确保人员和设备的安全。
(4)整体协同:各相关部门和单位要加强沟通与协作,形成合力,共同推进电力安全监督管理工作。
(5)公开透明:电力安全监督管理应公开透明,接受社会各界的监督和评价。
2.目标(1)保障电力系统的安全稳定运行,确保供电可靠。
(2)预防和应对电力事故,最大限度减少人员伤亡和财产损失。
(3)提高电力设备安全性能和电力工作人员的安全知识和技能水平。
(4)推动电力行业的可持续发展,促进能源安全和环境保护。
三、电力安全监督管理的组织与职责1.组织机构(1)电力安全监督管理委员会:负责制定电力安全监督管理的政策和措施,统筹协调各项安全工作。
(2)电力安全监督管理部门:负责电力安全监督管理工作的具体组织和实施,包括安全检查、事故调查等。
(3)相关部门和单位:根据责任划分,负责电力系统各个环节的安全管理工作,例如电力企业、电网公司等。
2.职责(1)电力安全监督管理委员会:负责制定电力安全监督管理的政策和措施,指导和协调各相关部门和单位的工作。
(2)电力安全监督管理部门:负责组织实施电力安全监督管理工作,包括定期安全检查、事故调查和安全培训等。
(3)相关部门和单位:负责电力系统各个环节的安全管理工作,包括电力生产、传输、配电和使用等。
四、电力安全监督管理工作流程1.检查与评估(1)制定检查计划:根据电力系统的特点和风险评估结果,制定定期和不定期的安全检查计划。
第一章总则第一条为了加强电厂安全管理,保障人民群众生命财产安全,根据《中华人民共和国安全生产法》、《电力法》等法律法规,结合我国电厂安全生产实际情况,制定本制度。
第二条本制度适用于我国境内所有电厂的安全监督检查工作。
第三条电厂安全监督检查工作应遵循以下原则:1. 预防为主、防治结合;2. 依法行政、严格执法;3. 责任到人、奖罚分明;4. 安全生产、持续改进。
第四条电厂安全监督检查工作应坚持以下基本要求:1. 严格执行国家安全生产法律法规和标准;2. 加强安全生产责任体系建设,落实安全生产责任制;3. 提高电厂安全管理人员素质,加强安全教育培训;4. 严格现场安全管理,确保安全生产;5. 完善应急预案,提高应急处置能力。
第二章组织机构及职责第五条电厂应设立安全生产监督管理部门,负责电厂安全监督检查工作。
第六条安全生产监督管理部门的职责:1. 负责编制电厂安全监督检查计划,组织实施监督检查;2. 组织开展安全教育培训,提高电厂员工安全意识;3. 对电厂安全生产违法行为进行查处;4. 对电厂安全生产隐患进行排查治理;5. 组织安全生产事故调查处理;6. 完成上级安全生产监督管理部门交办的其他工作任务。
第七条电厂其他相关部门的职责:1. 生产部门:负责组织、协调、指导电厂生产过程中的安全管理工作;2. 技术部门:负责制定、实施、改进电厂安全生产技术措施;3. 设备管理部门:负责电厂设备的安全管理,确保设备完好;4. 人力资源部门:负责电厂员工的安全教育培训和考核;5. 财务部门:负责电厂安全生产投入和经费保障。
第三章监督检查内容第八条电厂安全监督检查主要包括以下内容:1. 安全生产责任制落实情况;2. 安全生产规章制度和操作规程执行情况;3. 安全生产投入和经费保障情况;4. 安全生产教育培训情况;5. 事故隐患排查治理情况;6. 安全生产事故报告和调查处理情况;7. 安全生产应急救援预案制定和演练情况;8. 安全生产标准化建设情况;9. 安全生产信息化建设情况;10. 有关部门和单位履行安全生产监管职责情况。
发电企业有限空间管理安全监察手册
说明:
・、监察方式:资料查阅(包括文件、记录、台账等)、现场检查、人员考问、出题考试、抽人现场操作等。
二、监察依据:
[1]中华人民共和国主席令第六号中华人民共和国消防法
[2]安全生产监督管理总局令第59号工贸企.业有限空间作业安全管理与监督暂行规定
[3]国能安全(2014)161号防止电力生产事故的二十五项重点耍求
[4]GB26164.1-2010电业安全工作规程热力与机械
[5]GB26860-2016 电力安全工作规程发电厂与变电站电气部分
[6]AQ3C28-2008化学品生产单位受限空间作业安全规范。
发电企业承包商管理安全监察手册
说明:
•,监察方式:资料查阅(包括文件.记录.台账等)、现场检查、人员考问、出题考试、抽人现场操作等。
二.监察依据:
[1]中华人民共和国主席令第13号中华人民共和国安全生产法
[2]中华人民共和国主席令第28号中华人民共和国劳动法
[3]中华人民共和国主席令第52号中华人民共和国职业病防治法(2018年12月29FI第四次修订版)
[4]国家发展和改革委员会令第28号电力建设工程施工安全监督管理办法
[5]安全生产监督管理总局令第80号特种作业人员安全技术培训考核管理规定
[6]建市(2014)118号建筑工程施工转包违法分包等违法行为认定查处管理办法
[7]国家能源办(2018)408号国家能源集团火电产业安全生产工作暂行规定
[8]安监总厅安健(2015)124号关于印发用人单位劳动防护用品管理规范的通知
[9]国家能源办(2018)293号国家能源集团发电企业员工人身安全风险分析预控管理办法(试行)
[10]国电集生(2017)263号中国国电集团公司外包项目安全管理标准(试行)
[11]国家能源集团发电企业安全工器具和专业工具标准化图册。
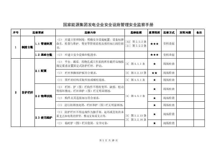
国家能源集团发电企业安全设施管理安全监察手册序号监察要素监察內容监察依据重要程度监察方式发现问题备注1制度台账1.1管理制度(1)应建立管理制度,明确安全设施配置、设备标牌命名、检查与维护、变更等管理流程及相应部门岗位职责。
[13]第5.2.2条[11]第5.2.2条★★★资料查阅1.2基础台账(2)应建立安全设施台账清单。
★★★资料查阅2防护栏杆2.1配置(1)平台、通道、吊物孔或工作面的所有敞开边缘按规定要求设置固定式防护栏杆、护沿。
[4]第4.1.1条★现场检查(2)栏杆和脚部护板符合要求。
[5]第3.2.13条★★现场检查(3)围栏的结构采取焊接或螺栓连接。
[4]第4.5.1条★现场检查2.2物理状况(1)栏杆、护(围)栏构件不得有变形、缺损、松动等损坏情况;栏杆和护(围)栏无明显锈蚀。
[4]第4.5.2条★现场检查(2)构件及其连接部分符合要求。
★现场检查(3)进行防锈蚀处理,栏杆和护(围)栏无明显锈蚀。
★现场检查2.3使用维护(1)防护栏杆不得违规作为脚手架、起吊或其他的承重支点和电缆的穿管、敷设支架或支点等。
[5]第3.2.13条[5]第3.2.16条★现场检查(2)临时护(围)栏应稳固、安全可靠。
★现场检查序号监察要素监察內容监察依据重要程度监察方式发现问题备注2防护栏杆2.3使用维护(3)不得随意跨越、割(移)除防护栏杆及临时护(围)栏。
★现场检查(4)临时护(围)栏用毕应及时收拢整理,无遗留。
★现场检查(5)定期进行所有防护栏杆、护(围)栏检查和维护,并纳入缺陷管理。
★现场检查2.4临时拆除变更(1)履行审批程序。
[5]第3.2.13条★★资料查阅现场检查(2)设置临时防护措施。
★★资料查阅现场检查(3)履行恢复验收程序。
★★资料查阅现场检查3楼梯通道格栅及平台3.1配置(1)固定式钢梯按要求设置安全护笼。
[6]第5.3.2条★现场检查(2)钢直梯符合规范要求。
[6]第4.4.1条★现场检查(3)固定式钢斜梯应保持完整,铁板必须铺设牢固。
安全生产执法手册前言安全生产是企业永恒的主题,也是政府关注的重点。
为了保障工人和公众的生命财产安全,不断提高企业的安全生产管理水平,落实企业主体责任和政府监管责任是当前安全生产工作相关单位的共同任务。
本手册旨在指导安全生产执法人员履行安全生产执法职责,促进安全生产形势持续稳定发展。
安全生产执法职责范围和监管重点为保障国家安全生产政策的贯彻执行,严厉打击生产安全事故和消防违法行为,安全生产执法人员履行以下职责:单位备案和许可证件审核对市场监督管理部门办理单位营业执照、安全生产许可证、专项审批证照的事项进行审核,确保申报单位的资质合法合规。
督促单位开展安全生产工作对生产经营单位的安全生产措施、安全生产规章制度、安全设施和安全管理制度等进行检查,促进生产企业建立和完善安全生产责任制,加强职工安全生产知识的培训和教育。
安全生产监督检查对生产场地、作业现场进行随机检查,落实安全生产各项措施,防止生产安全事故的发生。
检查项包括但不限于:安全设施,特种设备、危险品、建筑起重机械、防盗防爆、生产装置采样控制、应急救援预案等。
生产事故应急处理对发生生产事故安全生产职责人及时组织调查和协调救援力量,男女的编写事故报告、信息预警和应急救援预案,避免安全事故发生,为事故的善后处理与鉴定提供技术支持。
消防安全监督检查对安装消防设施是否符合规定,建筑物及其附属设施的消防安全、消防通道的畅通性,防火间距,公共场所和高层建筑的消防安全措施的监督检查等事项逐项检查。
执法手段和程序执法手段安全生产执法人员在履行职责的过程中,可以通过调查取证、责令改正、检查取样、制止违法行为、查封扣押、责令停产停工或关闭、通报批评、行政处罚的方式进行执法行为。
执法程序1.提前通知:安全生产执法人员应当提前通知被检查的单位或者个人。
2.证件展示:安全生产执法人员应当向被检查的单位或者个人出示有效证件。
3.开展检查:安全生产执法人员应当依照相关法律法规的规定,按照职责范围和监管重点,对被检查单位或者个人开展检查。
中建八局安全监督检查手册(试行)一、编制目的为进一步规范安全监督检查行为,推进安全监督检查工作标准化流程建设,提升安全监督检查能力和效果,特编制《安全监督检查手册》。
二、适用范围1.局总部、局办事处组织的各类安全检查;2.局属各公司开展的各类安全检查可参考使用。
三、安全监督检查的工作要求(一)检查准备(二)实施检查1、项目安全监督日志作为实施检查的重要依据,检查组成员针对日志记录的有关事项对现场风险管控、安全活动开展以及隐患排查整改等情况进行印证。
对未填写安全监督日志或内容不全,描述不清等情况的则直接做为零容忍安全隐患处理。
2.实施检查的主要步骤及要求(参考)3.隐患原因分析1)隐患原因分析流程2)隐患原因分析内容(三)总结分析在检查全部结束后,检查组应对所收集的资料和数据进行整理分析,形成总结汇报。
1.主要工作内容及要求2.总结模板(四)发布通报安全管理部对各检查组资料进行汇总分析,针对检查情况对当期局安全总体形势进行评估,对下一步工作做出安排,报相关领导后下发检查通报。
(五)改进提高有关单位按整改通知单、检查通报的要求落实整改、改进。
四、附件1:安全监督检查表2:中建八局隐患名录3:零容忍隐患清单4:项目检查意见通知书5:整改通知单及验证记录表6:隐患统计附件1:安全监督检查表(一)安全管理安全管理表格主要针对项目安全管理体系建设、运行情况进行检查,适用于局总部、公司层面开展安全检查。
(二)现场安全管控附件2:中建八局隐患库名录0306 0307 03080702 0703 07040705 070610041005 1006 1007 1008附件3:施工现场安全隐患“零容忍”项目附件4:项目检查意见通知书附件5:整改通知单及验证记录表附件6:隐患统计表安全生产监督检查制度1.适用范围:本制度适用于公司和危险货物运输有关的各部门和各岗位人员、场所、车辆、设施、设备等。
2.实施主体及职责分工:公司各部门和各级安全管理人员是安全监督检查的执行者,按照《危险货物道路运输企业安全生产责任制》中的职责对全公司生产作业场所、生产流程各环节、职工按章作业、各作业项目的安全措施、安全生产教育、安全任职资格、消防、道路交通等方面进行全面检查。
国家能源局综合司关于印发《电力行业班组安全建设专项监管工作方案》的通知文章属性•【制定机关】国家能源局•【公布日期】2021.03.30•【文号】国能综通安全〔2021〕40号•【施行日期】2021.03.30•【效力等级】部门规范性文件•【时效性】现行有效•【主题分类】电力及电力工业正文国家能源局综合司关于印发《电力行业班组安全建设专项监管工作方案》的通知国能综通安全〔2021〕40号各省(自治区、直辖市)能源局,有关省(自治区、直辖市)及新疆生产建设兵团发展改革委,北京市城市管理委员会,各派出机构,全国电力安委会各企业成员单位,中国电力企业联合会、中国电力建设企业协会、中国水利电力质量管理协会、中国电力设备管理协会:为进一步加强电力行业班组安全建设,提升电网、发电、施工班组人员的安全意识和履职能力,夯实安全生产工作基础,国家能源局研究制定了《电力行业班组安全建设专项监管工作方案》,组织开展电力行业班组安全建设专项监管工作,现印发给你们,请结合实际认真贯彻落实。
联系人:欧阳旭****************国家能源局综合司2021年3月30日电力行业班组安全建设专项监管工作方案为进一步加强电力行业班组安全建设,提升电网、发电、施工班组人员的安全意识和履职能力,夯实安全生产工作基础,国家能源局定于方案印发之日起组织开展电力行业班组安全建设专项监管工作。
为保证工作有序推进,现制定如下工作方案。
一、指导思想以习近平新时代中国特色社会主义思想为指导,全面贯彻落实党中央、国务院关于安全生产工作的决策部署,牢固树立安全发展理念,秉承“安全是技术、安全是管理、安全是文化、安全是责任”的思路,以强化安全意识、规范安全行为、提升事故防范能力、养成安全习惯为目标,创新载体、注重实效,推动构建自我约束、持续改进的班组安全建设长效机制,全面提升电力行业安全生产水平,为庆祝建党100周年的电力保障工作营造良好的安全氛围。
临时用电工程安全专项执法检查主要内容1. 施工单位的资质审核:检查施工单位是否具有相应的执业资格和人员资质,包括电工证书等。
同时,检查施工单位是否进行了必要的质量安全管理体系的建设,并核实其有效性。
2. 临时用电设计文件审核:对施工单位提交的临时用电设计文件进行审核,确保设计符合国家和地方相关规范和标准,且满足施工需要。
检查项目包括电缆敷设、设备选型、线路布置等。
3. 施工现场检查:对施工现场进行全面检查,包括电缆敷设、设备安装、接线、绝缘保护等。
检查是否存在线路交叉、乱堆乱放等违规情况,以及是否有足够的绝缘保护措施。
4. 用电设备检测:对临时用电设备进行检测,确保设备的运行安全和可靠性。
检查项目包括电缆接头连接、设备外壳接地、设备绝缘电阻等。
5. 电气保护装置检查:检查临时用电工程中的电气保护装置是否安装齐全、工作正常。
包括漏电保护器、过载保护器、短路保护器等。
同时,检查保护装置设置是否符合规定。
6. 临时用电线路标识和管理:检查临时用电线路的标识和管理情况,包括线路编号、线路图、线路接地等。
同时,检查线路是否存在过载、短路等问题,是否存在不符合规定的线路改造情况。
7. 施工人员的安全教育和培训:检查施工人员是否接受了必要的安全教育和培训,包括电气安全操作规程、急救知识等。
并核实是否具备安全操作意识和知识。
8. 安全防护措施的落实:检查施工现场的安全防护措施是否落实到位,包括施工现场的封闭、警示标识的设置、适当的安全间距等。
同时还要检查施工现场是否存在违章操作和违规行为。
9. 灭火器材和应急疏散通道:检查施工现场是否配置了足够数量、种类完备的灭火器材,并核实其有效性;同时,检查应急疏散通道是否畅通、明显标识。
10. 临时用电工程的电力负荷计算:对临时用电负荷进行计算,确保临时用电设备和线路的负荷不超过其额定容量,防止因负荷过大引发火灾、电器事故等安全隐患。
11. 临时用电工程的档案管理:检查施工单位是否完成临时用电工程的档案管理,包括设计文件、验收记录、安装及操作维护记录等。
质量安全监督执法检查内容指导手册第一部分:概述1.1 背景近年来,质量安全监督执法工作在我国各行业得到了加强和重视,为了确保各行业的产品质量和安全,监督执法检查工作显得尤为重要。
为此,制定一份全面、系统的质量安全监督执法检查内容指导手册,对于规范监督执法检查工作、提高监督执法效率具有重要意义。
1.2 目的本手册旨在指导各级质量安全监督执法人员进行全面、系统的检查工作,确保质量安全监管工作的规范性和有效性。
第二部分:质量安全监督执法检查内容2.1 质量管理体系2.1.1 企业是否建立了符合质量管理体系要求的制度文件和程序文件?2.1.2 企业是否依据国家有关法律法规和标准制定了质量目标和计划,并进行了全面落实?2.1.3 企业是否对产品生产的各个环节进行了有效的控制?2.2 质量检测手段及设备2.2.1 企业是否配备了符合国家标准的相关检测设备?2.2.2 检测设备的精度、准确性是否符合要求?2.2.3 检测设备的日常维护与管理是否得到了有效的保障?2.3 产品质量2.3.1 企业的产品是否符合国家标准和行业标准?2.3.2 企业是否建立了完善的产品追溯体系,对产品的质量状况进行了有效监管?2.3.3 企业是否存在弄虚作假、伪造产品质量检测数据等行为?2.4 安全生产管理2.4.1 企业是否建立了完善的安全生产管理责任制度和相关管理制度文件?2.4.2 企业是否进行了安全生产培训,提高员工对安全生产工作的重视程度?2.4.3 企业是否建立了事故应急预案,并进行了定期演练?第三部分:监督执法检查流程3.1 准备工作3.1.1 检查人员应认真准备相关法律法规和标准,了解被检查企业的基本情况。
3.1.2 确定检查时间、地点,向被检查企业发出通知。
3.2 实地检查3.2.1 按照检查内容指导手册逐项进行检查。
3.2.2 对发现的问题进行记录,并向企业提出整改要求。
3.3 检查总结3.3.1 检查结束后,及时撰写检查报告,对检查结果进行总结和分析。
北京市安全生产监督管理局关于电气隐患执法检查情况的通告文章属性•【制定机关】北京市安全生产监督管理局•【公布日期】2013.09.18•【字号】•【施行日期】2013.09.18•【效力等级】地方工作文件•【时效性】现行有效•【主题分类】电力及电力工业正文北京市安全生产监督管理局关于电气隐患执法检查情况的通告(2013年09月18日)为进一步加强安全用电监管工作,防止火灾、触电等事故的发生,2013年7月15日,市安全监管局发布《关于集中开展电气隐患专项执法检查的公告》,自7月中旬至8月中旬,在全市集中组织开展了电气隐患专项执法检查行动。
现将检查结果通告如下:一、总体情况在本次专项执法检查中,全市安全监管系统重点检查了本市工业、商市场、餐饮、综合楼宇、机动车维修、危险化学品、宾馆饭店、文化娱乐等8个行业中的2579家生产经营单位,发现电气安全隐患4037项,下达限期整改文书1488份,责令8家生产经营单位暂时停产停业整顿,实施立案处罚97起。
二、主要问题(一)工业、机动车维修和商品交易市场等行业电气隐患较为突出。
工业企业、机动车维修企业使用动力和照明用电,用电设备多,线路敷设较为复杂,存在大量的临时用电现象,电气安全方面存在较多的安全隐患。
商品交易市场中承租摊位私拉乱接线路现象严重,并且多存在大量可燃、易燃商品堆积的情况,对用电设备、用电线路的正常运行造成影响,形成安全隐患。
(二)用电管理、电气设施及线路敷设问题较为突出,集中反映在四个方面。
一是特种作业人员证件过期或无证上岗情况多;二是绝缘工具未定期检测、劳动防护用品配备不符合要求;三是配电室无挡鼠板、绝缘胶垫,配电室堆放杂物、配电设备设施无警示标志,应急照明配电箱柜运行管理缺位;四是电气线路敷设不规范,线路敷设缺少防护、移动插头插座使用不规范,电气线路设备老化破损等问题。
三、有关要求请各生产经营单位认真对照上述检查中发现的安全问题,立即开展用电安全隐患排查,特别是针对下列十项常见问题对照进行整改,确保用电安全。
临时用电工程安全专项执法检查主要内容模版一、背景和目的1. 背景介绍:临时用电工程是指在建筑工地、活动场所等临时使用电力设备和线路的工程。
由于其特殊性,存在一定的安全隐患。
2. 目的:执法检查的目的是确保临时用电工程的安全运行,预防事故发生,保障人身安全和财产安全。
二、检查范围1. 临时用电设备和线路的设置、运行和维护情况。
2. 临时用电工程的消防安全措施。
3. 施工人员的安全教育和培训情况。
三、检查重点1. 临时用电设备和线路的设置(1)电缆线路的敷设情况,包括固定和保护措施。
(2)临时用电箱的设置和维护情况,包括箱体固定、线路连接和防护装置。
2. 临时用电工程的运行(1)用电负荷的合理分配和控制,是否存在明显的过载情况。
(2)用电设备的运行状态,是否存在异常噪声、发热和漏电等情况。
3. 临时用电工程的维护(1)设备定期维护和保养记录,是否存在漏检和漏修情况。
(2)设备的更新换代情况,是否存在老化和损坏设备。
4. 临时用电工程的消防安全(1)灭火器、消防器材的配置和维护情况。
(2)用电设备和线路的防火措施,是否存在易燃和易爆物品附近的线路设置等问题。
5. 施工人员的安全教育和培训(1)施工人员的安全意识和操作规范情况。
(2)施工人员的岗前安全培训记录。
四、检查方法1. 实地检查:对临时用电工程进行现场检查,查看设备设置和运行情况。
2. 抽样检查:对临时用电工程的设备和线路进行抽样检查,检测运行状态和维护情况。
3. 询问检查:与相关人员进行交流,了解安全措施的执行情况和存在的问题。
四、检查结果和处理措施1. 检查结果的分类(1)符合安全规范的情况。
(2)存在一般问题,需要整改。
(3)存在重大安全隐患,立即停工整改。
2. 处理措施(1)对存在问题的项目进行整改,并设立整改期限。
(2)加强施工人员的安全教育和培训,提高安全意识。
(3)提供必要的技术指导和帮助,确保临时用电工程安全运行。
以上是临时用电工程安全专项执法检查主要内容的模板,根据实际情况可以进行适当的调整和补充。
电力安全监管执法检查手册目录使用说明1 适用范围2 规范性引用文件3 术语和定义4 一般要求5.执法检查表5.1电力安全监管执法检查表(通用部分)5.2电力安全监管执法检查表(专项部分)5.2.1电力安全监管执法检查表(企业安全主体责任部分)5.2.1.1组织机构和职责执法检查表5.2.1.2安全生产责任制执法检查表5.2.1.3法律法规和规章制度执法检查表5.2.1.4安全生产资金投入执法检查表5.2.1.5安全生产标准化建设执法检查表5.2.1.6安全生产教育培训执法检查表5.2.1.7安全事故隐患管理执法检查表5.2.1.8电力可靠性管理执法检查表5.2.1.9电力应急管理执法检查表5.2.1.10信息报送和事故调查处理执法检查表5.2.2发电企业安全专项检查表5.2.2.1火电企业安全专项检查表火电企业安全专项检查表一(发电机组并网运行及重要发电设施管理)火电企业安全专项检查表二(氨区管理)页脚火电企业安全专项检查表三(贮灰场安全)火电企业安全专项检查表三(防火防爆安全)火电企业安全专项检查表四(危险化学品仓库)火电企业安全专项检查表五(反事故重点要求落实情况)5.2.2.2风电企业安全专项检查表5.2.2.3水电企业安全专项检查表5.2.4电力建设施工安全专项检查表附录:处罚依据相关条款使用说明为了有效实施电力安全生产监督管理,预防和减少电力事故,保障电力系统安全稳定运行和电力可靠供应,依据《中华人民共和国安全生产法》、《中华人民共和国突发事件应对法》、《电力监管条例》、《生产安全事故报告和调查处理条例》、《电力安全事故应急处置和调查处理条例》、等法律法规,制定本手册。
页脚根据电力行业安全生产监管工作的需要,结合电力企业安全生产管理工作实际,本手册所列内容主要针对电力企业的电力运行安全(不包括核安全)、电力建设施工安全、电力工程质量安全、电力应急、水电站大坝运行安全和电力可靠性工作等方面实施监督管理。
由于时间较短,限于水平,本手册可能存在这样那样的不足,敬请电力企业各位同仁多提宝贵意见。
页脚1 适用范围本手册适用于河南省行政区域内以发电、输电、供电、电力建设为主营业务并取得相关业务许可或按规定豁免电力业务许可的电力企业。
2 规范性引用文件《中华人民共和国安全生产法》,中华人民共和国主席令第13号,2014年12月1日起施行。
《中华人民共和国职业病防治法》,中华人民共和国主席令第52号,2011年12月31 日起施行。
《中华人民共和国消防法》,中华人民共和国主席令第6号,2009年5月1日起施行。
《中华人民共和国突发事件应对法》,中华人民共和国主席令第69号,2007年5月1日起施行。
《电力监管条例》,中华人民共和国国务院令第432号。
《生产安全事故报告和调查处理条例》,中华人民共和国国务院令第493号。
《电力安全事故应急处置和调查处理条例》,中华人民共和国国务院令第599号。
《建设工程安全生产管理条例》,中华人民共和国国务院令第393号。
《电力安全生产监管管理办法》,发改委令第21号,2015年3月1日起施行。
《电网安全风险管控办法(试行)》,国能安全[2014]123号。
《电力安全事件监督管理规定》,国能安全[2014]205号。
《电力安全隐患监督管理暂行规定》,电监安全[2013]5号《关于做好电力安全信息报送工作的通知》,国能综安全[2014]198号。
《电力企业应急预案管理办法》,国能安全[2014]508号。
《电力企业应急预案评审与备案细则》,国能综安全[2014]953号。
《电力行业网络与信息安全管理办法》,国能安全[2014]317号。
页脚《燃煤发电厂贮灰场安全监督管理规定》,电监安全[2013]3号。
《燃煤发电厂液氨灌区安全管理规定》,国能安全[2014]328号。
《关于加强电力企业安全风险预控体系建设的指导意见》,国能安全[2015]1号。
《电力安全培训监督管理办法》,国能安全[2013]475号。
《发电企业安全生产标准化规范及达标评级标准》,电监安全[2011]23号。
《电网企业安全生产标准化规范及达标评级标准》,国能安全[2014]254号。
《电力可靠性监督管理办法》,电监会24号令。
《防止电力生产事故的二十五项重点要求》,国能安全[2014]161号。
《常用化学危险品贮存通则》,GB15603-1995。
《建筑设计防火规范》,GBJ16-87(2001年版)。
《危险化学品安全管理条例》,国务院令第344号。
《仓库防火安全管理规则》,公安部6号令。
《化工企业安全卫生设计规定》,HG 20571-2014。
3 术语和定义下列术语和定义适用于本标准。
3.1电力系统,是指由发电、输电、变电、配电以及电力调度等环节组成的电能生产、传输和分配的系统。
3.2电力事故,是指电力生产、建设过程中发生的电力安全事故、电力人身伤亡事故、发电设备或输变电设备设施损坏造成直接经济损失的事故。
3.3电力安全事故,是指电力生产或者电网运行过程中发生的影响电力系统安全稳定运行或者影响电力正常供应的事故(包括热电厂发生的影响热力正常供应的事故)。
页脚3.4电力安全事件,是指未构成电力安全事故,但影响电力(热力)正常供应,或对电力系统安全稳定运行构成威胁,可能引发电力安全事故或造成较大社会影响的事件。
3.5重大安全隐患,是指可能造成一般以上人身伤亡事故、电力安全事故、直接经济损失100万元以上的电力设备事故和其他对社会造成较大影响的隐患。
3.6危险物品,是指易燃易爆物品、危险化学品、放射性物品等能够危及人身安全和财产安全的物品。
3.7重大危险源,是指长期地或者临时地生产、搬运、使用或者储存危险物品,且危险物品的数量等于或者超过临界量的单元(包括场所和设施)。
3.8电力企业,是指发电企业、电网企业和电力建设施工企业。
电力企业从业人员包括企业相关负责人、各级安全生产管理人员和以班组长、新工人、农民工为重点的其他从业人员(以下简称其他从业人员)。
3.9安全生产管理人员,是指电力企业安全生产管理机构负责人及其管理人员,以及未设安全生产管理机构的电力企业中的专、兼职安全生产管理人员等。
3.10其他从业人员,是指除相关负责人、安全生产管理人员以外,该单位从事电力生产活动的所有人员,包括其他负责人、其他管理人员、技术人员和各岗位的工人以及临时聘用的人员。
4 一般要求4.1原则。
4.1.1电力安全生产工作应当坚持“安全第一、预防为主、综合治理”的方针,建立电力企业具体负责、政府监管、行业自律和社会监督的工作机制。
4.1.2开展电力安全生产执法检查应坚持“依法依规、公平公正、服务大局、监管为民”的理念。
4.2基本程序。
为确保执法检查工作的合法性、规范性和公正性,提高执法的有效性和权威性,开展执法检查工作一般应按照相对固定的程序和规范进行。
根据闭环监管的要求和专项监管工作实践,重要的专项监管工作一般可分为四个阶段,10个工作环节。
对任务比较简单、问题比较明确的监管事项,也可以根据实际情况进行简化。
页脚4.2.1准备部署阶段。
4.2.1.1调查研究,掌握情况。
(1)以问题监管为导向,梳理工作中存在的问题;(2)收集相关数据和资料,掌握基本情况。
4.2.1.2抓住问题,明确重点。
(1)分析存在的主要矛盾和问题,寻找监管的切入点和着力点;(2)明确监管内容;(3)印发监管工作计划。
4.2.1.3制订方案,动员部署。
(1)成立工作组。
根据确定的监管事项,成立工作组,实行组长负责制。
组长负责确定工作具体人员名单,根据情况邀请相关专业管理部门、行业协会人员以及有关专业人员参加。
工作组可分成若干小组,每小组一般不超过5人。
(2)制定具体实施方案。
工作组根据监管目标和重点,制定具体工作实施方案要,内容包括:工作目标;监管依据;主要内容;工作安排和时间进度;监管方式和拟形成的工作成果;工作组组成及分工。
(3)召开部署培训会议。
4.2.2现场实施阶段。
4.2.2.1 驻点监管,启动检查。
(1)印发监管通知书。
在开展现场检查前,原则上应当监管对象送达监管通知书(具体见附件1)。
(2)召开现场检查启动会议。
页脚工作组组长向监管单位介绍工作组成员,宣读监管通知书,向监管对象及监管人员提出要求。
听取监管单位主要领导有关情况汇报(组织结构、管理制度、工作开展情况,通知书要求的资料和自查准备情况,对配合监管工作的人员和工作条件所做的初步安排)。
接受监管对象提交的各种资料(管理制度、报表及自查材料等)4.2.2.2 现场检查,发现问题。
(1)实施现场检查。
在监管过程中,可以采取座谈、查看、询问等方式,根据需要查阅、复制与监管事项有关的文件、资料,对可能被转移、隐匿、损毁的文件、资料予以封存,并对相关人员进行询问。
在询问当事人以及采取相关行政强制措施前,应当依法出示执法证件,执法人员不得少于2人。
(2)收集证据材料。
工作组在监管过程中,应当真实、完整地记录实施监管的过程,注意收集、保存相关证据材料。
(3)梳理发现的问题。
对现场检查中发现的问题,应当责令其当场改正或者限期改正并制作笔录。
对发现的违法违规行为,应当依法给予行政处罚的,按照有关规定及时移交有关部门进行立案处理。
发现重大问题的,工作组组长要及时向单位负责人汇报,根据不同情况作相应处理。
4.2.3形成意见阶段。
4.2.3.1公平公正,提出意见。
(1)总结梳理,提出初步监管意见。
工作组召开内部会议,总结梳理监管工作情况,依法依规、公正公平、科学合理地形成监管初步意见,既要以暴露问题为主,督促整改,也要客观评价相关工作。
(2)向监管对象反馈检查情况。
组织召开会议,向监管对象通报情况和发现的主要问题,听取监管对象的意见和补充说明。
必要时,要求监管对象对有关情况进行签字确认。
4.2.3.2完善意见,形成结论。
页脚根据监管对象的解释和申辩,完善监管意见,形成正式的监管结论,做到客观准确,公平公正,合法合理,经得起实践的检验。
4.2.4成果运用阶段。
4.2.4.1编制报告,审核发布。
(1)编制报告。
根据工作开展情况和监管意见,撰写监管报告,包括:基本情况;存在问题;处理结果和整改要求等。
(2)上报审核。
重要问题监管报告,或报告内容比较敏感,可能在社会上产生重大影响的,要根据情况报国家能源局进行审查。
(3)发布报告。
监管报告经审查通过,要选择合适的途径和方法,及时发布。
对于不宜公开的监管事项,采取系统内通报、约谈约访等形式,向监管对象通报监管意见。
4.2.4.2处理问题,督促整改。
(1)处理问题。
对发现的问题分类处理:应当责令整改的,印发整改通知书限期改正;应当依法处理的,印发监管决定书作出处理决定;应当行政处罚的,按规定进行处罚;不属于职责范围的,制作移交处理书交有关部门处理。