RS485总线基本入门常识
- 格式:pdf
- 大小:410.66 KB
- 文档页数:4
零基础到精通RS485通讯一、RS232通讯的基础知识:RS232通讯又叫串口通讯方式。
是指计算机通过RS232国际标准协议用串口连接线和单台设备(控制器)进行通讯的方式。
通讯距离:9600波特率下建议在13米以内。
通讯速率(波特率Baud Rate):缺省常用的是9600 bps,常见的还有1200 2400 4800 19200 38400等。
波特率越大,传输速度越快,但稳定的传输距离越短,抗干扰能力越差。
二、RS485通讯的基本知识RS485和RS232的基本的通讯机理是一致的,他的优点在于弥补了RS232 通讯距离短,不能进行多台设备同时进行联网管理的缺点。
计算机通过RS232 RS485转换器,依次连接多台485设备,采用轮询的方式,对总线上的设备轮流进行通讯。
接线标示是485+ 485- ,分别对应链接设备(控制器)的485+ 485-。
通讯距离:最远的设备(控制器)到计算机的连线理论上的距离是1200米,建议客户控制在800米以内,能控制在300米以内效果最好。
如果距离超长,可以选购485中继器(延长器)(请向专业的转换器生产公司购买,中继器的放置位置是在总线中间还是开始,请参考相关厂家的说明书。
)选购中继器理论上可以延长到3000米。
负载数量:即一条485总线可以带多少台设备(控制器),这个取决于控制器的通讯芯片和485转换器的通讯芯片的选型,一般有32台,64台,128台,256台几种选择,这个是理论的数字,实际应用时,根据现场环境,通讯距离等因素,负载数量达不到指标数。
微耕公司控制器和转换器按256台设计,实际建议客户每条总线控制在80台以内。
如果有几百上千台控制器,请采用多串口卡或者485HUB来解决,具体请参考“如果系统控制器数成百上千台,如何组网?”坚决禁止使用无源485转换器,具体请参考“为什么禁止使用无源485转换器?”485通讯总线(必须用双绞线,或者网线的其中一组),如果用普通的电线(没有双绞)干扰将非常大,通讯不畅,甚至通讯不上。
RS485现场总线基础介绍RS485是一个定义平衡数字多点系统中的驱动器和接收器的电气特性的标准,该标准由电信行业协会和电子工业联盟定义。
使用该标准的数字通信网络能在远距离条件下以及电子噪声大的环境下有效传输信号。
RS-485使得廉价本地网络以及多支路通信链路的配置成为可能。
一、妃5总线协议在要求通信距离为几十米到上千米时,广泛采用RS-485串行总线标准。
RS-485采用平衡发送和差分接收,因此具有抑制共模干扰的能力。
加上总线收发器具有高灵敏度,能检测低至200mV的电压,故传输信号能在千米以外得到恢复。
RS-485采用半双工工作方式,任何时候只能有一点处于发送状态,因此,发送电路须由使能信号加以控制。
RS-485用于多点互连时非常方便,可以省掉许多信号线。
应用RS-485可以联网构成分布式系统,其允许最多并联32台驱动器和32台接收器。
二、妃5总线协议还有如下特性(1) RS-485的电气特性:逻辑+1;以两线间的电压差为+(2一6)V表示;逻辑“0”以两线间的电压差为-(2―6) V表示。
接口信号电平比RS-232-C降低了,就不易损坏接口电路的芯片,且该电平与TTL电平兼容,可方便与TTL电路连接。
(2)RS-485的数据最高传输速率为lOMbps。
(3) RS-485接口是采用平衡驱动器和差分接收器的组合,抗共模干扰能力增强,即抗噪?干扰性好。
因RS-485接口具有良好的抗噪声干扰性,长的传输距离和多站能力等上述优点就使其成为首选的串行接口。
因为RS485接口组成的半双工网络一般只需二根连线,所以RS485接口均采用屏蔽双绞线传输。
RS485接口连接器采用DB-9的9芯插头座,与智能终端RS485接口采用DB-9(孔),与键盘连接的键盘接口RS485采用DB-9(针)。
三、485总线传输距离4RS-485最大的通信距离约为1219m,最大传输速率为lOMb/S,传输速率与传输距离成反比,在100Kb/S的传输速率下,才可以达到最大的通信距离。
RS-485标准及应用RS485总线常识1、RS485总线基本特性根据RS485工业总线标准,RS485工业总线为特性阻抗120Ω的半双工通讯总线,其最大负载能力为32个有效负载(包括主控设备与被控设置)。
2、RS485总线传输距离当使用0.56mm(24AWG)双绞线作为通讯电缆时,根据波特率的不同,最大传输距离理论值如下表:波特率最大距离2400BPS 1800m4800BPS 1200m9600BPS 800m当使用较细的通讯电缆,或者在电磁干扰较强的环境使用本产品,或者总线上连接有较多的设备时,最大传输距离相应缩短;反之,最大距离加长。
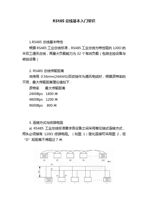
3、连接方式与终端电阻1) RS485工业总线标准要求各设备之间采用菊花链式连接方式,两头必须接有120Ω终端电阻(如图一所示),简化连接可采用图二的接线方式,但“D”段距离不能超过7米。
图一图二2) 球机终端120Ω匹配电阻的连接方式球机终端120Ω匹配电阻可通过在球机底盘上的拨码开关拨码来连接,如图三所示。
球机出厂时,120Ω匹配电阻默认为未接入,可通过把拨码开关的第10位拨到ON,把120Ω匹配电阻接入线路。
反之,如果不接入120Ω匹配电阻,则把第10位拨到OFF即可。
图三4、实际应用中的问题实际施工使用中用户常采用星形连接方式,此时终端电阻必须连接在线路距离最远的两个设备上(如图四,1#与15#设备),但是由于该连接方式不符合RS485工业标准的使用要求,因此在各设备线路距离较远时,容易产生信号反射、抗干扰能力下降等问题,导致控制信号的可靠性下降。
此时,出现的现象为球机完全不受控,或自行运转无法停止等。
图四对于这种情况,建议采用增加一个RS485分配器。
该产品可以有效地将星形连接转换为符合RS485工业标准所规定的连接方式,从而避免产生问题,提高通信可靠性,如图五所示。
图五5、RS485总线常见故障解决故障现象可能原因解决方法球机能自检但不能1、主机、球机地址、波特率不相符; 1、更改主机或球机地址、波特率,使之一致2、RS485总线+、-极性接反; 2、调换RS485+、-接线极性;控制3、接线松脱; 3、紧固接线;4、RS485线中间断; 4、更换RS485线。
RS485总线基本入门常识1.RS485 总线基本特性根据RS485 工业总线标准,RS485 工业总线为特性阻抗120Ω的半双工通讯总线,其最大负载能力为32 个有效负载(包括主控设备与被控设备)2. RS485 总线传输距离当使用0.56mm(24AWG)双绞线作为通讯电缆时,根据波特率的不同,最大传输距离理论值如下:波特率最大传输距离2400Bps 1800米4800Bps 1200米9600Bps 800米3. 连接方式与终端电阻a) RS485工业总线标准要求各设备之间采用菊花链式连接方式,两头必须接有120Ω终端电阻。
(如图1)简化连接可采用图2,但“D”段距离不得超过7 米b) 设备终端120Ω电阻的连接方式:(如图3)设备终端电阻120Ω电阻在控制电路板上已备有,共有两种连接方式. 图3中为出厂时的缺省连接方式,此时控制电路板上的跳线帽插接在2~3插座位置上,这时120Ω电阻未接入。
当需要接入120Ω电阻时,要将图中的控制电路上面的跳线帽从2~3位置拔下来,然后插接在1~2位置。
这样120Ω电阻接入电路中。
4. 实际使用中的问题实际施工使用中用户常采用星形链接方式,此时终端电阻必须连接在线路距离最远的两个设备上(如图4)中1 #与15 #设备,但是由于该连接方式不符合RS485 工业标准的使用要求,因此在各设备线路距离较远时,容易产生信号反射、抗干扰能力下降等问题,导致控制信号的可靠性下降。
反映现象为球机完全或间断不受控制或自行运转无法停止。
对于这种情况建议采用可以与之匹配的 RS485 分配器。
该产品可以有效地将星型连接转换为符合RS485 工业标准所规定的连接方式,从而避免产生问题,提高通信可靠性。
RS485总线知识讲解RS485的特点:RS485接⼝RS485采⽤差分信号负逻辑,+2V~+6V表⽰“0”,- 6V~- 2V表⽰“1”。
RS485有两线制和四线制两种接线,四线制只能实现点对点的通信⽅式,现很少采⽤,现在多采⽤的是两线制接线⽅式,这种接线⽅式为总线式拓朴结构在同⼀总线上最多可以挂接32个结点。
在RS485通信⽹络中⼀般采⽤的是主从通信⽅式,即⼀个主机带多个从机。
很多情况下,连接RS-485通信链路时只是简单地⽤⼀对双绞线将各个接⼝的“A”、“B”端连接起来。
⽽忽略了信号地的连接,这种连接⽅法在许多场合是能正常⼯作的,但却埋下了很⼤的隐患,这有⼆个原因:(1)共模⼲扰问题:RS-485接⼝采⽤差分⽅式传输信号⽅式,并不需要相对于某个参照点来检测信号,系统只需检测两线之间的电位差就可以了。
但⼈们往往忽视了收发器有⼀定的共模电压范围,RS-485收发器共模电压范围为-7~+12V,只有满⾜上述条件,整个⽹络才能正常⼯作。
当⽹络线路中共模电压超出此范围时就会影响通信的稳定可靠,甚⾄损坏接⼝。
(2)EMI问题:发送驱动器输出信号中的共模部分需要⼀个返回通路,如没有⼀个低阻的返回通道(信号地),就会以辐射的形式返回源端,整个总线就会像⼀个巨⼤的天线向外辐射电磁波。
由于PC机默认的只带有RS232接⼝,有两种⽅法可以得到PC上位机的RS485电路:(1)通过RS232/RS485转换电路将PC 机串⼝RS232信号转换成RS485信号,对于情况⽐较复杂的⼯业环境最好是选⽤防浪涌带隔离珊的产品。
(2)通过PCI多串⼝卡,可以直接选⽤输出信号为RS485类型的扩展卡。
1、485总线布线和采⽤什么样的线?RS-485总线最好采⽤终端匹配的总线型结构拓扑结构,⽤⼀条单⼀、连续的信号通道总线将各个节点串联起来,从总线到每个节点引出线长度应尽量短,以便引出线中的反射信号对总线影响最低。
应该采⽤d、e和f的接法,总线式,⽽不能采⽤星型接法。
RS485的特点:RS485接口RS485采用差分信号负逻辑,+2V~+6V表示“0”,- 6V~- 2V表示“1”。
RS485有两线制和四线制两种接线,四线制只能实现点对点的通信方式,现很少采用,现在多采用的是两线制接线方式,这种接线方式为总线式拓朴结构在同一总线上最多可以挂接32个结点。
在RS485通信网络中一般采用的是主从通信方式,即一个主机带多个从机。
很多情况下,连接RS-485通信链路时只是简单地用一对双绞线将各个接口的“A”、“B”端连接起来。
而忽略了信号地的连接,这种连接方法在许多场合是能正常工作的,但却埋下了很大的隐患,这有二个原因:(1)共模干扰问题:RS-485接口采用差分方式传输信号方式,并不需要相对于某个参照点来检测信号,系统只需检测两线之间的电位差就可以了。
但人们往往忽视了收发器有一定的共模电压范围,RS-485收发器共模电压范围为-7~+12V,只有满足上述条件,整个网络才能正常工作。
当网络线路中共模电压超出此范围时就会影响通信的稳定可靠,甚至损坏接口。
(2)EMI问题:发送驱动器输出信号中的共模部分需要一个返回通路,如没有一个低阻的返回通道(信号地),就会以辐射的形式返回源端,整个总线就会像一个巨大的天线向外辐射电磁波。
由于PC机默认的只带有RS232接口,有两种方法可以得到PC上位机的RS485电路:(1)通过RS232/RS485转换电路将PC机串口RS232信号转换成RS485信号,对于情况比较复杂的工业环境最好是选用防浪涌带隔离珊的产品。
(2)通过PCI多串口卡,可以直接选用输出信号为RS485类型的扩展卡。
1、485总线布线和采用什么样的线?RS-485总线最好采用终端匹配的总线型结构拓扑结构,用一条单一、连续的信号通道总线将各个节点串联起来,从总线到每个节点引出线长度应尽量短,以便引出线中的反射信号对总线影响最低。
应该采用d、e和f的接法,总线式,而不能采用星型接法。
RS485总线基本常识RS485 总线协议:在要求通信距离在几十米到上千米时,官方采用RS485 总线通信标准。
RS485 采用平衡发送和差分接受,因此具有抑制共模干扰的能力。
又加上总线收发器有高灵敏度,能检查低至200MV 的电压,故传输信号能在千米以外得到回复。
RS485 采用半双工工作莫,任何时候只能有一点处于发送状态,因此,在发送电路有使信号加以控制。
RS485 用于多点互连时非常方便,可以省去许多信号线。
RS485 总线具有以下特性: 1. RS485 的电气特性:逻辑1 以两线间的电压差为+(26)V 表示;逻辑0 以两线间的电压差为- (26)V 表示。
接口信号电平比RS-232-C 降低了,就不易损坏接口电路的芯片,且该电平与TTL 电平兼容,可方便与TTL 电路连接; 2. RS485 传输速率最高可达10Mbps; 3.RS485 接口采用的是平衡驱动器和差分接收器的组合,抗干扰能力增强;RS485 总线传输距离:RS485 最大传输距离可达1200 米,最大传输速率可达10Mb/S,速率与距离成反比,在100Kb/s 传输速率下,才可以达到最大的传输距离。
理论上,通信速率在100Kpbs 及以下时,RS485 的最长传输距离可达1200 米,但在实际应用中传输的距离也因芯片及电缆的传输特性而所差异。
在传输过程中可以采用增加中继的方法对信号进行放大,最多可以加八个中继,也就是说理论上RS485 的最大传输距离可以达到9.6 公里。
如果真需要长距离传输,可以采用光纤为传播介质,收发两端各加一个光电转换器,多模光纤的传输距离是5~10 公里,而采用单模光纤可达50 公里的传播距离。
tips:感谢大家的阅读,本文由我司收集整编。
仅供参阅!。
精通RS485通讯系列教程一、通讯基础知识1.1什么是通讯要搞清楚RS485通讯我们要先搞明白什么是通讯,通讯就是两个设备之间0、1代码的传递,0-低电平1-高电平。
举例:A设备向B设备传递数据,首先A设备和B设备之间必须通过电缆连接(硬件连接)。
如果A设备要向B设备发送101010这样一串代码,那么A设备就要在他的通讯端口产生如下图所示的高低电平的组合,通过电缆这个介质B设备的通讯端口就会接收到A设备发出高低电平的组合,同时就会将接收到的高低电平组合翻译成101010,这就完成了A设备向B设备数据的传递,B 设备向A设备数据传递也是同样的道理。
与通讯有个的概念。
【全双工与半双工】全双工是通讯端口在发送数据的同时可以接收数据。
而半双工指的是同一时刻通讯端口要么只能发送数据,要么只能接收数据。
举例:全双工-打电话时双方都可以说。
半双工:对讲机-同一时刻只能一个人说另一个人听。
【通讯速率】通讯速率也叫通讯波特率是1S内通讯端口发送01代码(或者说是高低电平)的数量。
举例:我们说通讯速率是9.6kbps,就表示通讯端口每秒发送9600个bit的数据,也就是每秒可以产生9600个高低电平(注意:是高低电平总共加起来9600个)。
【主从通讯】是在一个通讯网络中一个站点是主站,其他站点作为从站。
主站和从站之间可以直接进行数据的传递,但是从站与从站之间不能直接进行数据的传递。
如果需要从站之间交换数据也必须要通过主站进行转发。
如下图所示1.2、485通讯定义明白了通讯的基本概念后再理解485通讯就相对容易了,下面我们从通讯介质、通讯方式、通讯类型、物理层四个方面来介绍485通讯。
通讯介质:屏蔽双绞线,也就是我们通常用的带有屏蔽层的两心电缆如下图所示。
通讯方式:半双工通讯类型:主从通讯物理层:9针接口,需要注意的是通常情况下485通讯的9针接口,只需要将两芯电缆接到3号脚和8号脚上,3是信号“﹢”,8是信号“-”。
零基础到精通RS485通讯一、RS232通讯的基础知识:RS232通讯又叫串口通讯方式。
是指计算机通过RS232国际标准协议用串口连接线和单台设备(控制器)进行通讯的方式。
通讯距离:9600波特率下建议在13米以内。
通讯速率(波特率Baud Rate):缺省常用的是9600 bps,常见的还有1200 2400 4800 19200 38400等。
波特率越大,传输速度越快,但稳定的传输距离越短,抗干扰能力越差。
二、RS485通讯的基本知识RS485和RS232的基本的通讯机理是一致的,他的优点在于弥补了RS232 通讯距离短,不能进行多台设备同时进行联网管理的缺点。
计算机通过RS232 RS485转换器,依次连接多台485设备,采用轮询的方式,对总线上的设备轮流进行通讯。
接线标示是485+ 485- ,分别对应链接设备(控制器)的485+ 485-。
通讯距离:最远的设备(控制器)到计算机的连线理论上的距离是1200米,建议客户控制在800米以内,能控制在300米以内效果最好。
如果距离超长,可以选购485中继器(延长器)(请向专业的转换器生产公司购买,中继器的放置位置是在总线中间还是开始,请参考相关厂家的说明书。
)选购中继器理论上可以延长到3000米。
负载数量:即一条485总线可以带多少台设备(控制器),这个取决于控制器的通讯芯片和485转换器的通讯芯片的选型,一般有32台,64台,128台,256台几种选择,这个是理论的数字,实际应用时,根据现场环境,通讯距离等因素,负载数量达不到指标数。
微耕公司控制器和转换器按256台设计,实际建议客户每条总线控制在80台以内。
如果有几百上千台控制器,请采用多串口卡或者485HUB来解决,具体请参考“如果系统控制器数成百上千台,如何组网?”坚决禁止使用无源485转换器,具体请参考“为什么禁止使用无源485转换器?”485通讯总线(必须用双绞线,或者网线的其中一组),如果用普通的电线(没有双绞)干扰将非常大,通讯不畅,甚至通讯不上。
485总线一、什么是485总线RS485采用差分信号负逻辑,+2V〜_6V表示“0”,-6V〜-2V表示“1”。
RS485现在多采用的是两线制接线方式,这种接线方式为总线式拓朴结构在同一总线上最多可以挂接32个结点。
在RS485通信网络中一般采用的是主从通信方式,即一个主机带多个从机。
很多情况下,连接RS-485通信链路时只是简单地用一对双绞线将各个接口的“A”、“B”端连接起来。
而忽略了信号地的连接,这种连接方法在许多场合是能正常工作的,但却埋下了很大的隐患,这有二个原因:(1)共模干扰问题:RS-485接口采用差分方式传输信号方式,并不需要相对于某个参照点来检测信号,系统只需检测两线之间的电位差就可以了。
但人们往往忽视了收发器有一定的共模电压范围,RS-485收发器共模电压范围为-7〜+12V,只有满足上述条件,整个网络才能正常工作。
当网络线路中共模电压超出此范围时就会影响通信的稳定可靠,甚至损坏接口。
(2)EMI问题:发送驱动器输出信号中的共模部分需要一个返回通路,如没有一个低阻的返回通道(信号地),就会以辐射的形式返回源端,整个总线就会像一个巨大的天线向外辐射电磁波。
二、关于485总线的几个概念:匹配电阻在RS485组网过程中另一个需要主意的问题是终端负载电阻问题,在设备少距离短的情况下不加终端负载电阻整个网络能很好的工作但随着距离的增加性能将降低。
理论上,在每个接收数据信号的中点进行采样时,只要反射信号在开始采样时衰减到足够低就可以不考虑匹配。
但这在实际上难以掌握,美国MAXIM 公司有篇文章提到一条经验性的原则可以用来判断在什么样的数据速率和电缆长度时需要进行匹配:当信号的转换时间(上升或下降时间)超过电信号沿总线单向传输所需时间的3倍以上时就可以不加匹配。
一般终端匹配采用终端电阻方法,RS-485应在总线电缆的开始和末端都并接终端电阻。
终接电阻在RS-485网络中取1200。
相当于电缆特性阻抗的电阻,因为大多数双绞线电缆特性阻抗大约在100〜1200。
rs485知识点总结RS-485的特点:1. 多点通信:RS-485可以支持最多256个节点的通信,每个节点都可以发送和接收数据。
这使得RS-485非常适合于工业控制系统和自动化系统等场合,可以满足复杂的通信需求。
2. 高速传输:RS-485支持最高10Mbps的传输速率,可以满足大部分工业控制系统和自动化系统对于高速数据传输的需求。
3. 高抗干扰:RS-485是差分信号通信协议,具有很好的抗干扰能力。
在工业场合,由于存在各种电磁干扰,差分信号通信协议可以有效地减小干扰的影响,保证通信的稳定和可靠。
4. 长距离传输:RS-485可以实现1200米的长距离传输,即使是在工厂车间等大型场合,也可以满足通信需求。
5. 低成本:RS-485通信设备价格低廉,成本低,容易应用。
RS-485通信原理:1. 差分信号:RS-485通信采用差分信号传输,即发送方发出的信号为正负两个相互互补的信号。
接收方通过比较这两个信号的差值来获取数据。
2. 线路匹配:RS-485通信需要采用120欧姆的平衡线路,保证信号的传输质量。
同时,RS-485需要端子电容进行匹配,确保通信的稳定。
3. 数据编码:RS-485通信采用差分数据编码,发送方将逻辑数据转换为正负两个信号进行传输,接收方再将这两个信号还原为逻辑数据。
RS-485通信协议:RS-485通信协议一般采用半双工通信方式。
在RS-485总线上,不同的节点可以轮流发送数据,但同一时间只能有一个节点发送数据,其他节点必须处于接收状态。
RS-485通信协议一般采用MODBUS协议。
MODBUS是一个通用的工业领域通信协议,常用于PLC、变频器、仪表等设备之间的通信。
MODBUS协议包含了数据帧的格式、功能码、寄存器地址等内容,非常适合于工业控制系统的通信需求。
RS-485通信接口:RS-485通信接口一般是通过RS-485芯片实现的。
RS-485芯片可以将UART格式的数据转换为RS-485格式的差分信号,实现数据在RS-485总线上传输。
1 、什么是通讯之勘阻及广创作要搞清楚RS485通讯我们要先搞明白什么是通讯, 其实通讯就是两个设备之间0 1代码的传递, 0就是低电平1就是高电平.假如A设备向B设备传递数据, 那么首先A设备和B设备之间必需通过电缆连接, 如果A设备要向B设备发送101010这样一串代码那么A设备就要在他的通讯端口发生图11所示的高低电平的组合, 这样通过电缆这个介质B设备的通讯端口就会接收到这样的高低电平的组合, 同时就会将这个高低电平的组合翻译成101010这样的二进制代码, 这样就完成了A设备向B设备数据的传递, B设备向A设备数据传递是同样的事理.图11讲到这里还要普及全双工半双工、通讯速率和主从通讯, 这三个概念.全双工的意思就是通讯端口在发送数据的同时可以接收数据,而半双工指的是同一时刻通讯端口要么只能发送数据, 要么只能接收数据两个工作不能同时进行.通讯速率指的就是1S内通讯端口发送01代码(或者说是高低电平)的数量.打个比如如果我们说通讯速率是9.6kbps那就暗示通讯端口每秒发送9600个bit的数据也就是每秒可以发生9600个高低电平(注意这里是高低电平总共加起来9600个).主从通讯, 指的是在一个通讯网络中一个站点是主站, 其他站点作为从站, 主站和从站之间可以直接进行数据的传递, 可是从站与从站之间不能直接进行数据的传递, 如果从站之间想要交换数据也必需要通过主站如图12所示.图122、485通讯明白了通讯的基本概念下面年夜家再看485通讯就会感觉相对容易了, 下面我们从通讯介质、通讯方式、通讯类型、物理层四个方面来向年夜家介绍.通讯介质:屏蔽双绞线, 也就是我们通经常使用的带有屏蔽层的两心电缆如图21所示.图21通讯方式:半双工通讯类型:主从通讯物理层:9针接口, 这里需要注意的是通常情况下485的9针接口我们只需要将两芯电缆接到3号脚和8号脚上, 3是信号“﹢”, 8是信号“-”.图22是母头示意图, 图23是公头示意图.图22图233、通讯协议最后再帮年夜家把通讯协议这个概念捋一捋, 我觉得很多朋友都是把通讯协议和通讯的物理层搞不清楚, 一问你这个通讯用的是什么协议, 经常有人回答“我这个是485协议、我这个是232协议”.这就是典范的把通讯协议和通讯物理层搞混了, 打个比如, 就像我们打德律风一样, 德律风是物理层, 通话的人之间说的语言就是协议, 同一个物理层可以传输分歧的协议, 就像德律风两边的人既可以说中文也可以说英语.中文是一种协议, 英文是另一种协议.485就像是德律风是物理层, 在这个物理层可以传输modbus协议, 也可以传送Profibus协议, 这个比如应该可以比力清楚的反映出通讯协议和物理层的关系.本文我们就先向年夜家介绍一下通讯的基本概念, 以及RS485通讯的物理层, 年夜家建立一个基本的概念就好, 我认为通讯想要搞懂, 最重要的还是要把协议这个工具理解了, 后续我将会更新系列文章帮手年夜家循序渐进的理解并掌握RS485通讯.。
1 、什么是通讯要搞清楚RS485通讯我们要先搞明白什么是通讯,其实通讯就是两个设备之间0 1代码的传递,0就是低电平1就是高电平。
假如A设备向B设备传递数据,那么首先A设备和B设备之间必须通过电缆连接,如果A设备要向B设备发送101010这样一串代码那么A设备就要在他的通讯端口产生图1-1所示的高低电平的组合,这样通过电缆这个介质B设备的通讯端口就会接收到这样的高低电平的组合,同时就会将这个高低电平的组合翻译成101010这样的二进制代码,这样就完成了A设备向B设备数据的传递,B设备向A设备数据传递是同样的道理。
图1-1讲到这里还要普及全双工半双工、通讯速率和主从通讯,这三个概念.全双工的意思就是通讯端口在发送数据的同时可以接收数据,而半双工指的是同一时刻通讯端口要么只能发送数据,要么只能接收数据两个工作不能同时进行。
通讯速率指的就是1S内通讯端口发送01代码(或者说是高低电平)的数量。
打个比方如果我们说通讯速率是9.6kbps那就表示通讯端口每秒发送9600个bit 的数据也就是每秒可以产生9600个高低电平(注意这里是高低电平总共加起来9600个)。
主从通讯,指的是在一个通讯网络中一个站点是主站,其他站点作为从站,主站和从站之间可以直接进行数据的传递,但是从站与从站之间不能直接进行数据的传递,如果从站之间想要交换数据也必须要通过主站如图1-2所示.图1-22、485通讯明白了通讯的基本概念下面大家再看485通讯就会感觉相对容易了,下面我们从通讯介质、通讯方式、通讯类型、物理层四个方面来向大家介绍。
通讯介质:屏蔽双绞线,也就是我们通常用的带有屏蔽层的两心电缆如图2-1所示。
图2-1通讯方式:半双工通讯类型:主从通讯物理层:9针接口,这里需要注意的是通常情况下485的9针接口我们只需要将两芯电缆接到3号脚和8号脚上,3是信号“﹢",8是信号“-”。
图2-2是母头示意图,图2-3是公头示意图。