独立基础沉降计算书
- 格式:doc
- 大小:76.50 KB
- 文档页数:3
基础计算书C 轴交3轴DJ P 01计算一、计算修正后的地基承载力特征值选择第一层粉土为持力层,地基承载力特征值fak=120 kPa ,ηd=2.0,rm=17.7kN/m 3,d=1.05m ,初步确定埋深d=1.5m ,室内外高差0.45m 。
根据《建筑地基基础设计规范》(GB 50007-2011) 式5.2.4 计算修正后的抗震地基承载力特征值 = 139(kPa);二、初步选择基底尺寸A ≧Fk fa −γGA ≧949139−20×1.5=8.7㎡ 取独立基础基础地面a=b=3000mm 。
采用坡型独立基础,初选基础高度600mm ,第一阶h 1=350mm ,第二阶h 2=250mm 。
三、作用在基础顶部荷载标准值结构重要性系数: γo=1.0基础混凝土等级:C30 ft_b=1.43N/mm 2 fc_b=14.3N/mm 2柱混凝土等级: C30 ft_c=1.43N/mm 2 fc_c=14.3N/mm 2钢筋级别: HRB400 fy=360N/mm2 矩形柱宽 bc=500mm 矩形柱高 hc=500mm纵筋合力点至近边距离: as=40mm 最小配筋率: ρmin=0.150% Fgk=949.000kN Fqk=0.000kN Mgxk=14.000kN*m Mqxk=0.000kN*m Mgyk=25.000kN*m Mqyk=0.000kN*m Vgxk=45.000kN Vqxk=0.000kN Vgyk=17.000kN Vqyk=0.000kN永久荷载分项系数rg=1.20 可变荷载分项系数rq=1.40Fk=Fgk+Fqk=949.000+(0.000)=949.000kNMxk=Mgxk+Fgk*(B2-B1)/2+Mqxk+Fqk*(B2-B1)/2=14.000+949.000*(1.500-1.500)/2+(0.000)+0.000*(1.500-1.500)/2=14.000kN*mMyk=Mgyk+Fgk*(A2-A1)/2+Mqyk+Fqk*(A2-A1)/2=25.000+949.000*(1.500-1.500)/2+(0.000)+0.000*(1.500-1.500)/2=25.000kN*mVxk=Vgxk+Vqxk=45.000+(0.000)=45.000kNVyk=Vgyk+Vqyk=17.000+(0.000)=17.000kNF1=rg*Fgk+rq*Fqk=1.20*(949.000)+1.40*(0.000)=1138.800kNMx1=rg*(Mgxk+Fgk*(B2-B1)/2)+rq*(Mqxk+Fqk*(B2-B1)/2)=1.20*(14.000+949.000*(1.500-1.500)/2)+1.40*(0.000+0.000*(1.500-1.500)/2) =16.800kN*mMy1=rg*(Mgyk+Fgk*(A2-A1)/2)+rq*(Mqyk+Fqk*(A2-A1)/2)++=f a f ak b ()-b 3d m ( )-d 0.5=1.20*(25.000+949.000*(1.500-1.500)/2)+1.40*(0.000+0.000*(1.500-1.500)/2) =30.000kN*mVx1=rg*Vgxk+rq*Vqxk=1.20*(45.000)+1.40*(0.000)=54.000kNVy1=rg*Vgyk+rq*Vqyk=1.20*(17.000)+1.40*(0.000)=20.400kNF2=1.35*Fk=1.35*949.000=1281.150kNMx2=1.35*Mxk=1.35*14.000=18.900kN*mMy2=1.35*Myk=1.35*25.000=33.750kN*mVx2=1.35*Vxk=1.35*45.000=60.750kNVy2=1.35*Vyk=1.35*17.000=22.950kNF=max(|F1|,|F2|)=max(|1138.800|,|1281.150|)=1281.150kNMx=max(|Mx1|,|Mx2|)=max(|16.800|,|18.900|)=18.900kN*mMy=max(|My1|,|My2|)=max(|30.000|,|33.750|)=33.750kN*mVx=max(|Vx1|,|Vx2|)=max(|54.000|,|60.750|)=60.750kNVy=max(|Vy1|,|Vy2|)=max(|20.400|,|22.950|)=22.950kN四、计算参数1. 基础总长 Bx=B1+B2=1.500+1.500=3.000m2. 基础总宽 By=A1+A2=1.500+1.500=3.000m3. 基础总高 H=h1+h2=0.350+0.250=0.600m4. 底板配筋计算高度 ho=h1+h2-as=0.350+0.250-0.040=0.560m5. 基础底面积 A=Bx*By=3.000*3.000=9.000m26. Gk=γ*Bx*By*dh=20.000*3.000*3.000*1.000=180.000kNG=1.35*Gk=1.35*180.000=243.000kN五、计算作用在基础底部弯矩值Mdxk=Mxk-Vyk*H=14.000-17.000*0.600=3.800kN*mMdyk=Myk+Vxk*H=25.000+45.000*0.600=52.000kN*mMdx=Mx-Vy*H=18.900-22.950*0.600=5.130kN*mMdy=My+Vx*H=33.750+60.750*0.600=70.200kN*m六、验算地基承载力1. 验算轴心荷载作用下地基承载力pk=(Fk+Gk)/A=(949.000+180.000)/9.000=125.444kPa 【①5.2.1-2】因γo*pk=1.0*125.444=125.444kPa≤fa=139.000kPa轴心荷载作用下地基承载力满足要求2. 验算偏心荷载作用下的地基承载力exk=Mdyk/(Fk+Gk)=52.000/(949.000+180.000)=0.046m因|exk|≤Bx/6=0.500m x方向小偏心,由公式【①5.2.2-2】和【①5.2.2-3】推导Pkmax_x=(Fk+Gk)/A+6*|Mdyk|/(Bx2*By)=(949.000+180.000)/9.000+6*|52.000|/(3.0002*3.000)=137.000kPa Pkmin_x=(Fk+Gk)/A-6*|Mdyk|/(Bx2*By)=(949.000+180.000)/9.000-6*|52.000|/(3.0002*3.000)=113.889kPa eyk=Mdxk/(Fk+Gk)=3.800/(949.000+180.000)=0.003m因|eyk|≤By/6=0.500m y方向小偏心Pkmax_y=(Fk+Gk)/A+6*|Mdxk|/(By2*Bx)=(949.000+180.000)/9.000+6*|3.800|/(3.0002*3.000)=126.289kPaPkmin_y=(Fk+Gk)/A-6*|Mdxk|/(By2*Bx)=(949.000+180.000)/9.000-6*|3.800|/(3.0002*3.000)=124.600kPa3. 确定基础底面反力设计值Pkmax=(Pkmax_x-pk)+(Pkmax_y-pk)+pk=(137.000-125.444)+(126.289-125.444)+125.444=137.844kPa γo*P kmax=1.0*137.844=137.844kPa≤1.2*fa=1.2*139.000=166.800kPa偏心荷载作用下地基承载力满足要求七、基础冲切验算1. 计算基础底面反力设计值1.1 计算x方向基础底面反力设计值ex=Mdy/(F+G)=70.200/(1281.150+243.000)=0.046m因ex≤Bx/6.0=0.500m x方向小偏心Pmax_x=(F+G)/A+6*|Mdy|/(Bx2*By)=(1281.150+243.000)/9.000+6*|70.200|/(3.0002*3.000)=184.950kPa Pmin_x=(F+G)/A-6*|Mdy|/(Bx2*By)=(1281.150+243.000)/9.000-6*|70.200|/(3.0002*3.000)=153.750kPa1.2 计算y方向基础底面反力设计值ey=Mdx/(F+G)=5.130/(1281.150+243.000)=0.003m因ey≤By/6=0.500y方向小偏心Pmax_y=(F+G)/A+6*|Mdx|/(By2*Bx)=(1281.150+243.000)/9.000+6*|5.130|/(3.0002*3.000) =170.490kPa Pmin_y=(F+G)/A-6*|Mdx|/(By2*Bx)=(1281.150+243.000)/9.000-6*|5.130|/(3.0002*3.000)=168.210kPa1.3 因Mdx≠0 Mdy≠0Pmax=Pmax_x+Pmax_y-(F+G)/A=184.950+170.490-(1281.150+243.000)/9.000=186.090kPa1.4 计算地基净反力极值Pjmax=Pmax-G/A=186.090-243.000/9.000=159.090kPaPjmax_x=Pmax_x-G/A=184.950-243.000/9.000=157.950kPaPjmax_y=Pmax_y-G/A=170.490-243.000/9.000=143.490kPa2. 柱对基础的冲切验算2.1 因(H≤800) βhp=1.02.2 x方向柱对基础的冲切验算x冲切面积Alx=max((A1-hc/2-ho)*(bc+2*ho)+(A1-hc/2-ho)2,(A2-hc/2-ho)*(bc+2*ho)+(A2-hc/2-ho )2=max((1.500-0.500/2-0.560)*(0.500+2*0.560)+(1.500-0.500/2-0.560)2,(1.500-0.500 /2-0.560)*(0.500+2*0.560)+(1.500-0.500/2-0.560)2)=max(1.594,1.594)=1.594m2 x冲切截面上的地基净反力设计值Flx=Alx*Pjmax=1.594*159.090=253.574kNγo*Flx=1.0*253.574=253.57kN因γo*Flx≤0.7*βhp*ft_b*bm*ho (6.5.5-1)=0.7*1.000*1.43*1060*560=594.19kNx方向柱对基础的冲切满足规范要求2.3 y方向柱对基础的冲切验算y冲切面积Aly=max((B1-bc/2-ho)*(hc+2*ho)+(B1-bc/2-ho)2,(B2-bc/2-ho)*(hc+2*ho)+(B2-bc/2-ho )2)=max((1.500-0.500/2-0.560)*(0.500+2*0.560)+(1.500-0.500-0.560)2/2,(1.500-0.50 0/2-0.560)*(0.500+2*0.560)+(1.500-0.500-0.560)2/2)=max(1.594,1.594)=1.594m2 y冲切截面上的地基净反力设计值Fly=Aly*Pjmax=1.594*159.090=253.574kNγo*Fly=1.0*253.574=253.57kN因γo*Fly≤0.7*βhp*ft_b*am*ho (6.5.5-1)=0.7*1.000*1.43*1060.000*560=594.19kNy方向柱对基础的冲切满足规范要求八、柱下基础的局部受压验算因为基础的混凝土强度等级大于等于柱的混凝土强度等级,所以不用验算柱下扩展基础顶面的局部受压承载力。
A 独立基础沉降计算A.1 计算基础底面的附加压应力0p : 基础自重及其上的土重为: k G G Ad γ=,G γ—回填土和基础加权平均重度(一般取20kN /m 3);A —基础底面积(A a l =⨯);d —基础埋深。
如地下水面超过基础底面时应扣除水浮力10k G w G Ad Ah γ=-,w h —水位距基础底面距离。
基础底面平均压力为:k kk F G p A+=,k F ——上部荷载准永久值组合;基础底面自重压力为:ch m d σγ=,m γ——基底以上原状土加权平均重度或浮重度;i im ihhγγ=∑∑。
基础底面的附加压力为:0k ch p p σ=-A.2 确定分层厚度、沉降计算深度:由b 查《基规》第29页表5.3.6 得z ∆。
当①无相邻荷载影响;②1.030.0m b m ≤≤;同时满足时,按《基规》第29页式5.3.7:(2.50.4ln )n z b b =-。
基底以下各层土的层底至基础底面距离为i z ,最后一层i z 的取值使得in zz ≥∑。
A.3 列表计算分层沉降量:b 始终取矩形基础短边,l 1 = l /2 ,b 1 = b /2 。
i z 为层底埋深(各层土的层底至基础底面),表格最底行i n z z =,倒数第二行i n z z z =-∆。
第4列为4乘以查《基规》第113页表K.0.1-2得到的平均附加应力系数i a 。
上表中l 1 = l /2 = 2.50m ,b 1 = b /2 = 2.00m ;z n = 7.78m 范围内的计算沉降量∑∆s = 95.74 mm, z = 7.18m 至7.78m(∆z 为0.60m ,最后一层土向上∆z 厚度)计算沉降量:∆s'n =2.39 mm ≤0.025∑∆s'i = 0.025×95.74 = 2.39 mm (《基规》第28页式5.3.6),满足要求,否则加大计算深度,直到满足为止。
J—1、一、基础设计(f ak=180kPa)1.基础上荷载N k=3116kN.m N=3852kN。
mM xk=—6kN.m M x=-8kN.mM yk=—41kN。
m M y=—51kN.mQ xk=—82kN Q x=-101kNQ yk=49kN Q y=61kN轴向力最大标准组合轴向力最大基本组合基础埋深为2.5m,地下水位为未知,不考虑。
2.确定基础底面尺寸及地基承载力验算查规范,粉质黏土的承载力修正系数为:ηb=0,ηd=1.6 (只进行深度修正)f a=f ak+ηbγ(b—3)+ηdγm(d-0。
5)=180+1。
6×18×(2.5—0.5)=237。
6kPa(1)基础底面尺寸的确定在轴力荷载F作用下,基础底面积A´为:A´=N k/(f a—γm d)=3116/(237.6—18×2.5)=16。
17m2选取基础尺寸为:A=4.1×4.1=16.81m²,取基础高度为700mm。
(2)地基承载力验算W=bl2/6=4.13/6=13。
25m3基础底面的压力为:p k=(F k+G k)/A±M xk/W x=(3116+16.81×2。
5×18)/ 16。
81±(6+82×0.7)/11.49=230.37±5.52p kmax=235。
89kPa<1.2f a=1。
2×237。
6=285.12kPaP kmin=224。
85kPa〉0,均满足要求。
(3)受冲切承载力验算进行冲切计算式,按由柱边起成45°的冲切角椎体的斜面进行验算。
p=(F+G)/A±M x/W x=(3852+1。
35×16。
81×2。
5×18)/ 16。
81±(8+101×0。
7)/13.25=289。
独立基础沉降计算书一、设计资料1.工程信息工程名称: 成品车间勘察报告: 江苏常州地质工程勘察院(2014)基础编号: J-32.基础参数基础尺寸: b ×l = 3.00 m× 3.00 m基础埋深: d = 1.500 m荷载: F k = 730.00 kN钻孔编号: ZK01孔囗标高: 0.00m地下水位标高: -1.00m地下水位深度: 1.00 m地基承载力特征值: f ak = 240.00 kPa3.计算参数设计时执行的规范:《建筑地基基础设计规范》(GB 50007-2002)以下简称"基础规范"沉降计算经验系数: 程序自动地基变形计算深度: 按基础规范式5.3.6计算4.地质参数二、计算步骤1.计算基础底面的附加压力基础自重和其上的土重为:G k = γG Ad-γW Ad w = 20 × 3.00 × 3.00 × 1.50- 10 × 3.00 × 3.00 × 0.50 = 225.00 kN基础底面平均压力为:p k = F k + G kA=730.00 + 225.003.00 × 3.00= 106.11 kPa基础底面自重压力为:σch = γm d = 16.47 × 1.50 = 24.70 kPa上式中γm为基底标高以上天然土层的加权平均重度,其中地下水位下的重度取浮重度γm = ∑γi h i∑h i=19.80×1.00+9.80×0.501.00+0.50=24.701.50= 16.47 kN/m3基础底面的附加压力为:p0 = p k - σch = 106.11 - 24.70 = 81.41 kPa2.确定分层厚度按"基础规范"表5.3.6:由b = 3.00m 得∆z = 0.60m3.确定沉降计算深度按"基础规范"式(5.3.6)确定沉降计算深度.z n = 8.40 m4.计算分层沉降量根据"基础规范"表K.0.1-2可得到平均附加应力系数,计算的分层沉降值见下表:上表中l1 = l/2 = 1.50m b1 = b/2 = 1.50mz = 8.40m范围内的计算沉降量∑∆s = 30.99 mm, z = 7.80m至8.40m(∆z为0.60m)土层计算沉降量∆s'i = 0.67 = s'i = 0.67 mm ≤0.025∑∆s'i = 0.025 × 30.99 = 0.77 mm,满足要求。
A 独立基础沉降计算A.1 计算基础底面的附加压应力0p : 基础自重及其上的土重为: k G G Ad γ=,G γ—回填土和基础加权平均重度(一般取20kN /m 3);A —基础底面积(A a l =⨯);d —基础埋深。
如地下水面超过基础底面时应扣除水浮力10k G w G Ad Ah γ=-,w h —水位距基础底面距离。
基础底面平均压力为:k kk F G p A+=,k F ——上部荷载准永久值组合;基础底面自重压力为:ch m d σγ=,m γ——基底以上原状土加权平均重度或浮重度;i im ihhγγ=∑∑。
基础底面的附加压力为:0k ch p p σ=- A.2 确定分层厚度、沉降计算深度:由b 查《基规》第29页表5.3.6 得z ∆。
当①无相邻荷载影响;②1.030.0m b m ≤≤;同时满足时,按《基规》第29页式5.3.7:(2.50.4ln )n z b b =-。
基底以下各层土的层底至基础底面距离为i z ,最后一层i z 的取值使得in zz ≥∑。
A.3 列表计算分层沉降量:b 始终取矩形基础短边,l 1 = l /2 ,b 1 = b /2 。
i z 为层底埋深(各层土的层底至基础底面),表格最底行i n z z =,倒数第二行i n z z z =-∆。
第4列为4乘以查《基规》第113页表K.0.1-2得到的平均附加应力系数i a 。
上表中l 1 = l /2 = 2.50m ,b 1 = b /2 = 2.00m ;z n = 7.78m 范围内的计算沉降量∑∆s = 95.74 mm, z = 7.18m 至7.78m(∆z 为0.60m ,最后一层土向上∆z 厚度)计算沉降量:∆s'n =2.39 mm ≤0.025∑∆s'i = 0.025×95.74 = 2.39 mm (《基规》第28页式5.3.6),满足要求,否则加大计算深度,直到满足为止。
1 基础沉降计算榜西小学柱下独立基础沉降计算1.1 基本资料1.1.1 工程名称:榜西小学柱下独立基础沉降计算1.1.2 地质报告:《岩土工程勘察报告》1.1.3 基础坐标系原点 O' 在钻孔坐标系中的坐标 X,Y (M): 0.00,0.001.1.4 基础坐标系与钻孔坐标系的夹角α = 0.0°1.1.5 基础的相对标高±0.000 相当于绝对标高: -1.300m1.2 钻孔参数Esi ------ 基础底面下第 i 层土的压缩模量(MPa)1.2.1 ZK-1孔口标高 Hd = -1.30m X = 0.00, Y = 0.00土层名称层底深度土层层厚 Esi粘性土1 14.70 14.70 5.0001.3 设计时执行的规范1.3.1 《建筑地基基础设计规范》(GB 50007-2002)以下简称基础规范1.4 计算结果中的主要符号ψs --------- 沉降计算经验系数ψs;Zn --------- 基础变形计算深度 Zn (M);X', Y' ------ 基础中心的坐标 X', Y' (M);X, Y -------- 基础中心在钻孔坐标系中的坐标 X, Y (M);F' --------- 对应于荷载效应准永久组合时基础底面处的附加竖向力 F'(kN); l, b ------- 基础底面长度 l、基础底面宽度 b (M);Ai --------- 第 i 层土附加应力系数沿土层厚度的积分值 Ai (M),Ai = Zi * αi - Zi-1 * αi-1 ;△Si' ------ 在计算深度范围内,第 i 层土的计算变形值△'Si (mm),△Si' = 4 * po * (Zi * αi - Zi-1 * αi-1) / Esi1.5 J-11.5.1 基础参数基础底面处的相对标高 H = -0.700m 相当于绝对标高 Hj = -2.000mX' = 0.000, Y' = 0.000 X = 0.000, Y = 0.000按临近的 1 号勘探孔的土层分布和参数进行计算F' = 1667.0kN l = 2.700m b = 2.700m A = 7.29m 基础底面处的附加压力 po = F' / A = 1667.0/7.29 = 228.7kPal / b = 1.00 △Z = 0.3 * (1 + ln b) = 0.60m1.5.2 按分层总和法计算出的地基变形量Z Zi / b αi αi*Zi Ai Esi △Si' S'0.00 0.00 0.2500 0.000 0.000 0.000 0.0 0.05.38 3.99 0.1117 0.601 0.601 5.000 110.0 110.0 5.98 4.43 0.1030 0.616 0.015 5.000 2.7 112.7 1.5.3 验算地基变形计算深度 Zn 是否符合下式要求:△Sn' ≤ 0.025 * ∑△Si' (基础规范式 5.3.6)△Sn' / ∑△Si' = 2.7/112.7 = 0.024 ≤ 0.025,满足要求。
天然基础沉降计算书计算依据:1、《建筑地基处理技术规范》JGJ79-20122、《建筑地基基础设计规范》GB50007-20113、《建筑桩基技术规范》JGJ94-20084、《建筑施工计算手册》江正荣编著一、基本参数基础剖面图三、沉降计算1、基础底面附加应力计算P0=F/A+(γ0-γ)d=500/(3×2)+(20-19.06)×1.7= 84.931 kN/m3 2、分层变形量计算z i(m) 基础中心处平均附加应力系数αi相邻基础影响αi总附加应力系数αi总z i×αi总z i×αi总-z i-1×αi-1总土的压缩模量E si(MPa)A iΔs iΣΔs i0.5 4×0.2464 2×2×(0.2489-0.247)0.9932 0.4966 0.4966 5.5 0.4983 7.668 7.6681 4×0.2319 2×2×(0.2436-0.2343)0.9648 0.9648 0.4682 5.5 0.4895 7.23 14.8981.5 4×0.2108 2×2×(0.2341-0.2149)0.92 1.38 0.4152 5.5 0.4712 6.412 21.312 4×0.1894 2×2×(0.2219-0.1944)0.8676 1.7352 0.3552 6.5 0.4469 4.641 25.9512.5 4×0.17 2×2×(0.2090.8144 2.036 0.3008 6.5 0.42053.93 29.881n根据《规范》GB50007-2011表5.3.7得:△z =0.3m则当前计算深度向上取厚度为△z的土层深度: z'=5.2-0.3=4.9m此层土的变形值:Δs'n= P0(z i×αi总-z i-1×αi-1 )/E si=84.931×(5.2×0.5808-4.9×0.6012)/6=1.051mm总△s'n/∑△s =1.051/43.221=0.0243≤0.025满足要求。
路灯杆独立基础计算书1若采用1.5mx1.5m,则埋深需要近4米。
厂商提供内力为N=9KN,弯矩设计值为62KN.M,剪力为6KN。
如果按1.5mx1.5m计算的话,埋深要去到4m。
大放脚为1.5mx1.5m厚0.5m,基础柱为800x800的墩柱,自重为25x(1.5x1.5x0.5+0.8x0.8x3.5)=84.13KN.基础回填土自重为18x(1.5x1.5-0.8x0.8)=101.43KN。
共计185.6KN路灯塔自重为9KN作用于基底的标准值为194.6KN现浇独立柱基础设计: DJ-1===================================================================1 已知条件及计算要求:(1)已知条件:类型:阶梯形柱数:单柱阶数:1基础尺寸(单位mm):b1=1500, b11=750, a1=1500, a11=750, h1=500 柱:方柱, A=800mm, B=800mm设计值:N=272.44kN, Mx=62.00kN.m, Vx=6.00kN,My=0.00kN.m, Vy=0.00kN标准值:Nk=194.60kN, Mxk=44.29kN.m, Vxk=4.29kN, Myk=0.00kN.m, Vyk=0.00kN混凝土强度等级:C25, fc=11.90N/mm2钢筋级别:HRB335, fy=300N/mm2基础混凝土保护层厚度:40mm基础与覆土的平均容重:20.00kN/m3地基承载力设计值:210kPa基础埋深:4.00m作用力位置标高:-4.000m剪力作用附加弯矩M'=V*h(力臂h=0.000m):My'=0.00kN.mMyk'=0.00kN.m(2)计算要求:1.基础抗弯计算2.基础抗剪验算3.基础抗冲切验算4.地基承载力验算-------------------------------------------------------------------2 基底反力计算:(1)承载力验算时,底板总反力标准值(kPa): [相应于荷载效应标准组合]pk = (Nk+Gk)/A = 166.49pkmax = (Nk+Gk)/A + Mkx/Wx + Mky/Wy = 245.22pkmin = (Nk+Gk)/A - Mkx/Wx - Mky/Wy = 87.76各角点反力 p1=245.22, p2=245.22, p3=87.76, p4=87.76(2)强度计算时,底板净反力设计值(kPa): [相应于荷载效应基本组合]p = N/A = 121.08pmax = N/A + Mx/Wx + My/Wy = 231.31pmin = N/A - Mx/Wx - My/Wy = 10.86各角点反力 p1=231.31, p2=231.31, p3=10.86, p4=10.86-------------------------------------------------------------------3 地基承载力验算:pk=166.49 < fa=210.00kPa, 满足pkmax=245.22 < 1.2*fa=252.00kPa, 满足-------------------------------------------------------------------4 基础抗剪验算:抗剪验算公式 V<=0.7*βh*ft*Ac [GB50010-2002第7.5.3条](剪力V根据最大净反力pmax计算)第1阶(kN): V下=121.44, V右=121.44, V上=121.44, V左=121.44砼抗剪面积(m2): Ac下=0.68, Ac右=0.68, Ac上=0.68, Ac左=0.68抗剪满足.-------------------------------------------------------------------5 基础抗冲切验算:抗冲切验算公式 F l<=0.7*βhp*ft*Aq [GB50007-2002第8.2.7条] (冲切力F l根据最大净反力pmax计算)第1阶(kN): F l下=0.00, F l右=0.00, F l上=0.00, F l左=0.00砼抗冲面积(m2): Aq下=0.00, Aq右=0.00, Aq上=0.00, Aq左=0.00抗冲切满足.-------------------------------------------------------------------6 基础受弯计算:弯矩计算公式 M=1/6*l a2*(2b+b')*pmax [l a=计算截面处底板悬挑长度]配筋计算公式 As=M/(0.9*fy*h0)第1阶(kN.m): M下=17.95, M右=17.95, M上=17.95, M左=17.95计算As(mm2/m): As下=97, As右=97, As上=97, As左=97基础板底构造配筋(构造配筋D12@200).-------------------------------------------------------------------7 底板配筋:X向实配 D12@200(565mm2/m) >= As=565mm2/mY向实配 D12@200(565mm2/m) >= As=565mm2/m--------------------------------------------------------------------------------------------------------------------------------------。
ZSL750 塔吊独立基础计算书一、 塔吊参数ZSZHONG SHENG CONSTRUCTION MACHINERY(NANJING) HEAVY INDUSTRY CO.,LTD塔吊独立结构反力(55m幅度)54mS V风速 结构反力MU非工作状态风速 42m/s 820 180 10 28 360 265T工作状态风速 20m/s 1060 230 30 8 377 262注:非工作状态时,大臂仰角不能大于且必须保证塔机能顺风自由旋转。
二、基础抗倾覆计算 根据独立基础要求,查询地勘报告地基承载力建议: f ak 20t m2持力层修正后的地基承载力特征值: f a f a k b ( L 3) d m (h 0.5)......... ....( 1.1) 式中:f a 持力层修正后的地基承 载力特征值, t m2 ;f ak 持力层或下卧层的地基 承载力特征值,从《岩 土工程勘察报告》中查 到 (t m2 )b 基础宽度的地基承载力 修正系数,按基底下土 的类别取值;d 基础埋深的地基承载力 修正系数,按基底下土 的类别取值; 基础底面以下土的重度 ,地下水位以下取浮重 度, t m2 ; m 基础底面以上,或下卧 层顶面以上土的加权平 均重度,地下水位以下 取浮重度, t m2b 基础底面宽度, m; d 基础埋置深度, m;由公式 1.1 可得: f a 20 0 31.1 (1.6 0.5) 23.6 t m2 MS e L塔吊基础尺寸为:9mx9mx1.6m 塔吊基础自重: 9m 9m 1.6m 2.5t/m2 324t 塔吊基础混凝土强度:不小于 C35 塔吊基础混凝土保护层厚度:50mm 基础抗倾翻公式: e 式中:GbM h S L .........( 1.2) V G 4e 偏心距,m ;h1 hVM 最大倾覆力矩, t m;S 水平载荷,t ; h 基础厚度,m ; V 垂直载荷,t ; G 基础自重,t ;L 基础边长, m ;工作状态下: 偏心距: e 非工作状态下: 偏心距: e M h S L 1.71m 2m ,满足要求。
独立基础沉降计算书日期_____________设计者_____________校对者_____________一、设计资料1.工程信息工程名称:试算工程勘察报告:试算工程岩土工程勘察报告基础编号: J-12.基础参数基础尺寸:b×l=4000×6000mm2基础埋深:d =1.50 m荷载:F k = 1728.00kN钻孔编号: 1孔囗标高: 30.00m地下水位标高: 29m地下水位深度: 1.00m地基承载力特征值:f ak=110.00kPa3.计算参数设计时执行的规范:《建筑地基基础设计规范》(GB 50007-2002)以下简称 "基础规范"沉降计算经验系数: 1.0地基变形计算深度:6.4m4.地质参数地质资料参数表序号土层名称重度kN/m3模量Es厚度(m)标高(m)深度(m)1填土18.07.5 1.0029.00 1.002粉质粘土18.07.5 2.526.50 3.503淤泥质土17 2.4 4.422.107.90二、计算步骤1.计算基础底面的附加压力基础自重和其上的土重为:G k=G Ad=20×6.00×4.00×1.50=720.00 kN基础底面平均压力为:p k= = = 102.00 kPa基础底面自重压力为:ch= m d= 14.67×1.50= 22.00 kPa上式中m为基底标高以上天然土层的加权平均重度,其中地下水位下的重度取浮重度m= == = 14.67 kN/m3基础底面的附加压力为:p0= p k- ch= 102.00- 22.00= 80.00 kPa2.确定分层厚度按"基础规范"表5.3.6:由b=4.00 得Z=0.603.确定沉降计算深度按用户输入确定沉降计算深度:z n=6.40m4.计算分层沉降量根据"基础规范"表 K.0.1-2可得到平均附加应力系数,计算的分层沉降值见下表:"基础规范"的分层总和法沉降计算表z (m)l/b z/b Z Z iiZ i-1i-1E si(MPa)S i=p0/E si(Z ii-Z i-1i-1)S(mm)0 1.5004×0.25=1.0000.60 1.500.304×0.2492=0.99680.59810.59817.50 6.38 6.41.20 1.500.604×0.2447=0.9787 1.17440.57637.50 6.1512.51.80 1.500.904×0.2358=0.9430 1.69740.52307.50 5.5818.12.00 1.50 1.004×0.2321=0.9282 1.85640.15907.50 1.7019.82.60 1.50 1.304×0.2197=0.8788 2.28480.4284 2.4014.2834.13.20 1.50 1.604×0.2066=0.8263 2.64410.3593 2.4011.9846.13.80 1.50 1.904×0.1937=0.7747 2.94400.2999 2.4010.0056.14.40 1.50 2.204×0.1814=0.7258 3.19340.2494 2.408.3164.45.00 1.50 2.504×0.1701=0.6806 3.40300.2096 2.406.9971.45.60 1.50 2.804×0.1598=0.6393 3.58020.1772 2.40 5.9177.35.80 1.50 2.904×0.1566=0.6265 3.63340.0532 2.40 1.7779.06.20 1.50 3.104×0.1505=0.6018 3.73120.0978 2.40 3.2682.3 6.40 1.50 3.204×0.1475=0.5901 3.77660.0454 2.40 1.5183.8z = 6.40m范围内的计算沉降量s` = 83.81 mm , z = 5.80m至6.40m(Z为0.60m)土层计算沉降量s`i=3.26+1.51=4.77mms`i=4.77mm> 0.025s`= 0.02583.81=2.10mm,不满足要求。
沉降计算1.取3轴交F1轴(Z1),3轴交E1轴(Z2)两根柱做沉降差计算。
2.Z1沉降值计算[ 计算条件 ]基础长 L (m) 4.400基础宽 B (m) 4.400基底标高(m) -1.300基础顶轴力准永久值(kN) 2956.000L向弯矩准永久值(kN-m) 0.000B向弯矩准永久值(kN-m) 0.000基础与覆土的平均容重(kN/m3) 20.000经验系数ψs 0.700压缩层厚度(m) 16.000沉降点坐标 X0(m) 0.000沉降点坐标 Y0(m) 0.000土层数: 3 地下水深度: -2.000(m)计算依据:建筑地基基础设计规范 GB50007-2002底板净反力 (kPa):最大= 155.29 最小=155.29 平均= 155.29角点 q1 = 155.29 q2 = 155.29 q3 = 155.29 q4 = 155.29总沉降量 = 0.700*79.13 = 55.39(mm)压缩模量的当量值: 8.58(MPa)按地基规范GB5007-2002表5.3.5 的沉降计算经验系数 = 0.882(P0≥fak) 和 0.641(P0≤0.75fak) 3.Z2沉降值计算[ 计算条件 ]基础长 L (m) 3.700 基础宽 B (m) 3.700 基底标高(m) -1.300 基础顶轴力准永久值(kN) 2134.000 L向弯矩准永久值(kN-m) 0.000 B向弯矩准永久值(kN-m) 0.000 基础与覆土的平均容重(kN/m3) 20.000 经验系数ψs 0.700 压缩层厚度(m) 16.000 沉降点坐标 X0(m) 0.000 沉降点坐标 Y0(m) 0.000 土层数: 3 地下水深度: -2.000(m)计算依据:建筑地基基础设计规范 GB50007-2002底板净反力 (kPa):最大= 158.48 最小=158.48 平均= 158.48角点 q1 = 158.48 q2 = 158.48 q3 = 158.48 q4 = 158.48各层土的压缩情况:总沉降量 = 0.700*69.47 = 48.63(mm)压缩模量的当量值: 8.57(MPa)按地基规范GB5007-2002表5.3.5 的沉降计算经验系数 = 0.882(P0≥fak) 和 0.641(P0≤0.75fak) 4.沉降值差计算沉降值差=79.13-69.47=9.66mm0.002L=0.002X5700=11.4mm9.66mm<11.4mm,满足要求。
9#楼东侧矩形基础沉降原始数据9#楼东侧矩形基础沉降计算结果沉降计算按建筑地基基础设计规范GB 50007-2002计算计算点编号: S1(钻孔11)计算点座标x= 0m y= 0m压缩层厚度Zn=24.90mS( 1)=5.59mmS( 2)=0.36mmS( 3)=6.69mmS( 4)=3.92mmS( 5)=5.15mmS( 6)=16.40mmS( 7)=23.92mmS'=62.03mm加权ES=25.83MPaΨS=0.20S=12.41mm计算点编号: S2(钻孔12)计算点座标x= 23.5m y= 0m压缩层厚度Zn=25.06mS( 1)=7.38mmS( 2)=0.79mmS( 3)=5.39mmS( 4)=4.96mmS( 5)=8.58mmS( 6)=25.61mmS( 7)=39.42mmS'=92.13mm加权ES=24.91MPaΨS=0.20S=18.43mm计算点编号: S3(钻孔8)计算点座标x= 23.5m y= 12.2m 压缩层厚度Zn=24.42mS( 1)=24.51mmS( 2)=13.27mmS( 3)=8.80mmS( 4)=14.82mmS( 5)=40.42mmS( 6)=42.90mmS'=144.73mm加权ES=27.03MPaΨS=0.20S=28.95mm计算点编号: S4(钻孔7)计算点座标x= 0m y= 12.2m压缩层厚度Zn=24.97mS( 1)=6.14mmS( 2)=6.16mmS( 3)=4.10mmS( 4)=6.20mmS( 5)=16.02mmS( 6)=23.64mmS'=62.27mm加权ES=25.95MPaΨS=0.20S=12.45mm计算点编号: S5(钻孔12)计算点座标x= 11.75m y= 6.1m 压缩层厚度Zn=25.06mS( 1)=19.32mmS( 2)=2.68mmS( 3)=12.75mmS( 4)=11.92mmS( 5)=16.57mmS( 6)=39.49mmS( 7)=46.29mmS'=149.02mm加权ES=30.51MPaΨS=0.20S=29.80mm9#楼西侧矩形基础沉降原始数据9#楼西侧矩形基础沉降计算结果沉降计算按建筑地基基础设计规范GB 50007-2002计算计算点编号: S6(钻孔12)计算点座标x= 23.5m y= 4.5m 压缩层厚度Zn=25.06mS( 1)=14.51mmS( 2)=2.03mmS( 3)=9.81mmS( 4)=9.63mmS( 5)=14.28mmS( 6)=37.01mmS( 7)=48.83mmS'=136.10mm加权ES=28.94MPaΨS=0.20S=27.22mm计算点编号: S7(钻孔14)计算点座标x= 66.05m y= 4.5m 压缩层厚度Zn=25.24mS( 1)=8.14mmS( 2)=5.05mmS( 3)=3.37mmS( 4)=5.31mmS( 5)=19.26mmS( 6)=22.46mmS'=63.59mm加权ES=25.72MPaΨS=0.20S=12.72mm计算点编号: S8(钻孔10)计算点座标x= 66.05m y= 17m 压缩层厚度Zn=25.43mS( 1)=7.91mmS( 2)=5.06mmS( 3)=3.51mmS( 4)=5.00mmS( 5)=19.03mmS( 6)=23.46mmS'=63.97mm加权ES=25.69MPaΨS=0.20S=12.79mm计算点编号: S9(钻孔8)计算点座标x= 23.5m y= 17m 压缩层厚度Zn=24.42mS( 1)=8.62mmS( 2)=5.66mmS( 3)=4.46mmS( 4)=8.70mmS( 5)=27.71mmS( 6)=34.39mmS'=89.54mm加权ES=24.91MPaΨS=0.20S=17.91mm计算点编号: S10(钻孔13)计算点座标x= 44.33m y= 10.75m 压缩层厚度Zn=25.17mS( 1)=18.86mmS( 2)=15.45mmS( 3)=13.15mmS( 4)=16.75mmS( 5)=46.14mmS( 6)=51.42mmS'=161.77mm加权ES=29.77MPaΨS=0.20S=32.54mm9#楼沉降计算点示意图10楼矩形基础沉降原始数据10#楼矩形基础沉降计算结果沉降计算按建筑地基基础设计规范GB 50007-2002计算计算点编号: 1(钻孔4)计算点座标x= 0m y= 0m压缩层厚度Zn=25.61mS( 1)=3.33mmS( 2)=0.89mmS( 3)=10.17mmS( 4)=3.26mmS( 5)=9.02mmS( 6)=13.70mmS( 7)=23.48mmS'=63.87mm加权ES=25.62MPaΨS=0.20S=12.77mm计算点编号: 2(钻孔6)计算点座标x= 55.6m y= 0m压缩层厚度Zn=25.93mS( 1)=7.70mmS( 2)=0.71mmS( 3)=6.85mmS( 4)=2.21mmS( 5)=9.34mmS( 6)=15.08mmS( 7)=22.38mmS'=64.27mm加权ES=25.67MPaΨS=0.20S=12.85mm计算点编号: 3(钻孔3)计算点座标x= 55.6m y= 12.2m 压缩层厚度Zn=26.02mS( 1)=6.25mmS( 2)=2.13mmS( 3)=6.07mmS( 4)=2.48mmS( 5)=9.31mmS( 6)=16.76mmS( 7)=20.92mmS'=63.91mm加权ES=25.88MPaΨS=0.20S=12.78mm计算点编号: 4(钻孔1)计算点座标x= 0m y= 12.2m 压缩层厚度Zn=25.74mS( 1)=3.19mmS( 2)=0.72mmS( 3)=10.97mmS( 4)=3.10mmS( 5)=8.02mmS( 6)=17.59mmS( 7)=21.11mmS'=64.70mm加权ES=25.38MPaΨS=0.20S=12.94mm计算点编号: (钻孔2)计算点座标x= 27.8m y= 6.1m 压缩层厚度Zn=25.92mS( 1)=20.18mmS( 2)=2.00mmS( 3)=17.01mmS( 4)=9.21mmS( 5)=27.38mmS( 6)=41.64mmS( 7)=44.15mmS'=161.59mm加权ES=29.92MPaΨS=0.20S=32.32mm。
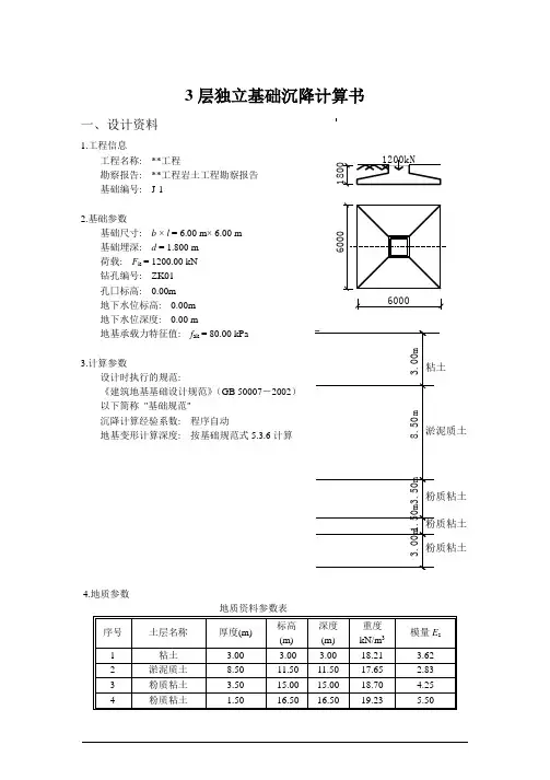
独立基础沉降计算书
日 期_____________ 设 计 者_____________ 校 对 者
_____________
一、设计资料
1.工程信息
工程名称: 试算工程 勘察报告: 基础编号: J-1
2.基础参数 基础尺寸: b ×l =4000×6000mm 2 基础埋深: d =1.50 m 荷 载: F k = 1728.00kN 钻孔编号: 1 孔囗标高: 30.00m 地下水位标高: 29m 地下水位深度: 1.00m 地基承载力特征值:f ak =110.00kPa
3.计算参数 设计时执行的规范: 《建筑地基基础设计规范》(GB 50007-2002) 以下简称 "基础规范" 沉降计算经验系数: 1.0 地基变形计算深度: 6.4m
4.地质参数
二、计算步骤
1.计算基础底面的附加压力
基础自重和其上的土重为:
G k=γG Ad=20×6.00×4.00×1.50=720.00 kN
基础底面平均压力为:
p k= F k+G k
A=
1728.00+720.00
6.00×4.00= 102.00 kPa
基础底面自重压力为:
σch= γm d= 14.67×1.50= 22.00 kPa
上式中γm为基底标高以上天然土层的加权平均重度,其中地下水位下的重度取浮重度
γm= ∑γi h i
∑h i=
18.00×1.00+8.00×0.50
1.00+0.50
=
22.00
1.50= 14.67 kN/m
3
基础底面的附加压力为:
p0= p k- σch= 102.00- 22.00= 80.00 kPa
2.确定分层厚度
按"基础规范"表5.3.6:
由b=4.00 得∆Z=0.60
3.确定沉降计算深度
按用户输入确定沉降计算深度:
z n=6.40m
4.计算分层沉降量
根据"基础规范"表K.0.1-2可得到平均附加应力系数,计算的分层沉降值见下表:
z = 6.40m范围内的计算沉降量∑∆s` = 83.81 mm , z = 5.80m至6.40m(∆Z为0.60m)土层计算沉降量∆s`i=3.26+1.51=4.77mm
∆s`i=4.77mm> 0.025⨯∑∆s`= 0.025⨯83.81=2.10mm,不满足要求。
请增加计算深度!
5.确定沉降计算经验系数ψ
=1.00
由用户输入沉降计算经验系数ψArray s
6.最终的沉降量
s = ψs s' = ψs∑∆s'i = 1.000⨯83.81 = 83.81 mm。