高中物理所有实验仪器读数方法.
- 格式:doc
- 大小:471.00 KB
- 文档页数:5
高中物理实验仪器的读数方法
栾多老师
按照仪器的读数是否需要估读可分为两大类:
一、不需要估读的仪器有:游标卡尺、秒表、电阻箱。
如:游标卡尺
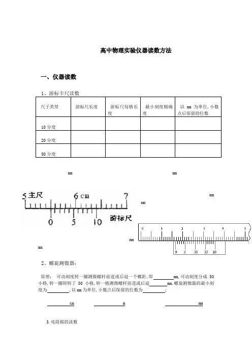
游标卡尺是一种测量长度的仪器,常用的游标卡尺有10分度、20分度和50分度三种,这三种游标卡尺的精确度分别为0.1mm、0.05mm和0.02mm。
读数方法如下:测量值=主尺读数+(游标尺与主尺对齐格数×精度)
读数:29mm+8×0.1mm=29.8mm
二、除上述三种外其余皆需要估读:(如:刻度尺、螺旋测微器、电流表、电压表、多用电表、弹簧秤、温度计、天平等。
)
(1)若精度是一个单位的(如:1,0.1,0.01……),需估读到精度的下一位:
估读方法是:将精度分成十等分,不足半等分的舍去,大于或等于半等分的算作一等分处理。
如:螺旋测微器(精度:0.01mm)
读数:8.5mm+10.0×0.01mm=8.600mm (2)若精度不是一个单位的(如:0.2,0.02,0.5,0.05……),估读到精度的同一位即可:
①若精度是“2”(如:0.2,0.02……),将精度分为二等分,把不足半等分的舍去,大于或等于半等分的算一个等分。
②若精度是“5”(如:0.5,0.05……),将精度分为五等分,把不足半等分的舍去,大于或等于半等分的算一个等分。
如:电压表:
读数:12.5V。
高中物理实验仪器读数方法一、仪器读数肃尺子类型莀游标尺长度螈游标尺每格长度螆最小刻度精确度薁以mm为单位,小数点后保留的位数腿10分度袈20分度袃50分度mm mmmmmmmmmm2、螺旋测微器:原理:可动刻度转一圈测微螺杆前进或后退一个螺距,即 mm,可动刻度分成50小格,转一圈即转了50小格,转一格测微螺杆前进或后退 mm,螺旋测微器的最小刻度为 ,以mm为单位,小数点后保留的位数为 ;cm m mm3.电阻箱的读数例2下图是电阻箱示意图,试读出当时电阻箱的阻值;解:电阻箱面板上有6个旋钮,每个旋钮上方都标有倍率;将每个旋钮的指针所指的数值都为整数乘以各自的倍率,从最高位到低位依次读出来,就得到这时电阻箱的实际阻值;注意图中最左边的两个黑点是表示的是接线柱;若指针位置如图所示,则阻值为84580.2Ω;如:04北京理综电阻箱各旋钮的位置如右图所示,电阻箱R 的阻值是_________Ω;解析:电阻箱的读数方法是:每挡指示数字乘以相应倍率后相加的总和,所以86.3Ω;4.总结高考国卷电表读数标准对最小分度为“1” 、“2”的采用“十分之一估读法”,估计数字出现在下一位;对最小分度为“5”的采用“五分之一估读法”, 估计数字出现在同一位;这样读数记录=刻度完整部分+估计等分数×125⎧⎨⎩最小分度“”或“”的十分之一最小分度“”的五分之一,后部分乘积为0时不能丢,象游标卡、千分尺读数一样要补齐;显然,高中阶段,这种办法适合学生理解接受,不额外增加负担,上了大学再进一步学习更科学严谨的估读规则,现实中不失为一种为大学准备的承上启下的过渡性办法;例1下图是电压表的刻度盘;若当时使用的是该表的0-3V 量程,那么电压表读数为多少若当时使用的是该表的0-15V 量程,那么电压表度数又为多少×1芇6 2蒅6 2蚀62膅62螈6 2袆62解:0-3V量程最小刻度是0.1V,是10分度的,因此要向下估读一位,读1.15V由于最后V一位是估读的,有偶然误差,读成1.14V-1.17V之间都算正确;0-15V量程最小刻度为0.5V,不是10分度的,因此只要求读到0.1V这一位,所以读5.7V5.5V-5.8V之间都算正确;例12008宁夏新课程卷,注:实际是教育部考试中心命制右图为一正在测量中的多用电表表盘.1如果是用×10Ω档测量电阻,则读数为Ω;2如果是用直流10 mA档测量电流,则读数为 mA;3如果是用直流5 V档测量电压,则读数为 V;标答: 160 或6.0×10; 27.18 ;33.59;解析:1电阻刻度“5~10”共5格,最小刻度是2,采用“十分之一估读法”,故读作“6±0~1×0.2”,再乘以档位的倍率10,即59~61Ω,标答60Ω;2用10 mA档测量电流,每格刻度为0.2mA,采用“十分之一估读法”,读数为7mA+8~9×0.02mA=7.16~7.18mA如果按大学物理2.5级电表读数误差规则,就只能估记到0.2/2=0.1 mA,结果就是7.2 mA,与标答不符;中学生不具有这方面知识,故高考标答没采用这种方法标准;3 用直流5 V档测量电压,每格刻度为0.1V,采用“十分之一估读法”,读数为3.5 V +8~9×0.01 V=3.58~3.59 V;例2 2010年全国卷下面左图是课标卷23题,读出图中A示数I1= mA;右图是大纲版卷23题, 读出图中A示数I2= mA;标答:115 ;0.660解析:左图量程150 mA,每小格5 mA,采用“五分之一估读法”,估到5 mA /5=1 mA ,读作115 mA+0×1 mA=115 mA,标答是115 mA,而不是115.0 mA;右图1.0 mA,50格,每小格0.02 mA,采用“十分之一估读法”,估到0.02 mA/2=0.002 mA, 读作0.66 mA+0×0.002 mA=0.660 mA,而不是0.66 mA二分之一估读法结果;可能命题者考虑到有人用“二分之一估读法”,故在题后特别要求“保留3位有效数字”,以避免争执,把握引向;尽管湖北自拟评分细则对填“0.66” mA也给2分,并不鼓励随意拔高课程标准要求;例3〔2011年大纲版全国卷23题第2问〕多用电表、电流表与电阻箱的示数分别如图11abc所示,则多用电表使用×1Ω档的读数为Ω;电流表读数为____mA;电阻箱的读数为Ω;标答:14.0;53.0 ;4.6解析:①欧姆档“10~15”每格1Ω,估读到0.1Ω,读作14Ω+0×0.1Ω=14.0Ω2分,填为“14”只给1分;②电流表量程60 mA,每格1 mA,估读到0.1 mA,读作53 mA+0×0.1 mA=53.0 mA,2分,填为“53”只给1分;③4.6Ω电阻箱不估读;显然,标答及评分细则明确了命题者对欧姆档的估读要求,同时考虑到可能有人拿教材为由评说,采取了折中处理,填为“14”给1分扣1分;实际上,这既是对课本习题答案的“校正”,也是对有些地方随意降低要求的适时“纠偏”,有明显的指导意义;上述观点只是笔者的一种揣测,跟高考命题者思考是否一致,还须关注明春考试中心拿出的2011年高考试题分析解释,这里提出来供我市同仁研究参考;二、高考地方自主命题,电表读数标准亟待统一从地方试卷发现,地方自主命题和各地调考模拟等则不尽一致,多数认为欧姆表测电阻本身粗略,估读意义不大,对读数有效数位记录不作严格要求;对“2”、“5”分度的电流、电压表,则分别提出“二分之一”和“五分之一”估读要求;在电表读数这个问题上,我市高三复习备考要以国卷标准为准绳,不能因此受到干扰;例12009年安徽卷用多用电表进行了几次测量,指针分别处于a、b的位置,如图所示;若多用电表的选择开关处于下面表格中所指的档位,a和b的相应读数是多少请填在表格中;标答:羆指针位置薃选择开关所处的档位芁读数羆直流电流100mA 羄23.0mA薈a蝿直流电压2.5V 莇0.57V肆b 肁电阻×100蒀320Ω解析:这是人教版选修3—1P68习题改编试题;1对直流电流100 mA刻度盘,每小格2 mA,采用“十分之一估读法”, 估到2/10=0.2 mA,读作22 mA +4~5×0.2 mA=22.8~23.0 mA;2直流电压2.5V刻度盘,每小格0.05V,采用“五分之一估读法”,估到0.05 V/5=0.01V,读作0.55 V+2~3×0.01V=0.57~0.58V;3电阻×100档在“0~5”段每小格为0.5Ω,采用“五分之一估读法”,估到0.5Ω/5=0.1Ω,读作〔3Ω+1~2×0.1Ω〕×倍率100=3.1~3.2×102Ω;可见,安徽这里对欧姆档估读不作要求,却导致测量结果准确数位无形拔高了一个数量级;例2—12011年广东卷34题第1问:粗测小电珠的电阻,应选择多用电表_____倍率的电阻挡请填空“×1”、“×10”或“×100”;调零后,将表笔分别与小电珠的两极连接,示数如图2,结果为______Ω;标答:①×1;②7.3~7.7解析:①×1;②欧姆档“5~10”每格1Ω,估读到1Ω/10=0.1Ω,故读作〔7Ω+3~7×0.1Ω〕×倍率1=7.3~7.7Ω;例2—22003年广东卷下图为—正在测量中的多用电表表盘;1如果是用直流10V档测量电压,则读数为 V;2如果是用×100 档测量电阻,则读数为 ;3如果是用直流5mA档测量电流,则读数为 mA;标答:6.5;8.0×102;3.25解析:1如果是用直流10V档测量电压,每个小格为0.2V,采用“十分之一估读法”, 估到0.2/10=0.02V,所以读作6.4+4~5×0.02V=6.48~6.50V;标答为6.5V,显然,是采用“二分之一估读法”;2如果是用×100 档测量电阻,为8.0个小格,“5~10”每格为1 ,采用“十分之一估读法”, 估到1/10=0.1 ,所以读作〔8 ±0~1×0.1 〕×倍率100=7.9~8.1×102 ;标答为8.0×102 ;3如果是用直流5mA档测量电流,每个小格为0.1A,采用“十分之一估读法”, 估到0.01 A,所以读作3.2A+4~5 ×0.01 A =3.24~3.25A;标答为3.25A;可见,广东不仅要求欧姆档估读,而且对电流、电压表读数是按大学物理中介绍的电表准确度等级读数标准要求的;例32009年上海卷用多用表的欧姆档选用×k 测量阻值约为几十k 的电阻R x,根据右图所示指针位置,此被测电阻的阻值约为_____ ;标答:30k或30000;解析:欧姆档“20~40”每格2 ,估读到0.2 ,读作〔30 +0×0.2 〕×倍率k=30.0 k ,或记为3.00×104 ;可见,上海卷标答为“30k或30000”,表明上海对欧姆档估读有效数位记录未作要求;例42006年天津卷一多用电表的电阻档有三个倍率,分别是×1、×10、×100;用×10档测量某电阻时,操作步骤正确,发现表头指针偏转角度很小,为了较准确地进行测量,应换到档;如果换档后立即用表笔连接待测电阻进行读数,那么缺少的步骤是 ,若补上该步骤后测量,表盘的示数如图,则该电阻的阻值是______;标答:×100;调零或重新调零;2.2×10 3或 2.2k解析:欧姆档“20~30” 每格2 ,可估读到0.2 ,读作〔22 +0×0.2 〕×倍率100=2.20 ×103 或2.20k ;可见,天津卷标答为“2.2×10 3或2.2k”表明天津对欧姆档估读有效数位记录也未作要求;例52006年重庆卷用已调零且选择旋钮指向欧姆挡“×10”位置的多用电表测某电阻阻值,根据题22图1所示的表盘,被测电阻阻值为Ω;若将该表选择旋钮置于1 mA挡测电流,表盘仍如题22图1所示,则被测电流为 mA;标答:220 Ω;0.40解析:欧姆档“20~30” 每格2 ,可估读到0.2 ,,读作〔22 +0×0.2 〕×倍率10=220 或2.20×102 ;1 mA电流档每格0.02 mA,采用“十分之一估读法”,估读到0.002 mA,所以读作0.4mA+0×0.002 mA=0.400 mA,显然,0.40mA是按“二分之一估读法”得出的;可见,重庆卷的要求跟广东卷一样,提高了对电流、电压表估读要求;。
高三总复习-----高考常用基本仪器读数一、刻度尺:读数规则:一般最小分度是1mm ,结果要估读到mm 后一位小数(cm 后2位小数) 应 用: 纸带点间距、水平及斜面的长度、两光电门之间的距离、单摆摆线长、电阻丝的长度、双缝到光屏的距离。
1-1:如图(甲)所示的物体A 的长度是_________cm=_________m ,如图(乙)所示的物体B 的长度是___________mm=___________m.注意:甲图的最小分度是多少呢?该如何保留小数点?起点没有从零刻度开始怎么办呢?二、游标卡尺:功 能:测外径,内径,深度读数规则:一共有3个规格------10分度,20分度,50分度(数游标刻度上的总格数,不能只看数字)结果=对齐格数总格数主尺刻度整数⨯+mmmm 11.主尺刻度通常是先读出mm ***.,再转化为mm ***,不能跳跃2.主尺刻度要从游标刻度的0刻线读取,不能按游标刻度边框读..........3.对齐格数不能估读,只能读整数格对齐,对齐格数从下面的游标0分度数起4.结果的小数点一定与游标尺的最小分度小数点一致,不能多一位也不能少一位10分度的----0.1mm(1位) 20分度的-----0.05mm (2位) 50分度的----0.02mm (2位) 应 用:单摆小球的直径,金属丝的直径,条纹间距的宽度2-1:游标卡尺的游标有10个等分刻度,当左、右测脚合拢时,游标尺在主尺上的位置如图(甲),当用此尺测某工件时,游标尺在主尺上的位置如图(乙)所示,则工件的实际长度是( ) A.9.9 mm B.10.8 mm C.11.4 mm D.12.6 mm想一想:起始刻度不在零刻线怎么办?2-2:下面各图均是用游标卡尺测量时的刻度图,甲、乙为20分度游标尺,丙、丁为50分度游标尺,它们的读数分别为:甲_______cm ,乙________cm ,丙________cm ,丁________mm.三、螺旋测微器:功 能:测直径读数规则:全世界的螺旋测微器都一模一样,只有一个规格0.05mm 结果=X mmmm ⋅⨯+对齐格数)(主尺整数或半整数01.0505.0 1.主尺刻度标有数字的是整数mm 刻度,没有标数字的是半mm 刻度2.主尺是半整数刻度时,前后部分相加一定要注意小数点对齐,不要加错位3.螺旋刻度要估读一位,结果的小数点一定是mm 后3位小数,故螺旋测微器又叫千分尺(千分位)应 用:单摆小球的直径,金属丝的直径,条纹间距的宽度3-1:用螺旋测微器测圆柱体的直径时,示数如图所示,此示数为______________mm.3-2:读出下面各螺旋测微器的读数.甲____________mm ,乙____________mm ,丙_____________mm.四、秒表读数规则:结果=小表盘(一小格是整数分钟或半整数)分钟+大表盘(一圈为30秒)秒结果位数与大表盘最小刻度相同,不能估读....应用:测单摆运动总时间4-1:读出机械秒表的读数1. 2.五、电流表和电压表:读数规则:对于刻度均匀的基础电流表、电压表、多用电表直流电压电流档,读数方法都是一样的:1.确定量程,求出最小分度值2.确定结果小数点的位数:最小分度值是“1”的,结果要估读至最小分度值的下一位最小分度值是“2”或“5”的,结果则是本位估读,不能多位也不能少位3.数格读数,并带好单位,注意单位转换。
实验专题:高中物理实验仪器的读数方法一、按照仪器的读数过程是否需要估读可分为两大类:(1)、不需要估读的仪器:①游标卡尺、②秒表、③电阻箱。
(2)、需要估读的仪器:①刻度尺、②弹簧秤、③温度计、④天平、⑤螺旋测微器、⑥电流表、⑦电压表、⑧多用电表等。
1、不需要估读的仪器①游标卡尺游标卡尺是一种测量长度的一起,常用的游标卡尺有10分度、20分度和50分度三种,这三种游标卡尺的精确度分别为0.1mm、0.05mm和0.02mm。
读数方法为:测量值=主尺的读数+(游标尺与主尺对齐的刻度线格子数×精确度),故用游标卡尺测量长度是不要估读。
②秒表因为机械表采用的齿轮传动,每0.1s指针跳跃1次,指针不可能停在两小格之间,所以不能估度读出比最小刻度更短的时间。
故对秒表读数时不用估读。
③电阻箱因为电阻箱的特殊结构,我们在进行电阻调节时是按照电阻箱上各档的倍率进行电阻的调节的,所以电阻箱的电阻是不能连续调节的,因此读数时也不需要估读。
二、需要估读的仪器一.读数常规:1.读数的基本原则是:十分之一估读法:凡最小分度值是以“1”为单位的,有效数字的末位都在精度的下一位,即需要估读,若无估读,则在精度的下一位补“0”;二、需要估读的仪器①刻度尺、②螺旋测微器原理:螺旋测微器(又叫千分尺)是比游标卡尺更精密的测长度的工具。
用它测长度可以准确到0.01毫米。
这是因为测微螺杆前进或后退0.5毫米,可动刻度正好转一周,而一周分成50等分,每一等分表示0.01毫米,所以能精确到0.01毫米,但要估读到毫米的千分位。
螺旋测微器读数时先读固定刻度露出的部分,这部分与一般刻度尺差不多,但多了个半毫米的刻度,再读可动的螺旋部分的刻度,要估读一位,并乘上0.01mm,二者相加就行。
读数公式:测量值=固定刻度示数+固定刻度的中心水平线与可动刻度对齐的位置的示数×0.01mm [经验之谈]1)看半刻度是否漏出,固定刻度上的刻度值是以mm为单位;可动刻度要估读,小数点后应保留三位有效数字。
高中物理仪表读数一、读数记录时要注意“有效数字”有效数字是运用在对结果的精确度表达的一种方式,如果给你一个数(如:0.0210),要确定有效数字是:从左边第一个不是零的数字起到最后一个数位止,所有的数字都是有效数字。
有几个就是几个有效数字(如:“0.0213”就是三位有效数字),但结果真正有意义的只到倒数第二位,最后一位有效数是估计值。
例1:用最小刻度值为0.1cm (即:1mm )的刻度尺测量一木板的长度,如图1所示,因为该刻度尺精度0.1cm (即:1mm ),若以cm 为单位,则可以估读到小数点后第2位,小数点后两位数字都是有效数字,右图1木板的长度应记为 1.83 cm,其中0.03cm 是估读的。
例2:同样的刻度尺测量下面的木板的长度,如图2所示,如果认为刚好到2这个刻度值,则木板的长度应记为 2.00 cm,二、测量仪器的读数规则测量误差出现在哪一位,读数就相应读到哪一位,在中学阶段一般根据测量仪器的最小分度来确定读数误差出现的位置,对于常用的仪器可按下述方法读数: ①最小分度是“1”的仪器,测量误差出现在下一位,下一位按十分之一估读.最小分度是0.1厘米的刻度尺(如:三角板),读到小数点后第2位,小数点后两位数字都是有效数字。
最小分度是0.1A 的电流表(量程为3A ),读到小数点后第2位,小数点后两位数字都是有效数字。
最小分度为0.1V 的电压表(量程为3V ),读到小数点后第2位,小数点后两位数字都是有效数字。
②最小分度是“2”或“5”的仪器,测量误差出现在同一位上,同一位分别按二分之一或五分之一估读.最小分度是0.02A 的电流表(量程为0.6A ),读到小数点后第2位,小数点后两位数字都是有效数字。
最小分度为0.5V 的电压表(量程为15V ),读到小数点后第1位,小数点后只有一位数字是有效数字。
图2图1三、实例讲析一般来说:在中学物理中,仪表的读数问题有以下三种情况,有的仪表的读数记录是需要估读的,读数按以上所讲的规则进行记录。
(word完整版)高中物理实验器材的读数要求高中物理实验是学生探索和学习物理知识的重要方式之一。
在实验中,器材的读数要求是十分重要的,它直接影响到实验结果的准确性和可靠性。
下面我将介绍一些常见的高中物理实验器材的读数要求。
1. 螺旋测微器:在使用螺旋测微器时,我们需要仔细观察刻度盘上指针的位置。
要求读取最小刻度线与指针之间的线段的长度,并记录下来。
刻度盘上的刻度代表着长度或角度的变化,通过读取刻度盘上指针的位置,我们可以得到实验所需的数据。
2. 量角器:使用量角器进行角度测量时,我们需要将量角器的两条臂分别放置在角的两边。
要求读取角度的大小,并记录下来。
角度的读数可以是度数或者弧度数,根据实验需求来确定。
3. 数显千分尺:数显千分尺是一种精密测量长度的装置。
在进行实验时,我们需要读取数显千分尺上显示的长度值。
要求准确读取数显千分尺上的数字,并记录下来。
为了提高准确性,通常需要多次读取并取平均值。
4. 秤:在实验中使用秤进行质量的测量时,我们需要读取秤上指示的质量值。
要求准确读取秤上的数据,并记录下来。
为了提高准确性,通常需要将物体稳定放在秤上一段时间,等到示数稳定后再进行读数。
5. 电子天平:电子天平是一种高精度测量质量的仪器。
在进行实验时,我们需要读取电子天平上显示的质量值。
要求准确读取电子天平上的数据,并记录下来。
为了提高准确性,通常需要进行扣除皮重或进行零点校准。
6. 电流表:使用电流表测量电流时,我们需要将电流表与电路相连,并准确读取电流表上的数据。
要求准确读取电流表上的数值,并记录下来。
为了提高准确性,通常需要注意电流表的量程选择和电路的接线是否正确。
7. 电压表:使用电压表测量电压时,我们需要将电压表与电路相连,并准确读取电压表上的数据。
要求准确读取电压表上的数值,并记录下来。
为了提高准确性,通常需要注意电压表的量程选择和电路的接线是否正确。
8. 温度计:使用温度计测量温度时,我们需要将温度计插入待测物体中,并准确读取温度计上的温度值。
高中物理所有实验仪器读书方法(标准读法)————————————————————————————————作者:————————————————————————————————日期:实验专题:高中物理实验仪器的读数方法一、按照仪器的读数过程是否需要估读可分为两大类:(1)、不需要估读的仪器:①游标卡尺、②秒表、③电阻箱。
(2)、需要估读的仪器:①刻度尺、②弹簧秤、③温度计、④天平、⑤螺旋测微器、⑥电流表、⑦电压表、⑧多用电表等。
1、不需要估读的仪器①游标卡尺游标卡尺是一种测量长度的一起,常用的游标卡尺有10分度、20分度和50分度三种,这三种游标卡尺的精确度分别为0.1mm、0.05mm和0.02mm。
读数方法为:测量值=主尺的读数+(游标尺与主尺对齐的刻度线格子数×精确度),故用游标卡尺测量长度是不要估读。
②秒表因为机械表采用的齿轮传动,每0.1s指针跳跃1次,指针不可能停在两小格之间,所以不能估度读出比最小刻度更短的时间。
故对秒表读数时不用估读。
③电阻箱因为电阻箱的特殊结构,我们在进行电阻调节时是按照电阻箱上各档的倍率进行电阻的调节的,所以电阻箱的电阻是不能连续调节的,因此读数时也不需要估读。
二、需要估读的仪器一.读数常规:1.读数的基本原则是:十分之一估读法:凡最小分度值是以“1”为单位的,有效数字的末位都在精度的下一位,即需要估读,若无估读,则在精度的下一位补“0”;二、需要估读的仪器①刻度尺、②螺旋测微器原理:螺旋测微器(又叫千分尺)是比游标卡尺更精密的测长度的工具。
用它测长度可以准确到0.01毫米。
这是因为测微螺杆前进或后退0.5毫米,可动刻度正好转一周,而一周分成50等分,每一等分表示0.01毫米,所以能精确到0.01毫米,但要估读到毫米的千分位。
螺旋测微器读数时先读固定刻度露出的部分,这部分与一般刻度尺差不多,但多了个半毫米的刻度,再读可动的螺旋部分的刻度,要估读一位,并乘上0.01mm,二者相加就行。
高中物理常见仪器读数方法研究摘要:高中物理教学中,测量物体内在和外在性质的仪器、仪表,对其进行正确的读数和记录,已经成为了当代素质教育的一种重要的素质训练,它对学生以后的学习、工作都产生重要的影响作用。
以下我将对高中物理教学中常见的几种仪器进行读数阐述。
小清新: 物理仪器读数研究估读总体上说,高中教学中所涉及到的物理仪器是相对简单的一类仪器。
一般来说,仪器显示表中,最小分度是显示它每次测量的绝对误差的大小,出现误差的位数,就是仪器对物体测量出来的数据。
所以,在进行实际测量时,一般可根据测量仪器的最小分度来确定读数。
一、高中常见的几类仪器高中物理学中所涉及到的仪器大致可以分为三类:一类是不需要读出数字的仪器:滑动变阻器、打点计时器、示波器。
另一类是需要明确读出数字:秒表、游标卡尺、电阻箱。
最后一类是,应该估计读数的仪器,它包括刻度尺、弹簧测力计、螺旋测微器、电流表、天平、电压表、多用电表、温度表等。
二、几种物理仪器估计读数的方法高中所涉及的几类物理仪器一般都有较为细密的刻度,对物体的测量无法保证在准确的刻度上,所以这就要求学生能够根据大致的刻度来进行有效地估读,以下就是两类需要仪器的读数方法。
1、但凡仪器上最小分度值是“1”的,除去部分不要求估计读数的一起外,其余必须估读到最小分度数的下一个位数。
比如,在对物体进行长度测量时,要求对毫米刻度尺最小分度值1毫米以下的位数进行标注,即应估读到毫米的下一位。
在用刻度尺进行实物测量时,把厚度为20毫米的笔记本读为20毫米就是错误的,而应该读作20.0毫米。
2、仪器上标明,最小分度值不是“1”。
对于这一类仪器没有统一的估读标准。
例如,实验课上学生用双量程电流表测试,在使用0~0.6A的计量挡时,其最小分度值为0.02A;学生在使用双量程电压表时0~15V的电压挡,最小分度值为0.5V,这些最小标准挡都不是“1”。
对此,虽然目前还没有统一的意见,但经过我多年的教学经验在综合各种资料,大致可归纳为以下三种:一种是按照最小分度值的下一位估读;另一种是按照最小分度值的倒数,估读到最小分度值的同一位;再一种就是按照传统的计数方法,四舍五入到所需位数,及未达到“5”时省去后位数,达到时前位数加以。
高中物理实验仪器的读数作者:郑志文来源:《中学教学参考·中旬》 2013年第1期浙江省遂昌中学(323300)郑志文全国各地每年的高考中都有仪器读数的内容。
但由于高中物理实验仪器种类繁多,学生对仪器的读数没有形成一个系统的方法,因此常在此失分。
笔者将高中物理实验仪器读数的规律归纳如下:高考要求学生会正确读数的实验仪器有刻度尺、游标卡尺、螺旋测微器、弹簧秤、电流表、电压表、多用电表、变阻箱、秒表、天平等。
按是否需要估读,可分为不估读类和要估读类两大类。
一、不估读类由于其特定的结构特点,游标卡尺、秒表、变阻箱、多用电表的欧姆挡四种实验仪器的读数不需要估读。
1.游标卡尺游标卡尺的读数部分由主尺(最小分度为1mm)和游标尺两部分组成。
按照游标的精度不同可分为三种:(1)10分度游标,其精度为0.1mm;(2)20分度游标,其精度为0.05mm;(3)50分度游标,精度为0.02mm。
游标卡尺的读数方法是:以游标零刻度线为准在主尺上读出整毫米数L1,再看游标尺上第n条刻度线与主尺上某刻度线对齐,则总的读数为:L1+n×精度,因此不存在估读。
如图1中游标卡尺的读数为:29mm+8×0.1mm=29.8mm。
2.秒表机械秒表的长针是秒针,转一周是30s。
因为机械秒表采用的是齿轮传动,因此指针不是连续的转动,而是在跳动,它不可能停在两小格之间,所以不能读出比0.1s更短的时间,因此不估读。
位于秒表上部中间的小圆圈里面的短针是分针,分针走一周是15min,每小格为0.5min。
秒表的读数方法是:短针读数(t1)+长针读数(t2)。
如图2中秒表的读数为:1×30s+45×0.1s=34.5s。
3.电阻箱电阻箱是按照各个数量级上指针的对应数值读数的,指针必须指向某一个确定的数值,不能在两个数值之间,因此电阻箱测量结果的各位读数都是从电阻箱上指针所指位置直接读出的,因此不估读。
一、电表读数1、量程为0.6A的电流表:最小分格为0.02A,指针偏转不够一个分格的部分用半格估读法(二分之一估读法),最终读数保留位数与最小分格一致,则到百分位。
下图读数为(0.14+0.01)A=0.15A二分之一估读法:最小分度0.2为2的倍数,采用二分之一估读法(又称靠读法,靠近那里读那里),以上图为例说明:整格刻度读数为0.14,估读部分可以看到指针只在下一格的中央位置附近,估读认为占了一格的二分之一,所以估读读数为0.02乘以二分之一就是0.01,因此最终的读数就是0.14+0.01=0.15A。
如果指针靠近0.14(则0.14+0.02*0/2),那么读数就为0.14A,如果靠近0.16读数就为0.16A(则0.14+0.02*2/2)。
2、量程为3A的电流表:最小分度为0.1是10的倍数,采用十分之一估读法,读法与刻度尺读法相同,则需要估读到最小刻度的下一位。
如下图读数为:0.74A。
3、量程为3V的电压表:读法与刻度尺读法相同,估读到最小分度的下一位(十分之一估读法)。
下图读数为:2.38V4、量程为15V的电压表:最小分格为0.5V,指针偏转不够一个分格的部分用1/5格估读法,最终读数保留位数与最小分格一致。
如下图,电压表读数为11.7V.五分之一估读法:最小分度0.5为5的倍数,采用五分之一估读法,以上图为例说明:整格刻度读数为11.5V,估读部分可以看到指针估读占了下一格的五分之二,所以估读读数为0.5乘以五分之二就是0.2,因此最终的读数是11.5+0.2=11.7V。
简单来说,就是先读整数格,不足一格的就估算占了一格的五分之几,再用最小分度值乘以这个五分之几。
二、刻度尺读数(这里以毫米刻度尺为例)毫米刻度尺采用十分之一估读法,则需要估读到最小刻度的下一位。
下图物体长度:L=9.80 – 6.00=3.80 cm三、弹簧秤读数练习1:最小分度为0.2,用二分之一估读法,读数为3.0N练习2:最小分度为0.1,用十分之一估读法,读数为3.00N四、螺旋测微器1、结构2、读数原理3、练习五、游标卡尺1、读数原理2、读数练习。
高中物理实验是学习物理知识的重要途径之一,但是很多学生在进行实验的时候往往会遇到一些读数上的困惑。
实验仪器读数准确与否决定了实验数据的可信度,我们必须掌握物理实验仪器的读数方法,才能更好地完成实验,理解物理知识。
本文将从量纲分析的角度出发,教大家如何正确地读数,解决读数的问题。
一、量纲和单位要正确地进行物理实验的读数,需要掌握量纲和单位。
量纲是指描述一个物理量的性质的指标,在国际单位制(SI系统)中,有七种基本量纲:长度(m)、质量(kg)、时间(s)、电流(A)、热力学温度(K)、物质量(mol)和发光强度(cd)。
所有其他物理量都可以用基本量纲的组合来表达。
单位是表示测量某个物理量的标准值,它由数字和单位名称组成。
例如,长度的单位是米(m)、质量的单位是千克(kg)、时间的单位是秒(s)等。
正确选择和使用单位是确保实验读数正确的前提。
二、常见物理实验仪器的读数方法1.温度计温度计是一种测量温度的仪器。
在使用温度计时,需要将温度计插入被测液体中,观察温度计上的刻度读数。
温度计的刻度分布有摄氏度(℃)、华氏度(℉)和开尔文度(K)三种,一般以摄氏度为主要的温度单位。
对于温度计的读数,我们需要看到每个刻度线代表的温度值是多少。
例如,在摄氏度下,温度计每格表示1℃,当温度计的水银柱距离零度线的距离为3.5格时,温度为3.5×1℃=3.5℃。
在读数时,还需要注意温度计的零点偏移。
一般来说,常用的温度计其零度是在百分之零摄氏度下,但并不是所有的温度计零度都是相同的,在读数前必须确保温度计的零点正确。
2.称量器称量器是广泛采用的常用工具,用于测量物体的质量。
称量器的度量单位是克(g)、千克(kg)等。
读数时,先将盘调平,把物体放在盘上,看盘上的指针指向数字的位置,就是物体的质量。
在使用称量器时,需要注意其灵敏度。
称量器有不同的量程和分辨率。
量程指环形盘所代表的质量范围,分辨率则是可以区分出的最小质量。
高中物理实验器材的读数要求在高中物理电学实验中,测量时要按照有效数字的规则来读数。
而测量仪器的读数规则为:测量误差出现在哪一位,读数就相应读到哪一位,在中学阶段一般可根据测量仪器的最小分度来确定读数误差出现的位置,具体如下:一、最小分度是“1”的仪器,测量误差出现在下一位,下一位按十分之一估读。
如量程为3 V和3 A的电压表和电流表,其最小分度为0.1 V和0.1 A, 读数要估读到最小分度的十分之一。
二、最小分度是“2”或“5”的仪器,测量误差出现在同一位上,采用半格估读法(即同一位分别按二分之一或五分之一估读)。
分度值是2个单位(1/5=0.2)的有:0~0.6A的电流表(分度值0.02A),测量结果只能准确2个单位,在最小分度值的同数位而比其小的“0、1”要估读,即不准确数字出现在分度值的同一数位上,亦即测量结果的未位与最小分度同位,只能采用二分之一估读法,估读数字只有0、1,比如分度值为0.02A的电流表,读数0.05A就是由准确数字0.04和估读数字0.01组成的。
分度值是5个单位(1/2=0.5)的如量程为15 V的电压表,其最小分度为0.5 V, 测量结果只能准确到5个单位,在分度值的同数位而比其小的“1、2、3、4、”要估读,即不准确数字出现在分度值的同一数位上,亦即测量结果的未位与最小分度同位,只能采用五分之一估读法,估读数字为0、1、2、3、4。
例测定额定电压3.8V小灯泡的额定功率的实验,用实验室用的“0~3V,0~15V”电压表是不能准确地测量出额定电压3.8V的,因为0~15V电压表分度值是0.5V。
读数3.8V只能包含精确数字3.5加上估读数字0.3组成。
【归纳】:1.最小分度为1的,估读到下一位。
2.最小分度为2或5的,估读到本位。
【例题】:如图1-57甲、乙两图为常用的电流表和电压表的刻度盘,在甲图中如果接入电路的“+”和“-0.6”两个接线柱,则表的示数为_____,如果接入电路的是“+”和“-3”两个接线柱,则表的示数为_____。
实验专题:高中物理实验仪器的读数方法
一、按照仪器的读数过程是否需要估读可分为两大类:
(1)、不需要估读的仪器:①游标卡尺、②秒表、③电阻箱。
(2)、需要估读的仪器:①刻度尺、②弹簧秤、③温度计、④天平、
⑤螺旋测微器、⑥电流表、⑦电压表、⑧多用电表等。
1、不需要估读的仪器
①游标卡尺
游标卡尺是一种测量长度的一起,常用的游标卡尺有10分度、20分度和50分度三种,这三种游标卡尺的精确度分别为0.1mm、0.05mm和0.02mm。
读数方法为:测量值=主尺的读数+(游标尺与主尺对齐的刻度线格子数×精确度),故用游标卡尺测量长度是不要估读。
②秒表
因为机械表采用的齿轮传动,每0.1s指针跳跃1次,指针不可能停在两小格之间,所以不能估度读出比最小刻度更短的时间。
故对秒表读数时不用估读。
③电阻箱
因为电阻箱的特殊结构,我们在进行电阻调节时是按照电阻箱上各档的倍率进行电阻的调节的,所以电阻箱的电阻是不能连续调节的,因此读数时也不需要估读。
二、需要估读的仪器
一.读数常规:
1.读数的基本原则是:
十分之一估读法:凡最小分度值是以“1”为单位的,有效数字的末位都在精度的下一位,即需要估读,若无估读,则在精度的下一位补“0”;
二、需要估读的仪器
①刻度尺、
②螺旋测微器
原理:螺旋测微器(又叫千分尺)是比游标卡尺更精密的测长度的工具。
用它测长度可以准确到0.01毫米。
这是因为测微螺杆前进或后退0.5毫米,可动刻度正好转一周,而一周分成50等分,每一等分表示0.01毫米,所以能精确到0.01毫米,但要估读到毫米的千分位。
螺旋测微器读数时先读固定刻度露出的部分,这部分与一般刻度尺差不多,但多了个半毫米的刻度,再读可动的螺旋部分的刻度,要估读一位,并乘上0.01mm,二者相加就行。
读数公式:
测量值=固定刻度示数+固定刻度的中心水平线与可动刻度对齐的位置的示数×0.01mm
[经验之谈]1)看半刻度是否漏出,固定刻度上的刻度值是以mm为单位;
可动刻度要估读,小数点后应保留三位有效数字。
③电流表电压表的读数原则:(1)凡最小分度值是以“1”为单位的.有效数字的末位都在精度的下一位,即需要估读,若无估读,则在精度的下一位补“0”(2)凡最小分度值是2或5个单位的,有效数字的末位就是精度的同一位(含估读数),若无估读不需补“0”。
若用0~0.6A量程,其精度为0.02A,说明测量时只能准确到0.02A,不可能准确到0.01A,因此误差出现在安培的百分位(0.01A),读数只能读到安培的百分位,以估读最小分度半小格为宜,将最小分度分为二等分,把不足半等分的舍去,等于或超过半等分的算一个等分。
当电压表在15V档位,表盘的最小分度值为0.5V/格,虽能准确读到0.5V,但误差仍出现在最小分度值的同一数位上,即伏特的十分位。
其估读法则是:将最小分度分为五等分仍按不足半等分舍去,等于或超过半等分算一个等分。
④多用电表的读数方法可根据具体的情况结合以上三种读数方法进行读数。
当指针位置如图9中灰三角箭头所示,则测量的是直流电流,量程为10mA,由于表盘最小分度值不是一个单位,在读出3.2以后,不应该再向下估读,所以测量结果为3.2mA 当指针位置如图9中白三角箭头所示,测量的是直流电压,量程为50V,由于表盘最小分度值是一个单位,在读出16V后,还应该估读下一位,所以测量结果为16.0V 当指针位置如图9中黑三角箭头所示,测量的是电阻,倍率为×100,按表盘最上方的刻度可知,表盘最小分度值不是一个单位读数,在读出34以后,不应该再向下估读,所以测量结果为34×100Ω=3.4×103Ω
图9 + —
【图】高中物理实验仪器的读数方法。