建筑隔震支座系列参数2011-1-1
- 格式:xls
- 大小:36.50 KB
- 文档页数:83
建筑隔震橡胶支座的介绍橡胶材料具有优异的阻尼特性,在工程技术和尖端科学中早已用其作减震制品。
根据“基础隔震”概念研发出来的隔震橡胶支座,使传统的、被动的“以刚克刚”的抗震方法,转变为主动的、积极的“以柔克刚”的隔震方法。
目前采用橡胶支座是世界上研究和应用最多、技术成熟并有成效显著实例的隔震技术。
1 隔震橡胶支座的种类、型号、规格橡胶支座是由薄钢板和薄橡胶板交替叠合,经高温、高压硫化而成。
1.1 种类隔震部件分为隔震支座(隔震器)和阻尼器两大类,前者稳定地支承建筑物自重和荷载,后者在地震时能抑制较大的变形,地震结束后起到迅速中止晃动的作用[1]。
橡胶支座目前尚未有统一的分类标准。
按截面形状分有方形(含正方形及长方形)和圆形两大类(见图1、图2)[2、3]。
由于圆形橡胶支座具有各向同性的优点,是目前应用的主要形式。
图1、方形橡胶支座剖面图2、圆形橡胶支座剖面根据对橡胶支座阻尼比要求不同,目前国内外的橡胶支座分为下列四种:(1)标准叠层橡胶支座(MRB )普通叠层橡胶支座是用天然橡胶或氯丁橡胶制造的,通常把用天然橡胶制造的普通叠层橡胶支座又称为天然橡胶叠层橡胶支座或标准叠层橡胶支座[1、4](见图3)。
这种支座具有高弹性,在水平方向上起弹簧作用,但阻尼性能较低,一般不单独使用。
为了满足隔震结构体系对阻尼值的要求,通常与外加阻尼器(消能装量)一起并用[2、4]。
图3、标准叠层橡胶支座结构示意图 图4、铅芯叠层橡胶支座结构示意图(2)铅芯叠层橡胶支座(LRB )在普通叠层橡胶支座中心嵌入铅棒而成(见图4)。
铅棒单独使用不容易吸收能量,而利用周围叠层橡胶的约束力和铅棒的屈服应力较低的特点,使橡胶支座在受力终止时具有可恢复特性,提高其吸能效果及确保有适度阻尼,而且铅芯增加了橡胶支座的早期水平刚度,对控制风反应和抵抗地基微震动有利。
铅棒的直径应根据设计的阻尼值要求,通过计算确定[2],其阻尼比一般可达20~30%,可以单独在隔震系统中使用[2、4]。
建筑隔震橡胶支座质量要求和检验标准概述及解释说明1. 引言1.1 概述建筑隔震橡胶支座作为一种重要的结构材料,在建筑工程中扮演着关键的角色。
它们被广泛应用于各类桥梁、高层建筑和工业设施等结构中,用于降低地震和振动对建筑物的影响,提供良好的抗震性能。
本文旨在综述建筑隔震橡胶支座质量要求和检验标准,以帮助人们更好地了解这一材料并确保其安全可靠使用。
1.2 文章结构本文共分为五个部分。
首先是引言部分,简要介绍文章的背景和目的。
接下来,在第二部分我们将详细介绍建筑隔震橡胶支座的质量要求和检验标准。
第三部分将解释说明建筑隔震橡胶支座的定义、作用以及类型与分类。
在第四部分,我们将讨论检验建筑隔震橡胶支座质量的方法和步骤包括外观检查、力学性能检测以及化学性能检测等。
最后,在结论部分,我们将总结全文的内容,并提出一些相关建议。
1.3 目的本文的目的是为读者提供关于建筑隔震橡胶支座质量要求和检验标准的详细了解。
通过该文章,读者将可以掌握建筑隔震橡胶支座的基本知识,了解其在建筑工程中所起到的作用,并且能够学习如何对这一材料进行质量检验和评估。
希望本文能够帮助相关从业人员更好地应用和管理建筑隔震橡胶支座,确保其符合相应的质量标准。
2. 建筑隔震橡胶支座质量要求和检验标准:建筑隔震橡胶支座是一种用于减震和抗震的重要构件,为确保其正常运行和安全性能,有必要制定相应的质量要求和检验标准。
本节将介绍建筑隔震橡胶支座的质量要求以及检验标准。
2.1 质量要求:建筑隔震橡胶支座的质量要求可从以下几个方面考虑:1. 材料质量:建筑隔震橡胶支座所使用的橡胶材料应具备良好的弹性、耐久性和化学稳定性。
其材料应符合相关国家或行业标准,并通过必要的试验评估其物理力学性能、化学成分等指标。
2. 结构设计:建筑隔震橡胶支座在设计时应满足相应载荷下的强度与刚度需求,且形状尺寸合理。
其设计应考虑到受力情况、环境条件等因素,在充分发挥其隔震作用的同时,保证结构的稳定安全。
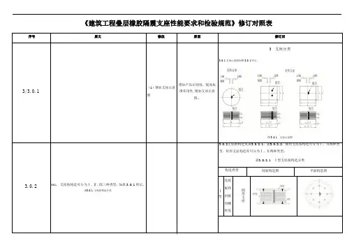
《建筑工程叠层橡胶隔震支座性能要求和检验规范》修订对照表序号原文修改原因修订后3/3.0.1 (1)增加支座示意图增加产品识别度,提高标准实用性,增加支座示意图。
3 支座分类3.0.1支座示意图如图3.0.1所示。
图3.0.1 支座示意图3.0.2 3.0.1支座按构造可分为Ⅰ、Ⅱ、Ⅲ三种类型,如表3.0.1所示。
表3.0.1 支座按构造分类3.0.2支座的构造见表3.0.2.1、表3.0.2.2,圆形支座按构造可分为Ⅰ、Ⅱ两种类型,矩形支座构造亦可分为Ⅰ、Ⅱ两种类型。
表3.0.2.1 Ⅰ型支座按构造分类构造类型剖面构造图平面构造图Ⅰ型连接板和封板用螺栓连圆形支座Ⅰ型连接板和封板用螺栓连接。
封板与内部橡胶黏合,橡胶保护层在支座硫化前包裹连接板和封板用螺栓连接。
封板与内部橡胶黏合,橡胶保护层在支座硫化后包裹Ⅱ型连接板直接与内部橡胶黏合Ⅲ型支座与连接板用凹槽或暗销连接3.0.2 支座按材料可分为天然橡胶支座、铅芯橡胶支座、高阻尼橡胶支座三类。
(1)结合我省生产、使用实际情况支座按构造分类仅涉及Ⅰ型支座第1种橡胶保护层硫化前包裹型和Ⅱ型支座。
因此删除Ⅰ型支座第2种橡胶保护层硫化后包裹型和Ⅲ型支座。
(2)细化支座结构类型,增加支座平面构造图、剖面构造图。
我省工程实践、隔震支座生产均没有涉及橡胶保护层硫化后包裹型,也没Ⅲ型支座。
此外增加产品识别度,提高标准实用性分别增加Ⅰ型/Ⅱ型支座平面构造图、剖面构造图.接。
封板与内部橡胶黏合。
矩形支座单孔四孔表3.0.2.2 Ⅱ型支座按构造分类构造类型剖面构造图平面构造图Ⅱ型连接板与内部橡胶黏合。
圆形支座矩形支座单孔保护胶螺栓连接板封板四孔3.0.3 支座按材料可分为天然橡胶支座、铅芯橡胶支座、高阻尼橡胶支座三类。
4.1.1 支座所用橡胶可选用天然橡胶或合成橡胶。
天然橡胶优先选用一级烟片胶,也可选用一级标准胶,并应符合《天然生胶烟胶片、白绉胶片和浅色绉胶片》GB/T 8089的规定。
建筑隔震支座技术说明一、建筑隔震橡胶支座的优点及主要性能要求建筑隔震橡胶支座由多层橡胶和多层钢板交替叠置组合而成,对应不同建筑、桥梁的要求,隔震橡胶支座可以有不同的叠层结构、制造工艺和配方设计,以满足所需要的垂直钢度、侧向变形、阻尼、耐久性、倾覆提离等性能要求,并保证具有不少于60年的使用寿命。
建筑隔震橡胶支座一般分为普通型(无铅型GZP)和有铅型(GZY)两种(如图CJ-2)。
二、建筑隔震橡胶支座的优点建筑隔震橡胶支座不仅具有竖向承载力大、抗拉力大、弹性复位功能强、可万向位移、减震效果明显等性能优势,真正的做到小震不坏,中震不坏或轻度不坏,大震不丧失使用功能。
因此在设计中,对传统建筑的高度限制和安全距离等限制条件均可适当放宽,并可在楼层与楼层之间设置隔震装置,适应了高层建筑的减震需要。
建筑隔震橡胶支座除了本身的隔震力学性能满足抗震设计及使用要求外,还具备以下优点:一是建筑隔震橡胶支座耐久性好,抗低周期疲劳性能、抗热空气老化、抗臭氧老化、耐酸性、耐水性均较好,其寿命可达60~80年[1],期间的隔震力学性能不会发生明显变化,也就是说在60年之内不会影响使用,可见,与建筑物具有同等寿命。
二是具有足够的安全储备,水平变形250%不会影响使用,另外具有足够竖向承载力保证稳定的支撑建筑物,建筑隔震橡胶支座结构中的隔震层具有稳定的弹性复位功能。
三、隔震技术原理及主要力学性能1、建筑隔震橡胶支座,将上部建筑结构与下部地基结构隔离,由于建筑隔震橡胶支座中的隔震层刚度小,柔性强,当地震发生时隔震层将发挥“隔”的作用,代替上部结构承受地震强烈的位移动力,以此来隔离或耗散地震的能量,避免或减少地震能量向上部结构传输,此时,由于隔震层的作用,延长结构的周期并给予较大的阻尼,使上部建筑结构的反应相当于不隔震情况下的1/4~1/8,近似平动,从而“隔离”了地震的作用(如图CJ-1右)。
传统的建筑抗震技术主要特点是“抗”:上部建筑的基础与地基牢固的联结在一起,由于地震作用,引起上部建筑结构一起发生运动,此时上部结构就像电路上的放大器,对地面运动的作用力进行惯性放大作用(一般建筑物可放大2~5倍(如图CJ-1左),所以上部建筑结构要承受比地面还要大的地震作用破坏力,当建筑材料超过极限承载能力后,建筑物就会发生破坏、坍塌等地震灾害现象。
GPZ(KZ)型系列公路桥梁抗震盆式橡胶支座(DX单向,SX双向,GD固定)主要尺寸表GPZ(KZ)公路桥梁抗震盆式橡胶支座GPZ(KZ)系列抗震盆式橡胶支座是依据中华人民共和国交通行业标准《公路桥梁盆式橡胶支座》(标准号JT391-1999)及公路工程抗震设计规范(JTJ004-89),在盆式橡胶支座的基础上增加了消能和阻尼措施。
GPZ(KZ)系列抗震盆式橡胶支座包括固定支座和单向活动支座两种型式,和与之配套使用的还有双向活动支座。
支座规格按JT391-1999要求分为31级。
支座竖向设计承载力、支座转角、支座摩擦系数及位移均按标准要求设计。
仅固定支座各方向和单向活动支座非滑移方向的水平力由原支座设计承载力的10%提高至20%。
现在.国内外采取的是刚性抗震法和柔性减震法两种抗震方法,刚性抗震需增大结构(包括基础结构和抗震支座结构)尺寸,柔性减震的特点是:减震性能好而刚度较小,在较大地震波的情况下有被破坏的可能。
该系列支座采取了刚、柔结合等有效抗震措施,增大了支座的耗能能力,极大的改善了支座的抗震性能,因此地震发生时可提高桥梁的抗震能力,最大限度的限制了桥梁上下部结构之间的相对位移,减小了地震力的放大系数。
非地震时等同一般盆式橡胶支座使用。
由于GPZ(KZ)系列抗震盆式橡胶支座设计有固定支座和单向活动支座,两种型式支座配合使用比仅在桥梁固定墩上设置抗震支座对提高全桥结构的抗震能力是不言而喻的。
GPZ(KZ)盆式橡胶支座结构形式GPZ(KZ)GD(固定抗震盆式橡胶支座),主要由上座板、消能板、密封圈、橡胶板、底盆和阻尼胶圈等组成。
GPZ(KZ)DX(单向活动抗震盆式橡胶支座)还有中间钢板、四氟滑板、不锈钢滑板及侧向滑移装置等。
减震原理主要是当支座水平力大于支座设计竖向承载力的20%后,消能板开始滑移,起到第一道隔震效果;然后阻尼圈发挥第二道阻尼效果,支座起到抗震作用;当地震冲击波超过一定极限时,该系列的刚性抗震起到了第三道抗震效果。
施工图隔震设计专项说明(示例)一、隔震设计依据(1) 《建筑抗震设防分类标准》GB50223-2008 (2) 《建筑结构荷载规范》GB50009-2012(3) 《建筑结构可靠度设计统一标准》GB50068-2001 (4) 《建筑抗震设计规范》GB50011-2010(5) 《混凝土结构设计规范》GB50010-2010 (6) 《橡胶支座第3部分:建筑隔震橡胶支座》GB20688.3-2006(7) 《叠层橡胶支座隔震技术规程》DECS126 (8) 《建筑结构隔震构造详图》03SG610-(9)《钢结构设计规范》GB 50017-2003 (10)《砌体结构设计规范》GB50003-2011(11)乌鲁木齐市建委《关于加强乌鲁木齐市建筑工程应用减隔震技术质量安全管理工作的通知》(乌建发[2015]128号)(12)其它相关标准二、分析软件上部结构:PKPM-SATWE 软件隔震分析:ETABS/MIDAS GEN 软件,采用时程分析,地震波取七条,分别为:EL 、TAFE 、NOR 、WC 、RGB1 、RGB2 、RGB3。
三、结构概况及主要数据四、隔震支座性能参数简表(示例)(注:有阻尼器、抗风装置、抗拉装置时应补充相关内容。
)五、隔震构造说明及要求1、隔震支座与上、下部结构应有可靠的连接,连接件应能传递罕遇地震下支座的最大水平剪力和弯矩,连接板应进行相关计算(可由产品生产厂家完成和保证);上支墩底可不设置预埋件;支墩(或支柱)顶面预埋件厚度不宜小于10mm;为避免上支墩底、下支墩(或支柱)顶面由于竖向钢筋水平弯折造成无筋区并造成支座安装困难的弊端,其竖向钢筋可不必水平弯折,伸至底或顶面即可,当顶端有锚固需要时,可采用竖向钢筋端部设锚固件的作法;2、上部结构及隔震层部件与周边固定物应满足如下脱开要求:1)与水平方向固定物的脱开距离不小于隔震层在罕遇地震作用下最大位移的1.2倍,且不小于200mm;对两相邻隔震结构,其缝宽取最大水平位移绝对值之和,且不小于400mm;2)上部结构与下部结构之间应设置完全贯通的水平隔离缝,缝高可取20mm~50mm,并用柔性材料填充;3)应在设计、施工及使用全过程确保上部结构及隔震部件与周边固定物脱开。
中华人民共和国建筑工业行业标准JG 118-2000建筑隔震橡胶支座Rubber isolation bearings for buildings2000-05-10发布2000-12-01实施中华人民共和国建设部发布JG 118—2000前言建筑隔震橡胶支座是由多层橡胶和多层钢板或其他材料交替叠置结合而成的产品。
本标准是按照68/1 1.1—1993和06/1 1.3—1997标准化工作导则的规定编写,非等效采用日本JSSI标准。
本标准的附录八是标准的附录。
本标准由建设部标准定额研究所提出。
本标准由建设部建筑结构构件标准技术归口单位中国建筑标准设计研究所归口。
本标准负责起草单位:中国建筑科学研究院、汕头和泰隔震器材有限公司、华南建设学院西院、华中理工大学、北京橡胶工业研究设计院、北京震泰技术开发公司。
本标准主要起草人:周锡元、吴仕元、周福霖、唐家祥、苏经宇、曾德民、吕百齢、杨建中、刘文光、樊水荣、李良。
本标准委托中国建筑科学研究院负责解释。
中华人民共和国建筑工业行业标准建筑隔震橡胶支座JG 118—2000Rubber isolation bearings for buildings1范围本标准规定了建筑隔震橡胶支座的产品定义、分类、要求、试验方法、检验规则、标志、包装、运输和贮存。
本标准适用于工业与民用建筑所用的建筑隔震橡胶支座。
对构筑物、桥梁、铁路、设备等隔震减震所需的隔震橡胶支座也可参照使用。
2引用标准下列标准所包含的条文,通过在本标准中引用而构成为本标准的条文。
本标准出版时,所示版本均为有效。
所有标准都会被修订,使用本标准的各方应探讨使用下列标准最新版本的可能性。
GB/T 469—1995 铅锭GB/T 528—1998 硫化橡胶或热塑性橡胶拉伸应力应变性能的测定GB/T531—1992 硫化橡胶邵尔A硬度的试验方法GB/T 912—1989碳素结构钢和低合金结构钢热轧薄钢板及钢带GB/T 2941-1991 橡胶试样环境调节和试验的标准温度、湿度及时间GB/T 3512-1983 橡胶热空气老化试验方法GB/T 7759-1996 硫化橡胶、热塑性橡胶在常温、高温和低温下的变形测定GB/T 7760-1987 硫化橡胶和金属粘合的测定,单板法GB/T 7762-1987 硫化橡胶耐臭氧老化试验,静态拉伸试验法HG/T 2198-1991 硫化橡胶物理实验方法的一般要求3分类3.1定义本标准采用以下定义建筑隔震橡胶支座 rubber isolation bearings for buildings由多层橡胶和多层钢板或其他材料交替叠置结合而成的隔震设计工作寿命 design working life建筑隔震橡胶支座在正常使用和维护情况下所具有的不丧失有效使用功能的期限。
隔震设计报告姓名学号专业工程概况本次工程是某市政府综合办公楼,总建筑面积为1598 平方米。
其中基底面积为199.75 平方米。
本工程地上结构均为框架结构,层数是8 层。
结构体系是钢筋混凝土框架结构,沿建筑竖向楼、电梯间井筒。
楼屋盖均采用现浇钢筋混凝土楼板结构1. 本工程结构设计使用年限为50 年2. 建筑结构安全等级为二级3. 建筑结构抗震设防乙类4. 地基基础设计等级乙类5. 结构耐火等级二级本框架结构使用C30等级混凝土(梁、板、柱),使用钢筋分别为HRB400,HRB300 等。
工程地震设防烈度为7 级,抗震等级二级。
砌体材料使用MU10 实心灰砂浆,砂浆选用M7.5 混合砂浆,砌体自重不超过19kN/m3。
屋面防水等级二级,采用3厚SBS卷材防水一道,30厚聚苯板保温。
户内门采用木门、木隔断或玻璃隔断窗采用塑钢中空玻璃门窗。
建筑外墙为外墙面砖及涂料装饰。
隔震方案本次设计为简单起见,所有隔震支座均选择同一种型号。
选择粘弹性橡胶隔震器LRB350。
各项技术参数如下表有限元模型建立本次设计使用Etabs软件进行分析。
我们建立两个模型,第一个是不添加隔震支座时的框架模型,第二个是添加隔震支座的框架模型。
建立的模型分别如下图第二个模型是加入隔震支座。
加入方法如下,首先把视图改为里面,在定义选择栏中选择连接属性,选择isolatel,然后设置隔震器的一系列参数。
参数参考上表。
之后在立面图中选择底层柱,在指定栏中选择框架截面,把属性改NONE,同时再按指定栏,选择连接属性,选择isolatel,即可以把底层柱中加入隔震支座,加入后如图所示。
本次时程分析采用Etabs中自带的El Centro波进行分析。
让这条波作用在平面两个方向,即X向与Y向运行分析计算结构分析未添加隔震支座前的框架结构,在地震作用下,分析结果如下图所示18.25楼层数最丸楼层位移角楼层£| 0.0000404层间转角Story Item Load Point X Y Z DriftX DriftYST0RY8 Max Drift X DEAD 18 23500.000 1500.000 27600.000 0.000006ST0RY8 Max Drift Y DEAD 16 23500.000 10000.000 27600.000 0.000038 STORY8 Max Drift X WIND 57 20500.000 1500.000 27600.000 0.000000 STORY8 Max Drift Y WIND 57 20500.000 1500.000 27600.000 0.000000 STORY8 Max Drift X QUAKE 18 23500.000 1500.000 27600.000 0.000341 STORY8 Max Drift Y QUAKE 16 23500.000 10000.000 27600.000 0.000009 STORY7 Max Drift X DEAD 26 6000.000 0.000 24300.000 0.000002STORY7 Max Drift Y DEAD 18 23500.000 1500.000 24300.000 0.000041 STORY7 Max Drift X WIND 58 20500.000 0.000 24300.000 0.000000STORY7 Max Drift Y WIND 58 20500.000 0.000 24300.000 0.000000 STORY7 Max Drift X QUAKE 25 0.0000.000 24300.000 0.000552STORY7 Max Drift Y QUAKE 30 23500.000 0.000 24300.000 0.000014 STORY6 Max Drift X DEAD 29 17500.000 0.000 21000.000 0.000002STORY6 Max Drift Y DEAD 16 23500.000 10000.000 21000.000 0.000038 STORY6 Max Drift X WIND 58 20500.000 0.000 21000.000 0.000000STORY6 Max Drift Y WIND 58 20500.000 0.000 21000.000 0.000000STORY6 Max Drift X QUAKE 25 0.0000.000 21000.000 0.000738STORY6 Max Drift Y QUAKE 30 23500.000 0.000 21000.000 0.000020STORY5 Max Drift X DEAD 26 6000.000 0.000 17700.000 0.000002STORY5 Max Drift Y DEAD 18 23500.000 1500.000 17700.000 0.000034 STORY5 Max Drift X WIND 58 20500.000 0.000 17700.000 0.000000STORY5 Max Drift Y WIND 58 20500.000 0.000 17700.000 0.000000 STORY5 Max Drift X QUAKE 27 10500.000 0.000 17700.000 0.000893STORY5 Max Drift Y QUAKE 30 23500.000 0.000 17700.000 0.000025 STORY4 Max Drift X DEAD 30 23500.000 0.000 14400.000 0.000001STORY4 Max Drift Y DEAD 24 23500.000 11500.000 14400.000 0.000030STORY4 Max Drift X WIND 58 20500.000 0.000 14400.000 0.000000STORY4 Max Drift Y WIND 58 20500.000 0.000 14400.000 0.000000STORY4 Max Drift X QUAKE 25 0.0000.000 14400.000 0.001021STORY4 Max Drift Y QUAKE 16 23500.000 10000.000 14400.000 0.000032STORY3 Max Drift X DEAD 25 0.0000.000 11100.000 0.000001STORY3 Max Drift Y DEAD 30 23500.000 0.000 11100.000 0.000025STORY3 Max Drift X WIND 58 20500.000 0.000 11100.000 0.000000STORY3 Max Drift Y WIND 58 20500.000 0.000 11100.000 0.000000STORY3 Max Drift X QUAKE 27 10500.000 0.000 11100.000 0.001155STORY3 Max Drift Y QUAKE 40 23500.000 5000.000 11100.000 0.000055STORY2 Max Drift X DEAD 18 23500.000 1500.000 7800.000 0.000003STORY2 Max Drift Y DEAD 17 23500.000 6300.000 7800.000 0.000018STORY2 Max Drift X WIND 58 20500.000 0.000 7800.000 0.000000STORY2 Max Drift Y WIND 58 20500.000 0.000 7800.000 0.000000STORY2 Max Drift X QUAKE 30 23500.000 0.000 7800.000 0.001242STORY2 Max Drift Y QUAKE 18 23500.000 1500.000 7800.000 0.000058STORY1 Max Drift X DEAD 3 0.0001500.000 4500.000 0.000002STORY1 Max Drift Y DEAD 18 23500.000 1500.000 4500.000 0.000007STORY1 Max Drift X WIND 18 23500.000 1500.000 4500.000 0.000000STORY1 Max Drift Y WIND 18 23500.000 1500.000 4500.000 0.000000STORY1 Max Drift X QUAKE 6 6000.000 1500.000 4500.000 0.001230STORY1 Max Drift Y QUAKE 17 23500.000 6300.000 4500.000 0.000040ModePeriod UX UY UZ RX RY RZ ModalMass ModalStiff1 1.122644 -0.376807 -44.927791 0.000000 829415.9040 -6871.91642 -14100.16249 1.00000031.3238862 1.066698 -26.495020 1.584241 0.000000 -29562.37530 -483402.178 -304446.2346 1.00000034.6958133 1.037289 -36.810673 -0.680012 0.000000 12784.582924 -672021.485 218924.10814 1.00000036.6910404 0.363487 0.095446 15.140553 0.000000 68827.37683 -660.825640 4603.526416 1.000000298.8015610.000000 2573.352161 47270.80934 -102397.6224 1.0000000.345437 -7.228576 0.5575015330.8439326 0.337330 12.157995 0.212746 0.000000 984.415961 -76554.5800 -62331.9911 1.000000346.9353567 0.202437 -0.137423 -7.513523 0.000000 29553.193685 -601.060422 -3864.14501 1.000000963.3449938 0.196731 -4.615666 0.457710 0.000000 -1811.128977 -20179.56178 -48229.2216 1.0000001020.0344489 0.192295 -5.708385 -0.190628 0.000000 761.668500 -24885.45601 37729.40144 1.00000010 0.137408 -0.164591 -4.529079 0.000000 2090.917676 -11800.08064 526.423622 -3107.2660711.00000011 0.134892 -3.099110 0.391970 0.000000 1021.829285 10427.471385 -26172.27763 1.0000002169.62499312 0.131412 -3.067684 -0.153882 0.000000 -399.372216 10977.277586 25697.148836 1.0000001067.6421232286.056217 Story Load Loc STORY8 DEADSTORY8 DEAD STORY8 WIND STORY8 WIND STORY8 QUAKE STORY8 QUAKE STORY7 DEAD STORY7 DEAD STORY7 WIND STORY7 WIND STORY7 QUAKE STORY7 QUAKE STORY6 DEAD STORY6 DEAD STORY6 WIND STORY6WINDSTORY6 QUAKE STORY6 QUAKE STORY5 DEAD STORY5 DEAD STORY5 WIND STORY5 WIND STORY5 QUAKE STORY5 QUAKE STORY4 DEAD STORY4 DEAD STORY4 WIND STORY4 WIND STORY4 QUAKE STORY4 QUAKE STORY3 DEAD STORY3 DEADSTORY3 WIND STORY3 WIND层间剪力 Top VX VY MX MY1332045.00 Bottom Top 0.00 Bottom Top 0.00 Bottom0.00 1732995.00 0.00 0.000 7661661750 -1.565E+10 0.00 0.00 0.000 1.004E+10 -2.036E+10 0.00 0.00 0.0000.000 0.000 0.00 0.00 0.00 0.000 0.000 0.000-316442.64 0.00 1821455295.6 0.0000.000 0.00 -316442.64 0.00 1821455295.6 0.000 -1044260728Top 3389310.00 BottomTop 0.00 BottomTop 0.00 Bottom0.00 0.00 0.001 1.960E+10 -3.979E+103790260.000.00 0.00 0.001 2.198E+10 -4.450E+100.00 0.00 0.0000.000 0.000 0.00 0.00 0.00 0.000 0.000 0.000-559372.46 0.00 3215253195 0.000-10442607280.00 -559372.46 0.00 32152531950.000 -2890189835Top 5446575.00 BottomTop 0.00 BottomTop 0.00 Bottom0.00 0.00 0.001 3.154E+10 -6.393E+105847525.000.00 0.00 0.001 3.392E+10 -6.864E+100.00 0.00 0.0000.000 0.000 0.00 0.00 0.00 0.000 0.000 0.000-769311.80 0.00 4419769899 0.000-28901898350.00 -769311.80 0.00 44197698990.000 -5428918775Top 7503840.00 BottomTop 0.00 BottomTop 0.00 Bottom0.00 0.00 0.001 4.348E+10 -8.806E+107904790.000.00 0.00 0.001 4.586E+10 -9.277E+100.00 0.00 0.0000.000 0.000 0.00 0.00 0.00 0.000 0.000 0.000-946260.68 0.00 5435005406 0.000-54289187750.00 -946260.68 0.00 54350054060.000 -8551579003Top 9561105.00 BottomTop 0.00 BottomTop 0.00 Bottom0.00 0.00 0.001 5.542E+10 -1.122E+119962055.000.00 0.00 0.001 5.780E+10 -1.169E+110.00 0.00 0.0000.000 0.000 0.00 0.00 0.00 0.000 0.000 0.000-1090219.08 0.00 62609597170.000 -85515790030.00 -1090219.08 0.00 6260959717-0.001-1.215E+10Top 11618370.00 0.00 0.00 0.001 6.736E+10 -1.363E+11 Bottom12019320.00 0.000.00 0.001 6.974E+10 -1.410E+11Top 0.00 0.00 0.00 0.0000.000 0.000 Bottom 0.00 0.00 0.00 0.000 0.000 0.000ST0RY3 QUAKE Top 0.00 -1201187.02 0.00 6897632832 -0.001 - 1.215E+10ST0RY3 QUAKE Bottom 0.00 -1201187.02 0.00 6897632832 -0.001 -1.611E+10 STORY2 DEAD Top 13663485.00 0.00 0.00 0.002 7.928E+10 -1.603E+11STORY2 DEAD Bottom 14064435.00 0.00 0.00 0.002 8.166E+10 -1.650E+11STORY2 WIND Top 0.00 0.00 0.00 0.0000.000 0.000STORY2 WIND Bottom 0.00 0.00 0.00 0.000 0.000 0.000STORY2 QUAKE Top 0.00 -1278582.17 0.00 7344151265 -0.001 - 1.611E+10STORY2 QUAKE Bottom 0.00 -1278582.17 0.00 7344151265 -0.001 -2.033E+10 STORY1 DEAD Top 15720750.00 0.00 0.00 0.002 9.122E+10 -1.845E+11STORY1 DEAD Bottom 16267500.00 0.00 0.00 0.002 9.446E+10 -1.909E+11STORY1 WIND Top 0.00 0.00 0.00 0.0000.000 0.000STORY1 WIND Bottom 0.00 0.00 0.00 0.000 0.000 0.000STORY1 QUAKE Top 0.00 -1324671.38 0.00 7608801785 -0.001 - 2.033E+10STORY1 QUAKE Bottom 0.00 -1324671.38 0.00 7608801785 -0.002 -2.629E+10添加隔震支座下的分析结果如下出列问荷载的楼唇力/^应Story Item Load Point X Y Z DriftX DriftYSTORY8 Max Drift X DEAD 18 23500.000 1500.000 27600.000 0.000006 STORY8 Max Drift Y DEAD 16 23500.000 10000.000 27600.000 0.000043 STORY8 Max Drift X WIND 57 20500.000 1500.000 27600.000 0.000000 STORY8 Max Drift Y WIND 57 20500.000 1500.000 27600.000 0.000000 STORY8 Max Drift X QUAKE 18 23500.000 1500.000 27600.000 0.000237 STORY8 Max Drift Y QUAKE 16 23500.000 10000.000 27600.000 0.000006 STORY7 Max Drift X DEAD 26 6000.000 0.000 24300.000 0.000002STORY7 Max Drift Y DEAD 18 23500.000 1500.000 24300.000 0.000047 STORY7 Max Drift X WIND 58 20500.000 0.000 24300.000 0.000000STORY7 Max Drift Y WIND 58 20500.000 0.000 24300.000 0.000000 STORY7 Max Drift X QUAKE 25 0.0000.000 24300.000 0.000343STORY7 Max Drift Y QUAKE 17 23500.000 6300.000 24300.000 0.000009 STORY6 Max Drift X DEAD 29 17500.000 0.000 21000.000 0.000002STORY6 Max Drift Y DEAD 16 23500.000 10000.000 21000.000 0.000043 STORY6 Max Drift X WIND 58 20500.000 0.000 21000.000 0.000000STORY6 Max Drift Y WIND 58 20500.000 0.000 21000.000 0.000000 STORY6 Max Drift X QUAKE 25 0.0000.000 21000.000 0.000429STORY6 Max Drift Y QUAKE 30 23500.000 0.000 21000.000 0.000011 STORY5 Max Drift X DEAD 49 3000.000 0.000 17700.000 0.000002STORY5 Max Drift Y DEAD 18 23500.000 1500.000 17700.000 0.000040 STORY5 Max Drift X WIND 58 20500.000 0.000 17700.000 0.000000STORY5 Max Drift Y WIND 58 20500.000 0.000 17700.000 0.000000 STORY5 Max Drift X QUAKE 27 10500.000 0.000 17700.000 0.000499STORY5 Max Drift Y QUAKE 30 23500.000 0.000 17700.000 0.000013 STORY4 Max Drift X DEAD 30 23500.000 0.000 14400.000 0.000002STORY4 Max Drift Y DEAD 17 23500.000 6300.000 14400.000 0.000036 STORY4 Max Drift X WIND 58 20500.000 0.000 14400.000 0.000000STORY4 Max Drift Y WIND 58 20500.000 0.000 14400.000 0.000000 STORY4 Max Drift X QUAKE 25 0.0000.000 14400.000 0.000556STORY4 Max Drift Y QUAKE 16 23500.000 10000.000 14400.000 0.000017 STORY3 Max Drift X DEAD 3 0.0001500.000 11100.000 0.000003STORY3 Max Drift Y DEAD 30 23500.000 0.000 11100.000 0.000031 STORY3 Max Drift X WIND 58 20500.000 0.000 11100.000 0.000000STORY3 Max Drift Y WIND 58 20500.000 0.000 11100.000 0.000000 STORY3 Max Drift X QUAKE 27 10500.000 0.000 11100.000 0.000607STORY3 Max Drift Y QUAKE 30 23500.000 0.000 11100.000 0.000028 STORY2 Max Drift X DEAD 18 23500.000 1500.000 7800.000 0.000006 STORY2 Max Drift Y DEAD 17 23500.000 6300.000 7800.000 0.000023 STORY2 Max Drift X WIND 58 20500.000 0.000 7800.000 0.000000STORY2 Max Drift Y WIND 58 20500.000 0.000 7800.000 0.000000 STORY2 Max Drift X QUAKE 30 23500.000 0.000 7800.000 0.000554STORY2 Max Drift Y QUAKE 18 23500.000 1500.000 7800.000 0.000027 STORY1 Max Drift X DEAD 1 0.00010000.000 4500.000 0.000003STORY1 Max Drift Y DEAD 5 6000.000 6300.000 4500.000 0.000000STORY1 Max Drift X WIND 18 23500.000 1500.000 4500.000 0.000000 STORY1 Max Drift Y WIND 18 23500.000 1500.000 4500.0000.000000STORY1 Max Drift X QUAKE 6 6000.000 1500.000 4500.000 0.010352 STORY1 Max Drift YQUAKE20.0006300.000 4500.000 0.000325Bottom 0.00 0.00 0.00 0.000 0.000 0.000Top 0.00 -236053.47 0.00 1358732317.7 0.0000.000Bottom 0.00 -236053.47 0.00 1358732317.7 0.000 -778976461 0.00 0.00 0.001 1.960E+10 -3.979E+10Bottom 3790260.00 0.00 0.00 0.001 2.198E+10 -4.450E+10 Top 0.00 0.00 0.00 0.0000.000 0.000 Bottom 0.00 0.00 0.00 0.000 0.000 0.000Top 0.00 -346615.42 0.00 1993076077.9 0.000-778976461 Bottom 0.00 -346615.42 0.00 1993076077.9 0.000 -1922807348 Top 5446575.00 0.00 0.00 0.001 3.154E+10 -6.393E+10 Bottom 5847525.00 0.00 0.00 0.001 3.392E+10 -6.864E+10 Top 0.00 0.00 0.00 0.0000.000 0.000 Bottom 0.00 0.00 0.00 0.000 0.000 0.000Top 0.00 -442162.78 0.00 2541274389.1 0.000-1922807348 Bottom 0.00 -442162.78 0.00 2541274389.1 -0.001 -3381944530 Top 7503840.00 0.00 0.00 0.001 4.348E+10 -8.806E+10 Bottom 7904790.00 0.00 0.00 0.001 4.586E+10 -9.277E+10 Top 0.00 0.00 0.00 0.0000.000 0.000 Bottom 0.00 0.00 0.00 0.000 0.000 0.000Top 0.00 -522695.56 0.00 3003327251.1 -0.001 -3381944530 Bottom 0.00 -522695.56 0.00 3003327251.1 -0.001 -5106839874 0.00 0.00 0.002 5.542E+10 -1.122E+11 0.00 0.00 0.002 5.780E+10 -1.169E+11Top 0.00 0.00 0.00 0.0000.000 0.000 Bottom 0.00 0.00 0.00 0.000 0.000 0.000Top 0.00 -588213.75 0.00 3379234664 -0.001 -5106839874 Bottom 0.00 -588213.75 0.00 3379234664 -0.002 -7047945249 Top 11618370.00 0.00 0.00 0.002 6.736E+10 -1.363E+11 Bottom 12019320.00 0.00 0.00 0.002 6.974E+10 -1.410E+11 Top 0.00 0.00 0.00 0.0000.000 0.000 Bottom 0.00 0.00 0.00 0.000 0.000 0.000Top 0.00 -638717.36 0.00 3668996628 -0.002 -7047945249 Bottom 0.00 -638717.36 0.00 3668996628 -0.003 -9155712521 Top 13663485.00 0.00 0.00 0.002 7.928E+10 -1.603E+11Story Load Loc P STORY8 DEAD STORY8 DEAD STORY8 WIND STORY8 WIND STORY8 QUAKE STORY8 QUAKE STORY7 DEAD STORY7 DEAD STORY7 WIND STORY7 WIND STORY7 QUAKE STORY7 QUAKE STORY6 DEAD STORY6 DEAD STORY6 WIND STORY6 WIND STORY6 QUAKE STORY6 QUAKE STORY5 DEAD STORY5 DEAD STORY5 WIND STORY5 WIND STORY5 QUAKE STORY5 QUAKE STORY4 DEAD STORY4 DEAD STORY4 WIND STORY4 WIND STORY4 QUAKE STORY4 QUAKE STORY3 DEAD STORY3 DEAD STORY3 WIND STORY3 WIND STORY3 QUAKE STORY3 QUAKESTORY2 DEADVX VY T MX MYTop 1332045.00 0.00 0.00 0.000 7661661750-1.565E+10 Bottom1732995.00 0.00 0.00 0.000 1.004E+10-2.036E+10Top 0.00 0.00 0.00 0.0000.000 0.000Top 3389310.00Top 9561105.00 Bottom 9962055.00STORY2 DEAD Bottom 14064435.00 0.00 0.00 0.002 8.166E+10 - 1.650E+11 STORY2 WIND Top 0.00 0.00 0.00 0.0000.000 0.000STORY2 WIND Bottom 0.00 0.00 0.00 0.000 0.000 0.000STORY2 QUAKE Top 0.00 -673941.35 0.00 3872215603 -0.003 -9155712521STORY2 QUAKE Bottom 0.00 -673941.35 0.00 3872215603 -0.003 -1.138E+10 STORY1 DEAD Top 15720750.00 0.00 0.00 0.002 9.122E+10 -1.845E+11STORY1 DEAD Bottom 15720750.00 0.00 0.00 0.002 9.122E+10 - 1.845E+11 STORY1 WIND Top 0.00 0.00 0.00 0.0000.000 0.000STORY1 WIND Bottom 0.00 0.00 0.00 0.000 0.000 0.000STORY1 QUAKE Top 0.00 -693532.34 0.00 3984455142 -0.004 - 1.138E+10 STORY1 QUAKE Bottom 0.00 -693532.34 0.00 3984455142 -0.005 -1.450E+10计算结果分析从不加入隔震支座的结构分析可以看见,框架结构的位移曲线呈现了典型剪切型曲线特性,即底层的位移最大。
隔震支座初始位移-概述说明以及解释1.引言1.1 概述隔震支座是一种常用的结构支承系统,它被广泛应用于建筑、桥梁和设备等工程领域。
隔震支座的主要作用是减震和隔离地面的振动,以提高结构的抗震性能和减小对地震的响应。
隔震支座的设计原理是利用弹性材料的柔性特性,通过减小地震传导路径,将地震能量分散传递,从而减小地震对结构的影响。
隔震支座的初始位移是指在结构运行前,由于安装和调整等原因,隔震支座所产生的初始变形。
这种初始位移不仅与隔震支座的设计和制造有关,还与结构的质量、初始位置和调整精度等因素密切相关。
隔震支座的初始位移会对结构的稳定性、变形和振动特性等产生重要影响。
在隔震支座初始位移方面,存在着一些关键因素需要考虑。
首先,隔震系统的设计和调整要求精确,以确保隔震支座能够在安装后保持稳定的初始位置。
其次,隔震支座的初始位移需要与结构的初始位置相匹配,避免产生不良的相互作用。
此外,隔震支座的初始位移还应考虑结构的质量和初始状态,以克服可能存在的不平衡和变形问题。
对于隔震支座初始位移的认识是一项重要的研究课题。
通过深入分析和研究,我们可以更好地理解隔震支座在实际工程中的应用,并为工程设计和施工提供科学依据。
隔震支座初始位移的应用前景是广阔的,将会对结构的抗震性能和安全性带来重要的提升。
因此,进一步探索和研究隔震支座初始位移的影响因素和调整方法具有重要的理论和实践意义。
综上所述,本文将重点探讨隔震支座初始位移的概念、影响因素和调整方法。
通过系统的分析和实验验证,旨在提高对隔震支座初始位移的认识,为隔震支座的设计和应用提供科学有效的指导。
1.2 文章结构本文将按照以下结构来进行阐述隔震支座初始位移的相关内容。
首先,文章将从引言部分开始,概述本文的内容。
引言将包括对隔震支座的定义和作用进行简要介绍,以及对隔震支座初始位移的研究目的进行说明。
随后,将总结引言部分,为读者提供整篇文章的概括。
接着,文章将进入正文部分,详细探讨隔震支座的设计原理。