2010江苏定额解释(土建安装园林市政)
- 格式:doc
- 大小:81.50 KB
- 文档页数:25
2010江苏安装定额解释一1、铁路水电设备安装费如何计取?比如:SBR污水处理设备安装3m3/h ;太阳能明渠流量计安装;污水处理场调试;变频调速给水设备安装Q=144m3/h;二氧化氯消毒设备安装100型;给水集控设备安装等答:套相应专业定额。
2、因排水管施工工艺发生了一点变化,在施工过程中,施工单位为了减少渗漏的现象,减少大量的吊模堵孔洞的人工,现在楼地面砼施工时,在楼地面内预留了相同规格的管接头及设计的地漏,由此就产生了配件的超用现象,因这种施工工艺没有先例,在工程决算时,应该怎样结算排水配件及人工工资?答:投标报价时根据施工方案,考虑该因素自行报价3、施工单位帮建设单位购买的设备所发生的费用,能不能参与取费?答:列入工程造价的都可以按照费用定额计算相应费用。
4、消防喷淋系统中,喷淋支管(≤80mm)施工时,镀锌管配件的使用量往往多于定额含量许多,主要原因是:1、设计中喷淋支管与线槽、桥架、给排水管、空调风管、冷凝管、装饰造型等有冲突,实际施工中按常规消防水管是有压管,必须让位,造成了喷淋管抱弯、拐弯现象;2、设计时,喷淋头与灯具、风口、广播等位置重叠,协调结果大多是喷淋头让位,造成喷淋支管抱弯、拐弯;3、遇到矿棉板(60mm*60mm)或铝塑板吊顶,业主要求喷淋头居中安装,喷淋挂管又要抱弯、拐弯;定额中镀锌管配件安装费含在镀锌管安装里,只计主材,请问遇有以上情况该如何计价。
实例:泰兴市人民医院病房大楼(现已进入审计阶段)答:按甲方认可的方案重新报价。
5、1、利用基础地梁外侧两根钢筋作接地体,我现在套2-701接地跨接线安装定额,工程按下面方面计算:单根钢筋总以L表示,接地跨接线工程量N=L*2/6+L/4,施工单位要求套2-751避雷网均压环敷设利用圈梁钢筋,能告诉我按哪个套合理吗? 2、图纸设计屋面避雷网设避雷小针,针高0.3M,施工单位结算套用2-710和2-717,我觉得太高,给他套用2-358和2-359,不知道是否可行?答:1、套用2-751避雷网均压环敷设利用圈梁钢筋合理;2、套用2-358就可以了。
《江苏省工业用水定额(2010年修订)》解读《江苏省工业用水定额(2010年修订)》解读根据《水法》和《江苏省水资源管理条例》规定,经省人民政府批准,省水利厅、省质监局于5月17日联合发布了《江苏省工业用水定额(2010年修订)》(见附件表格)。
针对此次修订的相关细节问题,省水利厅有关人士详细解读——一、修订用水定额的必要性《江苏省水资源管理条例》规定“行业用水定额应当根据用水需求变化、技术进步和经济发展情况及时修订”。
因为随着经济的发展,科学技术的进步,社会各行业用水水平不断提高,特别是工业用水定额中的有些产品及定额值已经不符合行业用水的实际状况和水资源管理的要求,因此,及时修订十分必要。
二、用水定额修订的意义一是落实总量控制与用水定额管理制度的需要。
我省是经济大省,同时也是工业大省,不少行业在全国处于较先进地位,工业产品单位新水量总体较全国平均水平先进,仅少数行业的单位产品新水量落后于全国水平。
但是,目前国家颁布实施的火电、钢铁、纺织、医药、啤酒、棉印染产品等行业和产品的取水定额标准,都严于我省定额标准,且虽然我省单位一般工业增加值用水量达到31立方米/万元,仍落后于上海、北京等先进地区,也仅相当于美国、日本九十年代的水平,定额已经不能客观反应我省用水水平,也不适应当前行业和企业发展的要求。
根据水利部提出的“实行最严格的水资源管理制度”,须合理制定工业用水定额标准,严格定额管理,有效控制工业用水总量的增长,坚决遏制用水浪费。
二是资源精细化管理的需要。
随着经济的快速发展,企业也朝着多元化方向发展,根据市场和生产的变化,国民经济行业分类标准已做了适当调整,使得行业分类更趋于合理和实用。
对于一些产品已逐步淘汰,出现了新的产品的现象,需要我们及时扩大管理的范围,对原定额中涉及的有关行业和产品的分类进行重新归并和调整,开展重点用水调查,通过水平衡测试工作确定产品的用水定额,适应生产的发展和管理的需要,同时,发挥定额标准的约束引导作用,指导企业开展节水工作。
2007年网上定额咨询答疑-土建
建
回复
八五砖根据国家墙改要求、禁止使用,如有使用,
可参考01估价表的消耗量执行
请根据合同确认“市场信息价”的价格水平,按照
合同执行
1、薄壁钢管d值较大,所占体积理应扣除;
2、JM3型添加剂可以减少砼中的水泥用量,请根据
添加与不添加JM3时的砼配比差值,增加JM3,减少
水泥用量。
工程量清单中,脚手架计入措施费,在套用定额
时,为了便于结算调整,应分别列项,再计合价。
目前使用的合同示范文本是GB1999,与
铝合金塑钢飘窗面积按照中心线尺寸计算
具体请到工程所在地造价管理机构核定类别
人工修边坡根据深度不同,套用相应人工挖土方定
额时已经考虑深度的因素了。
复合木模版按5次周转摊销,钢模版按50次周转摊
销计入。
阁楼层是否计入层数,应根据工程具体情况确定。
砼基础的工作面宽度以基础边至地槽边计算,垫层
一般不考虑立模,所以工作面计算时不是从垫层边
开始,而是从基础边开始。
请查阅苏建定(2003)409号《关于妥善处理建筑
材料上涨,确保工程质量安全的意见》;苏建价
(2005)593号《关于工程量清单计价施工合同价
款确定与调整的指导意见》。
按定额规定执行。
甲供材不应作为让利的基础,不应同比例下浮。
墙体内梁未包含的楼梯的砼含量当中,应另外计算。
楼梯在计算时,按自然层高度考虑,所以休息平台
处不考虑满堂脚手架;按照施工规范要求确定防滑
条长度。
墙体拆除,可以套用修缮定额相应子目。
江苏省建设工程费用定额一、总则(一)为了规范建设工程计价行为,合理确定和有效控制工程造价,根据《建设工程工程量清单计价规范》(GB50500-2008)和《建筑安装工程费用项目组成》(建标【2003】206号)等有关规定,结合我省实际情况,江苏省建设厅组织编制了《江苏省建设工程费用定额》(一下简称本定额)。
本定额是建设工程编制设计概算、施工图预(结)算、招标控制价(或标底)以及调解处理工程造价纠纷的依据;是确定投标价、工程结算审核的指导;也可作为企业内部核算和制定企业定额的参考。
(二)本定额适用于在我省行政区域范围内新建、扩建和改建的建筑与装饰、安装、市政、仿古建筑及园林绿化、房屋修缮等工程,与《建设工程工程量清单计价规范》(GB50500-2008)及我省现行的建筑与装饰、安装、市政、仿古建筑及园林绿化、房屋修缮工程计价表(定额)配套使用,原有关规定与本定额不一致的,按照本定额规定执行。
(三)本定额费用内容由分部分项工程费、措施项目费、其他项目费、规费和税金组成。
其中,现场安全文明施工措施费、规费和税金为不可竞争费,应按规定标准计取。
(四)包工包料、包工不包料和点工说明:1.包工包料:是施工企业承包工程用工、材料的方式。
2.包工不包料:指只承包工程用工的方式。
施工企业自带施工机械和周转材料的工程按包工包料标准执行。
3.点工:适用于在建设工程中由于各种因素所造成的损失、清理等不在定额范围内的用工。
4.包工不包料、点工的临时设施应由建设单位提供。
(五)本定额由江苏省建设工程造价管理总站负责解释和管理。
二、建设工程费用的组成建设工程费用由分部分项工程费、措施项目费、其他项目费、规费和税金组成。
(一)分部分项工程费分部分项工程费是指施工过程中耗费的构成工程实体性项目的各项费用,由人工费、材料费、施工机械使用费、企业管理费和利润构成。
1.人工费:是指直接从事建筑安装工程施工的生产工人开支的各项费用,内容包括:(1)基本工资:是指发放给生产工人的基本工资,包括基础工资、岗位(职级)工资、绩效工资等。
江苏定额解释土建安装园林市政Modified by JEEP on December 26th, 2020.001、问:2004土建计价表中的定额“16 -321”外墙弹性涂料2遍子目中是否已包括了1遍底涂及2遍面涂答:外墙弹性涂料子目包括一遍底漆和两遍弹性涂料。
002、问:请问内的框架柱需要计算浇捣脚手架吗怎样计取答:内的框架柱的浇捣脚手架的相关费用均已经在模板支架中考虑,不需另行计算。
003、问:对于已经有质保书的材料,监理单位现提出要求复检。
材料复检的检测费用由哪方支付有没有明文的文件可以查询答:材料复检如果是施工规范要求,并且由施工企业自行检测,检测费用由施工企业承担。
如施工规范无复检要求,或检测由专业检测机构完成,检测费用由建设方支付。
004、问:2007年10月的中标工程,在投标文件中有“投标报价包括招标文件所确定的招标范围内相应图纸的全部内容,以及完成上述内容所必须的运输、……材料检测费用……及政策文件规定费用等所有费用。
”描述。
中标书中所计取的检验试验费率是%(标底也是)。
开工后,检测费由施工单位代缴给检测单位。
按照苏建质(2004)318号文、372号文及贵网《2008计价解释1》第一条解释,施工单位要求建设单位办理结算时将检测费计入其他项目费中的签证,建设单位以投文件中已含检测费为由拒签。
施工单位认为:投标文件中虽有检测费包含其中的说明,但应该理解为是苏建定(2004)414号文所规定的施工单位所计取的%的费用,而检测机构所收的检测费不含在其中。
这样理解对吗答:苏建定(2004)414号文规定的是施工单位所计取的%的费用,而检测机构所收的检测费应由建设方委托检测并支付。
005、问:04计价表第十三章,外墙抹灰计算规则规定,洞口侧面并入外墙面,那么洞口侧面是按全部墙厚尺寸计,还是计门窗框外侧的部分答:计门窗框外侧的部分。
006、问:工程量清单计价中工程结算时,措施费应如何调整答:执行2004年清单计价规范的工程,根据苏建价(2005)593号文件规定:采用固定单价合同的工程,当分部分项工程量清单项目发生工程量变更时,其措施项目费用中相应的模板、脚手架工程量应作适当调整。
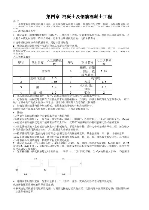
序号项目名称人工调整系数序号项目名称人工调整系数一5楼梯、雨篷、阳台、栏板及其他1.051基础与垫层1.5二2柱1.051水塔1.53梁 1.42水(油)池、地沟1.64墙、板1.33贮仓2第四章 混凝土及钢筋混凝土工程钢管柱内灌注混凝土按矩形柱、圆形柱定额执行,不再计算模板项目。
6.基础:(1)基础与上部结构的划分以混凝土基础上表面为界;(2)基础与垫层的划分,一般以设计确定为准,如设计不明确时,以厚度划分:15cm以内的为垫层,15cm以上(3)有梁式基础模板仅适用于基础表面有梁上凸时,仅带有下翻或暗梁的基础套用无梁式基础定额。
(4)满堂基础及地下室底板已包括集水井模板杯壳,不再另行计算;设计为带形基础的单位工程,如仅楼(电厕间等少量部位采用满堂基础时,其工程量并入带形基础计算。
9.地圈粱套用圈梁定额;异形梁包括十、T、L形梁;梯形、变截面矩形梁套用矩形梁定额;现浇薄腹屋面梁模板套用异形梁定额;单独现浇过梁模板套用矩形梁定额;与圈梁连接的过梁及叠合梁二次浇捣部分套用圈梁定额;预制圈梁的现二次灌浆相应定额。
10.混凝土梁、板均分别计算套用相应定额;板中暗梁并人板内计算。
(5)箱形基础的底板(包括边缘加厚部分)套用无梁式满堂基础定额,其余套用柱、梁、板、墙相应定额。
(6)设备基础仅考虑块体形式,其他形式设备基础分别按基础、柱、梁、板、墙等有关规定计算,套用相应定(7)地下构件采用砖模时,按砌筑工程定额规定执行。
7.现浇钢筋混凝土柱(不含构造柱)、梁(不含圈、过梁)、板、墙的支模高度按层高3.6m以内编制,超过3.程量包括3.6m以下部分,另按相应超高定额计算;斜板或拱形结构按板顶平均高度确定支模高度,电梯井壁按建筑物自然层层高确定支模高度。
4.定额混凝土的强度等级和石子粒径是按常用规格编制的,当混凝土的设计强度等级与定额不同时,应作换混凝土子目中毛石的投入量按18%考虑,设计不同时混凝土及毛石按比例调整。
001、问:建筑工程中送桩以送桩长度(自桩顶面自然地坪另加500MM)乘桩截面面积以立方米计算。
请问管桩的空心体积是否应扣除?答:04计价表中计算送桩工程量时,管桩的空心体积应扣除。
002、问:在总承包工程中的桩基础分部工程的管理费率和利润费率标准是按桩基类别确定还是按主体的类别确定?答:桩基础工程的管理费和利润按桩基础的类别确定。
003、问:土建计价表20-67后浇板带模板、支撑增加费用是按10米计量的,其定额中宽度是按800mm还是1000mm考虑的,宽度不同时是否考虑调整材料、人工、机械含量?100厚后浇板带一般含模量是按10.7m2/m3,还是0.1m2/m3?答:定额按后浇带宽度1000mm考虑的。
对于招投标的工程,投标时可根据实际施工方案的不同调整人、材、计含量,按定额计价的工程则一般不调整。
100厚后浇带模板含模量为10.70m2/m3。
004、问:在04定额里。
基槽或基坑土方的深度是算至基础底还是垫层底?答:根据现有施工规范,一般混凝土垫层均需要支模,因此04计价表中基槽或基坑土方的深度有垫层的应算至垫层底,并以此基础计算工作面及放坡。
005、问:挑檐计算是水平、竖向部分是一并计算套5-48子目,还是水平部分套板式雨蓬,竖向部分套5-48子目计算?答:檐沟分为底板、侧板和挑檐三部分。
均套用5-48子目。
砼159页注2应是指雨棚水平挑沿按板式雨棚执行。
006、问:安装工程金属工艺结构工程中联合平台和平台应如何区分?答:“联合平台”是指2台或2台以上设备的几个平台互相连接组成的便于操作检修使用的整体平台。
计算工程量时,应包括联合平台上的梯子、栏杆、扶手的金属重量。
“平台”是指单台设备的操作检修使用的平台。
计算工程量时,应分别计算平台、梯子、栏杆等相应项目的工程量。
单台上不同空间的几层平台不属于联合平台,应属于平台。
007、问:安装工程中系统水压试验与管道安装定额中的水压试验有什么区别?如何计算?答:镀锌钢管安装定额中包括的水压试验是指工序内一次性水压试验(即每层管道施工完后均做一次水压试验)。
1、《江苏省安装工程计价表》第七册消防及安全防范设备安装工程中镀锌钢管沟槽式管件连接定额子目中,沟槽配件是否应另计安装费?答:沟槽配件安装人工已在管道安装定额中考虑,不另计安装费用。
2、安装工程的“项目特征”主要应从哪几个方面来描述?列项时应注意什么问题?答:(一)主要应从三个方面来描述:1、项目的自身特征,指的是项目的材质、型号、规格,必要时还可指明其品牌。
2、项目的工艺特征,指的是项目的安装工艺必须详细说明。
例如:镀锌钢管的连接工艺,是丝接、法兰连接或卡套式连接都应该予以描述。
3、项目的施工方法特征,施工方法是影响工程计价的。
例如:电气配管,是墙面明敷设、暗敷设,还是吊顶内敷设都应予以描述。
(二)具有不同特征的项目应分别列项。
项目特征是清单项目设置的基础和依据。
列项时应对项目的特征做全面的描述,即使材质、型号、规格同一,但工艺特征或施工方法特征不同也应该分别设置清单项目。
3、问:金属面防火涂料如何划分厚涂型防火涂料、薄涂型防火涂料、超薄型防火涂料?如何套用定额答:金属面防火涂料厚度以涂料涂层厚度来划分,厚涂型防火涂料的使用厚度7毫米~22毫米,耐火极限为1~3小时,属隔热防火非膨胀型防火涂料;薄涂型防火涂料的使用厚度3毫米~7毫米,耐火极限为0.5~2小时,属膨胀型防火涂料;超薄型防火涂料的使用厚度1毫米~3毫米,耐火极限为0.5~2小时,属膨胀型防火涂料;薄涂型防火涂料和超薄型防火涂料材料分树脂型和乳胶型两类,其施工工艺分别为抹、批、刷三种操作方法。
目前建材市场中防火涂料品种较多,在套用《江苏省建筑与装饰工程计价表》时,应根据甲乙双方认可的防火涂料使用说明书或现场测算数据确定其定额耗用量。
4、问:消火栓管道系统套用第七册还是第八册子目/答:普通消防管道即消防栓消防系统及室外管道安装执行第八册相应项目,自动喷水灭火系统、气体灭火系统管道安装执行第七册相应项目。
5、问:2004计价表中的模板用量是否是按摊销量计入。
江苏省2010定额建筑及装饰工程计算规
则
本文档介绍了江苏省2010年定额建筑及装饰工程计算规则。
该规则适用于江苏省境内各类建筑工程,旨在规范建筑工程的计算和结算,保障施工质量和安全。
本规则主要包括以下内容:
- 总则:规定了本规则的适用范围、编制单位、计价单位等基本信息;
- 建筑工程定额:包括砌体工程、混凝土工程、钢筋工程、木工工程、油漆工程、防水工程等;
- 装饰工程定额:包括内装修工程、外装饰工程、涂料工程、吊顶工程、石材工程、金属构件工程等;
- 其他工程定额:包括暖通工程、电气工程、给排水工程等;
- 工程量清单计算:根据定额和实际工程情况,计算工程量;
- 工程结算标准:根据工程量和合同价格,计算工程结算金额和支付方式;
- 单位工程造价计算:根据定额和实际工程情况,计算单位工程造价。
该规则是江苏省建筑行业的重要规范性文件,建议施工单位和监理单位认真遵守。
同时,也需要在实际应用过程中结合实际情况进行具体操作,以确保工程质量和进度的达成。
总说明第一章土、石方工程第二章地基处理及边坡支护工程第三章桩基工程第四章砌筑工程第五章钢筋工程第六章混凝土工程第七章金属结构工程第八章构件运输及安装工程第九章木结构工程第十章屋面及防水工程第十一章保温、隔热、防腐工程第十二章厂区道路及排水工程第十三章楼地面工程第十四章墙柱面工程第十五章天棚工程第十六章门窗工程第十七章油漆、涂料、裱糊工程第十八章其它零星工程第十九章建筑物超高增加费用第二十章脚手架第二十一章模板工程第二十二章施工排水、降水第二十三章建筑工程垂直运输第二十四章场内二次搬运附录一混凝土及钢筋混凝土构件模板、钢筋含附录说明表附录二机械台班预算单价取定表(1) 单项机械台班预附录二机械台班预算单价取定表(2) 综合机械台算单价取定表班预算单价取定表附录三混凝土、特种混凝土配合比表 ( 二) 防水附录三混凝土、特种混凝土配合比表 ( 一) 普通混凝土凝土附录三混凝土、特种混凝土配合比表( 三) 现场集中搅附录三混凝土、特种混凝土配合比表( 四) 特种拌混凝土凝土附录四砌筑砂浆、抹灰砂浆、其它砂浆配合比表附录五防腐耐酸砂浆配合比表附录六主要建筑材料预算价格取定表附录七抹灰分层厚度及砂浆种类表附录九常用钢材理论重量及形体公式计算表(附录八主要材料、半成品损耗率取定表型钢理论重量附录九常用钢材理论重量及形体公式计算表( 二) 砖砌附录九常用钢材理论重量及形体公式计算表(大方脚折加高度表形体计算公式总说明一、为了贯彻执行住房和城乡建设部《建设工程工程量清单计价规范》(GB 50500—2013)以及《房屋建筑与装饰工程工程量计算规范》( GB 50854— 2013),适应江苏省建设工程市场计价的需要,为工程建设各方提供计价依据,省住房和城乡建设厅组织有关人员对《江苏省建筑与装饰工程计价表》进行了修订,形成了《江苏省建筑与装饰工程计价定额》(2014年)(以下简称本定额)。
本定额共分上下两册。
二、本定额适用于江苏省行政区域范围内一般工业与民用建筑的新建、扩建、改建工程及其单独装饰工程。
回复
合同中约定执行计价表的,且约定政策性调整可调时,2006年8月1日后实际完成的工作量的人工费可以调整。
除塑料排水管,定额中已经考虑了留堵孔洞所需的材料和人工,不另计算。
电缆沿竖直通道敷设定额一般都在高层建筑中采用,但并非所有高层建筑中垂直敷设的电缆均可套用该定额项目。
只有在高层建筑中自上而下的直通式竖直通道(井道)中敷设电缆时,方可套用该定额项目。
辅材价格不予调整。
见计算规则,支架不得另行计算。
室内消防箱及暗装配电箱安装定额中,未包括箱体周边、后背的封堵及粉刷所产生的费用。
套管的安装包括套管与管道之间的填充。
照明线路。
按计算规则规定。
悬挂嵌入式成套配电箱的安装包括了预留洞口的工作内容。
1、2、套用第七册沟槽式钢管安装定额。
3、可参照第七册沟槽式钢管安装定额,双方商定。
定额是综合考虑的,一般不调整。
江苏计价表缺项,可参照其他定额。
1、管件数量按实计算。
2、根据具体情况套用端子接线。
3、塑料排水管留堵孔洞定额未包括,可另计。
4、套用第七册钢管卡箍连接的补充定额。
序号项目名称人工调整系数序号项目名称人工调整系数一5楼梯、雨篷、阳台、栏板及其他1.051基础与垫层1.5二2柱1.051水塔1.53梁 1.42水(油)池、地沟1.64墙、板1.33贮仓2第四章 混凝土及钢筋混凝土工程钢管柱内灌注混凝土按矩形柱、圆形柱定额执行,不再计算模板项目。
6.基础:(1)基础与上部结构的划分以混凝土基础上表面为界;(2)基础与垫层的划分,一般以设计确定为准,如设计不明确时,以厚度划分:15cm以内的为垫层,15cm以上(3)有梁式基础模板仅适用于基础表面有梁上凸时,仅带有下翻或暗梁的基础套用无梁式基础定额。
(4)满堂基础及地下室底板已包括集水井模板杯壳,不再另行计算;设计为带形基础的单位工程,如仅楼(电厕间等少量部位采用满堂基础时,其工程量并入带形基础计算。
9.地圈粱套用圈梁定额;异形梁包括十、T、L形梁;梯形、变截面矩形梁套用矩形梁定额;现浇薄腹屋面梁模板套用异形梁定额;单独现浇过梁模板套用矩形梁定额;与圈梁连接的过梁及叠合梁二次浇捣部分套用圈梁定额;预制圈梁的现二次灌浆相应定额。
10.混凝土梁、板均分别计算套用相应定额;板中暗梁并人板内计算。
(5)箱形基础的底板(包括边缘加厚部分)套用无梁式满堂基础定额,其余套用柱、梁、板、墙相应定额。
(6)设备基础仅考虑块体形式,其他形式设备基础分别按基础、柱、梁、板、墙等有关规定计算,套用相应定(7)地下构件采用砖模时,按砌筑工程定额规定执行。
7.现浇钢筋混凝土柱(不含构造柱)、梁(不含圈、过梁)、板、墙的支模高度按层高3.6m以内编制,超过3.程量包括3.6m以下部分,另按相应超高定额计算;斜板或拱形结构按板顶平均高度确定支模高度,电梯井壁按建筑物自然层层高确定支模高度。
4.定额混凝土的强度等级和石子粒径是按常用规格编制的,当混凝土的设计强度等级与定额不同时,应作换混凝土子目中毛石的投入量按18%考虑,设计不同时混凝土及毛石按比例调整。
001、问:2004土建计价表中的定额“16 -321〞外墙弹性涂料2遍子目中是否已包括了1遍底涂及2遍面涂?答:外墙弹性涂料子目包括一遍底漆和两遍弹性涂料。
002、问:请问内的框架柱需要计算浇捣脚手架吗?怎样计取?答:内的框架柱的浇捣脚手架的相关费用均已经在模板支架中考虑,不需另行计算。
003、问:对于已经有质保书的材料,监理单位现提出要求复检。
材料复检的检测费用由哪方支付?有没有明文的文件可以查询?答:材料复检如果是施工标准要求,并且由施工企业自行检测,检测费用由施工企业承当。
如施工标准无复检要求,或检测由专业检测机构完成,检测费用由建设方支付。
004、问:2007年10月的中标工程,在投标文件中有“投标报价包括招标文件所确定的招标范围内相应图纸的全部内容,以及完成上述内容所必须的运输、……材料检测费用……及政策文件规定费用等所有费用。
〞描述。
中标书中所计取的检验试验费率是0.18%〔标底也是〕。
开工后,检测费由施工单位代缴给检测单位。
按照苏建质〔2004〕318号文、372号文及贵网?2008计价解释1?第一条解释,施工单位要求建设单位办理结算时将检测费计入其他工程费中的签证,建设单位以投文件中已含检测费为由拒签。
施工单位认为:投标文件中虽有检测费包含其中的说明,但应该理解为是苏建定〔2004〕414号文所规定的施工单位所计取的0.18%的费用,而检测机构所收的检测费不含在其中。
这样理解对吗?答:苏建定〔2004〕414号文规定的是施工单位所计取的0.18%的费用,而检测机构所收的检测费应由建设方委托检测并支付。
005、问:04计价表第十三章,外墙抹灰计算规那么规定,洞口侧面并入外墙面,那么洞口侧面是按全部墙厚尺寸计,还是计门窗框外侧的局部?答:计门窗框外侧的局部。
006、问:工程量清单计价中工程结算时,措施费应如何调整?答:执行2004年清单计价标准的工程,根据苏建价〔2005〕593号文件规定:采用固定单价合同的工程,当分局部项工程量清单工程发生工程量变更时,其措施工程费用中相应的模板、脚手架工程量应作适当调整。
江苏土建定额解释序号咨询内容1我司在2010年10月与施工单位签订了综合车间工程合同,合同约定按04江苏省建筑与装饰工程计价表、江苏省安装工程计价表、江苏省市政工程计价表、2009江苏省建设工程费用定额相应规定结算,在施工过程中甲乙双方对工程造价有不同意见,现我司对工程结算的相关事宜咨询贵站:1、在合同中约定,合同工期240天,2011年6月30日竣工,赶工措施费为分部分项工程费的2%。
可实际完工2012年3月,我司认为未在合同工期内完成本工程,结算不可以计取赶工措施费。
2在合同中约定,工程按质论价创优费为分部分项工程费的3%。
可本工程优质结构未取得,不可能取得任何优质工程。
我司认为没有创优,工程结算不可以计取工程按质论价创优费。
3我司和建设主管部门对综合车间工程土建和安装工程进行了现场安全文明施工考评,可本工程市政工程、大型大型土石方工程以及合同增加工程冷冻机房、食堂、门卫土建安装工程未经过我司和建设主管部门进行考评,我司认为本工程结算现场安全文明施工考评费只能计取综合车间工程土建和安装工程,市政工程、大型大型土石方工程以及合同增加工程冷冻机房、食堂、门卫土建安装工程不能计取现场安全文明施工考评费。
4 建筑安全监督管理费需按规定调整(2011年3月20日建筑安全监督管理费由0.19%调整为0.118%,2012年2月1日取消建筑安全监督管理费)。
本工程结算建筑安全监督管理费按开票金额、时间计取。
5 综合车间大型土石方工程按江苏省清单计价规定不能计取夜间施工、冬雨季施工、已完工程及设备保护、临时设施、材料与设备检验试验、赶工措施费。
可施工单位认为综合车间大型土石方工程按综合车间土建取费。
我司认为本工程结算综合车间大型土石方工程不能计取夜间施工、冬雨季施工、已完工程及设备保护、临时设施、材料与设备检验试验、赶工措施费。
6 本工程综合车间根据勘察报告地下水位在基础下,不需要排水,独立基础,且无地下室,施工单位竣工资料中未有相关的排水措施方案,施工单位未与业主、监理办理相关手续,我司认为工程结算措施费基坑地下室排水不应计取。
001、问:2004土建计价表中的定额“16 -321”外墙弹性涂料2遍子目中是否已包括了1遍底涂及2遍面涂?答:外墙弹性涂料子目包括一遍底漆和两遍弹性涂料。
002、问:请问3.6m内的框架柱需要计算浇捣脚手架吗?怎样计取?答:3.6m内的框架柱的浇捣脚手架的相关费用均已经在模板支架中考虑,不需另行计算。
003、问:对于已经有质保书的材料,监理单位现提出要求复检。
材料复检的检测费用由哪方支付?有没有明文的文件可以查询?答:材料复检如果是施工规范要求,并且由施工企业自行检测,检测费用由施工企业承担。
如施工规范无复检要求,或检测由专业检测机构完成,检测费用由建设方支付。
004、问:2007年10月的中标工程,在投标文件中有“投标报价包括招标文件所确定的招标范围内相应图纸的全部内容,以及完成上述内容所必须的运输、……材料检测费用……及政策文件规定费用等所有费用。
”描述。
中标书中所计取的检验试验费率是0.18%(标底也是)。
开工后,检测费由施工单位代缴给检测单位。
按照苏建质(2004)318号文、372号文及贵网《2008计价解释1》第一条解释,施工单位要求建设单位办理结算时将检测费计入其他项目费中的签证,建设单位以投文件中已含检测费为由拒签。
施工单位认为:投标文件中虽有检测费包含其中的说明,但应该理解为是苏建定(2004)414号文所规定的施工单位所计取的0.18%的费用,而检测机构所收的检测费不含在其中。
这样理解对吗?答:苏建定(2004)414号文规定的是施工单位所计取的0.18%的费用,而检测机构所收的检测费应由建设方委托检测并支付。
005、问:04计价表第十三章,外墙抹灰计算规则规定,洞口侧面并入外墙面,那么洞口侧面是按全部墙厚尺寸计,还是计门窗框外侧的部分?答:计门窗框外侧的部分。
006、问:工程量清单计价中工程结算时,措施费应如何调整?答:执行2004年清单计价规范的工程,根据苏建价(2005)593号文件规定:采用固定单价合同的工程,当分部分项工程量清单项目发生工程量变更时,其措施项目费用中相应的模板、脚手架工程量应作适当调整。
执行2008清单计价规范的工程,根据苏建价(2009)40号文件规定:因分部分项工程量清单漏项或非承包人原因的工程变更,造成施工组织设计或施工方案变更,引起措施项目发生变化时,措施项目费应按下列原则调整:“措施项目表一”中的措施费仍按投标时费率进行调整;“措施项目表二”中的措施费发生关联变化时,按2004年江苏省计价表规定组价的措施项目按原组价方法调整,未按2004年江苏省计价表规定组价的措施项目按投标时价格折算成费率调整;原措施费中没有的措施项目,由承包人根据措施项目变更情况,提出适当的措施费变更要求,经发包人确认后调整;合同有约定的按合同执行。
以上原则有关建设各方主体应在施工承包合同中予以明确。
007、问:安装工程计价中防雷接地一般要算哪些内容?答:防雷接地装置在工程计价中一般要考虑接地极、接地母线、接地跨接线、总等电位联结、局部等电位联结、防雷引下线、避雷网、避雷针、均压环、断接卡子、接地极测试和接地网系统调试。
008、问:天棚抹灰装饰线工程中三道线和五道线如何区分?答:三道线和五道线不是指三条线或是五条线,而是以一个突出的棱角为一道线。
009、问:如图纸设计是用成品的H型钢,请问计算工程量时是否还需要将腹板和翼板宽度增加8mm 后计算其重量?答:采用成品H型钢时,计算工程量时是腹板和翼板宽度不再增加8mm。
011、问:当前有关材料检验试验费用的计价办法有何文件规定?答:根据苏建质(2004)372号文件《关于改变我省建设工程质量见证取样检测委托方有关事项的通知》规定:从2004年12月1日起,我省新开工项目的建设工程质量见证取样检测,一律由建设单位直接委托工程质量检测机构进行;工程质量检测取样由施工单位负责。
施工单位应按规定配备取样员;工程质量检测委托方改变后,原由施工单位承担的检测费将在测算的基础上,通过调整定额,费用由建设方直接支付给检测机构;施工单位按定额向建设单位收取试样制作、封样、送达等必要的费用。
根据苏建定(2004)414号文件《关于调整材料检验试验费用计取标准的通知》的规定:鉴于委托方式改变,工程质量见证取样检测费用由建设单位直接支付给所委托的检测机构,施工单位承担的检测工作内容和计费标准均发生了变化;施工单位按规定进行建筑材料、构配件等试样的制作、封样、送检和其它为保证工程质量进行的材料检验试验工作。
2004计价表措施项目费中的材料检验试验费计取标准调整为:建筑与装饰工程由分部分项工程费的0.4%调整为0.18%;安装工程由分部分项工程费的0.3%调整为0.15%;市政工程由分部分项工程费的0.3%调整为0.15%.根据苏建价函(2006)91号文件《关于建设工程检测费用列支问题的答复》规定:施工单位按规定进行建筑材料、构配件等试样的制作、送检和其他为保证工程质量进行的材料检验试验工作,其费用按相应规定费率计算。
除此以外的检验实验费用一律由建设单位直接支付给受委托工程质量检测单位。
但在初步设计阶段建设单位编制概、预算时,可将材料检验试验费单独列入工程建设概预算中,按分部分项工程费用与措施项目费之和的0.5~1.5%计取。
工程结算时按实结算。
根据《江苏省建设工程费用定额》(2009年)规定,企业检验试验费为通用措施费项目,即施工企业按规定进行建筑材料、构配件等拭样的制作、封样和其它为保证工程质量进行的材料检验试验工作所发生的费用。
其中建筑工程为0.2%、单独装饰0.2%、安装工程0.15%、市政工程0.15%、仿古工程0.3%、园林绿化工程0.06%。
根据有关国家标准或施工验收规范要求对材料、构配件和建筑物工程质量检测检验发生的费用由建设单位直接支付给所委托的检测机构。
012、问:仿古建筑中什么是戗角?戗角包括哪些木构件?答:戗角是指歇山或四合舍(庑殿)房屋转角处的屋面结构。
如图1所示。
此处木构件比较多,包括:老、嫩戗木,摔网椽、戗山木、立脚飞椽、里口木、菱角木以及其上的各种望板等。
如图2所示。
图1图2013、问:仿古建筑中戗角中老戗木与嫩戗木如何区别?答:如图3所示,戗木即北方地区的角梁,老戗木即老角梁,嫩戗木即仔角梁,是屋面转角部分的承重构件。
其中老戗木主要承受屋面荷重,嫩戗木主要增加梁的起翘度。
图3014、问:仿古建筑中摔网椽与戗山木如何识别?答:戗山木是承接摔网椽的底座木,按摔网椽的间距挖成若干椽槽,钉在梓桁和廊桁上面用以承放椽子。
摔网椽即指转角部分的椽子,因为椽子之间的间距,由尾至头是逐渐斜着岔开成斜撒网状,为与正身部分椽子相区别,故取名为摔网椽。
摔网椽的截面有半圆形和矩形,半圆形称为半圆荷包形摔网椽。
如图4所示。
戗山木定额按其长*高*厚尺寸划分定额子目,半圆荷包形摔网椽按其直径大小划分定额子目。
图4015、问:仿古建筑中立脚飞椽和关刀里口木的含义是什么?答:立脚飞椽即指戗角部位的飞椽,它与屋面正身部位的飞椽一样,是增加屋檐起翘度和延伸屋檐宽度的构件。
但因戗角上翘的原故,戗角飞椽的前端,由正身也逐渐慢慢上翘,使飞椽的脚端离原正身飞椽的脚线,形成一个逐渐加大的角度,有斜立之势,故称为“立脚飞椽”。
里口木是用来填补飞椽与飞椽之间,飞椽与出檐椽(或摔网椽)之间空隙的木构件,其作用是加强飞椽与出檐椽(或摔网椽)的整体性装饰效果,沿出檐椽端头线弧形上升并形成斜锯齿形,所以又称为关刀里口木,如图5所示。
立脚飞椽定额按飞椽的最大截面宽厚尺寸划分定额子目,里口木定额按三角形截面的高厚尺寸划分定额子目。
图5016、问:仿古建筑中如何识别关刀弯眠檐和弯风檐板?答:弯眠板又称面檐板,是钉在飞椽檐口端头上面,遮挡望砖或望板并防止下滑的檐口木板。
由于在戗角部位的檐口是带弧形的檐口线,故眠檐板需要弯成弧形,又因为檐口线由正身向戗角是呈斜线上升,凡在该线上木构件都带有斜角形刀状,故称为关刀弯眠檐。
封檐板是将飞椽连接固定,并使飞椽檐口整齐的条板,相当于北方地区的大连檐,钉在眠檐之外的飞椽端头上,如图6所示。
关刀弯眠檐定额按其厚与高度划分定额子目,封檐板定额按截面高厚尺寸划分定额子目。
图6017、问:仿古建筑中如何识别摔网板和鳖角壳板?答:摔网板即指戗角部位,钉在飞椽上的压飞望板。
卷戗板即摘檐弯板,钉在飞椽端头做遮盖板,如图6所示。
鳖壳即指厅堂屋脊部分作为圆弧形顶的木结构,《营造法原》称这种结构为回顶结构,它是在月梁上的双脊桁上钉置弯椽,再在弯椽上安置草脊桁,然后安装屋面椽子铺砖瓦,如图7所示。
鳖角壳板是钉在鳖角弯椽下面,作蓬状顶的木板。
图7018、问:仿古建筑中如何识别菱角木和硬木千销的识别?答:菱角木是使老戗木和嫩戗木之间紧密连接、并填补戗角起翘基座的木构件,如图8 所示。
千斤销是贯穿老嫩戗、菱角木的加固木销,使相互间紧固而不能动摇,一般用较硬质材料制成。
图8019、问:厨卫间地面防水上卷部分在清单工程量计算时是否要计入,如果不计入,在清单描述时是否要描述成墙面或墙基防水?答:地面防水上卷部分可计入墙立面防水,当上卷高度小于300mm时,可并入地面防水工程量中。
020、问:预制管桩是按“制作兼打桩”还是“打预制桩”取费?答:预制管桩按照打预制桩取费。
021、问:电动机为甲供,1.检查接线只在外部测试,没有打开电动机,套定额要乘系数吗?电动机调试分位本体试验、附属高压二次设备试验、继电器及仪表实验、一次电流及二次回路检查,现在结算争议在本体调试内容划分不清楚,结算单位要乘系数0.4,施工单位只同意乘0.7,应如何划分?答:电动机检查接线定额工作内容包括:检查定子、转子、研磨滑环及电刷、测量轴承绝缘,配合密封试验、接地、干燥、、整修整流子及清理等不含解体检查,如不需要解体时,应直接执行电机检查接线定额。
安装定额电气册中电力变压器系统调试子目中所包含的调试项目较多,包括一次设备本体试验、附属高压二次设备试验、继电器及仪表试验、一次电流及二次回路检查。
在计取其费用时,应根据如施工单位提供的调试报告内容计算费用,如果施工单位只完成部分工作内容,其调试费用可分别按以下的百分比计算:30%、30%、20%、20%。
022、问:(1)、电气成套防爆控制操作柜(箱)执行相应柜(箱)子目,人工是否应乘以1.2系数。
(2)、第一册的设备拆除,执行相应子目人材机×0.5系数,其他册的拆除如何? 3、第六册“阀门安装”说明中“定额仅包括安装工序内容,配合工作内容由仪表专业考虑。
”在执行中套用第六册调节阀安装子目后,是否应再执行仪表定额“调节阀”子目内容。
4、第六册“阀门安装”说明中“仪表流量计安装,执行阀门安装相应定额乘以系数0.7。