2016-电线电缆线径允许偏差1-1
- 格式:doc
- 大小:58.50 KB
- 文档页数:2
BV常用国标电线直径允许偏差标准表根据GB/T3953导体规定电线电缆直径允许偏差范围为±1%d,行标线径为国标线径90%;但目前电线电缆是否达标要看导体电阻是多少,不是直径达多少平方;下面上进电缆小编就来介绍下2.5平方、4平方、6平方、10平方等电线电缆直径允许偏差标准表。
一、2.5平方、4平方、6平方电线直径允许偏差表在电线电缆国家标准中,对铜芯电缆中铜芯线的误差考核标准是标称截面下的导体直流电阻是否达标。
铜芯线的直径误差不予考核:因为加工过程中有对铜芯导体进行紧压的工序,不同厂家,不同工艺,变形度不一,所以若用直径指标考核会不公正,只对在采购回来的圆整单丝偏差有要求。
详细要求见国家标准GB/T5023-2008《额定电压450/750V及以下聚氯乙烯绝缘电缆》因此在国家标准中,不是看导体是达到多少平方,而是看电缆导体的电阻是多少,没有误差;以下电线电缆直径允许偏差标准表仅供参考二、电线电缆国家标准中对线径的规定有哪些?国家标准是 GB/T 5023.1-2008,对导体的尺寸要求是符合GB 3956-1997,标准中并没有对导体标称截面积和导体直径的考核具体要求,标准提倡的是导体电阻要求,因为影响导体载流不只是外径尺寸,材料纯度也很重要,好一点的电解铜外径小一些电阻也是符合要求的。
所以推荐去当地质监部门送检检测一个20摄氏度导体电阻,就一项即可。
检测费不多,如果嫌麻烦就自己测吧,行业一般规定2.5这个规格的测量公差是正负0.04mm,2.5mm2的单线直径是1.78mm,合格范围就是1.74~1.78mm。
(但如果是好点电解铜是可以低些的所以建议检测直流电阻项目)。
对于塑料的厚度是有要求的2.5mm2绝缘厚度是0.8mm,任意一点可以小于此厚度但是不能小于0.8*0.9-0.1=0.62mm(这是标准要求的),也就是可以在电线某一点上有小于0.8大于0.62mm的厚度,所以一般检测电线一周上的六个点,取平均值要大于等于0.8mm即合格,反之不合格。
电线电缆验收要求及相关标准一.电线验收要求及标准验收依据:《建筑电气施工质量验收规范》GB50303-20021.产品质量证明文件要求:1).电线应有出厂质量证明文件:包括:合格证(合格证有生产许可证编号和“CCC”认证标识)、检测报告、“CCC’认证证书;2).电线质量证明文件应为原件,如果是复印件,复印件和原件内容一致,并加盖原件存放单位公章,注明原件存放处,并有经办人签字和时间3).生产厂家要有企业法人营业执照2.验收标准:1).电线绝缘皮标识清楚,标识间距不大于1米,要标明生产厂名、规格型号、额定电压和“CCC”认证标识;标识要字迹清晰,用浸有汽油或酒精的棉布以1m/s的速度匀速连续擦拭五次,字迹仍清晰可辩;2).检测电线线径和绝缘皮厚度(用卡尺或千分尺)3).测量线皮绝缘电阻值,将电线浸在水中24小时,用750V绝缘摇表摇测,阻值大于0.5MΩ4).线芯不能松动5).检测电线长度,将电线展开拉直用皮尺量,将实际长度和标识长度对比;6).称重,抽检整盘线的重量7).由甲方对进场批次的电缆随机抽样送检(第三方专业检测机构)。
二、电缆验收要求及标准1.验收依据:《建筑电气施工质量验收规范》GB50303-20021.产品质量证明文件要求:1).电缆应有出厂质量证明文件:包括:合格证、厂家检测报告;2).电缆质量证明文件应为原件,如果是复印件,复印件和原件内容一致,并加盖原件存放单位公章,注明原件存放处,并有经办人签字和时间3).生产厂家要有企业法人营业执照、生产许可证2.验收标准:1).电缆绝缘皮标识清楚,标识间距不大于1米,要标明生产厂名、规格型号和米数;标识要字迹清晰,用浸有汽油或酒精的棉布以1m/s 的速度匀速连续擦拭五次,字迹仍清晰可辩2).检查线芯股数和单股线芯的直径;3).预分支电缆验收时要注意分支电缆的长度、分支之间的长度、吊钩到第一个分支的长度及预分支电缆的分支方向(上分支或下分支),且每根预分支电缆均要附图4).测量电缆绝缘皮的绝缘阻值,用1000V绝缘摇表摇测,阻值大于10MΩ;5).电缆型号含义:例如:YJLV22-3×120-10-300表示铝芯、交联聚乙烯绝缘、聚氯乙烯内护套、双钢带铠装、聚氯乙烯外护套、三芯、120mm2、电压为10KV、长度为300m的电力电缆。
国标电线误差范围解读
国标电线电缆的误差范围主要包括以下几个方面。
1.长度误差:国标电线电缆的长度误差不能超过5%。
一般来说,国标电线的优等品为100米/卷,误差控制在0. 5米以内。
2.直径误差:国标电线电缆的直径误差不允许超过0.0 2%。
例如,对于2.5平方毫米的电线,国标直径为1.767毫米,实际生产过程中的直径误差应控制在0.02%以内。
3.导体直流电阻误差:国标电线电缆的导体直流电阻误差需符合对应标准要求。
只要在标称截面下的导体直流电阻符合标准要求,就可以认定该电线电缆的导体合格。
4.绝缘层厚度误差:国标电线电缆的绝缘层厚度误差需符合规定。
例如,对于交联聚乙烯绝缘的电力电缆,其绝缘层厚度误差应控制在±5%以内。
需要注意的是,这些误差范围的规定主要是为了确保电线电缆的安全性能、电气性能以及使用寿命。
在选购电线电缆时,消费者可以关注产品的长度、直径、电阻等指标,以确保购买到符合国标的产品。
同时,在安装和使用过程中,也要严格按照相关标准进行操作,确保电线电缆的安全性能。
电线电缆国标直径标准一、电线平方数及直径换算方法知识电线的规格在国际上常用的有三个标准:分别是美制(AWG)、英制(SWG)和我们的(CWG)。
几平方是国家标准规定的的一个标称值,几平方是用户根据电线电缆的负荷来选择电线电缆。
电线平方数是装修水电施工中的一个口头用语,常说的几平方电线是没加单位,即平方毫米。
电线的平方实际上标的是电线的横截面积,即电线圆形横截面的面积,单位为平方毫米。
一般来说,经验载电量是当电网电压是220V时候,每平方电线的经验载电量是一千瓦左右。
铜线每个平方可以载电1-1.5千瓦,铝线每个平方可载电0.6-1千瓦。
因此功率为1千瓦的电器只需用一平方的铜线就足够了。
具体到电流,短距送电时一般铜线每平方可载3A到5A的电流。
散热条件好取5A/平方毫米,不好取3A/平方毫米。
换算方法:知道电线的平方,计算电线的半径用求圆形面积的公式计算:电线平方数(平方毫米)=圆周率(3.14)×电线半径(毫米)的平方知道电线的平方,计算线直径也是这样,如:2.5方电线的线直径是:2.5÷ 3.14 = 0.8,再开方得出0.9毫米,因此2.5方线的线直径是:2×0.9毫米=1.8毫米。
知道电线的直径,计算电线的平方也用求圆形面积的公式来计算:电线的平方=圆周率(3.14)×线直径的平方/4 电缆大小也用平方标称,多股线就是每根导线截面积之和。
电缆截面积的计算公式:0.7854 × 电线半径(毫米)的平方× 股数如48股(每股电线半径0.2毫米)1.5平方的线:0.785 ×(0.2 × 0.2)× 48 = 1.5平方二、常用小规格线缆知识RVVP:铜芯聚氯乙烯绝缘屏蔽聚氯乙烯护套软电缆,电压300V/300V 2-24芯。
主要质量指标:线径(包括芯线和编织丝,并不是越粗越好,用杂质铜的要达到电阻标准而做的很粗)、铜芯纯度、编织密度、绞距。
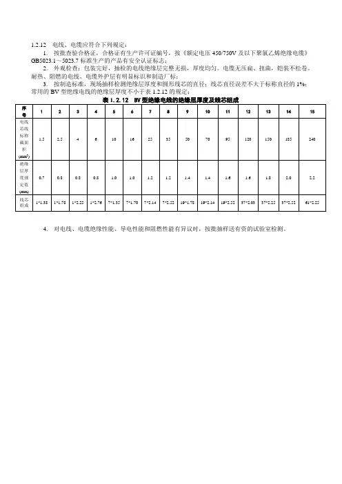
1.2.12 电线、电缆应符合下列规定:
1. 按批查验合格证,合格证有生产许可证编号,按《额定电压450/750V及以下聚氯乙烯绝缘电缆》GB5023.1~5023.7标准生产的产品有安全认证标志;
2. 外观检查:包装完好,抽检的电线绝缘层完整无损,厚度均匀。
电缆无压扁、扭曲,铠装不松卷。
耐热、阻燃的电线、电缆外护层有明显标识和制造厂标;
3. 按制造标准,现场抽样检测绝缘层厚度和圆形线芯的直径;线芯直径误差不大于标称直径的1%;常用的BV型绝缘电线的绝缘层厚度不小于表1.2.12的规定;
4. 对电线、电缆绝缘性能、导电性能和阻燃性能有异议时,按批抽样送有资的试验室检测。
电线标称截面积的允许偏差国标各种规格电线截面积允许偏差是多少?国标各种规格电线截面积允许偏差是多少?标准中只考核20摄氏度情况下的导体直流电阻,不考核导体截面积了。
用于电缆用的铜有纯度要求的,纯度高单位面积通过的载流量大。
所以国标中对每种导体的截面积只是一种标称值,实际生产每个厂家的用的导体从截面积算可能是略微有差别,有的比标称的小,铜芯电线各等级截面积允许偏差多少?国标铜芯电线不允许误差,有误差的是非标电线,一般为山寨厂生产的,不仅线截面误差较大,100米/扎也缩水严重。
国标小截面铜单芯电线:1、1.5、2.5、4、6平方,100米/扎不小于96米。
铜芯线的规格有1平方、1.5平方、2.5平方、4平方、6平方、10平方、16平方、25平方、35平方、50平方、70平方、95平方、120平方、150平方、185平方等。
这个“平方”是口头语,代表电线电缆铜芯的横截面积,单位平方毫米(mm²)。
横截面积虽与铜线的载流量有关,但并不成正比。
两根1平方的铜线载流量相当于一根4平方铜线的载流量。
国标电线允许公差表?电线电缆线径允许偏差引自标准GB/T3953—1983、GB/T3955—1983、JB8734.2—1998、JB1601—1993 标称截面mm2 根数单线标称直线mm 允许偏差%单位允许偏差范围mm 0.75 1 0.97 ±1%d -0.0097—0.0097 1.0 1 1.13 ±1%d -0.0113—0.0113 1.5 1 1.38 ±1%d -0.0138— 0.0138 2.5 1 1.78 ±1%d -0.0178—0.0178 4 1 2.25 ±1%d -0.0225—0.0225 6 1 2.76 ±1%d -0.0276—0.0276 10 7 1.35 ±1%d -0.0135— 0.0135 16 7 1.7 ±1%d -0.017—0.017 25 7 2.14 ±1%d -0.0214— 0.0214 35 7 2.52 ±1%d -0.0252—0.0252 50 19 1.78 ±1%d -0.0178—0.0178 70 19 2.14 ±1%d -0.0214—0.0214 95 19 2.52 ±1%d -0.0252—0.0252 120 37 2.03 ±1%d -0.0203—0.0203 150 372.25 ±1%d -0.0225—0.0225 185 37 2.52 ±1%d -0.0252—0.0252 240 61 2.25 ±1%d -0.0225—0.0225 300 61 2.52 ±1%d -0.0252—0.0252 400 61 2.85 ±1%d -0.0285— 0.0285 500 91 2.65 ±1%d -0.0265—0.0265 630 127 2.52 ±1%d -0.0252—0.0252。
BV电线1平方用丝1.141.5平方用丝1.382.5平方用丝1.784平方用丝2.256平方用丝2.7610平方用丝1.3416平方用丝1.70525平方用丝2.1335平方用丝2.5250平方用丝1.8370平方用丝2.16695平方用丝2.52V V电缆1平方用丝1.141.5平方用丝1.382.5平方用丝1.784平方用丝2.256平方用丝2.7610平方用丝1.3416平方用丝1.70625平方用丝2.1335平方用丝2.5250平方用丝2.5270平方用丝2.5295平方用丝2.5270平方用丝2.5295平方用丝2.52120平方用丝2.52150平方用丝2.52185平方用丝2.52240平方用丝2.52300平方用丝2.52BVR电线0.5平方用丝0.30.75平方用丝0.371 平方用丝0.421.5平方用丝0.5222.5 平方用丝0.414平方用丝0.516平方用丝0.63所须要工具:千分尺、米尺、电子秤或测量重量的工具。
一、首先您要知道电缆每芯的铜丝根数,这很直观便能获得“从电缆上剪一个头,取出一芯一数便知”需要注意的该电缆是否“回头”即每根线芯的头上根数多,里面根数少这种电缆叫“回头电缆”(此成本核算不包括此种电缆)。
二、接下来请您实际测量一下需测量电缆的铜丝直径。
例如我们平常所说的Ф0.20丝,就是说的铜丝的直径。
通常就现在市场分析Ф0.20、Ф0.18、Ф0.17的使用频率较高。
不要听厂家说是多大的丝,通过自己动手一测量便很清楚的,因为这直接影响到成本核算的准确度。
三、就市场实际情况有的每盘橡套线上都印有米标。
但是需要注意的是我们必须用米尺实际测量一下两个米标之间的实际距离。
不要听厂家说我们厂的线每盘95米,电缆的护套上印有米标字样,实际呢两个米标之间的距离不一定就是100cm,有的只有95cm所以我们要自己动手真正测量一下两个米标之间究竟是多少厘米,这对核算成本有直接的影响。
竭诚为您提供优质文档/双击可除bv线国家标准规范定误差范围篇一:bV电线的新国家标准、单丝直径及根数bv电线全称铜芯聚氯乙烯绝缘电线,即一般用途单芯硬导体无护套电缆,也就是我们日常生活中使用的普通绝缘电线、家装电线,是最常用的电线类型。
具有抗酸碱、耐油性、防潮、防霉等特性。
bV电线1.分类和用途是用来分布电流用的,属于布电线类,用字母“b”表示;2.导体材料是铜(无氧铜杆),用字母“t”表示,布电线中铜芯导体省略表示;3.绝缘材料为聚氯乙烯,用字母“V”表示;bv电线结构简单,有的还有护套,护套材料为聚氯乙烯也用字母V表示,如bVV电线表示铜芯聚氯乙烯绝缘聚氯乙烯护套圆型电线。
常用bv线径从1.5平方到240平方不等。
bV的单丝直径及根数圆的面积公式:半径×半径×3.14(圆周率)。
bV的单丝直径及根数如bV2.5的,国标直径为1.78mm,半径即为0.89mm。
故截面积为:0.89×0.89×3.14=2.487194约等于2.5mm/平方毫米。
以下类推,1-6平方均为单芯直径,10平方以上为多芯,详见附表1。
bV执行标准gb/t5023.3-20xx电线载流量计算铜线每平方毫米6安培。
铝线是每平方毫米5安培(仅供快速估算)4平方的铜线:4*6=24a6平方的铜线:6*6=36a10平方的铜线:10*6=60a16平方的铜线:16*6=96a使用环境及用途bv电线使用环境及用途:适用于交流电压450/750V及以下动力装置、日用电器、仪表及电信设备用的电线电缆。
电阻=电线长度x导电系数/截面积额定电压450/750VbV标称截面线芯结构(mm2)根数/直径(mm)1.5(a)1/1.381.5(b)7/0.522.5(a)1/1.782.5(b)7/0.684(a)1/2.254(b)7/0.856(a)1/2.766(b)7/1.04(bv线国家标准规范定误差范围) 107/1.35 167/1.70257/2.14357/2.525019/1.787019/2.149519/2.5212037/2.0315037/2.2518537/2.5224061/2.2530061/2.5240061/2.85额定电压450/750VbVR标称截面线芯结构(mm2)根数/直径(mm)2.519/0.41419/0.52619/0.641049/0.521649/0.642598/0.5835133/0.5850133/0.6870189/0.68bVR最大截面70(数据引自《工厂常用电气设备手册下》,p.1403—1404,中国电力出版社)(gb5023)篇二:bV电线的新国家标准、单丝直径及根数bv电线全称铜芯聚氯乙烯绝缘电线,即一般用途单芯硬导体无护套电缆,也就是我们日常生活中使用的普通绝缘电线、家装电线,是最常用的电线类型。
国标电缆线径标准国标电缆线径标准是指在我国国家标准体系中对电缆线径的规定和要求。
电缆线径是指电缆导体的直径,它是电缆的重要参数之一,直接影响着电缆的导电能力、绝缘性能和机械强度。
国标电缆线径标准的制定对于规范电缆行业生产,保障电气设备安全运行具有重要意义。
国标电缆线径标准的主要内容包括对电缆线径的分类、测量方法、公称线径和允许偏差等方面的规定。
首先,国标将电缆线径分为公称线径和实际线径两种。
公称线径是指电缆线径的标称值,是生产厂家在生产电缆时按照国家标准规定的数值进行生产的线径。
而实际线径则是指经过测量后得到的电缆导体的直径数值。
国标对电缆线径的测量方法进行了详细规定,包括测量工具、测量位置、测量次数等,以确保测量结果准确可靠。
其次,国标对电缆线径的公称值和允许偏差进行了规定。
公称值是指电缆线径的标称数值,国标根据电缆用途和导体材料的不同,规定了不同的公称线径数值。
而允许偏差则是指电缆线径允许偏离公称值的范围,国标规定了不同类型电缆线径的允许偏差范围,以保证电缆生产的合格性和可靠性。
国标电缆线径标准的制定对于电缆行业具有重要的指导意义。
首先,它有利于规范电缆生产企业的生产行为。
通过遵守国标电缆线径标准,生产企业能够生产出符合国家标准的电缆产品,提高产品质量和可靠性。
其次,国标电缆线径标准有利于保障电气设备的安全运行。
电缆作为电气设备的重要组成部分,其线径的合格与否直接关系到电气设备的安全运行,国标电缆线径标准的制定有利于保障电气设备的安全性。
总的来说,国标电缆线径标准的制定对于规范电缆行业生产、保障电气设备安全运行具有重要意义。
通过遵守国标电缆线径标准,可以提高电缆产品的质量和可靠性,保障电气设备的安全运行。
希望电缆生产企业和电气设备使用单位能够重视国标电缆线径标准,共同维护电缆行业的良好发展和电气设备的安全运行。
电线电缆验收要求与相关标准一.电线验收要求与标准验收依据:《建筑电气施工质量验收规》GB50303-20021.产品质量证明文件要求:1).电线应有出厂质量证明文件:包括:合格证(合格证有生产许可证编号和“CCC”认证标识)、检测报告、“CCC’认证证书;2).电线质量证明文件应为原件,如果是复印件,复印件和原件容一致,并加盖原件存放单位公章,注明原件存放处,并有经办人签字和时间3).生产厂家要有企业法人营业执照2.验收标准:1).电线绝缘皮标识清楚,标识间距不大于1米,要标明生产厂名、规格型号、额定电压和“CCC”认证标识;标识要字迹清晰,用浸有汽油或酒精的棉布以1m/s的速度匀速连续擦拭五次,字迹仍清晰可辩; 2).检测电线线径和绝缘皮厚度(用卡尺或千分尺)3).测量线皮绝缘电阻值,将电线浸在水中24小时,用750V绝缘摇表摇测,阻值大于0.5MΩ4).线芯不能松动5).检测电线长度,将电线展开拉直用皮尺量,将实际长度和标识长度对比;6).称重,抽检整盘线的重量7).由甲方对进场批次的电缆随机抽样送检(第三方专业检测机构)。
二、电缆验收要求与标准1.验收依据:《建筑电气施工质量验收规》GB50303-20021.产品质量证明文件要求:1).电缆应有出厂质量证明文件:包括:合格证、厂家检测报告;2).电缆质量证明文件应为原件,如果是复印件,复印件和原件容一致,并加盖原件存放单位公章,注明原件存放处,并有经办人签字和时间3).生产厂家要有企业法人营业执照、生产许可证2.验收标准:1).电缆绝缘皮标识清楚,标识间距不大于1米,要标明生产厂名、规格型号和米数;标识要字迹清晰,用浸有汽油或酒精的棉布以1m/s 的速度匀速连续擦拭五次,字迹仍清晰可辩2).检查线芯股数和单股线芯的直径;3).预分支电缆验收时要注意分支电缆的长度、分支之间的长度、吊钩到第一个分支的长度与预分支电缆的分支方向(上分支或下分支),且每根预分支电缆均要附图4).测量电缆绝缘皮的绝缘阻值,用1000V绝缘摇表摇测,阻值大于10MΩ;5).电缆型号含义:例如:YJLV22-3×120-10-300表示铝芯、交联聚乙烯绝缘、聚氯乙烯护套、双钢带铠装、聚氯乙烯外护套、三芯、120mm2、电压为10KV、长度为300m的电力电缆。
电线电缆线径标准
------------------------------------------------------------------------------- BV电线
1平方用丝1.14
1.5平方用丝1.38
2.5平方用丝1.78
4平方用丝2.25
6平方用丝2.76
10平方用丝1.34
16平方用丝1.705
25平方用丝2.13
35平方用丝2.52
50平方用丝1.83
70平方用丝2.166
95平方用丝2.52
V V电缆
1平方用丝1.14
1.5平方用丝1.38
2.5平方用丝1.78
4平方用丝2.25
6平方用丝2.76
10平方用丝1.34
16平方用丝1.706
25平方用丝2.13
35平方用丝2.52
50平方用丝2.52
70平方用丝2.52
95平方用丝2.52
70平方用丝2.52
95平方用丝2.52
120平方用丝2.52
150平方用丝2.52
185平方用丝2.52
240平方用丝2.52
300平方用丝2.52
BVR电线
0.5平方用丝0.3
0.75平方用丝0.37
1 平方用丝0.42
1.5平方用丝0.522
2.5 平方用丝0.41
4平方用丝0.51
6平方用丝0.63
所须要工具:千分尺、米尺、电子秤或测量重量的工具。