国家标准《选煤电力消耗限额》(修订)
- 格式:doc
- 大小:233.00 KB
- 文档页数:15
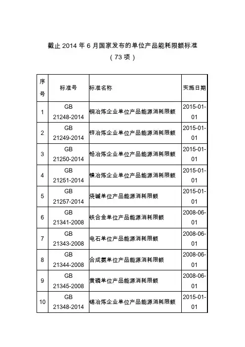
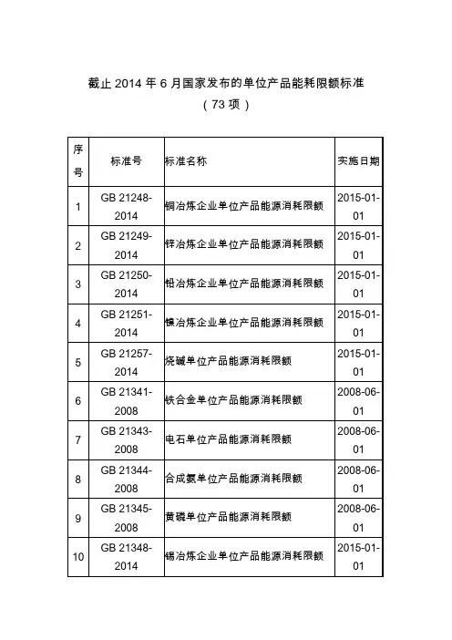
序号国家标准编号国 家 标 准 名 称代替标准号1GB 29994-2013煤基活性炭单位产品能源消耗限额2GB 29995-2013兰炭单位产品能源消耗限额3GB 29996-2013水煤浆单位产品能源消耗限额4GB 30178-2013煤直接液化制油单位产品能源消耗限额5GB 30179-2013煤制天然气单位产品能源消耗限额6GB 30180-2013煤制烯烃单位产品能源消耗限额7GB 30181-2013微晶氧化铝陶瓷研磨球单位产品能源消耗限额8GB 30182-2013摩擦材料单位产品能源消耗限额9GB 30183-2013岩棉、矿渣棉及其制品单位产品能源消耗限额10GB 30184-2013沥青基防水卷材单位产品能源消耗限额11GB 30185-2013铝塑板单位产品能源消耗限额12GB 21252-2013建筑卫生陶瓷单位产品能源消耗限额GB 21252-2007 13GB/T 13467-2013通风机系统电能平衡测试与计算方法GB/T 13467-1992 14GB/T 13468-2013泵类液体输送系统电能平衡测试与计算方法GB/T 13468-1992 15GB 21258-2013常规燃煤发电机组单位产品能源消耗限额GB 21258-2007 16GB 30250-2013乙烯装置单位产品能源消耗限额17GB 30251-2013炼油单位产品能源消耗限额18GB 21256-2013粗钢生产主要工序单位产品能源消耗限额GB 21256-2007 19GB 21342-2013焦炭单位产品能源消耗限额GB 21342-200820GB/T 29723.1-2013煤矿主要工序能耗等级和限值第1部分:主要通风系统21GB/T 29723.2-2013煤矿主要工序能耗等级和限值第2部分:主排水系统22GB/T 29723.3-2013煤矿主要工序能耗等级和限值第3部分:空气压缩系统23GB/T 29723.4-2013煤矿主要工序能耗等级和限值第4部分:主提升带式输送系统24GB 29435-2012稀土冶炼加工企业单位产品能源消耗限额25GB 29436.1-2012甲醇单位产品能源消耗限额第1部分:煤制甲醇26GB 29437-2012工业冰醋酸单位产品能源消耗限额27GB 29438-2012聚甲醛单位产品能源消耗限额28GB 29439-2012硫酸钾单位产品能源消耗限额中华人民共和国国家标准公告(2011年1月-2015年5月)29GB 29440-2012炭黑单位产品能源消耗限额30GB 29441-2012稀硝酸单位产品能源消耗限额31GB 29442-2012铜及铜合金板、带、箔材单位产品能源消耗限额32GB 29443-2012铜及铜合金棒材单位产品能源消耗限额33GB 29444-2012煤炭井工开采单位产品能源消耗限额34GB 29445-2012煤炭露天开采单位产品能源消耗限额35GB 29446-2012选煤电力消耗限额36GB 29447-2012多晶硅企业单位产品能源消耗限额37GB 29448-2012钛及钛合金铸锭单位产品能源消耗限额38GB 29449-2012轮胎单位产品能源消耗限额39GB 29450-2012玻璃纤维单位产品能源消耗限额40GB 29451-2012铸石单位产品能源消耗限额41GB 29138-2012磷酸一铵单位产品能源消耗限额42GB 29139-2012磷酸二铵单位产品能源消耗限额43GB 29140-2012纯碱单位产品能源消耗限额44GB 29141-2012工业硫酸单位产品能源消耗限额45GB 29441-2012稀硝酸单位产品能源消耗限额46GB 21248-2014铜冶炼企业单位产品能源消耗限额GB 21248-2007 47GB 21249-2014锌冶炼企业单位产品能源消耗限额GB 21249-2007 48GB 21250-2014铅冶炼企业单位产品能源消耗限额GB 21250-2007 49GB 21251-2014镍冶炼企业单位产品能源消耗限额GB 21251-2007 50GB 21257-2014烧碱单位产品能源消耗限额GB 21257-2007 51GB 21348-2014锡冶炼企业单位产品能源消耗限额GB 21348-2008 52GB 21349-2014锑冶炼企业单位产品能源消耗限额GB 21349-2008 53GB 30526-2014烧结墙体材料单位产品能源消耗限额54GB 30527-2014聚氯乙烯树脂单位产品能源消耗限额55GB 30528-2014聚乙烯醇单位产品能源消耗限额56GB 30529-2014乙酸乙烯酯单位产品能源消耗限额57GB 30530-2014有机硅环体单位产品能源消耗限额58GB 31335-2014铁矿露天开采单位产品能源消耗限额59GB 31336-2014铁矿地下开采单位产品能源消耗限额60GB 31337-2014铁矿选矿单位产品能源消耗限额61GB 31338-2014工业硅单位产品能源消耗限额62GB 31339-2014铝及铝合金线坯及线材单位产品能源消耗限额63GB 31340-2014钨精矿单位产品能源消耗限额64GB 25324-2014铝电解用石墨质阴极炭块单位产品能源消耗限额GB 25324-2010 65GB 25325-2014铝电解用预焙阳极单位产品能源消耗限额GB 25325-2010 66GB 21351-2014铝合金建筑型材单位产品能源消耗限额GB 21351-2008 67GB 31533-2015精对苯二甲酸单位产品能源消耗限额68GB 31534-2015对二甲苯单位产品能源消耗限额69GB 31535-2015二甲醚单位产品能源消耗限额7071GB/T 12723-2013单位产品能源消耗限额编制通则GB/T 12723-200872GB/T 18916.9-2014取水定额第9部分:味精制造GB/T 18916.9-200673GB/T 18916.14-2014取水定额第14部分:毛纺织产品74GB/T 18916.16-2014取水定额第16部分:电解铝生产75GB/T 18916.1-2012取水定额第1部分:火力发电GB/T 18916.1-200276GB/T 18916.2-2012取水定额第2部分:钢铁联合企业GB/T 18916.2-200277GB/T 18916.3-2012取水定额第3部分:石油炼制GB/T 18916.3-200278GB/T 18916.4-2012取水定额第4部分:纺织染整产品GB/T 18916.4-200279GB/T 18916.5-2012取水定额第5部分:造纸产品GB/T 18916.5-200280GB/T 18916.6-2012取水定额第6部分:啤酒制造GB/T 18916.6-200481GB/T 18916.11-2012取水定额第11部分:选煤82GB/T 18916.12-2012取水定额第12部分:氧化铝生产83GB/T 18916.13-2012取水定额第13部分:乙烯生产月-2015年5月)实施日期备注2014/11/12013年第23号公告2014/11/12013年第23号公告2014/11/12013年第23号公告2014/12/12013年第27号公告2014/12/12013年第27号公告2014/12/12013年第27号公告2014/12/12013年第27号公告2014/12/12013年第27号公告2014/12/12013年第27号公告2014/12/12013年第27号公告2014/12/12013年第27号公告2014/12/12013年第27号公告2014/7/12013年第26号公告2014/7/12013年第26号公告2014/9/12013年第26号公告2014/9/12013年第26号公告2014/9/12013年第26号公告2014/10/12013年第20号公告2014/10/12013年第20号公告2014/1/12013年第19号公告2014/1/12013年第19号公告2014/1/12013年第19号公告2014/1/12013年第19号公告2013/10/12012年第42号公告2013/10/12012年第42号公告2013/10/12012年第42号公告2013/10/12012年第42号公告2013/10/12012年第42号公告2013/10/12012年第42号公告2013/10/12012年第42号公告2013/10/12012年第42号公告2013/10/12012年第42号公告2013/10/12012年第42号公告2013/10/12012年第42号公告2013/10/12012年第42号公告2013/10/12012年第42号公告2013/10/12012年第42号公告2013/10/12012年第42号公告2013/10/12012年第42号公告2013/10/12012年第41号公告2013/10/12012年第41号公告2013/10/12012年第41号公告2013/10/12012年第41号公告2013/10/12012年第42号公告2015/1/12014年第8号公告2015/1/12014年第8号公告2015/1/12014年第8号公告2015/1/12014年第8号公告2015/1/12014年第8号公告2015/1/12014年第8号公告2015/1/12014年第8号公告2015/1/12014年第8号公告2015/1/12014年第8号公告2015/1/12014年第8号公告2015/1/12014年第8号公告2015/1/12014年第8号公告2016/1/12014年第33号公告2016/1/12014年第33号公告2016/1/12014年第33号公告2016/1/12014年第33号公告2016/1/12014年第33号公告2015/10/12014年第27号公告2015/10/12014年第27号公告2015/1/12014年第11号公告2016-06-012015年第15号公告2016-06-012015年第15号公告2016-06-012015年第15号公告2014/7/12013年第26号公告2014/10/12014年第11号公告2014/10/12014年第11号公告2014/10/12014年第11号公告2013/1/12012年第13号公告2013/1/12012年第13号公告2013/1/12012年第13号公告2013/1/12012年第13号公告2013/1/12012年第13号公告2013/1/12012年第13号公告2013/1/12012年第13号公告2013/1/12012年第13号公告2013/1/12012年第13号公告。
2015年全国节能宣传周节能知识竞赛答题答题须知:一、活动宗旨:普及节能知识,提高职工节能意识,促进集团公司节能工作不断深入、有效地开展。
二、参赛范围:集团公司全体职工。
要求各单位主管节能工作的厂、矿长、能源管理部门负责人和能源管理人员、车间(队组)能源管理负责人及专兼职能源管理人员必答。
三、竞赛时间:6月13日——6月19日。
四、竞赛共设一等奖10名、二等奖30名、三等奖50名,获奖名单将在《太原煤气化》报公布。
五、在节能宣传周期间,集团公司还将举办节能合理化建议征集活动,获奖名单将在《太原煤气化》报公布。
请各单位能源管理部门认真组织职工参赛,并于6月25日前将答题收集统一报集团公司机械动力部。
集团公司机械动力部一、选择题(40分,每空1分)1、2015年全国节能宣传周和全国低碳日活动的主题是()。
A、“携手节能低碳,共建碧水蓝天”B、“节能有道,节俭有德”C、“低碳城市,宜居可持续”D、“节能我行动,低碳新生活”2、今年6月()为全国节能宣传周,6月15日为全国低碳日。
A、13日至19日B、9日至15日C、6日至12日D、7日至3日3、电动机变频调速系统主要包括异步电动机()、控制环节、负载及传动机构。
A.变频器B.变压器C.变速器D.调频器4、国务院和县级以上地方各级人民政府应当(),部署、协调、监督、检查、推动节能工作。
A、以身作则开展节能工作B、严格要求节能工作部门C、加强对节能工作的领导D、加强对各个部门的示范5、公共机构应当按照规定进行(),并根据能源审计结果采取提高能源利用效率的措施。
A、能源审计B、能源计量C、节能检查D、节能监督6、以下属于能源管理体系关键人员的有()。
A、能源管理体系管理者代表B、锅炉操作人员C、产品及工艺设计人员D、文件管理人员7、瞒报、伪造、篡改能源统计资料或者编造虚假能源统计数据的,依照《中华人民共和国()法》的规定处罚。
A、标准化B、节约能源C、质量D、统计8、国家对家用电器等使用面广、耗能量大的用能产品,实行()。
陕西省发展和改革委员会关于开展固定资产投资项目节能审查实施情况监督检查的通知文章属性•【制定机关】陕西省发展和改革委员会•【公布日期】2018.12.07•【字号】陕发改环资〔2018〕1554号•【施行日期】2018.12.07•【效力等级】地方规范性文件•【时效性】现行有效•【主题分类】固定资产投资正文陕西省发展和改革委员会关于开展固定资产投资项目节能审查实施情况监督检查的通知各设区市发展改革委、韩城市发展改革委、杨凌示范区发展改革局、西咸新区改革创新发展局,省节能中心,各有关项目建设单位:为加强节能审查源头控制作用,强化节能审查事中事后监管,确保完成“十三五”能源消费总量和强度控制目标,决定在全省范围内对《陕西省固定资产项目节能审查实施办法》执行情况进行监督检查。
现就有关事项通知如下:一、检查内容(一)各地节能审查制度实施情况。
包括固定资产投资项目节能审查批复情况,节能审查相关政策要求落实情况,固定资产投资项目是否按照要求在规定的时限取得节能审查机关出具的节能审查意见,固定资产投资项目节能审查工作经费落实情况,节能审查意见事中事后监管和能力建设等情况。
(二)项目节能审查意见落实情况。
检查的项目范围:2015年-2017年国家和省级核准、备案已经开工或竣工验收的项目,重点检查高耗能行业项目和年综合能源消费量(当量值)超过5万吨标准煤的项目。
二、工作安排(一)节能审查制度实施情况检查请各单位收到通知后按照上述要求进行自查,提交自查报告。
我委将根据具体情况,对部分地区进行现场检查。
现场检查采用听取汇报、查阅资料、座谈质询、现场走访等方式进行。
(二)节能审查意见落实情况监督检查1.各地自查。
请你单位依据自查提纲组织对检查范围内的项目进行自查,并提交自查报告(附件1)和项目建设情况汇总表(附件2)。
2.现场检查。
根据各地区自查情况,我委抽取部分项目进行现场检查。
现场检查主要包括审阅资料,与项目建设单位、节能报告编制单位等有关人员进行质询答疑,实地检查,工作组内部讨论等工作程序。
煤炭采选业清洁生产评价指标体系(征求意见稿)国家发展和改革委员会生态环境部发布前言 (2)1 适用范围 (3)2 规范性引用文件 (3)3 术语与定义 (4)4 评价指标体系 (5)5 评价方法 (15)6 数据采集及计算方法 (16)前言为贯彻《中华人民共和国环境保护法》和《中华人民共和国清洁生产促进法》,指导和推动煤炭采选企业依法实施清洁生产,提高资源利用率,减少和避免污染物的产生,保护和改善环境,制定煤炭采选行业清洁生产评价指标体系(以下简称“指标体系”)。
本指标体系依据综合评价所得分值将清洁生产等级划分为三级,Ⅰ级为国际清洁生产领先水平;Ⅱ级为国内清洁生产先进水平;Ⅲ级为国内清洁生产一般水平。
随着技术的不断进步和发展,本评价指标体系将适时修订。
本指标体系起草单位:中国煤炭加工利用协会、中国环境科学研究院。
本指标体系主要起草人:张绍强、谭杰、杨奕、李艳萍、颜丙磊、张青玲、吴晓华。
本指标体系由国家发展改革委、生态环境部会同工业和信息化部联合提出。
本指标体系由国家发展改革委、生态环境部会同工业和信息化部负责解释。
1 适用范围本评价指标体系规定了煤炭采选企业清洁生产的一般要求。
本指标体系将清洁生产指标分为五类,即生产工艺及装备指标、资源能源消耗指标、资源综合利用指标、生态环境指标、清洁生产管理指标。
本指标体系适用于煤炭采选企业的清洁生产审核、清洁生产潜力与机会的判断以及清洁生产绩效评定和清洁生产绩效公告制度,也适用于环境影响评价、排污许可证管理、环保领跑者等环境管理制度。
2 规范性引用文件下列文件对于本指标体系的应用是必不可少的。
凡是注日期的引用文件,仅注日期的版本适用于本文件。
凡是不注日期的引用文件,其最新版本(包括所有的修改单)适用于本指标体系。
GB 12348 工业企业厂界环境噪声排放标准GB 13271 锅炉大气污染物排放标准GB 16297 大气污染物综合排放标准GB 18599 一般工业固体废物贮存、处置场污染控制标准GB 20426 煤炭工业污染物排放标准GB 29446 选煤电力消耗限额GB 29444 煤炭井工开采单位产品能源消耗限额GB 29445 煤炭露天开采单位产品能源消耗限额GB 50197 煤炭工业露天矿设计规范GB 50215 煤炭工业矿井设计规范GB 50810 煤炭工业给水排水设计规范GB/T 18916.11 取水定额第11部分:选煤GB/T 35051 选煤厂洗水闭路循环等级HJ 479 环境空气氮氧化物(一氧化氮和二氧化氮)的测定盐酸萘乙二胺分光光度法HJ 482 环境空气二氧化硫的测定甲醛吸收- 副玫瑰苯胺分光光度法HJ 535 水质氨氮的测定纳氏试剂分光光度法HJ 617 企业环境报告书编制导则HJ 828 水质化学需氧量的测定重铬酸盐法HJ/T 55 大气污染物无组织排放监测技术导则HJ/T 91 地表水和污水监测技术规范HJ/T 397 固定源废气监测技术规范《排污口规范化整治技术要求(试行)》(原国家环境保护总局环监[1996]470号)《煤炭工程项目建设用地指标》(住房和城乡建设部、国土资源部建标[2008]233号)《煤矿瓦斯抽采达标暂行规定》(国家安全生产监督管理总局、国家发展和改革委员会、国家能源局、国家煤矿安全监察局安监总煤装[2011]163号)《土地复垦条例》(中华人民共和国国务院令第592号)《清洁生产评价指标体系编制通则》(试行稿)(国家发展改革委、环境保护部、工业和信息化部2013年第33号公告)《关于促进煤炭安全绿色开发和清洁高效利用的意见》(国能煤炭〔2014〕571号)《关于落实煤炭资源税优惠政策若干事项的公告》(国家税务总局、国家能源局2015年21号公告)《商品煤质量管理暂行办法》(国家发展和改革委员会、环境保护部、商务部、海关总署、工商行政管理总局、国家质量监督检验检疫总局第16号令)《生产煤矿回采率管理暂行规定》(国家发展和改革委员会令第17号)《煤矸石综合利用管理办法》(国家发展和改革委员会、科学技术部、工业和信息化部、财政部、国土资源部、环境保护部、住房和城乡建设部、国家税务总局、国家质量监督检验检疫总局、国家安全生产监督管理总局第18号令)《煤矿安全规程》(国家安全生产监督管理局令第87号)3 术语与定义《清洁生产评价指标体系编制通则(试行稿)》所确立的以及下列术语和定义适用于本指标体系。
煤加工转化制品单位产品能源消耗限额1 范围本文件规定了煤基活性炭、兰炭单位产品能源消耗(以下简称能耗)限额的能耗限额等级、技术要求、统计范围和计算方法。
本文件适用于煤基活性炭、兰炭生产企业单位产品能耗的计算、考核以及对新建及改扩建项目的能耗控制。
2 规范性引用文件下列文件中的内容通过文中的规范性引用而构成本文件必不可少的条款。
其中,注日期的引用文件,仅该日期对应的版本适用于本文件;不注日期的引用文件,其最新版本(包括所有的修改单)适用于本文件。
GB/T 2589 综合能耗计算通则GB/T 12723 单位产品能源消耗限额编制通则GB/T 25212 兰炭产品品种及等级划分GB 17167 用能单位能源计量器具配备和管理通则3 术语和定义GB/T 2589、GB/T 12723和GB/T 25212界定的以及下列术语和定义适用于本文件。
3.1煤基活性炭coal based activated carbon一种以煤为原料制成的外观呈黑色,内部孔隙结构发达、比表面积大(500-2500㎡/g)、吸附能力强的一类微晶质碳素材料。
按产品类型可以分为柱状活性炭、压块活性炭、原煤破碎活性炭和活性焦。
3.2兰炭blue-coke褐煤、无黏结性或弱黏结性的高挥发分烟煤在中低温条件下热解,得到的较低挥发分的固体炭质产品。
3.3煤基活性炭综合能耗comprehensive energy consumption of coal-based activated carbon在统计报告期间内,用于生产合格煤基活性炭实际消耗的各种能源,按照规定的计算方法和单位分别折算后的总和。
3.4兰炭综合能耗comprehensive energy consumption of blue-coke在统计报告期内,用于生产合格兰炭实际消耗的各种能源,按照规定的计算方法和单位分别折算后的总和。
3.5煤基活性炭单位产品能源消耗comprehensive energy consumption per unit product of coal-based activated carbon在统计报告期内,用能单位生产煤基活性炭消耗的各类能源,折算成1t煤基活性炭消耗的能源量。
xx地方标准(能耗限额)序号名称1纯碱产品能耗限额(氨碱法)2纯碱产品能耗限额(联碱法)3二氧化钛颜料产品能耗限额4燃煤电厂供电标准煤耗限额5热电联产供电标准煤耗限额6日用陶瓷产品能耗限额7电解铝综合能耗限额8吨炉钢冶炼电耗限额9吨钢可比能耗限额10吨钢综合能耗限额11炼焦(冶金焦)综合能耗限额12铜冶炼综合能耗限额13氧化铝综合能耗限额14吨铁综合能耗限额15乙烯产品能耗限额16橡胶用炭黑产品能耗限额标准序号17烧碱产品能耗限额18石油炼制业能耗限额19炼油行业单位能量因数能耗限额20轮胎产品能耗限额21合成氨产品能源消耗限额22供热综合能耗限额23黄金选矿耗电限额24纸浆单位产品综合能源消耗限额25特种纸和纸板单位产品综合能耗限额26包装用纸和纸板单位产品综合能耗限额27生活用纸单位产品综合能耗限额28书写印刷用纸单位产品综合能耗限额29冲天炉金属炉料耗焦限额30日用玻璃单位产品综合能耗限额31电网节电量计算方法32胶合板生产单位产量综合能耗限额33原油生产(百米吨液)综合用电限额34啤酒综合能耗限额35淀粉综合能耗限额36浓香型原酒能耗限额37吨原煤生产电耗限额38吨原煤生产综合能耗限额39选煤电力单耗限额40选煤综合能耗限额41平板玻璃单位产品能源消耗限额42水泥单位产品综合能源消耗限额43xx能源消耗限额44营业性道路运输企业载额汽车燃料消耗限额45营业性海运船舶燃料消耗限额46营运性道路运输企业载货汽车燃料消耗限额47卷烟生产企业单位产品综合耗电限额48卷烟生产企业单位产品综合能耗限额49纤维板单位产品综合能耗限额50印染布可比单位产品综合能耗限额51公共建筑采暖空调能耗限额。
ICS 27.010 F 10DB33火力发电厂供电标煤耗限额及计算方法 The quota & calculation method of coal consumption for generating station浙江省质量技术监督局 发布前言本标准第2章为强制性条款。
本标准由浙江省经济贸易委员会提出。
本标准由浙江省能源标准化技术委员会归口。
本标准起草单位:浙江省节能协会、浙江省能源集团、浙江省电力试验研究院。
本标准主要起草人:章勤、张云雷、徐晓村、张明、牟文彪、吴煜忠、屠小宝。
火力发电厂供电标煤耗限额及计算方法1 范围本标准规定了火力发电厂供电标准煤耗技术经济指标的限额和计算方法。
本标准适用于已投入商业运行的火力发电厂纯凝式汽轮发电机组的供电标准煤耗技术经济指标的统计计算和评价。
2 供电煤耗指标限额供电煤耗是反映火电厂发电设备效率和经济效益的一项综合性技术经济指标。
本标准所指供电煤耗均为年度(自然年)统计值。
供电煤耗指标限额= 供电煤耗指标基准值×修正系数即 B = K × B J (1)式中:B——机组供电煤耗指标限额;B J——供电煤耗指标基准值;(见表1)K——修正系数,K = 1 + K L× (0.85 – X)其中:K L为负荷修正系数,X为负荷系数。
当X > 0.85 时,K L =0;当0.85 ≥ X > 0.70 时,K L =0.20;当0.70 ≥ X > 0.60 时,K L =0.25;当0.60 ≥ X 时,K L =0.30;供电煤耗指标基准值见表1。
3 耗用标准煤量技术经济指标耗用标准煤量是指统计期内用于生产所耗用的燃料(包括煤、油和天然气等)折算至标准煤的燃料量。
计算公式为:B b = B h – B kc (2)式中:B b ——统计期内耗用标准煤量, t ;B h ——统计期内耗用燃料总量 (折至标准煤),包括燃煤、燃油与其他燃料之和,同时需考虑煤仓、粉仓等的变化,t ;B kc ——统计期内应扣除的非生产用燃料量 (折至标准煤),t 。
ICS 73.040D 27DB37山东省地方标准DB37/ 833-2007选煤电力单耗限额前 言本标准由山东省经济贸易委员会、山东省质量技术监督局提出。
本标准由山东能源标准化技术委员会归口。
本标准起草单位:山东省煤炭工业局、山东煤炭节能技术服务中心。
本标准主要起草人:郑晓光、于秀忠、巩和一、陈春茂。
选煤电力单耗限额1 2 3 3.1 3.2 4 4.1 范围本标准规定了煤炭企业选煤电力单耗的术语和定义、计算方法及选煤电力单耗限额。
本标准适用于煤炭选煤企业。
规范性引用文件下列文件中的条款通过本标准的引用而成为本标准的条款。
凡是注日期的引用文件,其随后所有的修改单(不包括勘误的内容)或修订版均不适用于本标准,然而,鼓励根据本标准达成协议的各方研究是否可使用这些文件的最新版本。
凡是不注日期的引用文件,其最新版本适用于本标准。
GB 2589-1990 综合能耗计算通则 GB/T 3484-1993 企业能量平衡通则 术语和定义下列术语和定义适用于本标准。
选煤电力单耗是指统计报告期内,洗选单位原煤所消耗的电能。
选煤生产电能消耗是指统计报告期内,煤炭选煤厂用于洗选生产所消耗电能。
它属于其他工业生产系统的电能消耗,不包括煤矿地面生产系统所消耗电能。
计算方法选煤生产电能消耗选煤生产电能消耗按下式(1)计算: (1)式中:XD E ——统计报告期内选煤生产电能消耗,单位为万千瓦·时;XS D ——统计报告期内选煤生产第S 种工序消耗的电量,单位为万千瓦·时;n ——选煤生产的工序数量。
4.2 选煤电力单耗选煤电力单耗等于统计报告期内选煤生产电能消耗与入选原煤量之比。
按式(2)计算: (2)式中:E——选煤电力单耗,单位为千瓦·时/吨;DDM—统计报告期内入选原煤量,单位为万吨。
5 选煤电力单耗限额选煤电力单耗限额应符合表1的要求。
表1 选煤电力单耗限额表2008年 2010年 2012年 10(千瓦·时)/ 吨 8(千瓦·时)/ 吨 7(千瓦·时)/ 吨点燃式发动机轻型汽车排气污染物排放限值(简易瞬态工况法)DB37/657-2006前言本标准为强制性标准。
河南省淘汰落后产能综合标准体系(2020年本)第一类能耗类一、通用标准GB/T 2589—2008 综合能耗计算通则GB/T 12723—2013 单位产品能源消耗限额编制通则GB 17167—2006 用能单位能源计量器具配备和管理通则二、电力行业GB 21258—2017 常规燃煤发电机组单位产品能源消耗限额三、石油石化行业GB 21343—2015 电石单位产品能源消耗限额GB 21344—2015 合成氨单位产品能源消耗限额GB 21345—2015 黄磷单位产品能源消耗限额GB 29138—2012 磷酸一铵单位产品能源消耗限额GB 29139—2012 磷酸二铵单位产品能源消耗限额GB 29140—2012 纯碱单位产品能源消耗限额GB 29141—2012 工业硫酸单位产品能源消耗限额GB 29437—2012 工业冰醋酸单位产品能源消耗限额GB 29438—2012 聚甲醛单位产品能源消耗限额GB 29439—2012 硫酸钾单位产品能源消耗限额GB 29440—2012 炭黑单位产品能源消耗限额GB 29441—2012 稀硝酸单位产品能源消耗限额GB 29449—2012 轮胎单位产品能源消耗限额GB 30250—2013 乙烯装置单位产品能源消耗限额GB 30251—2013 炼油单位产品能源消耗限额GB 30527—2014 聚氯乙烯树脂单位产品能源消耗限额GB 30528—2014 聚乙烯醇单位产品能源消耗限额GB 30529—2014 乙酸乙烯酯单位产品能源消耗限额GB 30530—2014 有机硅环体单位产品能源消耗限额四、钢铁行业GB 21256—2013 粗钢生产主要工序单位产品能源消耗限额GB 21341—2008 铁合金单位产品能源消耗限额GB 21342—2013 焦炭单位产品能源消耗限额GB 21370—2008 炭素单位产品能源消耗限额五、建材行业GB 16780—2012 水泥单位产品能源消耗限额GB 21252—2013 建筑卫生陶瓷单位产品能源消耗限额GB 21340—2013 平板玻璃单位产品能源消耗限额GB 29450—2012 玻璃纤维单位产品能源消耗限额GB 29451—2012 铸石单位产品能源消耗限额GB 30181—2013 微晶氧化铝陶瓷研磨球单位产品能源消耗限额GB 30182—2013 摩擦材料单位产品能源消耗限额GB 30183—2013 岩棉、矿渣棉及其制品单位产品能源消耗限额GB 30184—2013 沥青基防水卷材单位产品能源消耗限额GB 30185—2013 铝塑板单位产品能源消耗限额GB 30252—2013 光伏压延玻璃单位产品能源消耗限额GB 30526—2014 烧结墙体单位产品能源消耗限额六、有色金属行业GB 21248—2014 铜冶炼企业单位产品能源消耗限额GB 21249—2014 锌冶炼企业单位产品能源消耗限额GB 21250—2014 铅冶炼企业单位产品能源消耗限额GB 21251—2014 镍冶炼企业单位产品能源消耗限额GB 21346—2013 电解铝企业单位产品能源消耗限额GB 21347—2012 镁冶炼企业单位产品能源消耗限额GB 21348—2014 锡冶炼企业单位产品能源消耗限额GB 21349—2014 锑冶炼企业单位产品能源消耗限额GB 21350—2013 铜及铜合金管材单位产品能源消耗限额GB 21351—2014 铝合金建筑型材单位产品能源消耗限额GB 25323—2010 再生铅单位产品能源消耗限额GB 25324—2014 铝电解用石墨质阴极炭块单位产品能源消耗限额GB 25325—2014 铝电解用预焙阳极单位产品能源消耗限额GB 25326—2010 铝及铝合金轧、拉制管、棒材单位产品能源消耗限额GB 25327—2010 氧化铝企业单位产品能源消耗限额GB 26756—2011 铝及铝合金热挤压棒材单位产品能源消耗限额GB 29136—2012 海绵钛单位产品能源消耗限额GB 29137—2012 铜及铜合金线材单位产品能源消耗限额GB 29145—2012 焙烧钼精矿单位产品能源消耗限额GB 29146—2012 钼精矿单位产品能源消耗限额GB 29413—2012 锗单位产品能源消耗限额GB 29435—2012 稀土冶炼加工企业单位产品能源消耗限额GB 29442—2012 铜及铜合金板、带、箔材单位产品能源消耗限额GB 29443—2012 铜及铜合金棒材单位产品能源消耗限额GB 29447—2012 多晶硅企业单位产品能源消耗限额GB 29448—2012 钛及钛合金铸锭单位产品能源消耗限额七、煤炭行业GB 29436.1—2012 甲醇单位产品能源消耗限额第1部分:煤制甲醇GB 29444—2012 煤炭井工开采单位产品能源消耗限额GB 29445—2012 煤炭露天开采单位产品能源消耗限额GB 29446—2012 选煤电力消耗限额GB 29994—2013 煤基活性炭单位产品能源消耗限额GB 29995—2013 兰炭单位产品能源消耗限额GB 29996—2013 水煤浆单位产品能源消耗限额GB 30178—2013 煤直接液化制油单位产品能源消耗限额GB 30179—2013 煤制天然气单位产品能源消耗限额GB 30180—2013 煤制烯烃单位产品能源消耗限额第二类环保类DB41/276—2011 盐业、碱业氯化物排放标准DB41/681—2011 啤酒工业水污染物排放标准DB41/684—2011 铅冶炼工业污染物排放标准DB41/756—2012 化学合成类制药工业水污染物间接排放标准DB41/758—2012 发酵类制药工业水污染物间接排放标准DB41/776—2012 蟒沁河流域水污染物排放标准DB41/777—2013 省辖海河流域水污染物排放标准DB41/790—2013 清潩河流域水污染物排放标准DB41/908—2014 贾鲁河流域水污染物排放标准DB41/918—2014 惠济河流域水污染物排放标准DB41/1066—2015 工业炉窑大气污染物排放标准DB41/1135—2016 化工行业水污染物间接排放标准DB41/1257—2016 洪河流域水污染物排放标准DB41/1258—2016 涧河流域水污染物排放标准DB41/538—2017 合成氨工业水污染物排放标准未按时完成有组织及无组织超低排放改造的钢铁产能第三类质量类一、钢铁行业GB/T 1499.1—2017钢筋混凝土用钢第1部分:热轧光圆钢筋GB/T 1499.2—2018钢筋混凝土用钢第2部分:热轧带肋钢筋二、水泥行业GB/T 748—2005 抗硫酸盐硅酸盐水泥GB/T 2938—2008 低热微膨胀水泥GB/T 20472—2006 硫铝酸盐水泥GB/T 200—2017 中热硅酸盐水泥、低热硅酸盐水泥GB/T 13693—2017 道路硅酸盐水泥GB/T 13590—2006 钢渣硅酸盐水泥GB/T 25029—2010 钢渣道路水泥GB 175—2007 通用硅酸盐水泥三、平板玻璃行业GB 11614—2009 平板玻璃第四类安全类《国家安全监管总局办公厅国家煤矿安监局办公室推动钢铁煤炭行业化解过剩产能开展安全生产执法专项行动的通知》(安监总厅煤行〔2016〕55号)要求:钢铁企业存在安全生产标准化未达到三级及以上等级、吊运高温熔融金属的起重机不符合冶金起重机相关要求、炼钢厂吊运高温熔融金属的铸造起重机未使用固定式龙门钩、人员聚集场所设置在高温熔融金属吊运影响区域内、煤气柜与周边建筑物的防火间距不符合标准要求五个问题之一的,要立即停产整改,在6个月内未整改或整改后仍不合格的,予以关停退出。