月份麻醉质控及持续改进记录表
- 格式:doc
- 大小:24.50 KB
- 文档页数:1
麻醉科日常质量控制与持续改进记录【1】
原因分析1、工作中存在大意、侥幸心理,没有严格执行科室内关于术后患者转出手术室的相关规章制度;
2、没有严格认真核对术中使用药物及处方。
整改措施1、加强科室规章制度的执行,严格要求术后患者转出手术室必须有麻醉医师及手术医师亲自送入病房或者ICU内,并做好交接工作,确保患者安全;
2、认真核对术中使用药物,严格按照我院处方开具要求及时规范开具处方,尤其是毒麻药品处方。
上次检查
问题整改
效果评价
麻醉记录单质量较之以前有所提高。
质控人员签名科主任签名日期。
麻醉科持续改进记录表内容
一、质量管理
1、麻醉主任负责质量管理与持续改进工作,落实“医疗质量管理与持续改进方案”内容要求,建立科室质量管理小组及制度,体现全面质量管理与持续改进。
2、每月召开1次科室质量与安全工作会议,内容要体现全面、全过程质量管理,有记录。
3、建立麻醉医师资质管理及评价制度及组织,按照评价方法及程序对麻醉医师的资质和能力进行评价,落实“住院医师规范化培训方案”,有记录,医院每半年进行抽查考核1次。
4、制定全员培训计划和员工的培训计划,做到知识不断更新,积极引进新技术新业务,有相关培训内容、讨论记录和操作规程,有代表科室水平和能力的项目,有临床工作统计资料,全员参与质量管理与持续改进的过程。
二、医疗规范
1、有麻醉诊疗常规和操作规范,能熟练运用诊疗常规和操作规范指导临床工作。
2、有合理使用麻醉药品的规范,有督察记录及处理措施。
3、有麻醉设备操作规程,员工能熟练操作麻醉设备,有使用记录,麻醉与术中生命监护系统、空气调节系统定期保养,有记录,手术药品和器材有适度储备。
4、制定具有专业特色的医院感染控制管理方案或制度、重点措施及应急预案,有对感染控制缺陷进行整改与效果再评价的制度和程序,并落实到位,对员工进行医院感染控制教育,有记录。
三、医疗安全
1、医护人员熟悉《医疗事故处理条例》内容要求,落实“科室防范医疗纠纷及事故发生的重点措施”,制定科室“医疗差错及事故登记本”,对发生的医疗差错及事故要立即报告医务科,并登记、讨论。
2、对医疗活动中发生的异常医疗信息要及时请示报告,增加工作的危机感和机敏性。
3、建立“危重患者管理制度”对科室难以处置。
的危重患者应及时填写“危重患者报告书”上报医务科。
医疗质量管理与持续改进记录表科室:麻醉科年度: 2013医疗质量持续改进记录表填写要求1、科室成立以科主任为组长的医疗质量管理小组,并设质控员。
质控员负责填写《医疗质量管理与持续改进记录表》。
2、科室制订每年度医疗质量持续改进计划、实施方案及医疗质量控制指标.3、科室根据医院的医疗质量控制指标制订每月医疗质量控制重点内容。
4、《科室日常医疗质量持续改进记录表》要求每周检查并记录一次(特殊情况及时记录)。
根据存在问题制订整改措施,并对整改措施进行效果评价,由科主任审阅后签字.5、每月底对科室质量控制情况进行认真总结,填写《月份医疗工作总结表》,科主任签字后交医务科审查。
6、每年底对本年度科室医疗质量控制情况进行总结,并完成《全年医疗工作总结表》的填写.麻醉科医疗质量管理小组成员及职责分工一、科室医疗质量管理小组成员及职责:组长:方平(副主任医师):科主任副组长:陈霞(护士):代理护士长成员:黄祖容(麻醉医师)眭晓渊(麻醉医师)游帅(麻醉医师)唐秀利(护师)陈春蓉(护师)肖艳(护师)尹蕾(护师)职责:1、制定科室医疗、护理质量控制指标,完善相关管理制度、诊疗规范、操作常规、职责、预案、流程.2、督促检查各项制度、职责的落实情况,发现问题及时报告及整改。
3、针对科室院内感染控制、投诉、纠纷、危急值报告的处理情况、不良事件进行讨论、分析,查找原因,持续改进。
4、定期进行自查、评估分析及整改措施的效果评价。
二、具体分工及职责:组长方平(副主任医师):全面负责本科医疗质量及安全。
督促各小组成员职责落实情况,每月定期组织召开质控会议,听取各质控小组的汇报,总结各小组质控存在的问题及效果评价,提出处理意见,确定整改措施,保证科室医疗质量得到持续改进。
副组长陈霞(护士):1、协助组长工作,负责护理质量与安全的管理工作。
2、定期对科室的护理质量进行检查、分析、总结、反馈、整改,体现持续改进。
3、督导护理质量安全落实,重点检查手术患者安全、无菌技术管理。
麻醉科每月质控报告表日期: ______月份: _____
指标手术室 A 手术室 B 手术室 C
麻醉开始时间(平均)
麻醉结束时间(平均)
深度监测(%)
镇痛监测(%)
无效麻醉事件(次)
术中镇痛不足事件(次)
恢复时间(平均)
说明:
1. 指标:列出所监测的各项指标。
2. 手术室:列出麻醉科管辖的各个手术室。
3. 麻醉开始时间:记录麻醉开始的平均时间。
4. 麻醉结束时间:记录麻醉结束的平均时间。
5. 深度监测:记录深度监测达标的百分比。
6. 镇痛监测:记录镇痛监测达标的百分比。
7. 无效麻醉事件:记录无效麻醉事件的次数。
8. 术中镇痛不足事件:记录术中镇痛不足事件的次数。
9. 恢复时间:记录患者恢复正常状态的平均时间。
本月质控报告总结:
在本月的麻醉工作中,所有指标均达标。
但是,手术室C存在无效麻醉事件的情况,需要加强相关措施,减少无效麻醉的发生
率。
同时,针对术中镇痛不足事件的发生,麻醉科已经提出了相应的改进方案。
未来,麻醉科将会一如既往地秉承安全第一、患者至上的原则,继续提升麻醉工作的质量水平。
.麻醉科日常质量控制与持续改进记录
时间地点手术室医师办公室检查人员
检查内容手术室内日常临床麻醉工作
当月工作小结手术麻醉总例数例医疗纠纷、医疗事故发生例数例全身麻醉例数例椎管内麻醉例数例院内会诊、协助抢救危重患者例数例麻醉记录单合格例数例手术安全核查记录表、手术风险评估表不合格例数例严重麻醉并发症发生例数例术中变更麻醉方法例数例择期手术术前访视例数例术后随访例数例术后镇痛例数例业务学习次数人次病例讨论次数次每月考试考核合格率合格
麻醉药品及麻醉处方管理良好
手术室内日常质控工作完成情况较好
医疗质量
存在的问
题(包括
患者姓
名、住院
号、麻醉
单号)
姓名住院号手术名称麻醉存在问题医师
医疗质量存在的问题(包括患者姓
名、住院号、麻醉单号、存在问题与缺陷1、手术麻醉结束后部分医师没有亲自配送患者返回病房;
2、麻醉中所用药物有漏开处方现象,部分麻醉处方开具不规范,存在不填写身份证号码等问题;
3、麻醉记录单质量较之以前有好转,但仍存在有不规范现象。
原因分析1、工作中存在大意、侥幸心理,没有严格执行科室内关于术后患者转出手术室的相关规章制度;
2、没有严格认真核对术中使用药物及处方。
整改措施1、加强科室规章制度的执行,严格要求术后患者转出手术室必须有麻醉医师及手术医师亲自送入病房或者ICU内,并做好交接工作,确保患者安全;
2、认真核对术中使用药物,严格按照我院处方开具要求及时规范开具处方,尤其是毒麻药品处方。
质控人员签名科主任签名日期。
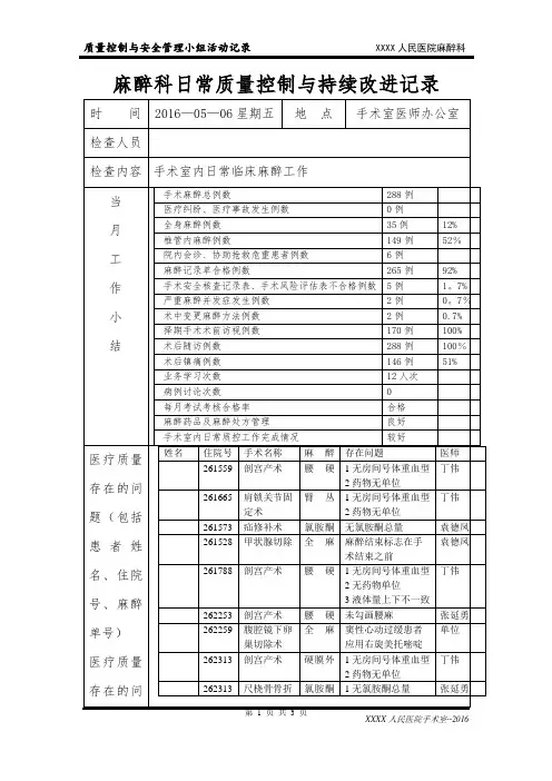
麻醉科日常质量控制与持续改进记录时间2016-05-06星期五地点手术室医师办公室检查人员检查内容手术室内日常临床麻醉工作当月工作小结手术麻醉总例数288例医疗纠纷、医疗事故发生例数0例全身麻醉例数35例12%椎管内麻醉例数149例52%院内会诊、协助抢救危重患者例数6例麻醉记录单合格例数265例92%手术安全核查记录表、手术风险评估表不合格例数5例1。
7%严重麻醉并发症发生例数2例0。
7%术中变更麻醉方法例数2例0。
7% 择期手术术前访视例数170例100%术后随访例数288例100%术后镇痛例数146例51%业务学习次数12人次病例讨论次数0每月考试考核合格率合格麻醉药品及麻醉处方管理良好手术室内日常质控工作完成情况较好医疗质量存在的问题(包括患者姓名、住院号、麻醉单号)姓名住院号手术名称麻醉存在问题医师261559 剖宫产术腰硬1无房间号体重血型2药物无单位丁伟261665 肩锁关节固定术臂丛1无房间号体重血型2药物无单位丁伟261573 疝修补术氯胺酮无氯胺酮总量袁德凤261528 甲状腺切除全麻麻醉结束标志在手术结束之前袁德凤261788 剖宫产术腰硬1无房间号体重血型2无药物单位3液体量上下不一致丁伟262253 剖宫产术腰硬未勾画腰麻张延勇262259 腹腔镜下卵巢切除术全麻窦性心动过缓患者应用右旋美托嘧啶单位262313 剖宫产术硬膜外1无房间号体重血型2药物无单位丁伟262313 尺桡骨骨折氯胺酮1无氯胺酮总量张延勇医疗质量存在的问题(包括患者姓名、住院号、麻醉单号、存在问题与缺陷以及相关责任人等)内固定2无液体总量262360 阑尾切除术硬膜外1无房间号体重血型丁伟262330 尺骨内固定臂丛无麻醉方法袁德凤262481 腹腔镜胆囊切除术全麻无七氟醚吸入标示袁德凤262489 腹腔镜胆囊切除术全麻拔除导管在手术结束之前丁伟261762 剖宫产术腰硬合并症与诊断重复褚衍强261851 剖宫产术腰硬未勾画腰麻张延勇261813 剖宫产术腰硬1无穿刺间隙2药物无单位丁伟261916 剖宫产术硬膜外药物无单位褚衍强261936 剖宫产术腰硬麻黄碱记录在地塞米松上丁伟261996 肱骨骨折固定术氯胺酮无氯胺酮总量褚衍强262044 剖宫产术腰硬未勾画腰麻张延勇262206 剖宫产术硬膜外未记录助产士袁德凤261119 胫骨内固定腰硬未勾画腰麻丁伟261264 疝修补术氯胺酮1年龄记录为1。