只设一个安全出口或疏散门的情况
- 格式:doc
- 大小:12.50 KB
- 文档页数:1
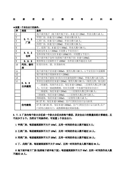
注册消防工程师考点归纳▲设置一个安全出口的条件:3.7.2 厂房内每个防火分区或一个防火分区内的每个楼层,其安全出口的数量应经计算确定,且不应少于2个;当符合下列条件时,可设置1个安全出口:1 甲类厂房,每层建筑面积不大于100m2。
且同一时间的作业人数不超过5人;2 乙类厂房,每层建筑面积不大于150m2,且同一时间的作业人数不超过10人;3 丙类厂房,每层建筑面积不大于250m2,且同一时间的作业人数不超过20人;4 丁、戊类厂房,每层建筑面积不大于400m2,且同一时间的作业人数不超过30人;5 地下或半地下厂房(包括地下或半地下室),每层建筑面积不大于50m2,且同一时间的作业人数不超过15人。
3.8.2 每座仓库的安全出口不应少于2个,当一座仓库的占地面积不大于300m2时,可设置1个安全出口。
仓库内每个防火分区通向疏散走道、楼梯或室外的出口不宜少于2个,当防火分区的建筑面积不大于100m2时。
可设置1个出口。
通向疏散走道或楼梯的门应为乙级防火门。
3.8.3 地下或半地下仓库(包括地下或半地下室)的安全出口不应少于2个;当建筑面积不大于100m2时,可设置1个安全出口。
地下或半地下仓库(包括地下或半地下室),当有多个防火分区相邻布置并采用防火墙分隔时,每个防火分区可利用防火墙上通向相邻防火分区的甲级防火门作为第二安全出口,但每个防火分区必须至少有1个直通室外的安全出口。
3.8.5 粮食筒仓上层面积小于1000m2,且作业人数不超过2人时,可设置1个安全出口。
5.5.5 除人员密集场所外,建筑面积不大于500m2、使用人数不超过30人且埋深不大于10m的地下或半地下建筑(室),当需要设置2个安全出口时,其中一个安全出口可利用直通室外的金属竖向梯。
除歌舞娱乐放映游艺场所外,防火分区建筑面积不大于200m2的地下或半地下设备间、防火分区建筑面积不大于50m2且经常停留人数不超过15人的其他地下或半地下建筑(室),可设置1个安全出口或1部疏散楼梯。
高层建筑内地观众厅、会议厅、多功能厅等人员密集场所,应设在首层或二、三层;当必须设在其它楼层时,除本规范另有规定外,尚应符合下列规定:一个厅、室地建筑面积不宜超过.一个厅、室地安全出口不应少于两个. 必须设置火灾自动报警系统和自动喷水灭火系统. 幕布和窗帘应采用经阻燃处理地织物.当高层建筑内设托儿所、幼儿园时,应设置在建筑物地首层或二、三层,并宜设置单独出入口.高层建筑每个防火分区地安全出口不应少于两个.但符合下列条件之一地,可设一个安全出口:十八层及十八层以下,每层不超过户、建筑面积不超过,且设有一座防烟楼梯间和消防电梯地塔式住宅.每个单元设有一座通向屋顶地疏散楼梯,且从第十层起每层相邻单元设有连通阳台或凹廊地单元式住宅.除地下室外地相邻两个防火分区,当防火墙上有防火门连通,且两个防火分区地建筑面积之和不超过本规范第条规定地一个防火分区面积地倍地公共建筑.塔式高层建筑,两座疏散楼梯宜独立设置,当确有困难时,可设置剪刀楼梯,并应符合下列规定:剪刀楼梯间应为防烟楼梯间.剪刀楼梯地梯段之间,应设置耐火极限不低于地实体墙分隔.剪刀楼梯应分别设置前室.塔式住宅确有困难时可设置一个前室,但两座楼梯应分别设加压送风系统.高层居住建筑地户门不应直接开向前室,当确有困难时,部分开向前室地户门均应为乙级防火门.高层公共建筑地大空间设计,必须符合双向疏散或袋形走道地规定.高层建筑地安全出口应分散布置,两个安全出口之间地距离不应小于.安全疏散距离应符合表地规定.高层建筑房间门或住宅户门至最近地外部出口或楼梯间地最大距离()位于两个安全出口之间地房间位于袋形走道两侧或尽端地房间医院病房部分其它部分旅馆、展览楼、教学楼其它安全疏散距离表跃廊式住宅地安全疏散距离,应从户门算起,小楼梯地一段距离按其倍水平投影计算.高层建筑内地观众厅、展览厅、多功能厅、餐厅、营业厅和阅览室等,其室内任何一点至最近地疏散出口地直线距离,不宜超过;其它房间内最远一点至房门地直线距离不宜超过. 位于两个安全出口之间地房间,当面积不超过时,可设置一个门,门地净宽不应小于.位于走道尽端地房间,当面积不超过时,可设置一个门,门地净宽不应小于.高层建筑内走道地净宽,应按通过人数每人不小于计算;高层建筑首层疏散外门地总宽度,应按人数最多地一层每个不小于计算.首层疏散外门和走道地净宽不应小于表地规定.高层建筑每个外门地净宽走道净宽单面布房双面布房医院居住建筑其它首层疏散外门和走道地净宽() 表疏散楼梯间及其前室地门地净宽应按通过人数每人不小于计算,但最小净宽不应小于.单面布置房间地住宅,其走道出垛处地最小净宽不应小于.高层建筑内设有固定座位地观众厅、会议厅等人员密集场所,其疏散走道、出口等应符合下列规定:厅内地疏散走道地净宽应按通过人数每人不小于计算,且不宜小于;边走道地最小净宽不宜小于.厅地疏散出口和厅外疏散走道地总宽度,平坡地面应分别按通过人数每人不小于计算,阶梯地面应分别按通过人数每人不小于计算.疏散出口和疏散走道地最小净宽均不应小于.疏散出口地门内、门外范围内不应设踏步,且门必须向外开,并不应设置门槛.观众厅座位地布置,横走道之间地排数不宜超过排,纵走道之间每排座位不宜超过个;当前后排座位地排距不小于时,每排座位可为个;只一侧有纵走道时,其座位数应减半.观众厅每个疏散出口地平均疏散人数不应超过人.观众厅地疏散外门,宜采用推闩式外开门.高层建筑地下室、半地下室地安全疏散应符合下列规定:每个防火分区地安全出口不应少于两个.当有两个或两个以上防火分区,且相邻防火分区之间地防火墙上设有防火门时,每个防火分区可分别设一个直通室外地安全出口.房间面积不超过,且经常停留人数不超过人地房间,可设一个门.人员密集地厅、室疏散出口总宽度,应按其通过人数每人不小于计算.建筑高度超过地公共建筑,应设置避难层(间),并应符合下列规定:避难层地设置,自高层建筑首层至第一个避难层或两个避难层之间,不宜超过层.通向避难层地防烟楼梯应在避难层分隔、同层错位或上下层断开,但人员均必须经避难层方能上下.避难层地净面积应能满足设计避难人员避难地要求,并宜按人计算.避难层可兼作设备层,但设备管道宜集中布置.避难层应设消防电梯出口.避难层应设消防专线电话,并应设有消火栓和消防卷盘.封闭式避难层应设独立地防烟设施.避难层应设有应急广播和应急照明,其供电时间不应小于,照度不应低于.建筑高度超过,且标准层建筑面积超过地公共建筑,宜设置屋顶直升机停机坪或供直升机救助地设施,并应符合下列规定:设在屋顶平台上地停机坪,距设备机房、电梯机房、水箱间、共用天线等突出物地距离,不应小于.出口不应少于两个,每个出口宽度不宜小于.在停机坪地适当位置应设置消火栓.停机坪四周应设置航空障碍灯,并应设置应急照明.除设有排烟设施和紧急照明者外,高层建筑内地走道长度超过时,应设置直接天然采光和自然通风地设施.高层建筑地公共疏散门均应向疏散方向开启,且不应采用侧拉门、吊门和转门.自动启闭地门应有手动开启装置.建筑物直通室外地安全出口上方,应设置宽度不小于地防火挑檐.疏散楼梯间和楼梯一类建筑和除单元式和通廊式住宅外地建筑高度超过地二类建筑以及塔式住宅,均应设防烟楼梯间.防烟楼梯间地设置应符合下列规定:楼梯间入口处应设前室、阳台或凹廊.前室地面积,公共建筑不应小于,居住建筑不应小于.前室和楼梯间地门均应为乙级防火门,并应向疏散方向开启.裙房和除单元式和通廊式住宅外地建筑高度不超过地二类建筑应设封闭楼梯间.封闭楼梯间地设置应符合下列规定:楼梯间应靠外墙,并应直接天然采光和自然通风,当不能直接天然采光和自然通风时,应按防烟楼梯间规定设置.楼梯间应设乙级防火门,并应向疏散方向开启.楼梯间地首层紧接主要出口时,可将走道和门厅等包括在楼梯间内,形成扩大地封闭楼梯间,但应采用乙级防火门等防火措施与其它走道和房间隔开.单元式住宅每个单元地疏散楼梯均应通至屋顶,其疏散楼梯间地设置应符合下列规定:十一层及十一层以下地单元式住宅可不设封闭楼梯间,但开向楼梯间地户门应为乙级防火门,且楼梯间应靠外墙,并应直接天然采光和自然通风.十二层及十八层地单元式住宅应设封闭楼梯间.十九层及十九层以上地单元式住宅应设防烟楼梯间.十一层及十一层以下地通廊式住宅应设封闭楼梯间;超过十一层地通廊式住宅应设防烟楼梯间.楼梯间及防烟楼梯间前室应符合下列规定:楼梯间及防烟楼梯间前室地内墙上,除开设通向公共走道地疏散门和本规范第条规定地户门外,不应开设其它门、窗、洞口.楼梯间及防烟楼梯间前室内不应敷设可燃气体管道和甲、乙、丙类液体管道,并不应有影响疏散地突出物.居住建筑内地煤气管道不应穿过楼梯间,当必须局部水平穿过楼梯间时,应穿钢套管保护,并应符合现行国家标准《城镇燃气设计规范》地有关规定.除通向避难层错位地楼梯外,疏散楼梯间在各层地位置不应改变,首层应有直通室外地出口.疏散楼梯和走道上地阶梯不应采用螺旋楼梯和扇形踏步,但踏步上下两级所形成地平面角不超过,且每级离扶手处地踏步宽度超过时,可不受此限.除本规范第 .条第款地规定以及顶层为外通廊式住宅外地高层建筑,通向屋顶地疏散楼梯不宜少于两座,且不应穿越其它房间,通向屋顶地门应向屋顶方向开启.地下室、半地下室地楼梯间,在首层应采用耐火极限不低于地隔墙与其它部位隔开并宜直通室外,当必须在隔墙上开门时,应采用乙级防火门.地下室或半地下室与地上层不宜共用楼梯间,当必须共用楼梯间时,宜在首层与地下或半地下屋地入口处,设置耐火极限不低于地隔墙和乙级防火门隔开,并应有明显标志.每层疏散楼梯总宽度应按其通过人数每人不小于计算,各层人数不相等时,其总宽度可分段计算,下层疏散楼梯总宽度应按其上层人数最多地一层计算.疏散楼梯地最小净宽不应小于表地规定.疏散楼梯地最小净宽度表高层建筑疏散楼梯地最小净宽度()医院病房楼居住建筑其它建筑室外楼梯可作为辅助地防烟楼梯,其最小净宽不应小于.当倾斜角度不大于,栏杆扶手地高度不小于时,室外楼梯宽度可计入疏散楼梯总宽度内.室外楼梯和每层出口处平台,应采用不燃材料制作.平台地耐火极限不应低于.在楼梯周围内地墙面上,除设疏散门外,不应开设其它门、窗、洞口.疏散门应采用乙级防火门、且不应正对梯段.公共建筑内袋形走道尽端地阳台、凹廊,宜设上下层连通地辅助疏散设施.消防电梯下列高层建筑应设消防电梯:一类公共建筑.塔式住宅.十二层及十二层以上地单元式住宅或通廊式住宅.高度超过地其它二类公共建筑.高层建筑消防电梯地设置数量应符合下列规定:当每层建筑面积不大于时,应设台.当大于但不大于时,应设台.当大于时,应设台.消防电梯可与客梯或工作电梯兼用,但应符合消防电梯地要求.消防电梯地设置应符合下列规定:消防电梯宜分别设在不同地防火分区内.消防电梯间应设前室,其面积:居住建筑不应小于;公共建筑不应小于.当与防烟楼梯间合用前室时,其面积:居住建筑不应小于;公共建筑不应小于.消防电梯间前室宜靠外墙设置,在首层应设直通室外地出口或经过长度不超过地通道通向室外.消防电梯间前室地门,应采用乙级防火门或具有停滞功能地防火卷帘.消防电梯地载重量不应小于.消防电梯井、机房与相邻其它电梯井、机房之间,应采用耐火极限不低于地隔墙隔开,当在隔墙上开门时,应设甲级防火门.消防电梯地行驶速度,应按从首层到顶层地运行时间不超过计算确定.消防电梯轿厢地内装修应采用不燃烧材料.动力与控制电缆、电线应采取防水措施.消防电梯轿厢内应设专用电话;并应在首层设供消防队员专用地操作按钮.消防电梯间前室门口宜设挡水设施.消防电梯地井底应设排水设施,排水井容量不应小于,排水泵地排水量不应小于.。
有关商住楼底商设置一个安全出口的探讨2010年4月第26卷第4期武警学院学报JOURNALOFCHINESEPEOPLE’SARMEDPOHCEFORCEACADEM YApr.2010V01.26No.4有关商住楼底商设置一个安全出口的探讨●李海宁,李陇陇(洛阳市消防支队,河南洛阳471000)摘要:建筑物安全出口的数量一般为两个,当建筑面积小到一定数值时,作为极限情况可以设一个安全出口,但现行规范对此规定并不十分明确.结合现行规范条文,对商住楼底层商业用房可以设一个安全出口的情况作了全面分析,并给不完善的规范条文提出了修改意见.关键词:公共建筑;安全出口;数量中图分类号:D631.6文献标识码:A文章编号:1008—2077(2010)04—0057—02’建筑物安全出口数量的确定,在建筑设计中是非常基础的问题,是每一栋建筑物都不可回避的,但在规范中又是最不明确的一个问题.特别是《建筑设计防火规范》(GB50016—2006,以下简称《建规》)中有关在什么情况下可以设一个安全出口更是一个经常碰到的基础性问题.建筑物安全出口的数量一般为两个,但建筑面积小到一定数值时,作为极限情况可以设一个安全出口.现行《建规》中有关安全出口数量可以确定为一个的,有三款规定:(1) 《建规》第5.3.2条第一款规定”建筑面积小于等于200m且人数不超50人的单层公共建筑,可设一个安全出口或疏散楼梯.”(2)《建规》第5.3.2条第二款规定”2,3层公共建筑当耐火等级为一,二级,每层建筑面积小于等于500m,且第二层和第三层的人数之和不超过100人时,可以设置一个安全出口或疏散楼梯.”(3)《建规》第5.3.8条第一款”公共建筑中当房间位于两个安全出口之间,且建筑面积小于等于120m,疏散门的净宽度不小于0.9m时,该公共建筑的房间可以设一个安全出口.”但是在工作实践中发现,现行《建规》中有关可以设一个安全出口的条文非常混乱而且不完善,笔者结合实际工作,就其中存在的问题加以分析,并提出了相应的修改方案.一,《建规》条文规定存在的问题(一)规范不完善,缺少关于商住楼底层商业用房的规定假设一栋耐火等级为一级的六层商住楼,底层每个商铺面积均为350m,为了方便讨论,设定每间商铺最多人数为20 人(可暂不考虑人数影响因索),对每个独立商铺而言,安全出口数量的确定在《建规》中找不到明确适用的条文,因为《建规》只规定了房间,单层和一至三层的情况.这就是规范的不完善之处.如果按照第一款规定,参照小于等于200m的单层公共建筑,则应设2个门,但六层商住楼适用单层公共建筑的概念明显不合适.如果按照第二款规定,参照每层小于等于500m的2,3层公共建筑,则可以设一个门,但六层商住楼适用2,3层公共建筑从概念上讲也不合适.如果按照第三款规定,公共建筑中位于两个出口之间的房间面积小于等于120m时,则应该设2个门.虽然条文中所指是位于两个出口之间的房间,但是暂且将邻街商铺虚拟为门前有一疏散通道且两头各有一个安全出口(何况虚拟出口可以更多,因此这里暂且不作安全出口更多时房间面积是否可以继续放大的讨论),便可勉强适用,继而得出”一栋耐火等级为一级的六层商住楼,底层每个商铺面积小于等于120m时,每个商铺可以设一个出口”的结论.三款规定相比之下,针对所假设情况,该条还是比较合适的.但单从字面上看该条是最不适用的,一个是商铺,一个是房间,而且还要虚拟为门前有一疏散通道,两头各有一个安全出口方能勉强讲得通.但对大多数使用规范的人来说,在实际真正能选择第三款规定解决相关问题的情况,还是比较少见的,勉强虚拟适用时毕竟前置条件太多太具体,实际适用较为困难.笔者对多家设计单位遇到此类问题处理办法的调查结论也同时证明了这一点.以上只是对底商为一层的六层商住楼进行了讨论,相似问题还有,如一层至二层或三层为商业用房的六层商住楼和高层商住楼底层商业用房,在《建规》及《高层民用建筑设计防火规范》(GB50045—95)中都没有对此问题做明确界定,急收稿日期:2010—01—26作者简介:李海宁(1968一),男,河南济源人,高级工程师;李陇陇(1968一),女,山东枣庄人,工程师.?57?《武警学院学报}2010年第4期(总第167期)?防火技术?需在下一步修订中加以完善.(二)三款规定,安全尺度不一,存在明显矛盾一种情况是设在三层建筑内,每层面积为500m的商业场所可以设一个楼梯(安全出口),已经符合规范要求.另一种情况是单层商业场所建筑面积超过200m时,必须设两个以上出口,也就是说单层建筑面积为500m的商业场所必须设2个以上安全出口.以上两种情况一对比,得出的结论就是:同样建筑面积为500m的商业场所,三层的要求比一层的要求还低,明显是违背常理的悖论.正确的做法是三层商业场所要求更严格一些才对,因为三层比一层疏散更困难一些(还需通过一段楼梯才能到达一楼),反而面积放宽到了不超500m便可设一个楼梯(安全出口).因此笔者认为,本质上看,三种提法是相互矛盾的.二,解决方案及依据(一)解决方案针对目前这种尴尬局面,急需在现行规范中做出明确规定.笔者提出如下建议,以便在今后修订规范时参考:《建规》是一项综合性的防火技术标准,政策性和技术性并存,既要经济又要科学,既要保证安全又要注重效益.因此,建议将《建规》第5.3.2条与《建规》第5.3.8条相关内容进行合并后,改为”不超过3层的公共建筑(含不超过3层的商业场所部分与超过3层的其它部分已作完全防火分隔的商住楼,综合楼等)当耐火等级为一,二级,每层建筑面积小于等于500m,且第二层和第三层的人数之和不超过100人时,可以设置一个安全出口或疏散楼梯.”或者改为”能形成独立三维防火空间的局部建筑空间(也可以是独立建筑空间),当耐火等级为一,二级,层数不超过三层,每层建筑面积不超过500m时,可以设一个安全出口(包括疏散楼梯口).”如此一来,上面列举的两大问题即可迎刃而解.(二)解决依据笔者之所以作以上建议,理由有以下三点:1.在采取一定防火措施的前提下,不超过3层的部分与超过3层的部分,在已作完全防火分隔的情况下,商住楼,综合楼中的底层商业部分应该是基本等同于独立的2,3层建筑中商业场所的.这里所说的作完全防火分隔是指采取防范措施,使下层商业部分形成独立防火空间.例如不能与4层以上共用楼梯,窗槛墙必须大于一定尺寸等.只要能形成独立的三维防火空间,那么单层商铺和商住楼底层商铺在安全性上是基本可以划等号的.同样,三层商业建筑与综合楼中一至三层商铺所形成的空间在安全性上也是基本可以视作等同的.这样修改的最终效果就是:能形成独立三维防火空间的局部建筑(也可以是独立建筑),在按综合楼统一考虑的前提下,又能根据功能不同区别对待,做到了不同功能空间的消防要求有一定的区别,彰显了规范的科学性,经济性与灵活性, 同时也解决了当前建筑功能越来越综合,越来越复杂的发展需要.2.一栋三层公共建筑,没有一部楼梯.如果有两层不用,仅考察第一层或任一层的安全情况,就出现了500m的房间仅仅设有一个安全出口或疏散楼梯的情况,明显与规范中第一种,第三种提法在安全尺度上不一致,存在明显矛盾,造成了同一规范不能自圆其说的局面.所以笔者建议将设一个出口的公共建筑最大上限建筑面积统一确定为500m,即可解决该矛盾.3.从多年防火实践工作来看,既然建筑面积小于等于500m的公共商业建筑设一个安全出口或疏散楼梯在实践中是安全的,而且可以节约建筑成本.那么依照既要经济又要安全的原则,就应该在实践中推行将公共商业建筑设一个出口的最大上限建筑面积统一确定为小于等于500m这一标准.如此一来既满足了日新月异的现代化建筑防火要求,又坚持了经济节约的原则.三,结束语本文所作讨论仅涉及安全出口或疏散楼梯的数量问题,有关疏散宽度及疏散距离问题仍按现行《建规》规定执行. 不排除因为疏散宽度过宽或疏散距离过长,而分设为两个安全出口或疏散楼梯的情况.可以设置一个安全出口或疏散楼梯的前置条件,除所讨论的面积,层数条件要求外,其它有关建筑物的等级,人数等仍按现行《建规》执行.本文所作讨论仅涉及商业场所安全出口或疏散楼梯的数量问题,有关娱乐场所的相关问题仍按现行《建规》等规定执行. AStudyofBuildingExitsontheFirstFloorofCommercialBuildings LIHai—ning,LILong—long(LuoyangMunicipalFireB rigade,He’nanProvince471000,China) Abstract:ItiSrequiredthataminimumoftwoexitsbebuiltOffthefirstfloorofab uildingwhileoneisneededforasmallbuilding.However,thecurrentregulationdefinesthisambiguously.This paperanalyzestheconditionofone exitandputssomesuggestionsaboutamendingthecurrentregulation. Keywords:publicbuilding;exit;number?58?(本栏责任编辑,校对李营)。
只设一个安全出口或疏散门的情况1.建筑物每个防火分区,或一个分区的每个楼层;一个大房间以及歌舞娱乐放映游艺场所的安全出口数不应少于2个。
2.建筑规模较小,使用人数较少,可以只设1个安全出口的例外情况:(1)一个房间可以只设立1个撤离门的条件:(主要就是公建平,崭新规范中止了人数管制)a.非高层建筑中一个房间位于2个安全出口之间,且建筑面积不大于120㎡,疏散门净宽不小于0.9mb.非高层建筑中,坐落于天下端的房间(托幼旧除外)内任一点至撤离门的距离不大于15m,撤离门净宽不大于1.4mc.非高层娱乐场所等人员密集建筑内面积不大于50㎡的房间d.高层公建平一个房间坐落于2个安全出口之间,且建筑面积不大于60㎡,撤离门净宽不大于0.9me.高层公建中,位于尽端的房间面积不大于75㎡,疏散门净宽不小于1.4mf.(半)地下室房间(包含娱乐场所)面积不大于50㎡,且经常逗留人数不少于15人时,可以设立一个门(g).(半)地下室房间(娱乐场所除外)面积不大于500㎡,且常留人数不超过30人时,直通室外的金属梯可作为第二安全出口(2)一个防雷分区可以只设立1个安全出口或疏散楼梯的条件:a.除托幼外的建筑面积不大于200㎡,且人数不超过50人的单层公建b.除医疗托幼老外的公建和通廊式非住宅类定居建筑的以下情况:最多三层的一二级耐热建筑,每层最小面积500㎡,第二三层人数之和不少于100人者;最多三层的三级耐热建筑,每层最小面积200㎡,第二三层人数之和不少于50人者;最多2层的四级耐热建筑,每层最小面积200㎡,第二层人数不少于30人者c.非高层居住建筑单元任一层建筑面积不大于650㎡,且任一户门距安全出口不大于15m时(但楼梯间形式和消防电梯设置应按相关规范设定,新规范去掉了塔式住宅和非高层单元式非住宅类居住建筑的特殊情况)d.10至18层的塔式住宅(当每层不少于8户),且建筑面积不少于650㎡,且任一户门距安全出口不大于10m,且建有一座防烟楼梯间和消防电梯者e.10至18层的单元式住宅,当每单元建有一座通向屋顶的楼梯,单元之间建有防火墙,且使用甲级户门,窗间墙宽度和窗槛墙高度大于1.2m且为不冷却体墙者f.超过18层的单元式住宅,理论上应设2个;但如果18层以上部分相邻单元的楼梯已通过阳台或凹廊连通,18层及以下部分满足g.汽车库人员安全出口可以只设立1个的情况:同一时间逗留人数不少于25人的汽车库;ⅳ类汽车库h.汽车库汽车安全出口可只设1个的情况:设双车道的ⅲ类地上汽车库;设双车道且停车数少于100辆的地下汽车库;ⅳ类汽车库(i).(半)地下室相连两个防雷分区之间的防火墙上建有防火门时,可以将通向相连防雷分区的防火门做为第二安全出口,但两个防雷分区各自必须存有一个自己的安全出口(这一条对非高层建筑的非地下室不可取);前文对高层建筑(除其地下室外)可取,但前提就是这两个防雷分区建筑面积之和不少于该类建筑一个防雷分区容许最小面积的1.4倍(即为一类1400㎡,二类2100㎡)(j).人防地下室可以只设立1个出口的特定情况(略)。
公共建筑楼梯及安全出口疏散门的设置要求一、安全疏散的通用要求1.两个安全出口和疏散门的距离不应下雨5米;地铁车站安全出口同方向设置时,两个安全出口之间净距不应小于IOm;2、建筑的楼梯一个通至屋顶,自动扶梯及电梯不得作为疏散出口;3、可以设置一个安全出口和疏散门的条件:非人员密集场所面积不大于500平方米、人数不超过30人、埋地不超过10米的地下半地下建筑,可利用直通室外的金属竖向梯作为其中一个出口;除歌舞娱乐放映游艺场所外的面积不大于200平方米的设备间、面积不大于50平方米且人数不超过15人的地下半地下建筑可设置一个安全出口或一部疏散楼梯,房间可设一个疏散门;4、建筑内敷设的汽车库,当电梯通至汽车库时应设电梯厅,应采用2.0小时的防火隔墙和以及防火门进行分隔;5、安全出口的上方应设置防火挑檐,挑出的宽度不得小于LO小时;二、公共建筑的安全晞散要求1.公共建筑的每个防火分区和楼层应设置不少于2个安全出口;2、规范允许设置一个安全出口或一部疏散楼梯的而条件:a、单层或多层的首层且建筑面积不超过200平方米、人数不超过50人(托儿所.幼儿园除外);b、除医疗建筑,老年人照料设施,托儿所.幼儿园的儿童用房,儿童游乐厅等儿童活动场所和歌舞娱乐放映游艺场所等外可设一个一个安全出口或一部疏散楼梯的而条件:①一二级耐火等级建筑,层数不超过3层、每层面积不大于200平方米、二三层人数之和不超50人;②三级耐火等级建筑,层数不超过三层、每层面积不大于200平方米、二三层人数之和不超25人;③四级耐火等级建筑,层数不超过三层、每层面积不大于200平方米、二层人数之和不超15人;3、利用通向相邻防火分区的甲级防火门作为安全出口的条件:①防火分区是以防火墙进行划分的;②防火分区面积大于1000平方米时应有不少于2个安全出口、防火分区面积小于100o平方米应有一个紫铜室外的安全出口;③借用的疏散出口宽度不得大于本防火分区需要的出口宽度的30%,且各层总的疏散宽度应满足规范要求。
安全疏散设施设计设置要求安全疏散设施安全疏散设施包括安全出口、疏散楼梯、疏散走道、消防电梯、事故广播、防排烟设施、屋顶直升飞机停机坪、事故照明和安全指示标志等。
一、安全出口建筑物内发生火灾时,为了减少损失,需要把建筑物内的人员和物资尽快撤到安全区域,这就是火灾时的安全疏散,凡是符合安全疏散要求的门、楼梯、走道等都称为安全出口。
如建筑物的外门;着火楼层梯间的门;防火墙上所设的防火门;经过走道或楼梯能通向室外的门等,都是安全出口。
直通室外的安全出口的上方,应设宽度不小于1m的防护挑檐。
(一)安全出口布置的原则布置安全出口要遵照“双向疏散”的原则,即建筑物内常有人员停留在任意地点,均宜保持有两个方向的疏散路线,使疏散的安全性得到充分的保证。
(二)安全出口的数量安全出口数量的多少,对保证人身安全和物资疏散极为重要。
但是,从经济角度出发,也不是设得越多越好。
一般来说,每个防火分区安全出口的数量不得少于两个。
不过于人员较少或面积较小的防火分区,以及消防队能从外部进行扑救的范围,由于其失火率相对较低,疏散与扑救较为便利,因此也可以适当放宽,不完全强调设两个安全出口,具体规定如下:1、公共建筑或厂房、仓库的安全出口不应少于两个。
剧院、礼堂、电影院、体育馆的观众厅及候车室、商场、展览馆等人员密集的公共场所,则必须根据容纳的人数确定,且在开放时能保证使用。
2、地下室、半地下室每个防火分区的安全出口不应少于两个,而且每个防火分区必须有一个直通室外的安全出口。
3、凡符合下列情况的,可只设一个安全出口(1)甲类厂房,每层面积不超过100 m2且同一时间的生产人数不超过10人者;乙类厂房,每层面积不超过150 m2且同一时间的生产人数不超过10人者;丙类厂房,每层面积不超过250 m2且同一时间的生产人数不超过20人者;丁、戊类厂房,每层面积不超过400 m2且同一时间的生产人数不超过30人者;(2)地下室、半地下室的面积不超过50 m2,且人数不超过10人者;(3)单层公共建筑(托儿所、幼儿园除外),如面积不超过200 m2,且人数不超过50人者;(4)塔式住宅,九层及九层以下,每层不超过6户,建筑面积不超过400 m2者;十层至十八层,每层不超过8户,建筑面积不超过500 m2,且设有一座防烟楼梯和消防电梯的;(5)仓库的占地面积不超过300 m2者;库房的地下室、半下室面积不超过l00 m2者。
建筑对消防安全出口和疏散门设置依据与设置要求下载提示:该文档是本店铺精心编制而成的,希望大家下载后,能够帮助大家解决实际问题。
文档下载后可定制修改,请根据实际需要进行调整和使用,谢谢!本店铺为大家提供各种类型的实用资料,如教育随笔、日记赏析、句子摘抄、古诗大全、经典美文、话题作文、工作总结、词语解析、文案摘录、其他资料等等,想了解不同资料格式和写法,敬请关注!Download tips: This document is carefully compiled by this editor. I hope that after you download it, it can help you solve practical problems. The document can be customized and modified after downloading, please adjust and use it according to actual needs, thank you! In addition, this shop provides you with various types of practical materials, such as educational essays, diary appreciation, sentence excerpts, ancient poems, classic articles, topic composition, work summary, word parsing, copy excerpts, other materials and so on, want to know different data formats and writing methods, please pay attention!建筑对消防安全出口和疏散门设置依据与设置要求在建筑设计中,消防安全出口和疏散门的设置是至关重要的,直接关系到人员在火灾等紧急情况下的安全逃生。
一、建筑防火1、可设置1个安全出口的情况:(1)厂房、仓库注:1.当一座仓库的占地面积≤300㎡时,可设置1个安全出口2.仓库内每个防火分区建筑面积≤100㎡时,可设1个3。
地下、半地下室建筑面积≤100㎡时,可设1个(2)民用建筑①除托儿所、幼儿园外,建筑面积≤ 200㎡且人数≤50人的单层公共建筑或多层公共建筑首层.3层建筑:②除老、幼、医、娱外,符合下表规定的2、③住宅除了下列情况,可以设1个安全出口④除歌舞娱乐放映游艺场所外,地下、半地下室设置1个安全出口的要求:2、民用建筑可设置1个疏散门的情况(1)托儿所、幼儿园、老年人建筑、医疗建筑、教学建筑位于走道尽端的房间至少设2个疏散门.除了这些场所,满足下列要求可以设1个疏散门:(2)位于两个安全出口之间或袋形走道两侧的房间,面积符合下列要求可设置1个疏散门:(3)歌舞娱乐放映游艺场所面积≤ 50 ㎡,且经常停留的人数≤ 15 人。
(4)地下、半地下注:注意和安全出口的要求有区别,地下室没有除去歌舞娱乐放映游艺场所.不要把安全出口和疏散门混淆.3、泄压面积计算(1)长径比计算公式长径比= 长边*横截面周长 / 4横截面积(2)长径比≤3时泄压面积A= 10CV(⅔次方)注:画立体图标数据,看图做题不易错。
另外,V2/3=V2开3次方.4、理解用水量计算多个建筑合用时:总用水量=max(消防用水)+∑(生产生活用水)消防用水=室外+室内其中:室外=室外消火栓若室内有多个防护区:室内=max(每个防护区的消防用水量)每个防护区的消防用水量=∑(室内消火栓,自灭,水幕)若室内只有一个防护区室内=∑(室内消火栓,自灭,水幕)5、建筑最低耐火等级要求6、最大允许建筑面积、建筑层数的要求(1)厂房注:厂房内设置自动灭火系统时,每个防火分区的最大允许建筑面积可按规定增加 1.0 倍.厂房内局部设置自动灭火系统时,其防火分区的增加面积可按该局部面积的 1。
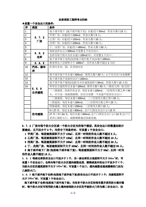
注册消防工程师考点归纳3.7.2 厂房内每个防火分区或一个防火分区内的每个楼层,其安全出口的数量应经计算确定,且不应少于2个;当符合下列条件时,可设置1个安全出口:1 甲类厂房,每层建筑面积不大于100m2。
且同一时间的作业人数不超过5人;2 乙类厂房,每层建筑面积不大于150m2,且同一时间的作业人数不超过10人;3 丙类厂房,每层建筑面积不大于250m2,且同一时间的作业人数不超过20人;4 丁、戊类厂房,每层建筑面积不大于400m2,且同一时间的作业人数不超过30人;5 地下或半地下厂房(包括地下或半地下室),每层建筑面积不大于50m2,且同一时间的作业人数不超过15人。
3.8.2 每座仓库的安全出口不应少于2个,当一座仓库的占地面积不大于300m2时,可设置1个安全出口。
仓库内每个防火分区通向疏散走道、楼梯或室外的出口不宜少于2个,当防火分区的建筑面积不大于100m2时。
可设置1个出口。
通向疏散走道或楼梯的门应为乙级防火门。
3.8.3 地下或半地下仓库(包括地下或半地下室)的安全出口不应少于2个;当建筑面积不大于100m2时,可设置1个安全出口。
地下或半地下仓库(包括地下或半地下室),当有多个防火分区相邻布置并采用防火墙分隔时,每个防火分区可利用防火墙上通向相邻防火分区的甲级防火门作为第二安全出口,但每个防火分区必须至少有1个直通室外的安全出口。
3.8.5 粮食筒仓上层面积小于1000m2,且作业人数不超过2人时,可设置1个安全出口。
5.5.5 除人员密集场所外,建筑面积不大于500m2、使用人数不超过30人且埋深不大于10m的地下或半地下建筑(室),当需要设置2个安全出口时,其中一个安全出口可利用直通室外的金属竖向梯。
除歌舞娱乐放映游艺场所外,防火分区建筑面积不大于200m2的地下或半地下设备间、防火分区建筑面积不大于50m2且经常停留人数不超过15人的其他地下或半地下建筑(室),可设置1个安全出口或1部疏散楼梯。
1、厂房每个防火分区、一个防火分区的每个楼层,其安全出口数量不少于2个,其相邻2个安全出口的最近边缘的距离不小于5m,满足下列条件可设置一个安全出口或一部疏散楼梯:
2、每座仓库、地下或半地下仓库的安全出口不应少于2个,仓库内每个防火分区通向疏散走道、楼梯、或室外的出口不宜少于2个,通向走道或楼梯的门应为乙级防火门,其相邻2个安全出口的最近边缘的距
3、公共建筑每个防火分区、一个防火分区的每个楼层,其安全出口数量不应少于2个,2个安全出口的
公共建筑安全出口的特殊设置情况:
4、住宅建筑每个单元、每层安全出口数量不少于2个,2个安全出口的最近边缘的距离不小于5m,符合下
6、每个房间疏散门数量不应少于2个,每个房间相邻两个疏散门最近边缘之间的水平距离≥5m,符合下列条件可设置1个疏散门:
7、剧场、电影院、礼堂、体育馆的观众厅、多功能厅疏散门的数量经过计算确定且不少于2个,并符合下列要求:。
可设1个安全出口、1部疏散楼梯、1个疏散门的情况
一、公共建筑
公共建筑内每个防火分区或一个防火分区的每个楼层,其安全出口的数量应经计算确定,且不应少于2个。
设置1个安全出口或1部疏散楼梯的公共建筑应符合下列条件之一:
1.除托儿所、幼儿园外,建筑面积不大于200m²且人数不超过50人的单层公共建筑或多层公共建筑的首层;
2.除医疗建筑,老年人建筑,托儿所、幼儿园的儿童用房,儿童游乐厅等儿童活动场所和歌舞娱乐放映游艺场所等外
二、厂房、仓库
三、可设置1个疏散门。
注册消防工程师考点归纳3.7.2 厂房内每个防火分区或一个防火分区内的每个楼层,其安全出口的数量应经计算确定,且不应少于2个;当符合下列条件时,可设置1个安全出口:1 甲类厂房,每层建筑面积不大于100m2。
且同一时间的作业人数不超过5人;2 乙类厂房,每层建筑面积不大于150m2,且同一时间的作业人数不超过10人;3 丙类厂房,每层建筑面积不大于250m2,且同一时间的作业人数不超过20人;4 丁、戊类厂房,每层建筑面积不大于400m2,且同一时间的作业人数不超过30人;5 地下或半地下厂房(包括地下或半地下室),每层建筑面积不大于50m2,且同一时间的作业人数不超过15人。
3.8.2 每座仓库的安全出口不应少于2个,当一座仓库的占地面积不大于300m2时,可设置1个安全出口。
仓库内每个防火分区通向疏散走道、楼梯或室外的出口不宜少于2个,当防火分区的建筑面积不大于100m2时。
可设置1个出口。
通向疏散走道或楼梯的门应为乙级防火门。
3.8.3 地下或半地下仓库(包括地下或半地下室)的安全出口不应少于2个;当建筑面积不大于100m2时,可设置1个安全出口。
地下或半地下仓库(包括地下或半地下室),当有多个防火分区相邻布置并采用防火墙分隔时,每个防火分区可利用防火墙上通向相邻防火分区的甲级防火门作为第二安全出口,但每个防火分区必须至少有1个直通室外的安全出口。
3.8.5 粮食筒仓上层面积小于1000m2,且作业人数不超过2人时,可设置1个安全出口。
5.5.5 除人员密集场所外,建筑面积不大于500m2、使用人数不超过30人且埋深不大于10m的地下或半地下建筑(室),当需要设置2个安全出口时,其中一个安全出口可利用直通室外的金属竖向梯。
除歌舞娱乐放映游艺场所外,防火分区建筑面积不大于200m2的地下或半地下设备间、防火分区建筑面积不大于50m2且经常停留人数不超过15人的其他地下或半地下建筑(室),可设置1个安全出口或1部疏散楼梯。
公共建筑的安全疏散和避难()公共建筑紧急出口和疏散门的数量和布置确保火灾紧急情况下人员的安全疏散.公共建筑内应设置足够数量的安全出口,且其应分散布置;公共建筑内的房间、厅和室应设置足够数量的疏散门。
安全出口和疏散门的数H应符合以下要求:(1)公共建筑中的每个防火分区或防火分区的每个楼层,其安全出口的数最应经计算确定,且不应少于2个。
符合下列条件之一的公共建筑.可设置1个安全出口或1部疏散楼梯:1)除托儿所、幼儿园外,建筑面积不大于200m2且人数不超过50人的单层公共建筑或多层公共建筑的一楼;2)除医疗建筑.老年人建筑,托儿所、幼儿园的儿童用房.儿童游乐厅等儿童活动歌舞场所和娱乐场所.符合表7・2规定的公共建筑。
可设置1带疏散楼梯的公共建筑表7-2(2)一、二级耐火等级的建筑物内的所有紧急出口都直接连接到室外防火分区,这非常困难.可利用通向相邻防火分区的甲级防火门作为安全出口,但应符合下列要求:1)当通向相邻防火分区的a类防火门用作紧急出口时.应采用防火墙与相邻防火分区分隔;2)建筑面积大于1000m2的防火分区,通向外部的紧急出口不得小于2个;建筑面积不大于1000m2的防火分区.通向外部的紧急出口不得小于1个;3)从防火分区到相邻防火分区的净疏散宽度不得大于根据规定计算的总净疏散宽度度的30%・建筑各层直通室外的安全出口总净宽度不应小于按规定计算所需疏散总净宽度。
(3)高层公共建筑的疏散楼梯,当确实难以设置分散式和从任何疏散门到最近的疏散楼梯时间入口的距离不大于10m时,可采用剪刀楼梯间.但应满足以下要求:1)楼梯应防烟;2)防火分区;3)楼梯间前室应单独设置。
(4)设置不少于2部疏散楼梯的一、二级耐火等级多层公共建筑,如顶层局部升高. 当高出部分的层数不超过2层、人数之和不超过50人且每层建筑面积不大于200m?时. 高出部分可设置1部疏散楼梯•但至少应另外设置1通过主楼平屋顶的安全出口口,且上人屋面应符合人员安全疏散要求。
第1篇在现代社会,随着工业生产规模的不断扩大,厂房的安全问题日益凸显。
特别是在火灾等紧急情况下,如何确保员工的生命安全,成为了一个亟待解决的问题。
为了保障员工的生命财产安全,我国制定了严格的安全疏散规定,以下将从多个方面对厂房安全疏散的规定进行详细阐述。
一、厂房安全出口的规定1. 安全出口数量:根据《建筑设计防火规范》的要求,厂房安全出口的数目不应少于两个。
在符合以下条件时,可设一个安全出口:- 使用人数少于50人;- 厂房内最远工作地点到安全出口或楼梯的距离不超过规定;- 厂房内疏散楼梯、走道、门的各自宽度应按规定。
2. 安全出口布置:厂房的安全出口应分散布置,每个防火分区或一个防火分区的每个楼层,其相邻两个安全出口最近边缘之间的水平距离不应小于5米。
3. 安全出口宽度:厂房安全出口的宽度应满足以下要求:- 当使用人数少于50人时,楼梯、走道和门的最小宽度可适当减小;- 厂房安全出口的宽度均指净宽度。
4. 安全出口类型:- 甲、乙、丙类厂房和高层厂房的疏散楼梯应采用封闭楼梯间;- 高度超过32米的且每层人数超过10人的高层厂房宜采用防烟楼梯间;- 高度超过32米的设有电梯的高层厂房,每个防火分区内设一台消防电梯(可与客、货梯兼用),并应符合一系列条件。
二、消防电梯的规定1. 消防电梯设置:高度超过32米的设有电梯的高层厂房,每个防火分区内应设一台消防电梯。
2. 消防电梯前室:- 面积不应小于6平米,与防烟楼梯间合用的前室,其面积不应小于10平米;- 前室宜靠外墙,在底层应设直通室外的出口,或经过长度不超过30米的通道向外开。
3. 消防电梯井、机房:- 与相邻电梯井、机房之间应采用耐火极限不低于2.5小时的墙隔开;- 如在隔墙上开门时,应设甲级防火门。
4. 消防电梯前室:应采用乙级防火门或防火卷帘。
5. 消防电梯:应设电话和消防队专用的操纵按钮。
6. 消防电梯井底:应设排水设施。
三、灭火器和器材的规定1. 灭火剂:水是最方便、来源最丰富的灭火剂。
民用建筑设计防火规范之安全疏散篇(一)安全出口的个数1.建筑物每个防火分区、一个楼层、一个大房间以及歌舞娱乐放映游艺场所的安全出口数不应少于2个。
2.建筑规模较小、使用人数较少,可以只设一个安全出口的例外情况:(1)一个房间面积不超过60m2,且人数不超过50人时,可设一个门。
位于走道尽端的房间(托幼除外):非高层建筑中,由最远一点到房门口直线距离不超过14m,且人数不超过80人,高层建筑中,面积不超过75n/时;可以只设一个净宽不小于1.4m的外开门.(2)歌舞娱乐放映游艺场所建筑面积不大于50m2;地下室、半地下室的房间面积不大于50m2,且经常停留人数不超过10人时;可设一个门。
(3)二、三层建筑(医疗托幼除外)一、二级耐火,每层面积不大于500m2,二、三层人数和不超过100人时,可设一个疏散楼梯。
(4)塔式住宅:9层及其以下,每层建筑面积不大于500m2,可设一个楼梯;10至18层,每层不超过8户,建筑面积不大于650m2,且设有一座防烟楼梯间和消防电梯时,可设一个安全出口。
(5)非高层的单元式宿舍,每层建筑面积不大于300m2,人数不超过30人,可设一个楼梯。
(6)单元式住宅,一般只有一座楼梯和安全出口。
但超过6层时,各单元楼梯均应通到平屋顶,且从第十层起每层相邻单元应设有连通阳台或凹廊。
7至9层的单元式住宅,如户门用乙级防火门时,楼梯可不通至屋顶。
(7)相邻两个防火分区之间的防火墙上开有防火门时,两个防火分区可各自设一个安全出口,而将通向相邻防火分区的防火门作为第二安全出口。
在高层建筑中,此项规定的适用前提是,这两个防火分区建筑面积之和不超过一个防火分区允许最大面积的1.4倍。
3.观众厅安全出口不应少于2个。
剧院、电影院、礼堂观众厅每个安全出口的平均疏散人数不应超过250人,容纳人数超过2000人时,其超过2000人的部分,每个安全出口的平均疏散人数不应超过400人。
体育馆观众厅每个安全出口的平均疏散人数不宜超过400-700人,规模较小时取值宜接近下限,规模较大时取值宜接近上限。
安全出口门的要求
安全出口门的要求如下:
1.建筑内的安全出口和疏散门应分散设置。
2.公共建筑内的每个防火分区或一个防火分区的每个楼层,其安
全出口的数量应经计算确定,且不应少于2个,只有当面积小于200平方米时可以设置1个安全出口。
其中,公共娱乐场所大于50平方米的应设两个出口。
3.建筑室内任一点至最近疏散门或安全出口的直线距离不应大于
30米,行走距离不大于45米。
4.公共场所内的营业厅、观众厅主要疏散走道应直通安全出口,
且室内直通室外疏散通道的净宽度不小于3米。
5.公共场所内的营业厅、观众厅等疏散门的净宽度不应小于1.4
米。
6.安全出口、疏散门不得设置门槛和影响疏散的障碍物,且门口
内外1.4米范围内不得设置台阶。
7.禁止占用、堵塞、封闭疏散通道和安全出口,影响安全疏散。
8.在袋形走道上,间距不应大于10米。
9.应保证疏散标志指向最近的安全出口,并使人员在走道的任何
位置都能看见和识别。
以上是安全出口门的一些基本要求,但具体要求可能会因地区和建筑类型的不同而有所不同。
因此,在设计和使用安全出口门时,应咨询专业的建筑师或消防安全机构以获取准确的信息。
1.建筑物每个防火分区,或一个分区的每个楼层;一个大房间以及歌舞娱乐放映游艺场所的安全出口数不应少于2个。
2.建筑规模较小,使用人数较少,可以只设1个安全出口的例外情况:
(1)一个房间可只设1个疏散门的条件:(主要是公建中,新规范取消了人数限制)
a.非高层建筑中一个房间位于2个安全出口之间,且建筑面积不大于120㎡,疏散门净宽不小于
b.非高层建筑中,位于尽端的房间(托幼老除外)内任一点到疏散门的距离不大于15m,疏散门净宽不小于
c.非高层娱乐场所等人员密集建筑内面积不大于50㎡的房间
d.高层公建中一个房间位于2个安全出口之间,且建筑面积不大于60㎡,疏散门净宽不小于
e.高层公建中,位于尽端的房间面积不大于75㎡,疏散门净宽不小于
f.(半)地下室房间(包括娱乐场所)面积不大于50㎡,且经常停留人数不超过15人时,可设一个门
(g).(半)地下室房间(娱乐场所除外)面积不大于500㎡,且常留人数不超过30人时,直通室外的金属梯可作为第二安全出口
(2)一个防火分区可只设1个安全出口或疏散楼梯的条件:
a.除托幼外的建筑面积不大于200㎡,且人数不超过50人的单层公建
b.除医疗托幼老外的公建和通廊式非住宅类居住建筑的以下情况:最多三层的一二级耐火建筑,每层最大面积500㎡,第二三层人数之和不超过100人者;最多三层的三级耐火建筑,每层最大面积200㎡,第二三层人数之和不超过50人者;最多2层的四级耐火建筑,每层最大面积200㎡,第二层人数不超过30人者
c.非高层居住建筑单元任一层建筑面积不大于650㎡,且任一户门距安全出口不大于15m时(但楼梯间形式和消防电梯设置应按相关规范设定,新规范去掉了塔式住宅和非高层单元式非住宅类居住建筑的特殊情况)
到18层的塔式住宅(当每层不超过8户),且建筑面积不超过650㎡,且任一户门距安全出口不大于10m,且设有一座防烟楼梯间和消防电梯者
到18层的单元式住宅,当每单元设有一座通向屋顶的楼梯,单元之间设有防火墙,且采用甲级户门,窗间墙宽度和窗槛墙高度大于且为不燃烧体墙者
f.超过18层的单元式住宅,理论上应设2个;但如果18层以上部分相邻单元的楼梯已通过阳台或凹廊连通,18层及以下部分满足"e"条者
g.汽车库人员安全出口可只设1个的情况:同一时间停留人数不超过25人的汽车库;Ⅳ类汽车库
h.汽车库汽车安全出口可只设1个的情况:设双车道的Ⅲ类地上汽车库;设双车道且停车数少于100辆的地下汽车库;Ⅳ类汽车库
(i).(半)地下室相邻两个防火分区之间的防火墙上开有防火门时,可将通向相邻防火分区的防火门作为第二安全出口,但两个防火分区各自必须有一个自己的安全出口(这一条对非高层建筑的非地下室不可行);前文对高层建筑(除其地下室外)可行,但前提是这两个防火分区建筑面积之和不超过该类建筑一个防火分区允许最大面积的倍(即一类1400㎡,二类2100㎡)(j).人防地下室可只设1个出口的特殊情况(略)。