自动打胶机设备维护保养手册
- 格式:docx
- 大小:53.26 KB
- 文档页数:3
设备保养与维修手册第一部分:介绍设备保养与维修手册对于企业和个人来说都是非常重要的工具。
它提供了详细的指导和说明,帮助用户正确操作、保养和维修设备。
本手册旨在向用户提供全面的设备保养和维修知识,确保设备能够正常运行并保持最佳性能。
第二部分:设备保养设备保养是确保设备长期稳定运行的关键措施之一。
正确的保养可以延长设备的使用寿命,避免故障和损坏。
以下是设备保养的一般步骤:1. 定期清洁:定期清洁设备的表面和内部部件,确保设备没有灰尘、油脂等物质积累。
2. 润滑维护:根据设备制造商的建议,定期为设备的移动部件添加适当的润滑剂,以减少摩擦和磨损。
3. 处理故障:及时处理设备的故障,避免故障进一步扩大和影响设备的正常运行。
4. 更新软件和固件:如果设备有可升级的软件或固件,及时进行更新,以确保设备使用最新的功能和性能。
第三部分:设备维修尽管设备保养可以减少设备故障的发生,但在一些情况下,设备可能仍然需要维修。
设备维修需要特定的技能和知识,应由专业人员进行。
以下是一般设备维修过程的概述:1. 故障诊断:对设备进行全面的故障诊断,找出引起设备故障的原因。
2. 维修计划:基于故障诊断结果,制定合理的维修计划,包括所需的零部件、工具和时间。
3. 维修操作:根据维修计划进行设备维修,确保按照正确的步骤和程序进行。
4. 维修测试:在维修完成后,进行设备测试以确保设备恢复正常运行。
第四部分:安全注意事项在进行设备保养和维修时,必须始终牢记安全第一。
以下是一些设备保养和维修过程中需要注意的安全事项:1. 关闭电源:在进行设备保养和维修之前,必须先关闭设备的电源,以避免电击和其他安全风险。
2. 使用适当的工具:使用适当的工具和设备进行维护和修理,确保工具符合安全标准。
3. 遵循操作指南:按照设备制造商提供的操作指南进行保养和维修,避免错误和不安全的操作。
4. 穿戴个人防护装备:在进行设备维修时,必须佩戴适当的个人防护装备,如手套、护目镜等。
胶机维修保养工作细则一、在对胶机喷嘴进行清洗前,必须用专用铲刀将喷嘴附近所有胶粘物清除干净,清洁不方便的角度必须拆除支撑板、过渡辊等后再进行清洁工作。
二、一定要用钻有小孔的汽油壶,先淋到被清洗的喷嘴位时,才可用铜刷垂直拉喷嘴纵向略带旋转拉锯式清洗。
三、清洗前垫上废床垫,以免弄脏材料或机器。
四、需移动枪体进行清洗时,要先测量原始位置,清洗完毕后必须复原,以免造成次废品。
五、对在运行中的胶枪要每班巡查至少二次,巡查中必须注意一下几点:1、喷嘴清洗度,如发现气孔边缘有结碳物,可用相同孔数的喷嘴在停机后更换之;2、并将换下的喷嘴进烤箱用℃温度、时间4小时烘烤后再次清除表面杂质,用通针和高压空气吹净备用。
六、要注意观察各工作的喷枪的雾化效果是否良好,有无飞丝及滴胶现象。
七、要将巡检中发现的问题记录下来,如遇到解决不了的问题,应及时上报主管,共同商讨或咨询胶机厂家工程师一起来解决,切不要独自长时间处理故障。
八、当需要拆卸阀体进行清洁保养时,切记务必将对应的枪、管设定温度下调至70℃后并到达实际温度时方可拆卸,并需将雾化气量调大至工作气压的1~2倍,防止胶流到气孔里引起结碳现象。
九、定期对橡筋喷嘴进烤箱保养,并要求有记录,间隔时间暂定为每日1次。
十、定期检查并记录清洁胶机内外部,包括加胶孔,边缘粘结物进出冷却循环风扇是否运行良好。
十二、定期清洁胶机、胶枪过滤网,清洁时间视出胶量的多少来摸索一套实际所需间隔时间,原则上来说,大枪要比小枪检查清洁的频率要高一些。
十三、主管对胶机、胶枪保养考核的标准是生产线上每一把枪的喷嘴气孔无粘结物、枪体无结碳物、气管及喉管无粘结物,喷嘴紧固螺丝孔,螺纹无粘结物,枪体要大致见到金属本色,无明显划痕,胶机控制箱内无积尘,胶机外壳无污物,长时间不用的胶机要用干净的塑料袋包覆,以防粉尘堆积。
并抽查胶机维护保养人员的保养记录。
十四、协助操作人员换码时所需的喷嘴孔数更换工作。
全自动点胶机保养和维护方法
全自动点胶机设备已经被大量生产企业使用,但是全自动点胶机的保养维护技巧却还没引起大家的关注。
平时做好保养好全自动点胶机的工作,也很至关重要。
这样能避免机器在生产过程中发生突然性问题,因此耽误正常生产。
卓光科技自动化为大家讲解几个最为实用的保养全自动点胶机的方法:
1、更换胶种,需清洗管路,此时先关闭进料阀,打开点胶阀,将胶桶剩余胶料排出后,关闭排料阀打开进料阀将清洗溶剂倒入储胶桶内,激活本机,依平时操作方式将溶剂压出冲洗。
2、机器定量缸的升降器需要定期润滑,以增加使用寿命;定期(每周一次)用黄油枪加高温锂基脂2-3 枪于油嘴处。
3、气压进气不正常及发现有水气,请将调压过滤器内之水气排除或检查气压源有无异样即可。
4、机台部分请定期擦拭干净,以增加使用寿命。
混合在一起的胶量越多,其反应就越快,固化速度也会越快,所以要根据实际生产情况进行合理配胶,否则造成胶水的浪费。
排除意外,提高生产效率。
如今液体控制技术和全自动点胶设备广泛地应用到现代工业中的各种生产领域。
5、机台长时间停用时应当拔下电源,这样不仅能使机器的寿命延长而且还会省下来不少的电费。
随着日新月异的工业发展的需要,液体控制技术和点胶设备也在不断的发展到超高精密控制和多样化及专业化
保证全自动点胶机能正常运行生产,能给企业带来更高的效率更好的效益;也能延长机器的寿命。
以上是小编和大家分享的点胶机知识,希望能够帮助大家。
自动打胶机设备维护保养手册(总2页)-CAL-FENGHAI.-(YICAI)-Company One1-CAL-本页仅作为文档封面,使用请直接删除自动打胶机设备维护保养手册一、型材打胶机维护保养为防止零部件老化,保证每次生产质量,需对设备进行维护保养。
内容如下:1、生产员工每天需要对工作台面进行清理,用清洁剂和软布等清除滴落的残胶及杂物,保证传感器能正常识别。
2、每班次接班前需要进行原地排胶,检查枪头是否堵塞,如果堵塞需要进行清理,直到排胶顺畅才可进行生产。
3、停止生产十分钟以上都要将枪头浸泡到硅油中,并及时的关闭空气马达滑阀。
防止硅油固化堵塞枪头。
4 、为了防止密封圈老化、破损和变形,延长密封圈的使用寿命,设备人员需每半个月用硅油对轴杆进行清洗。
5、在拿放型材时,避免型材碰撞到正反向感应器,以及避免硅胶沾到感应器上,影响感应器的灵敏度。
6、经常检查台面上的传感器是否被硅胶和杂物挡住,以免使机器不能初始化。
7、员工不能自行调节压力表,影响胶量,会造成打胶质量和设备参数问题。
8、设备人员每三个月要对设备导轨进行润滑,把导轨上涂上润滑油,保障导轨灵活。
9、设备人员要经常检查螺丝是否松动,接头是否漏气,发现问题立即维护,保证生产和安全。
10、设备人员在换胶时,一定要将里面的空气排干净,否则里面的硅胶固化损坏设备,也会影响打胶质量。
11.、油杯中的硅油每半个月要进行更换,保证硅油杯中硅油的纯度,不得有硅胶和其它杂物进入油杯中,发现里面有异物要进行更换。
12、工艺人员要根据桶中胶量的不同对设备气压进行调节,保障胶量要求。
二、接线盒打胶机保养维护为防止零部件老化,保证每次生产质量,需对设备进行护保养。
内容如下:1、每天要对设备外表上的硅胶和杂物灰尘进行清理,保证外表干净整齐,防止操作时污染物料。
2、每班次接班时要进行排胶,检查枪头是否堵塞,如果堵塞需要进行清理,直到排胶顺畅才可进行生产。
3、停止生产十分钟以上都要将枪头浸泡到硅油中,并及时的关闭空气马达滑阀。
自动化设备保养手册一、概述自动化设备在工业生产中起着重要的作用,通过保养可以有效延长设备的使用寿命,提高设备的稳定性和生产效率。
本手册旨在指导使用者正确进行自动化设备的保养工作,确保设备正常运行。
二、保养周期1. 日常保养:每日对设备进行检查,清洁设备表面,排除灰尘和杂物。
2. 定期保养:每周对设备进行全面检查,检查设备各部件是否正常运行,是否有异常声音或震动。
3. 季度保养:每季度对设备进行深度维护,更换易损件,清洗设备内部,检查供电线路和接线是否正常。
4. 年度保养:每年对设备进行全面维修,彻底清洁设备内部,对设备进行全面检测和调整。
三、保养步骤1. 关闭电源:在进行任何保养工作之前,务必切断设备的电源,确保安全。
2. 周期检查:按照保养周期进行设备的检查工作,记录设备的运行情况和发现的问题。
3. 清洁保养:清洁设备表面和内部,用清洁剂擦拭设备表面,清理设备内部灰尘和污垢。
4. 部件更换:定期更换设备易损件,如皮带、轴承等,确保设备在良好的工作状态。
5. 润滑保养:定期对设备的关键部位进行润滑维护,保证设备顺畅运行。
6. 调试检查:在维护完成后,对设备进行调试检查,确保设备正常运行。
四、保养注意事项1. 严格按照保养周期进行维护,不要因懒惰或疏忽而延迟保养时间。
2. 在进行设备保养过程中,要避免因操作不当引起的事故。
3. 保养结束后,要对设备进行功能测试,确认设备正常运转。
4. 在进行润滑保养时,要选择适合的润滑油,不得使用不符合标准的润滑油。
五、总结自动化设备的保养工作至关重要,正确的保养可以延长设备使用寿命,提高设备运行效率。
通过本手册的指导,希望您能够正确进行自动化设备的保养工作,确保设备始终处于最佳状态,为工业生产提供有力支持。
祝您工作顺利!。
1 每天开机前检查电源,气源是否正常,较量情况,一切正常后方可开机。
2 打开电源总开关,然后再开启电脑,回到工作手动状态,待进入打胶程序后进入回零状态,在回零前先查看辅助传送回零胶头垂直回零及胶头旋转回零是否会冲突,然后再逐步回零,待所有参数都归零后点击返回。
3点击手动进入手动控制界面然后点击传送正向与输出正向,待传送输出皮带动作后可用刀片清理皮带,清理皮带时需注意安全,清理干净后再次点击传送正向,输出正向停止皮带动作最后清理胶头,可以点击向上键使胶头向上移动到合适高度清理高度合适时点击向上键停止移动,胶头可旋转0度,90度,180度,270度方便清理,必须把胶头后方残余胶清理干净方便胶头浮动,清理干净后返回进入回零状态再次胶头垂直旋转回零,一切就绪后返回。
4进入玻璃厚度界面设置玻璃厚度,铝条宽度,完成后点击设置开始,待参数停止变化后返回。
5进入工艺界面,设置密封速度及压力,设置好后点击数据保存,设置完成以后旋转开关转到自动状态,按下排胶启动键,再按下排胶阀,这时胶头出胶,等胶混合均匀以后关闭排胶阀,旋转到手动状态,可以开始生产。
6打胶时先点击连线,然后旋转到自动状态,最后按下自动键,待玻璃移到打胶段点击暂停键,待第一条边打完胶以后会停止,这时可以检查打胶情况是否符合标准,如果不符合可通过密封速度和压力来调整,每次调整需点击数据保存,调整好后可正常生产。
7生产时需要把玻璃里面一张标签撕掉或贴到玻璃的最下方,防止光电感应开关感应到误动作损坏胶头。
在自动状态时注意不要用手或其他异物遮挡光电开关,有问题时及时按下急停开关或关闭电源。
8每条边的打胶情况可通过工艺里面的向上调整,上部调整,向下调整,底部调整来适当调整,每次调整需保存。
9打胶时若胶头残余胶较多时需及时清理,清理时注意安全防止辅助传送伤手,玻璃平整度不好时需要用手辅助玻璃,必须使检测器在两片玻璃之间移动。
10需要排胶时先关闭连线,待打胶的玻璃打完并移动到输出端以后按下排胶启动按钮,再按排胶阀。
打胶机安全操作保养规程前言打胶机是一种常见的工业设备,主要用于施加各种类型的胶水。
在使用这种机器时,我们必须严格遵守一些安全操作和保养规程,以确保我们的生产环境的安全和正常运作。
本文将介绍一些基本的打胶机安全操作和保养规程。
安全操作规程对于任何机器来说,安全操作都是至关重要的。
打胶机也不例外。
下面是一些安全操作规程,应该被坚持遵守。
1. 确认所有的防护装置都已经安装好打胶机的运行需要安装各种防护装置。
在不同的设备中,这些防护装置可能会有所不同。
但是,无论如何,您都应该确保所有的防护装置都已经正确安装。
对于缺少必要防护的打胶机,请勿进行操作。
2. 使用适当的胶水打胶机需要使用特定的胶水,而不是仅仅使用任何类型的胶水。
使用错误类型的胶水有可能会对机器产生不良影响。
在使用打胶机之前,请仔细阅读相关文档并选择正确的胶水。
3. 关闭所有的电源开关在使用打胶机之前,您需要确保所有的电源开关都已关闭。
这是为了避免人身伤害和设备损坏。
4. 禁止触摸活动部件在打胶机运行时,您必须离开活动部件,以避免触摸到活动部件导致人身伤害。
5. 暂停机器在进行任何维修或清洗操作之前,请确保暂停打胶机,以避免运行中的机器损坏。
保养规程正确地进行打胶机保养,可以确保机器的良好状态、延长其使用寿命并且避免不必要的维修费用。
下面是一些打胶机保养规程,我们应该遵守的。
1. 使用正确的清洁工具使用正确的清洁工具可以确保不会损坏打胶机的表面和其他部件。
使用凡是划痕表面的工具应该避免,否则可以划伤表面。
2. 遵守正确的存储方式如果您在长期不使用打胶机,请确保正确的存储方式,以避免损坏,或者停止机器。
3. 定期检查打胶机在日常使用中,必须定期检查打胶机是否有任何异常的现象。
这可以确保机器处于正常运行状态,并且早期发现一些问题并及时处理。
4. 定期更换配件打胶机需要更换一些配件,以确保其正常运行。
在机器使用过程中,一些配件可能会损坏和磨损,需要及时更换。
打胶机日常保养与维修一,注油1两个马达的加油主马达与辅料马达进气口均安装有油雾器,当其中的油低于底端刻线时应拆下油杯加注10号机油。
如果油雾器不滴油或者马达严重缺油时可将主马达进气管与马达连接处的活接拆掉,用油枪向里面加油,辅料马达可将其端盖螺母拧开加油。
2 三个泵的注油主泵,辅料泵,配比泵经过一段时间的使用后会有胶从里面渗漏出,流到油碗里。
可以把胶清理掉,加注机油。
用十字螺丝刀类顶住主,辅两泵油碗下端的圆孔处按顺时针方向紧固油碗;配比泵油碗用扳手拧紧即可。
3 安全阀的注油用油枪向安全阀的小孔注油,可以防止生锈。
二,清洗1 Y型过滤器其位置在辅料泵出口处,清洗时将端盖拧下,用煤油浸泡,用牙刷类刷子刷干净。
安装时将网放在端盖里用手拧到底,再用扳手拧紧。
用一组胶洗一次,如无杂质两组胶洗一次,灵活掌握。
2 大过滤器其位置在高压表B表右下,拧下回流阀下方胶管,拧下过滤器,将网及网芯取出,弹簧、取出,刷干净,将弹簧小孔套在网芯的凸点上。
倒着裝入器体后转过来拧在胶机上。
用3-5组洗一次,如无杂质,灵活掌握。
3混合器当胶流速变慢或者混胶不均时清洗混合器。
将混合器拆下横放在台钳上,夹住两端盖,不要夹到螺丝。
用六角扳手松开两端的六条螺丝,打开器体,取出垫片,挡针,混合芯。
将各个零件清洗干净。
端盖不要弄变形,各个平面不要有划伤。
混合器一端有凹槽,安装时将其放进有挡针孔的一面,将挡针放入挡针孔,横放在凹槽上。
更换好垫片后将端盖对准器体,A对A,P对P,拧上螺丝,拧好后横放在台钳上夹紧,用扳手拧紧下端的四条螺丝,松开台钳,器体旋转120°,夹紧台钳,再拧紧下面四条螺丝。
依次拧四五次即可。
按A面进口,P面出口安装到胶机上即可。
4 胶枪枪口混合器清洗时直接拧下枪口混合器取出混合芯即可。
清洗枪柄混合器时,先把枪上的定位螺丝松开,然后拧下枪柄混合器。
枪口混合器同混合器同周期清洗;抢柄混合器同枪同周期清洗,半年或一年洗一次。
制造业自动化设备维护保养手册第一章:总则 (2)1.1 自动化设备维护保养概述 (3)1.2 维护保养的组织与管理 (3)1.2.1 组织架构 (3)1.2.2 管理制度 (3)第二章:设备日常维护 (4)2.1 设备日常检查 (4)2.2 设备清洁与润滑 (4)2.3 日常故障排除 (5)第三章:设备定期检查与维护 (5)3.1 定期检查项目及周期 (5)3.1.1 检查项目 (5)3.1.2 检查周期 (6)3.2 定期维护保养方法 (6)3.2.1 清洁保养 (6)3.2.2 润滑保养 (6)3.2.3 更换易损件 (6)3.2.4 调整设备参数 (6)3.3 定期检查与维护记录 (6)第四章:设备故障分析与处理 (6)4.1 故障分类与等级 (6)4.2 故障原因分析 (7)4.3 故障处理流程 (7)第五章:设备维修与更换 (8)5.1 维修流程与规范 (8)5.1.1 维修流程 (8)5.1.2 维修规范 (8)5.2 更换零部件的标准 (8)5.2.1 更换标准 (8)5.2.2 更换流程 (9)5.3 维修与更换记录 (9)第六章:设备安全防护 (9)6.1 安全防护措施 (9)6.2 安全操作规程 (10)6.3 安全处理 (10)第七章:设备升级与改造 (10)7.1 设备升级的目的与意义 (10)7.1.1 设备升级的目的 (11)7.1.2 设备升级的意义 (11)7.2 设备改造的流程与要求 (11)7.2.1 设备改造的流程 (11)7.2.2 设备改造的要求 (12)7.3 改造后设备验收与评估 (12)7.3.1 设备验收 (12)7.3.2 设备评估 (12)第八章:设备维护保养技术培训 (12)8.1 培训对象与内容 (12)8.1.1 培训对象 (12)8.1.2 培训内容 (12)8.2 培训方式与方法 (13)8.2.1 培训方式 (13)8.2.2 培训方法 (13)8.3 培训效果评估 (13)8.3.1 评估指标 (13)8.3.2 评估方法 (14)第九章:设备维护保养成本控制 (14)9.1 成本构成分析 (14)9.2 成本控制措施 (14)9.3 成本效益分析 (15)第十章:设备维护保养质量管理 (15)10.1 质量管理体系 (15)10.1.1 概述 (15)10.1.2 质量管理体系建立 (15)10.2 质量管理方法 (16)10.2.1 全面质量管理(TQM) (16)10.2.2 故障树分析(FTA) (16)10.2.3 预防性维护保养 (16)10.3 质量改进措施 (16)10.3.1 建立设备维护保养质量数据库 (16)10.3.2 加强人员培训与考核 (17)10.3.3 采用先进技术和管理方法 (17)10.3.4 加强设备维护保养过程控制 (17)10.3.5 开展质量改进活动 (17)第十一章:设备维护保养信息化管理 (17)11.1 信息化管理平台建设 (17)11.2 信息化管理流程 (17)11.3 信息化管理效益 (18)第十二章:设备维护保养发展趋势与展望 (18)12.1 发展趋势分析 (18)12.2 发展策略与措施 (19)12.3 未来展望 (19)第一章:总则1.1 自动化设备维护保养概述自动化设备作为现代工业生产中的重要组成部分,其稳定运行对于保障生产效率和质量。
打胶机日常保养与维修本文由提供详情请点链接一,注油1两个马达的加油主马达与辅料马达进气口均安装有油雾器,当其中的油低于低端刻线时应拆下油杯加注10号机油。
如果油雾器不滴油或者马达严重缺油时可将主马达进气管与马达连接处的活接拆掉,用油枪想里面加油,辅料马达可将其端盖螺母拧开加油。
2 三个泵的注油主泵,辅料泵,配比泵经过一段时间的使用后会有胶从里面渗漏出,流到油碗里。
可以把胶清理掉,加注机油。
用十字螺丝刀类顶住主,辅两泵油碗下端的圆孔处按顺时针方向紧固油碗;配比泵油碗用扳手拧紧即可。
3 安全阀的注油用油枪向安全阀的小孔注油,可以防止生锈。
二,清洗1 Y型过滤器其位置在辅料泵出口处,清洗时将端盖拧下,用煤油浸泡,用牙刷类刷子刷干净。
安装时将网放在端盖里用手拧到底,再用扳手拧紧。
用一组胶洗一次,如无杂质两组胶洗一次,灵活掌握。
2 大过滤器其位置在高压表B表右下,拧下回流阀下方胶管,拧下过滤器,将网及网芯取出,弹簧、取出,刷干净,将弹簧小孔套在网芯的凸点上。
倒着裝入器体后转过来拧在胶机上。
用3-5组洗一次,如无杂质,灵活掌握。
3混合器当胶流速变慢或者混胶不均时清洗混合器。
将混合器拆下横放在台钳上,夹住两端盖,不要夹到螺丝。
用六角扳手松开两端的六条螺丝,打开器体,取出垫片,挡针,混合芯。
将各个零件清洗干净。
端盖不要弄变形,各个平面不要有划伤。
混合器一端有凹槽,安装时将其放进有挡针孔的一面,将挡针放入挡针孔,横放在凹槽上。
更换好垫片后将端盖对准器体,A对A,P对P,拧上螺丝,拧好后横放在台钳上夹紧,用扳手拧紧下端的四条螺丝,松开台钳,器体旋转300°,夹紧台钳,再拧紧下面四条螺丝。
依次拧四五次即可。
按A面进口,P面出口安装到胶机上即可。
4 胶枪枪口混合器清洗时直接拧下枪口混合器取出混合芯即可。
清洗枪柄混合器时,先把枪上的定位螺丝松开,然后拧下枪柄混合器。
枪口混合器同混合器同周期清洗;抢柄混合器同枪同周期清洗,半年或一年洗一次。
自动打胶机设备维护保养手册YKK standardization office【 YKK5AB- YKK08- YKK2C- YKK18】自动打胶机设备维护保养手册一、型材打胶机维护保养为防止零部件老化,保证每次生产质量,需对设备进行维护保养。
内容如下:1、生产员工每天需要对工作台面进行清理,用清洁剂和软布等清除滴落的残胶及杂物,保证传感器能正常识别。
2、每班次接班前需要进行原地排胶,检查枪头是否堵塞,如果堵塞需要进行清理,直到排胶顺畅才可进行生产。
3、停止生产十分钟以上都要将枪头浸泡到硅油中,并及时的关闭空气马达滑阀。
防止硅油固化堵塞枪头。
4 、为了防止密封圈老化、破损和变形,延长密封圈的使用寿命,设备人员需每半个月用硅油对轴杆进行清洗。
5、在拿放型材时,避免型材碰撞到正反向感应器,以及避免硅胶沾到感应器上,影响感应器的灵敏度。
6、经常检查台面上的传感器是否被硅胶和杂物挡住,以免使机器不能初始化。
7、员工不能自行调节压力表,影响胶量,会造成打胶质量和设备参数问题。
8、设备人员每三个月要对设备导轨进行润滑,把导轨上涂上润滑油,保障导轨灵活。
9、设备人员要经常检查螺丝是否松动,接头是否漏气,发现问题立即维护,保证生产和安全。
10、设备人员在换胶时,一定要将里面的空气排干净,否则里面的硅胶固化损坏设备,也会影响打胶质量。
11.、油杯中的硅油每半个月要进行更换,保证硅油杯中硅油的纯度,不得有硅胶和其它杂物进入油杯中,发现里面有异物要进行更换。
12、工艺人员要根据桶中胶量的不同对设备气压进行调节,保障胶量要求。
二、接线盒打胶机保养维护为防止零部件老化,保证每次生产质量,需对设备进行护保养。
内容如下:1、每天要对设备外表上的硅胶和杂物灰尘进行清理,保证外表干净整齐,防止操作时污染物料。
2、每班次接班时要进行排胶,检查枪头是否堵塞,如果堵塞需要进行清理,直到排胶顺畅才可进行生产。
3、停止生产十分钟以上都要将枪头浸泡到硅油中,并及时的关闭空气马达滑阀。
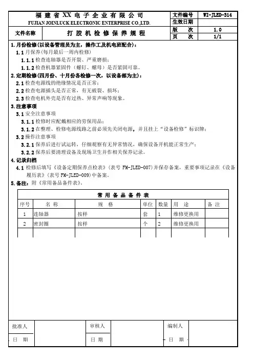
打胶机作业指导书
标题:打胶机作业指导书
引言概述:
打胶机是一种常用的工业设备,用于在产品制造过程中进行胶水涂布工作。
正确操作打胶机可以提高生产效率,保证产品质量。
本文将详细介绍打胶机的作业指导书,帮助操作人员正确使用打胶机。
一、安全操作
1.1 穿戴防护装备
1.2 熟悉打胶机的安全操作规程
1.3 定期检查打胶机的安全装置是否完好
二、打胶机的基本操作
2.1 打开电源,启动打胶机
2.2 调节胶水涂布厚度和速度
2.3 确保胶水均匀涂布在产品表面
三、维护保养
3.1 定期清洁打胶机
3.2 检查胶水涂布系统是否畅通
3.3 定期更换胶水和清洗喷嘴
四、故障排除
4.1 发现异常情况时及时停机
4.2 检查打胶机是否有漏胶现象
4.3 联系维修人员进行故障排查
五、注意事项
5.1 避免在高温环境下操作打胶机
5.2 遵守操作规程,不得随意更改设备参数
5.3 在操作过程中注意保持清洁,避免胶水污染环境
通过本文的作业指导书,操作人员可以更加熟练地使用打胶机,确保生产过程顺利进行,提高生产效率,保证产品质量。
希望读者能够认真阅读并遵守相关操作规程,做好打胶机的使用和维护工作。
自动化设备保养手册自动化设备是现代工业生产中不可或缺的一部分。
为了确保设备的正常运行和延长设备的使用寿命,定期进行设备的保养是非常重要的。
本手册将为您提供关于自动化设备保养的详细指导和方法。
第一章:保养原则和基本知识在开始介绍具体的保养方法之前,我们首先需要了解一些保养的基本原则和知识。
保养的目的是确保设备的正常运行、降低故障率和延长设备的使用寿命。
在保养过程中,我们应该注意以下几个原则:1. 定期性:根据设备的使用情况和厂家的建议,制定保养计划,并严格按照计划进行保养。
2. 全面性:保养不仅仅包括设备的表面清洁,还需要对设备的各个部分进行检查和维护。
3. 及时性:如果在保养过程中发现设备存在问题或者需要更换的部件,应该及时采取措施修复或更换。
4. 规范性:保养应该按照设备的操作手册或厂家的要求进行,确保保养的规范性和准确性。
第二章:设备保养方法2.1 清洁保养设备的表面经常会积累灰尘、油污等杂质,这些杂质会影响设备的散热效果和运行效率。
因此,定期进行设备的清洁保养是非常重要的。
清洁保养应该包括以下几个方面:1. 清洁设备的表面:使用清洁布或者专用清洁剂轻轻擦拭设备的表面,确保设备干净整洁。
2. 清洁设备内部:根据设备的类型和要求,使用专门的工具对设备内部进行清洁,清除积尘和油污。
3. 清洁设备附件和连接部件:对设备的附件和连接部件进行清洁,确保其正常的连接和运行。
2.2 润滑保养润滑是设备保养的重要一环。
通过适当的润滑可以减少设备的磨损、降低噪音和摩擦力,提高设备的工作效率和使用寿命。
在进行润滑保养时,应该注意以下几点:1. 使用适当的润滑剂:根据设备的类型和要求,选择适当的润滑油或润滑脂进行润滑。
2. 定期更换润滑剂:润滑剂在使用一段时间后会逐渐失效,所以需要定期更换润滑剂,确保润滑效果。
3. 注意润滑部位:润滑应该针对设备的关键部位和运动部件,在润滑之前先清洁润滑部位,然后适量涂抹润滑剂。
自动化设备保养手册样本1. 介绍自动化设备保养手册用于指导用户正确地维护和保养自动化设备,以确保其正常运行和延长使用寿命。
本手册提供了详细的保养步骤和注意事项,请用户仔细阅读并按照手册执行相应的操作。
2. 设备保养步骤2.1 清洁和除尘- 使用软布或吹风机清洁设备表面,确保无灰尘和杂质。
- 定期检查设备通风口是否堵塞,若有堵塞应及时清理。
2.2 润滑和维护- 根据设备的使用要求,在规定的时间间隔内进行润滑(如添加润滑油、润滑脂等),以保证设备的正常运作。
- 定期检查设备的轴承和传动部件是否存在异常磨损或松动,及时更换或修复。
2.3 定期检查和测试- 按照设备制造商提供的维护计划,定期检查设备的各个部件和系统,确保其性能正常。
- 对设备进行定期测试,检查各项功能和性能指标是否正常运行。
2.4 清理和更换滤芯- 定期清理设备中的滤芯,保证其过滤效果。
- 根据滤芯的使用寿命,及时更换损坏的滤芯,以保证设备的正常使用。
3. 注意事项- 在进行设备保养时,务必遵循产品说明书和安全操作规程,确保操作安全。
- 若有不明白的地方或发现异常情况,请及时联系设备制造商或专业技术人员进行处理。
- 遵循设备保养手册的步骤和周期进行保养,不要随意更改或省略步骤,以免影响设备的正常运行。
4. 总结本保养手册提供了自动化设备保养的基本步骤和注意事项。
通过遵循手册中的指导,并按照设备制造商提供的维护计划进行保养,可以确保设备的正常运行和延长使用寿命。
如有任何疑问或需要进一步的信息,请及时咨询设备制造商或专业技术人员。
以上是自动化设备保养手册样本的内容信息。
希望对您有所帮助!。
自动打胶机设备维护保养
手册
Prepared on 22 November 2020
自动打胶机设备维护保养手册
一、型材打胶机维护保养
为防止零部件老化,保证每次生产质量,需对设备进行维护保养。
内容如下:
1、生产员工每天需要对工作台面进行清理,用清洁剂和软布等清除滴落的残胶及杂物,保证传感器能正常识别。
2、每班次接班前需要进行原地排胶,检查枪头是否堵塞,如果堵塞需要进行清理,直到排胶顺畅才可进行生产。
3、停止生产十分钟以上都要将枪头浸泡到硅油中,并及时的关闭空气马达滑阀。
防止硅油固化堵塞枪头。
4 、为了防止密封圈老化、破损和变形,延长密封圈的使用寿命,设备人员需每半个月用硅油对轴杆进行清洗。
5、在拿放型材时,避免型材碰撞到正反向感应器,以及避免硅胶沾到感应器上,影响感应器的灵敏度。
6、经常检查台面上的传感器是否被硅胶和杂物挡住,以免使机器不能初始化。
7、员工不能自行调节压力表,影响胶量,会造成打胶质量和设备参数问题。
8、设备人员每三个月要对设备导轨进行润滑,把导轨上涂上润滑油,保障导轨灵活。
9、设备人员要经常检查螺丝是否松动,接头是否漏气,发现问题立即维护,保证生产和安全。
10、设备人员在换胶时,一定要将里面的空气排干净,否则里面的硅胶固化损坏设备,也会影响打胶质量。
11.、油杯中的硅油每半个月要进行更换,保证硅油杯中硅油的纯度,不得有硅胶和其它杂物进入油杯中,发现里面有异物要进行更换。
12、工艺人员要根据桶中胶量的不同对设备气压进行调节,保障胶量要求。
二、接线盒打胶机保养维护
为防止零部件老化,保证每次生产质量,需对设备进行护保养。
内容如下:
1、每天要对设备外表上的硅胶和杂物灰尘进行清理,保证外表干净整齐,防止操作时污染物料。
2、每班次接班时要进行排胶,检查枪头是否堵塞,如果堵塞需要进行清理,直到排胶顺畅才可进行生产。
3、停止生产十分钟以上都要将枪头浸泡到硅油中,并及时的关闭空气马达滑阀。
防止硅油固化堵塞枪头。
4、为了防止密封圈老化、破损和变形,延长密封圈的使用寿命,设备人员需每半个月用硅油对轴杆进行清洗。
5、员工不能自行调节压力表,影响胶量,会造成打胶质量和设备参数问题。
6、设备人员每三个月要对设备导轨进行润滑,把导轨上涂上润滑油,保障导轨灵活。
7、设备人员要经常检查螺丝是否松动,接头是否漏气,发现问题立即维护,保证生产和安全。
8、设备人员在换胶时,一定要将里面的空气排干净,否则里面的硅胶固化损坏设备,也会影响打胶质量。
9、油杯中的硅油每半个月要进行更换,保证硅油杯中硅油的纯度,不得有硅胶和其它杂物进入油杯中,发现里面有异物要进行更换。
10、设备人员每三个月要对X Y Z三个轴进行润滑,保障运行时的灵活性。
请各相关部门人员按照要求维护保养设备,尽好各自的职责。