电子工业废水处理工程设计标准
- 格式:docx
- 大小:37.87 KB
- 文档页数:3
电子工业废水排放标准
小编希望电子工业废水排放标准这篇文章对您有所帮助,如有必要请您下载收藏以便备查,接下来我们继续阅读。
本文概述:目前我国电子产业发展迅速,但是随之而来的电子工业废水处理成为棘手问题。
一些人问:电子工业废水排放标准是什么?下面和小编了解下吧。
电子工业废水中的重金属离子具有毒效长、不可生物降解等特点,且能够在生物体内富集,使生物体机能紊乱,对生态环境和人类健康产生严重危害。
那么电子工业废水排放标准是什么?下面和小编了解下吧。
目前网上没有公布电子工业废水排放标准。
电子行业废水比较复杂,除酸碱液外,一般还会有清洗、刻蚀、剥离等生产工艺中产生的废水,其中含有多种有机物和无机物,而且一些特种有机物在常规的检测方式(BOD5,COD)中,并不能体现出其实际的浓度。
电子行业废水中常见的污染物包括:染料、四甲基氢氧化铵、丙二醇甲醚醋酸酯、5-氨基四唑、磷酸盐、硝酸盐、氟化物、线型酚醛树脂、二乙二醇乙醚、四甘醇、1-氨基-2-丙醇、乙醇、异丙醇、丙酮、1-甲基吡咯烷酮、甲酰胺、N-甲基氨、环丁砜、季铵盐、乙酸丁酯、丙二醇甲醚丙酸酯、丙二醇甲醚醋酸酯等,电子行业废水具有水质波动大、含有有毒物质、处理难度大等特点。
电子行业废水的处理基本采用物化法(酸碱调节、加药沉淀)处理,达到当地污水排。
工业废水处理标准随着工业的不断发展和城市化进程的加快,工业废水问题日益突出。
工业废水中含有大量的有机物、无机盐、重金属等有害物质,对环境和人类健康造成严重威胁。
为了规范工业废水的处理,保护环境和公众健康,各国纷纷制定了一系列的工业废水处理标准。
本文将就工业废水处理标准进行讨论和分析。
一、工业废水的分类根据不同的工业制造过程和废水特性,工业废水可以分为多种类型,如有机废水、无机废水、酸性废水、碱性废水、重金属废水等。
不同类型的工业废水在处理时需要遵循不同的标准和工艺。
二、工业废水处理的基本原则在制定工业废水处理标准时,需要遵循以下基本原则:1.源头控制:通过改变生产工艺、提高资源利用率等措施,减少废水的排放和污染物的生成,实现废水减量化和资源化。
2.治理优先:优先考虑废水的预处理和内部循环利用,减少对环境的排放,降低废水处理的负荷。
3.多级处理:采用多级处理工艺,将废水中的有毒有害物质逐步去除,达到国家排放标准。
4.废水分类处理:对不同类型的工业废水,采取不同的处理工艺和标准。
5.运营管理:对废水处理设备进行定期检测和维护保养,确保设备正常运行,废水处理的效果达到标准。
三、工业废水处理标准的国际比较不同国家和地区根据本地的环境状况和经济条件,制定了不同的工业废水处理标准。
比较常见的标准有美国环保署(EPA)制定的《工业废水排放标准》、欧盟委员会制定的《工业废水排放标准指令》、中国国家标准《工业企业污水综合排放标准》等。
这些标准从废水排放的浓度、pH值、溶解氧、悬浮物含量、重金属含量等多个指标来要求废水的排放符合环保要求。
四、工业废水处理的技术方法工业废水处理涉及多种技术方法,包括物理方法、化学方法、生物方法等。
常用的工业废水处理技术包括沉淀、吸附、膜分离、生物处理等。
1.物理方法:通过沉淀、过滤、吸附等物理作用将废水中的悬浮物、浊度物质、油脂等去除或降低。
2.化学方法:通过添加化学药剂,使废水中的污染物发生沉淀、氧化、还原等反应,降低其浓度和毒性。
《电子工业纯水站设计规范》(初稿) 2007.101. 总则 (2)2. 术语 (3)3. 纯水站房 (6)3.1. 一般规定 (6)3.2. 设备布置 (7)3.3. 管道布置 (8)4. 纯水制备工艺 (10)4.1. 一般规定 (10)4.2. 预处理 (12)4.3. 脱盐及深度处理 (15)4.4. 精处理(抛光) (17)4.5. 微粒、总有机碳、细菌、溶解氧和二氧化硅 (17)4.6. 水箱、水泵及管道 (18)5. 纯水输送 (19)5.1. 一般规定 (19)5.2. 管道设计 (19)5.3. 管材与附件 (20)6. 纯水回收和节水 (21)6.1. 一般规定 (21)6.2. 纯水回收 (21)6.3. 节水措施 (22)7. 药品贮存、计量和输送 (22)7.1. 一般规定 (22)7.2. 酸、碱及盐 (23)8. 控制及仪表 (24)8.1. 纯水制备过程测量与控制 (24)8.2. 纯水站监控系统设计选型 (24)8.3. 现场控制系统分区设计 (25)8.4. 集中监控系统设计 (25)附录A水质全分析报告 (27)附录B 离子交换器设计参数 (28)附录C 电子级水质标准(ASTM D5127-1999) (30)本规范用词说明 (31)1.0.1. 为确保电子工业纯水站出水满足电子产品生产工艺要求,使设计做到技术先进,经济合理,安全适用,制定本规范。
1.0.2. 本规范适用用于新建、扩建和改建的电子工业纯水站工程设计。
1.0.3. 设计应贯彻执行国家的技术经济政策,合理选择水源,节约能源,节约水资源,节约用地,保护环境,改善劳动条件,提高经济效益。
1.0.4. 水站设计应根据主体工程建设规划、生产特点等综合考虑,并经技术经济比较,择优确定设计方案,当主体工程为分期建设时,应按最终需用纯水容量(规模)全面规划、合理布局,考虑扩建条件。
1.0.5. 设计应为施工安装,维护管理,检修、检(监)测和安全运行创造必要的条件。
电子工业废水处理工程设计标准
电子工业废水是指在制造电子元件和电子设备时产生的废水,可能含有多种有机和无机污染物,可能对环境造成严重污染。
电子工业废水处理工程设计标准是为了解决电子行业废水处理污染问题,特别是废水体系处理及净化技术,以及处理设备、污染物浓度控制等方面的标准。
本标准规定了电子行业废水处理工程设计的基本原则和要求,以便于保护环境、改善电子行业废水的污染特性、减少或消除污染物的排放量,从而促进环境健康和资源可持续利用。
电子行业废水处理设计标准包括废水污染特性、处理工艺、处理设备、污染物浓度控制等内容。
1、废水污染特性:废水中含有多种有机污染物和无机污染物,
具体污染物包括氨氮、甲烷、石油类污染物、重金属等,其中甲烷、氨氮、重金属污染是最主要的。
2、处理工艺:根据废水的污染特性及排放要求,可以采用生物
处理、化学处理、物理处理和混合处理等技术,具体工艺设计应考虑处理效率、投资成本和操作管理方便性等因素。
3、处理设备:电子行业废水处理设备包括预处理设备、主处理
设备和协处理设备。
预处理设备常见的有过滤器、絮凝剂及沉淀池等,主处理设备常见的有生化滤池、生物活性池、混凝池等,协处理设备常见的是离子交换器、雾化设备等。
4、污染物浓度控制:根据电子行业废水的污染特性和排放要求,对污染物进行浓度控制,可以采用某些化学或物理原理,如搅拌沉淀
法、气浮法、油水分离法、活性炭吸附法等,以达到净化效果。
本标准的实施将有助于改善电子工业废水的污染特性,减少或消除污染物的排放量,从而有利于环境健康和资源可持续利用。
根据不同情况,可以设计合适的处理方案,妥善运用各种处理工艺和设备,以保护环境和促进资源可持续利用。
电子工业废水处理设计方案摘要:某大型微电子生产企业排放三股废水,水量水质情况分别如下。
1.酸碱废水;水量为120m3/h;pH为2—10;COD<50mg/L;SS<30mg/L.2。
含氟废水:水量为25m3/h;F-为600mg/L;pH为8-9;COD为250mg/L;SS为200mg/L.3。
有机废水:水量为65m3/h:pH为2-3.5;COD为1200mg/L;SS为40mg/L;BOD5为500mg/L;有机氮为200mg/L;磷酸盐为1800mg/L.处理后的废水要求达到《国家污水综合排放标准》(GB 8978-1996)的三级标准,由此设计废水处理工艺流程。
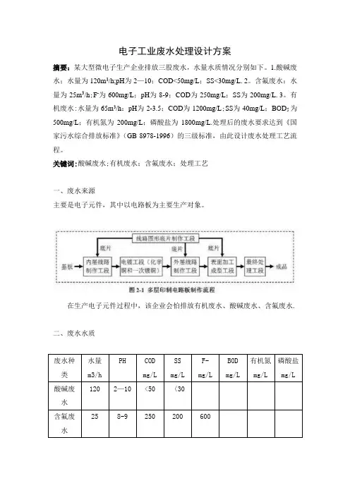
关键词:酸碱废水;有机废水;含氟废水;处理工艺一、废水来源主要是电子元件,其中以电路板为主要生产对象。
在生产电子元件过程中,该企业会怕排放有机废水、酸碱废水、含氟废水.二、废水水质废水种类水量m3/hPH CODmg/LSSmg/LF-mg/LBODmg/L有机氮mg/L磷酸盐mg/L酸碱废水120 2—10 <50 〈30含氟废水25 8-9 250 200 60065 2—3.5 1200 40 500 200 1800 (续上)有机废水三、出水水质1、达到《国家污水综合排放标准》(GB 8978-1996)三级标准;2、达到行业标准4、达到企业标准四、废水处理工艺流程1.酸碱废水处理原理酸碱废水是废水处理时最常见的一种.废水处理中酸的质量分数差别很大,低的小于1%,高的大于10%.酸碱废水具有较强的腐蚀性,需经适当废水处理方可外排。
对于酸碱废水处理,考虑到经济原因,该类废水处理应该首先考虑中和处理。
而中和处理应首先考虑以废治废的废水处理原则。
如酸、碱废水相互中和或利用废碱(渣)中和酸性废水,利用废酸中和碱性废水。
在没有这对碱性废水进行中和时可首先考虑采用酸性废水的中和治理。
本污水处理工程,再生酸碱废水中的酸性废水和碱性废水量相当,可考虑中和再加酸或加碱处理,使出pH达到6-9。
污水处理工程设计标准一、引言在城市发展过程中,随着人口的增加和工业的发展,污水的处理成为一个重要的环保问题。
为了保护环境,污水处理工程的设计和建设具有重要的意义。
本文将从污水处理工程设计标准的角度出发,探讨各种行业的规范和规程,以期为今后的工程设计提供参考。
二、工业污水处理工业污水的处理是保护环境的一项关键任务。
根据不同行业的特点,制定相关的规范和标准是十分必要的。
在设计工业污水处理工程时,应考虑到废水的来源、性质、排放标准以及处理工艺等因素。
此外,还需要关注设备选择、能源消耗和运行成本等问题。
三、城市污水处理城市污水处理是污水排放与自然环境之间的重要环节。
设计标准应考虑城市规模、污水排放量、排放标准等因素。
在城市污水处理工程设计中,除了常规的污水处理工艺,还应关注资源回收利用、能耗降低以及智能控制等方面的创新。
四、农村污水处理农村地区的污水处理是乡村振兴的重要组成部分。
由于农村污水的来源和性质与城市相比存在差异,设计标准也需要有所调整。
此外,应注重适用性、可操作性和经济性,引入适合农村地区的低成本处理技术,使农村污水处理工程具有可持续发展的特点。
五、污水处理系统运营与维护除了工程设计,污水处理系统的运营与维护同样重要。
设计标准应该涵盖设备、人员和管理等各个方面的要求。
例如,设备的选型应考虑可靠性、维修性和安全性;人员的培训和管理应注重技能提升和责任落实。
合理设计运营维护模式,确保污水处理系统的长期稳定运行。
六、污水处理技术的创新与应用随着科技的进步,污水处理技术也在不断创新与应用。
设计标准应及时更新,引入新的技术和设备,提高处理效率和环境友好性。
例如,利用生物膜反应器、膜过滤和氧化技术等,可以进一步提高废水的处理效果。
七、结语污水处理工程设计标准是确保污水处理工程质量的重要保障。
不同行业的污水处理工程设计需要根据行业特点、环保要求和经济效益进行优化和调整。
通过合理的设计和运营,可以实现对污水的有效处理和资源的有效回收利用,为构建美丽中国做出贡献。
电子工业水污染物排放标准(发布稿)1适用范围本标准规定了电子工业的水污染物排放控制要求、监测要求和监督管理要求。
本标准适用于现有的电子工业企业、生产设施或研制线的水污染物排放管理,以及电子工业建设项目的环境影响评价、环境保护设施设计、竣工环境保护验收、排污许可证核发及其投产后的水污染物排放管理。
电子工业污水集中处理设施的水污染物排放管理适用于本标准。
本标准规定的水污染物排放控制要求适用于电子工业企业、电子工业污水集中处理设施直接或间接向其法定边界外排放水污染物的行为。
3术语和定义下列术语和定义适用于本标准。
3.1电子工业electronic industry本标准中电子工业指电子专用材料、电子元件、印制电路板、半导体器件、显示器件及光电子器件、电子终端产品等六类电子产品制造业。
3.2电子专用材料special electronic material具有特定要求且仅用于电子产品的材料,不包括生产电子专用材料的原材料的生产制造。
根据其作用与用途,可分为电子功能材料、互联与封装材料、工艺与辅助材料。
具体产品范围见附录A。
3.3电子元件electronic component电子电路中具有控制、变换和传输电压或电流等独立功能的单元。
包括电阻器、电容器、电子变压器、电感器、压电晶体元器件、电子敏感元器件与传感器、电接插元件、控制继电器、微特电机与组件、电声器件等。
3.4印制电路板printed circuit board(PCB)在绝缘基材上,按预定设计形成印制元件、印制线路或两者结合的导电图形的印制电路或印制线路成品板。
包括刚性板与挠性板,又可分为单面印制电路板、双面印制电路板、多层印制电路板,以及刚挠结合印制电路板和高密度互连(high density interconnector,HDI)印制电路板等。
3.5半导体器件semiconductor device利用半导体材料的特殊电特性制造的具有特定功能的电子器件。
工业废水处理技术与标准工业废水处理技术和标准的制定与实施是保护环境、促进可持续发展的重要举措。
随着工业化进程的不断推进,工业废水的排放对水资源和环境造成了严重的污染和破坏。
因此,采用合适的废水处理技术和遵守相应的废水处理标准,成为保护环境和人类健康的必然选择。
一、工业废水处理技术1. 传统工业废水处理技术传统的工业废水处理技术主要包括物理处理、化学处理和生物处理。
物理处理通过沉淀、过滤、气浮等方法,使废水中的悬浮物、沉淀物等固体物质得以去除。
化学处理则通过加入化学试剂,使废水中的有机物和重金属等溶解物发生化学反应,以达到去除的目的。
生物处理则是利用微生物降解和吸附的原理来处理废水中的有机物。
2. 先进工业废水处理技术随着科技的不断进步,新型的工业废水处理技术不断涌现。
其中,膜分离技术、吸附技术和电化学技术成为先进的废水处理技术。
膜分离技术通过不同孔径的膜使溶质和溶剂分离,具有高效、节能等优点。
吸附技术则通过吸附剂对废水中的有害物质进行吸附,达到净化的作用。
电化学技术则是利用电解原理,通过电化学反应使废水中的污染物被氧化或还原。
二、工业废水处理标准1. 国家排放标准国家对工业废水的排放制定了一系列的标准,其中最重要的是《工业企业污水综合排放标准》(GB8978-1996)。
该标准对废水排放的各项指标进行了明确规定,包括化学需氧量(COD)、总氮(TN)、总磷(TP)等重要指标。
2. 行业标准除了国家标准外,各个行业也针对自身特点制定了相应的工业废水排放标准。
例如,钢铁行业、电力行业、化工行业等都有相应的废水排放标准。
这些行业标准对于不同行业的工业废水进行了详细的规定,以此确保废水排放不会对环境造成过大的危害。
3. 地方标准除了国家和行业标准外,地方政府也经常根据当地实际情况制定相关的工业废水处理标准。
地方标准主要是针对当地环境质量和水资源状况制定的,以此保障当地环境的健康和稳定。
三、工业废水处理的重要性与挑战1. 重要性工业废水处理的重要性不言而喻。
电子(深圳)有限公司————废水处理工程设计方案编制单位:深圳市威创环保实业有限公司编制时间:二○○六年八月二十八日电子(深圳)有限公司污水处理工程单位负责人:总工程师:设计人员:深圳市环保实业有限公司(盖章)目录一、概述 (2)二、设计依据 (2)三、设计参数 (3)1. 设计水量: (3)2. 原水水质: (3)3. 设计排放水质: (4)四、设计范围 (4)五、工艺设计 (4)1. 工艺设计思路: (4)2. 此工艺的特点: (5)3. 工艺流程图 (5)4. 工艺流程说明 (6)5. 单元构筑物及设备设计 (6)六、工程构筑物及设备清单 (11)七、投资费用概算 (11)1. 程投资 (11)2. 运营投资 (11)八、事故应急措施 (11)九、工程计划工期 (11)十、售后服务 (12)1电子(深圳)有限公司-----废水处理工程设计方案一、概述电子(深圳)有限公司位于深圳宝安公明镇,以导针和铝电解电容器为主要产品。
建设项目在生产过程中排放出少量的含磷金属清洗废水、电解液清洗水和酸性废水,主要来自“清洗”、“含浸”和化成等工序。
废水主要污染成分为酸碱污染物、有机物、悬浮物及磷酸盐等污染物,环保指针表现为PH、COD、BOD、SS、P超出排放标准。
废水直接排放将影响周边环境。
该司现有一套50m3/d的污水处理设施,因设施老化失修和工艺设计的不科学,以及现有污水量的增加,现有设施以不能达标处理,需扩建或另新建处理实施。
承该司委托,我们根据治理同类废水的经验,以及该司提供的相关资料和废水样,以科学、严谨和实事求是的专业态度提出如下治理方案,以供参考。
二、设计依据1、《中华人民共和国环境保护法》2、《污水综合排放标准》GB8978-19963、《水污染物排放限值》DB44/26-20014、建设单位《建设项目环境影响报告表》及批复。
5、建设单位提供原始资料、水样及现场勘察资料。
2三、设计参数1.设计水量:根据建设单位提供提供资料:金属清洗废水排放量约为80m3/d,昼夜24小时连续排放,变化系数1.5~2;含浸清洗废水排放量约为20m3/d,水温50℃,昼夜24小时连续排放,变化系数1.5~2;现状总排水量约计100m3/d,建设单位要求总设计水量150 m3/d。
工业废水处理标准-国标
本文档旨在介绍中国的工业废水处理标准,也称为国标。
1. 标准概述
中国的工业废水处理标准是根据国家对环境保护的要求制定的。
该标准旨在确保工业废水得到有效的处理,以减少对环境的污染和
对人类健康的影响。
2. 废水排放标准
根据工业废水处理标准,工业企业在进行废水排放时需要遵守
一定的限制。
这些限制包括废水中各种污染物的浓度限值,如重金属、有机物、悬浮物等。
标准还规定了废水排放的时限和地点要求。
3. 废水处理工艺要求
工业废水处理标准对废水处理工艺也进行了规定。
标准要求工
业企业采用适当的物理、化学和生物等处理方法来达到排放标准。
具体的工艺要求会根据不同的废水类型和污染物特性进行调整。
4. 检测和监控要求
工业废水处理标准还规定了废水排放的检测和监控要求。
标准
要求工业企业定期对废水进行监测,确保废水排放符合标准要求。
同时,标准也规定了监测方法和监测频率的要求。
5. 相关法律法规
工业废水处理标准是根据中国的相关法律法规制定的。
在实施
废水处理时,工业企业还需要遵守其他相关法律法规的要求,如环
境保护法、水污染防治法等。
6. 总结
工业废水处理标准对工业企业进行废水排放和处理提出了明确
的要求,以保护环境和人民健康。
工业企业应该严格遵守这些标准,
采取适当的废水处理工艺,定期进行监测,确保废水排放符合标准要求。
2021年1月第1期04在2021年到来之际,我们期盼已久的《电子工业水污染物排放标准》终于正式颁布实施了,这是我们行业的一件大事、喜事,我们总算有本行业自己执行的标准了。
该标准的制定自2005年提出,至今已经超过十五年时间,中途停顿,2013年再次立项启动,可谓几经波折,实属不易。
以中国电子工程设计院牵头的编制组成员为了电子工业的发展,为了环境保护,始终坚守如一,终于有了今天的成果,我们要感谢他们。
中国电子电路行业协会是本标准编制组成员之一,自始至终派人参与了标准的编制全过程,前后相隔十五年,历经几代人,真可谓前赴后继,是编制组的协会成员中最为认真负责的,得到了编制组领导的肯定和认可。
协会派出的代表积极向编制组提供行业信息,反馈我们的诉求,及时更新我行业随技术水平发展而产生的变化,比如说标准中的IC 载板的基准用水量就是在终审稿形成时才加进去的。
正是由于协会代表的积极参与,使标准较好地体现出对我行业的适用性,也在标准条款中明晰了以往我们经常遇到的执行标准的困惑。
《电子工业水污染物排放标准》适用于电子工业中电子专用材料、各类元器件、整机产品等六大类制造业,印制电路板作为其中的一类名列其中。
标准中针对性地确定了我行业水污染物排放应控制的污染因子和控制标准。
为帮助同行业企业正确理解并使用标准,我结合最近几年代表协会参与编制组工作获得的一些信息,对新标准进行以下粗浅的解读。
1、本标准是为适应电子工业发展而制定的,在编制期间,编制组通过收集国内外的相关标准作为参照,走访了国内不同地区的多家电子工业企业进行调研,组织专家进行多轮论证,选择有代表性的企业征求意见,应该说新标准是基本顾全了各方面的要求,针对性强,有利于我们今后的执行。
2、该标准最初名称是《电子工业污染物排放标准》,包括了对废水和废气的排放标准,在审批过程中考虑到废气排放标准的部分内容暂时还不能确定,所以先将废水处理标准推出,废气排放还得继续执行其他相关标准。
电子工业废水处理工程设计标准电子工业废水是由电子产品生产过程中产生的废水,它的污染物种类繁多,通常由溶解性有机物和无机物组成,受到水和有机物污染危害范围较广,潜在危害延伸到生态环境。
它对水资源和环境以及健康安全有着重要的影响,因此,处理电子工业废水变得越来越重要。
电子工业废水处理工程是指将电子工业废水经过净化处理,使其有利于人们的生活和环境的科学和技术活动。
电子工业废水处理工程的设计必须遵循严格的标准,并做好预防措施,以便将原来危害环境的废水污染物浓度降到满足环境污染物排放标准的水平,为人们提供安全的生活环境。
电子工业废水处理工程设计标准(以下简称设计标准),是指在技术和管理方面,采用与电子工业废水污染处理工程有关的有效方法,进行废水污染的控制处理,以实现污染的最小化、污染最小化的目标。
它包括对废水量及其相关污染物的评价、原辅材料的选择、运输等信息的确定、技术参数和技术控制的设计、废水处理技术、处理效果评估及废水处理设备的调试等。
为了实现电子工业废水处理工程的有效设计,必须确定标准的基础。
首先,必须明确废水的来源,种类和流量。
其次,根据可能的废水污染源,准确定义各种污染物的浓度、种类及特殊特性。
其次,根据污染物的性质和来源,确定处理的技术方案,如氧化、净化、吸附、沉淀、混凝、脱色、集水、萃取、膜浓缩等。
并对技术方案进行实验分析和模拟,以确定最佳工艺流程和技术参数。
此外,环保部门会根据国家或地方有关环境污染物排放标准,确定污染物的排放标准,为工程的实施提供参考依据。
在经过以上确定的处理技术方案和技术参数的基础上,进一步根据工程实施地点、产量及经济实施状况,制定出符合实际情况的处理技术方案和技术参数,以保证工程的有效设计和实施。
最后,根据处理技术方案和技术参数,按照工艺流程和技术要求,完成处理工程的设计和实施,以达到满足环境污染物排放标准的要求。
总之,电子工业废水处理工程的设计必须确定清晰的设计标准,严格遵守有关标准,确保工程的安全有效运行,保证人们的生活安全环境。
电子工业废水处理设计方案1. 引言电子工业废水是指在电子工业生产过程中产生的包括冲洗废水、冷却废水、排放废水等在内的废水。
这些废水中含有大量的有机物、无机物、重金属和其他污染物,对环境和人类健康造成严重威胁。
为了保护环境,减少废水对水资源的破坏,设计一个高效的电子工业废水处理方案是非常重要的。
2. 方案设计2.1 废水收集与预处理废水首先通过管道系统收集起来,然后经过沉淀池进行初步除尘和沉淀,去除废水中的悬浮颗粒物和沉积物。
沉淀后的废水再进入调节池进行pH值的调节,以适应后续处理工艺的需求。
2.2 生物处理工艺生物处理工艺是电子工业废水处理的核心环节,通过生物菌群的作用,将废水中的有机物进行降解和转化。
常用的生物处理工艺包括活性污泥法、固定化生物膜法和生物滤池法等。
在本方案中,采用活性污泥法作为主要的生物处理工艺。
将废水引入活性污泥池,通过搅拌和通气等方式,提供菌群生长所需的氧气和养分。
废水中的有机物被菌群吸附和分解,同时产生大量的生物污泥。
经过生物处理后的废水进入沉淀池,沉淀除去生物污泥,以维持菌群的正常运行。
2.3 深度处理工艺生物处理工艺虽然可以有效地去除废水中的有机物,但对于其中的重金属离子和其他难以降解的有机物仍然存在处理不彻底的问题。
因此,在生物处理后,需要进行深度处理来进一步净化废水。
深度处理工艺包括化学沉淀、活性炭吸附和高级氧化等方法。
根据实际情况,可以选择合适的深度处理工艺来处理废水中的特定污染物。
同时,也需要根据废水的特性进行药剂的选择和投加量的控制。
2.4 二次沉淀与消毒经过深度处理后的废水进入二次沉淀池,除去深度处理过程中形成的沉淀物和悬浮颗粒物。
沉淀后的清水可以直接排放或者进行二次利用。
为了确保废水的安全排放,还需要对废水进行消毒处理,常用的消毒方法有紫外线消毒和臭氧消毒等。
3. 设备选型与布局根据废水处理的需求,需要选用相应的设备来进行废水处理。
常见的设备有沉淀池、调节池、活性污泥池、深度处理设备、二次沉淀池和消毒设备等。
印制电路板废水处理工程设计规程印制电路板(Printed Circuit Board,PCB)废水处理工程设计是为了解决PCB生产过程中产生的危害环境的废水问题,以达到环境污染物排放标准,保护环境和人类健康的目的。
下面将从设计原则、工艺流程、处理设备和设备选型等方面详细说明PCB废水处理工程设计规程。
一、设计原则1.遵循“预防为主、综合治理、资源化利用、合理分流”的原则,尽可能减少和控制废水的产生。
2.采用适当的处理工艺,确保废水排放符合国家和地方环境保护法规的要求。
3.设计合理的处理设施,实现废水的集中处理和资源化利用。
二、工艺流程PCB废水处理工艺流程一般包括预处理、生化处理和深度处理三个阶段。
1.预处理:主要包括初沉池、格栅除渣和中和调节等过程。
初沉池用于去除废水中的悬浮颗粒物和部分重金属等;格栅除渣用于拦截废水中的固体杂质;中和调节用于调节废水的酸碱度和温度,以提供合适的处理环境。
2.生化处理:生化处理是通过活性污泥法或工艺池法等生物方法去除废水中的有机物和氨氮等。
该阶段需要配置好的生化池、曝气装置、搅拌器和曝气装置等设备。
3.深度处理:深度处理主要是对生化池出水进行进一步处理,以去除最后的难降解物质、微量有机物、重金属和氮磷等。
常用的深度处理技术包括吸附法、膜法和氧化法等。
三、处理设备和设备选型1.初沉池:采用圆形或方形沉淀池,根据废水量和水质特点确定大小、深度和结构。
2.格栅除渣:选用钢质或玻璃钢制作的机械格栅。
3.中和调节:选择酸碱度自动调节装置和温度控制设备。
4.生化池:选择活性污泥法或工艺池法,根据废水流量和水质特点确定容积和设备尺寸。
5.曝气装置:选用高效节能曝气器,如空气增压曝气器或微孔曝气器。
6.深度处理设备:选择合适的吸附剂、膜组件或氧化剂,如活性炭吸附器、反渗透膜或臭氧发生器等。
7.污泥处理设备:选用离心机或带压过滤机等对污泥进行脱水处理,实现污泥的资源化利用。
四、运行管理1.建立完善的监测系统,定期对废水进行监测和分析,确保废水处理效果和排放的水质符合标准。
工业废水处理标准工业废水处理标准是确保工业废水得到有效处理,以防止对环境造成不良影响的一系列规范和要求。
本文将介绍工业废水处理标准的主要内容。
一、标准的制定工业废水处理标准由国家或地方相关部门制定,旨在确保工业废水在排放或再利用时达到一定的水质要求。
这些标准通常包括废水排放的浓度、流量、化学需氧量、生物需氧量、悬浮物、油分、有毒物质等指标。
二、标准的分类工业废水处理标准通常分为两大类:排放标准和回用水标准。
1.排放标准:规定了工业废水在排放到环境中的水质要求。
不同行业和地区的排放标准可能会有所不同,但通常都会包括一些基本的污染物指标,如化学需氧量、悬浮物、油分等。
2.回用水标准:针对将废水回用于生产过程或其他用途的水质要求。
回用水标准的制定需要考虑用水场合、水质要求和工艺特点等因素。
三、标准的实施1.监督检查:相关部门会对工业废水处理设施进行监督检查,确保其正常运行,并定期对废水进行检测,以确保其达到处理标准。
2.执法处罚:对于未达到处理标准的废水排放行为,相关部门会采取执法措施,包括罚款、限期整改等。
严重违规者可能会面临刑事责任。
3.技术支持:政府或相关机构可能会提供一定的技术支持,协助企业进行废水处理,包括技术指导、培训和设备更新等。
四、我国的工业废水处理标准体系我国已经建立了一套较为完善的工业废水处理标准体系,包括国家标准、地方标准和行业标准等。
其中,《污水综合排放标准》(GB 8978)是基础性标准,适用于全国范围的不同行业和地区。
此外,各地方也会根据当地的环境状况和水质要求制定更为严格的排放标准。
五、未来发展趋势随着环保要求的不断提高和技术的不断发展,工业废水处理标准将会更加严格。
未来的发展趋势可能包括以下几个方面:1.提高排放标准:对于一些重点污染物的排放标准可能会进一步提高,以减少对环境的影响。
2.推广回用:鼓励企业将废水回用,以减少新鲜水的使用量,同时减轻对环境的压力。
回用水标准也可能会更加严格。
电子工业洁净厂房给水排水设计一、引言随着信息技术的飞速发展,电子工业在现代经济中扮演着重要角色。
为了保证电子产品的生产质量,电子工业洁净厂房应用越来越广泛。
在洁净厂房的设计中,给水排水系统的设计是至关重要的一环。
本文将对电子工业洁净厂房的给水排水系统进行详细设计。
二、给水系统设计1. 给水源电子工业洁净厂房的给水源可以选择自来水或者净化水作为原水。
自来水的水质要求符合《生活饮用水卫生标准》(GB5749-2006)中的相关要求,以确保给水的卫生安全。
净化水作为给水源,需要经过处理设备进行预处理,以移除悬浮物、溶解性固体、有机物等杂质,保证水质的纯净度。
2. 给水系统布置在洁净厂房的设计中,给水系统应从供水间引入。
为了减少管道摩擦损失和维护方便,给水管道应尽量短,布置合理。
给水管道应避免与污水管道交叉,以防止交叉污染。
给水管道应与洁净区域进行分区,便于监控和管理。
3. 给水设备选择给水系统的设备选择应根据厂房的实际需求和水质要求进行。
常见的给水设备包括水泵、储水罐、过滤器、消毒设备等。
水泵的选择应满足所需的供水压力和流量。
储水罐可以起到调节供水压力和平衡用水峰值的作用。
过滤器的选用可以根据水质特点选择不同的过滤材料和过滤精度。
消毒设备的选择可以使用紫外线消毒、臭氧消毒或者化学消毒等方法。
三、排水系统设计1. 污水产生与收集电子工业洁净厂房污水的产生主要源于生产设备的冷却水、清洗水、冲洗水等。
污水应根据洁净级别进行分类和收集。
高洁净级别的区域应分别设置独立的污水收集系统,以避免不同级别的污水相互污染。
污水收集系统可以采用地漏、地沟、污水槽等方式进行。
2. 污水处理污水的处理过程中可以采用物理、化学和生物等方法进行处理。
物理方法主要包括沉淀、过滤、吸附等,可以移除悬浮物、浊度等杂质。
化学方法主要包括中和、氧化、还原等,可以移除有机物、氨氮等污染物。
生物方法主要采用生物处理技术,通过微生物降解有机物来达到净化效果。
电子工业水污染物排放标准电子工业是当前工业领域中的重要部分,但其制造过程中也会产生一定的水污染。
因此,为了保护水资源和环境,需要制定相应的电子工业水污染物排放标准。
1.有害物质排放标准:有机物、重金属等有害物质是电子工业废水中常见的污染物。
电子工业水污染物排放标准应设置相应的限值,对有害物质浓度进行限制,以确保废水排放不会对周围水体和环境造成严重污染。
2.pH值排放标准:废水的pH值是衡量其酸碱性的重要指标。
过低或过高的pH值都可能对水体和环境造成影响。
因此,电子工业水污染物排放标准应明确相应的pH值范围,对于超出范围的废水进行相应处理。
3.总氮和总磷排放标准:总氮和总磷是电子工业废水中的重要养分元素,过量排放会导致水体中的富营养化现象,引发水体富营养化问题。
电子工业水污染物排放标准应对总氮和总磷的排放做出限制,以保证废水排放达到环境保护要求。
4.生物毒性排放标准:电子工业废水中可能含有一定的生物毒性物质,对水体中的水生生物造成危害。
因此,电子工业水污染物排放标准应设置相应的生物毒性指标,对废水中的生物毒性进行监测和控制。
5.废水处理工艺标准:电子工业水污染物排放标准还包括对废水处理工艺的要求。
针对电子工业废水的特点和污染物组成,要求企业采用适当的废水处理技术,确保废水经过处理后的排放达到标准要求。
总之,电子工业水污染物排放标准是为了保护水体环境而制定的一系列措施,限制和规范电子工业企业在生产过程中对水资源的污染。
这些标准的实施能够减少水污染物的排放,保护水资源和生态环境,促进电子工业的可持续发展。
同时,政府和相关部门需要加强对标准的监督和管理,确保企业遵守相关规定,减少水污染对环境的危害。
只有通过严格的标准要求和有效的监管措施,才能实现电子工业水污染的有效控制和治理。
电子工业废水处理工程设计标准
一、前言
随着电子工业的迅速发展,电子工业废水产生的问题也日益凸显。
电子工业废水中通常含有大量的有机物、重金属和有害物质,对环境和人体健康造成严重危害。
因此,制定适用于电子工业废水处理工程的设计标准是非常重要的。
二、废水性质和排放标准
1.pH值:3~10;
2. 悬浮物:不大于50mg/L;
3. 总氮:不大于15mg/L;
4. 总磷:不大于3mg/L;
5. 生化需氧量(BOD):不大于20mg/L;
6. 化学需氧量(COD):不大于200mg/L;
7.重金属:铅、镉、汞等重金属的浓度不得超过国家排放标准。
三、废水处理工程设计要求
1.工艺选择:根据电子工业废水的特点选择合适的处理工艺,包括物理处理、化学处理和生物处理等。
工艺设计应考虑到处理效果、投资成本和运营维护的可行性。
2.系统设计:废水处理系统应具备完善的工艺流程和设备布局,确保废水在处理过程中能够得到充分混合和接触,提高处理效率。
3.设备选型:根据废水性质和处理要求,选择合适的处理设备,确保
设备的稳定性和可靠性。
4.集成管理:废水处理工程应与其他相关工程进行有效的集成管理,
确保废水处理的顺利进行,避免对环境和人员的二次污染。
5.自动控制:废水处理工程应具备自动监测和控制系统,能够实时监
测处理效果,根据需要进行调整,确保排放达标。
6.运营维护:废水处理工程应有专业的运营维护团队,定期对设备进
行检查和维护,确保设备的正常运行和处理效果的稳定。
四、设备和工艺要求
1.沉淀池:废水处理工程应配备沉淀池,用于处理废水中的悬浮物和
重金属颗粒。
沉淀池的设计应满足沉淀效果和排泥畅通的要求。
2.活性污泥法:废水处理工程中应采用活性污泥法进行生物处理,以
去除废水中的有机物和氮磷等污染物。
同时,对污泥的后处理应做好制定,以减少二次污染的潜在危险。
3.化学药剂投加系统:废水处理工程中应配备化学药剂投加系统,用
于配制和投加PH调节剂和絮凝剂,以提高处理效果。
4.过滤设备:废水处理工程中应配备过滤设备,用于去除废水中的悬
浮物和悬浮颗粒,提高出水的透明度和质量。
5.机械通风和排气系统:废水处理工程中应配备机械通风和排气系统,确保处理过程中的有害气体排放达到国家标准,并确保工作环境的安全。
五、废水处理工程投资和运营成本
1.投资费用:根据废水处理规模和处理工艺的选择,进行经济可行性
分析,制定合理的投资预算。
2.运营成本:废水处理工程的运营成本包括设备维护、化学药剂投入、用电和用水消耗等。
应在设计过程中合理考虑这些运营成本,以确保工程
的经济可行性和可持续发展。
六、安全和环保要求
1.设备安全:废水处理工程应符合国家和行业相关的安全标准,确保
设备的安全性和运行的可靠性。
2.废水处理过程中的污染防控:废水处理工程应设置污染防控设备和
措施,防止处理过程中的二次污染和事故的发生,确保处理过程的安全和
环境的保护。
3.废水处理工程的环境影响评估:废水处理工程应进行环境影响评估,确保施工和运营对周边环境的影响处于可控范围内,并采取必要的环境保
护措施。
七、废水处理工程验收和监督管理
废水处理工程的竣工验收应按照国家有关标准和规范进行,设备质量
和运行效果应符合设计要求。
废水处理工程的监管管理应建立完善的制度
和标准,加强对工程的监督和运营情况的检查,确保废水处理工程的安全
和环境效益。
以上为电子工业废水处理工程设计标准的一般要求和要点,具体的设
计细节和标准需根据不同情况进行具体规定和制定。