SG-HJ14 离子交换软化及除盐实验装置
- 格式:doc
- 大小:32.00 KB
- 文档页数:2
离子交换软化和除盐实验一、 实验目的① 加深离子交换基本理论的理解。
② 了解离子交换软化设备的操作方法。
③ 熟悉离子交换过程。
④ 进一步熟悉水的硬度、碱度和pH 值的测定方法。
二、实验原理离子交换是目前常用软化与除盐的方法。
离子交换树脂是一种不溶于水的固体颗粒状物质,它能够从电解质溶液中把本身所含的另外一种带有相同电性符合的离子与其等量的置换出来,按照所交换的种类,离子交换树脂可分为阳离子交换树脂和阴离子交换树脂两大类。
阳离子交换树脂是以钠离子(Na +型)或氢离子型(H +型)置换溶液中的阳离子从而将其去除掉。
置换反应为:钠型 NaOR+M 2+⇔MR+2Na + 氢型 H 2R+M 2+⇔MR+2H + 反应式中R 表示树脂,M 2+表示阳离子。
阴离子交换树脂是以羟基(OH -)离子置换溶液中的阴离子,从而将其去除掉,置换反应式为:R(OH)+A 2-⇔RA+2OH -反应式中R 表示树脂;A 2-表示阴离子。
离子交换吸附能力,在其他条件相同时,交换能力大小顺序如下:阳离子交换顺序(强酸性阳树脂)Fe 3+>Al 3+>Ca 2+>Mg 2+>K +>H +>Na +>H +>Li +。
阴离子交换顺序(强碱性阴树脂)为:草酸离子>柠檬酸离子>-34PO >-24SO >Cl ->-3NO 。
实际上,天然水中及工业废水中都不会只含有一种离子,通常都含有多种阳离子和多种阴离子,交换过程也复杂的多。
就软化而言,含有多种阳离子和多种阴离子交换层时Cu 2+、Zn 2+、Ni 2+、Ca 2+、Mg 2+被吸附在树脂上,同时释放Na ,从而使水得到软化。
当树脂的交换容量耗尽时,交换柱流出水的硬度就会超过规定值,这一情况称为穿透。
此时,必须将树脂再生。
再生前,应对交换柱进行反冲洗,以除去固体沉积物。
阳离子交换柱再生方法是用盐溶液()或用酸溶液()流过交换柱;而阴离子交换柱再生方法是用氢氧化钠()溶液或氢氧化铵()溶液流过交换柱。
一、实验目的1. 了解离子交换除盐的原理及过程。
2. 掌握离子交换树脂的性能和应用。
3. 通过实验验证离子交换除盐的效果。
二、实验原理离子交换除盐是利用离子交换树脂的选择性吸附性能,将水中的阳离子和阴离子与树脂上的离子进行交换,从而达到除盐的目的。
本实验采用阴阳离子交换树脂对水进行除盐处理。
三、实验材料与仪器1. 实验材料:- 离子交换树脂(阳床、阴床)- 待处理水样(含Na+、Cl-、SO42-、Ca2+、Mg2+等)- 蒸馏水- 硝酸、氢氧化钠、氯化钠、硫酸钠、硫酸钙、氯化钙、氯化镁等试剂2. 实验仪器:- 离子交换柱- 恒温水浴锅- 烧杯、漏斗、玻璃棒、移液管、滴定管等四、实验步骤1. 准备工作:将阳床、阴床分别用蒸馏水浸泡,使其充分膨胀,备用。
2. 阳床处理:- 将待处理水样倒入阳床柱中,调节流速为1~2 mL/min。
- 待水样通过阳床后,收集流出液,测定其阳离子含量。
3. 阴床处理:- 将阳床处理后的流出液倒入阴床柱中,调节流速为1~2 mL/min。
- 待水样通过阴床后,收集流出液,测定其阴离子含量。
4. 结果分析:- 将实验数据与原水样中的离子含量进行对比,分析离子交换除盐的效果。
五、实验结果与分析1. 阳床处理结果:- 原水样中Na+含量为100 mg/L,处理后流出液中Na+含量为10 mg/L,去除率为90%。
- 原水样中Ca2+含量为50 mg/L,处理后流出液中Ca2+含量为5 mg/L,去除率为90%。
- 原水样中Mg2+含量为30 mg/L,处理后流出液中Mg2+含量为3 mg/L,去除率为90%。
2. 阴床处理结果:- 原水样中Cl-含量为80 mg/L,处理后流出液中Cl-含量为8 mg/L,去除率为90%。
- 原水样中SO42-含量为60 mg/L,处理后流出液中SO42-含量为6 mg/L,去除率为90%。
3. 结果分析:- 通过实验可知,离子交换除盐法可以有效去除水中的阳离子和阴离子,去除率较高。
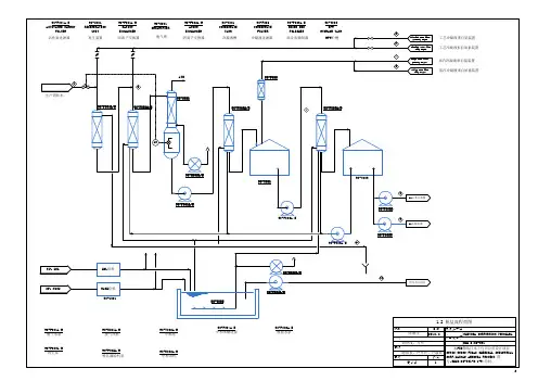
JK-LJR离子交换软化实验装置使用说明书目录一、概述 (1)二、技术参数 (1)三、实验指导 (1)1.实验目的 (1)2.实验原理 (1)3.实验工艺流程图 (3)4.实验操作步骤 (3)5.实验结果整理 (5)四、注意事项 (5)湘潭金凯化工装备技术有限公司离子交换软化实验装置使用说明书一、概述离子交换法是一种借助于离子交换剂上的离子和水中的离子进行交换反应而除去水中有害离子的方法。
在工业用水处理中,它占有极其重要的位置,用以制取软水或纯水,在工业废水处理中,主要用以回收贵重离子,也用于放射性废水和有机废水的处理。
采用离子交换法,具有去除率高,可浓缩回收有用物质,设备较简单,操作控制容易等优点。
但目前应有范围还受离子交换剂品种、性能、成本的限制;对预处理要求较高离子交换剂的再生和再生液的处理有时也是一个难题。
二、技术参数:a)交换柱由有机玻璃制成,尺寸:Φ50×800㎜,4根。
b)水泵:最大流量:10L/min,额定功率为90W的增压泵。
c)分路流量计LZB-6型,流量:4~40L/h。
d)有机玻璃软化水箱尺寸:Φ200×250㎜(酸碱水箱各一)。
e)PVC原水箱尺寸:350×500×400mm(含反冲洗水箱)。
f)各项操作及流量的显示、调节、控制全在控制屏板面进行。
g)框架与控制屏均为不锈钢材质,结构紧凑,外形美观,流程简单,操作方便。
h)外形尺寸:1200×600×1700mm。
三、实验指导:1.实验目的:1、熟悉顺流再生固定床运行操作过程。
2、加深对钠离子交换基本理论的理解。
2.实验原理:当含有钙盐及镁盐的水通过装有阳离子交换树脂的交换器时,水中的Ca2+及Mg2+便与树脂中的可交换离子(Na+或H+)交换,使水中Ca2+、 Mg2+含量降低或基本上全部去除,这个过程叫做水的软化。
树脂失效后要进行再生,即把树脂上吸附的钙、镁离子置换出来,代之以新的可交换离子。
离子交换水处理装置作业指导书1.操作规程⑴离子交换水处理装置采用逆流,自上而下进行交换,打开换塔低部的进水阀门,再打开上部的软化出水阀门,使原水从交换塔底部进入,并一定的流速通过树脂层,即得到软化,软化水经软化管送到软水箱里。
⑵树脂失效后,及时进行再生,关闭进水阀和软水出水阀门,待树脂降落下来稳定后,再开启再生液阀门和底部排水阀门,启动盐液泵,使再生盐液按一定流速,自上而下流入义换器内,经树脂层后,控制流速,从下部排水阀门将废液排出。
⑶开启交换塔底部清水阀门和上部的排水阀门,用逆流形式,进行清洗树脂,直到清洗水硬度和氯根达到合格时为止,再关闭排水阀门,停止清洗开始正常交换运行。
⑷浮动床运行一年后,可用压力水将软水器内树脂放入软水器中,再生后即可投入运行。
⑸软水器的树脂不得低于全高的90%,底部水层保持在10cm 左右,停床后要求高出树脂5cm,防止树脂干裂、失效。
2.注意事项⑴交换过程中,要经常监测软水硬度。
当超过0.04毫克当量/升时,即应停止交换,需进行再生。
软化水硬度和氯根的检验每天至少进行一次。
⑵离子交换水处理装置安装和运输中必须轻放,防止冲击擦坏。
⑶交换塔体安装时,应保持垂直,否则易偏流影响软化水效果。
⑷当向交换进原水或再生液时,首先打开排污阀门,排出塔内空气。
⑸无论交换或再生,向交换截内注水和盐液时,都要缓开阀门,防止突然压力增大,影响交换塔体使用周期。
⑹盐液槽多孔板和过滤网堆积泥土或污垢时,必须进行清洗或更换新滤网。
⑺使用原水压力应大于2.5kgf/cm2,小于6kgf/cm2,室内温度不低于5℃,防止树脂冻坏。
⑻对床前水质要求符合规定条件,否则污染树脂,降低软化质量。
⑼给水不能超压、超速。
否则容易冲坏床。
离子交换法软化工业水
苗海龙
【期刊名称】《氯碱工业》
【年(卷),期】1999(000)009
【摘要】工业用水的软化常用的有石灰纯碱法和离子交换法。
离子交换法操作方便,软化效果好,广泛地被工厂采用。
离子交换法软化水,即将水中的Ca2+、Mg2+除去,使水软化,因此实质是一种化学脱盐法。
离子交换法脱盐有2种,双床法和混合床法。
下面叙述混合床法的一种特殊...
【总页数】1页(P21-21)
【作者】苗海龙
【作者单位】河北省邯郸市亚星电化厂
【正文语种】中文
【中图分类】TQ114
【相关文献】
1.工业循环冷却水旁流软化-净化处理技术进展 [J], 高华生
2.工业锅炉用除盐水与软化水的能耗与经济比较 [J], 陈可青
3.工业锅炉用除盐水与软化水的能耗与经济比较 [J], 刘磊
4.酒钢热网补水采用工业水加药取代软化水 [J],
5.工业循环冷却水旁流软化-净化处理工艺设计 [J], 高华生
因版权原因,仅展示原文概要,查看原文内容请购买。
离子交换纯水机介绍离子交换纯水机是通过离子交换的方法制取纯水、高纯水的装置,是一种传统的、工艺成熟的脱盐处理设备。
自来水通过阳离子交换柱,简称阳柱,除去阳离子,再通过阴离子交换柱(简称阴柱)除去阴离子,流出的水即可以做实验用水。
但它的水质不太好,PH值常大于七.为了提高水,再串联一个阳,阴离子交换树脂混合的"混合术",就得到较好的实验用水。
无论在国内还是国际市场,早已有成套的离子交换纯水机出售.实验室变可用简易的离子交换柱制备纯水.交换柱常用琉璃,有机玻璃或聚乙炮烯管材制成,进出水管和阀门最好也用聚乙烯制成,也可用橡皮管加上弹簧夹.简单的交换柱可用酸式商定管装入交换树脂制成.在滴定管家下部塞上玻璃棉均匀地装入一定离度的树脂就构成了一个简单的离子交换柱.通常树脂层高度与柱内径之比至少要大于五比一.离子交换制备实验室用水的流程,分为单床,复床(阳柱阴柱),混合术等几种选用阳柱加惹阴柱的复床,再串联混合床的系统,制备的纯水就能很好地满足各种实验工作对水质的要求.离子交换是通过离子交换树脂在电解质溶液中进行的,可去除水中的各种阴、阳离子,是目前制备高纯水工艺流程中不可替代的手段。
离子交换器分为阳离子交换器、阴离子交换器等。
当原水通过离子交换柱时,水中的阳离子和水中的阴离子(HCO-等离子)与交换柱中的阳树脂的H+离子和阴树脂的OH-离子进行交换,从而达到脱盐的目的。
阳、阴混柱的不同组合可使水质达到更高的要求。
原理离子交换,其原理是在一定条件下,依靠离子交换剂(树脂)所具有的某种离子和预处理水中同电性的离子相互交换而达到软化、除碱、除盐等功能。
用于深度脱盐处理,产水电阻率动态可达到18MΩ·cm。
1、阳离子交换器:原水通过阳离子交换剂时,水中的阳离子如CM1+、Mg2+、K+、Na+等被交换剂所吸附,而交换剂上可以交换的H+被置换到水中,并且和水中的阴离子生成相应的无机酸。
2、阴离子交换器:当含有无机酸的水,通过阴离子交换剂时,水中的阴离子如 SO42-、CL-、HCO3-等被交换剂所吸附,而交换剂上的可交换离子 OH-被置换于水中,并和水中的 H+结合成为 H2O。
SG-HJ14 离子交换软化及除盐实验装置
产品名称:离子交换软化及除盐实验装置
产品型号:SG-HJ14
产品价格:84000元
一、实验目的:
1、验证离子交换软化水的基本原理。
2、掌握顺流再生固定床运行操作过程。
二、主要配置:
交换柱、耐酸碱泵、离子交换树脂、流量计(4-40L/h)、排水槽、原水箱、再生液投配装置、阀门、管道、不锈钢框架、控制屏。
三、技术参数:
1、环境温度:5℃~40℃,配电:220V, 90W。
2、水泵:功率90W,扬程:8m,额定流量:10L/min。
3、水箱:400×300×400mm,PVC板焊制。
4、交换柱:Φ40×600㎜,配交换树脂。
5、框架为不锈钢,结构紧凑,外形美观,操作方便。
6、外形尺寸:1100×550×1700mm。
数据采集型:配有计算机、微机接口和数据处理软件、涡轮流量计、电磁阀。
能在线监测进水流量、反冲洗流量及阀门开关。