35kV电缆试验、核相作业指导卡
- 格式:docx
- 大小:26.03 KB
- 文档页数:5
35KV变电所核相一.现35KV变电所运行方式:1.现施电线3953处于充电空载状态,3953刀闸处于合闸状态,所属PT处于投入状态,35KV线路避雷器工作正常。
2.#1、2主变处于冷备用状态,其35KV侧刀闸3011、3021处于分闸状态,其35KV侧开关301、302处于分闸状态,其10KV 侧刀闸1013、1023处于分闸状态3.10KV I II母线处于冷备用状态,其母线上所有负载开关及刀闸处于分闸状态4.I所用变投入运行(其高压侧直接接于35KV施电线)二.此次35KV变电所核相在10KV I、II母一次侧进行,具体步骤为:1.10KV I、II段母线分段,通过#1主变对10KV I段母线送电,#2主变对10KVII段母线送电,供电局人员在10KVI、II母一次侧进行核相三. 35KV核相操作票:1.#1主变对10KV I段母线送电1)确认施电线3953刀闸处于合闸状态,所属PT处于投入状态,施电线避雷器工作正常,确认施电3953线充电正常,2)确认I所用变投用正常3)确认#1主变35KV侧刀闸3011处于分闸状态4)确认#1主变35KV侧开关301处于分闸状态5)确认#1主变低压侧刀闸1013处于分闸状态6)确认#2主变35KV侧刀闸3021处于分闸状态7)确认#2主变35KV侧开关302处于分闸状态8)确认#2主变低压侧刀闸1023处于分闸状态9)检查#1主变本体清洁无杂物,变压器及其一、二次回路接线良好,各部位正常符合运行条件。
10)检查#1主变35KV侧301开关真空断路器外观正常、支持瓷瓶清洁完整无裂纹。
11)确认#1主变控制及信号回路投用正常,无报警12)检查10KV I段母线一次设备正常,符合运行条件。
13)确认10KV I段母线上所有负载开关及其刀闸在分闸状态,工作进线开关、母联开关在分闸状态,其控制电源均处于分闸状态14)验明10KV I 母无电压,测量I母绝缘:A相——B相——C相——AB相间——AC相间——BC相间——15)检查10KV I段母线PT高、低压侧熔丝完好、PT一、二次回路完好16)合上10KV I段母线PT一次侧进线隔离刀闸17)检查#1主变10KV侧101开关真空断路器外观正常、避雷器及其支持瓷瓶清洁完整无裂纹。
电气试验操作规程35k V系统继电保护传动作业指导书临沂华盛江泉电力有限公司2017年4月35kV 系统继电保护调试交接试验作业指导书试验细则操作程序编写人审核人批准人批准日期 2017年 4月 18日35kV变电站系统继电保护传动试验细则1目的用于检测35kV级和10(6)kV级微机综合继电保护装置工作是否正常。
2 范围用于保护35kV系统及与之相关的6或10kV进线的综合保护继电器(线路保护、母联保护、变压器高、低备保护、差动保护、电压保护、接地变保护、备自投保护、常规过流、速断、零序保护)。
3 责任和权限3.1 负责传动的人员应了解调试项目、调试方法,认真做好调试记录,并应及时解决调试中出现的问题,定期维护仪器设备,对调试结果的真实性、正确性和有效性负责。
3.2 试验管理员负责出具调试报告,参与各调试项目的试验人员应对调试数据(动作值和时间)与定值单进行核准,由试验主管和负责人批准签发调试报告。
4依据标准GB50150—2006《电气装置安装工程电气设备交接试验标准》华北电网集团有限公司2008年《电力设备交接和预防性试验规程》Q/TGS 1016-2007天津市电力公司企业标准2007年《电力设备交接和预防性试验规程》5试验项目5.1 35kV进线开关柜(GIS)二次回路检查;5.2 35kV变压器馈线柜(GIS)二次回路检查;5.3主变压器保护屏CT二次回路检查;5.4线路保护屏CT二次回路检查;5.5 CT一二次回路绝缘电阻;5.6 CT二次回路直流电阻;5.7差动及过流(后备)保护CT变比、极性;5.8定值核对、装置刻度检查(从试验仪器向保护装置二次回路输入电流,检查装置的电流值是否能与CT变比对应);5.9大电流传动(用大电流试验仪器向差动CT一次回路输入电流,检查装置的电流值是否能与输入的电流值对应);5.1035kV GIS 进线保护过流保护调试(瞬时投入);5.1135kV GIS 进线保护速断保护调试;5.1235kV GIS 进线保护零序过流保护调试;5.1335kV变压器保护差动保护I、II(高压侧及低压侧比率差动传动);5.1435kV变压器保护差动保护I、II(高压侧及低压侧差动速断传动);5.1535kV变压器保护高后备保护(过流传动);5.1635kV变压器保护高后备保护(过负荷传动);5.1735kV变压器保护高后备保护(复合电压闭锁过流保护传动);5.1835kV变压器保护过负荷保护;5.1935kV变压器有载调压保护;5.2035kV变压器保护非电量保护(主变重瓦斯保护传动);5.2135kV变压器保护非电量保护(压力释放保护传动);5.2235kV变压器保护非电量保护(调压重瓦斯保护传动);5.2335kV变压器保护非电量保护(本体轻瓦斯保护传动);5.2435kV变压器保护非电量保护(调压压力释放保护);5.2535kV变压器保护非电量保护(温度高保护);5.26主变压器低压侧(10kV)进线柜保护差速断保护传动;5.27主变压器低压侧(10kV)进线柜保护差过流保护传动;5.28主变压器低压侧(10kV)进线柜保护定时限过流保护传动;5.29主变压器低压侧(10kV)进线柜保护过负荷保护传动;5.30主变压器低压侧(10kV)进线柜保护零序过流保护传动;5.31备自投保护功能检测(主变高压侧、低压侧);5.32接地变过流保护功能测试;5.33接地变速断保护功能测试;5.34接地变零序保护功能测试;5.35接地变绕组直流电阻测量;5.36变电站接地电阻测试;5.37相量分析。
附件供电公司农电典型标准化作业指导卡范本110kV变电站作业类:110kV变电站日常巡视作业指导卡 (5)110kV变电站特殊巡视作业指导卡 (15)110kV主变高压试验作业指导卡 (26)110kV开关大修作业指导卡 (32)110kV开关安装作业指导卡 (39)110kV主变大修作业指导卡 (46)110kV电流互感器安装作业指导卡 (53)110kV变电站接地电阻试验作业指导卡 (59)110kV变电站主变保护校验作业指导卡(微机) (63)110kV变电站主变保护校验作业指导卡(继电器) (70)110kV变电站站用交直流电源检修作业指导卡 (76)110kV变电站站用蓄电池充放电作业指导卡 (80)110kV变电站清扫作业指导卡 (84)110K V输电线路作业类:110KV线路日常巡视作业指导卡 (93)110KV线路特殊巡视作业指导卡 (100)110KV停电更换绝缘子作业指导卡 (105)110KV电杆组立作业指导卡 (110)110KV铁塔组立作业指导卡 (115)110KV线路检修作业指导卡 (121)110KV线路避雷器安装作业指导卡 (128)110KV输电线路砍伐树木作业指导卡 (133)110KV输电线路交叉跨越测量作业指导卡 (137)110KV输电线路杆塔接地电阻测试作业指导卡 (141)110KV电力电缆敷设(更换)作业指导卡 (145)110KV电力电缆试验、核相作业指导卡 (151)110KV线路清扫作业指导卡 (156)35KV变电站作业类:35kv变电站日常巡视作业指导卡 (164)35kv变电站特殊巡视作业指导卡 (174)35kv主变高压试验作业指导卡 (185)35kv开关大修作业指导卡 (191)35kv开关安装作业指导卡 (198)35kv主变大修作业指导卡 (205)35kv电流互感器安装作业指导卡 (212)35kv站用变压器的安装作业指导卡 (218)35kv变电站接地电阻试验作业指导卡 (224)35kv变电站主变保护校验作业指导卡(微机) (228)35kv变电站主变保护校验作业指导卡(继电器) (235)35kv变电站站用交直流电源检修作业指导卡 (241)35kv变电站站用蓄电池充放电作业指导卡 (245)35kv变电站清扫作业指导卡 (249)35KV输电线路作业类:35KV线路日常巡视作业指导卡 (258)35KV线路特殊巡视作业指导卡 (265)35kv停电更换绝缘子作业指导卡 (270)35kv电杆组立作业指导卡 (275)35kv铁塔组立作业指导卡 (280)35kv线路检修作业指导卡 (286)35kv线路避雷器安装作业指导卡 (293)35kv输电线路砍伐树木作业指导卡 (298)35kv输电线路交叉跨越测量作业指导卡 (302)35kv输电线路杆塔接地电阻测试作业指导卡 (306)35KV电力电缆敷设(更换)作业指导卡 (310)35KV电力电缆试验、核相作业指导卡 (316)35kv线路清扫作业指导卡 (321)10kv线路作业类:10KV线路导线架设作业指导卡 (329)10KV线路配变、JP柜安装作业指导卡 (336)10KV线路电缆敷设(更换)作业指导卡 (341)10KV线路撤、立水泥杆作业指导卡 (348)10KV线路更换导线作业指导卡 (354)10KV线路更换开关作业指导卡 (360)10KV线路组立钢杆作业指导卡 (366)10KV线路无功补偿装置安装作业指导卡 (372)10KV线路检修作业指导卡 (378)10KV线路更换计量装置作业指导卡 (384)10kv线路巡视作业指导卡 (390)低压作业类:低压线路放、撤导线作业指导卡 (396)低压接户线、表箱安装作业指导卡 (402)低压电流户感器和电能表更换作业指导卡 (408)低压线路架设作业指导卡 (413)低压剩余电流动作保护器更换作业指导卡 (422)低压台区改造作业指导卡 (426)低压电器巡视作业指导卡 (432)低压电器更换作业指导卡 (436)110kV变电站日常巡视作业指导卡单位:____________________ 编号:_________________________________________编写人(作业负责人):_______________ 审批人:____________________________工作任务:_________________________________________________________________、作业前准备1、人员分工2、工器具准备工器具准备人: 年月日工器具收回人: 年月日确认“作业前准备” 1-4项已完成,工作负责人(签字):_______________________二、作业程序及危险点控制措施计划工作时间:年月日时分至月日时分确定以下2-4项:危险点及安全措施、现场补充安全措施、关键作业步骤已进行讲解。
额定电压3.6/6kV~26/35kV级交联聚乙烯绝缘电力电缆检验作业指导书(附产品质量缺陷分级表)
文件编号:
编制:
标准化:
会签:
审核:
批准:
********公司
二〇一八年八月
目录
检验作业指导书编制说明…………………………………………………………………………………1~2 原材料进货检验……………………………………………………………………………………………3~5 中间控制
拉丝工序 (6)
连拉连退软化工序 (7)
导电线芯绞合工序 (8)
三层共挤干法交联 (9)
铜带屏蔽 (10)
绞合成缆 (11)
隔离套挤出工序 (12)
金属丝、带铠装工序 (13)
外护套挤包 (15)
出厂检验……………………………………………………………………………………………………16~19 产品质量缺陷分级指导书…………………………………………………………………………………20~23
编制说明:
1、本文件用于对产品质量问题严重性分级,也可作为填写《产品质量问题处理单》时质量问题分级指导用。
2、质量问题产品按《不合格管理程序》处理。
编号:Q/×××
35-110kV××线电缆预试作业指导书
(范本)
编写:年月日
审核:年月日
批准:年月日
试验负责人:
试验日期年月日时至年月日时
××供电公司×××
1适用范围
本作业指导书适用于陕西省地方电力(集团)公司××分公司××kV电缆预试
2引用文件
1、IEC60840:1999额定电压30kV(Um=36kV)以上至150 kV(Um=170kV)挤出绝缘电力电缆及附件试验方法和要求;
2、国际大电网GIGRE工作组规定的21.09《高压挤包绝缘电缆的竣工验收试导则》;
3、DL/T 596 --1996 电力设备预防性试验规程
3试验前准备工作安排
3.1准备工作安排
3.2人员要求
3.3仪器仪表和工具
3.4危险点分析
3.5安全措施
3.6试验分工
4 试验程序
4.1开工
4.2试验项目和操作标准
4.3竣工
5 试验总结
6 作业指导书执行情况评估
7附录
a.试验接线图:
b试验记录:
1、110KV电缆线路试验原始记录
2、无间隙金属氧化物避雷器试验原始记录。
Q/×××35kV电压互感器现场检定/校准作业指导书
(范本)
编写:年月日
审核:年月日
批准:年月日
工作负责人:
作业日期:年月日时至年月日时
安徽省电力公司
1 范围
本作业指导书适用于XX供电公司测量用电压互感器现场检定/校准。
2 引用文件
下列标准及技术资料所包含的条文,通过在本作业指导书中的引用,而构成为本作业指导书的条文。
本作业指导书、所有标准及技术资料都会被修订,使用本作业指导书的各方应探讨使用下列标准及技术资料最新版本的可能性。
GB 1207--1997 电压互感器
JJG 314--1994 电压互感器检定规程
JJG 1027—1991 测量误差及数据处理技术规范
DL/T 448—2000 电能计量装置技术管理规程
SD 109—1983 电能计量装置检定规程
DL/T 727--2000 互感器运行检修导则
《国家电网公司电力安全工作规程》(变电站和发电厂电气部分)(试行)
Q/TGD207.10-2005 铜陵供电公司《测量管理体系手册》
电压互感器现场检定/校准标准装置使用手册
3检定/校准前工作安排
3.1 工作前准备
3.2 人员要求
4检定程序
5、检定总结
6、作业指导书执行情况评估。
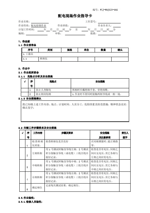
35kV电缆试验核相作业指导卡单位:XX供电所编号:各县公司自定
编写人(作业负责人):审批人:
工作任务:35kv电缆试验、核相作业
一、作业前准备
1、现场勘察
以上勘察项目于XXXX年XX月XX日勘察完毕。
主要勘察人员(签字):XXXXXX
2、人员分工
3、工器具准备工器具准备人: XXXXXX XXXX年XX月XX日工器具收回人:XXXX XXXX年XX月XX日
4、材料准备材料准备人:年月日材料回收人:
年月日
确认“作业前准备”1-4项已完成,工作负责人(签字): XXXXXX
二、作业程序及危险点控制措施
计划工作时间: XXXX年XX月XX日XX时XX分至XX月XX日XX时XX分
1、开工
确定以下2-4项危险点及安全措施、现场补充安全措施、关键作业步骤已进行讲解。
工作班人员(签字):
2、危险点及安全措施
3、现场补充的安全措施
4、关键作业步骤
5、竣工
三、指导卡执行情况评估。
35KV变电站作业指导书1、注意事项1.1当操作步骤中没有某种元件时,则该程序省去;1.2断路器的正常操作应优先使用遥控或远控,只有在检修或条件不能满足时,才允许使用就地操作;1.3母线停投时,应道先退出电容器,然后再停各出线开关。
送电时,先送出线开关,然后根据母线电压及负荷情况投入电容器;1.4电容器开关分闸、跳闸后,禁止立刻合闸,再次合闸应相隔3分钟。
对电容器进行停电检修工作时应事先进行逐个充分放电;1.5禁止使用刀闸拉合电容器;1.6由于保护动作跳开电容器组的开关,在未查明跳闸原因时,不得重新合闸。
2、送电操作2.1 送电前检查2.1.1检查确认送电设备与调度令无误;2.1.2检查确认配电柜前后门关闭到位;2.1.3检查确认现场无人员及遗留物;2.1.4检查确认设备现场各种信号显示正确无误;2.1.5检查确认安全防护用具无疑问,并正确使用。
2.2 送电操作2.2.1将操作手柄搬至“分断闭锁”位置;2.2.2断开上接地刀闸,确认刀闸分位,确认信号显示正确无误;2.2.3断开下接地刀闸,确认发闸分位,确认信号显示正确无误;2.2.4合上电源侧隔离刀闸,确认刀闸合位!确认信号显示正确无误;2.2.5合上负荷侧隔离刀闸,确认刀闸合位!确认信号显示正确无误;2.2.6合上断路器,确认断路器合位!确认信号显示正确无误;2.2.7将操作手柄搬至“工作”位置;2.2.8送电操作完毕!3 停电操作3.1停电前检查3.1.1检查确认停电设备与调度令无误;3.1.2检查确认设备现场各种信号显示正确无误;3.1.3检查确认安全防护用具无疑问,并正确使用。
3.2停电操作3.2.1断开断路器,确认断路器分位!确认信号显示正确无误;3.2.2将操作手柄搬至“分断闭锁”位置;3.2.3断开负荷侧隔离刀闸,确认刀闸分位!确认信号显示正确无误;3.2.4断开电源侧隔离刀闸,确认刀闸分位!确认信号显示正确无误;3.2.5合下接地刀闸,确认刀闸合位,确认信号显示正确无误;3.2.6合上接地刀闸,确认刀闸合位,确认信号显示正确无误;3.2.7将操作手柄搬至“检修”位置;3.2.8在操作手柄上悬挂“禁止合闸,有人工作”警告标识牌;3.2.9停电操作完毕!1 总则1.1本规程适用于公司35KV变电站。
高压电力电缆试验作业方案与指导书一、安全措施1、35/26KV橡塑电缆交接性试验2、危险危害因素;1)高压耐压试验做电缆高压试验时,对绝缘的冲击,可能会产生触电伤害的危险。
3、做好安全措施1)现场用警戒线将电缆终端两头围起来,挂好“止步,高压危险”的指示牌,并派专人监护,防止他人误入造成事故。
2)现场工作人员要做好安全教育以与自我防护,现场施工人员要佩戴好劳动保护用品,已知危险源的处理方法,熟悉试验设备的性能,按工作票熟悉操作试验设备,熟悉试验流程。
试验现场要做到周围清洁,无杂物,不涉与交叉作业,与试验无关人员撤离两侧现场。
3)试验准备前工作人员在工作票上签字,已知危险因素和处理方法。
4、试验完毕做好被试品的安全防护工作二、试验方法试验依据《GB 50150-2016 电气装置安装工程电气设备交接试验标准》第17章电力电缆线路试验(一)、需要做的试验项目;1 测量绝缘电阻;2 交流耐压试验;3 直流耐压试验与泄漏电流测量4 检查电缆线路两端的相位;5交叉互联系统试验(二)、测量绝缘电阻1对电缆的主绝缘作耐压试验或测量绝缘电阻时,应分别在每一相上进行。
对一相进行试验或测量时,其它两相导体、金属屏蔽或金属套和铠装层一起接地;2 对金属屏蔽或金属套一端接地,另一端装有护层过电压保护器的单芯电缆主绝缘作耐压试验时,必须将护层过电压保护器短接,使这一端的电缆金属屏蔽或金属套临时接地;3耐压试验前后,绝缘电阻测量应无明显变化;橡塑电缆外护套、内衬套的绝缘电阻不低于0.5MΩ/km;6/6kV与以上电缆也可用5000V兆欧表。
橡塑电缆外护套、内衬套的测量:用500V兆欧表。
(三)、交流耐压试验;橡塑电缆优先采用20Hz~300Hz交流耐压试验。
20Hz~300Hz交流耐压试验电压与时间见表:1试验设备、被试品可靠接地。
2分别是A相耐压,B、C与铜蔽层对地,B相耐压,A、C与铜蔽层对地,C 相耐压,B、A与铜蔽层对地。
35KV变电站35KV电流互感器安装作业指导卡单位:编号:编写人(作业负责人)审批人:工作任务:35KV变电站35KV电流互感器安装作业一、作业前准备1、现场勘察序号勘察项目勘察内容√备注1作业电气条件停电范围:邻近带电具体位置:2 电压等级10KV( ) 35KV( ) 110KV( )3 作业环境邻近带电设备 ( ) 具体位置:4 地域环境交通道路或人口密集区( )起伏山地 ( )泥洼地带 ( ) 运输(途中)道路障碍 ( ) 具体位置:5 勘察情况简析及应采取的措施以上勘察项目于年月日勘察完毕。
主要勘察人员(签字):2、人员分工序号分工项目工作班人员作业负责人√1 专职监护人XX XX2 安装前开箱检查XX XX3 电气绝缘试验XX XX4 继电保护、电能计量、仪表二次参数测试XX XX5 互感器安装XX XX6 一、二次接线XX XX7 最终检查XX XX3、工器具准备工器具准备人:年月日工器具收回人:年月日序号工器具名称规格单位准备数量实领数量回收数量√备注(领取审核人)1 汽车及吊车台2 扳手把3 各类锉具把4 梯子只5 毛刷把6 各类绳具根7 测量尺具把8 电源及电源线套9 手电钻个10 剥线钳个11 电焊机台12 线号笔支13 螺丝刀把14 压接钳把4、材料准备材料准备人:年月日材料收回人:年月日序号材料名称规格单位准备数量实领数量回收数量√备注1 全套镀锌螺栓套2 设备线夹个3 控制电缆M4 钢芯铝绞线KG5 砂纸张6 抹布KG7 镀锌无缝钢管M8 锯条根9 防锈漆、银粉漆 桶 10 凡士林 桶 11 电焊条 袋 12 绝缘胶带 卷 13扎条袋确认“作业前准备”1-4项已完成,工作负责人(签字): 二、作业程序及危险点控制措施计划工作时间: 年 月 日 时 分至 月 日 时 分 1、开工 序号 开工内容要求项目工作负责人√1 工作负责人带领工作班成员列队进入工作现场。
XX 2工作班成员面对设备列队,工作负责人面对成员宣读工作票全部内容,交代危险点及安全控制措施、检修工艺。
编号:
XX变电站35KV XX电缆出线XX工程施工作业指导书
(范本)
编写:年月日
审核:年月日
年月日批准:年月日
作业负责人:
作业时间:年月日时分至年月日时分
xxx电力建设有限公司xxx公司电缆班
目录
1 工作任务 (1)
2 工期安排 (1)
3 作业准备阶段 (1)
3.1 准备工作 (1)
3.2 危险点分析及安全控制措施 (2)
3.3 人员分工 (3)
4 作业阶段 (3)
4.1 开工 (3)
4.2 确认危险点及安全措施 (3)
4.3布臵工器具及材料 (4)
4.4 作业流程及工艺标准 (4)
4.5 竣工 (6)
5 结束阶段 (6)
6 附件 (7)
6.1 工器具 (7)
6.2 备品备件及材料 (8)
1 工作任务
本作业指导书针对XX变电站35千伏XX线XX工程XX工作。
2 工期安排
3 作业准备阶段
3.1 准备工作
3.2 危险点分析及安全控制措施
3.3 人员分工
4 作业阶段
4.1 开工
4.2 确认危险点及安全措施
4.3布臵工器具及材料
4.4 作业流程及工艺标准
4.5 竣工
5 结束阶段
6 附件
6.1 工器具
6.2 备品备件及材料。
(国电贵州风电分公司螺丝壳风电场)35kV集电线路保护检验作业指导书编码:LSKZZJY-04二O—七年十月作业指导书签名页1 •适用范围. (1)2.编写依据. (1)3.作业流程 (2)作业(工序)流程图 (2)4.安全风险辨析与预控. (3)5.作业准备 (4)5.1人员配备 (4)5.2工器具及仪器仪表配置 (4)6.作业方法. (4)6. 1作业条件检査 (4)6. 2通电前检查: (4)6. 3绝缘检査 (5)6. 4通电检查 (5)6. 5保护装置校验 (5)6. 6整组传动试验: (6)6・7电流电压回路检査: (6)6.8二次回路检査: (6)6. 9受电前检查: (7)6. 10带负荷测试: (7)7.质量控制措施及检验标准. (7)7. 1质量控制措施 (7)7. 2检验标准. (7)8验收记录 (7)9调试记录. (8)1 •适用范围本作业指导书适用于国电贵州风电分公司螺丝壳风电场35kV集电线路线路保护调试。
2.编写依据表2・1引用标准及规范名称3・作业流程作业(工序)流程图开始完成图3J线路保护作业流程图4.安全风险辨析与预控表4・1安全风险辨析及预控措施检查表请您认真检査并签名确认,您的签名意味看将承担相应的安全质量责任施工单位检查人:监理单位检查人:日期:日期:注:对存在风险且控制措施完善填写“丁”,存在风险而控制措施未完善填写“X”,不存在风险则填写“一”,未检查项空白5.作业准备5.1人员配备表5-1作业人员配备注:作业人数根据具体工程量规模配备。
5.2工器具及仪器仪表配置表5・2主要工器具及仪器仪表配置注:主要工器具及仪器仪表根据具体工程量规模配备,仪器仪表必须在检定周期内。
6.作业方法6.1作业条件检查6.1.1检查工作的安全措施完善,二次隔离措施符合作业安全要求。
6.1. 2检查屏柜安装及二次接线完毕,符合试验条件。
6.1.3试验人员熟悉相关资料和技术要求。
精扎35kV核相
Ⅰ、Ⅱ两段母线相序测定
1)在3918 I段PT柜二次侧进行低压侧核相。
2)分断3122、3222两个进线断路器
3)拉出310母联柜断路器,推入3201 Ⅰ、Ⅱ段母联隔离,为高压核相做好准备。
4)合上3122、3222两台进线断路器。
5)在310母联柜处对Ⅰ段、Ⅱ段两段母线进行高压侧核相。
Ⅱ、III两段母线相序测定
1)在3918 I段PT柜二次侧进行Ⅱ、III段低压侧核相。
2)分断3222、3322两个进线断路器
3)拉出320母联柜断路器,推入3201 Ⅱ、III段母联隔离,为高压核相做好准备。
4)合上3222、3322两台进线断路器。
5)在320母联柜处对Ⅱ段、III段两段母线进行高压侧核相。
I、III两段母线相序测定
1)在3918 I段PT柜二次侧进行I、III段低压侧核相。
2)分断3122、3322两个进线断路器
3)拉出330母联柜断路器,推入3301 I、III段母联隔离,为高压核相做好准备。
4)合上3122、3322两台进线断路器。
5)在330母联柜处对I段、III段两段母线进行高压侧核相。
母线核相测试记录
母线核相测试记录
母线核相测试记录。