三维网植草护坡施工
- 格式:doc
- 大小:17.00 KB
- 文档页数:2
三维土工格栅植草护坡施工工法摘要:三维植被网护坡是指利用活性植物并结合土工合成材料等工程材料,在坡面构建一个具有自身生长能力的防护系统,通过植物的生长对边坡进行加固的一门新技术。
三维植被网根据边坡地形地貌、土质和区域气候的特点,在边坡表面覆盖一层土工合成材料并按一定的组合与间距种植多种植物。
关键词:三维土工格;栅植草护坡;施工;分析在进行三维植被护坡施工过程中,要想达到满意的效果需要根据植物生长活动达到根系加筋和茎叶防冲蚀目的,然后经过生态护坡技术处理,可在坡面形成茂密的植被覆盖,在表土层形成盘根错节的根系,有效抑制暴雨径流对边坡的侵蚀,增加土体的抗剪强度,减小孔隙水压力和土体自重力,从而大幅度提高边坡的稳定性和抗冲刷能力.。
1工法特点和适用范围1.1工法特点首先,施工工艺简单,施工方便,施工速度快,工期短。
其次,防护效果好,植株成活率高。
再次,适用性广。
最后,工程造价低。
1.2适用范围客土喷播植草绿化技术可应用于公路、铁路、河道、市政、园林等多个领域。
1.3工艺原理客土喷播植草绿化是将配制好的土壤与乡土草木种子及防止水土流失的土壤稳定剂、黏合剂、保水剂等掺和后,经搅拌机拌匀,在干料状态用空压机和混凝土喷射机输送,在喷射口前与水混合喷射到坡面,形成喷射厚度较大,粘稠度较高,能促进植物长期生长所需的基材。
2施工工艺和操作要点2.1施工工艺施工工艺流程(图1)2.2操作要点首先,施工准备。
进行草籽、灌木种子选用。
应选择适合于当地气候条件、易于生长的草种。
其次,土壤。
应为松散的、具有透水性并含有有机物质的土壤,利于植物生长,不应含有盐、碱土,且无有害物质以及大于20mm的石块、棍棒、垃圾等。
再次,肥料。
有机肥应优先使用经过沤制的农家肥。
使用化肥时,应为标准农田化肥并按袋装提供,满足GB15063-2001规定。
最后,水。
应无油、酸、碱、盐或其它对植物生长有害的物质,并应符合《农田灌溉水质标准》(GB5084-1992)的要求。
三维网植草护坡之阳早格格创做1、动工工艺浑理边坡→启沟洒播草种及肥料→挂网→牢固→回挖土→喷播植草→盖无纺布→掀膜2、动工要领重心(1)、种草要领为了使所有坡里的防备战绿化效验达到最好状态,咱们采与三维网下掘沟种草战三维网牢固并回挖土后,采与呆板喷播植草去真止表深单层植草,深层的草种战表层的草种死少并通过一段时间的保护,草根相互接织正在所有产死植被,进而达到上述手段.(2)、三维网拆接三维网的二个里具备分歧形状,上头为坎坷没有服,底下为仄里,紧掀坡里,铺设时没有克没有及搞错.为了包管绿化防备效验普遍三维网拆接宽度没有矮于5cm,界于5-10cm之间.由于正在三维网下支获了草种.那些草籽死少并脱过三维网举止死少,拆接处便相称于6层三维网,草没有但是要脱过那6层网,且通过三维网与坡里有一定隔断的场合,(三维网没有成能每处皆掀近坡里,按本安排用φ8U型钢筋按100cm牢固三维网,其空间太大,不利于三维网紧掀表土.咱们普遍采与φ6U 型钢筋加8号铁丝去牢固,使三维网战坡里掀得更紧,再加上随后挖的土,草籽死万古便简单脱过土战三维网),便被三维网挡正在网内,惟有少部分草能脱过那6层三维网,进而使得三维网拆接处战非拆接处有二种分歧的效验,坡里真足绿化效验短好.正在本质动工中,咱们采与5cm的拆接,效验很好.三维网正在横背险些没有受所有力,所有5cm拆接真足不妨谦脚技能央供.(3)、挖土按安排央供正在1:1的边坡上,间接挂网,挖7cm的土,正在本质动工中无法真止.根据咱们的动工体味,采与另一种要领,既让动物有脚够的土壤,又能使动物得到充脚的养份,使它能正在边坡上赶快死少,并成坪,产死植被,达到绿化的手段.那种要领便是正在边坡上采与掘横沟(间距10-15cm,沟深8-10cm),而后将草籽、肥料挖进沟中,铺三维网并牢固后挖土,由于三维网的效率沟槽便会被土挖谦,三维网的网包也会挖谦土,为末尾的喷播植草做好准备.。
三维网植物护坡施工方案1.背景介绍随着城市和基础设施建设的不断发展,保护自然环境变得尤为重要。
护坡工程是一种常见的环境保护措施,用于保持和增强地形稳定性,防止土壤侵蚀和山体滑坡。
2.三维网植物护坡概述三维网植物护坡技术是一种通过植物和网格结构相结合的方法来实现坡面保护和生态恢复的工程措施。
它不仅能够固定土壤和抑制水流,还能为植物提供生长和生存的环境。
3.施工步骤- 步骤一:坡面准备在进行三维网植物护坡施工前,需要先对施工区域的坡面进行准备。
清除杂草、破碎土壤,并进行平整,以便于后续的施工工作。
- 步骤二:网格安装将三维网格材料按照设计要求进行安装。
网格应密集且紧密相连,以确保坡面的稳定性和护坡效果。
同时,应注意网格与地面的牢固连接,确保其不会被水流或外力破坏。
- 步骤三:植物种植根据设计要求和施工方案,在网格结构上种植适应当地气候和土壤条件的植物。
选择具有良好的护坡效果和生态适应性的植物品种,并遵循科学的种植方法进行植株定植。
- 步骤四:养护管理定期对已完成的三维网植物护坡进行养护管理工作。
包括浇水、施肥、修剪等,以保持植物的生长状态和护坡的效果。
4.施工注意事项- 施工前需进行详细的现场勘测和设计,确保施工方案的科学性和可行性。
- 选择合适的网格材料和植物品种,根据实际情况进行合理搭配。
- 施工过程中要特别注意安全,以防止人员和设备的意外伤害。
- 注意环境保护,合理使用施工材料和资源,避免对自然环境造成不可逆的影响。
5.施工效果评估完成施工后,应对三维网植物护坡工程进行效果评估。
考察植物生长情况、坡面稳定性和护坡效果等指标,对施工方案进行总结和改进。
6.结语三维网植物护坡施工方案是一种环境友好、效果显著的护坡技术。
通过科学规划和施工,可以实现土壤保持、生态恢复和景观美化的目标。
在实际工程中,需要充分考虑地理条件、环境要求和施工实际,以确保施工效果和工程质量的达标。
三维植被网护坡施工方案1. 概述三维植被网护坡是一种利用植被和网格材料结合的护坡方式,通过固定土壤和植被的同时,提供了良好的水土保持效果。
本文档将详细介绍三维植被网护坡的施工方案。
2. 施工材料和设备•三维植被网:采用高强度、耐腐蚀性好的聚乙烯网材料。
•填土材料:使用粒径较大的碎石和砂土混合物,确保良好的排水性能。
•植被苗木:选择适应性强、能够快速生长的植物苗木。
•施工机械:包括挖掘机、平地机等。
3. 施工步骤3.1 准备工作在进行三维植被网护坡施工前,需要进行以下准备工作: 1. 确定施工区域的边界和坡度。
2. 清理施工区域内的杂草、垃圾等。
3. 根据设计要求,确定所需的三维植被网规格。
3.2 坡面处理1.使用挖掘机对坡面进行平整处理,确保坡面平整度符合要求。
2.清理坡面上的大石头和杂物,确保施工质量。
3.3 植物配置和定植1.根据设计要求,选择适应本地气候和土壤条件的植物苗木。
2.在坡面上按照设计要求进行植物配置,并使用挖掘机开坑。
3.将植物苗木移植到开好的坑中,确保根部扎实贴紧土壤。
3.4 三维植被网固定1.按照设计要求,铺设三维植被网,使其覆盖整个坡面。
2.使用地钉或其他固定设备将三维植被网固定在土壤上。
3.检查固定效果,确保三维植被网牢固。
3.5 覆土和压实1.使用挖掘机将填土材料运输至坡面,并覆盖在三维植被网上。
2.使用压路机对填土进行压实,确保填土紧密贴合植被和三维植被网。
3.6 养护1.施工完成后,对新种植的植物进行充足的浇水和养护。
2.定期巡查施工区域,及时发现并处理植物枯萎、松动的三维植被网等问题。
3.根据需要,补植和修复植被和三维植被网。
4. 安全注意事项在进行三维植被网护坡施工时,需要注意以下安全事项: - 操作施工机械时,必须熟悉操作规程,并佩戴好相关的安全装备。
- 施工现场要设置明显的警示标识,确保工作人员和过往行人的安全。
- 在坡面处理和填土过程中,不能使用过重的机械设备,以避免对坡面造成损坏。
三维网植草施工工艺方法施工工序:准备工作→铺网→覆土→播种→前期养护。
1)准备工作为保证三维植被与坡面的紧密结合,交验后的坡面,应采用人工细致整平,清楚所有的岩石、碎泥块、植物、垃圾和其他可能引起网在地面被顶起的阻碍物。
对路堤填土土质条件差、不利于草种生长的坡面采用回填土(可采用清淤清表堆放土体),并用水湿润让坡面自然沉降至稳定。
路堑路段在坡顶和坡底处沿边坡走向开挖矩形沟槽,沟槽宽30㎝,深30㎝,用以固定三维网。
2)铺网三维网在坡顶延长50㎝以上并埋入水沟或坡顶平台,自上而下顺坡铺设。
铺网时应让网尽量与坡面贴附紧实,防止悬空,铺设时应使用网保持平整,不产生褶皱,网之间要重要叠搭接长度大于10㎝,三维网采用U型钉(Φ12钢筋制作)固定,坡面钉横行间距为100㎝,纵向间距为50㎝,U型钉钉设完成后应对沟槽进行填土压实。
3)覆土三维网表层覆土应以肥沃表土为宜,本次采用TBS、复合肥或泥炭土进行客土回填,为保证覆土充满网包,且不压包,填土厚度大于5cm,应分层多次填土,且洒水浸润,至网包层不外露为止。
4)播种三维网种子配比植物种类用量(g/平方米)猪屎豆4.5坡柳6山毛豆5.3狗牙根0.5大翼豆1草种应选择当地已有成熟物种,按设想请求采用猪屎豆、坡柳、山毛豆、狗牙根等草种进行混播。
草种播撒体式格局采用液压喷播体式格局。
在雨季施工时,为使草种免受雨水冲失,可采用无纺布或稻草、秸秆编织等覆盖坡面。
5)前期养护施工完成后,应对坡面进行不少于15d的前期养护,主要为定期洒水养护、病虫害防治、视植物生长需要及时追肥等。
三维土工网垫植草灌护坡施工工法1. 简介三维土工网垫植草灌护坡施工工法是一种集土工技术、生态修复和水土保持于一体的护坡工法。
它通过在坡面铺设三维土工网垫,并在网垫上植草或进行灌木绿化,形成具有自然生态特色、良好防护效果的护坡体系。
该工法适用于中、低山区、水土流失严重的坡地、公路及铁路边坡等护坡工程。
2. 工法步骤2.1 坡面处理在施工前,需要对坡面进行处理。
处理过程包括清理、修整、措施采取、覆盖保护等环节。
同时也要注意生态环境保护。
2.2 三维土工网垫的铺设首先将三维土工网垫按照设计要求进行剪裁和拼接,再用金属钉或丝绳将三维土工网垫固定在坡面上,以保持坡面的稳定性。
铺设时要注意网垫重叠部分的接灰及搭接方向。
2.3 垫面种植在三维土工网垫上进行植草或种植灌木,以增加坡面的环境效益,并能够有效抑制坡面的泥石流,保持土壤稳定性。
植物品种选择要结合当地的实际环境、气候特征和生长适应能力来确定。
2.4 灌溉养护根据植物特点,合理配置灌溉设施,进行合理的灌溉养护,保持植物的生长和发展,以增强坡面的防护和生态效益。
2.5 后期监测进行施工后,需要对护坡进行定期的巡查和监测,发现问题及时处理,以确保草坪化、绿化等工作取得成功。
3. 工法特点该工法具有如下特点:•防护和生态效益好:植草和种植灌木可以增强坡面护理效果,并且有益于水土保护和生态环保。
•三维土工网垫的铺设加快了施工进程,并减少了对地形的破坏。
•耐久度高:土工网垫的使用寿命长,可以持续维护坡面的稳定性。
•适应性强:该工法适用于不同类型的护坡工程,尤其适用于中、低山区、水土流失严重的坡地、公路及铁路边坡等护坡工程。
4. 工法效果通过该工法的运用,可以实现如下效果:•提高坡面的稳定性,防止坡面崩塌和水土流失;•增加坡面的生态效益,促进生物多样性的保护;•减少对坡地的破坏,降低工程成本;•提高工程的美观度和社会效益。
5.三维土工网垫垫植草灌护坡施工工法是一种结合生态修复和水土保持于一体的适用于不同类型的护坡工程的工法,它具备防护和生态效益好、耐久度高、适应性强等优点,并且其施工过程简单、进程快速、效果良好。
三维网绿色护坡施工方案简介本文档旨在提供一种使用三维网进行绿色护坡施工的方案。
三维网是一种环保且有效的土壤保护材料,可用于护坡和防止土壤侵蚀。
本方案将详细介绍施工步骤和所需材料,以帮助项目实施者高效完成护坡工作。
施工步骤1. 准备工作:确保施工现场清理干净,清除障碍物和杂草。
选择适当的三维网规格和材料。
2. 设计方案:根据坡地特征和要求,制定三维网的布置和固定方案。
应考虑到土壤类型、降雨量以及周围环境条件。
3. 网格固定:使用适宜的固定器具将三维网固定在坡面上。
固定器具应坚固可靠,并与土壤相互配合,以确保三维网稳固。
4. 网格连接:根据需要,在三维网的边缘进行连接,以确保整体网格的完整性和稳定性。
5. 种植植物:选择适用于坡面环境的植物进行种植,以进一步巩固土壤,提高绿化效果和生态环境。
6. 养护管理:定期检查护坡工程的稳定性和植物生长情况,并采取必要的养护措施,例如修剪植物、除草、防止土壤侵蚀等。
所需材料- 三维网:根据实际需求选择合适规格和质量的三维网材料。
- 固定器具:选择合适的固定器具,如U型钉、钢丝固定夹等,以固定三维网。
- 植物:选择适应坡面环境、适合土壤特征的植物进行种植。
- 工具:包括挖掘工具、固定工具和养护工具等,以便完成相应的施工和养护工作。
结论三维网绿色护坡施工方案是一种环保、有效的护坡方法。
通过遵循施工步骤和正确使用所需材料,可以实现坡面的稳固和绿化,有效防止土壤侵蚀,提高生态环境。
实施该方案时,务必参考相关法规和标准,确保施工质量和安全。
三维网格植草护坡施工1、施工工艺(1)填方和挖方边坡中,三维网自坡顶(填方路段为路床底面,挖方为自然坡顶或边坡平台)至坡底顺长铺设,宽度方向搭接10cm。
在搭接带和单幅网中部用U型钉将网固定于坡面上。
(2)三维网土工网(公路规范JTJ/T019-1998中称之为土工垫)设计采用幅宽1.5m的3层材料,要求其网眼直径不大于1cm。
极限拉伸强度不小于5KN/m,网内节点粘结完好。
(3)三维土工网植草均采用喷播工艺,详见规定说明书。
(4)施工时应该先整平边坡,然后开挖坡脚土方,夯实后用7.5号砂浆砌35号片石护坡坡脚。
坡面不应有树桩、有机质或废物。
坡面修整后应立即进行护坡铺砌。
护坡坡脚砌筑前应挖槽,使基础嵌入槽内。
砌筑时若有渗透水,应及时排除,以保证基础和砌体砂浆在初凝前不遭水害。
易受水流冲刷的护坡基础,应按图纸所示采用抛石防护,石块大小及施工断面尺寸,应按图纸要求进行。
砌体应分层坐浆砌筑,砌筑上层时,不应扰动下层。
不得在已砌好的砌体上抛掷、滚动、翻转和敲击石块。
砌体砌筑完成后,应进行勾缝。
2、施工注意事项:(1)骨架护坡每隔5道竖肋中线设沉降缝一道,缝宽1cm,缝中填防渗水材料。
(2)施工前应清刷坡面浮土,填充坑凹,使坡面大致平整。
(3)施工时若边坡有地下水露头,应将地下水引入排水系统,不可堵死。
(4)边坡开挖后应立即支护,避免雨水侵蚀。
(5)播洒草籽应选在适宜草籽生长的季节。
第一小节边沟施工本工程临时路基排水边沟采用M7.5水泥砂浆浆砌卵石(片石)排水边沟。
1、排水沟及边坡在路基土石方施工时基本形成,采用人工配合小型机械修整。
修整后排水沟及边坡必须平整、稳定,严禁贴坡。
纵坡应按图纸施工,沟底纵坡一般应与路线纵坡一致,沟底高程通过路面高程反算,沟深一般应不小于50cm,在边沟纵坡较大的分水岭位置沟深可以适当减小,但不能小于40cm,沟底平整,排水畅通,无阻水现象,并应按图纸所示将水引入排水系统。
2、各种水沟的位置、断面、尺寸、坡度、标高均应符合图纸要求并经监理工程师验收合格。
目录一、编制依据 (1)二、工程概况 (1)三、适用范围 (1)四、施工部署 (1)五、施工工艺及过程 (2)1、边坡清理 (2)2、钉设网垫 (2)3、回填土 (2)4、撒播草籽 (3)5、深挖边坡防护 (3)6、养护管理 (4)六、三维土工网质量控制及要求 (4)七、质量保证措施 (5)1、组织保证措施 (5)2、工作保证措施 (5)3、技术保障措施 (6)八、安全保证与应急措施 (6)1、一般规定 (6)2、施工安全措施 (7)3、应急措施 (8)九、环境保护与水土保持措施 (8)1、施工准备阶段 (8)2、施工阶段 (9)3、临建设施及其他方面 (9)三维土工网垫植草、灌护坡施工方案一、编制依据1、湖北省交通规划设计院编制的第MWTJ-3合同段《两阶段施工图设计》2、《公路路基施工技术规范》(JTG/T F50–2011)3、《公路工程质量检验评定标准》(JTG F80/1-2004)4、《公路工程施工安全技术规程》(JTJ076-95)5、《公路土工合成材料应用技术规范》(JTG/T D32–2012)6、《高速公路施工标准化技术指南》二、工程概况本合同段三维土工网垫植草、灌护坡工程总量约为x万m2。
三、适用范围三维土工网垫植草、灌护坡适用于坡比不陡于1:0.75,每级坡高低于5m (土质路堑边坡)或8m(软质岩石路堑边坡)的路段及多级路堤的第一级边坡防护;当坡高小于3m时不挂网只喷播草籽或栽灌木。
四、施工部署1、施工前,全线已完成导线点、水准点测量数据的复测,并在线路附近增设了导线点与水准基点。
2、施工用水取自自然沟渠,按照标准化要求设置蓄水池。
施工用电接入当地电网,以外电为主、自发电为辅,始终保持自发电的能力,避免停电对施工的影响。
3、人员配备本工程开工前,由项目总工组织全体技术人员,包括测量、质检、试验、材料相关人员,熟悉施工图纸,了解施工内容。
由工程技术部负责人向施工队技术员进行技术交底。
作者:败转头作品编号44122544:GL568877444633106633215458时间:2020.12.13三维网植草护坡1、施工工艺清理边坡→开沟撒播草种及肥料→挂网→固定→回填土→喷播植草→盖无纺布→揭膜2、施工方法要点(1)、种草方法为了使整个坡面的防护和绿化效果达到最佳状态,我们采用三维网下挖沟种草和三维网固定并回填土后,采用机器喷播植草来实现表深双层植草,深层的草种和表层的草种生长并经过一段时间的养护,草根相互交织在一起形成植被,从而达到上述目的。
(2)、三维网搭接三维网的两个面具有不同形状,上面为凹凸不平,下面为平面,紧贴坡面,铺设时不能搞错。
为了保证绿化防护效果一般三维网搭接宽度不低于5cm,界于5-10cm之间。
由于在三维网下播种了草种。
这些草籽生长并穿过三维网进行生长,搭接处就相当于6层三维网,草不仅要穿过这6层网,且通过三维网与坡面有一定间隔的地方,(三维网不可能每处都贴近坡面,按原设计用φ8U型钢筋按100cm固定三维网,其空间太大,不利于三维网紧贴表土。
我们一般采用φ6U型钢筋加8号铁丝来固定,使三维网和坡面贴得更紧,再加上随后填的土,草籽生长时就容易穿过土和三维网),就被三维网挡在网内,只有少部分草能穿过这6层三维网,从而使得三维网搭接处和非搭接处有两种不同的效果,坡面整体绿化效果不好。
在实际施工中,我们采用5cm的搭接,效果很好。
三维网在横向几乎不受任何力,所有5cm搭接完全可以满足技术要求。
(3)、填土按设计要求在1:1的边坡上,直接挂网,填7cm的土,在实际施工中无法实现。
根据我们的施工经验,采用另一种方法,既让植物有足够的土壤,又能使植物得到充足的养份,使它能在边坡上迅速生长,并成坪,形成植被,达到绿化的目的。
这种方法就是在边坡上采取挖横沟(间距10-15cm,沟深8-10cm),然后将草籽、肥料填入沟中,铺三维网并固定后填土,由于三维网的作用沟槽就会被土填满,三维网的网包也会填满土,为最后的喷播植草作好准备。
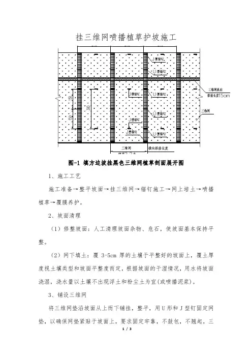
挂三维网喷播植草护坡施工图-1 填方边坡挂黑色三维网植草剖面展开图1、施工工艺施工准备→整平坡面→挂三维网→锚钉施工→网上培土→喷播植草→覆膜养护。
2、坡面清理(1)修整坡面:人工清理坡面杂物、危石,使坡面基本保持平整。
(2)网下填土:覆3-5cm厚的土壤于平整好的坡面上,覆土厚度视土壤类型和坡面平整度而定,根据坡面的干湿情况,用水将坡面浇湿,浇水量以土壤不出现浮土和粉尘土为宜(或喷播泥浆)。
3、铺设三维网将三维网垫沿坡面从上而下铺挂,整平,用U形和J型钉固定网垫,以确保网垫紧贴于坡面上,要求固定牢靠,不鼓包,不翘起,三维网平顺。
每幅三维网间纵横向搭接宽度不小于设计要求,搭接宽度范围内采用ф8的U型锚钉固定,幅内采用ф16的J型锚钉固定,锚钉均外涂沥青防锈。
土质边坡采用人工持手锤打入锚钉,岩质边坡采用YT28手风钻钻孔,将孔内岩粉吹扫干净后,灌入M10砂浆,再将锚钉插入。
坡脚三维网埋于填土内,坡顶必须采用埋压沟固定三维网,并确保地表水不会沿坡顶浸入坡体内造成三维网和填土剥离、失稳。
4、网上培土网垫全部铺通、固定平整后,三维网上必须覆泥,以覆盖网包并确保覆土和网下填土形成一整体,防止形成空壳,覆泥厚度5~7cm,即培耕植土总厚度不小于10cm。
覆泥方式为:采用泥浆喷射(或人工倾倒)种植土添加营养调制的泥浆,边喷射边人工擀压,使泥浆完全覆盖三维网。
施工中应严格控制营养泥稠度,过稀则喷后易流失,且失水收缩开裂,过干则不易夯入网包内,若采用人工覆泥,在泥中应加入5-10cm长度的播草杆拌和以保证其稳定。
5、喷播植草采用液压喷播机将混有种子、肥料、土壤改良剂、种子粘结剂、保水剂和水的混合物均匀喷洒在坡面上,喷播完后,可视情况撒少许土,以覆盖网包为宜。
6、覆膜养护覆盖无纺布(要求单位面积质量≥14g/ m2)并及时洒水养护,直到喷播植草成坪。
覆盖后要压边,以防风吹。
养护分前、中、后期养护,前期养护60天,以喷灌水为主,经常保持土壤湿润,以促进种子发芽和快速生长覆盖坡面;中期靠自然雨水养护,若遇干旱,应适时喷水,后期养护每月喷水2次,并追施氮肥,促苗转表,若遇旱情应适时喷水。
三维网植草护坡1、施工工艺清理边坡→开沟撒播草种及肥料→挂网→固定→回填土→喷播植草→盖无纺布→揭膜2、施工方法要点(1)、种草方法为了使整个坡面的防护和绿化效果达到最佳状态,我们采用三维网下挖沟种草和三维网固定并回填土后,采用机器喷播植草来实现表深双层植草,深层的草种和表层的草种生长并经过一段时间的养护,草根相互交织在一起形成植被,从而达到上述目的.(2)、三维网搭接三维网的两个面具有不同形状,上面为凹凸不平,下面为平面,紧贴坡面,铺设时不能搞错。
为了保证绿化防护效果一般三维网搭接宽度不低于5cm,界于5-10cm之间。
由于在三维网下播种了草种。
这些草籽生长并穿过三维网进行生长,搭接处就相当于6层三维网,草不仅要穿过这6层网,且通过三维网与坡面有一定间隔的地方,(三维网不可能每处都贴近坡面,按原设计用φ8U型钢筋按100cm固定三维网,其空间太大,不利于三维网紧贴表土.我们一般采用φ6U型钢筋加8号铁丝来固定,使三维网和坡面贴得更紧,再加上随后填的土,草籽生长时就容易穿过土和三维网),就被三维网挡在网内,只有少部分草能穿过这6层三维网,从而使得三维网搭接处和非搭接处有两种不同的效果,坡面整体绿化效果不好。
在实际施工中,我们采用5cm的搭接,效果很好。
三维网在横向几乎不受任何力,所有5cm搭接完全可以满足技术要求。
(3)、填土按设计要求在1:1的边坡上,直接挂网,填7cm的土,在实际施工中无法实现。
根据我们的施工经验,采用另一种方法,既让植物有足够的土壤,又能使植物得到充足的养份,使它能在边坡上迅速生长,并成坪,形成植被,达到绿化的目的。
这种方法就是在边坡上采取挖横沟(间距10—15cm,沟深8-10cm),然后将草籽、肥料填入沟中,铺三维网并固定后填土,由于三维网的作用沟槽就会被土填满,三维网的网包也会填满土,为最后的喷播植草作好准备。
三维植被网护坡技术要求1、一般规定(1)适用于每级边坡高度不超过10米,坡率不陡于1:1.25的稳定路堤和路堑边坡。
(2)施工亩在春季和秋季进行,应尽量避免在暴雨季节施工。
2、材料要求(1)三维土工网:三维土工网采用采用三层土工网,底网分为两层,网包一层,单位面积质量不小于400g/m2,厚度16mm,卷长30m,幅宽1.5m,原材料为聚乙烯,纵、横向极限抗拉强度不小于3.2kN/m。
选用的三维网必须是新材料,严禁使用不合格或重复使用过的产品。
(2)固定钢钉:固定钢钉采用U形钢钉主错钉采用Φ8mm钢筋做成的U形钢钉57cm,辅锚钉采用Φ8mm带钢垫圈的钉,钢钉长30cm。
(3)喷射客土应为土、肥料及含腐殖质土的混合物,厚度5cm,无网包外露,空包或压包现象。
(4)选用的草种须根系发达、粗生、耐热、耐寒、耐贫瘠、抗干旱等,须具有生长迅速植株低矮、形成的景观优美、自然等特点。
应将植物种子和附着剂、纸纤维、复合肥、保湿剂及水等按一定比例混合搅拌形成均匀混合液后,再用专门的液压喷播技术喷播草种。
(5)纸浆纤维:纸浆纤维为内履材料或充填材料,通过机械搅拌把水和草种子混合在起,能使种子均匀地分布在坡面上,并为草种提供萌芽所需水分,纸浆纤维用量为150g/m2,施工时不得采用不合格的纸浆纤维。
3、工艺流程边坡整理成型→细平整→铺网一→固定→覆土→播种→再覆土→覆盖无纺土工布或稻草、枯杆→浇水养护→后期管理。
4、施工要点(1)边坡场地处理:①填方边坡:在修整后的坡面上进行场地处理,首先清除石头、杂草、垃圾等杂物然后平整坡面、使坡面流畅、并要适当人工夯实。
不要出现边坡凹凸不平、松垮现象。
②挖方边坡:在修整后的坡面上进行场地处理,对表面光滑的坡面进行刮花处理;对于土质较松软的坡面采用适当人工夯实,对于凹陷处采用人工垫土修平,不要出现坡面凹凸不平、松垮现象。
(2)挂网:三维网在坡顶50cm埋入截水沟或土中,然后自上而下平铺,网与网面纵向15cm,横向10cm重叠搭接,采用主锚U形钢钉每间隔50cm固定,每1.5m幅宽中部用辅错带钢垫圈的钢钉间隔0.5m固定三维网。
三维植被网护坡施工一、三维植被网护坡施工工艺如下:边坡处理将边坡上杂石碎物清理干净,将低洼处回填夯实平整,确保坡面平顺。
2.铺设三维网⑴铺设将三维植被网沿坡面由上至下铺于坡面上,网与坡面之间保持平顺结合。
⑵预埋三维网铺于坡顶时需延伸40~80cm,埋于土中并压实。
⑶锚固将三维网自下而上用ф6mm以上的U型钢筋将三维网固定,U型钢筋长约15~30cm,宽约8mm,U型钢筋间距约1.5~2.5m,中间用8﹟U型铁钉或竹钉进行辅助固定。
⑷覆土三维植被网铺设完毕,将泥土均匀覆盖于三维植被网上,将网包覆盖住,直至不出现空包,确保三维植被网上泥土厚度不小于12mm。
然后将肥料、生长素、粘固剂按一定比例混合均匀,施洒于表层。
肥料为氮:磷:钾=15:15:15或氮:磷:钾=10:8:7的复合肥及含N有机质,肥量约为30~50g/㎡。
3.喷播覆土回填完毕,进行液压喷播,即将草籽(按每平方25克左右喷播)和促使其生长的附着剂、木纤维、肥料、生长素、保湿剂及水按一定比例混合搅拌,形成均匀混合液,通过液压喷播机均匀喷洒于坡面上。
4.覆盖喷播植草施工完成之后,在边坡表面覆盖无纺布,以保持坡面水分并减少降雨对种子的冲刷,促使种子生长。
若温度太高,则无需覆盖,以免病虫害的发生。
5.养护管理喷草施工完成之后,必需定期进行养护,直到草坪成坪。
待草坪长至5cm左右时,即可揭开无纺布。
二、其施工要求如下:1、施工时可用小竹竿或小木棍穿于整卷网垫中,顺势拉出网垫,四周用竹钉,木钉或用塑料钉钉住,钉子间距30cm,每平方米10只钉子。
2、钉子的长度一般为15cm(距离地面),疏松地表则应加长钉子长度,在高坡铺设时,上坡使用的钉子长度应长于下坡的长度。
3、地形突变处或地形较复杂处,应注意保持网垫平整,并要增加钉子的密度。
4、注意搭接,搭接长度2cm,搭接处钉子应顺势钉入,钉子密度要增加一倍,搭接处上层网垫要靠紧,不留间隙。
5、钉子的形状,钉子上端宽度应大于网垫孔径2倍,以便同时同时起垂直下压作用。
挂三维网喷播植草护坡施工方案1、三维植被网亦称土工网垫,是以热塑性树脂为原料制成的三维结构,其底层为具有高模量的基础层,一般由1-2层平网组成,上覆起泡膨松网包,包内填种植土和草籽,具有防冲刷和有利于植物生长的两大功能。
即在草皮未形成之前,可保护坡面免受雨水侵蚀;草皮长成后,草根与网垫、泥土一起形成一个牢固的复合力学嵌锁体系,还可起到坡面表层加筋的作用,有效防止坡面冲刷,达到加固边坡、美化环境的目的。
挂三维网喷播植草绿化一般适用于坡比不陡于1:0.75,坡高小于10米的路堑边坡,岩性为土质、强风化软质基岩,要求边坡自身稳定。
此方法也作为预制菱形混凝土框格内填土绿化、框架内填土绿化等方法表面工程。
本工程适应使用此方法施工的地段有K0+950-K1+300L、K1+400-K2+000L、K2+000-K2+600L一级边坡位置。
2、挂三维网喷播植草绿化对材料的要求(1)三维植被网a、生产厂家具有ISO9001质量认证,具有大规模生产的实力,三维网必须符合国家环保要求。
b、EM3型三维网共三层,底部两层为双向拉伸网,上部一层为非拉伸挤出网,厚度≥12mm,单位面积质量≥260g/m2;纵、横向拉伸强度≥1.4kn/m,幅宽不窄于1m、1.5m、2.0m要求焊点牢固,颜色为黑色或绿色。
(2)喷播材料a、喷播绿化的喷浆混合物中需加入如下的材料:草种、有机复合肥(N、P、K)、土壤改良剂、纤维(或纸浆)、着色剂、保水剂、粘合剂、水等。
粘合剂用量不宜过多,否则影响种子发芽,根据边坡缓、陡情况而定,一般缓边坡用量较少。
b、种子:喷播应选用适应区域气候条件的、抗干旱、耐贫瘠草种。
鉴于重庆地区冷暖型草种混播效果不好,由于本工程正处于4-7月份施工播暖季型草种为主,9-10月份喷播冷暖季草种为主,一般用量30g/㎡。
草种中还要求加入适量的草花种子和灌木种籽。
草花种子和灌木种籽按设计图提供的品种选用:草种:冷季型选择高羊茅、多年生黑麦草;暖季型选择狗牙根、狼尾草、白三叶等;草花:野菊、二月兰、虞美人、旱金莲、地被菊、常夏石竹、紫花苜蓿等,也可人工培育后移栽;灌木种子:选用马桑、猪屎豆、多花木兰、银合欢、木豆、山毛豆、紫穗槐、紫花苜蓿等。
3、三维网植草防护施工工序及工艺三维网植草防护工艺流程为:边坡整理成型→细平整→挂网→固定→覆土→播种→再覆土→覆盖纤维布或稻草、秸杆→浇水养护→后期管理。
①边坡处理。
将边坡上杂石碎物清理干净,将低洼处回填夯实平整,确保坡面平顺。
②开挖沟槽。
在坡顶及坡脚处,按照施工图纸设计尺寸,人工开挖预埋植被网的沟槽,并平整。
注意开挖沟槽和刷坡一次不要过长,防止雨水、风沙等作用破坏边坡坡面。
③覆网。
边坡整理完工并经监理工程师验收后,按照设计图纸和施工规范要求或工程师的指示,及时进行人工铺设三维植被网。
覆网时,先将网置于坡顶沟槽内,然后从坡顶到坡脚依次进行。
网昼与坡面贴附紧密,防止悬空,使网保持平整,不产生皱褶。
网块之间要重叠搭接,搭接部分应在10cm左右。
④固定三维植被网。
覆网后按照一定的密度和方式,采用竹钉(长25cm)或R型钢筋(长25cm)打入边坡进行固定;然后将植被网预埋在沟槽中,再回填土夯实。
⑤覆土。
在三维植被网固定好以后,在网上覆一薄层土进入网包(可以用木条刮入),而土壤要求细碎、肥沃、pH值适中。
⑥播撒草籽。
要求如下:a.根据气候、土质、含水量等因素,选择易于成活、枝叶茂盛、根系发达、茎低矮、多年生、便于养护和经济的草籽种类。
b.撒播草籽应在无风,气温15度以上的天气进行,避免干燥的风季和暴雨季播种。
为使草籽均匀分布,草籽应掺加细砂或细土,搅拌均匀后播撒。
⑦再覆土。
撒播草籽后,网上面再均匀覆盖一薄层土,并适当拍实,使边坡表面平整,并保证使土盖住草籽。
网上覆上总百度约为2cm 左右。
⑧覆盖纤维布或稻草、秸杆。
为了让草籽尽快发芽,边坡上面应考虑采用纤维布或稻草、秸杆等进行覆熏,使土壤保持湿润和适宜草籽生长的温度。
⑨浇水养护。
种植草籽后应适时进行洒水施肥,清除杂草等养护管理,直到草籽成活并覆盖坡面。
浇水时最好采用雾状喷施,防止形成径流,以免造成草籽分布不均匀而影响覆盖率和美观。
⑩养护期加强管理。
应有效地养护所有种植面上的植物,直到养护期终止。
目录一、编制依据 (1)二、工程概况 (1)三、适用范围 (1)四、施工部署 (1)五、施工工艺及过程 (2)1、边坡清理 (2)2、钉设网垫 (2)3、回填土 (2)4、撒播草籽 (2)5、深挖边坡防护 (3)6、养护管理 (3)六、三维土工网质量控制及要求 (3)七、质量保证措施 (4)1、组织保证措施 (5)2、工作保证措施 (5)3、技术保障措施 (6)八、安全保证与应急措施 (6)1、一般规定 (6)2、施工安全措施 (7)3、应急措施 (7)九、环境保护与水土保持措施 (8)1、施工准备阶段 (8)2、施工阶段 (8)3、临建设施及其他方面 (9)三维土工网垫植草、灌护坡施工方案一、编制依据1、湖北省交通规划设计院编制的第MWTJ-3合同段《两阶段施工图设计》2、《公路路基施工技术规范》(JTG/T F50–2011)3、《公路工程质量检验评定标准》(JTG F80/1-2004)4、《公路工程施工安全技术规程》(JTJ076-95)5、《公路土工合成材料应用技术规范》(JTG/T D32–2012)6、《高速公路施工标准化技术指南》二、工程概况本合同段三维土工网垫植草、灌护坡工程总量约为x万m2。
三、适用范围三维土工网垫植草、灌护坡适用于坡比不陡于1:0.75,每级坡高低于5m (土质路堑边坡)或8m(软质岩石路堑边坡)的路段及多级路堤的第一级边坡防护;当坡高小于3m时不挂网只喷播草籽或栽灌木。
四、施工部署1、施工前,全线已完成导线点、水准点测量数据的复测,并在线路附近增设了导线点与水准基点。
2、施工用水取自自然沟渠,按照标准化要求设置蓄水池。
施工用电接入当地电网,以外电为主、自发电为辅,始终保持自发电的能力,避免停电对施工的影响。
3、人员配备本工程开工前,由项目总工组织全体技术人员,包括测量、质检、试验、材料相关人员,熟悉施工图纸,了解施工内容。
由工程技术部负责人向施工队技术员进行技术交底。
三维网植草护坡
1、施工工艺
清理边坡→开沟撒播草种及肥料→挂网→固定→回填土→喷播植草→盖无纺布→揭膜
2、施工方法要点
(1)、种草方法
为了使整个坡面的防护和绿化效果达到最佳状态,我们采用三维网下挖沟种草和三维网固定并回填土后,采用机器喷播植草来实现表深双层植草,深层的草种和表层的草种生长并经过一段时间的养护,草根相互交织在一起形成植被,从而达到上述目的。
(2)、三维网搭接
三维网的两个面具有不同形状,上面为凹凸不平,下面为平面,紧贴坡面,铺设时不能搞错。
为了保证绿化防护效果一般三维网搭接宽度不低于5cm,界于5-10cm之间。
由于在三维网下播种了草种。
这些草籽生长并穿过三维网进行生长,搭接处就相当于6层三维网,草不仅要穿过这6层网,且通过三维网与坡面有一定间隔的地方,(三维网不可能每处都贴近坡面,按原设计用φ8U型钢筋按100cm固定三维网,其空间太大,不利于三维网紧贴表土。
我们一般采用φ6U型钢筋加8号铁丝来固定,使三维网和坡面贴得更紧,再加上随后填的土,草籽生长时就容易穿过土和三维网),就被三维网挡在网内,只有少部分草能穿过这6层三维网,从而使得三维网搭接处和非搭接处有两种不同的效果,坡面整体绿化效果不好。
在实际施工中,我们采用5cm的搭接,效果很好。
三维网在横向几乎不受任何力,所有5cm搭接完全可以满足技术要求。
(3)、填土
按设计要求在1:1的边坡上,直接挂网,填7cm的土,
在实际施工中无法实现。
根据我们的施工经验,采用另一种方法,既让植物有足够的土壤,又能使植物得到充足的养份,使它能在边坡上迅速生长,并成坪,形成植被,达到绿化的目的。
这种方法就是在边坡上采取挖横沟(间距10-15cm,沟深8-10cm),然后将草籽、肥料填入沟中,铺三维网并固定后填土,由于三维网的作用沟槽就会被土填满,三维网的网包也会填满土,为最后的喷播植草作好准备。