2020新版浙江省宁波市4S店工商企业公司商家名录名单黄页联系方式电话大全250家
- 格式:xlsx
- 大小:28.55 KB
- 文档页数:26
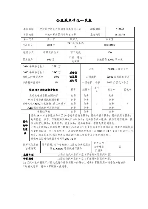
企业基本情况一览表单位名称宁波兴宁达众汽车销售服务有限公司邮政编码315040 单位地址宁波市鄞州区兴宁路178号监督电话56151576 法人代表汪小君联系人余保芳注册资金1000万24小时服务热线87839606经济性质有限责任公司职工总数120固定资产945万厂房、场地总面积占地面积12600平方米2016年维修总收入2781万质量保证里程或时间大修20000公里或1年2017年维修总收入2647万维修工时费优惠率30% 二级维护10000公里或6个月维修材料优惠率1% 一级维护、小修3000公里或3个月检测项目及检测收费标准轿车越野车皮卡车商务车面包车发动机电喷系统检测诊断免费免费/免费/电控自动变速系统检测诊断免费免费免费四轮定位(FMC)(包括检、修工时费)免费免费免费ABS制动系统抱死系统检测免费免费免费车轮动平衡免费免费免费提供的特色服务提供24小时急修服务和市区24小时有偿拖车服务;提供节假日服务;提供代用车服务;免费检查、试车、车辆故障及事故车协助估价;提供验车代办服务;提供取送车服务;提供预约登记服务;免费洗车,吸尘服务;提供每年每一季度免费检测活动。
上海大众新车(从购车发票日期起计)二年或陆万公里的质量担保索赔服务;付费更换配件后质量担保期为一年(除易损件),具体按使用说明执行(从2013年10月1日开始实行三包规定,新车购车(从购车发票日期起计)包修三年或十万公里先到为准)。
提供晚上延时保养服务时间至20:30分计算机信息化管理情况所有数据、客户信息进入上海大众售后服务网ICREAM等系统进行操作是否与行业管理部门联网否主修车型上海大众汽车系列车型(不含斯柯达系列车型)特约维修上海大众汽车系列车型(不含斯柯达系列车型)注:以汽车生产制造厂对特约或特许维修商统一的维修工时费和零配件用户指导价为标准的工时费优惠率、材料(零配件)优惠率。
常用维修工时费标准车型:帕萨特2.0自动档单位:元项目编号项目名称报备工时费工时费优惠率(%)投标工时费质保期(月/公里数)1更换电瓶6930%48.3一年2更换电子扇36830%257.6一年3更换发电机皮带29930%209.33个月4更换高压线(套)28830%201.6 1 年5更换火花塞(套)4830%33.6 3 个月6更换节温器43730%305.9 1 年7更换起动机25330%177.1 1 年8更换气门室盖垫15630%109.2 1 年9更换汽油泵20730%144.9 1 年10更换水泵85130%595.7 1 年11更换水管3030%21 1 年12更换正时皮带78230%547.4 1 年13清洗怠速阀9230%64.42000公里14清洗调试化油器无无无无15清洗节气门体20730%144.92000公里16清洗喷油头(免拆/拆洗)53030%3712000公里17清洗水箱散热器34530%241.52000公里18调高压泵无无无无19调修喷油头11530%80.52000公里20更换机油泵131130%917.7一年21换气缸垫121930%853.3一年22换点火线圈6930%48.3一年23换活塞环368030%2576一年24更换ABS泵66730%466.9一年25换前刹车分泵36030%252一年26换后刹车分泵36030%252一年27更换刹车真空助力泵37230%260.4一年28更换半轴防尘套(球笼)28830%201.6一年29更换后减震16130%112.7一年30更换后刹车片13830%96.63个月31更换轮胎9230%64.43个月32更换前减震器32230%225.4一年33更换前刹车盘、片16130%112.73个月34更换前刹车片16130%112.73个月35更换外球笼29930%209.3一年36更换下臂20730%144.9一年37更换下臂球头无无无无38更换转向横拉杆36830%257.6一年39更换转向助力泵36830%257.6一年40后轮保养14030%982000公里41调手刹7030%492000公里42轮胎动平衡9230%64.42000公里43轮胎换位(全车)9230%64.42000公里44四轮定位34530%241.52000公里45修离合器换片79930%559.32000公里46换离合器总泵及碗55230%386.4一年47换离合器分泵及碗7030%49一年48换变速箱后油封7030%49一年49换后半轴24530%171.5一年50换后轮轴承及油封15530%108.5一年51修传动轴、换万向节48030%336一年52调刹车量5030%352000公里53换刹车总泵皮碗32230%225.4一年54换刹车分泵皮碗34830%243.6一年55换筒式避震器32230%225.4一年56更换A/C开关7230%50.4一年57更换大灯(总成)11530%80.5一年58更换大灯开关6930%48.3一年59更换灯泡1230%8.43个月60更换点火开关16130%112.7一年61更换喇叭9230%64.4一年62更换尾灯(总成)9230%64.4一年63更换雾灯(前)4630%32.2一年64更换仪表灯泡27630%193.23个月65更换转向灯开关16130%112.7一年66检修线路10030%702000公里67修发电机总成12630%88.22000公里68修天线(电动)10030%702000公里69修雨刷器4630%32.22000公里70检修全车线路20030%1402000公里71换小灯总成1230%8.4一年72修刹车灯4630%32.22000公里73修换机油水温感应器3530%24.5一年74换汽油表浮子17530%122.5一年75修换前保险杠25030%1752000公里76修换后保险杠25030%1752000公里77修风挡漏水15030%1052000公里78换前风挡玻璃57530%402.5一年79配门把2430%16.82000公里80修玻璃升降器30030%2102000公里81修水箱20030%1402000公里82修里程表10030%702000公里83更换三元催化转化器24030%168一年84初级维护16030%1122000公里85一级维护24030%1682000公里86二级维护60030%4205000公里87抽空加氟(不含料费)20430%142.82000公里88换空调滤芯6930%48.32000公里89换机油,换三滤9630%67.22000公里90换机油,机滤8430%58.82000公里91换空滤2330%16.12000公里92换汽滤9230%64.42000公里93换防冻液11530%80.52000公里94加电瓶水1030%72000公里95冷却系统清洗保养10030%702000公里96清空滤6930%48.32000公里97清洗机油集滤器5030%352000公里98润滑系统清洗保养无无无无注:1、2018年3月份报备(厂方用户指导价)工时费的标准;2、以汽车生产制造厂对特约或特许维修商统一的维修工时费用户指导价为标准的工时费优惠率;3、未填报的车型和项目享受同等的工时费优惠率。