生产技术类部门组织结构与责权
- 格式:docx
- 大小:211.28 KB
- 文档页数:8
生产管理篇:生产部组织架构及其职责组织框架图(见下图)生产部组织架构图部长职责组织人力资源,按时完成生产任务。
提升品质意识,保证产品生产质量。
优化现场管理,搞好安全生产和文明生产。
负责基层干部的教育培训与考核选拔。
督促生产信息和异常反馈的及时发出。
优化车间物流管理,控制物料损耗。
开展团队建设,鼓舞士气,提高生产效率,降低人工成本,提升反应速度。
监督生产部使用设备的管理和日常维护。
负责生产部相关文件和人员流动的审批。
督导生产部各级人员职责的行使。
科长职责执行生产指令,完成生产计划,改善工作环境,维持生产秩序。
提高产品品质,反馈相应信息,贯彻品质方针,落实控制措施。
协调班组活动,合理安排生产,提升产品质量,实现品质目标。
合理调配人员,挖掘人力潜能,加强人员的储备、培训与考核。
监督车间物料运作,跟踪异常情况并及时反馈新产品在试产中的问题。
搞好现场管理,优化工作环境,保证安全生产和文明生产。
改进生产工艺,提高工作效率,降低人工成本。
建立激励机制,开展并落实甲联管理及运作。
加强团队建设,提高工作士气,组织业余活动,丰富员工生活。
HR主管制订本部门人力资源管理制度,以实现部门公平、公正、公开、合理的管理环境。
稽核本部门体系流程和规章制度,监督其执行状况,以提高部门执行力。
负责管理内勤事务、控制易耗品、组织培训以及提高现场管理。
稽核员职责监督物料存储状况,检查物料标识工作。
监督和检查订单的完成情况及物料的清理、退仓等工作。
监督业务的合理化和手续的完备性。
监督单据使用的规范化及归档,保管的可追溯性。
培训物料操作人员,提高其业务水平。
制定盘点计划,定期盘点、核对、抽盘。
负责文件收发、整理和保管并确保各类信息、数据的迅速传递。
设备管理员职责负责生产部设备的申购、领取、发放、回收和保管等工作。
负责对设备的保养和维护工作。
负责监督生产线上设备的使用、保管及维护工作。
负责月未搞好设备的清查与盘点工作。
编制设备的领用、库存、损耗、单机耗用成本的分析报表。
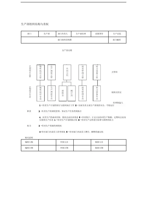
生产部组织结构与责权
部门 生产部 部门负责人
生产部经理 直属领导 生产总监 部门组织结构图
部门编制
经理级1人
1 •负责生产计划的制订与组织执行工作
2 •全面负责企业生产系统的安全、平稳运行
职责 3 •负责生产的调度管理,保证生产任务得到执行
4 .负责生产的成本控制,提高企业经济效益
5 •负责统计、汇总企业各项生产数据,定期向企业高层提供生产信息 1 •有对生产计划的执行权 2 •有对生产过程进行监督与指挥的权力
权力 3 •有对生产资源的调度权
4•有对部门内部员工的考核权 5 •有对部门内部员工聘任、解聘的建议权
编制人数
审核人员 批准人员
编制日期
审核日期 批准日期
生产部经理
计
划统
计
主管
计
划统
计
专员
主管级
视情况而定。
生产技术科安全生产责任制是企业安全生产管理的重要组成部分,是保障员工健康和企业经营发展的基石。
下面将从责任认定、责任划分、责任追究三个方面来探讨生产技术科安全生产责任制。
一、责任认定企业安全生产责任制的首要任务是明确责任。
生产技术科作为企业安全生产的重要部门,应明确其在安全生产中的责任。
生产技术科应以保证员工健康和企业安全生产为首要任务,认真履行安全生产职责。
生产技术科首先应积极参与生产过程,了解生产情况,掌握有关生产工艺、设备、操作规程等信息,并及时采取相应的安全措施,防范生产安全事故的发生。
同时,生产技术科还应积极推进安全技术改进和安全管理创新,提高安全生产管理水平,为企业发展提供有力保障。
二、责任划分生产技术科安全生产责任划分是建立安全生产责任制的关键环节。
生产技术科作为企业安全生产的主要责任部门,其责任划分应根据企业实际情况和生产流程来确定。
一方面,生产技术科应明确自身的职责,做好安全技术管理,编制完善的安全技术规章制度,指导生产作业并保障生产过程的安全。
另一方面,生产技术科还应与其他相关部门密切配合,加强信息交流和沟通,确保各部门在安全生产中的责任划分明确、职责到位。
三、责任追究责任追究是生产技术科安全生产责任制的重要环节。
当发生安全生产事故时,生产技术科应及时报告,按照事故处理流程进行应急处置,并配合相关部门开展事故调查和责任追究工作。
生产技术科负责对安全生产事故的原因进行深入分析,通过总结教训,加强安全生产管理,避免类似事故再次发生。
同时,生产技术科还应配合相关部门对责任人进行追责,确保责任的明确和追究的公正。
为了更好地落实生产技术科安全生产责任制,还应采取一系列措施:加强安全生产知识培训,提高员工的安全意识和技能;建立健全安全风险评估机制,及时发现和消除存在的安全隐患;加强设备维护和管理,确保设备的安全运行;加强与相关部门的沟通和协作,建立安全生产联席会议制度,共同促进企业安全生产的发展。
生产部架构及岗位职责预览说明:预览图片所展示的格式为文档的源格式展示,下载源文件没有水印,内容可编辑和复制生产部架构及部分岗位职责岗位职责:一、部门经理(张伟)1、全面负责生产部部门工作。
2、负责对部门职能流程持续优化改进,提升各职能板块的工作效率;3、组织制定部门年、季、月度工作计划,并跟踪监督计划的实施情况;4、根据预算计划的要求,组织编制部门控制目标以及保障措施;5、负责组织生产安全管理和现场6S管理工作,负责环境管理工作;6、负责部门绩效考核工作;7、负责质量管理工作;8、负责物料仓储管理工作;9、负责实验室管理工作;10、负责宣导公司的企业文化,提高部门员工的凝聚力和活力11、完成公司或上级临时交办的工作。
二、部门副经理(生产杨海军)1、负责各生产线的生产组织工作;2、负责各线的质量管理工作;3、负责各线的成本管理工作;4、负责各线的安全管理和6S管理工作;5、负责各线的培训管理工作6、负责各线人员的绩效考核、绩效奖金分配工作7、协助部门经理完成部门的其他工作三、部门副经理(设备乔培生)1、负责的各线设备管理和公辅区日常管理工作。
2、组织制订、优化设备管理制度和流程。
3、负责备品、备件采购质量跟踪评价和监督。
4、负责设备人员的绩效考核、绩效奖金分配工作。
5、负责设备模块员工队伍建设和部门员工的培训与培养。
6、负责公辅班、天车班设备管理及人员管理。
7、协助部门经理完成部门的其他工作。
四、生产主管(叶方义)1、协助部门副经理负责对酸洗酸再生冷轧机组的生产、组织、管理;2、协助部门副经理负责组织按计划完成酸洗酸再生冷轧各种生产指标,降低各种消耗;3、负责酸洗酸再生冷轧机组班报的汇总、能耗统计、月报制作及分析。
4、协助部门副经理负责对酸洗酸再生冷轧机组的安全管理、6S 工作;5、协助部门副经理负责对酸洗酸再生冷轧人员培训计划,负责工艺、操作规程的培训;6、负责召开酸洗酸再生冷轧机组所发生的产品质量、工艺事故分析会,并形成书面报告,及成本损失的核算;7、负责热卷质量的跟踪,通过控制减少对后道工序产品质量的影响,保证高档板的质量8、负责新产品生产质量的跟踪,工艺方案的审核及订单评审;9、协助部门副经理负责酸洗酸再生冷轧机组各班的绩效考核管理工作;10、负责宣导公司的企业文化,提高产线员工的凝聚力和活力11、完成公司或上级临时交办的工作。
中小型制造企业生产部组织结构与职责权限设置1.生产部门组织结构:(1)生产部门总监:负责整个生产部门的管理和决策,对生产计划、生产效率和品质负责。
(2)生产计划组:负责编制、实施和调整生产计划,根据销售订单和企业资源情况,确定产品生产数量和计划时间表。
(3)生产运营组:负责生产现场的实际运作,包括物料采购、生产调度、设备维护和仓储管理等。
(4)品质控制组:负责产品的质量控制和质量管理工作,包括质量检测、不良品处理、质量改进等。
(5)资源配置组:负责生产资源的优化配置,包括人力资源、设备设施和原材料的管理和调配。
(6)生产技术组:负责新产品的研发和生产工艺的改进,引入新设备和新技术,提高生产效率和品质水平。
2.生产部门职责权限设置:(1)生产部门总监:-制定生产部门的目标和战略,确保生产计划的顺利实施。
-负责生产成本和效益的控制,提高生产效率和产品质量。
-协调和解决生产过程中的问题和矛盾,确保生产线顺利运作。
-审核和批准生产部门的预算和资源申请。
(2)生产计划组:-根据市场需求和销售订单,编制产品的生产计划。
-协调销售部门和生产运营组,确保生产计划的准确性和及时性。
-跟踪生产进度,及时调整计划,确保订单按时完成。
(3)生产运营组:-负责物料采购和供应商管理,确保原材料的供应和库存控制。
-协调生产设备的调度和维护,保障生产线的正常运行。
-管理生产现场的安全和环境保护工作,确保员工的安全和健康。
(4)品质控制组:-设计、实施和改进产品的检测和测试程序。
-跟踪产品的质量状况,及时处理不良品,提出质量改进方案。
-建立和维护质量管理体系,确保产品符合标准和客户要求。
(5)资源配置组:-根据生产计划,协调人力资源的调配和管理,确保生产线的人员配备。
-管理生产设备和设施的维护和更新,提高生产效率和生产能力。
-控制原材料的采购和库存,优化物料供应链和成本管理。
(6)生产技术组:-负责新产品的技术开发和试制工作,确保新产品的顺利量产。
技术研发经理工具书技术研发部《技术研发部规范化管理工具箱》目录第一章技术部组织结构与责权 (5)第一节技术部组织结构 (5)第二节技术部职责与权力 (8)一、技术部职责 (8)二、技术部权力 (9)第三节技术部岗位职责 (9)一、技术总监岗位职责 (9)二、技术部经理岗位职责 (10)三、技术部主管岗位职责 (11)第二章研发部组织结构与责权 (13)第一节研发部组织结构 (13)第二节研发部职责与权力 (15)一、研发部职责 (15)二、研发部权力 (16)第三节研发部岗位职责 (17)一、研发总监岗位职责 (17)二、研发部经理岗位职责 (18)三、研发部主管岗位职责 (19)第三章设计部组织结构与责权 (19)第一节设计部组织结构 (19)第二节设计部职责与权力 (21)一、设计部职责 (21)二、设计部权力 (23)第三节设计部岗位职责 (24)一、设计总监岗位职责 (24)二、设计部经理岗位职责 (25)三、设计部主管岗位职责 (25)第四章研发调研管理 (26)第一节研发调研岗位职责 (26)一、调研主管岗位职责 (26)二、调研专员岗位职责 (27)第二节研发调研管理制度 (28)一、市场调研管理制度 (28)第三节研发调研管理表格 (32)一、调查计划表 (32)二、市场调查表 (32)三、竞争对手调查表 (33)四、同类产品市场价格调查表 (33)第五章产品研发管理 (33)第一节产品研发岗位职责 (33)一、产品研发经理岗位职责 (33)二、产品研发专员岗位职责 (34)第二节产品研发管理制度 (35)一、新产品研发管理制度 (35)第三节产品研发管理表格 (41)一、产品研发计划表 (41)二、产品研发建议表 (41)三、研发项目任务书 (42)五、产品试制通知单 (43)六、研发评审报告书 (43)八、新产品研发成果表 (44)第六章软件研发管理 (45)第一节软件研发岗位职责 (45)一、软件研发部经理岗位职责 (45)二、高级研发工程师岗位职责 (46)三、软件研发工程师岗位职责 (46)四、软件测试工程师岗位职责 (47)第二节软件研发管理制度 (48)一、软件研发管理办法 (48)第三节软件研发管理表格 (52)一、软件项目立项申请表 (52)三、软件Bug详细记录表 (52)五、软件研发项目跟踪与督查表 (53)六、软件研发风险评估与控制表 (53)第七章技术研发管理 (53)第一节技术研发岗位职责 (53)一、技术研发经理岗位职责 (53)二、技术研发主管岗位职责 (54)三、技术研发工程师岗位职责 (55)四、技术研发专员岗位职责 (56)第二节技术研发管理制度 (57)一、技术研发过程管理制度 (57)第三节技术研发管理表格 (59)一、技术研发进度表 (59)二、技术验收鉴定申请表 (59)三、技术项目综合评估表 (60)四、技术研发项目变更表 (60)第八章工艺研发管理 (61)第一节工艺研发岗位职责 (61)一、工艺研发工程师岗位职责 (61)二、工艺管理员岗位职责 (62)第二节工艺装备管理制度 (63)第三节工艺研发管理表格 (65)一、工装设计任务书 (65)二、生产工艺指令单 (66)六、工艺装备管理单 (66)七、工艺文件修改表 (67)第九章设计管理 (67)第一节设计管理岗位职责 (67)一、产品设计师岗位职责 (67)二、产品设计专员岗位职责 (68)三、服装设计师岗位职责 (69)四、服装设计专员岗位职责 (70)五、工程设计师岗位职责 (70)六、工程设计专员岗位职责 (71)第二节设计管理制度 (71)一、产品设计管理制度 (71)二、工程设计管理制度 (75)第三节设计管理表格 (79)一、设计蓝图管理表 (79)二、设计图纸借阅单 (80)三、设计变更通知单 (80)六、软件设计评审表 (80)第十章技术更新改造管理 (81)第一节技术更新改造岗位职责 (81)一、技改项目经理岗位职责 (81)二、技改项目主管岗位职责 (82)第二节技术更新改造管理制度 (83)一、技术改造管理制度 (83)二、技术引进管理制度 (86)第三节技术更新改造管理表格 (89)一、技术改造规划表 (89)二、技改项目申请书 (90)三、技术改造审批表 (90)四、年度技改计划表 (90)五、技术改造任务单 (91)六、技改项目进度表 (91)第十一章知识产权管理 (92)第一节知识产权管理岗位职责 (92)一、知识产权经理岗位职责 (92)二、知识产权管理师岗位职责 (92)第二节知识产权管理制度 (93)一、知识产权管理办法 (93)第三节知识产权管理表格 (98)一、发明创造专利申报表 (98)二、撤回专利申请声明表 (99)三、商标使用申请审批表 (99)第十二章技术研发类人力资源管理 (100)二、技术研发人员绩效考核制度 (102)三、技术研发人员培训管理制度 (107)四、技术研发人员保密协议 (111)第一章技术部组织结构与责权第一节技术部组织结构(一)按技术部职能设计根据技术部的职能描述,技术部主要是负责企业的技术研究、新产品开发和对企业产品生产实行技术指导,并规范工艺流程、制定技术标准、抓好技术管理、实施技术监督与协调的专职管理部门,受技术总监领导。
岗位职责内容需求人数备注生产厂长1.负责编制年、季、月度和平时作业、设备维修计划及时组织实施、检查、协调、考核;2.组织生产、设备、安全、环保等制度拟订、检查、监督、控制及执行;3.负责设计工厂的改造计划、设计工厂的产品布局和工序间的协调;4.配合组织审定技术管理标准,编制生产工艺流程,审核新产品开发方案,并组织试生产,不断提高产品的市场竞争力;5.负责抓好生产安全教育,加强安全生产的控制、实施、严格执行安全法规、生产操作规程,即时监督检查,确保安全生产,杜绝重大火灾、设备、人身伤亡事故的发生;6.抓好生产管理人员的专业培训工作。
负责组织质检员、车间管理人员、统计员、生产技工等的业务指导和培训工作,并对其业务水平和工作能力定期检查、考核、评比;7.贯彻、执行公司的成本控制目标,积极减少厂区的各种成本,确保在提高产量、保证质量的前提下不断降低生产成本。
1人生产部计划部车间主任计划主管质量控制现场主管技术、工艺电力、设备维修专员计划专员物料员冲压组成型组检验员焊接组操作员操作员操作员人数车间主任1.根据工厂生产任务与计划,拟订车间工作计划,具体安排月、周、日生产计划并监督完成;2.统筹安排本车间的人员调度和按工艺流程运作;3.按时巡查生产现场,及时纠正生产和管理错误,处置故障,异常情况和紧急事件;4.审核生产计划、指令、物料供应,控制生产成本,评估车间班组投入产出效益;5.指导监督车间班组、人员的工作,保证产品质量,调整及维护设备工艺6.监督劳动安全卫生、文明生产、标准化及现场管理;7.协调并执行工作指示和计划,遇到矛盾或冲突时,及时上报或协商解决8.指导、培训、监督车间人员的工作,做好车间人员的绩效考核和奖罚工作;1人计划专员1.生产计划的制定、编排、跟进与实施安排;2.物料计划制定、物料采购审核、物料管理目标达成;3.订单评审及编制生产指令单4.跟催物料和生产进度,平衡供与需的关系;5.与相关部门的沟通协调;6.生产排程,统计各部门的生产效率、工时损耗。
生产部组织架构﹑各岗位权责1.0 架构2.0 权责范围2.1 经理权责A.本部门生产运作的统筹.B.制订部门年度目标并监控目标的达成及适应性检讨.C.对部门人员进行不定期的作业技术、思想教育、管理方法、质量体系和“5S”的培训.D.监督生产的安全性,确保达到安全生产的标准.e. 本部门文件的审批及适宜性检讨.f. 协助完成产品试产活动.g. 负责解决生产技术、设备、人员等问题, 确保生产任务的完成.h. 建立全面预防性维护系统﹐确保生产工装设备安全﹑正常﹑高效运作.I.负责技术改造的策划、实施、评估,用工程技术能力解决生产中重大质量问题;j. 过程能力的研究及措施跟进;k. 5S、持续改进的执行及达成检讨.l. 负责建立全面预防性维护系统﹐确保生产技术的提高,工艺的优化,产能的提高同工装设备安全﹑正常﹑高效运作 .m. 负责技术改造策划、实施、评估的确认,监督用工程技术能力解决生产中重大质量问题;n. 负责试产阶段初始能力研究﹑正常过程能力的研究及措施跟进结果的确认;o. 负责本部门人员的考勤,招聘,调动,提升及培训2.2 部门文员a. 生产计划的跟踪以及物料的协调与跟踪.b. 部门目标的统计与分析.c. 部门内部事项的沟通与协调.d. 统计技术的指导和实施.E.5S体系以及生产相关事项的跟进F.部门文件、工作指令传讯;g. 协助部门经理做好本部门的管理工作.2.3 生产部生产课课长权责a. 制订本部年度目标并监控目标的达成与检讨.b. 负责本部文件的审批及适宜性检讨.c. 人力资源的管理和培训.d. 对本部人员进行不定期的作业技术、思想教育、质量体系和“5S”的培训.e. 根据生产计划调配生产,确保生产任务的完成.f. 监督生产的安全性,确保达到安全生产的标准.g. 不断改善工艺,提高产品质量、生产效率﹑降低生产损耗.h. 生产异常的处理及检讨﹐持续改善方案的主导。
i. 监督生产设备的管理与维护,生产线物料的控制与管理.j. 做好与其它部门的合作关系,共同解决生产技术、品质、设备、人员问题.k. 向下级传达上级指示,向上级反映下属意见.l. 负责部门的5S执行与维护.m. 不断培训与激励属下,建立有效的工作团队.n. 参与产品先期策划程序运用,并监督实施从试生产到生产过程确认.o. 参与多功能小组的策划及运用、持续改进项目与跟进.2.3.1 生产部生产课文员权责a. 生产状况的统计与跟踪.b. 部门人事考勤.c. 文件资料之建档、收发、传达、管理.d. 文具、保健用品之领料、保管、发放.e. 日常报表的填写与统计.f. 督促组长、班长对工作场所5S的维持.g. 工作信息的上下传达.h. 生产部月报表数据的收集及制作.i. 协助课长管理及日常文书事务.2.3.2 生产部生产部组长权责a. 车间纪律与“5S”的管理b. 投入、产出及生产异常处理,跟进工作单的埋尾c. 组织并落实生产计划的执行,保证每天能正常完成生产任务d. 向下属及时传达上级指示.e. ECN的跟进与执行.f. 保证生产的安全.g. 提前确认好出货的机型、数量,确保每天正常出货.h. 保证生产制程中工作指示在各工位操作中得到严格执行;i. 生产中不良品确认、纠正、异常发生时的联络.J. 其它事项、异常的处理.2.3.3 生产部生产部班长权责a. 开拉前的准备工作(确认人员、机器设备、物料等的到位状况)b. 组织员工开早会(传达当天生产计划、总结前一工作日所发生的问题、当天生产注意事项)c. 车间纪律与“5S”的管理.d. 合理调配人员,提高员工的作业技巧.e. 组织并落实生产计划的执行,保证每天能正常完成生产任务.f. 保证生产的安全.g. 保证生产制程中工作指示在各工位操作中得到严格执行;h. 生产检验、修理、时报、日报表的填写及确认.i. 生产中不良品确认、纠正、异常发生时的联络.j. 本组工具、机器设备之维护与保养.2.3.4 生产部生产课物料员权责a. 根据生产计划,及时、准确备料.b. 了解物料状况,及时向上级反映,确保顺利生产.c. 追踪、记录超料、坏料原因,及时补料.d. 半成品/成品之收发登记,帐务管理.e. 车间“5S”的执行。
生产部组织架构及岗位职责描述岗位职责-生产部长所属部门:生产部直接上司:总经理部门性质:对公司的生产部事务进行全面的管理管理权限及职能:在总经理的领导下,负责产品的制造、品质的保证及改善、制造成本的控制与降低、生产效率的提高以及生产设备管理、仓库管理等工作。
1)根据公司整体发展目标,制定年度生产计划;并根据每月销售订单,编制月生产计划,及日作业计划,组织和管理生产,并全面落实实施。
2)负责制定、修订生产消耗定额,对生产消耗指标及费用的控制情况进行分析评价,进行成本核算,提出改进意见并对执行情况进行监督、检查与考核。
3)准确掌握生产任务状况,合理安排原材料的进货、储存、使用。
保证订单生产的顺利进行,力求达到最低库存成本。
4)负责生产现场管理,负责所辖各车间生产、安全环保、质量、设备、消耗等事项整体规划,建立健全各车间管理运行体系、核心业务流程。
岗位职责-生产主管所属部门:生产部直接上司:生产部长管理权限及职能:在生产部领导下全面负责车间之生产、质量、技术、设备、安全等各项工作,努力提高管理水平,提高生产效益,全面保质保量完成上级下达的各项指标和任务。
1)协助生产部副经理做好车间各项管理工作。
2)车间新员工进行面试,决定是否录用工作。
3)车间新员工工作及住宿安排。
4)车间各项规章制度执行工作。
5)车间各岗位人员月考核的初审工作。
6)车间各项数据的记录、汇总工作。
7)组织车间生产例会。
8)处理车间日常各项行政管理以及5S实施工作。
9)车间人员晋升的审核工作。
岗位职责-生产工艺所属部门:生产部直接上司:生产部长管理权限及职能:负责车间的生产技术质量管理工作;在业务上接受公司技术质量部的领导。
1)根据工艺方案、工艺流程的设计,组织车间工艺审核,设备、工装模具调配;2)参与新产品的设计开发,协助车间制定新产品的试制工作计划,对准备工作和修改工作实行管理,审核设备工装的使用,并检查设备及工装生产要求符合性;3)协助车间按计划组织生产,与质量部门密切合作,分析生产流程冲突,对与工艺有关的问题提供解决方法,及时妥善处理生产现场出现的质量、技术问题;4)审核车间工艺方案,按工艺流程设计填写生产和装配工艺卡,对现场管理、工艺改进和成本控制进行调研,收集工艺数据;5)编制工艺手册、质量控制指导书等工艺文件,培训操作人员正确地维护并操作已有的和新购设备、工装,配备工位器具,指导员工严格按工艺流程程进行生产;6)协助车间按规定制定、编写、修订岗位安全操作规程,监督、检查各工序员工严格执行;7)负责车间各种工艺记录的管理和修订工作,认真检查工艺记录的填写和保存情况,检查并指导员工填写好、用好记录,定时收集、整理、装订、归档;8)负责员工的工艺技术培训工作,组织员工学习工艺规程和各种标准操作程序,教育员工遵守工艺规程,并建立严格的检查制度,保证工艺规程和操作规程的正确执行,提高生产操作水平,保证生产顺利进行。
公司生产部门及技术部门组织结构设计范本1、生产部部门计划统计主管计划统计专员职责权益相关说明编制人数编制日期生产部部门负责人生产部经理直属领导生产总监部门组织结构图部门编制生产部经理经理级 1人物生成动料产车本力主管级 6人供调间管设应度主理备主主任主主管管管管物生成动料产班统本力视情况而调供组计管设定应度理备长员专专专专员员员员1.负责生产计划的拟订与组织执行工作2.全面负责公司生产系统的安全、平稳运行3.负责生产调换管理,保证生产任务顺利执行4.控制生产成本,提高公司经济效益5.负责统计、汇总公司各项生产数据,如期向公司高层管理人员供应生产信息1.有对生产计划的执行权2.有对生产过程进行督查与指挥的权益3.有调换生产资源的权益4.有对部门内部员工的核查权5.有对部门内部员工聘任、解聘的建议权审查人员赞同人员审查日期赞同日期部门技术部负责人技术部经理直属领导技术总监部门组织结构图部门编制技术部经理经理级 1人技技工测术研定术设艺试资发额质计技主料主主量主术管主管管主管主管管管技测资研定术设工试发额质艺料计专专专量专员师员员员专员员主管级 7人视情况而定1.负责公司所有新产品的设计研发工作2.负责组织公司新产品研发的测试管理工作职责3.负责公司研发新产品的流程设计工作4.负责产品的技术改进、质量改进与控制工作5.负责产品定额的研究及相关技术资料的整理工作1.有对公司产品研发、技术立项及相关管理问题的建议权2.有对公司研发、技术改造项目及工艺操作标准的审查权权益3.有对新技术、新工艺推行的督查权4.有对部门员工的核查权5.有对部门内部员工聘任、解聘的建议权相关说明编制人数审查人员赞同人员编制日期审查日期赞同日期部门研发部负责人研发部经理直属领导技术总监部门组织结构图部门编制研发部经理经理级1人技术档案主管档案管理员职责权益相关说明编制人数编制日期技研产产分中主管级 7术发品品析试人研立开试测研究项发销试究主主主主主主管管管管管管技研产产分中发品品析视情况而术试立开试测研研项发销试定究究专专员专专员员员员员1.负责公司产品研发计划的拟订与推行2.负责新产品研发阶段的测试、中试管理工作3.负责收集国内外同行业新技术、新工艺的相关资料,并组织对其进行研究4.负责新产品的立项与试销等工作5.负责收集与管理产品研发过程中的资料1.有对新产品开发计划及方案的审查权2.有对公司研发方向的建议权3.有对研发过程的督查权4.有对部门内部员工的核查权5.有对部门内部员工聘任、解聘的建议权审查人员赞同人员审查日期赞同日期部门产品部负责人产品部经理直属领导总经理部门组织结构图部门编制产品部经理经理级 1人产市市产产品场场品品品策研上规牌划究市划主主主主主管管管管管产市市产产品场场品品品策研上规牌划究市划专专专专专员员员员员主管级 5人视情况而定1.负责制定公司产品规划框架,做好产品规划工作2.负责产品开发先期的市场调研,以及收集产品市场信息和资料的研究工作职责3.负责组织协调产品研发、生产及市场推行等工作4.负责制定产品上市计划及上市的组织协调工作5.负责公司品牌的管理及保护工作1.有产品开发战略决策的参加权2.有要求其他相关部门配合的权益权益3.有产品管理的自主权4.有对部门内部员工的核查权5.有对部门内部员工聘任、解聘的建议权相关说明编制人数审查人员赞同人员编制日期审查日期赞同日期部门设备部负责人设备部经理直属领导生产总监部门组织结构图部门编制设备部经理经理级1人设设设设设备备备备备档采动养维案购力护修主主主主主管管管管管档设设设设备备备备案采动养维管购力护修理专专专专员员员员员1.负责设备采买计划的编制与推行工作2.负责设备平常养护计划的编制与推行工作职责3.负责设备的平常检修与动力系统保护工作4.负责设备档案的管理工作5.负责设备采买、维修等管理花销的控制工作1.有对各种设备购置申请的审查权2.有对各种设备使用过程的审查权权益3.有对重点设备引进、改进的建议权4.有对部门人员的合理调换权5.有对部门人员的核查权相关说明编制人数审查人员赞同人员编制日期审查日期赞同日期主管级 5人视情况而定部门设计部负责人 设计部经理直属领导技术总监 部门组织结构图部门编制设计部经理经理级 1人工 工 产 档 制 装 艺 品 案 图 设 设 设 主 主 计 计 计 管管主 主 主管 管 管档工 工 产 制 装 艺 品 案 设 设 设 管 图 计 计 计 理 员专 专 专 员员 员 员1.负责制定与推行新产品设计方案2.负责产品生产工艺的设计工作 职责3.负责控制设计进度与质量4.负责设计图纸的绘制与出图管理工作 5.负责设计资料、档案的管理工作 1.有确定产品设计方向的建议权2.有睁开设计工作的自主权权益3.有设计方案、设计路线的审查权4.有对部门内部员工的核查权5.有对部门内部员工聘任、解聘的建议权相关说明 编制人数 审查人员 赞同人员编制日期审查日期赞同日期主管级 5人视情况而定部门装置部负责人装置部经理直属领导生产总监部门组织结构图部门编制装置部经理经理级 1人装装包组配配装装调设主主试计管管主主管管包装装装包组配配设调设装装计试计工工专专专员员员1.负责产品装置图纸、装置流程的设计工作2.负责产成品的安装调试工作职责3.负责产品的组装工作4.负责产成品的包装及干净工作5.负责产品包装设计工作1.有对产品包装设计方案的审查权2.有对产品装置设计方案的审查权权益3.有睁开部门内部工作的自主权4.有对部门内部员工的核查权5.有对部门内部员工聘任、解聘的建议权相关说明编制人数审查人员赞同人员编制日期审查日期赞同日期主管级 4人视情况而定部门质管部负责人质管部经理直属领导生产总监部门组织结构图部门编制质管部经理经理级 1人质质质成质量量量本量控改检控体制进验制系主主主主主管管管管管质质来制成成质量量本量料程品控改控体质质质制进制系检检检专专专专员员员员员员员1.负责组织来料、制程、成品的检验管理工作2.负责产质量量、质量成本控制工作职责3.负责产质量量改进管理工作4.负责公司质量管理系统的推进与保护工作5.负责与产质量量相关的其他工作1.有对产质量量的看守权2.对于违反质量管理制度的行为有提请处罚的权益权益3.有对质量计划、质量改进方案的审查权4.有对部门内部员工的核查权5.有对部门内部员工聘任、解聘的建议权相关说明编制人数审查人员赞同人员编制日期审查日期赞同日期(以上表格由管理人供应)主管级 5人视情况而定。
生产技术类部门组织结构与责权
1.4.1 生产部组织结构与责权
部门
生产部
部门负责人 生产部经理
直属领导
生产总监 部门组织结构图
部门编制
经理级1人
主管级6人
视情况而定
职责 1.负责生产计划的制订与组织执行工作 2.全面负责企业生产系统的安全、平稳运行 3.负责生产的调度管理,保证生产任务得到执行 4.负责生产的成本控制,提高企业经济效益
5.负责统计、汇总企业各项生产数据,定期向企业高层提供生产信息 权力 1.有对生产计划的执行权
2.有对生产过程进行监督与指挥的权力 3.有对生产资源的调度权 4.有对部门内部员工的考核权
5.有对部门内部员工聘任、解聘的建议权
相关说明
编制人数 审核人员 批准人员 编制日期
审核日期
批准日期
生产部经理
计划统计主管
车间主任 动力设备主管
动力设备专员
生产调度主管
成本管理主管
成本管理专员
班组长 生产调度专员
计划统计专员 统计员
物料供应主管
物料供应专员
部门
技术部
部门负责人 技术部经理
直属领导
技术总监 部门组织结构图
部门编制
经理级1人
主管级7人
视情况而定
职责 1.负责企业所有产品的设计与研发管理工作 2.负责组织企业研发新产品的测试管理工作 3.负责企业研发新产品的工艺流程的设计工作 4.负责企业产品的技术改进、质量改进与控制工作 5.负责企业产品定额的研究及相关技术资料的整理工作 权力 1.有对企业产品研发、技术立项及相关管理问题的建议权 2.有对企业研发、技术改造项目及工艺操作标准的审核权 3.有对新技术、新工艺推广的检查权 4.有对部门内部员工的考核权
5.有对部门内部员工聘任、解聘的建议权
相关说明
编制人数 审核人员 批准人员 编制日期
审核日期
批准日期
技术部经理
测试主管
定额主管 工艺技术主管
工艺专员
技术资料主管
设计主管
设计师
技术质量主管
技术质量专员
研发主管
资料员 测试专员 研发专员
定额专员
部门
研发部
部门负责人 研发部经理
直属领导
技术总监 部门组织结构图
部门编制
经理级1人
主管级5人
视情况而定
职责 1.负责企业产品研发计划的制订与实施 2.负责新产品研发阶段的测试、中试管理工作
3.负责收集国内外同行业新技术、新工艺的相关资料,并对其组织进行研究 4.负责新产品的立项与试销等工作
5.负责产品研发过程资料的收集与管理工作 权力 1.有对新产品开发计划及方案的审核权 2.有对企业研发方向的建议权 3.有对研发过程的监督权 4.有对部门内部员工的考核权
5.有对部门内部员工聘任、解聘的建议权
相关说明
编制人数 审核人员 批准人员 编制日期
审核日期
批准日期
研发部经理
技术研究主管
中试研究主管
中试研究员
分析测试主管
分析测试专员
产品开发主管 产品开发专员
技术档案主管
技术研究员
档案管理员 研发立项主管
研发立项专员
产品试销专员
产品试销主管
部门
产品部
部门负责人 产品部经理
直属领导
总经理 部门组织结构图
部门编制
经理级1人
主管级5人
视情况而定
职责
1.负责制定企业产品规划框架,做好产品规划工作
2.负责产品开发的前期市场调研,收集产品市场信息及资料的研究工作 3.负责组织协调产品的研发、生产及市场推广等工作 4.负责组织拟订产品上市计划及上市的组织协调工作 5.负责产品品牌的管理及维护工作 权力
1.有对产品开发战略决策的参与权 2.有要求其他相关部门配合的权力 3.有对产品管理的自主权 4.有对部门内部员工的考核权
5.有对部门内部员工聘任、解聘的建议权
相关说明
编制人数 审核人员 批准人员 编制日期
审核日期
批准日期
产品部经理
市场策划主管 产品规划主管
产品规划专员
产品上市主管
产品上市专员
市场研究主管
市场研究专员
产品品牌主管 市场策划专员
产品品牌专员
部门
设备部
部门负责人 设备部经理
直属领导
生产总监 部门组织结构图
部门编制
经理级1人
主管级5人
视情况而定
职责 1.负责设备采购计划的编制与实施工作 2.负责设备日常养护计划的编制与实施工作 3.负责设备日常检修与动力系统的维护工作 4.负责设备档案的管理工作
5.负责设备采购、维修等管理费用的控制工作 权力 1.有对各种设备购置申请的审核权 2.有对各种设备使用过程的核查权 3.有对重点设备引进、改进的建议权 4.有对部门内部人员的合理调度权 5.有对部门内部人员的考核权
相关说明
编制人数 审核人员 批准人员 编制日期
审核日期
批准日期
设备部经理
设备采购主管
设备维修主管
设备维修专员
设备养护主管
设备养护专员
设备档案主管
设备采购专员
档案管理员 设备动力主管 设备动力专员
部门
设计部
部门负责人 设计部经理
直属领导
技术总监 部门组织结构图
部门编制
经理级1人
主管级5人
视情况而定
职责 1.负责组织新产品设计方案的制定与实施工作 2.负责产品生产工艺的设计工作 3.负责设计进度与质量的控制工作 4.负责设计图纸的绘制与出图管理工作 5.负责设计资料、档案的管理工作 权力 1.有对产品设计方向选择的建议权 2.有开展设计工作的自主权 3.有对设计方案、设计路线的审核权 4.有对部门内部员工的考核权
5.有对部门内部员工聘任、解聘的建议权
相关说明
编制人数 审核人员 批准人员 编制日期
审核日期
批准日期
设计部经理
档案主管
产品设计主管
产品设计专员
工艺设计主管
工艺设计专员
制图主管
制图员
档案管理员 工装设计主管 工装设计专员
部门
装配部
部门负责人 装配部经理
直属领导
生产总监 部门组织结构图
部门编制
经理级1人
主管级4人
视情况而定
职责
1.负责产品装配图纸、装配流程的设计工作 2.负责产成品的安装调试工作
3.负责产品的组装工作 4.负责产成品的包装及清洁工作 5.负责产品包装的设计工作 权力
1.有对产品包装设计方案的审核权 2.有对产品装配设计方案的审核权
3.有开展部门内部工作的自主权 4.有对部门内部员工的考核权
5.有对部门内部员工聘任、解聘的建议权
相关说明
编制人数 审核人员 批准人员 编制日期
审核日期
批准日期
装配部经理
包装主管
装配设计主管
装配设计专员
装配调试主管
装配调试专员
组装主管
组装工
包装设计专员
包装工
1.4.8 质量管理部组织结构与责权
部门
质量管理部
部门负责人
质量管理部经理
直属领导
生产总监 部门组织结构图
部门编制
经理级1人
主管级5人
视情况而定
职责 1.负责来料、制程、成品的检验管理工作 2.负责产品质量、质量成本的控制工作 3.负责产品质量改进的管理工作
4.负责企业质量管理体系的推进与维护工作 5.负责与产品质量相关的其他工作 权力 1.有对产品质量的监管权
2.对违反质量管理制度的行为,有提请处罚的权力 3.有对质量计划、质量改进方案的审核权 4.有对部门内部员工的考核权
5.有对部门内部员工聘任、解聘的建议权 相关说明
编制人数 审核人员 批准人员 编制日期
审核日期
批准日期
质量管理部经理
质量改进主管
质量体系主管
质量体系专员
成本控制主管
成本控制专员
质量检验主管
制程质检员
质量控制主管
质量改进专员
质量控制专员 来料质检员
成品质检员。