临床常用药品皮试液的配置方法
- 格式:docx
- 大小:15.73 KB
- 文档页数:2
临床常见药物的⽪试液配制⽅法及过敏的抢救流程临床各种⽪试液的配制⽅法及过敏的抢救流程⼀、青霉素的配制⽅法及过敏的抢救流程:(⼀)⽪试液的配制⽅法:⽪试液配制,青霉素⽪试液标准剂量为200~500u/ml1. 洗⼿、戴⼝罩,备齐⽤物。
2. 查对记录卡、药物和溶媒。
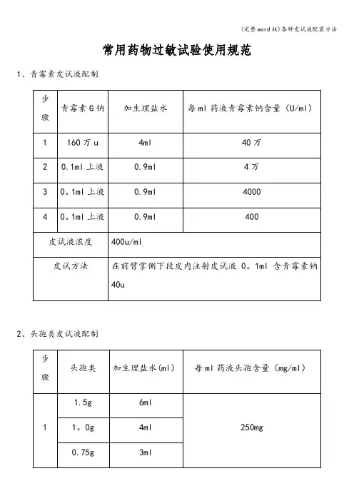
3. 取青霉素80万u/瓶加4ml⽣理盐⽔,稀释后含量为20万u/ml。
4. 抽取上液0.1ml,加⽣理盐⽔⾄1ml,稀释后含量为2万u/ml。
5. 推⾄0.1ml,加⽣理盐⽔⾄1ml,稀释后含量为2000u/ml。
6. 推⾄0.1ml或0.25ml,加⽣理盐⽔⾄1ml,稀释后含量为200u/ml或500u/ml。
7. 配制完毕,在注射器上标记药物名称,核对后放⼊注射盘中备⽤。
(⼆)过敏的抢救流程:1. ⼀般性抢救措施发现过敏性休克征兆,应⽴即停药,就地抢救,同时通知医⽣。
安置患者于休克体味,注意保暖。
病情未稳定前,不可搬动。
2. 特效抢救药物药物过敏性休克应⾸选0.1%盐酸肾上腺素,可⽤0.5~1ml⽴即肌内注射,或⽤⽣理盐⽔稀释⾄10ml缓慢静脉推注,必要时30min重复注射。
抢救链霉素过敏性休克时,盐酸肾上腺素和钙剂并列为⾸选药物。
可⽤氯化钙或葡萄糖酸钙10ml加等量5%~10%葡萄糖溶液,缓慢静脉推注。
3. 遵医嘱给药地塞⽶松5~10mg静脉注射,或氢化可的松200~400mg加⼊5%~10%葡萄糖溶液200~300ml中静脉滴注;盐酸异丙嗪或苯海拉明20mg,肌内注射。
依据病情和医嘱给予扩容剂、纠酸药物、⾎管活性剂和呼吸兴奋剂等。
4. 护理迅速建⽴或维持有效静脉通路。
给予氧⽓吸⼊,保持呼吸道通畅,纠正缺氧。
必要时⼈⼯呼吸或开放⽓道。
密切监护和记录患者⾎压、脉搏、神志和尿量,为抢救和治疗提供准确的动态信息。
必要时配合医⽣进⾏⼼肺脑复苏。
针灸⼈中、百会、关元、神阙。
(三)⼼肺脑复苏的流程:CPCR分为三个阶段:①基本⽣命⽀持(basic life support,BLS);②进⼀步⽣命⽀持(advanced life support,ALS;advanced cardiac life support,ACLS);③长期⽣命⽀持(prolonged life support。
各种皮试液的配制方法(总4页) -CAL-FENGHAI.-(YICAI)-Company One1-CAL-本页仅作为文档封面,使用请直接删除各种皮试液的配制方法一、青霉素G钠(钾)(80万u)皮试溶液的配制80万u /支加生理盐水至4ml-→ 20万u/ml取加生理盐水至1ml-→2万u/ml取加生理盐水至1ml-→2000u/ml取加生理盐水至1ml-→200 u/ml取皮试液(20u/ml)皮内注射二、青霉素G钠(钾)(160万u)皮试溶液的配制160万u /支加生理盐水至8ml-→ 20万u/ml取加生理盐水至1ml-→2万u/ml取加生理盐水至1ml-→2000u/ml取加生理盐水至1ml-→200 u/ml取皮试液(20u/ml)皮内注射三、其它青霉素类(氨苄西林、羧苄西林、苯唑西林、哌拉西林)皮试溶液的配制0.5g/支加生理盐水至1ml -→500mg/ml取0.1ml加生理盐水至1ml -→50mg/ml取0.1ml加生理盐水至1ml -→5mg/ml取0.1ml加生理盐水至1ml -→ml取皮试液(50 ug/ml)皮内注射,阳性反应者禁用四、氨苄青霉素钠+舒巴坦(支)皮试液的配制1.5g/支加生理盐水至3ml -→500mg/ml取0.1ml加生理盐水至1ml -→50mg/ml取0.1ml加生理盐水至1ml -→5mg/ml取0.1ml加生理盐水至1ml -→ml取皮试液(50 ug/ml)皮内注射,阳性反应者禁用。
五、头孢曲松钠 g/支皮试液的配制1 g/支加生理盐水至4 ml-→ 250 mg/ml取 ml加生理盐水至1 ml-→ 50 mg/ml取 ml加生理盐水至1 ml-→5 mg/ml取 ml加生理盐水至1 ml-→500 μg/ml取皮试液(50 μg/ml)皮内注射六、头孢呋辛钠 g/支皮试液的配制g/支加生理盐水至3 ml-→ 250 mg/ml取 ml加生理盐水至1 ml-→ 50 mg/ml取 ml加生理盐水至1 ml-→5 mg/ml取 ml加生理盐水至1 ml-→500 μg/ml取皮试液(50 μg/ml)皮内注射七、链霉素1g(100万单位)/支皮试液的配制1g(100万单位)/支加生理盐水 ml配成4 ml (25万单位/ml)取加生理盐水-→万单位/ml取加生理盐水-→2500单位/ml取加生理盐水-→250单位/ml取(25 μg/ml)皮内注射八、破伤风皮试液的配制取1500iu/,加生理盐水至1ml-→ 150iu/ml取皮试液( 15iu/ml)皮内注射。
常用药皮试配置方法集团标准化工作小组 #Q8QGGQT-GX8G08Q8-GNQGJ8-MHHGN#部分药品皮试液配制方法1.注射用盐酸头孢吡肟规格0.5g(皮试液浓度为500ug/ml)取%氯化钠注射液10ml稀释原药后,抽取,再用%氯化钠注射液稀释至10ml,抽取皮内注射。
2.注射用盐酸头孢吡肟规格1g(皮试液浓度为500ug/ml)取%氯化钠注射液20ml稀释原药后,抽取,再用%氯化钠注射液稀释至10ml,抽取皮内注射。
3.注射用哌拉西林钠规格0.5g(皮试液浓度为500ug/ml)取%氯化钠注射液10ml稀释原药后,抽取,再用%氯化钠注射液稀释至10ml,抽取皮内注射。
4.注射用哌拉西林他唑巴坦钠规格1.25g(1g:0.25g)(皮试液浓度为500ug/ml)取%氯化钠注射液20ml稀释原药后,抽取,再用%氯化钠注射液稀释至10ml,抽取皮内注射。
5.注射用哌拉西林舒巴坦钠规格2.5g(2g:0. 5g)(皮试液浓度为500ug/ml)取%氯化钠注射液20ml稀释原药后,抽取,再用%氯化钠注射液稀释至10ml,抽取皮内注射。
6.注射用哌拉西林舒巴坦钠规格1.5g(1g:0. 5g)(皮试液浓度为500ug/ml)取%氯化钠注射液20ml稀释原药后,抽取,再用%氯化钠注射液稀释至10ml,抽取皮内注射。
7.注射用头孢哌酮钠他唑巴坦钠规格2.5g(2g:0.5g)(皮试液浓度为500ug/ml)取%氯化钠注射液20ml稀释原药后,抽取,再用%氯化钠注射液稀释至10ml,抽取皮内注射。
8.注射用头孢哌酮舒巴坦钠规格3g(2g:1g)(皮试液浓度为500ug/ml)取%氯化钠注射液20ml稀释原药后,抽取,再用%氯化钠注射液稀释至10ml,抽取皮内注射。
9.注射用盐酸头孢替安规格1.0g(皮试液浓度为500ug/ml)取%氯化钠注射液20ml稀释原药后,抽取,再用%氯化钠注射液稀释至10ml,抽取皮内注射。
各类常用皮试液配制方法
皮试液是一种用于皮肤过敏的检测的试剂,用于判断一个人是否对其中一种物质过敏。
以下是几种常用皮试液的配制方法。
1.常用的皮试液之一是浓度为1:1000的溴化乙啶皮试液。
配制方法如下:
1)准备一瓶1M的溴化乙啶溶液。
2) 取10ml的溴化乙啶溶液加入90ml的生理盐水,搅拌均匀。
2.浓度为1:1000的高锰酸钾皮试液是常用的一种抗菌皮试液。
配制方法如下:
1)准备一瓶1M的高锰酸钾溶液。
2) 取1ml的高锰酸钾溶液加入999ml的生理盐水,搅拌均匀。
3.浓度为1:1000的过敏原皮试液也是常见的一种皮试液。
配制方法如下:
1)根据所需的过敏原物质选择合适的浓度。
2)取适量的过敏原溶液加入生理盐水中,充分搅拌均匀。
4.血清皮试液是一种用于检测机体对一些血清蛋白过敏的皮试液。
配制方法如下:
1)取适量的血清蛋白溶液,可以是对应的抗原或制备的抗体。
2)加入足够的生理盐水,使浓度达到所需浓度,充分搅拌均匀。
5.各类花粉、食物、药物等过敏原皮试液的配制方法有些不同,但基本步骤相似。
一般来说,首先需要获得纯净的过敏原物质,然后按照所需浓度配制成皮试液。
具体的配制方法需要根据具体的过敏原物质来确定。
需要注意的是,配制皮试液时要注意消毒、防止交叉污染的问题,以保证试验的准确性和可靠性。
此外,在使用皮试液时,也要严格按照医生的指示进行操作,遵循相应的操作规范,以避免产生不必要的风险。
青霉素皮试药液配制方法:青霉素1瓶80万u,注入4ml生理盐水,则1ml含20u取0. 1ml,加生理盐水至1ml,则1ml含2万u取0. 1ml,加生理盐水至1ml,则1ml含2000u取0. 25ml,加生理盐水至1ml,则1ml含500u,即成青霉素皮试液。
皮内注射0. 1ml含50U破伤风抗毒素(TAT)皮试液的配制方法:TAT 每支1500IU约0.7 ml,加水至1ml,抽取0. 1ml,加生理盐水稀释至1ml(含150IU),皮内注射0. 1ml含15IU。
细胞色素C皮试液的配制方法:细胞色素C 每支2 ml含15mg,取0. 1ml,加生理盐水至1ml (1ml含0.75 mg),皮内注射0. 1ml含0.075 mg。
头孢噻肟钠皮试液的配置方法1.0g/支加0.9%氯化钠液3ml充分混匀第一次:取配置液0.1ml+0.9%氯化钠液0.9ml至1ml 第二次:取第一次配置液0.1ml+0.9%氯化钠液0.9ml 至1ml第三次:取第二次配置液0.1ml+0.9%氯化钠液0.9ml至1ml第四次:取第三次配置液0.1ml做皮内注射美洛西林钠针皮试液的配置方法2g/支加0.9%氯化钠液12ml充分混匀第一次:取配置液0.4ml+0.9%氯化钠液1.6ml至2ml 第二次:取第一次配置液0.2ml+0.9%氯化钠液1.8ml至2ml第三次:取第二次配置液0.2ml+0.9%氯化钠液1.8ml至2ml第四次:取第三次配置液0.1ml做皮内注射半合成青霉素类(氨苄、氧哌嗪、阿莫西林)1支0.5g,注入2ml生理盐水,则1ml含250mg取0. 2ml,加生理盐水至1ml,则1ml含50mg取0. 1ml,加生理盐水至1ml,则1ml含5mg取0. 1ml,加生理盐水至1ml,则1ml含500ug,即成\。
皮内注射0. 1ml含50ug头孢呋辛钠1支0.25g,注入2ml生理盐水,则1ml含125mg取0. 4ml,加生理盐水至1ml,则1ml含50mg取0. 1ml,加生理盐水至1ml,则1ml含5mg取0. 1ml,加生理盐水至1ml,则1ml含500ug,即成\。
部分药品皮试液配制方法1.注射用盐酸头孢吡肟规格0.5g(皮试液浓度为500ug/ml)取%氯化钠注射液10ml稀释原药后,抽取,再用%氯化钠注射液稀释至10ml,抽取皮内注射。
2.注射用盐酸头孢吡肟规格1g(皮试液浓度为500ug/ml)取%氯化钠注射液20ml稀释原药后,抽取,再用%氯化钠注射液稀释至10ml,抽取皮内注射。
3.注射用哌拉西林钠规格0.5g(皮试液浓度为500ug/ml)取%氯化钠注射液10ml稀释原药后,抽取,再用%氯化钠注射液稀释至10ml,抽取皮内注射。
4.注射用哌拉西林他唑巴坦钠规格1.25g(1g:0.25g)(皮试液浓度为500ug/ml)取%氯化钠注射液20ml稀释原药后,抽取,再用%氯化钠注射液稀释至10ml,抽取皮内注射。
5.注射用哌拉西林舒巴坦钠规格2.5g(2g:0.5g)(皮试液浓度为500ug/ml)取%氯化钠注射液20ml稀释原药后,抽取,再用%氯化钠注射液稀释至10ml,抽取皮内注射。
6.注射用哌拉西林舒巴坦钠规格1.5g(1g:0.5g)(皮试液浓度为500ug/ml)取%氯化钠注射液20ml稀释原药后,抽取,再用%氯化钠注射液稀释至10ml,抽取皮内注射。
7.注射用头孢哌酮钠他唑巴坦钠规格2.5g(2g:0.5g)(皮试液浓度为500ug/ml)取%氯化钠注射液20ml稀释原药后,抽取,再用%氯化钠注射液稀释至10ml,抽取皮内注射。
8.注射用头孢哌酮舒巴坦钠规格3g(2g:1g)(皮试液浓度为500ug/ml)取%氯化钠注射液20ml稀释原药后,抽取,再用%氯化钠注射液稀释至10ml,抽取皮内注射。
9.注射用盐酸头孢替安规格1.0g(皮试液浓度为500ug/ml)取%氯化钠注射液20ml稀释原药后,抽取,再用%氯化钠注射液稀释至10ml,抽取皮内注射。
10.注射用盐酸头孢替安规格2.0g(皮试液浓度为500ug/ml)取%氯化钠注射液20ml稀释原药后,抽取,再用%氯化钠注射液稀释至10ml,抽取皮内注射。
常用药品皮试液配制方法1、青霉素钠80万U/瓶:1)80万青霉素加生理盐水溶解至4ml;(20万U/ml)2)取20万U/ml溶液0.1ml+生理盐水至1ml;(2万U/ml)3)取2万U/ml溶液0.1ml+生理盐水至1ml;(2千U/ml)4)取2千U/ml溶液0.25ml+生理盐水至1ml;(500U/ml)5)取500U/ml溶液0.1ml作皮试(即50U)2、磺苄西林1g/瓶:1)以上所需药物加生理盐水溶解至4ml;(250mg/ml)2)取250mg/ml溶液0.1ml+生理盐水至1ml;(25mg/ml)3)取25mg/ml溶液0.1ml+生理盐水至1ml;(2.5mg/ml)4)取2.5mg/ml溶液0.2ml+生理盐水至1ml;(0.5mg/ml)5)取0.5mg/ml溶液0.1ml作皮试(即0.05mg)皮试结果判断同青霉素。
3、美洛西林钠2g/瓶1)以上所需药物加生理盐水溶解至8ml;(250mg/ml)2)取250mg/ml溶液0.1ml+生理盐水至1ml;(25mg/ml)3)取25mg/ml溶液0.1ml+生理盐水至1ml;(2.5mg/ml)4)取2.5mg/ml溶液0.2ml+生理盐水至1ml;(0.5mg/ml)5)取0.5mg/ml溶液0.1ml作皮试(即0.05mg)皮试结果判断同青霉素。
4、哌拉西林舒巴坦钠1.25g/瓶1)以上所需药物加生理盐水溶解至5ml;(250mg/ml)2)取250mg/ml溶液0.1ml+生理盐水至1ml;(25mg/ml)3)取25mg/ml溶液0.1ml+生理盐水至1ml;(2.5mg/ml)4)取2.5mg/ml溶液0.2ml+生理盐水至1ml;(0.5mg/ml)5)取0.5mg/ml溶液0.1ml作皮试(即0.05mg)皮试结果判断同青霉素。
5、美洛西林钠0.5g/瓶、氟氯西林0.5g/瓶1)以上所需药物加生理盐水溶解至2ml;(250mg/ml)2)取250mg/ml溶液0.1ml+生理盐水至1ml;(25mg/ml)3)取25mg/ml溶液0.1ml+生理盐水至1ml;(2.5mg/ml)4)取2.5mg/ml溶液0.2ml+生理盐水至1ml;(0.5mg/ml)5)取0.5mg/ml溶液0.1ml作皮试(即0.05mg)皮试结果判断同青霉素。
常用药物过敏试验使用规范1、青霉素皮试液配制
2、头孢类皮试液配制
3、破伤风抗毒素(TAT)皮试液配制
附:脱敏注射方法
4、链霉素皮试液配制
附:常见皮试操作流程
青霉素皮试操作流程
TAT皮试操作流程
头孢类抗生素皮试操作流程
碘过敏试验检查
试验方法
(一)皮内注射法取碘造影剂0.1ml作皮内注射,观察20分钟后判断试验结果。
(二)静脉注射法取碘造影剂1ml(30%泛影葡胺1ml),于静脉内缓慢注射,观察5—10分钟后判断试验结果。
在静脉注射造影剂前,必须先行皮内注射法,然后再行静脉注射法,如为阴性,方可进行碘剂造影。
异常结果
异常结果:(一)皮内注射局部有红、肿、硬块,直径超过1cm为阳性。
(二)静脉注射过敏反应同青霉素需要检查的人群:要进行造影检查的人,需要先进行碘过敏试验.
注意事项
(完整word版)各种皮试液配置方法不合宜人群:先作过敏试验呈阳性者检查前禁忌:在造影前1—2天须先作过敏试验,阴性者,方可作碘造影检查。
检查时要求:少数病人过敏试验阴性,但在注射碘造影剂时发生过敏反应,故在造影时仍需要备好急救药品,处理同青霉素.。
部分药品皮试液配制方法1. 注射用盐酸头抱吡肟规格0.5g (皮试液浓度为500ug/ml)取0.9%氯化钠注射液10ml稀释原药后,抽取0.1ml,再用0.9%氯化钠注射液稀释至10ml,抽取0.1ml皮内注射。
2. 注射用盐酸头抱吡肟规格1g (皮试液浓度为500ug/ml)取0.9%氯化钠注射液20ml稀释原药后,抽取0.1ml,再用0.9%氯化钠注射液稀释至10ml,抽取0.1ml皮内注射。
3. 注射用哌拉西林钠规格0.5g (皮试液浓度为500ug/ml)取0.9%氯化钠注射液10ml稀释原药后,抽取0.1ml,再用0.9%氯化钠注射液稀释至10ml,抽取0.1ml皮内注射。
4. 注射用哌拉西林他唑巴坦钠规格 1.25g(1g:0.25g)(皮试液浓度为500ug/ml)取0.9%氯化钠注射液20ml稀释原药后,抽取0.1ml,再用0.9%氯化钠注射液稀释至10ml,抽取0.1ml皮内注射。
5. 注射用哌拉西林舒巴坦钠规格2.5g (2g: 0. 5g)(皮试液浓度为500ug/ml)取0.9%氯化钠注射液20ml稀释原药后,抽取0.05ml,再用0.9%氯化钠注射液稀释至10ml,抽取0.1ml皮内注射。
6. 注射用哌拉西林舒巴坦钠规格1.5g (1g: 0. 5g)(皮试液浓度为500ug/ml)取0.9%氯化钠注射液20ml稀释原药后,抽取0.1ml,再用0.9%氯化钠注射液稀释至10ml,抽取0.1ml皮内注射。
7. 注射用头抱哌酮钠他唑巴坦钠规格2.5g( 2g:0.5g)(皮试液浓度为500ug/ml)取0.9%氯化钠注射液20ml稀释原药后,抽取0.05ml,再用0.9%氯化钠注射液稀释至10ml,抽取0.05ml皮内注射。
8. 注射用头抱哌酮舒巴坦钠规格3g (2g:1g)(皮试液浓度为500ug/ml)取0.9%氯化钠注射液20ml稀释原药后,抽取0.05ml,再用0.9%氯化钠注射液稀释至10ml,抽取0.05ml皮内注射。
临床常用药物过敏实验的皮试液配制方法一、青霉素G钠(钾)青霉素1瓶为80万U,注入4ml生理盐水,则1ml含2万U。
取0.1ml,加生理盐水至1ml,则1ml含2万U。
取0.1ml,加生理盐水至1ml,则1ml含2000U。
取0.25ml,加生理盐水至1ml,则1ml含500U。
取0.1ml(含50U)皮试。
二、其它青霉素类(氨苄西林、羧苄西林、苯唑西林、哌拉西林等)0.5g/瓶加氯化钠注射液至1ml -→500mg/ml取0.1ml加氯化钠注射液至1ml -→50mg/ml取0.1ml加氯化钠注射液至1ml -→5mg/ml取0.1ml加氯化钠注射液至1ml -→0.5mg/ml取0.1ml(50 ug)皮内注射。
三、头孢类:0.5g/瓶加等渗盐水至5ml -→0.1g/ml取0.1ml加等渗盐水至1ml --→10mg/ml取0.1ml加等渗盐水至1ml --→1mg/ml取0.1取0.1ml加等渗盐水至1ml --→100μg取0.6ml加等渗盐水至1ml --→60μg取0.1ml(6μg))皮内注射四、链霉素:1瓶为1g(100万IU),注入3.5ml生理盐水,溶解后为4ml(25万IU/ml),取0.1ml,加生理盐水至1ml(2.5万IU/ml),取0.1ml,加生理盐水至1ml(2500IU/ml),取0.1ml皮试(250IU)。
五、细胞色素C:取细胞色素C 1支(15mg/2ml)取0.1ml,加生理盐水至1ml(1ml含0.75mg);取0.1ml皮试(0.075mg)。
六、胸腺肽注射液取原药配成25ug/ml的溶液,皮内注射0.1ml。
(250ml一瓶的:取原液0、1ml加生理盐水0、8ml配成0、9ml(25微克)取0、1ml皮试还有一种是针剂的(5ml /40毫克一支的)先用1ml原液+生理盐水至5ml稀释(8mg/ml)取上液0、1ml加生理盐水至1ml(800ug/ml)取上液0、1ml加生理盐水至1ml(80ug/ml)取上液0、31ml加生理盐水至1ml(25ug/ml)取0、1ml皮试七、抗毒素及免疫血清(品种包括1.精制白喉抗毒素,2.精制破伤风抗毒素,3.多价精制气性坏疽抗毒素4.精制肉毒抗毒素,5.精制抗炭疽血清,6.精制抗狂犬病血清等)用氯化钠注射液将抗毒素或血清稀释至10倍(用1ml注射器取抗毒素0.1ml,加0.9ml 氯化钠稀释,摇匀,即得)。
常用药物皮试液配制方法新型青霉素类及头孢类药物皮试地配制方法,国家一直没有统一地规定,而在临床为了避免发生过敏反应,减少医疗纠纷,对这类药物都做皮试后才使用.一般认为以原药物配制皮试最合理,不应以青霉素皮试代替所有内酰胺类药物皮试,临床中此类药物剂量各异,各种规格地药物到底如何配制皮试液,各地方法各异,现将配制方法介绍如下:(生理盐水为地等渗盐水).一青霉素皮试地配制青霉素一瓶(万),注入生理盐水,充分混匀取生理盐水至取生理盐水至取生理盐水至取青霉素皮试液(含)做皮内注射.二头孢唑林钠皮试液地配制头孢唑林钠一瓶(),注入生理盐水,充分混匀取生理盐水至取生理盐水至取生理盐水至取头孢唑林钠皮试液(含/)做皮内注射.三头孢曲松钠皮试液地配制头孢曲松钠一瓶()加生理盐水至,使每毫升浓度为/,充分混匀取生理盐水至取生理盐水至取生理盐水至取头孢曲松钠皮试液(含/)做皮内注射.四头孢哌酮钠(先锋素)皮试液地配制头孢哌酮钠一瓶()加生理盐水至,充分混匀取生理盐水至取生理盐水至取生理盐水至取头孢哌酮钠皮试液做皮内注射.五头孢噻肟钠皮试液地配制头孢噻肟钠一瓶()加生理盐水至,充分混匀取生理盐水至取生理盐水至取生理盐水至取头孢噻肟钠皮试液做皮内注射.六美诺西林钠皮试液地配制美诺西林钠一瓶()加生理盐水,充分混匀取生理盐水至取生理盐水至取生理盐水至取美诺西林钠皮试液做皮内注射.七破伤风抗毒素皮试液地配制破伤风抗毒素一支()取加生理盐水至,取上液做皮试,即(),分钟后观察结果,如为阴性可一次性注射,如为阳性者,则实行脱敏疗法.脱敏疗法方法如下:第一次取加生理盐水至肌肉注射.第二次取加生理盐水至肌肉注射.第三次取加生理盐水至肌肉注射.第四次取余液加生理盐水至肌肉注射.每隔分钟注射一次,在脱敏过程中严密观察病人地反应,若病人有气促,面色苍白,紫绀,荨麻。
临床常用药物皮试液配置方法及结果判断标准
1、可用青霉素皮试剂做皮试的药物包括:注射用青霉素钠、注射用哌拉西林钠、注射用美洛西林钠、注射用氨苄西林钠舒巴坦钠、注射用阿莫西林钠克拉维酸钾、注射用替卡西林钠克拉维酸钾。
2、对青霉素过敏而禁用的头孢菌素包括:舒普深、新瑞普新、马斯平。
3、对青霉素过敏,应慎用其它头孢菌素及碳青霉烯类抗生素。
4、药典中明确规定了使用青霉素类药物之前要进行皮试,过敏者禁用;对青霉素过敏病人应根据病情权衡利弊使用头孢菌素类药物。
有青霉素过敏性休克或即刻反应者,不宜再选用头孢菌素。
5、药典规定对其他β-内酰胺类曾发生过敏性休克等即刻反应者禁用噻肟单酰胺菌素(氨曲南)。
6、药典规定对青霉素与头孢发生严重全身过敏反应或过敏性休克者禁用亚胺培南-西司他丁钠(泰能)。
7、药典、药品说明书是国家有关部门批准备案的具有法律意义的文书,是临床或患者用药的基本依据。
药典和药品说明书中明确要求进行皮试的,必须进行,不能简化。
各类药物皮试液配制方法1、(1)0.5g头孢菌素(如头孢拉定、头孢唑肟、头孢替胺等)原粉剂+0.9%NS 2ml; (250mg/ml即0.5g/4ml)第一次:取上液0.1ml+0.9%NS 至1ml; 25 mg/ml)第二次:取上液0.1ml+0.9%NS 至1ml; (2.5 mg/ml)第三次:取上液0.2mI+.9%NS 至1ml; (0.5mg/ml即500ug/ml)取0.1ml皮内注射(即50ug/0.1m) (皮试结果判断同青霉素)(2)1g头孢菌素(头孢派酮钠头孢噻肟钠头孢曲松钠等)原粉剂+0.9%NS 4ml; (250mg/ml即0.5g/4ml)第一次:取上液0.1ml+0.9%NS 至1ml; (25 mg/ml)第二次:取上液0.1ml+0.9%NS 至1ml;(2.5 mg/ml)(0.5mg/ml即500ug/ml)第三次:取上液0.2ml+0.9%NS 至1ml;取0.1ml皮内注射(3)1.5g头孢菌素(头孢他啶头孢哌酮舒巴坦等)原粉剂+0.9%NS 6ml; (250mg/ml即0.5g/4ml)第一次:取上液0.1ml+0.9%NS 至1ml; (25 mg/ml)第二次:取上液0.1ml+0.9%NS 至1ml; (2.5 mg/ml)第三次:取上液0.2ml+0.9%NS 至1ml; (0.5mg/ml即500ug/ml)取0.1ml皮内注射(即50ug/0.1mI)(4)2g头孢菌素(头孢他啶头孢哌酮舒巴坦等)原粉剂+0.9%NS 8ml; (250mg/ml即0.5g/4ml)第一次:取上液0.1ml+0.9%NS 至1m; (25 mg/ml)第二次:取上液0.1ml+0.9%NS 至1ml;(2.5 mg/ml)(0.5mg/ml即500ug/ml)第三次:取上液0.2ml+0.9%NS 至1ml;取0.1ml皮内注射(即50ug/0.1ml)2、(1)青毒素80万U/瓶:50u80万U青霉素加0.9%NS至4ml;(20万U/ml)第一次:取上液0.1ml+0.9%NS 至1ml;(20万U/ml)第二次:取上液0.1ml+0.9%NS 至1ml;(20万U/ml)第三次:取上液0.25mI+0.9%NS 至1ml;(500U/ml)取0.1ml皮内注射(即50U)3、氨苄西林1g取原粉剂+0.9%NS 4ml; (250mg/ml)第一次:取上液0.1ml+0.9%NS至1ml;(25 mg/ml)第二次:取上液0.1ml+0.9%NS 至1ml;(2.5 mg/ml)第三次:取上液0.2ml+0.9%NS 至1ml; (0.5mg/ml即500ug/ml)取0.1ml皮内注射(即0.5mg)4、苯唑西林钠0.5g取原粉剂+0.9%NS至1ml--500mg/ml第一次:取0.1ml+0.9%NS 至1ml--500mg/m]第二次:取0.ml+0.9%NS至1ml--5mg/ml第三次:取01ml+0.9%NS 至1m--500mg/ml取0.1ml皮内注射5、TAT皮试配制1500U/支取上液0.ml+0.9%NS至1ml;(150ug/ml)取0.1ml皮内注射(即15iu)6、阿莫西林克拉维酸钾属于青霉素类抗生素,使用时做青霉素实验也可以用原液配制的,后者比较好。
青霉素皮试药液配制方法:青霉素1瓶80万u,注入4ml生理盐水,则1ml含20u取0. 1ml,加生理盐水至1ml,则1ml含2万u取0. 1ml,加生理盐水至1ml,则1ml含2000u取0. 25ml,加生理盐水至1ml,则1ml含500u,即成青霉素皮试液。
皮内注射0. 1ml含50U破伤风抗毒素(TAT)皮试液的配制方法:TAT 每支1500IU约0.7 ml,加水至1ml,抽取0. 1ml,加生理盐水稀释至1ml(含150IU),皮内注射0. 1ml含15IU。
链霉素皮试液的配制方法:链霉素1瓶1g(100万u),加生理盐水至3. 5ml溶解后为4ml,则1ml含0.25 g(25万u)取0. 1ml,加生理盐水至1ml,则1ml含2. 5万u取0. 1ml,加生理盐水至1ml,则1ml含2500u皮内注射0. 1ml含250万先锋酶素皮试液的配制方法:先锋酶素0.5 g加生理盐水2 ml,则1ml含250mg取0.12ml,加生理盐水至1ml,则1ml含30mg取0. 1ml,加生理盐水至1ml,则1ml含3mg(3000 ug)取0. 1ml,加生理盐水至1ml,则1ml含300 ug皮内注射0. 1ml含30ug细胞色素C皮试液的配制方法:细胞色素C 每支2 ml含15mg,取0. 1ml,加生理盐水至1ml (1ml含0.75 mg),皮内注射0. 1ml含0.075 mg。
菌必治(0.5g/支)针皮试液的配置方法0.5g/支加0.9%氯化钠液5ml充分混匀第一次:取配置液0.1ml+0.9%氯化钠液0.9ml至1ml 第二次:取第一次配置液0.1ml+0.9%氯化钠液0.9ml 至1ml第三次:取第二次配置液0.3ml+0.9%氯化钠液0.7ml至1ml第四次:取第三次配置液0.1ml做皮内注射菌必治(2g/支)针皮试液的配置方法2g/支加0.9%氯化钠液6ml充分混匀第一次:取配置液0.1ml+0.9%氯化钠液0.9ml至1ml 第二次:取第一次配置液0.1ml+0.9%氯化钠液0.9ml 至1ml第三次:取第二次配置液0.1ml+0.9%氯化钠液0.9ml 至1ml第四次:取第三次配置液0.1ml做皮内注射头孢哌铜钠(先锋B针)皮试液的配置方法1.0g/支加0.9%氯化钠液3ml充分混匀第一次:取配置液0.1ml+0.9%氯化钠液0.9ml至1ml 第二次:取第一次配置液0.1ml+0.9%氯化钠液0.9ml 至1ml第三次:取第二次配置液0.1ml+0.9%氯化钠液0.9ml 至1ml第四次:取第三次配置液0.1ml做皮内注射头孢噻肟钠皮试液的配置方法1.0g/支加0.9%氯化钠液3ml充分混匀第一次:取配置液0.1ml+0.9%氯化钠液0.9ml至1ml 第二次:取第一次配置液0.1ml+0.9%氯化钠液0.9ml 至1ml第三次:取第二次配置液0.1ml+0.9%氯化钠液0.9ml至1ml第四次:取第三次配置液0.1ml做皮内注射先锋5号针皮试液的配置方法0.5g/支加0.9%氯化钠液5ml充分混匀第一次:取配置液0.1ml+0.9%氯化钠液0.9ml至1ml 第二次:取第一次配置液0.1ml+0.9%氯化钠液0.9ml 至1ml第三次:取第二次配置液0.3ml+0.9%氯化钠液0.7ml至1ml第四次:取第三次配置液0.1ml做皮内注射氨卞西林舒巴坦钠针皮试液的配置方法0.75g/支加0.9氯化钠液2.5ml充分混匀第一次:取配置液0.1ml+0.9%氯化钠液0.9ml至1ml 第二次:取第一次配置液0.1ml+0.9%氯化钠液0.9ml 至1ml第三次:取第二次配置液0.1ml+0.9%氯化钠液0.9ml 至1ml第四次:取第三次配置液0.1ml做皮内注射美洛西林钠针皮试液的配置方法1.25/支加0.9%氯化钠液3.75ml充分混匀第一次:取配置液0.1ml+0.9%氯化钠液0.9ml至1ml 第二次:取第一次配置液0.1ml+0.9%氯化钠液0.9ml第三次:取第二次配置液0.1ml+0.9%氯化钠液0.9ml 至1ml第四次:取第三次配置液0.1ml做皮内注射各种皮试液配制1头孢唑啉钠(先锋霉素v)1支0.5g,注入2ml生理盐水,则1ml含250mg取0. 2ml,加生理盐水至1ml,则1ml含50mg取0. 1ml,加生理盐水至1ml,则1ml含5mg取0. 1ml,加生理盐水至1ml,则1ml含500ug,即成\。
临床常用皮试液配制方法1.青霉素(以160万U为例):2.链霉素(以100万U为例):3.破伤风(TAT):(1)TAT皮试液配制:用1ml注射器吸取TAT药液(1500U/ml)0.1ml,,加生理盐水稀释到1ml(1ml含TAT 150U),取0.1ml皮内注射,20分钟看结果。
(2)阴性:局部无红肿、全身无异常反应阳性:皮丘红肿,硬结直径大于1.5cm,红晕范围直径超过4cm,有时出现伪足或有痒感,全身过敏性反应表现与青霉素过敏反应相类似。
如为阳性,须采用脱敏注射法,每20分钟注射一次。
4.头孢菌素类(以先锋霉素Ⅵ为例):5.普鲁卡因:(1)配制:皮内注射0.25﹪普鲁卡因溶液0.1ml,20分钟后看结果。
(2)结果判定:与青霉素相同6.碘过敏试验方法与结果判定:(1)过敏试验法:①口服法:口服5%-10%碘化钾5ml,每日3次,共3天,观察结果。
②皮内注射法:皮内注射碘造影剂0.1ml,20分钟后观察结果。
③静脉注射法:静脉注射碘造影剂(30%泛影葡胺)1ml,5-10分钟观察结果(2)结果判断:①口服法:有口麻、头晕、心慌、恶心呕吐、流泪、流涕、荨麻疹等症状为阳性。
②皮内注射法:局部有红肿、硬块、直径超过1cm为阳性。
③静脉注射法:有血压、脉搏、呼吸及面色等改变为阳性。
7.细胞色素C:(1)皮内试验:取细胞色素C溶液(每支2ml,内含15mg)0.1ml加生理盐水至1ml(1ml内含细胞色素C0.75mg),皮内注射0.1ml(含细胞色素C0.075mg).20分钟后观察结果。
局部发红、直径大于1cm,出现丘疹者为阳性。
(2)划痕试验:在前臂下段内侧,用75%乙醇常规消毒皮肤。
取细胞色素C原液(1ml内含细胞色素C7.5mg))1滴,滴在皮肤上,用无菌针头在表皮上划痕两道,长度约0.5cm;深度以有微量渗血为度。
20分钟后观察结果,结果判断方法同上述皮内试验法。
注:上述皮试液配制未涉及的药物须做皮试的,请参照药物说明书。
临床常用药品皮试液的配置方法
青霉素皮试药液配制方法:
青霉素1瓶80万u,注入4ml生理盐水,则1ml含20u
取0. 1ml,加生理盐水至1ml,则1ml含2万u
取0. 1ml,加生理盐水至1ml,则1ml含2000u
取0. 25ml,加生理盐水至1ml,则1ml含500u,即成青霉素皮试液。
皮内注射0. 1ml含50U
破伤风抗毒素(TAT)皮试液的配制方法:
TAT 每支1500IU约0.7 ml,加水至1ml,抽取0. 1ml,加生理盐水稀释至1ml(含150IU),皮内注射0. 1ml含15IU。
细胞色素C皮试液的配制方法:
细胞色素C 每支2 ml含15mg,取0. 1ml,加生理盐水至1ml (1ml含0.75 mg),
皮内注射0. 1ml含0.075 mg。
头孢噻肟钠皮试液的配置方法
1.0g/支加0.9%氯化钠液3ml充分混匀
第一次:取配置液0.1ml+0.9%氯化钠液0.9ml至1ml 第二次:取第一次配置液0.1ml+0.9%氯化钠液0.9ml 至1ml 第三次:取第二次配置液0.1ml+0.9%氯化钠液0.9ml至
1ml
第四次:取第三次配置液0.1ml做皮内注射
美洛西林钠针皮试液的配置方法
2g/支加0.9%氯化钠液12ml充分混匀
第一次:取配置液0.4ml+0.9%氯化钠液1.6ml至2ml 第二次:取第一次配置液0.2ml+0.9%氯化钠液1.8ml至2ml
第三次:取第二次配置液0.2ml+0.9%氯化钠液1.8ml至2ml 第四次:取第三次配置液0.1ml做皮内注射
半合成青霉素类(氨苄、氧哌嗪、阿莫西林)
1支0.5g,注入2ml生理盐水,则1ml含250mg
取0. 2ml,加生理盐水至1ml,则1ml含50mg
取0. 1ml,加生理盐水至1ml,则1ml含5mg
取0. 1ml,加生理盐水至1ml,则1ml含500ug,
即成\。
皮内注射0. 1ml含50ug
头孢呋辛钠
1支0.25g,注入2ml生理盐水,则1ml含125mg
取0. 4ml,加生理盐水至1ml,则1ml含50mg
取0. 1ml,加生理盐水至1ml,则1ml含5mg
取0. 1ml,加生理盐水至1ml,则1ml含500ug,
即成\。
皮内注射0. 1ml含50ug
头孢菌素类(头孢拉啶、头孢噻肟、复达欣、菌必治)
1支0.5g,注入2ml生理盐水,则1ml含250mg
取0. 2ml,加生理盐水至1ml,则1ml含50mg
取0. 1ml,加生理盐水至1ml,则1ml含5mg
取0. 1ml,加生理盐水至1ml,则1ml含500ug,
即成\。
皮内注射0. 1ml含50ug
青霉素类询问青霉素过敏史,头孢菌素类询问头孢菌素过敏史。
鲑降钙素皮试液的配置方法:
1.取鲑降钙素注射液(1ml:50Iu)0.2ml,加0.9%生理盐水0.8%至1ml.
2.取上液0.1ml做皮试.。