【CN209942107U】由PVC发泡板与挤塑板复合的复合板【专利】
- 格式:pdf
- 大小:332.88 KB
- 文档页数:5
专利名称:一种新型PVC复合板专利类型:实用新型专利
发明人:沈洪军,沈馨怡,李梦冉申请号:CN201721102376.9申请日:20170830
公开号:CN207449255U
公开日:
20180605
专利内容由知识产权出版社提供
摘要:本实用新型提供了一种新型PVC复合板,包括第一复合体、第二复合体和将其连接固定的连接件;所述第一复合体和第二复合体均设置为“三明治”式,包括两面表层和表层之间的夹层;所述第一复合体内部设置喷水管,所述第二复合体内部留有受热膨胀间隙。
本实用新型所述的一种新型PVC复合板,以实现减少胶黏剂的使用量和使板材更多功能变化。
申请人:天津美昌幕墙装饰工程有限公司
地址:300405 天津市北辰区大张庄镇南麻疸工业区
国籍:CN
代理机构:天津滨海科纬知识产权代理有限公司
代理人:刘莹
更多信息请下载全文后查看。
(19)中华人民共和国国家知识产权局(12)实用新型专利(10)授权公告号 (45)授权公告日 (21)申请号 201920210012.5(22)申请日 2019.02.19(73)专利权人 方宏超地址 620010 四川省眉山市东坡区启贤北路29号苏词翰林(72)发明人 方宏超 (74)专利代理机构 北京弘权知识产权代理事务所(普通合伙) 11363代理人 逯长明 许伟群(51)Int.Cl.E04C 2/284(2006.01)E04C 2/30(2006.01)E04C 2/38(2006.01)(54)实用新型名称一种复合保温外墙板(57)摘要本申请涉及建筑结构技术领域,尤其涉及一种复合保温外墙板。
包括:基体、骨架、保温层以及填充层,基体采用GRC模块化外壳,基体内通过预埋角钢制作的桁架结构作为整个墙板的骨架,基体空腔内喷涂保温材料作为保温层,保温层上填充泡沫混凝土,可以代替整个外墙墙体使用。
其结构合理、简单,便于生产和施工;保温性能好,可达到建筑节能65%以上;阻燃,防火等级为A级;防水、隔音;质轻,综合密度在500kg/m 3左右;装饰性好,可制作出各种建筑造型。
可用于装配式建筑外墙,也可独立组装轻型房屋。
解决了目前复合保温板无法实现整体替代墙体使用,造成不能高速度、高质量、高效率的建设符合市场需求的高品质住宅的问题。
权利要求书1页 说明书4页 附图2页CN 209637097 U 2019.11.15C N 209637097U权 利 要 求 书1/1页CN 209637097 U1.一种复合保温外墙板,其特征在于,所述复合保温外墙板包括:基体(1)、骨架(2)、保温层(3)以及填充层(4),所述基体(1)与所述骨架(2)形成桁架结构,所述保温层(3)喷涂在所述基体(1)上,所述填充层(4)填充在所述保温层(3)上。
2.根据权利要求1所述的复合保温外墙板,其特征在于,所述基体(1)的厚度不小于15mm。
(19)中华人民共和国国家知识产权局(12)实用新型专利(10)授权公告号 (45)授权公告日 (21)申请号 201920383967.0(22)申请日 2019.03.25(73)专利权人 郑州中天建筑节能有限公司地址 450000 河南省郑州市金水区国贸新领地3号楼2单元1510房(72)发明人 张文骞 武洁 王太明 (74)专利代理机构 郑州隆盛专利代理事务所(普通合伙) 41143代理人 崔伟 郭一路(51)Int.Cl.E04B 1/90(2006.01)E04B 1/94(2006.01)E04B 1/66(2006.01)(54)实用新型名称一种岩棉制品复合保温板(57)摘要本实用新型公开了一种岩棉制品复合保温板,涉及建筑复合保温板技术领域,为解决现有的岩棉制品复合保温板结构疏松,硬度、强度较低,容易导致岩棉制品复合保温板使用寿命不长的问题。
所述岩棉制品复合保温板主体的上端和下端均设置有凸块和凹槽,所述凸块和凹槽均设置有若干个,所述岩棉制品复合保温板主体的外部设置有防护外层,所述防护外层的内部设置有阻燃防火层,所述阻燃防火层的内部设置有防水层,所述防水层的内部设置隔音层,所述隔音层的内部设置有加固层,所述加固层的内部设置有蜂窝保温板,所述蜂窝保温板包括岩棉保温板、保温板和蜂窝型骨架。
权利要求书1页 说明书3页 附图2页CN 209742114 U 2019.12.06C N 209742114U权 利 要 求 书1/1页CN 209742114 U1.一种岩棉制品复合保温板,包括岩棉制品复合保温板主体(1),其特征在于:所述岩棉制品复合保温板主体(1)的上端和下端均设置有凸块(2)和凹槽(3),且凹槽(3)位于相邻凸块(2)之间,所述凸块(2)和凹槽(3)均设置有若干个,且若干个凸块(2)和凹槽(3)依次分布,所述岩棉制品复合保温板主体(1)的外部设置有防护外层(4),所述防护外层(4)的内部设置有阻燃防火层(5),所述阻燃防火层(5)的内部设置有防水层(6),所述防水层(6)的内部设置隔音层(7),所述隔音层(7)的内部设置有加固层(8),所述加固层(8)的内部设置有蜂窝保温板(9),所述蜂窝保温板(9)包括岩棉保温板(10)、聚氨酯保温板(11)和蜂窝型骨架(12),所述岩棉保温板(10)的外部设置有聚氨酯保温板(11),所述岩棉保温板(10)包括上竖丝岩棉块(13)、金属增强网(14)和下竖丝岩棉块(15)。
(19)中华人民共和国国家知识产权局(12)实用新型专利(10)授权公告号 (45)授权公告日 (21)申请号 201920510139.9(22)申请日 2019.04.16(73)专利权人 中阳德欣科技有限公司地址 344000 江西省抚州市高新技术产业园区金凤路与金巢大道交叉处(72)发明人 陈胜德 陈恩斌 周家华 陈緖煌 (51)Int.Cl.B32B 15/04(2006.01)B32B 15/082(2006.01)B32B 15/20(2006.01)B32B 27/06(2006.01)B32B 27/30(2006.01)B32B 7/14(2006.01)B32B 3/26(2006.01)B32B 3/08(2006.01)B32B 33/00(2006.01)E04G 9/05(2006.01) (54)实用新型名称一种PVC发泡三层铝塑复合板材(57)摘要本实用新型公开了一种PVC发泡三层铝塑复合板材,包括铝基板,所述铝基板左端设置有第一发泡PVC层,右端设置有第二发泡PVC层,所述第一发泡PVC层与铝基板之间填充有第一胶黏层,所述第二发泡PVC层与铝基板之间填充有第二胶黏层,所述第一发泡PVC层和第二发泡PVC层表面均开设有若干钉孔,所述铝基板表面开设有与钉孔相对应的安装孔,所述铝基板顶端设置有连接件,所述铝基板的下端面开设有与连接件相对应的连接槽,所述连接槽内部设置有紧固机构,本实用新型结构简单,不同模板之间拼接方便,通过将PVC层与铝基板复合的方式,增大了握钉力,增强了保温性、隔音性、减震性、阻燃性,适合推广使用。
权利要求书1页 说明书3页 附图1页CN 209756309 U 2019.12.10C N 209756309U权 利 要 求 书1/1页CN 209756309 U1.一种PVC发泡三层铝塑复合板材,包括铝基板(1),其特征在于:所述铝基板(1)左端设置有第一发泡PVC层(2),右端设置有第二发泡PVC层(3),所述第一发泡PVC层(2)与铝基板(1)之间填充有第一胶黏层(4),所述第二发泡PVC层(3)与铝基板(1)之间填充有第二胶黏层(5),所述第一发泡PVC层(2)和第二发泡PVC层(3)表面均开设有若干钉孔(6),所述铝基板(1)表面开设有与钉孔(6)相对应的安装孔(7),所述铝基板(1)顶端设置有连接件(8),所述铝基板(1)的下端面开设有与连接件(8)相对应的连接槽(9),所述连接槽(9)内部设置有紧固机构(10)。
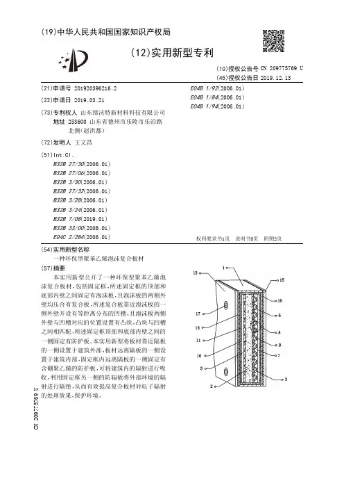
(19)中华人民共和国国家知识产权局(12)实用新型专利(10)授权公告号 (45)授权公告日 (21)申请号 201920396216.2(22)申请日 2019.03.21(73)专利权人 山东缔沃特新材料科技有限公司地址 253600 山东省德州市乐陵市乐泊路北侧(赵洪都)(72)发明人 王文昌 (51)Int.Cl.B32B 27/30(2006.01)B32B 27/06(2006.01)B32B 3/30(2006.01)B32B 27/32(2006.01)B32B 3/28(2006.01)B32B 3/24(2006.01)B32B 7/08(2019.01)B32B 33/00(2006.01)E04C 2/284(2006.01)E04B 1/92(2006.01)E04B 1/84(2006.01)E04B 1/94(2006.01) (54)实用新型名称一种环保型聚苯乙烯泡沫复合板材(57)摘要本实用新型公开了一种环保型聚苯乙烯泡沫复合板材,包括固定框,所述固定框的顶部和底部内壁之间固定有泡沫板,且泡沫板的两侧外壁均压合有复合板,所述复合板靠近泡沫板的一侧外壁开设有等距离分布的凹槽,且泡沫板两侧外壁与凹槽对应的位置设置有凸块,凸块与凹槽之间相匹配,所述固定框顶部和底部内壁之间的一侧固定有防护板。
本实用新型将板材靠近隔板的一侧设置于建筑外部,板材远离隔板的一侧设置于建筑内部,固定框内远离隔板的一侧固定有含硼聚乙烯的防护板,可将建筑内的辐射进行吸收,利用固定框另一侧的防辐板将外部环境的辐射进行隔绝,从而有效提高复合板材对电子辐射的处理效果,保护环境。
权利要求书1页 说明书3页 附图2页CN 209775769 U 2019.12.13C N 209775769U权 利 要 求 书1/1页CN 209775769 U1.一种环保型聚苯乙烯泡沫复合板材,包括固定框(1),其特征在于,所述固定框(1)的顶部和底部内壁之间固定有泡沫板(2),且泡沫板(2)的两侧外壁均压合有复合板(3),所述复合板(3)靠近泡沫板的一侧外壁开设有等距离分布的凹槽,且泡沫板(2)两侧外壁与凹槽对应的位置设置有凸块(4),凸块(4)与凹槽之间相匹配,所述固定框(1)顶部和底部内壁之间的一侧固定有防护板(5),所述固定框(1)顶部和底部内壁之间远离防护板(5)的一侧固定有防辐板(6),且防辐板(6)和复合板(3)之间构成有连接腔(7),所述连接腔(7)的两侧内壁之间固定有等距离分布的隔板(8)。
专利名称:一种聚氯乙烯发泡复合板材的制备方法专利类型:发明专利
发明人:关琦,伍凯飞,杨小燕
申请号:CN201210551641.7
申请日:20121218
公开号:CN103072347A
公开日:
20130501
专利内容由知识产权出版社提供
摘要:本发明是提供一种聚氯乙烯发泡复合板材的制备方法,其特征为以聚氯乙烯发泡为芯层,外敷耐寒防老化聚氯乙烯保护层,生产工艺过程采用双层共挤一次成型。
应用本发明制备得到的一种聚氯乙烯发泡复合板材具有保温节能性能优良、使用寿命长及价格低廉等特点。
本发明制得的聚氯乙烯发泡层密度达到0.1~0.25g/cm,阻燃性能为0级。
申请人:南京化工职业技术学院
地址:210048 江苏省南京市六合区葛关路625号
国籍:CN
更多信息请下载全文后查看。
专利名称:一种复合材料夹层的PVC发泡板专利类型:实用新型专利
发明人:周利峰
申请号:CN201620737872.0
申请日:20160713
公开号:CN206011861U
公开日:
20170315
专利内容由知识产权出版社提供
摘要:本实用新型公开了一种复合材料夹层的PVC发泡板,包括上发泡片、编织物和下发泡片,所述下发泡片的上表面设有第一凹凸结构,所述上发泡片的下表面设有第二凹凸结构,所述第二凹凸结构的形状和位置与第一凹凸结构的形状和位置相对应,所述下发泡片的上表面上覆盖有网状编织物,所述网状编织物设置在上发泡片与下发泡片之间。
本实用新型通过在发泡片之间添加网状编织物,并且,两片发泡片之间通过凹凸结构配合,这样即使向一个方向进行折弯也不易折断,具有较强的韧性,并且整体强度也大大提高,同时由于发泡材料密度低,整体质量很轻,成本低。
申请人:江苏越科新材料有限公司
地址:224200 江苏省盐城市东台沿海湿地旅游度假经济区内
国籍:CN
代理机构:北京天奇智新知识产权代理有限公司
代理人:韩洪
更多信息请下载全文后查看。
专利名称:聚乙烯发泡芯层铝塑复合板专利类型:实用新型专利
发明人:李胜,莫光明
申请号:CN200520080463.X
申请日:20050206
公开号:CN2806132Y
公开日:
20060816
专利内容由知识产权出版社提供
摘要:本实用新型提供了一种聚乙烯发泡芯层铝塑复合板,所述复合板包括聚乙烯发泡芯层,所述聚乙烯发泡芯层外粘结有耐久层;至少所述聚乙烯发泡芯层的一侧与耐久层之间设置有与聚乙烯发泡层为一体的聚乙烯层;所述耐久层为铝箔层;所述聚乙烯层的厚度为聚乙烯发泡芯层厚度的5~15%。
该铝塑复合板刚性强、韧性好,生产过程中废品率低,不挥发产生有害成分,作为建筑装饰材料对人体无害,用途广泛。
申请人:李胜,莫光明
地址:266042 山东省青岛市商邱路2号三单元102户
国籍:CN
代理机构:青岛联智专利商标事务所有限公司
更多信息请下载全文后查看。
(19)中华人民共和国国家知识产权局
(12)实用新型专利
(10)授权公告号 (45)授权公告日 (21)申请号 201920356244.1
(22)申请日 2019.03.20
(73)专利权人 南京欧格节能环保科技有限公司
地址 211200 江苏省南京市溧水经济开发
区永阳镇天生桥大道688号
(72)发明人 唐国东
(74)专利代理机构 南京先科专利代理事务所
(普通合伙) 32285
代理人 孙甫臣
(51)Int.Cl.
E04F 13/075(2006.01)
B32B 27/06(2006.01)
B32B 27/30(2006.01)
B32B 7/12(2006.01)
C08L 27/06(2006.01)
C08L 25/06(2006.01)C08K 13/02(2006.01)C08K 3/26(2006.01)C08J 9/10(2006.01)C08J 9/14(2006.01)C09J 175/04(2006.01)
(54)实用新型名称
由PVC发泡板与挤塑板复合的复合板
(57)摘要
本实用新型公开一种由PVC发泡板与挤塑板
复合的复合板,其特征在于:包括PVC发泡板面层
(1)、粘合剂层(2)、挤塑板基层(3),所述PVC发泡
板面层(1)设置在所述粘合剂层(2)上侧,所述挤
塑板基层(3)设置在所述粘合剂层(2)的下侧,所
述PVC发泡板面层(1)和挤塑板基层(3)由粘合剂
层(2)连接。
权利要求书1页 说明书2页 附图1页CN 209942107 U 2020.01.14
C N 209942107
U
权 利 要 求 书1/1页CN 209942107 U
1.由PVC发泡板与挤塑板复合的复合板,其特征在于:包括PVC发泡板面层(1)、粘合剂层(2)、挤塑板基层(3),所述PVC发泡板面层(1)设置在所述粘合剂层(2)上侧,所述挤塑板基层(3)设置在所述粘合剂层(2)的下侧,所述PVC发泡板面层(1)和挤塑板基层(3)由粘合剂层(2)连接。
2.根据权利要求1所述的由PVC发泡板与挤塑板复合的复合板,其中所述的粘合剂层(2)使用的粘合剂为聚氨酯胶粘合剂。
2。