海信变频定变空调故障代码汇总
- 格式:doc
- 大小:1.55 MB
- 文档页数:32
海信空调故障代码大全 The manuscript was revised on the evening of 2021海信柜式空调故障自诊断适用海信KFR-50LW/AD、KFR-50LW、KF-50LW、KFR-5001LW机型E 1室内温度传感器不良E2室内热交换器温度传感器不良E3室外热交换器温度传感器不良E4室外环境温度传感器不良E5过欠压保护E6防冻结保护E7防高温保护E8室外环境温度过低保护E9过电流保护海信空调故障代码KFR-(2318、3218)GW/A、KF-(2318、3218)GW/A、KFR-2501GW/ D、KFR-3201GW、KFR-3301GW、KFR-3301GW/D、KFR-2501GW? 控制器在产生保护时,按动传感器切换键,会在室内机的显示面板显示故障代码,以利于调试和维修。
空调器产生故障代码后,除非断电,故障代码不能清除。
故障代码如下:故障名称编码发光二极管高效运行定时电源室内温度传感器故障1 闪室内热交传感器故障2 闪室内热交冻结 3 闪闪室内热交过热 4 闪瞬时停电 6 闪闪压机过电流 7 闪闪闪风机堵转 8 闪室内机E2PROM故障 13 闪闪闪KF(R)-2510GW故障代码? 电路中若有故障,则按下述方法显示,相应部分动作,除第四、五条外其余均不停机。
1、若室内温度传感器出现短路或开路故障,则指示灯(黄色)闪二停一;2、若室内盘管温度传感器出现短路或开路故障,则指示灯(黄色)闪三停一;3、若室外化霜温度传感器出现短路或开路故障,则指示灯(黄色)闪七停一;4、若室内风机因故障停转,(霍尔元件无脉冲输出给芯片)指示灯(黄色)闪八停一;5、室外机异常保护则指示灯闪五停五;注:闪烁的方式是以1秒1个周期的方式,灯亮半秒暗半秒。
海信空调故障代码(2)海信:KF(R)-2511GW? LED的显示自诊断功能? 说明:1、运行时,运行灯指示灯亮,关机时运行指示灯关。
海信柜式空调故障自诊断()实用海信KFR-50LW/AD、KFR-50LW、KF-50LW、KFR-5001LW机型E1室内温度传感器不良E2室内热交换器温度传感器不良E3室外热交换器温度传感器不良E4室外环境温度传感器不良E5过欠压保护E6防冻结保护E7防高温保护E8室外环境温度过低保护E9过电流保护海信空调故障代码KFR-(2318、3218)GW/A、KF-(2318、3218)GW/A、KFR-2501GW/D、KFR-3201GW、KFR-3301GW、KFR-3301GW/D、KFR-2501GW把持器在产生保护时,按动传感器切换键,会在室内机的显示面板显示故障代码,以利于调试和维修。
空调器产生故障代码后,除非断电,故障代码不能消除。
故障代码如下:故障名称编码发光二极管高效运行定时电源室内温度传感器故障1 闪室内热交传感器故障2 闪室内热交冻结3 闪闪室内热交过热4 闪瞬时停电6 闪闪压机过电流7 闪闪闪风机堵转8 闪室内机E2PROM故障13 闪闪闪KF(R)-2510GW故障代码电路中若有故障,则按下述法子显示,相应部分动作,除第四、五条外其余均不停机。
1、若室内温度传感器出现短路或开路故障,则唆使灯(荒瑟)闪二停一;2、若室内盘管温度传感器出现短路或开路故障,则唆使灯(荒瑟)闪三停一;3、若室外化霜温度传感器出现短路或开路故障,则唆使灯(荒瑟)闪七停一;4、若室内风机因故障停转,(霍尔元件无脉冲输出给芯片)唆使灯(荒瑟)闪八停一;5、室外机异常保护则唆使灯闪五停五;注:闪耀的法子是以1秒1个周期的法子,灯亮半秒暗半秒。
海信空调故障代码(2)海信:KF(R)-2511GWLED的显示自诊断功效阐明:1、运行时,运行灯唆使灯亮,关机时运行唆使灯关。
2、制热模式下防冷风及化霜时,运行唆使灯亮(亮1.5秒,灭0.5秒)。
3、任何状态下,室内温度传感器、室内热交换器温度传感器产生故障时,用运行灯、定时灯进行显示故障状态。
海信柜式空调故障自诊断适用海信KFR-50LW/AD、KFR-50LW、KF-50LW、KFR-5001LW机型E1室内温度传感器不良E2室内热交换器温度传感器不良E3室外热交换器温度传感器不良E4室外环境温度传感器不良E5过欠压保护E6防冻结保护E7防高温保护E8室外环境温度过低保护E9过电流保护海信空调故障代码KFR-(2318、3218)GW/A、KF-(2318、3218)GW/A、KFR-2501GW/D、KFR-3201GW、KFR-3301GW、KFR-33 01GW/D、KFR-2501GW?控制器在产生保护时,按动传感器切换键,会在室内机的显示面板显示故障代码,以利于调试和维修。
空调器产生故障代码后,除非断电,故障代码不能清除。
故障代码如下:?故障名称? ?????????编码? 发光二极管??????????高效? 运行? 定时? 电源?室内温度传感器故障?1? 闪?室内热交传感器故障?2? 闪?室内热交冻结? ?3? 闪? 闪?室内热交过热? ?4? 闪?瞬时停电?? ?6? 闪? 闪?压机过电流? ?7? 闪? 闪? 闪?风机堵转? ??????????8? 闪?室内机E2PROM故障? 13? 闪? 闪? 闪?KF(R)-2510GW故障代码?电路中若有故障,则按下述方法显示,相应部分动作,除第四、五条外其余均不停机。
?1、??????????若室内温度传感器出现短路或开路故障,则指示灯(黄色)闪二停一;?2、??????????若室内盘管温度传感器出现短路或开路故障,则指示灯(黄色)闪三停一;?3、??????????若室外化霜温度传感器出现短路或开路故障,则指示灯(黄色)闪七停一;?4、??????????若室内风机因故障停转,(霍尔元件无脉冲输出给芯片)指示灯(黄色)闪八停一;?5、??????????室外机异常保护则指示灯闪五停五;?注:闪烁的方式是以1秒1个周期的方式,灯亮半秒暗半秒。
新版海信空调故障代码,海信空调故障代码表查询,海信中央空调故障代码大全聚信口碑网汇总新版海信空调故障代码,海信空调故障代码表查询,海信中央空调故障代码大全及解释排除供用户参考排查。
适用海信KFR-50LW/AD、KFR-50LW、KF-50LW、KFR-5001LW机型E1室内温度传感器不良E2室内热交换器温度传感器不良E3室外热交换器温度传感器不良E4室外环境温度传感器不良E5过欠压保护E6防冻结保护E7防高温保护E8室外环境温度过低保护E9过电流保护海信空调故障代码KFR-(2318、3218)GW/A、KF-(2318、3218)GW/A、KFR-2501GW/D、KFR-3201GW、KFR-3301GW、KFR-3301GW/D、KFR-2501GW控制器在产生保护时,按动传感器切换键,会在室内机的显示面板显示故障代码,以利于调试和维修。
空调器产生故障代码后,除非断电,故障代码不能清除。
故障代码如下:故障名称编码发光二极管高效运行定时电源室内温度传感器故障 1 闪室内热交传感器故障 2 闪室内热交冻结 3 闪闪室内热交过热 4 闪瞬时停电 6 闪闪压机过电流 7 闪闪闪风机堵转 8 闪室内机E2PROM故障 13 闪闪闪KF(R)-2510GW故障代码电路中若有故障,则按下述方法显示,相应部分动作,除第四、五条外其余均不停机。
1、若室内温度传感器出现短路或开路故障,则指示灯(黄色)闪二停一;2、若室内盘管温度传感器出现短路或开路故障,则指示灯(黄色)闪三停一;3、若室外化霜温度传感器出现短路或开路故障,则指示灯(黄色)闪七停一;4、若室内风机因故障停转,(霍尔元件无脉冲输出给芯片)指示灯(黄色)闪八停一;5、室外机异常保护则指示灯闪五停五;注:闪烁的方式是以1秒1个周期的方式,灯亮半秒暗半秒。
海信空调故障代码(2)海信:KF(R)-2511GWLED的显示自诊断功能说明:1、运行时,运行灯指示灯亮,关机时运行指示灯关。
1)、KFR-50LW/VPFZBp-4、KFR-50LW/VPFZBp-3、KFR-72LW/VPFZBp-4、KFR-72LW/VPFZBp-3、KFR-50LW/08FZBpC(a)(含双模功能)、 KFR-72LW/08FZBpC(a)(含双模功能)、 KFR-50LW/08FZBpC、 KFR-50LW/08FZBpB、KFR-50LW/88FZBp、KFR-50LW/08FZBp、KFR-50LW/08FDM、KFR-50LW/09FZBpC、KFR-50LW/09FZBpC(41)、KFR-50LW/09FZBp、KFR-50LW/09FZBp(A2)、KFR-50LW/09FZBp(a) KFR-50LW/97FZBpB(a)、KFR-50LW/36FZBpC 、KFR-50LW/36FZBpJ、KFR-50LW/VFFZBp-2、KFR-72LW/VFFZBp-2、KFR-60LW/36FZBpC、KFR-60LW/88FZBp、KFR-60LW/36FZBpC(41)、KFR-60LW/88FZBpC、KFR-60LW/88FZBpC(21)、KFR-60LW/36FZBpC(A0)、KFR-60LW/36FZBpJ、KFR-60LW/88FZBp(a)、KFR-72LW/08FZBpC、KFR-72LW/08FZBp、KFR-72LW/08FZBpC(11) (21)、 KFR-72LW/08FZBpB、KFR-72LW/08FDM、KFR-72LW/36FZBpC(21)、KFR-72LW/36FZBpC、KFR-72LW/36FZBpJ、KFR-72LW/36FZBpC(a)、KFR-72LW/97FZBpB、KFR-72LW/09FZBp、KFR-72LW/09FZBpC、KFR-72LW/09FZBpC(a)、KFR-72LW/97FZBpB(a) 、KFR-72LW/09FZBp(a)2)、KFR-72LW/36FZBpJ(21)3)、KFR-50GW/09Bp KFR-50GW/09Bp(11)4)、KFR-26(35)GW/VHFZBp-45)、KFR-26GW/VFFZBp-1、KFR-35GW/VFFZBp-2、 KFR-35GW/88FZBpE6)、KFR-40GW/88FZBpC7)、KF(R)-26GW/27BpH(a)、KFR-28(35)GW/27FZBpH8)、KFR-26(35)GW/09FZBp KFR-26(35)GW/09FZBpCKFR-35GW/09FZBp(a) KFR-35GW/08FDMKFR-26GW/08FZBpC(a)(A0) KFR-35GW/08FZBpC(a)KFR-35GW/08FZBpC(a)(A0) KFR-35GW/27FZBpH(a)KFR-35GW/27FZBpH(a)(A0) KFR-35GW/27FZBpC(11)KFR-35GW/VG(VP)FZBp-2 KFR-26GW/VGFZBp-2KFR-26GW/VPFZBp-4(A0) KFR-26(35)GW/27FZBpHJKFR-26(35)GW/08FZBpJ KFR-26(35)GW/09FZBpJKFR-26GW/27FZBpC(a)(A0) KFR-28GW/27FZBpH(a)(A0)KFR-35GW/07FZBp-2 KFR-26(35)GW/VHFZBpJ-3KFR-26GW/VGFDBp-3、KFR-26GW/VGFDBp-3(A0)、KFR-26GW/VGFDBp-3(A1)、KFR-26GW/VLFDBp-3、KFR-26GW/VLFDBp-3(A0)、KFR-26GW/VLFDBp-3(A1)、KFR-26GW/VNFDBp-3、KFR-26GW/VNFDBp-3(A0)、KFR-26GW/VNFDBp-3(A1)、KFR-26GW/VPFDBp-3、KFR-26GW/VPFDBp-3(A0)、KFR-26GW/VPFDBp-3(A1)、KFR-26GW/07FZBp-3、KFR-26GW/07FZBp-3(A0)、KFR-26GW/07FZBp-3(A1)、KFR-26GW/07FZBpS-3、KFR-26GW/07FZBpS-3(A0)、KFR-26GW/07FZBpS-3(A1)、KFR-26GW/07FZBpG-3、KFR-26GW/07FZBpG-3(A0)、KFR-26GW/07FZBpG-3(A1)、KFR-26GW/12FZBp-3、KFR-26GW/12FZBp-3(A0)、KFR-26GW/12FZBp-3(A1)、KFR-26GW/16FZBp-3、KFR-26GW/16FZBp-3(A0)、KFR-26GW/16FZBp-3(A1);KFR-35GW/VGFDBp-3、KFR-35GW/VGFDBp-3(A0)、KFR-35GW/VGFDBp-3(A1)、KFR-35GW/VLFDBp-3、KFR-35GW/VLFDBp-3(A0)、KFR-35GW/VLFDBp-3(A1)、KFR-35GW/VNFDBp-3、KFR-35GW/VNFDBp-3(A0)、KFR-35GW/VNFDBp-3(A1)、KFR-35GW/VPFDBp-3、KFR-35GW/VPFDBp-3(A0)、KFR-35GW/VPFDBp-3(A1)、KFR-35GW/07FZBp-3、KFR-35GW/07FZBp-3(A0)、KFR-35GW/07FZBp-3(A1)、KFR-35GW/07FZBpS-3、KFR-35GW/07FZBpS-3(A0)、KFR-35GW/07FZBpS-3(A1)、KFR-35GW/07FZBpG-3、KFR-35GW/07FZBpG-3(A0)、KFR-35GW/07FZBpG-3(A1)、KFR-35GW/12FZBp-3、KFR-35GW/12FZBp-3(A0)、KFR-35GW/12FZBp-3(A1)、KFR-35GW/16FZBp-3、KFR-35GW/16FZBp-3(A0)、KFR-35GW/16FZBp-3(A1);KFR-26(35)GW/02FZBp-3、KFR-26(35)GW/02FZBpJ-3KF-26GW/12FZBpJ-3、KF-26GW/VPFDBpJ-3、KF-35GW/12FZBpJ-3、KF-35GW/12FZBp-3(A0), KF-35GW/VPFDBp-3(A0), KF-35GW/12FZBpJ-3(A0);KFR-26(35)GW/02FZBp-3、KFR-26(35)GW/02FZBp-3(A0)、KFR-26(35)GW/02FZBp-3(A1);KFR-26(35)GW/02FZBpJ-3、KFR-26(35)GW/02FZBpJ-3(A0)、KFR-26(35)GW/02FZBpJ-3(A1);9)、KFR-26GW/27FZBpC(41)同KFR-28(36)GW/88FZBp一样。
新版海信空调故障代码表速查-海信空调故障代码解释排除-海信中央空调故障代码大全新版海信空调故障代码表速查,海信空调故障代码解释排除,海信中央空调故障代码大全聚信口碑网汇总新版海信空调故障代码,海信空调故障代码表查询,海信中央空调故障代码大全及解释排除供用户参考排查。
适用海信KFR-50LW/AD、KFR-50LW、KF-50LW、KFR-5001LW机型海信空调显示故障代码E1室内温度传感器不良海信空调显示故障代码E2室内热交换器温度传感器不良海信空调显示故障代码E3室外热交换器温度传感器不良海信空调显示故障代码E4室外环境温度传感器不良海信空调显示故障代码E5过欠压保护海信空调显示故障代码E6防冻结保护海信空调显示故障代码E7防高温保护海信空调显示故障代码E8室外环境温度过低保护海信空调显示故障代码E9过电流保护海信空调故障代码KFR-(2318、3218)GW/A、KF-(2318、3218)GW/A、KFR-2501GW/D、KFR-3201GW、KFR-3301GW、KFR-3301GW/D、KFR-2501GW控制器在产生保护时,按动传感器切换键,会在室内机的显示面板显示故障代码,以利于调试和维修。
空调器产生故障代码后,除非断电,故障代码不能清除。
故障代码如下:故障名称编码发光二极管高效运行定时电源室内温度传感器故障 1 闪室内热交传感器故障 2 闪室内热交冻结 3 闪闪室内热交过热 4 闪瞬时停电 6 闪闪压机过电流7 闪闪闪风机堵转8 闪室内机海信空调显示故障代码E2PROM故障13 闪闪闪KF(R)-2510GW故障代码电路中若有故障,则按下述方法显示,相应部分动作,除第四、五条外其余均不停机。
1、若室内温度传感器出现短路或开路故障,则指示灯(黄色)闪二停一;2、若室内盘管温度传感器出现短路或开路故障,则指示灯(黄色)闪三停一;3、若室外化霜温度传感器出现短路或开路故障,则指示灯(黄色)闪七停一;4、若室内风机因故障停转,(霍尔元件无脉冲输出给芯片)指示灯(黄色)闪八停一;5、室外机异常保护则指示灯闪五停五;注:闪烁的方式是以1秒1个周期的方式,灯亮半秒暗半秒。
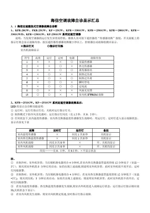
海信空调故障自诊显示汇总3.1 海信定速壁挂式空调器故障自诊断1、KFR-28GW、FKR-25GW、KF—25GW、KFR—3301GW、KFR—2501GW、KFR—2801GW、KFR—3301GW/D、KFR—2301GW、KF-2501GW系列定速空调器说明:当发现空调器的运行发生异常而停机,维修人员可按下遥控器的“传感器切换”按钮,开关面板上的指示灯将会显示故障内容,按压遥控器传感器切换键5秒以上,控制器自动故障检测并显示。
×指示灯灭○指示灯闪烁室内机故障显示2、KFR—2511GW、KF—2511GW系列定速空调器故障显示:LED的显示自诊断功能说明:①运行时,运行灯指示灯亮,关机时运行指示灯关。
②制热模式下防冷风及化霜时,运行指示灯闪亮(亮1.5秒,灭0。
5秒)。
③任何状态下,室内温度传感器、室内热交换器温度传感器发生故障时,用运行灯、定时灯进入显示故障状态。
显示内容见下表注、①在制冷时,室外机异常:当压缩机继电器闭合4分钟时,若室内热交换器盘管温度持续12分钟高于(室温—5℃),则关闭室外机组:3分钟后再启动,如仍出现上述故障,则说明室外机异常,此时室外机组不再开启,定时灯闪烁报警。
②在制热时,室外机异常:当压缩机继电器闭合4分钟后,若室内热交换器盘管温度持续12分钟低于(室温+5℃),则关闭压机;3分钟后再启动,如再次出现上述情况,则说明室外机异常,此时室外机组不再开启,定时灯闪烁报警。
③若室内温度传感器、热交换温度传感器发生故障,则室内外机组进入故障运行状态,运行指示灯指示相应故障(关机状态下显示)。
④若室内风机发生故障,则室内风机锁定低速,安时指示灯指示故障.3、KFR—2510GW、KF-2510GW系列定速空调器故障显示:电路中若有故障,则按下述方法显示,相应部分运作,除第四、五条外其余均不停机.1、若室内温度传感器出现短路或开路故障,则指示灯(黄色)闪二停一;2、若室内盘管温度传感器出现短路或开路故障,则指示灯(黄色)闪三停一;3、若室外化霜温度传感器出现短路或开路故障,则指示灯(黄色)闪七停一;4、若室内风机因故障停转,(霍尔元件无脉冲输出给芯片)指示灯(黄色)闪八停一;5、室外机异常保护则指示灯闪五停五。
海信空调故障代码大全 HUA system office room 【HUA16H-TTMS2A-HUAS8Q8-HUAH1688】℃,排气管温度过升保护F22 AC电流过电流保护F23 DC电流过电流保护E9 制热时,蒸发器温度上升(68℃以上),或室内电机运转但风量小F11 压机运转异常4.KFR-60LW/BPF故障显示故障原因E1 室温传感器故障E2 室内盘管传感器故障E3 室外环温传感器故障E4 室外盘管传感器故障E5 过电流保护E6 压机过热保护E7 室外低电压保护E8 面板与主板通讯故障E9 室内外通讯故障5. KFR-48LW/@(BPJXF)、KFR-48LW/@(BPF)、KFR-50LW/BPJXF、KFR-51LW/BPJXF、KFR-51LW/BPJF、KFR-51LW/N(BPF)、KFR-51LW/T(BPJXF)、KFR-51LW/@(BPJXF)、KFR-52LW/BPJXF、KFR-52LW/BPJF、KFR-52LW/E(BPJXF)、KFR-52LW/N(BPJXF)、KFR-58LW/T(BPJXF)、KFR-58LW/@(BPF)、KFR-58LW/@(BPJXF)、KFR-60LW/BPJXF、KFR-58LW/BPJXF、KFR-58LW/E(BPJXF)、KFR-58LW/N(BPJXF)、KFR-58LW/N(BPF)、KFR-60LW/BPJF、KFR-60LW/BPXF、KFR-60LW/E(BPJXF)、KFR-68LW/BPJXF、KFR-68LW/E (BPJXF)、KFR-68LW/@(BPJXF)等故障代码故障原因E1 功率模块过热、过流、短路E2 电流传感器感应电流太小E4 制热时压机温度传感器温度超过120℃E5 过电流保护E6 室外温度传感器故障E7 室外盘管传感器故障Ea 电源超欠压Ec 制冷时室外热交传感器温度超过70℃保护Ee 单片机读入EEPROM数据有错误F1 室温传感器故障F2 室内盘管传感器故障F4 制热时室内盘管传感器超过72℃保护F5 制冷时室内盘管温度传感器低于0℃以下保护F7 室内主板与控制面板通讯故障海尔定频空调维修故障代码KFR-26GW/B(JF)、KFR-26GW/(JF)、KFR-36GW/B(JF)、KFR-36GW/C(F)KFR-40GW/A (JF)故障代码故障原因E1 室内环境传感器断路、短路、接触不良E2 室内盘管传感器断路、短路、接触不良E21 除霜温度传感器异常E4 单片机读入EEPROM数据错误E8 面板和主控板间通讯故障E14 室内风机故障E16 里离子集尘故障E24 CT电流互感器断保护电路板CT电流互感器线圈不良,更换电路板、压缩机未启动,压缩机电流小,漏气海尔定频柜机维修故障代码KFRD-52LW/JXF、KFRD-62LW/F、KFRD-62LW/JXF、KFRD-71LW/F、KFRD-71LW/SDF、KFRD-71LW/JXF、KFRD-120LW/F故障代码故障原因E1 室温传感器故障E2 室内盘管传感器故障E3 室外环温传感器故障E4 室外盘管传感器故障E5 过电流保护E6 管路压力保护E7 室外低电压保护E8 面板与主板通讯故障E9 室内外通讯故障三菱重工—海尔柜机维修故障代码故障现象检测灯(黄色)故障代码故障原因E1 面板与室内主板通讯故障闪亮1次 E6 室内环温传感器故障传感器阻值错、内板坏闪亮2次 E7 室内盘管传感器故障闪亮4次 E9、E40 室外机异常电压低、压力过高、高压开关动作闪亮5次 E57 制冷剂不足检测压力闪亮6次 E8 室外机过负荷保护制冷剂过多、短路E28 控制面板上SW13-6设置错误将SW13-6设置为关(OFF)海信空调故障代码海信柜式空调故障自诊断适用海信KFR-50LW/AD、KFR-50LW、KF-50LW、KFR-5001LW机型E1室内温度传感器不良E2室内热交换器温度传感器不良E3室外热交换器温度传感器不良E4室外环境温度传感器不良E5过欠压保护E6防冻结保护E7防高温保护E8室外环境温度过低保护E9过电流保护。
海信柜式空调故障自诊断 海信柜式 适用海信 KFR-50LW/AD、KFR-50LW、KF-50LW、KFR-5001LW 机型 E1 室内温度传感器不良 E2 室内热交换器温度传感器不良 E3 室外热交换器温度传感器不良 E4 室外环境温度传感器不良 E5 过欠压保护 E6 防冻结保护 E7 防高温保护 E8 室外环境温度过低保护 E9 过电流保护 海信空调故障代码 KFR-(2318、3218)GW/A、KF-(2318、3218)GW/A、KFR-2501GW/D、KFR-3201GW、KFR-3301G W、KFR-3301GW/D、KFR-2501GW 控制器在产生保护时,按动传感器切换键,会在室内机的显示面板显示故障代码,以利于调试和维修。
空调器产生故障代码后,除非断电,故障代码不能清除。
故障代码如下: 故障名称 编码 发光二极管高效 运行 定时 电源 室内温度传感器故障 1 闪 室内热交传感器故障 2 闪 室内热交冻结 室内热交过热 3 闪 闪 4 闪瞬时停电 压机过电流 风机堵转6 闪 闪 7 闪 闪 闪 8 闪室内机 E2PROM 故障 13 闪 闪 闪 KF(R)-2510GW 故障代码 电路中若有故障,则按下述方法显示,相应部分动作,除第四、五条外其余均不停机。
1、 2、 3、 4、 5、 若室内温度传感器出现短路或开路故障,则指示灯(黄色)闪二停一; 若室内盘管温度传感器出现短路或开路故障,则指示灯(黄色)闪三停一; 若室外化霜温度传感器出现短路或开路故障,则指示灯(黄色)闪七停一; 若室内风机因故障停转,(霍尔元件无脉冲输出给芯片)指示灯(黄色)闪八停一; 室外机异常保护则指示灯闪五停五;注:闪烁的方式是以 1 秒 1 个周期的方式,灯亮半秒暗半秒。
海信空调故障代码(2) 海信:KF(R)-2511GW LED 的显示自诊断功能 说明: 1、运行时,运行灯指示灯亮,关机时运行指示灯关。
海信变频挂机系列空调故障代码详解海信品牌空调器的故障代码分为以下七个系列进行讲述。
具体为:定频挂机系列空调、定频柜机系列空调、交流变频挂机系列空调、交流变频柜机系列空调、直流变频挂机系列空调、直流变频柜机系列空调、一拖多系列空调。
为了查阅方便,所有故障代码指示灯故障代表含义如下:×指示灯灭○指示灯闪烁★:指示灯常亮第1节:定频挂机系列空调故障代码详解适用机型:KF-2501 GW 、KF-25GW、KFR-2301 GW 、KFR-25 GW 、KFR-2801 GW 、KFR-28GW、KF-2301GW故障代码表利用故障代码诊断技巧:当发现空调器的运行发生异常而停机,维修人员可按下遥控器的“传感器切换”按钮,开关面板上的指示灯将会显示故障内容,按压遥控器传感器切换键5秒以上,控制器自动故障检测并显示。
适用机型:KF-2511GW、KFR-2511GW故障代码表①、运行时,运行指示灯亮,关机时运行指示灯关。
②、制热模式下防冷风及化霜时,运行指示灯闪亮(亮1.5秒,灭0.5秒)。
③、任何状态下,室内温度传感器、室内热交换器温度传感器发生故障时,用运行灯、定时灯进行显示故障状态。
④、在制冷时,室外机异常:当压缩机继电器闭合4分钟时,若室内热交换器盘管温度持续12分钟高于(室温-5℃),则关闭室外机组;3分钟后再启动,如仍出现上述故障,则说明室外机异常,此时室外机组不再开启,定时灯闪烁报警。
⑤、在制热时,室外机异常:当压缩机继电器闭合4分钟后,若室内热交换器盘管温度持续12分钟低于(室温+5℃),则关闭压机;3分钟后再启动,如再次出现上述情况,则说明室外机异常,此时室外机组不再开启,定时灯闪烁报警。
⑥、若室内温度传感器、热交换温度传感器发生故障,则室内外机组进入故障运行状态,运行指示灯指示相应故障(关机状态下显示)。
⑦、若室内风机发生故障,则室内风机锁定低速,定时指示灯指示故障。
适用机型:KF-2510GW、KFR-2510GW利用故障代码诊断技巧及说明:闪烁的方式是以1秒1个周期的方式,灯亮半秒暗半秒。
℃,排气管温度过升保护F22 AC电流过电流保护F23 DC电流过电流保护E9 制热时,蒸发器温度上升(68℃以上),或室内电机运转但风量小F11 压机运转异常4.KFR-60LW/BPF故障显示故障原因E1 室温传感器故障E2 室内盘管传感器故障E3 室外环温传感器故障E4 室外盘管传感器故障E5 过电流保护E6 压机过热保护E7 室外低电压保护E8 面板与主板通讯故障E9 室内外通讯故障5. KFR-48LW/@(BPJXF)、KFR-48LW/@(BPF)、KFR-50LW/BPJXF、KFR-51LW/BPJXF、KFR-51LW/BPJF、KFR-51LW/N(BPF)、KFR-51LW/T(BPJXF)、KFR-51LW/@(BPJXF)、KFR-52LW/BPJXF、KFR-52LW/BPJF、KFR-52LW/E(BPJXF)、KFR-52LW/N(BPJXF)、KFR-58LW/T (BPJXF)、KFR-58LW/@(BPF)、KFR-58LW/@(BPJXF)、KFR-60LW/BPJXF、KFR-58LW/BPJXF、KFR-58LW/E(BPJXF)、KFR-58LW/N(BPJXF)、KFR-58LW/N(BPF)、KFR-60LW/BPJF、KFR-60LW/BPXF、KFR-60LW/E(BPJXF)、KFR-68LW/BPJXF、KFR-68LW/E(BPJXF)、KFR-68LW/@(BPJXF)等故障代码故障原因E1 功率模块过热、过流、短路E2 电流传感器感应电流太小E4 制热时压机温度传感器温度超过120℃E5 过电流保护E6 室外温度传感器故障E7 室外盘管传感器故障Ea 电源超欠压Ec 制冷时室外热交传感器温度超过70℃保护Ee 单片机读入EEPROM数据有错误F1 室温传感器故障F2 室内盘管传感器故障F4 制热时室内盘管传感器超过72℃保护F5 制冷时室内盘管温度传感器低于0℃以下保护F7 室内主板与控制面板通讯故障海尔定频空调维修故障代码KFR-26GW/B(JF)、KFR-26GW/(JF)、KFR-36GW/B(JF)、KFR-36GW/C(F)KFR-40GW/A(JF)故障代码故障原因E1 室内环境传感器断路、短路、接触不良E2 室内盘管传感器断路、短路、接触不良E21 除霜温度传感器异常E4 单片机读入EEPROM数据错误E8 面板和主控板间通讯故障E14 室内风机故障E16 里离子集尘故障E24 CT电流互感器断保护电路板CT电流互感器线圈不良,更换电路板、压缩机未启动,压缩机电流小,漏气海尔定频柜机维修故障代码KFRD-52LW/JXF、KFRD-62LW/F、KFRD-62LW/JXF、KFRD-71LW/F、KFRD-71LW/SDF、KFRD-71LW/JXF、KFRD-120LW/F故障代码故障原因E1 室温传感器故障E2 室内盘管传感器故障E3 室外环温传感器故障E4 室外盘管传感器故障E5 过电流保护E6 管路压力保护E7 室外低电压保护E8 面板与主板通讯故障E9 室内外通讯故障三菱重工—海尔柜机维修故障代码故障现象检测灯(黄色)故障代码故障原因E1 面板与室内主板通讯故障闪亮1次 E6 室内环温传感器故障传感器阻值错、内板坏闪亮2次 E7 室内盘管传感器故障闪亮4次 E9、E40 室外机异常电压低、压力过高、高压开关动作闪亮5次 E57 制冷剂不足检测压力闪亮6次 E8 室外机过负荷保护制冷剂过多、短路E28 控制面板上SW13-6设置错误将SW13-6设置为关(OFF)海信空调故障代码海信柜式空调故障自诊断适用海信KFR-50LW/AD、KFR-50LW、KF-50LW、KFR-5001LW机型E1室内温度传感器不良E2室内热交换器温度传感器不良E3室外热交换器温度传感器不良E4室外环境温度传感器不良E5过欠压保护E6防冻结保护E7防高温保护E8室外环境温度过低保护E9过电流保护。
附件二:提示:本故障自诊断手册中“符号”、“编号”等栏中的数字代表故障编码,不是顺序号。
目录第一部分海信定速壁挂式1 KF-2301GW、KF-2501GW、KF-25GW、KFR-2301GW、KFR-25GW、KFR-2801GW、KFR-28GW2 KF-2511GW、KFR-2511GW3 KF-2510GW、KFR-2510GW4 KFR-2508GW、KFR-2518GW、KFR-3208GW/A、KFR-3218GW、KFR-2318GW/A、KFR-3218GW/A、KF-2318GW/A、KF-3218GW/A、KFR-2501GW/D、KFR-3201GW、KFR-3301GW、KFR-3301GW/D、 KFR-2501GW、KF-25GW/58、KFR-25GW/58、KF-23GW/58、KFR-23GW/58、KFR-23GW/18B、KFR-3228GW、KFR-3518GW、KFR-3518GW/D、KF-4802GW、KFR-5008GW、KFR-35GW/58、KFR-2308GW、KFR-23GW/57N、KFR-23GW/565 KFR-70GW/08A6 KF(R)-23、26、32、35GW/35(D)系列7 KF-23GW/56、KF-25GW/56、KFR-23GW/56D、KFR-32GW/57DN、KF-35GW/56、KFR-35GW/56、KFR-35GW/56D、KF-32GW/56、KFR-32GW/56D、KFR-25GW/56、KFR-25GW/56D、KFR-25GW/57DN、KFR-32GW/58D8 KFR-23GW/57、KFR-23GW/57D、KFR-25GW/57D、KFR-32GW/57D、KFR-35GW/57D第二部分海信变频壁挂式1 KFR-32GW/BP、KFRP-35GW、KFR-40GW/BP2 KF-2601GW/BP、KFR-2601GW/BP、KF-2602GW/BP、KFR-2602GW/BP、KFR-28GW/BP、KF-2801GW/BP、KFR-2801GW/BP、KFR-3001GW/BP、KFR-3002GW/BP、 KF-2609GW/BP、KF-2809GW/BP、KFR-2809GW/BP3 KFR-26GW/BP4 KFR-2820GW/BP5 KFR-3502GW/BP、KFR-3601GW/BP、KFR-3602GW/BP、KFR-3603GW/BP、KFR-4001GW/BP、KFR-4501GW/BP、KFR-3519GW/BP、KFR-35GW/06ABP6 KFR-36GW/ABP7 KFR-2701GW/BP8 KFR-3501GW/BP9 KFR-2501GW/BP10 KFR-2866GW/BP、KFR-3201GW/BP 、KFR-3226GW/BP、KFR-3266GW/BP 、KFR-3516GW/BP、KFR-3606GW/BP、KFR-3566GW/BP、KFR-32GW/29BP11 KFR-2626GW/BP、KFR-2826GW/BP12 KFR-2608GW/BP、KFR-2609GW/BP、KFR-2618GW/BPR、KFR-2619GW/BPR、KFR-2606GW/BP、KFR-26GW/11BP、KFR-2806GW/BP、KFR-32GW/06BP、KFR-35GW/29BP、KFR-26GW/22MBP、KFR-32GW/21MBP13 KFR-2616GW/BP14 KF-3209GW/BP15 KF-25GW/11BP、KFR-32GW/11Bp、KFR-35GW/11Bp16 KF-25GW/06BP、 KFR-25GW/06BP、KF-25GW/22BP17 KFR-32GW/29RBP18 KFR-3216GW/BP、KFR-3276GW/BP、KFR-3066GW/BP19 KFR-2802GW/BP、KFR-2819GW/BP20 KFR-26GW/21MBP21 KFR-26GW/39BP、KFR-32GW/39BP、KFR-35GW/39BP22 KFR-26GW/29RBp23 KFR-50GW/09Bp24 KFR-33GW/39MBP、KFR-33GW/21NBP、KFR-28GW/39MBP、KFR-28GW/21NBp、25 KFR-27GW/22MBP、KFR-27GW/21MBP第三部分海信空调定速柜机系列1 KFR-50LW/AD、KF-50LW、KFR-50LW、KFR-5001LW2 KFR-5001LW/D、KFR-5002LW/D、KFR-65LW/D、KFR-6501LW/D3 KFR-72LW、KFR-72LW/D4 KFR-7201LW/D、KF-7201LW5 KFR-120LW6 KFR-120LW/BD7 KFR-7203LW/D、KF-7203LW8 KFR-7206LW/D、KFR-7208LW/D、KFR-7218LW/D、KFR-7501LW/D9 KFR-7228LW/D10 KFR-12003LW/D、KFR-12008LW/D、KF-120LW/08M、KFR-120LW/08MD11KFR-50LW/D、KF-50LW/A12 KFR-4501LW/D13 KFR-4518LW/D14 KFR-25008LW/D15 KFR-25008LW16 KFR-45LW/28D、KFR-50LW/28D、KF-50LW/2817 KF-72LW/06A、KF-72LW/28A18 KFR-46LW/27D、KFR-50LW/27D、KFR-60LW/28D、KFR-72LW/28VD、KFR-72LW/28SD、KF-72LW/28V、KF-72LW/28S、KFR-50LW/28D、KFR-50LW/28AD、KFR-46LW/28AD第四部分海信变频柜机系列1 KFR-50LW/BP、KFR-60LW/BP、KFR-5001LW/BP 、KFR-50LW/ABP、KFR-5201LW/BP、KFR-5801LW/BP、KFR-6001LW/BP、KFR-5019LW/BP、KFR-6019LW/BP2 KFR-5016LW/BP、KFR-5019LW/BPA、KFR-50LW/26BP、KFR-5236LW/BP、KFR-6016LW/BP、KFR-6019LW/BPA、KFR-7016LW/BP、KFR-7066LW/BP、KFR-60LW/29BP、KFR-50LW/29BP、KFR-50LW/39BP、KFR-60LW/39BP、KF-50LW/39BP、KFR-45LW/39BP、KFR-50LW/26VBP、KFR-60LW/26BP3KFR-7001LW/BP4 KFR-7066LW/BP5 KFR-72LW/26Bp、KFR-72LW/39Bp第五部分海信直流变频1 KFR-2566GW/ZBP、KFR-2588GW/ZBP、KFR-3588GW/ZBP、KFR-23GW/77VZBP、KFR-26GW/77VZBP、KFR-32GW/77VZBP2KFR-4001GW/ZBP3KFR-2601GW/ZBP、KFR-28GW/ZBP4KFR-35GW/77ZBP、KFR-35GW/77VZBP、KFR-26GW/76ZBP(I)、KFR-26GW/77VZBP(I)5KFR-35GW/76ZBp6KFR-32GW/99VZBP、KFR-35GW/99VZBP7KFR-25GW/99SZBp、KFR-32GW/99SZBp、KFR-35GW/99SZBp8KFR-35GW/99VZBP9 KFR-40GW/77ZBP第六部分海信壁挂式变频一拖二1 KFR-28GW/BP×2、KFR-2801GW/BP×22 KFR-2601GW/BP×23 KFR-25GW/BP×2BP4KFR-(2501G+3201G)W/Y2第七部分海信特种空调1KT3FR-50GW/01T、KT3FR-70GW/01T2KT3FR-70LW/03T、KT3FR-70LW/03TD3 KFR-120LW/01T、KT3FR-120LW/01T、KT3FR-120LW/01TD第一部分海信定速壁挂式空调器故障自诊断1、KF-2301GW、KF-2501GW、KF-25GW、KFR-2301GW、KFR-25GW、KFR-2801GW、KFR-28GW说明:当发现空调器的运行发生异常而停机,维修人员可按下遥控器的“传感器切换”按钮,开关面板上的指示灯将会显示故障内容,按压遥控器传感器切换键5秒以上,控制器自动故障检测并显示。
海信变频定变空调故障代码汇总第2节:变频挂机系列空调故障代码详解适用机型:kfr-32gw/bp、kfrp-35gw、kfr-40gw/bp故障代码表123诊断内容故障内容○××室内温度传感器开路、短路传感器异连接器接触不良常×○×室内热交传感器开路、短路换温度传连接器接触不良感器异常××○压机温度传感器开路、短路传感器异连接器接触不良常○×○室外热交传感器开路、短路换温度传连接器接触不良感器异常×○○室外温度传感器开路、短路传感器异连接器接触不良常○○○ct(互感线传感器开路、短路圈)异常连接器接触不良hic不良(u、v、w相无输出)★××信号通信单元间配线错误线异常端固定不良电源不能线体与金属板接触加到室外不良机ac220v/dc280v接线或室外机错误绝缘不良基板端子板用温度保险丝熔断电源继电器不良,基板不良(室内或室外)×★×功率模块功率模块不良、信号保护(电线连接器接触不良、流、温度)压缩机卡轴、磨损过大、室外基板不良,室外风机不运转、室外热交换器堵塞★★×室外机外otp数据没记入线部rom异端固定不良常otp数据错误ic插座接触不良××★电流峰值瞬时停电、电压下关断降、功率模块不良压缩机磨耗★×★电流控制压缩机停动异常×★★压缩机排吸气压力过低、毛细气温度过管堵塞、高防止压缩机温度传感器不良、冷风时室外风扇电机不转★★★室内风扇风扇电机位置检测电机运转传感器不良、异常线圈开路连接器脱落、风机驱动回路不良★○○四通阀切换异常四通阀不能转换利用故障代码确诊技巧及表明:①、将室内控制面板拨段开关拨到“关”位置,此时三个led显示故障。
②、维修顺利完成后,填入电源将波段控制器挥至“demo”边线,去除确诊内容;随后,放在“第一关”、“上开”临界,证实确诊内容去除,方可采用。
新版海信空调故障代码,海信空调故障代码表查询,海信中央空调故障代码大全聚信口碑网汇总新版海信空调故障代码,海信空调故障代码表查询,海信中央空调故障代码大全与解释排除供用户参考排查. 适用海信KFR-50LW/AD、KFR-50LW、KF-50LW、KFR-5001LW 机型E1室内温度传感器不良E2室内热交换器温度传感器不良E3室外热交换器温度传感器不良E4室外环境温度传感器不良E5过欠压保护E6防冻结保护E7防高温保护E8室外环境温度过低保护E9过电流保护海信空调故障代码KFR-〔2318、3218〕GW/A、KF-〔2318、3218〕GW/A、KFR-2501GW/D、KFR-3201GW、KFR-3301GW、KFR-3301GW/D、KFR-2501GW控制器在产生保护时,按动传感器切换键,会在室内机的显示面板显示故障代码,以利于调试和维修.空调器产生故障代码后,除非断电,故障代码不能清除.故障代码如下:故障名称编码发光二极管高效运行定时电源室内温度传感器故障1 闪室内热交传感器故障2 闪室内热交冻结 3 闪闪室内热交过热 4 闪瞬时停电 6 闪闪压机过电流7 闪闪闪风机堵转8 闪室内机E2PROM故障13 闪闪闪KF〔R〕-2510GW故障代码电路中若有故障,则按下述方法显示,相应部分动作,除第四、五条外其余均不停机.1、若室内温度传感器出现短路或开路故障,则指示灯〔黄色〕闪二停一;2、若室内盘管温度传感器出现短路或开路故障,则指示灯〔黄色〕闪三停一;3、若室外化霜温度传感器出现短路或开路故障,则指示灯〔黄色〕闪七停一;4、若室内风机因故障停转,〔霍尔元件无脉冲输出给芯片〕指示灯〔黄色〕闪八停一;5、室外机异常保护则指示灯闪五停五;注:闪烁的方式是以1秒1个周期的方式,灯亮半秒暗半秒.海信空调故障代码〔2〕海信:KF〔R〕-2511GWLED的显示自诊断功能说明:1、运行时,运行灯指示灯亮,关机时运行指示灯关.2、制热模式下防冷风与化霜时,运行指示灯亮〔亮1.5秒,灭0.5秒〕.3、任何状态下,室内温度传感器、室内热交换器温度传感器发生故障时,用运行灯、定时灯进行显示故障状态.故障定时灯运行灯备注室内温度传感器灭闪亮1次/8秒关机显示室内热交换温度传感器灭闪亮2次/8秒关机显示室内风机故障闪亮3次/8秒灭开、关机均显示室外风机故障闪亮5次/8秒灭开、关机均显示闪亮:亮0.5秒,灭0.5秒;备注:1、在制冷时,室外机异常:当压缩机继电器闭合4分钟时,若室内热交换器盘管温度持续12分钟高于〔室温-5oC〕,则关闭室外机组;3分钟后再启动,如仍出现上述故障,则说明室外机异常,此时室外机组不再开启,定时灯闪烁报警.2、在制热时,室外机异常:当压缩机继电器闭合4分钟后,若室内热交换器盘管温度持续12分钟低于〔室温+5 oC〕,则关闭压机;3分钟后再启动,如再次出现上述情况,则说明室外机异常,此时室外机组不再开启,定时灯闪烁报警.3、若室内温度传感器、热交换温度传感器发生故障,则室内外机组进入故障运行状态,运行指示灯指示相应故障〔关机状态下显示〕.4、若室内风机发生故障,则室内风机锁定低速,定时指示灯指示故障.海信空调故障代码海信:KF-2301GW、KF-2501GW、KF-25GW、KFR-2301GW、KFR-25GW、KFR-2801GW、KFR-28GW说明:当发现空调器的运行发生异常而停机,维修人员可按下遥控器的"传感器切换〞按钮,开关面板上的指示灯将会显示故障内容,按压遥控器传感器切换键5秒以上,控制器自动故障检测并显示.室内机故障显示符号高效运行定时电源故障内容1 灭灭灭闪室温传感器2 灭灭闪灭热交传感器3 灭灭闪闪蒸发器冻结4 灭闪灭灭制热过负荷5 灭闪灭闪制热过负荷6 灭闪闪灭瞬时停电7 灭闪闪闪过电流8 闪灭灭灭风扇无反馈13 闪闪灭灭室内机E2PROM故障海信空调故障代码手册=477;提示:本故障自诊断手册中"符号〞、"编号〞等栏中的数字代表故障编码,不是顺序号.第一部分海信定速壁挂式空调器故障自诊断1、KF-2301GW、KF-2501GW、KF-25GW、KFR-2 ...; 连接器接触不良,热敏电阻失灵检查连接器检查热敏电阻,若没有故障,更换室内电路板<2>室外电路板故障指示与检修室外机正常运行时对应LED指示状态如下表LED1:三相电源缺相指示LED2:压缩机工作指示LED3:风机工作指示LED4:四通阀工作指示指项目示状态LED1 LED2 LED3 LED4制冷时亮亮亮制热时亮亮亮三相电源缺相时亮6、KFR-120LW/BD定时-温度故障位置原因维修方法11-281-18 室温传感器室温传感器开路或短路检查传感器10-271-18 室内盘管传感器盘管传感器开路或短路检查传感器12-291-18 室外机组室外机组故障检查压机检查室外风机7-241-18 结霜保护过热保护风路短路循环空气过滤网堵塞室内风机有故障恒温器不良检查空气过滤网检查室内风机检查恒温器8-251-18 过流高压低压保护7、KFR-7203LW/D、KF-7203LWKFR-7203LW/D、KF-7203LW上电不运行为待机状态,电源指示灯闪烁,运行过程中出现电源指示灯闪烁为故障状态,请在操作面板同时按下温度上升、下降健,液晶操作面板上将显示故障代码. 故障代码可能原因现象维修措施E1 排气压力过高吸气压力过低排气温度过高高压压力开关断开低压压力开关断开排气温控器断开检查室外机、室内机风扇检查冷媒是否过少E2 制热高负荷保护此温度下不宜制热运行制热时,室外环境温度太高所致E3 防冻结保护制冷时室内外温度过低或蒸发器结霜时出现由于室内外温度过低的原因属正常保护由于阻碍通风的,改善通风条件E4 能力不足制冷系统运行几分钟后,自动停机检查冷媒是否过少E5 室外环境温度传感器开路或短路指示灯闪烁检测环境温度传感器E6 室内传感器开路或开路指示灯闪烁检测室内温度传感器E8 压缩机过电流保护开机后立即停机或运行过程中途停机,指示灯闪烁检查用户电源检测压缩机是否堵转8、KFR-7206LW/D、KFR-7208LW/D、KFR-7218LW/D、KFR-7501LW/D、序号故障代码故障原因1 E0 室内环境传感器异常2 E1 室内盘管传感器异常3 E2 室外盘管传感器异常4 E3 压缩机高低压保护与温度过高保护5 E4 室外环境温度传感器6 E5 过欠压保护7 E6 防冻结保护8 E7 防高温保护9 E8 室外环境温度过低保护10 E9 过电流保护9、KFR-7228LW/D显示故障内容E1 室内环境温度传感器E2 室内盘管温度传感器E3 室外盘管温度传感器E4 过流保护E5 高压、低压保护10、KFR-12003LW/D、KFR-12008LW/D、KF-120LW/08M、KFR-120LW/08MD当空调器进入保护或主控板上的温度探头发射故障时,在"房间温度〞显示区轮流显示故障代码"E0-E4〞以分别表示存在的不同故障信息.故障代码故障原因E0 室内环境温度传感器故障E1 室内盘管温度传感器故障E2 室外盘管温度传感器故障E3 压力保护E4 压缩机过流保护11、KFR-50LW/D、KF-50LW/A系统在工作时,如电源指示灯出现闪烁,表明系统存在故障.在开机状态下,同时按下温度设置键〔▲▼〕数秒,此时温度指示灯显示故障信息如下表:序号指示灯代码故障原因1 1号、3号、10号、12号灯亮能力不足保护2 1号、4号、10号、12号灯亮防止冻结保护3 1号、5号、10号、12号灯亮防止高负荷保护4 1号、6号、10号、12号灯亮过电流保护5 1号、9号、10号、12号灯亮室内回风传感器损坏12、KFR-4501LW/D传感器不良〔开路或短路〕,机器继续运转,但无温度保护,显示故障代码:代码故障原因1F 室内环境温度传感器故障2F 室内盘管温度传感器故障13、KFR-4518LW/D代码故障原因E0 室内环境温度传感器故障E1 室内盘管温度传感器故障14、KFR-25008LW/D故障代码故障内容E1 室内传感器故障A0、B0 相序反A1、B1 缺相保护A2、B2 压力保护A3、B3 制热高负荷保护A4、B4 制冷防冻结保护A5、B5 系统保护A6、B6 室内盘管故障A7、B7 室外盘管故障A8、B8 过流保护A9、B9 通讯故障15、KFR-25008LW序号代码故障内容1 E0 电源相序反、缺相2 E2 制热高负荷保护3 E3 制冷防冻结保护4 E4 系统保护5 E5 室内回风传感器损坏〔开路或短路〕提示6 E6 室内盘管传感器损坏〔开路或短路〕提示7 E8 过流保护8 E9 通讯故障16、KFR-45LW/28D、KFR-50LW/28D、KF-50LW/28 〔1〕显示板:用温度条闪烁方式代表相应故障信息按从上到下顺序第一条闪烁室内与显示板通讯故障第二条闪烁室内与室外板通讯故障第三条闪烁三相电逆相故障第四条闪烁管路高压故障第五条闪烁过电流故障第六条闪烁外盘管热敏电阻故障第七条闪烁无此故障第八条闪烁内盘管热敏电阻故障第九条闪烁内环境热敏电阻故障无故障信息时显示相应温度.〔2〕室内电控板:〔用板上一只LED闪烁代表相应故障信息〕闪一次:室内与室外板通讯故障闪两次:内环境热敏电阻故障闪三次:内盘管热敏电阻故障闪四次~十次:初次上电复位信息,按温度减调节键清除此信息. 连续秒闪无故障信息.17、KF-72LW/06A、KF-72LW/28A显示板E0 室内与显示板通讯故障E1 室内与室外板通讯故障E2 三相电逆相故障E3 管路高压故障E4 过电流故障E5 外盘管热敏电阻故障E6 无此故障E7 内盘管热敏电阻故障E8 内环境热敏电阻故障无故障信息时显示相应温度.室内电控板:〔用板上一只LED闪烁代表相应故障信息〕闪一次:室内与室外板通讯故障闪两次:内环境热敏电阻故障闪三次:内盘管热敏电阻故障闪四次~十次:初次上电复位信息,2P按温度减调节键清除此信息,3P机型1分钟取消复位信息.连续秒闪无故障信息.室外电控板:〔用板上一只LED闪烁代表相应故障信息〕闪一次:室内与室外板通讯故障闪两次:三相电逆相故障闪三次:管路高压故障闪四次:外盘管热敏电阻故障闪五次:过流故障闪六次:复位信息,1分钟后此信息清除.连续秒闪无故障信息.18、KFR-46LW/27D、KFR-50LW/27D、KFR-60LW/28D、KFR-72LW/28VD、KFR-72LW/28SD、KF-72LW/28V、KF-72LW/28S、KFR-50LW/28D、KFR-50LW/28AD、KFR-46LW/28AD显示板:〔3P机型用温度条闪烁方式代表相应故障信息,2P机型则对应显示Ex x=012…….8〕3P机型按从上到下顺序2P机型第一条闪烁E0 室内与显示板通讯故障第二条闪烁E1 室内与室外板通讯故障第三条闪烁E2 三相电逆相故障第四条闪烁E3 管路高压故障第五条闪烁E4 过电流故障第六条闪烁E5 外盘管热敏电阻故障第七条闪烁E6 无此故障第八条闪烁E7 内盘管热敏电阻故障第九条闪烁E8 内环境热敏电阻故障第十条闪烁E9 隔栅故障无故障信息时显示相应温度.室内电控板:〔用板上一只LED闪烁代表相应故障信息〕闪一次:室内与室外板通讯故障闪两次:内环境热敏电阻故障闪三次:内盘管热敏电阻故障闪四次:隔栅故障<进风格栅没关好>.闪五次~十一次:初次上电复位信息,按温度减调节键清除此信息,连续秒闪无故障信息.室外电控板:〔用板上一只LED闪烁代表相应故障信息〕〔仅限于3P柜机〕闪一次:室内与室外板通讯故障闪两次:三相电逆相故障闪三次:管路高压故障闪四次:外盘管热敏电阻故障闪五次:过流故障闪六次:复位信息,1分钟后此信息清除.连续秒闪无故障信息.第四部分海信变频柜机系列空调器故障自诊断1、KFR-50LW/BP、KFR-60LW/BP、KFR-5001LW/BP 、KFR-50LW/ABP、KFR-5201LW/BP、KFR-5801LW/BP、KFR-6001LW/BP、KFR-5019LW/BP、KFR-6019LW/BP故障代码室内机故障故障代码室外机故障1 室内温度传感器异常17 室外环境传感器异常2 热交换温度传感器异常18 热交换器温度传感器3 热交换器冻结19 压缩机过热4 热交换器过热21 IPM模块过热5 通讯故障22 过电流6 瞬时停电24 供电电压异常25 瞬时停电26 制冷室外过载27 正在除霜28 IPM模块保护29 E2PROM数据错误KFR-5801LW/BP检测方法为:在风门摆页面下,左上角按动一下,右上角按动两下,再左上角按动一下,控制器自动故障检测并显示故障代码.2、KFR-5016LW/BP、KFR-5019LW/BPA、KFR-50LW/26BP、KFR-5236LW/BP、KFR-6016LW/BP、KFR-6019LW/BPA、KFR-7016LW/BP、KFR-7066LW/BP、KFR-60LW/29BP、KFR-50LW/29BP、KFR-50LW/39BP、KFR-60LW/39BP、KF-50LW/39BP、KFR-45LW/39BP、KFR-50LW/26VBP、KFR-60LW/26BP一、压缩机运行状态指示在压缩机运转状态下,室外机控制板上的3个LED指示出压缩机当前的运行频率受限制的原因记号说明:★:亮?:闪?:灭LED1 LED2 LED3 压缩机当前的运行频率所受的限制原因1 ? ? ? 正常升降频,没有任何限频2 ? ? ★过电流引起的降频或禁升频3 ? ★★制冷防冻结或制热防过载降引起的降频或禁升频4 ★? ★压缩机排气温度过高引起的降频或禁升频5 ? ★? 电源电压过低引起的最高运行频率限制6 ★★★定频运行〔当能力测定或强制定频运行时〕二、故障表〔1〕室外机显示在压缩机停止运转时,室外的LED用于显示故障的内容,如下表所示:记号说明:★:亮?:闪?:灭LED1 LED2 LED3 故障内容1 ? ? ? 正常2 ? ? ★室内温度传感器短路、开路或相应检测电路故障3 ? ★? 室内热交换器温度传感器短路、开路或相应检测电路故障4 ★? ? 压缩机温度传感器短路、开路或相应检测电路故障5 ★? ★室外热交换器温度传感器短路、开路或相应检测电路故障6 ★★? 外气温度传感器短路、开路或相应检测电路故障7 ? ★? CT〔互感线圈〕短路、开路或相应检测电路故障8 ? ? ★室外变压器短路、开路或相应检测电路故障9 ? ? ? 信号通讯异常〔室内~室外〕10 ? ? ? 功率模块〔IPM〕保护11 ★? ★最大电流保护12 ★? ? 电流过载保护13 ? ? ★压缩机排气温度过高14 ★★? 过、欠压保护15 ★? ? 室外环境温度保护〔仅限于KFR-2820GW/BP〕16 ? ★★四通阀切换异常〔暂时未用〕17 ? ★★制冷剂泄漏〔暂时未用〕18 ? ★? 压缩机壳体温度过高19 ★★★室外E2PROM故障20 ? ? ? 室内风扇电机运转异常〔仅由室内机显示〕〔2〕室内LED故障指示〔开机状况下〕连续按传感器切换4次〔KFR-50LW/26BP、KFR-60LW/26BP空调器为5秒内连续按动面板上的"并用节电键〞4次〕,显示故障代码如下:记号说明:★:亮?:闪?:灭故障代码故障内容电源运行高效0 正常正常正常无故障1 ? ★★室外盘管温度传感器故障2 ? ★? 压机温度传感器故障4 ★? ★电流互感器故障5 ★? ? IPM模块保护6 ? ? ? 过欠压保护8 ★? ? 电流过载保护9 ? ? ? 最大电流保护11 ? ? ? 室外EEPROM故障13 ? ? ★压机温度过高保护14 ★★? 室外环境温度传感器故障15 ? ? ★压机壳体温度保护20 报错报错报错线控器与室内通讯故障33 ★? ? 室内温度传感器故障34 ? ? ? 室内盘管温度传感器故障36 ? ★? 室内外通讯故障37 ? ? ? 室内与线控器通讯故障40 ? ? ? 格栅保护状态报警备注:"40---格栅保护状态报警〞KFR-50LW/29BP 空调器无此检测项目.3、KFR-7001LW/BP室外机控制板LED指示灯指示说明:在压缩机运转状态下,室外机控制板上的3个LED指示出压缩机当前的运行频率受限制的原因记号说明:★:亮?:闪?:灭LED1 LED2 LED3 压缩机当前的运行频率所受的限制原因1 ? ? ? 正常升降频,没有任何限频2 ? ? ★过电流引起的降频或禁升频3 ? ★★制冷防冻结或制热防过载降引起的降频或禁升频4 ★? ★压缩机排气温度过高引起的降频或禁升频5 ? ★? 电源电压过低引起的最高运行频率限制6 ★★★定频运行〔当能力测定或强制定频运行时〕在压缩机停止运转时,室外的LED用于显示故障的内容,如下表所示:记号说明:★:亮?:闪?:灭LED1 LED2 LED3 故障内容1 ? ? ? 正常2 ? ? ★室内温度传感器短路、开路或相应检测电路故障3 ? ★? 室内热交换器温度传感器短路、开路或相应检测电路故障4 ★? ? 压缩机温度传感器短路、开路或相应检测电路故障5 ★? ★室外热交换器温度传感器短路、开路或相应检测电路故障6 ★★? 外气温度传感器短路、开路或相应检测电路故障7 ? ★? CT〔互感线圈〕短路、开路或相应检测电路故障8 ? ? ★室外变压器短路、开路或相应检测电路故障9 ? ? ? 信号通讯异常〔室内~室外〕10 ? ? ? 功率模块〔IPM〕保护11 ★? ★最大电流保护12 ★? ? 电流过载保护13 ? ? ★压缩机排气温度过高14 ★★? 过、欠压保护15 ★? ? 室外环境温度保护〔仅限于KFR-2820GW/BP〕16 ? ★★四通阀切换异常〔暂时未用〕17 ? ★★制冷剂泄漏〔暂时未用〕18 ? ★? 压缩机壳体温度过高19 ★★★室外E2PROM故障20 ? ? ? 室内风扇电机运转异常〔仅由室内机显示〕室内机显示故障代码说明连续按传感器切换2次,显示故障代码如下:记号说明:★:亮?:闪?:灭故障代码故障内容电源运行高效0 正常正常正常无故障1 ? ★★室外盘管温度传感器故障2 ? ★? 压机温度传感器故障4 ★? ★电流互感器故障5 ★? ? IPM模块保护6 ? ? ? 过欠压保护8 ★? ? 电流过载保护9 ? ? ? 最大电流保护11 ? ? ? 室外EEPROM故障13 ? ? ★压机温度过高保护14 ★★? 室外环境温度传感器故障15 ? ? ★压机壳体温度保护20 报错报错报错线控器与室内通讯故障33 ★? ? 室内温度传感器故障34 ? ? ? 室内盘管温度传感器故障36 ? ★? 室内外通讯故障38 ? ★? 室内EEPROM故障4、KFR-7066LW/BP压缩机运行状态指示在压缩机运转状态下,室外机控制板上的3个LED指示出压缩机当前的运行频率受限制的原因记号说明:★:亮?:闪?:灭LED1 LED2 LED3 压缩机当前的运行频率所受的限制原因1 ? ? ? 正常升降频,没有任何限频2 ? ? ★过电流引起的降频或禁升频3 ? ★★制冷防冻结或制热防过载降引起的降频或禁升频4 ★? ★压缩机排气温度过高引起的降频或禁升频5 ? ★? 电源电压过低引起的最高运行频率限制6 ★★★定频运行〔当能力测定或强制定频运行时〕室外机显示在压缩机停止运转时,室外的LED用于显示故障的内容,如下表所示:记号说明:★:亮?:闪?:灭LED1 LED2 LED3 故障内容1 ? ? ? 正常2 ? ? ★室内温度传感器短路、开路或相应检测电路故障3 ? ★? 室内热交换器温度传感器短路、开路或相应检测电路故障4 ★? ? 压缩机温度传感器短路、开路或相应检测电路故障5 ★? ★室外热交换器温度传感器短路、开路或相应检测电路故障6 ★★? 外气温度传感器短路、开路或相应检测电路故障7 ? ★? CT〔互感线圈〕短路、开路或相应检测电路故障8 ? ? ★室外变压器短路、开路或相应检测电路故障9 ? ? ? 信号通讯异常〔室内~室外〕10 ? ? ? 功率模块聚信口碑网汇总了国内所有知名大品牌家电售后服务系统和售后服务维修工,实时动态化定位管理,可以在线快速处理您的所有保内保外报修问题.聚信口碑网对保外维修费用采用平台托管用户试用7天确认满意平台会把维修费费用支付给维修工,中间任何问题都可以联系沟通平台先行赔付.聚信口碑网每年投巨资对所有老用户送保外家电维修免费一次,您在聚信口碑网提交一次了保内免费维修的或保外收费维修的单子都成为老用户可以享受保外免费维修一次,聚信口碑网只赚口碑不赚钱.欢迎大家转发关注,您的关注就是我们发展的动力,您的关注也是我们的股东投资的动力,股东投资的希望.。
第2节:变频挂机系列空调故障代码详解适用机型:KFR-32GW/BP、KFRP-35GW、KFR-40GW/BP利用故障代码诊断技巧及说明:①、将室内控制面板拨段开关拨到“关”位置,此时三个LED显示故障。
②、修理完成后,插入电源将波段开关拨到“DEMO”位置,清除诊断内容;随后,置于“关”、“开”临界,确认诊断内容清除,方可使用。
③、插上电源,运转指示灯闪,是室内A板外部ROM(OTP数据)不良,插入不良或忘记安装。
④、不插电源,机器仍旧记忆故障。
适用机型:KF-2601GW/BP、KFR-2601GW/BP、KF-2602GW/BP、KFR-2602GW/BP、KFR-28GW/BP、KF-2801GW/BP KFR-2801GW/BP、KFR-3001GW/BP、KFR-3002GW/BP、KF-2609GW/BP、KF-2809GW/BP、KFR-2809GW/BP型变频空调器故障代码表:①室内机显示面板故障指示表②室外机控制板故障指示表利用故障代码诊断技巧及说明:①当发现空调器运行异常而停机,维修人员可按下遥控器的“传感器切换”按钮5秒钟,开关面板上的指示灯将会显示故障内容。
②首次上电时,先检EEPROM;③3、运行过程中出现下述故障时,运行指示灯闪亮,并停机。
此时,即使开关拨到其他位置也一样,恢复的方法是电源重新插入,而故障原因已写入EEPROM中,可利用自我诊断查处错误原因。
④自诊断方法室内机的运转指示灯每0.5秒闪烁一次,可以按下述方式进行更详细的故障诊断。
诊断顺序:(a)将运转选择开关拨向全停止;(b)插入电源插头,传感器异常或有保护动作时,一个故障显示5秒钟,有数个故障,则以2秒的时间依次显示。
(c)修理完成后,将运转选择开关拨向“试运行”,再插上电源,以消去故障内容。
适用机型:KFR-2820GW/BP、KF-2820GW/BP①、每个灯可有三种状态:亮、闪烁(亮0.5秒,灭0.5秒),灭。
②、1:运行灯,2:定时灯,3、睡眠灯,4、高效灯;③、任何故障发生时室内控制面板所有灯秒闪,当保护发生时室内控制面板运行灯秒闪。
此时轻触一下应急按钮,蜂鸣一声后,以室内机四个LED的亮灭显示故障或保护内容。
适用机型:KFR-3502GW/BP、KFR-3601GW/BP、KFR-3602GW/BP、KFR-3603GW/BP、KFR-4001GW/BP、KFR-4501GW/BP、KFR-3519GW/BP、KFR-35GW/06ABP故障代码表:①、先关闭人机对话功能(按传感器切换键)②、待人机对话图标消失后,再连续按传感器切换键两次,即可在VFD屏温度显示位置看到故障代码,除非断电,故障代码不能清除。
适用机型:KFR-36GW/ABP故障代码表故障诊断技巧及说明:①自我诊断开始条件:开关由“运行”拨到“停止”位置,进行传感器异常和故障原因诊断,每输出一个故障原因,蜂鸣器鸣响。
②、自我诊断结束条件:(a)开关在“停止”以外的位置时,此时蜂鸣器不响,标志自我诊断结束。
(b)只有在自我诊断全部完成后,开关板拨到“开”后,空调器才可正常工作。
(c)空调器在进行自我诊断时,可能要等待十几秒钟用于判断错误。
(4)故障指示:1、定时灯,2、待机灯,3、运行灯适用机型:KFR-2701GW/BP①室内机故障代码表故障诊断技巧及说明①、当运行出现故障后,空调器将停止运行,然后显示故障内容。
若要重现故障内容可按遥控器“传感器切换”,将设定为“本体控温”,再连续按遥控器“传感器切换”健。
液晶屏显示故障内容:室内显示“室内”,室外显示“室外”。
②、室外机3个故障显示灯也可以显示室外机的故障内容(只有在压缩机停止时),适用机型:KFR-3501GW/BP、KFR-3502GW/BP系列故障代码表①当运行出现故障后,空调器将停止运行,然后显示故障内容;②在室内侧,通过运行状态显示灯进行显示室内、室外故障内容;③按“传感器切换”:将遥控器设定为“本体控温”,3秒内再按“传感器切换”将遥控器设定为“遥控器控温”状态。
④室外机的故障显示灯为LED02、LED03、LED04。
当压缩机由于故障停止运行时,故障显示灯进行故障报警。
当压缩机处于运行状态时,故障显示灯指示限频因素。
适用机型:KFR-2608GW/BP 、KFR-2609GW/BP、KFR-2608GW/BP、KFR-2618GW/BPR、KFR-2619GW/BPR、KFR-2501GW/BP当发现空调器的运行发生异常而停机,维修人员可按下遥控器切换键设置成空调器本体传感器方式,再连续按两下遥控器“传感器切换”键将会显示故障内容。
适用机型:KFR-2866GW/BP、KFR-3201GW/BP 、KFR-3226GW/BP、KFR-3266GW/BP 、KFR-3516GW/BP、KFR-3606GW/BP、KFR-3566GW/BP、KFR-32GW/29BP故障诊断技巧及代码表:①压缩机运行状态指示②、室外机显示③、室内机显示KFR-3266GW/BP、KFR-32GW/29BP空调器有此项目,其它机器无此检测项目。
适用机型:KFR-2826GW/BP、KFR-2626GW/BP、KFR-2606GW/BP、KFR-26GW/11BP、KFR-2806GW/BP、KFR-32GW/06BP、KFR-35GW/29BP、KFR-26GW/22MBP连续按下遥控器上的传感器切换键2次,显示屏上会显示故障代码。
适用机型:KFR-2616GW/BP、KFR-2816GW/BP系列显示屏显示内容:室内图标与指示代码闪烁表示室内故障,室外图标与指示代码表示室外故障。
自检方法:将遥控器传感器切换键设置成空调器本体传感器方式,再连续按两下遥控器“传感器切换”键即可。
适用机型:KFR-3066GW/BP、KFR-3216GW/BP自检方法:将遥控器传感器切换键按动3次适用机型:KF-3209GW/BP故障诊断技巧及故障代码表说明①、压缩机运行状态指示②、故障表(a)室外机显示(b)室内机显示适用机型:KF-25GW/11BP系列(2)故障诊断技巧及故障代码表说明①、压缩机运行状态指示②室外机故障表(a)、室外机显示(b)、室内机显示在开机情况下,连续按遥控器上传感器切换键或高效按键(具体由EEPROM数据选择)四次,室内机以四个LED(电源、定时、运行、高效)的闪烁、亮、灭显示故障或保护内容(至少有一个灯闪烁);没有故障,四个LED(电源、定时、运行、高效)按正常显示。
适用机型:KF-25GW/06BP、KFR-25GW/06BP故障诊断技巧及故障代码说明①、压缩机运行状态故障代码指示③室内机显示室内机使用LED显示屏,在开机情况下,连续按遥控器上传感器切换键或高效按键(具体由EEPROM 数据选择)四次,室内机以四个LED(电源、定时、运行、高效)的闪烁、亮、灭显示故障或保护内容(至少有一个灯闪烁);没有故障,四个LED(电源、定时、运行、高效)按正常显示。
适用机型:KFR-32GW/29RBP故障代码诊断技巧及故障代码说明①、压缩机运行状态指示②室外机显示,在压缩机停止运转时,室外的LED用于显示故障的内容,如下表所示:室内机使用VFD显示屏,并能显示数字,连续按遥控器上传感器切换键或高效按键(具体由EEPROM 数据选择)四次,有故障则显示相应的故障码(其中有些故障在特定机型中才存在),否则显示零,显适用机型:KFR-3216GW/BP 、KFR-3276GW/BP 故障维修技巧及代码表说明 ①、压缩机运行状态指示适用机型:KFR-2802GW/BP 、KFR-2819GW/BP 故障诊断维修技巧及故障代码说明:①控制器在产生保护时,按动传感器切换键,会在室内机的荧光屏室内温度显示位置看到故障代码,以适用机型:KFR-26GW/21MBP KFR-26GW/39BP KFR-32GW/39BP KFR-35GW/39BP KFR-26GW/39BP KFR-32GW/11BP、KFR-35GW/11BP、KF-25GW/27BP、KFR-26GW/25BP、KFR-35GW/25BP、KFR-26GW/29RBP、KFR-26GW/27BP、KFR-32GW/27BP、KFR-35GW/27BP、KFR-28GW/29VBP、KFR-35GW/26VBP故障诊断技巧及故障代码说明:③、室内机显示室内机使用LED显示屏(此功能通过EEPROM数据选择来实现)(a).在开机情况下,连续按遥控器上传感器切换键或高效按键(具体由EEPROM数据选择)四次,室内机以四个LED(电源、定时、运行、高效)的闪烁、亮、灭显示故障或保护内容(至少有一个灯闪烁);没有故障,四个LED(电源、定时、运行、高效)按正常显示。
(b).每个LED可有三种状态:亮,闪烁(亮0.5秒,灭0.5秒),灭。
适用机型KFR-50LW/BP、KFR-60LW/BP、KFR-5001LW/BP 、KFR-50LW/ABP、KFR-5201LW/BP、KFR-5801LW/BP、KFR-6001LW/BP、KFR-5019LW/BP、KFR-6019LW/BP适用机型KFR-5016LW/BP、KFR-5019LW/BPA、KFR-50LW/26BP、KFR-5236LW/BP、KFR-6016LW/BP、KFR-6019LW/BPA、KFR-7016LW/BP、KFR-7066LW/BP、KFR-60LW/29BP、KFR-50LW/29BP、KFR-50LW/39BP、KFR-60LW/39BP、KF-50LW/39BP、KFR-45LW/39BP、KFR-50LW/26VBP、KFR-60LW/26BP、KFR-72LW/26BP、KFR-72LW/39BP、KFR-50LW/99BP、KFR-60LW/99BP、KFR-72LW/99BP、KFR-50LW/27BP、KFR-60LW/27BP、KFR-72LW/27BP故障诊断代码说明①、压缩机运行状态指示②、故障表(a)室外机显示(b)室内LED故障指示(开机状况下)适用机型KFR-7001LW/BP故障诊断代码说明①室外机控制板LED指示灯指示说明:在压缩机运转状态下,室外机控制板上的3个LED指示出压缩机当前的运行频率受限制的原因适用机型KFR-50LW/27ZBP、KFR-60LW/27ZBP、KFR-27LW/27ZBP故障诊断代码说明①、压缩机运行状态指示在压缩机运转状态下,室外机控制板上的3个LED指示出压缩机当前的运行频率受限制的原因②、故障表(b)室内LED故障指示(开机状况下)26、39系列连续并用节电键4次;16系列按下传感器切换键4次显示故障代码如下:第五部分海信直流变频空调器故障自诊断适用机型:KFR-2566GW/ZBP、KFR-2588GW/ZBP、KFR-3588GW/ZBP KFR-23GW/77VZBP、KFR-26GW/77VZBP、KFR-32GW/77VZBP故障诊断代码说明1---正常运行,无限频因素。