道路货物运输站(场)经营申请表
- 格式:doc
- 大小:33.50 KB
- 文档页数:2
道路货物运输经营申请表
申请单位名称: ____________________________
一、基本信息
1. 申请单位类别:(请在对应选项前打勾)
□ 个体经营户
□ 合伙企业
□ 有限责任公司
二、运输车辆信息
3. 车辆所有人身份证件号码/统一社会信用代码:______________
7. 车辆实际使用情况:(请在选项前打勾)
□ 自有车辆
三、经营范围
□ 普通货物
□ 危险品
四、申请理由
请简要说明为何申请道路货物运输经营许可证及所需证件,如有附件请一同提交。
申请人声明:
本人/本单位承诺提交的申请材料和信息真实有效,如有不实,愿意承担相应的法律责任。
注意事项:
1. 申请人需提供相关证照、许可证明文件的复印件。
2. 申请人需按要求缴纳相关费用。
3. 申请人须符合相关法律法规的要求。
4. 请在规定时间内提交申请材料。
5. 申请材料将根据相关程序进行审核和审批,并将及时告知申请人审批结果。
以上信息将用于道路货物运输经营许可证的审核和核发,本申请表格仅供参考,请根据具体情况进行修改和完善。
交通运输行政许可申请书2、申请人应当如实向实施机关提交有关材料和反映情况,并对申请材料实质容的真实性负责。
附件3:委托书本人(单位法人代表),:;兹委托,:,代为办理道路货物运输经营许可相关事宜。
所提交材料均代表委托人真实意愿,并承担相应法律责任。
委托人(签名盖章):被委托人(签名):年月日拟投入运输车辆承诺书荣成市道路运输管理处:(申请者名称),拟从事__普通货物运输(经营围)道路运输经营,待取得《道路运输经营许可证》之日起个月,按以下承诺投入车辆:1、车辆数量:辆;2、承诺购置车辆基本情况:特此承诺。
承诺人签名:(单位盖章)年月日备注:1、承诺期限最多为六个月;2、申请人不履行承诺的,道路运输管理机构将撤销其相应的道路运输经营许可,收回《道路运输经营许可证》和车辆《道路运输证》。
专营道路普通货物运输、货物专用运输、大型物件运输开业许可报备材料一、道路货物运输经营许可条件道路普通货物运输、货物专用运输、大型物件运输申请经营许可,应具备以下条件:(一)有与经营业务相适应并经检测合格的运输车辆1、车辆技术性能应当符合国家标准《营运车辆综合性能要求和检验方法》(GB18565)的要求;2、车辆外廓尺寸、轴荷和载质量应当符合国家标准《道路车辆外廓尺寸、轴荷及质量现值》(GB1589)的要求;3、从事大型物件运输经营的,应当具有与所运输大型物件相适应的超重型车组。
超重型车组是指运输长度在14米以上或宽度在3.5米以上或高度在3米以上的货物的车辆,或者运输重量在20吨以上的单体货物或不可解体的成组(捆)货物的车辆;4、从事冷藏保鲜、罐式容器等专用运输的,应当具有与运输货物相适应的专用车辆,专用容器、设备、设施应当固定在专用车辆上;5、从事集装箱专用运输的,应当具有与运输集装箱相适应的车辆,车辆还应当有固定集装箱的转锁装置。
(二)有符合规定条件的驾驶人员1、取得相应的机动车驾驶证;2、年龄不超过60周岁;3、取得相应的从业。
货运1表第5页共6页申请材料核对表请在项前□内划√☑1.《道路货物运输经营申请表》(本表)☑2. 法定代表人、经办人身份证明复印件☑3. 《营业执照》原件及复印件(申请人为本市分公司的,还须提供总公司企业法人《营业执照》复印件)☑4. 《机动车行驶证》复印件□(1)挂车《机动车行驶证》复印件(新办或增加经营范围的企业,拟从事的经营范围首辆车为牵引车头的,需要同时提供挂车的《机动车行驶证》复印件)□(2)专用号段牌照《机动车行驶证》复印件(从事道路普通货运(货运出租)的须出具,由公安交通管理部门核发的50辆(含)以上专用号段牌照《机动车行驶证》复印件)☑5.《机动车登记证书》原件及复印件□(1)挂车《机动车登记证书》原件及复印件(新办或增加经营范围的企业,拟从事的经营范围首辆车为牵引车头的,需要同时提供挂车的《机动车登记证书》原件及复印件)□6.《车辆<道路运输证>注销(转籍)单》原件及复印件(旧车组建企业提供)☑18.安全生产等11项管理制度文本原件或复印件(如果是申请网络货运(除危险货物运输)经营许可的,提供网络货运安全生产管理制度)☑7.《道路运输车辆综合性能检验报告单》或《机动车安全技术检验报告》原件及复印件☑8.《道路运输达标车辆核查记录表(载货汽车)》或者《道路运输达标车辆核查记录表(牵引车辆)》或者《道路运输达标车辆核查记录表(挂车)》原件及复印件☑9. 主要负责人、专职安全生产管理人员证书原件及复印件☑10. 卫星定位装置安装服务合同原件及复印件□11.《上海市冷藏车降温试验检测报告》原件及复印件☑12.《机动车驾驶证》复印件□19.《道路运输经营许可证》正、副本□(1)申请人为本市分公司的,申请“新增”事项时须现场提供总公司《道路运输经营许可证》正本复印件及副本原件;□(2)申请人申请增加经营范围的须提供本公司《道路运输经营许可证》原件。
□20.《线上服务认定结果》复印件(申请网络货运(除危险货物运输)经营许可的提供)☑21.《行政审批告知承诺书》原件☑13.《道路运输从业人员从业资格证》复印件☑14. 交通安全专职人员聘用合同复印件□15.停车场地产权证原件及复印件(申请道路货物专用运输(清障施救牵引)经营许可的,提交办公场所、停车场地产权证或镇政府开具的土地使用证明原件及复印件)□16.停车场地租赁合同原件及复印件(申请道路货物专用运输(清障施救牵引)经营许可的,提交办公场所、停车场地产权证或镇政府开具的土地使用证明复印件)□17.承运人责任保险等托运人权益保障证明原件及复印件(如果是申请网络货运(除危险货物运输)经营许可的,提供。
道路货物运输经营申请表范本道路货物运输经营申请表
申请单位:_____________________
申请人:_______________________
联系电话:_____________________
申请经营范围:___________________
申请经营路线:___________________
申请货物种类:___________________
申请车辆数量:___________________
申请路线起点:___________________
申请路线终点:___________________
申请人员资质:
1. 驾驶员数量:___________________
2. 押运员数量:___________________
3. 车辆维修工数量:_______________
4. 其他人员数量:___________________
申请人员资质证明文件:
1. 驾驶员资格证书
2. 押运员资格证书
3. 车辆维修工证书
4. 其他人员资格证书
申请经营所需资质证明文件:
1. 道路货物运输经营许可证
2. 道路普通货物运输许可证
3. 道路危险化学品运输许可证
4. 道路冷藏运输许可证
申请人签字:____________________
日期:__________________________。
道路货物运输申请表
【标题】道路货物运输申请表
尊敬的有关部门:
我公司计划进行一次道路货物运输,现特向贵部门提交运输申请,具体信息如下:
一、申请单位信息:
单位名称:
单位地址:
联系电话:
二、货物基本信息:
1. 货物名称:
2. 货物种类:
3. 货物净重:
4. 货物体积:
5. 货物包装方式:
6. 货物来源地:
7. 货物目的地:
三、运输要求:
1. 运输路线:
2. 装货日期:
3. 卸货日期:
4. 运输车辆类型:
5. 运输车辆牌照号:
6. 货物装卸方式:
7. 运输车辆驾驶员信息:
四、附加要求或特殊情况说明:
安全保障要求:
1. 运输车辆是否符合公路交通安全要求;
2. 是否需要仓储或安保措施;
3. 是否需要特殊装卸设备或工具;
4. 是否需要特殊的保护措施,例如气候条件要求等。
五、申请人签字:(盖章)
以上为我公司道路货物运输申请表,请贵部门审核并批准。
如有任何问题,请与我公司联系,谢谢!
祝好!
【公司名称】
【联系电话】【单位地址】。
道路货物运输经营申请表一、企业基本情况•企业名称:•法定代表人或负责人姓名:•企业地址:•联系人姓名:•联系电话:•电子邮件:二、经营项目1.经营范围:请详细说明将要经营什么样的道路货物运输业务。
2.车辆数量:请填写企业用于该经营业务的车辆数量。
3.车辆类型:请填写企业用于该经营业务的车辆类型(例如,普通货车、罐式货车等)。
4.经营路线:请填写企业用于该经营业务的道路运输路线。
三、资料清单1.企业营业执照副本。
2.企业组织机构代码证副本。
3.税务登记证副本。
4.道路运输经营许可证书副本。
5.运输车辆购置税完税证明。
6.运输车辆行驶证、车辆登记证书。
7.道路运输车辆投保责任险合同、保单复印件。
8.司机从业资格证书复印件。
9.营运车辆驾驶员保险证书复印件。
10.企业生产、仓库等与道路货物运输经营有关的场地证明。
11.其他有关资料。
四、审核说明1.申请人应提交相关申请资料,并按照要求补充提交资料,否则本部门将不作受理。
2.申请人经过审核符合条件后,应按照规定的程序进行公示,公示时间不少于45天。
3.公示无异议并经过审批后,颁发道路运输经营许可证。
五、注意事项1.申请人应在申请前认真阅读《道路货物运输经营许可证管理办法》等相关规定,确保申请信息准确无误。
2.若申请材料或申请人提供的信息不真实,申请将被驳回或者取消许可。
3.申请人应认真遵守《道路货物运输经营许可证管理办法》等相关规定,经营期间应不断提高服务水平,履行安全、规范和合法经营义务,维护行业形象和口碑。
同时,将遵守公安交警等行政执法机关的管理和监督。
道路货物运输经营申请表填写
常见问题解答
一、拟购货运车辆必须符合什么条件?
答:(一)有与其经营业务相适应并经检测合格的运输车辆:
1.车辆技术要求:
(1)车辆技术性能应当符合国家标准《营运车辆综合性能要求和检验方法》(GB18565)的要求;
(2)车辆外廓尺寸、轴荷和载质量应当符合国家标准《道路车辆外廓尺寸、轴荷及质量限值》(GB1589)的要求。
2.车辆其他要求:
(1)从事大型物件运输经营的,应当具有与所运输大型物件相适应的超重型车组;
(2)从事冷藏保鲜、罐式容器等专用运输的,应当具有与运输货物相适应的专用容器、设备、设施,并固定在专用车辆上;
(3)从事集装箱运输的,车辆还应当有固定集装箱的转锁装置。
二、聘用驾驶员必须符合什么条件?
答:(二)有符合规定条件的驾驶人员:
1.取得与驾驶车辆相应的机动车驾驶证;
2.年龄不超过60周岁;
3.经设区的市级道路运输管理机构对有关道路货物运输法规、机动车维修和货物及装载保管基本知识考试合格,并取得从业资格
三、填表应注意事项
1、以主要街道为准标明企业地和相邻单位名称。
2、如有委托代理人需出具委托授权书。
3、投入车辆数要与拟购车辆数相符。
4、要正确选择经营范围。
5、申请日期应于材料的递交、受理的日期相一致。
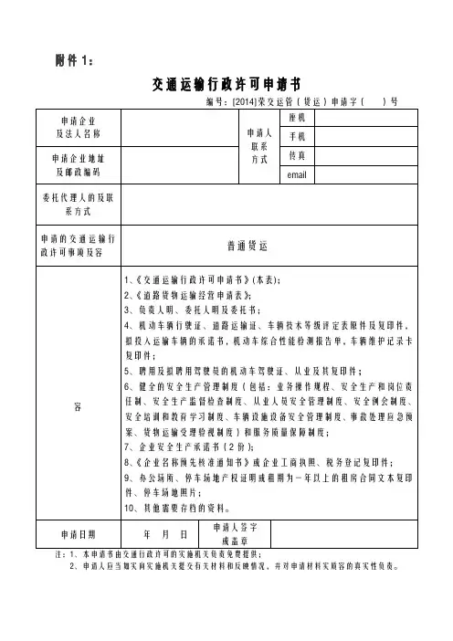
附件1:交通运输行政许可申请书编号:[2014]荣交运管(货运)申请字()号申请企业及法人名称申请人联系方式座机手机申请企业地址及邮政编码传真email委托代理人的姓名及联系方式申请的交通运输行政许可事项及内容普通货运内容1、《交通运输行政许可申请书》(本表);2、《道路货物运输经营申请表》;3、负责人身份证明、委托人身份证明及委托书;4、机动车辆行驶证、道路运输证、车辆技术等级评定表原件及复印件,拟投入运输车辆的承诺书,机动车综合性能检测报告单,车辆维护记录卡复印件;5、聘用及拟聘用驾驶员的机动车驾驶证、从业资格证及其复印件;6、健全的安全生产管理制度(包括:业务操作规程、安全生产和岗位责任制、安全生产监督检查制度、从业人员安全管理制度、安全例会制度、安全培训和教育学习制度、车辆设施设备安全管理制度、事故处理应急预案、货物运输受理验视制度)和服务质量保障制度;7、企业安全生产承诺书(2份);8、《企业名称预先核准通知书》或企业工商执照、税务登记复印件;9、办公场所、停车场地产权证明或租期为一年以上的租房合同文本复印件、停车场地照片;10、其他需要存档的资料。
申请日期年月日申请人签字或盖章注:1、本申请书由交通行政许可的实施机关负责免费提供;2、申请人应当如实向实施机关提交有关材料和反映情况,并对申请材料实质内容的真实性负责。
附件2:受理申请机关专用道路货物运输经营申请表说明1、本表根据《道路货物运输及站场管理规定》制作,申请从事道路货物运输经营应当向县级道路运输管理机构提出申请,填写本表,并同时提交其它相关材料(材料要求见第4页)。
2、本表可向各级道路运输管理机构免费索取,也可自行从交通部网站()下载打印。
3、有关常见问题可查询交通部网站。
4、本表必须用钢笔填写或计算机打印,要求用正楷,字迹工整。
申请人基本信息申请人名称要求填写企业(公司)全称、企业预先核准全称或个体经营者姓名负责人姓名经办人姓名如系个人申请,不必填写“负责人姓名”及“经办人姓名”项通信地址邮编电话手机电子邮箱申请许可内容请在内划√拟申请的道路货物运输经营范围或拟申请扩大的道路货物运输经营范围:普通货运专用运输大型物件运输如拟申请扩大道路货物运输经营范围,请选择现有的经营范围:普通货运专用运输大型物件运输货物运输车辆信息已购置货物运输车辆情况序号厂牌型号数量载重质量(吨)车辆技术等级外廓尺寸(毫米)123456表格不够,可另附表填写。
道路运输经营许可证申请表尊敬的相关部门:我单位拟申请道路运输经营许可证,特向贵部门提交本次申请资料。
根据相关规定,现将道路运输经营许可证申请表详细填写如下:一、申请单位基本信息:1. 单位名称:2. 单位性质:3. 法定代表人:4. 注册地址:5. 通讯地址:6. 联系电话:7. 传真号码:8. 电子邮件:二、申请经营范围:请详细列明拟经营的道路运输业务类型,包括但不限于货物运输、旅客运输、危险品运输等。
同时,需提供相应的许可证种类、数量及车辆要求。
三、车辆信息:请按以下格式填写车辆信息,每辆车一行:车牌号码车辆类型核定载重量车辆所有人姓名车辆所有人证件类型车辆所有人证件号码运输证字号四、从业人员信息:请填写从业人员信息,包括驾驶员、调度员等。
每人一行,按以下格式填写:姓名性别年龄手机号码证件类型证件号码五、申请附属材料:1. 单位经营范围的证明文件;2. 单位法人代表或负责人的身份证、户口簿复印件;3. 道路运输经营许可证申请表(本表);4. 车辆行驶证副本复印件;5. 车辆车辆保险单、交强险保单等相关材料;6. 驾驶员从业资格证书复印件;7. 财务报表。
请贵部门收到申请资料后核对,并告知进一步需要补充的材料。
我单位将积极配合,并尽快补齐相关资料。
单位负责人签名:日期:单位公章:本次申请表共计_____页。
注:本申请表一式两份,申请单位和收件单位各一份,贵单位收到本申请表后请在5个工作日内完成审核。
谢谢!。
附件1:交通运输行政许可申请书编号:[2014]荣交运管(货运)申请字()号注:1、本申请书由交通行政许可的实施机关负责免费提供;2、申请人应当如实向实施机关提交有关材料和反映情况,并对申请材料实质内容的真实性负责。
附件2:附件3:委托书本人(单位法人代表),身份证号码:;兹委托,身份证号码:,代为办理道路货物运输经营许可相关事宜。
所提交材料均代表委托人真实意愿,并承担相应法律责任。
委托人(签名盖章):被委托人(签名):年月日拟投入运输车辆承诺书荣成市道路运输管理处:(申请者名称),拟从事__普通货物运输(经营范围)道路运输经营,待取得《道路运输经营许可证》之日起个月内,按以下承诺投入车辆:1、车辆数量:辆;2、承诺购置车辆基本情况:特此承诺。
承诺人签名:(单位盖章)年月日备注:1、承诺期限最多为六个月;2、申请人不履行承诺的,道路运输管理机构将撤销其相应的道路运输经营许可,收回《道路运输经营许可证》和车辆《道路运输证》。
专营道路普通货物运输、货物专用运输、大型物件运输开业许可报备材料一、道路货物运输经营许可条件道路普通货物运输、货物专用运输、大型物件运输申请经营许可,应具备以下条件:(一)有与经营业务相适应并经检测合格的运输车辆1、车辆技术性能应当符合国家标准《营运车辆综合性能要求和检验方法》(GB18565)的要求;2、车辆外廓尺寸、轴荷和载质量应当符合国家标准《道路车辆外廓尺寸、轴荷及质量现值》(GB1589)的要求;3、从事大型物件运输经营的,应当具有与所运输大型物件相适应的超重型车组。
超重型车组是指运输长度在14米以上或宽度在3.5米以上或高度在3米以上的货物的车辆,或者运输重量在20吨以上的单体货物或不可解体的成组(捆)货物的车辆;4、从事冷藏保鲜、罐式容器等专用运输的,应当具有与运输货物相适应的专用车辆,专用容器、设备、设施应当固定在专用车辆上;5、从事集装箱专用运输的,应当具有与运输集装箱相适应的车辆,车辆还应当有固定集装箱的转锁装置。