线管敷设检验批质量验收记录[2]
- 格式:doc
- 大小:339.50 KB
- 文档页数:20
电线导管电缆导管和线槽敷设安装室内检验批质量验收记录电线导管、电缆导管和线槽的敷设安装是室内电气工程中非常重要的一环,对于保障电气系统的正常运行和使用安全起着至关重要的作用。
为了确保敷设安装质量,需要进行严格的现场检验和质量验收。
以下是电线导管、电缆导管和线槽敷设安装室内检验批质量验收记录的一个示例。
---项目名称:XXX建筑工程施工单位:XXX公司监理单位:XXX公司施工日期:XXXX年XX月XX日一、电线导管敷设安装检查记录1.检查主要内容:(1)导管的规格和型号是否符合设计要求;(2)导管的材质和表面处理是否符合规范要求;(3)导管支架和连接件的设置是否稳固可靠;(4)导管的固定是否符合规范要求;(5)导管电气接地是否符合规范要求。
2.检查结果:(1)导管的规格和型号符合设计要求;(2)导管的材质和表面处理符合规范要求;(3)导管支架和连接件设置稳固可靠;(4)导管的固定符合规范要求;(5)导管电气接地符合规范要求。
3.处理意见:(1)导管敷设安装符合要求,无需处理。
二、电缆导管敷设安装检查记录1.检查主要内容:(1)导管的规格和型号是否符合设计要求;(2)导管的材质和表面处理是否符合规范要求;(3)导管支架和连接件的设置是否稳固可靠;(4)导管的固定是否符合规范要求;(5)导管电气接地是否符合规范要求;(6)电缆弯曲半径是否符合规定;(7)电缆连接头的安装是否牢固可靠;2.检查结果:(1)导管的规格和型号符合设计要求;(2)导管的材质和表面处理符合规范要求;(3)导管支架和连接件设置稳固可靠;(5)导管电气接地符合规范要求;(6)电缆弯曲半径符合规定;(7)电缆连接头的安装牢固可靠。
3.处理意见:(1)导管敷设安装符合要求,无需处理。
三、线槽敷设安装检查记录1.检查主要内容:(1)线槽的规格和型号是否符合设计要求;(2)线槽的材质和表面处理是否符合规范要求;(3)线槽支架和连接件的设置是否稳固可靠;(4)线槽固定是否符合规范要求;(5)线槽电气接地是否符合规范要求;(6)线槽的翻盖板安装是否牢固可靠。
管道敷设检验批质量验收记录一、项目概况项目名称:XXXXXXXX项目地点:XXXXXXXX合同号:XXXXXXXX管道敷设单位:XXXXXXXX监理单位:XXXXXXXX施工日期:XXXXXXXX二、施工内容1.原材料检验(1)管材检验:对管材的品牌、规格、厚度、质量等进行检查,确保满足设计和施工要求。
(2)管件检验:对管件的品牌、规格、质量等进行检查,确保满足设计和施工要求。
(3)焊材检验:对焊材的品牌、规格、质量等进行检查,确保满足设计和施工要求。
2.施工过程检验(1)管道敷设:检查管道敷设的位置、高度、坡度等是否符合设计要求,并对焊缝的质量进行检查。
(2)支吊架安装:检查支吊架的位置、高度、坡度等是否符合设计要求,并对支吊架的质量进行检查。
(3)焊接工艺:检查焊接工艺是否符合规范要求,并对焊缝的外观质量进行检查。
三、检验结果1.原材料检验(1)管材:经检查,管材均符合设计和施工要求。
(2)管件:经检查,所有管件均符合设计和施工要求。
(3)焊材:经检查,焊材均符合设计和施工要求。
2.施工过程检验(1)管道敷设:经检查,管道敷设的位置、高度、坡度等符合设计要求。
焊缝的外观质量良好。
(2)支吊架安装:经检查,支吊架的位置、高度、坡度等符合设计要求。
支吊架的质量达到要求。
(3)焊接工艺:经检查,焊接工艺符合规范要求,焊缝的外观质量良好。
四、评定意见(1)原材料检验:通过。
(2)施工过程检验:通过。
五、存在问题及整改措施(1)存在问题:无(2)整改措施:无六、验收结论经检验,管道敷设检验批质量验收合格,符合设计及相关规范要求。
七、附件1.原材料检验报告2.焊接工艺评定报告3.支吊架安装验收报告八、验收人员日期:XXXX年XX月XX日验收人:__________监理签字:__________。
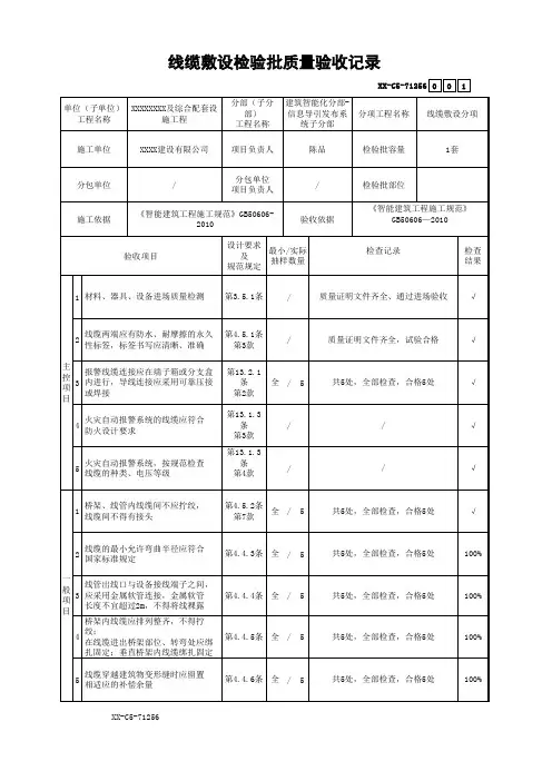
线缆敷设检验批质量验收记录线缆敷设检验批质量验收记录注:本表内容的填写需依据《现场验收检验批检查原始记录》。
本检验批质量验收的规范依据见本页背面。
填写说明一、填写依据1 《智能建筑工程施工规范》GB50606-2010。
2 《建筑工程施工质量验收统一标准》GB50300-2013。
二、检验批划分可按设计系统、设备组别、区域划分。
三、GB50606-2010规范摘要主控项目3.5.1 材料、器具、设备进场质量检测应符合下列规定:1 需要进行质量检查的产品应包括智能建筑工程各子系统中使用的材料、硬件设备、软件产品和工程中应用的各种系统接口;列入中华人民共和国实施强制性产品认证的产品目录或实施生产许可证和上网许可证管理的产品应进行产品质量检查,未列入的产品也应按规定程序通过产品质量检测后方可使用。
2 材料及主要设备的检测应符合下列规定:1)按照合同文件和工程设计文件进行的进场验收,应有书面记录和参加人签字,并应经监理工程师或建设单位验收人员确认;2)应对材料、设备的外观、规格、型号、数量及产地等进行检查复核;3)主要设备、材料应有生产厂家的质量合格证明文件及性能的检测报告。
3 设备及材料的质量检查应包括安全性、可靠性及电磁兼容性等项目,并应由生产厂家出具相应检测报告。
4.5.1 主控项目应符合下列规定:3 线缆两端应有防水、耐摩擦的永久性标签,标签书写应清晰、准确。
13.2.1 桥架、管线敷设除应执行国家标准《火灾自动报警系统施工及验收规范》GB50166-2007第3.2节的规定和本规范第4章的规定外,尚应符合下列规定:2 报警线缆连接应在端子箱或分支盒内进行,导线连接应采用可靠压接或焊接。
13.1.3 材料与设备准备应符合下列规定:3 桥架、线缆、钢管、金属软管、阻燃塑料管、防火涂料以及安装附件等应符合防火设计要求。
4 应根据现行国家标准《火灾自动报警系统设计规范》GB50116的有关规定,对线缆的种类、电压等级进行检查。
GB50303-2002
(I )
GB50303-2002
(II)
060502
电线导管、电缆导管和线槽敷设工程检验批质量验收记录表(表一)
GB50303-2002
(I )
电线导管、电缆导管和线槽敷设工程检验批质量验收记录表(表二)
GB50303-2002
(II)
电线导管、电缆导管和线槽敷设工程检验批质量验收记录表(表一)
GB50303-2002
(I )
电线导管、电缆导管和线槽敷设工程检验批质量验收记录表(表二)
GB50303-2002
(II)
电线导管、电缆导管和线槽敷设工程检验批质量验收记录表(表一)
GB50303-2002
(I )
电线导管、电缆导管和线槽敷设工程检验批质量验收记录表(表二)
GB50303-2002
(II)
电线导管、电缆导管和线槽敷设工程检验批质量验收记录表(表一)
GB50303-2002
(I )
电线导管、电缆导管和线槽敷设工程检验批质量验收记录表(表二)
GB50303-2002
(II)
.
.。
GB50303-2002(I )060304单位工程名称山西省易高煤层气有限公司煤层气液化二期综合楼分部及部位弱电 一层施工单位名称中国第四冶金建设公司山西易高煤层气液化二期项目部项目经理施工工艺标准及编号《建筑与建筑群综合布线系统工程验收规范》GB50312-2000施工质量验收规范的规定施工单位检查记录必须可靠符合质量验收规范要求√镀锌的钢导管、可挠性导管、金属线槽不得熔焊跨接地线,以专用接地卡跨接的两卡间连接为铜芯软导线,截积≥4mm 2符合质量验收规范要求√非镀锌钢导管焊跨接接地线符合质量验收规范要求√镀锌钢导管螺纹连接处的两端用专用接地卡固定跨接接地线符合质量验收规范要求√金属线槽不作设备的接地导体,当设计无要求时,全长不少于2处于接地(PE )或接零(PEN )干线连接非镀锌金属线槽跨接铜芯接地线1金属的导管和线槽的接地(PE )或接零(PEN )镀锌金属线槽槽间连接板的两端不跨接接地线,但连接板两端不少于2个防松螺帽或放松垫圈的连接固定螺栓2金属导管严禁对口熔焊连接;镀锌和壁厚≤2mm 的钢导管不得套管熔焊连接符合要求√3防爆导管不应采用倒扣连接;当连接有困难时,应采用防爆活接头,其接合面应严密主控项目4当绝缘导管在砌体上剔槽埋设,应采用强度等级≥M10的水泥砂浆抹面保护,保护层厚度>15mm电缆种类最小允许弯曲半径有钢铠护套的橡皮绝缘电力电缆20D 聚氯乙烯绝缘电力电缆10D 交联聚氯乙烯绝缘电力电缆15D 1多芯对绞电缆10D符合质量验收规范要求√内外壁防腐处理符合质量验收规范要求√2金属导管的防腐埋设于混凝土内,内壁应防腐处理,外壁可不防腐处理符合质量验收规范要求√一般项目3进入落地式柜、台、箱、盘内的导管管口,应高出其基础面50—80mmGB50303-2002060304060502单位工程名称山西省易高煤层气有限公司煤层气液化二期综合楼分部及部位弱电一层施工单位名称中国第四冶金建设公司山西易高煤层气液化二期项目部项目经理施工工艺标准名称及编号《建筑电气分部工程质量验收记录规范》GB50303-2002施工质量验收规范的规定施工单位检查记录暗配埋设深度与建筑物、构筑物表面的距离≥15mm符合要求√排列整齐,固定点距均匀,安装牢固在终端、弯头中点或柜、台、箱盘等边缘的距离150-500mm范围内设有管卡,中间直线段管卡间的最大距离应符合表内规定导管直径(MM)15-2025-3232-4050-6565以上导管种类管卡间最大距离壁厚>2mm刚性钢导管1.52.0 2.5 2.53.5壁厚≤2mm刚性钢导管1.0 1.52.0----4导管敷设明敷刚性钢导管 1.0 1.5 1.5 2.0 2.05线槽应安装牢固,无扭曲变形,紧固件的螺母应在线槽外侧安装牢固顺直,镀锌层锈蚀或剥落处做防腐处理6防爆导管敷设导管间及与灯具、开关、线盒等的螺纹连接处紧密牢固,除设计有特殊要求外,连接处不跨接接地线,在螺纹上涂以电力复合酯或导电性防锈酯管口平直光滑;管与管、管与盒(箱)等器件采用插入法连接时,连接处结合面涂专用胶合剂,接口牢固密封直埋于地下或楼板内的刚性绝缘导管,在穿出地面或楼板易受机械损伤的一段,采取保护措施7绝缘导管敷设当设计无要求时,埋设在墙内或混凝土内的绝缘导管,采用中型以上的导管在动力工程中≤0.8刚性导管经柔性导管与电器设备、器具连接,柔性导管的长度(m)在照明工程中≤1.2可挠金属管或其他柔性导管与刚性导管或电器设备、器具间的连接采用专用接头复合型可挠金属管或其他柔性导管的连接处密封良好,防液覆盖层完整无损8金属、非金属柔性导管敷设可挠性金属导管金属柔性导管不能做接地(PE)或接零(PEN)的接续导体一般项目9导管和线槽,在建筑物变形缝处,应设补偿装置符合要求√施工单位检查结果施工班组长:专业施工员:项目专业质检员:年月日监理(建设)单位验收结论专业监理工程师:(建设单位项目专业技术负责人)年月日(II)GB50303-2002(I )060304单位工程名称山西省易高煤层气有限公司煤层气液化二期综合楼分部及部位弱电 二层施工单位名称中国第四冶金建设公司山西易高煤层气液化二期项目部项目经理施工工艺标准及编号《建筑与建筑群综合布线系统工程验收规范》GB50312-2000施工质量验收规范的规定施工单位检查记录必须可靠符合质量验收规范要求√镀锌的钢导管、可挠性导管、金属线槽不得熔焊跨接地线,以专用接地卡跨接的两卡间连接为铜芯软导线,截积≥4mm 2符合质量验收规范要求√非镀锌钢导管焊跨接接地线符合质量验收规范要求√镀锌钢导管螺纹连接处的两端用专用接地卡固定跨接接地线符合质量验收规范要求√金属线槽不作设备的接地导体,当设计无要求时,全长不少于2处于接地(PE )或接零(PEN )干线连接非镀锌金属线槽跨接铜芯接地线1金属的导管和线槽的接地(PE )或接零(PEN )镀锌金属线槽槽间连接板的两端不跨接接地线,但连接板两端不少于2个防松螺帽或放松垫圈的连接固定螺栓2金属导管严禁对口熔焊连接;镀锌和壁厚≤2mm 的钢导管不得套管熔焊连接符合要求√3防爆导管不应采用倒扣连接;当连接有困难时,应采用防爆活接头,其接合面应严密主控项目4当绝缘导管在砌体上剔槽埋设,应采用强度等级≥M10的水泥砂浆抹面保护,保护层厚度>15mm电缆种类最小允许弯曲半径有钢铠护套的橡皮绝缘电力电缆20D 聚氯乙烯绝缘电力电缆10D 交联聚氯乙烯绝缘电力电缆15D 1多芯对绞电缆10D符合质量验收规范要求√内外壁防腐处理符合质量验收规范要求√2金属导管的防腐埋设于混凝土内,内壁应防腐处理,外壁可不防腐处理符合质量验收规范要求√一般项目3进入落地式柜、台、箱、盘内的导管管口,应高出其基础面50—80mmGB50303-2002060304单位工程名称山西省易高煤层气有限公司煤层气液化二期综合楼分部及部位弱电二层施工单位名称中国第四冶金建设公司山西易高煤层气液化二期项目部项目经理施工工艺标准名称及编号《建筑电气分部工程质量验收记录规范》GB50303-2002施工质量验收规范的规定施工单位检查记录暗配埋设深度与建筑物、构筑物表面的距离≥15mm符合要求√排列整齐,固定点距均匀,安装牢固在终端、弯头中点或柜、台、箱盘等边缘的距离150-500mm范围内设有管卡,中间直线段管卡间的最大距离应符合表内规定导管直径(MM)15-2025-3232-4050-6565以上导管种类管卡间最大距离壁厚>2mm刚性钢导管1.52.0 2.5 2.53.5壁厚≤2mm刚性钢导管1.0 1.52.0----4导管敷设明敷刚性钢导管 1.0 1.5 1.5 2.0 2.05线槽应安装牢固,无扭曲变形,紧固件的螺母应在线槽外侧安装牢固顺直,镀锌层锈蚀或剥落处做防腐处理6防爆导管敷设导管间及与灯具、开关、线盒等的螺纹连接处紧密牢固,除设计有特殊要求外,连接处不跨接接地线,在螺纹上涂以电力复合酯或导电性防锈酯管口平直光滑;管与管、管与盒(箱)等器件采用插入法连接时,连接处结合面涂专用胶合剂,接口牢固密封直埋于地下或楼板内的刚性绝缘导管,在穿出地面或楼板易受机械损伤的一段,采取保护措施7绝缘导管敷设当设计无要求时,埋设在墙内或混凝土内的绝缘导管,采用中型以上的导管在动力工程中≤0.8刚性导管经柔性导管与电器设备、器具连接,柔性导管的长度(m)在照明工程中≤1.2可挠金属管或其他柔性导管与刚性导管或电器设备、器具间的连接采用专用接头复合型可挠金属管或其他柔性导管的连接处密封良好,防液覆盖层完整无损8金属、非金属柔性导管敷设可挠性金属导管金属柔性导管不能做接地(PE)或接零(PEN)的接续导体一般项目9导管和线槽,在建筑物变形缝处,应设补偿装置符合要求√施工单位检查结果施工班组长:专业施工员:项目专业质检员:年月日监理(建设)单位验收结论专业监理工程师:(建设单位项目专业技术负责人)年月日(II)GB50303-2002(I )060304单位工程名称山西省易高煤层气有限公司煤层气液化二期综合楼分部及部位弱电 三层施工单位名称中国第四冶金建设公司山西易高煤层气液化二期项目部项目经理施工工艺标准及编号《建筑与建筑群综合布线系统工程验收规范》GB50312-2000施工质量验收规范的规定施工单位检查记录必须可靠符合质量验收规范要求√镀锌的钢导管、可挠性导管、金属线槽不得熔焊跨接地线,以专用接地卡跨接的两卡间连接为铜芯软导线,截积≥4mm 2符合质量验收规范要求√非镀锌钢导管焊跨接接地线符合质量验收规范要求√镀锌钢导管螺纹连接处的两端用专用接地卡固定跨接接地线符合质量验收规范要求√金属线槽不作设备的接地导体,当设计无要求时,全长不少于2处于接地(PE )或接零(PEN )干线连接非镀锌金属线槽跨接铜芯接地线1金属的导管和线槽的接地(PE )或接零(PEN )镀锌金属线槽槽间连接板的两端不跨接接地线,但连接板两端不少于2个防松螺帽或放松垫圈的连接固定螺栓2金属导管严禁对口熔焊连接;镀锌和壁厚≤2mm 的钢导管不得套管熔焊连接符合要求√3防爆导管不应采用倒扣连接;当连接有困难时,应采用防爆活接头,其接合面应严密主控项目4当绝缘导管在砌体上剔槽埋设,应采用强度等级≥M10的水泥砂浆抹面保护,保护层厚度>15mm电缆种类最小允许弯曲半径有钢铠护套的橡皮绝缘电力电缆20D 聚氯乙烯绝缘电力电缆10D 交联聚氯乙烯绝缘电力电缆15D 1多芯对绞电缆10D符合质量验收规范要求√内外壁防腐处理符合质量验收规范要求√2金属导管的防腐埋设于混凝土内,内壁应防腐处理,外壁可不防腐处理符合质量验收规范要求√一般项目3进入落地式柜、台、箱、盘内的导管管口,应高出其基础面50—80mmGB50303-2002060304单位工程名称山西省易高煤层气有限公司煤层气液化二期综合楼分部及部位弱电三层施工单位名称中国第四冶金建设公司山西易高煤层气液化二期项目部项目经理施工工艺标准名称及编号《建筑电气分部工程质量验收记录规范》GB50303-2002施工质量验收规范的规定施工单位检查记录暗配埋设深度与建筑物、构筑物表面的距离≥15mm符合要求√排列整齐,固定点距均匀,安装牢固在终端、弯头中点或柜、台、箱盘等边缘的距离150-500mm范围内设有管卡,中间直线段管卡间的最大距离应符合表内规定导管直径(MM)15-2025-3232-4050-6565以上导管种类管卡间最大距离壁厚>2mm刚性钢导管1.52.0 2.5 2.53.5壁厚≤2mm刚性钢导管1.0 1.52.0----4导管敷设明敷刚性钢导管 1.0 1.5 1.5 2.0 2.05线槽应安装牢固,无扭曲变形,紧固件的螺母应在线槽外侧安装牢固顺直,镀锌层锈蚀或剥落处做防腐处理6防爆导管敷设导管间及与灯具、开关、线盒等的螺纹连接处紧密牢固,除设计有特殊要求外,连接处不跨接接地线,在螺纹上涂以电力复合酯或导电性防锈酯管口平直光滑;管与管、管与盒(箱)等器件采用插入法连接时,连接处结合面涂专用胶合剂,接口牢固密封直埋于地下或楼板内的刚性绝缘导管,在穿出地面或楼板易受机械损伤的一段,采取保护措施7绝缘导管敷设当设计无要求时,埋设在墙内或混凝土内的绝缘导管,采用中型以上的导管在动力工程中≤0.8刚性导管经柔性导管与电器设备、器具连接,柔性导管的长度(m)在照明工程中≤1.2可挠金属管或其他柔性导管与刚性导管或电器设备、器具间的连接采用专用接头复合型可挠金属管或其他柔性导管的连接处密封良好,防液覆盖层完整无损8金属、非金属柔性导管敷设可挠性金属导管金属柔性导管不能做接地(PE)或接零(PEN)的接续导体一般项目9导管和线槽,在建筑物变形缝处,应设补偿装置符合要求√施工单位检查结果施工班组长:专业施工员:项目专业质检员:年月日监理(建设)单位验收结论专业监理工程师:(建设单位项目专业技术负责人)年月日(II)GB50303-2002(I )060304单位工程名称山西省易高煤层气有限公司煤层气液化二期综合楼分部及部位弱电 四层施工单位名称中国第四冶金建设公司山西易高煤层气液化二期项目部项目经理施工工艺标准及编号《建筑与建筑群综合布线系统工程验收规范》GB50312-2000施工质量验收规范的规定施工单位检查记录必须可靠符合质量验收规范要求√镀锌的钢导管、可挠性导管、金属线槽不得熔焊跨接地线,以专用接地卡跨接的两卡间连接为铜芯软导线,截积≥4mm 2符合质量验收规范要求√非镀锌钢导管焊跨接接地线符合质量验收规范要求√镀锌钢导管螺纹连接处的两端用专用接地卡固定跨接接地线符合质量验收规范要求√金属线槽不作设备的接地导体,当设计无要求时,全长不少于2处于接地(PE )或接零(PEN )干线连接非镀锌金属线槽跨接铜芯接地线1金属的导管和线槽的接地(PE )或接零(PEN )镀锌金属线槽槽间连接板的两端不跨接接地线,但连接板两端不少于2个防松螺帽或放松垫圈的连接固定螺栓2金属导管严禁对口熔焊连接;镀锌和壁厚≤2mm 的钢导管不得套管熔焊连接符合要求√3防爆导管不应采用倒扣连接;当连接有困难时,应采用防爆活接头,其接合面应严密主控项目4当绝缘导管在砌体上剔槽埋设,应采用强度等级≥M10的水泥砂浆抹面保护,保护层厚度>15mm电缆种类最小允许弯曲半径有钢铠护套的橡皮绝缘电力电缆20D 聚氯乙烯绝缘电力电缆10D 交联聚氯乙烯绝缘电力电缆15D 1多芯对绞电缆10D符合质量验收规范要求√内外壁防腐处理符合质量验收规范要求√2金属导管的防腐埋设于混凝土内,内壁应防腐处理,外壁可不防腐处理符合质量验收规范要求√一般项目3进入落地式柜、台、箱、盘内的导管管口,应高出其基础面50—80mmGB50303-2002060304单位工程名称山西省易高煤层气有限公司煤层气液化二期综合楼分部及部位弱电四层施工单位名称中国第四冶金建设公司山西易高煤层气液化二期项目部项目经理施工工艺标准名称及编号《建筑电气分部工程质量验收记录规范》GB50303-2002施工质量验收规范的规定施工单位检查记录暗配埋设深度与建筑物、构筑物表面的距离≥15mm符合要求√排列整齐,固定点距均匀,安装牢固在终端、弯头中点或柜、台、箱盘等边缘的距离150-500mm范围内设有管卡,中间直线段管卡间的最大距离应符合表内规定导管直径(MM)15-2025-3232-4050-6565以上导管种类管卡间最大距离壁厚>2mm刚性钢导管1.52.0 2.5 2.53.5壁厚≤2mm刚性钢导管1.0 1.52.0----4导管敷设明敷刚性钢导管 1.0 1.5 1.5 2.0 2.05线槽应安装牢固,无扭曲变形,紧固件的螺母应在线槽外侧安装牢固顺直,镀锌层锈蚀或剥落处做防腐处理6防爆导管敷设导管间及与灯具、开关、线盒等的螺纹连接处紧密牢固,除设计有特殊要求外,连接处不跨接接地线,在螺纹上涂以电力复合酯或导电性防锈酯管口平直光滑;管与管、管与盒(箱)等器件采用插入法连接时,连接处结合面涂专用胶合剂,接口牢固密封直埋于地下或楼板内的刚性绝缘导管,在穿出地面或楼板易受机械损伤的一段,采取保护措施7绝缘导管敷设当设计无要求时,埋设在墙内或混凝土内的绝缘导管,采用中型以上的导管在动力工程中≤0.8刚性导管经柔性导管与电器设备、器具连接,柔性导管的长度(m)在照明工程中≤1.2可挠金属管或其他柔性导管与刚性导管或电器设备、器具间的连接采用专用接头复合型可挠金属管或其他柔性导管的连接处密封良好,防液覆盖层完整无损8金属、非金属柔性导管敷设可挠性金属导管金属柔性导管不能做接地(PE)或接零(PEN)的接续导体一般项目9导管和线槽,在建筑物变形缝处,应设补偿装置符合要求√施工单位检查结果施工班组长:专业施工员:项目专业质检员:年月日监理(建设)单位验收结论专业监理工程师:(建设单位项目专业技术负责人)年月日(II)GB50303-2002(I )060304单位工程名称山西省易高煤层气有限公司煤层气液化二期综合楼分部及部位弱电 五层施工单位名称中国第四冶金建设公司山西易高煤层气液化二期项目部项目经理施工工艺标准及编号《建筑与建筑群综合布线系统工程验收规范》GB50312-2000施工质量验收规范的规定施工单位检查记录必须可靠符合质量验收规范要求√镀锌的钢导管、可挠性导管、金属线槽不得熔焊跨接地线,以专用接地卡跨接的两卡间连接为铜芯软导线,截积≥4mm 2符合质量验收规范要求√非镀锌钢导管焊跨接接地线符合质量验收规范要求√镀锌钢导管螺纹连接处的两端用专用接地卡固定跨接接地线符合质量验收规范要求√金属线槽不作设备的接地导体,当设计无要求时,全长不少于2处于接地(PE )或接零(PEN )干线连接非镀锌金属线槽跨接铜芯接地线1金属的导管和线槽的接地(PE )或接零(PEN )镀锌金属线槽槽间连接板的两端不跨接接地线,但连接板两端不少于2个防松螺帽或放松垫圈的连接固定螺栓2金属导管严禁对口熔焊连接;镀锌和壁厚≤2mm 的钢导管不得套管熔焊连接符合要求√3防爆导管不应采用倒扣连接;当连接有困难时,应采用防爆活接头,其接合面应严密主控项目4当绝缘导管在砌体上剔槽埋设,应采用强度等级≥M10的水泥砂浆抹面保护,保护层厚度>15mm电缆种类最小允许弯曲半径有钢铠护套的橡皮绝缘电力电缆20D 聚氯乙烯绝缘电力电缆10D 交联聚氯乙烯绝缘电力电缆15D 1多芯对绞电缆10D符合质量验收规范要求√内外壁防腐处理符合质量验收规范要求√2金属导管的防腐埋设于混凝土内,内壁应防腐处理,外壁可不防腐处理符合质量验收规范要求√一般项目3进入落地式柜、台、箱、盘内的导管管口,应高出其基础面50—80mmGB50303-2002060304单位工程名称山西省易高煤层气有限公司煤层气液化二期综合楼分部及部位弱电五层施工单位名称中国第四冶金建设公司山西易高煤层气液化二期项目部项目经理施工工艺标准名称及编号《建筑电气分部工程质量验收记录规范》GB50303-2002施工质量验收规范的规定施工单位检查记录暗配埋设深度与建筑物、构筑物表面的距离≥15mm符合要求√排列整齐,固定点距均匀,安装牢固在终端、弯头中点或柜、台、箱盘等边缘的距离150-500mm范围内设有管卡,中间直线段管卡间的最大距离应符合表内规定导管直径(MM)15-2025-3232-4050-6565以上导管种类管卡间最大距离壁厚>2mm刚性钢导管1.52.0 2.5 2.53.5壁厚≤2mm刚性钢导管1.0 1.52.0----4导管敷设明敷刚性钢导管 1.0 1.5 1.5 2.0 2.05线槽应安装牢固,无扭曲变形,紧固件的螺母应在线槽外侧安装牢固顺直,镀锌层锈蚀或剥落处做防腐处理6防爆导管敷设导管间及与灯具、开关、线盒等的螺纹连接处紧密牢固,除设计有特殊要求外,连接处不跨接接地线,在螺纹上涂以电力复合酯或导电性防锈酯管口平直光滑;管与管、管与盒(箱)等器件采用插入法连接时,连接处结合面涂专用胶合剂,接口牢固密封直埋于地下或楼板内的刚性绝缘导管,在穿出地面或楼板易受机械损伤的一段,采取保护措施7绝缘导管敷设当设计无要求时,埋设在墙内或混凝土内的绝缘导管,采用中型以上的导管在动力工程中≤0.8刚性导管经柔性导管与电器设备、器具连接,柔性导管的长度(m)在照明工程中≤1.2可挠金属管或其他柔性导管与刚性导管或电器设备、器具间的连接采用专用接头复合型可挠金属管或其他柔性导管的连接处密封良好,防液覆盖层完整无损8金属、非金属柔性导管敷设可挠性金属导管金属柔性导管不能做接地(PE)或接零(PEN)的接续导体一般项目9导管和线槽,在建筑物变形缝处,应设补偿装置符合要求√施工单位检查结果施工班组长:专业施工员:项目专业质检员:年月日监理(建设)单位验收结论专业监理工程师:(建设单位项目专业技术负责人)年月日(II)。
电缆保护管敷设检验批质量检验记录1. 范本(风格一)电缆保护管敷设检验批质量检验记录1. 项目背景1.1 项目概述1.2 电缆保护管敷设的目的和重要性2. 检验准备2.1 检验范围和标准2.2 检验设备和工具的准备2.3 检验人员的安排3. 检验过程3.1 检验前的准备工作3.2 敷设工艺的检验3.3 材料和设备的检验3.4 施工质量的检验3.5 敷设现场的环境检验4. 检验结果4.1 敷设工艺的合格情况4.2 材料和设备的合格情况4.3 施工质量的合格情况4.4 敷设现场的环境合格情况5. 检验总结5.1 各项检验结果的总结5.2 存在的问题和不合格项的处理措施5.3 对敷设过程的建议和改进措施6. 附件6.1 相关文件和图纸6.2 检验记录表格附件:- 敷设工艺图纸- 电缆保护管材料质量证明书- 监测设备的检验报告法律名词及注释:- 敷设:指按照规定要求进行电缆保护管的铺设和安装。
- 材料和设备:指用于电缆保护管敷设工作的各种材料和设备,如管材、接头、固定件等。
- 施工质量:指电缆保护管敷设过程中的外观质量、连接质量、规格尺寸等方面的合格情况。
2. 范本(风格二)电缆保护管敷设检验批质量检验记录1. 质量检验记录概述1.1 检验记录的目的1.2 检验记录的重要性2. 检验准备工作2.1 检验项目的确定2.2 检验标准的制定2.3 检验工具和设备的准备3. 检验过程3.1 检验前的准备工作3.2 敷设工艺的检验方法3.3 材料和设备的检验方法3.4 施工质量的检验方法3.5 敷设现场的环境检验方法4. 检验结果记录及评定4.1 敷设工艺的合格情况记录和评定4.2 材料和设备的合格情况记录和评定4.3 施工质量的合格情况记录和评定4.4 敷设现场的环境合格情况记录和评定5. 检验总结及改进建议5.1 各项检验结果的总结及评价5.2 问题和不合格项的处理措施5.3 敷设过程的建议和改进措施6. 附件6.1 相关文件和图纸6.2 检验记录表格附件:- 敷设工艺图纸- 电缆保护管材料质量证明书- 监测设备的检验报告法律名词及注释:- 敷设:按照规定要求进行电缆保护管的铺设和安装工作。
电线电缆穿管和线槽敷线安装工程检验批质量验收记录日期:2024年X月X日项目名称:XXX工程总包单位:XXX公司施工单位:XXX公司监理单位:XXX公司一、工程概况:该工程是电线电缆穿管和线槽敷线安装工程,总长XXX米。
按照设计要求和施工图纸,本次验收主要检查穿管安装和线槽敷设工艺是否符合规范要求,以及工程质量是否符合标准。
二、检验批次及工程部位:本次检验共分为X个批次进行,主要包括穿管安装和线槽敷设两个部分。
具体批次如下:1.穿管安装:批次一、批次二、批次三、..2.线槽敷设:批次一、批次二、批次三、..三、检验方法和标准:1.检验方法:现场实地检查和测量、抽样送验等方式。
2.检验标准:按照国家标准《电线电缆穿管和线槽敷设技术规范》(GB/TXXXX)和设计要求进行验收。
四、检验结果:1.穿管安装:批次一:a.穿管工艺:施工人员按照设计要求和规范进行穿管,管道连接牢固,且无明显倾斜。
b.管道标识:每根穿过的管道都标有规范要求的标识,清晰易读。
c.管道保护:穿过的管道有适当的保护措施,避免机械损伤。
结论:穿管安装工艺符合规范要求,质量合格。
批次二:a.穿管工艺:施工人员按照设计要求和规范进行穿管,管道连接牢固,且无明显倾斜。
b.管道标识:标识清晰,易读,与设计图纸一致。
c.管道保护:穿过的管道有适当的保护措施,避免机械损伤。
结论:穿管安装工艺符合规范要求,质量合格。
2.线槽敷设:批次一:a.线槽尺寸:线槽尺寸符合设计要求,且无明显变形、裂缝等缺陷。
b.线槽固定:线槽固定牢固,无松动现象。
c.线槽标识:每个线槽都标有规范要求的标识,清晰易读。
结论:线槽敷设工艺符合规范要求,质量合格。
批次二:a.线槽尺寸:线槽尺寸符合设计要求,且无明显变形、裂缝等缺陷。
b.线槽固定:线槽固定牢固,无松动现象。
c.线槽标识:标识清晰,易读,与设计图纸一致。
结论:线槽敷设工艺符合规范要求,质量合格。
五、存在问题及处理意见:1.检验过程中,未发现存在重大质量问题。
PVC电线导管敷设分项工程检验批质量验收记录范本一:一、项目概况1.1 项目名称1.2 项目地点1.3 项目负责人1.4 项目施工单位二、检验批信息2.1 检验批名称2.2 检验批编号2.3 检验批开始日期三、验收标准3.1 相关术语和定义3.2 验收标准文件3.3 验收标准检查内容四、检验人员4.1 检验人员姓名4.2 检验人员职务4.3 检验人员电.化五、检验内容5.1 PVC电线导管材料验收a) 规格、材质、颜色是否符合要求b) 强度、柔韧性测试结果是否合格c) 外观是否有明显缺陷5.2 敷设前的准备工作验收a) 正确埋设管沟、安装固定件b) 管沟深度、宽度是否满足要求c) 管道连接是否牢固5.3 导管敷设过程验收a) 导管安装是否平直、平行b) 导管弯曲半径是否符合规定c) 导管固定件是否稳固可靠5.4 导管敷设完成后的验收a) 敷设长度、角度是否满足设计要求b) 导管是否完整、无缺损c) 导管与其他设备连接是否牢固六、检验结果记录6.1 合格项记录a) 检验内容b) 结果c)6.2 不合格项记录a) 检验内容b) 结果c) 不合格原因d) 处理措施七、检验批总结7.1 总结本次检验批工作7.2 展望下一阶段的工作附件:检验报告、验收标准文件、验收记录照片附注:1. 本文所涉及的法律名词及注释:a) PVC:聚氯乙烯的简称,是一种常用的塑料材料,具有良好的隔热、耐腐蚀性能,被广泛应用于电线导管的制造。
b) 导管:一种用于保护电线的管道,通常由PVC材料制成,具有较好的柔韧性和耐磨性。
c) 敷设:在建筑、工程中指将材料或设备铺设、安装到指定位置的过程。
---范本二:一、项目概况1.1 项目名称1.2 项目地点1.3 项目负责人1.4 项目施工单位二、检验批信息2.1 检验批名称2.2 检验批编号2.3 检验批开始日期三、验收标准3.1 相关术语和定义3.2 验收标准文件3.3 验收标准检查内容四、检验人员4.1 检验人员姓名4.2 检验人员职务4.3 检验人员电.化五、检验内容5.1 PVC电线导管材料验收a) 规格、材质、颜色是否符合要求b) 强度、柔韧性测试结果是否合格c) 外观是否有明显缺陷5.2 敷设前的准备工作验收a) 正确埋设管沟、安装固定件b) 管沟深度、宽度是否满足要求c) 管道连接是否牢固5.3 导管敷设过程验收a) 导管安装是否平直、平行b) 导管弯曲半径是否符合规定c) 导管固定件是否稳固可靠5.4 导管敷设完成后的验收a) 敷设长度、角度是否满足设计要求b) 导管是否完整、无缺损c) 导管与其他设备连接是否牢固六、检验结果记录6.1 合格项记录a) 检验内容b) 结果c)6.2 不合格项记录a) 检验内容b) 结果c) 不合格原因d) 处理措施七、检验批总结7.1 总结本次检验批工作7.2 展望下一阶段的工作附件:检验报告、验收标准文件、验收记录照片附注:1. 本文所涉及的法律名词及注释:a) PVC:聚氯乙烯的简称,是一种常用的塑料材料,具有良好的隔热、耐腐蚀性能,被广泛应用于电线导管的制造。
管道敷设检验批安全质量验收记录1. 概述管道敷设是工程建设的重要环节,为确保施工质量和安全,需要进行检验批安全质量验收。
本文档记录了某次管道敷设检验批的安全质量验收情况。
2. 验收对象本次验收的管道敷设检验批包括以下几个方面:- 管道材料的质量验收- 管道安装工艺的合规性验收- 管道焊接质量的验收- 管道防腐层施工质量的验收3. 验收记录本次管道敷设检验批的验收记录如下:3.1 管道材料质量验收- 根据工程要求,对管道材料进行了质量检查,包括检查材料的型号、规格、质量证明和验收合格证书等。
- 在整个材料验收过程中未发现任何质量问题,所有材料通过了验收。
3.2 管道安装工艺合规性验收- 对管道安装过程中涉及的工艺进行了审核,包括管道布置、支架安装、焊接工艺、连接工艺等。
- 经过审核,所有的安装工艺均符合相关标准和规范要求。
3.3 管道焊接质量验收- 对管道焊接工艺进行了质量验收,包括焊缝质量、焊接接头的保护等。
- 所有焊接工艺均符合相关标准,焊缝质量良好,焊接接头得到了有效的保护措施。
3.4 管道防腐层施工质量验收- 对管道防腐层施工进行了质量验收,包括涂层厚度、附着力等指标的测量。
- 经过测量,管道防腐层厚度符合要求,附着力良好。
4. 验收结论根据以上各个方面的验收记录,本次管道敷设检验批的安全质量均符合要求,通过了验收。
5. 验收人员- 主验收人: [填写主验收人姓名]- 验收人员:[填写其他参与验收的人员姓名]6. 特别说明[填写特别说明,如发现的问题、处理措施等]7. 附件[列出所有附件,如检测报告、验收证书等]以上是管道敷设检验批安全质量验收记录的内容。
如有疑问或需要进一步了解,请随时与我联系。
电缆保护管敷设检验批质量检验记录一、检验项目:电缆保护管的敷设质量检验二、检验对象:电缆保护管工程三、检验依据:《电缆保护管施工及验收规范》四、检验要求:1. 敷设质量:电缆保护管敷设应符合规范的要求,包括水平、垂直与固定方式等。
2. 管材质量:电缆保护管材质应按规范要求使用耐腐蚀、抗压、绝缘性能良好的材料。
3. 连接件质量:电缆保护管连接件应符合规范要求,连接牢固,密封性好。
4. 管沟开挖与回填:电缆保护管敷设前,管沟的开挖与回填应符合规范要求。
五、检验内容:1. 敷设质量检验(1)检查电缆保护管的敷设是否垂直、水平,且与设计要求一致。
(2)检查电缆保护管的固定方式,是否能够稳固地支撑电缆,并满足规范要求。
2. 管材质量检验(1)对电缆保护管的材料进行检查,确认其符合规范要求,并无明显的损坏、变形、腐蚀等问题。
3. 连接件质量检验(1)检查电缆保护管连接件的质量,确认其牢固连接,无松动、渗漏等问题。
4. 管沟开挖与回填检验(1)检查电缆保护管的管沟开挖情况,确认开挖宽度、深度符合规范要求,并无埋挡物。
(2)检查电缆保护管的回填情况,确认回填材料符合规范要求,并且固定稳定,无空洞。
六、检验结果:经对电缆保护管工程进行检验,结果如下:1. 敷设质量:电缆保护管敷设垂直、水平,与设计要求一致。
2. 管材质量:电缆保护管材质符合规范要求,无明显损坏、变形、腐蚀等问题。
3. 连接件质量:电缆保护管连接件牢固连接,无松动、渗漏等问题。
4. 管沟开挖与回填:电缆保护管沟开挖宽度、深度符合规范要求,无埋挡物;回填材料符合规范要求,固定稳定,无空洞。
七、检验结论:本次电缆保护管敷设检验批的质量符合规范要求,可通过验收。
八、检验人员:XXX九、日期:XXXX年XX月XX日。