电气照明安装检查记录
- 格式:doc
- 大小:10.50 KB
- 文档页数:1
第七册安全验收建筑施工现场临时用电电工安装、巡检、维修、拆除工作记录表7.4.5.5建筑施工现场临时用电电工安装、巡检、维修、拆除工作记录巡检及处理问题记录:巡视检查项目:配电线路,配电箱、开关箱巡视检查结果:1、配电线路并无老化,破损,断裂现象2、箱内无杂物,有门,锁,编号,防触电标志及防雨措施。
3、电器用途有明确标识,电箱进出线有点混乱设备(电箱)名称编号工作内容安装工作记录拆除工作记录维修工作记录分配电箱1、过维修电箱底进出线加绝缘护套并采用束卡固在箱体花栏架构上。
建筑电工:时间:年月日注:电工安装、巡检、维修、拆除工作记录为建筑电工每日工作日志,巡检内容包括施工现场配电线路、配电室、分配电箱、开关箱以及用电设备的日常检查。
建筑施工现场临时用电电工安装、巡检、维修、拆除工作记录巡检及处理问题记录:巡视检查项目:接地或接零保护系统;配电箱、开关箱巡视检查结果:1、工作接地,重复接地牢固性,系统保护零线重复接地少于 3 处。
2、总配电箱在电源隔离开关的负荷侧未装置漏电保护器。
设备(电箱)名称编号工作内容安装工作记录拆除工作记录维修工作记录工作接地、总配电箱1、工作接地,重复接地牢固性,系统保护零线重复接地大于 3 处。
2、总配电箱在电源隔离开关的负荷侧装置了漏电保护器。
建筑电工:时间:年月日注:电工安装、巡检、维修、拆除工作记录为建筑电工每日工作日志,巡检内容包括施工现场配电线路、配电室、分配电箱、开关箱以及用电设备的日常检查。
建筑施工现场临时用电电工安装、巡检、维修、拆除工作记录巡检及处理问题记录:巡视检查项目:接地或接零保护系统;配电箱、开关箱;现场生活区照明;配电线路;变配电装置巡视检查结果:1、配电线路无断裂现象,且与交通线路交叉的电源线符合有关规定。
2、配电线路有破坏现象3、照明回路没有漏电保护器4、总配电箱在电源隔离开关的负荷侧没有装置漏电保护器5、配电元器件间距不符合规范要求设备(电箱)名称编号工作内容安装工作记录拆除工作记录维修工作记录配电线路、总配电箱1、老化、破坏的配电线路已更换2、照明回路有漏电保护器3、总配电箱应在电源隔离开关的负荷侧装置漏电保护器4、配电元器件间距符合规范要求建筑电工:时间:年月日注:电工安装、巡检、维修、拆除工作记录为建筑电工每日工作日志,巡检内容包括施工现场配电线路、配电室、分配电箱、开关箱以及用电设备的日常检查。
成套配电柜控制柜和动力照明配电箱安装检验批质量验收记录一、前期准备1.检查施工方案和图纸,确保安装的配电柜位置符合要求。
2.检查材料清单,确保配电柜、控制柜和配电箱的规格、型号等与合同要求一致。
3.检查施工人员持证上岗情况,确保施工人员具备相应的操作技能和安全意识。
4.确定检验人员,并对其进行相关培训,使其了解验收的流程和要求。
二、安装检验过程1.安装前的准备工作:(1)检查现场环境是否清洁,确保无杂物和水淹情况,以免影响安装质量。
(2)检查场地的通风、排水等设施是否满足要求。
(3)核实验收人员的身份,确保落实责任。
2.安装过程:(1)按照施工方案和图纸要求,合理布置配电柜、控制柜和配电箱的位置。
(2)对配电柜、控制柜和配电箱进行安装,注意固定牢固,并确保布线连接正确。
(3)安装完毕后,进行清洁工作,确保无埋藏杂物和灰尘。
3.调试测试:(1)进行线路接地测试,确保接地电阻符合要求。
(2)进行线路绝缘测试,确保线路绝缘阻抗满足要求。
(3)进行电气性能测试,确保设备正常运行。
4.安全验收:(1)检查安装的配电柜、控制柜和配电箱是否牢固、合理。
(2)检查布线是否规范,接线是否正确。
(3)检查接地装置是否符合要求。
(4)检查标志、警示标识是否齐全、清晰。
以上检查工作,可制作检查表格,便于记录。
1.验收日期:_______年_______月_______日。
2.验收单位:_________。
3.验收人员:_________。
4.验收内容:(1)配电柜、控制柜和配电箱安装是否合理、牢固。
(2)布线是否规范、接线是否正确。
(3)接地装置是否符合要求。
(4)标志、警示标识是否齐全、清晰。
5.验收结果:(1)验收通过。
(2)验收不通过,具体原因:________________。
6.验收意见及处理:(1)对通过的部分可略过。
(2)对不通过的部分,应详细记录不通过的原因,并针对相应问题提出改进意见。
7.验收结论:根据以上验收情况,经过合理判定,对本次安装进行验收结论的明确。
电气照明专用灯具安装检验批质量验收记录注:本表内容的填写需依据《现场验收检验批检查原始记录》。
本检验批质量验收的规范依据见本页背面。
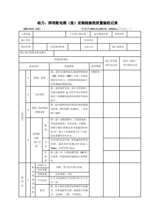
填写说明一、填写依据1 《建筑电气工程质量验收规范》GB50303-2002。
2 《建筑工程施工质量验收统一标准》GB50300-2013。
二、检验批划分按设计系统、区域、楼层、单元划分。
三、GB50303-2002规范摘要主控项目20.1.1 36V及以下行灯变压器和行灯安装必须符合下列规定:1 行灯电压不大于36V,在特殊潮湿场所或导电良好的地面上以及工作地点狭窄、行动不便的场所行灯电压不大于12V。
2 变压器外壳、铁芯和低压侧的任意一端或中性点,接地(PE)或接零(PEN)可靠。
3 行灯变压器为双圈变压器,其电源侧和负荷侧有熔断器保护,熔丝额定电流分别不应大于变压器一次、二次的额定电流。
4 行灯灯体及手柄绝缘良好,坚固耐热耐潮湿;灯头与灯体结合紧固,灯头无开关,灯泡外部有金属保护网、反光罩及悬吊挂钩,挂钩固定在灯具的绝缘手柄上。
20.1.2 游泳池和类似场所灯具(水下灯及防水灯具)的等电位联结应可靠,且有明显标识,其电源的专用漏电保护装置应全部检测合格。
自电源引入灯具的导管必须采用绝缘导管,严禁采用金属或有金属护层的导管。
20.1.3 手术台无影灯安装应符合下列规定:1 固定灯座的螺栓数量不少于灯具法兰底座上的固定孔数,且螺栓直径与底座孔径相适配;螺栓采用双螺母锁固。
2 在混凝土结构上螺栓与主筋相焊接或将螺栓末端弯曲与主筋绑扎锚固。
3 配电箱内装有专用的总开关及分路开关,电源分别接在两条专用的回路上,开关至灯具的电线采用额定电压不低于750V的铜芯多股绝缘电线。
20.1.4 应急照明灯具安装应符合下列规定:1 应急照明灯的电源除正常电源外,另有一路电源供电;或者是独立于正常电源的柴油发电机组供电;或由蓄电池柜供电或选用自带电源型应急灯具。
2 应急照明在正常电源断电后,电源转换时间为:疏散照明≤15s;备用照明≤15s(金融商店交易所≤1.5s);安全照明≤0.5s。
04建筑电气工程分部工程质量验收记录建筑电气工程是建筑工程中至关重要的一部分,质量验收是确保工程质量达标的重要环节。
以下是建筑电气工程分部工程质量验收记录:一、验收时间:2024年10月15日二、验收人员:项目负责人、主管工程师、电气工程师、施工单位负责人等三、验收内容:1.安装质量检查:(1)检查电气设备的安装位置、固定方式和接线是否符合设计要求;(2)检查电缆线槽、管道等走线方式是否符合要求,是否存在过度拉伸和扭曲现象;(3)检查接地装置的安装情况是否符合要求,接地电阻是否符合规范要求;(4)检查灯具安装高度和位置是否符合设计要求,及时更换损坏的灯具;(5)检查开关插座的安装是否牢固,触点是否正常。
2.电气设备验收:(1)检查变配电设备的运行状态是否正常,查看设备参数是否符合规范要求;(2)检查配电箱、开关箱等电气设备的外观质量、内部连接是否规范;(3)检查受电点、配电线路、照明线路等是否无漏电、短路等现象。
3.照明系统验收:(1)检查照明系统的亮度是否满足要求,光源是否均匀光线是否柔和;(2)检查照明设备的调节功能是否正常,是否存在闪烁、漏光等现象;(3)检查应急照明系统是否正常,演示发电、自启动等功能是否正常。
四、验收结论:经过全面检查,建筑电气工程分部的安装质量良好,设备运行正常,各项参数符合设计要求,照明系统亮度均匀,开关灵活,应急照明设备正常。
因此,本次建筑电气工程分部工程质量验收合格。
五、后续措施:(1)定期对电气设备进行维护保养,确保设备运行正常;(2)加强对照明系统的管理,保持良好的照明效果;(3)建立完善的巡检制度,确保电气设备的正常运行。
六、验收记录附件:验收照片、验收报告等以上为建筑电气工程分部工程质量验收记录,经过验收确认项目的电气工程分部达到设计要求,为施工单位后续工程提供了良好的基础。
照明工程验收记录表一、引言照明工程验收记录表是确保照明工程项目按照预期标准和效果进行的重要环节。
通过详细的验收过程,我们可以确保项目的质量、安全和功能性得到满足。
本文将详细介绍照明工程验收的步骤、要点和注意事项。
二、照明工程验收流程1、准备工作:在验收之前,需要做好充分的准备工作。
这包括熟悉项目的详细设计图纸、了解项目的目的和预期效果、准备必要的验收工具和设备等。
2、现场检查:到达照明工程项目现场后,首先要对项目的整体外观进行检查,观察照明设备的安装位置、线路布局、光源照射方向等是否符合设计要求。
同时,要检查设备的运行情况,如是否有噪音、温度是否正常等。
3、功能测试:对每个照明设备进行功能测试,检查是否能正常点亮,光源的亮度、色温等参数是否符合设计要求。
还要检查照明设备的控制功能是否正常,如定时开关、调光等功能。
4、安全性检查:安全性是照明工程验收的重要环节。
要检查照明设备的接地是否良好,电线是否破损,是否存在触电风险。
同时,要检查设备的防火性能,如灯具的散热性能、材料阻燃性等。
5、记录与评估:对验收过程中发现的问题进行详细记录,并对问题进行评估。
对于严重的问题,要及时与施工单位沟通并要求整改。
对于一般的问题,要记录下来并在后续的维护中进行处理。
6、签署验收报告:根据验收结果,填写照明工程验收报告。
报告中应包括验收的时间、地点、参与人员、验收结果及整改建议等内容。
三、照明工程验收要点1、对照明设备的性能进行全面检测,确保其能够满足设计要求。
2、对照明工程的施工质量和安全性进行严格把关,防止存在安全隐患。
3、对发现的问题进行及时处理和整改,确保照明工程的质量和安全性。
4、在验收过程中要注意保护个人安全和环境卫生,避免发生意外事故。
5、在验收过程中要注意保留相关记录和凭证,以便后续查阅和处理。
6、在验收过程中要注意遵守相关法律法规和规定,确保合法合规验收和使用照明设备。
7、在验收过程中要注意与相关方的沟通和协调,确保项目顺利通过验收并投入使用。
电气照明安装检查记录
电气照明安装检查记录工程名称:单元名称:照明盘编号照明盘型号回路数回路及绝缘检查记录回路号线(芯)数×截面积 mm2 绝缘电阻 MW 灯具数插座数就地开关数项类检查项目与要求检查结果检查日期安装检查设备型号.规格,防爆设备类型.级别.组别符合设计文件要求,防爆设备标有防爆合格证号设备(特别是吊灯.吊扇)安装牢固,位置.标高符合设计文件要求电气线路安装.接线及绝缘包扎符合规范要求防爆电气线路安装符合规范要求,进线口密封良好,隔离密封齐全送电试亮螺口灯头.插座的相.零.地线接线正确照明盘及开关的控制功能.回路编号与设计文件相符送电检查全部灯亮备注:结论:施工班组长:日期:年月日专业工程师:日期:年月日质量检查员:日期:年月日
第 1 页共 1 页。