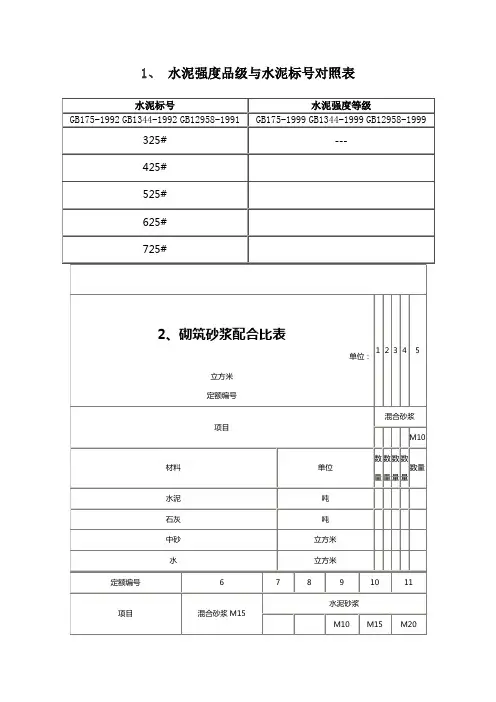
水泥强度等级与水泥标号对照表
- 格式:docx
- 大小:29.95 KB
- 文档页数:7
水泥新标准强度等级与原标准水泥标号欧洲水泥试行标准ENV197-1-95,将通用水泥强度等级分为32.5,32.5R,42.5,42.5R,52.5,52.5R;英国波特兰水泥标准BS12-91把强度等级分为32.5,32.5R,42.5,42.5R,5235,62.5以上两个标准所用强度检验方法是等同采用ISO679的ES196-1。
参照ENV197-1-95和BS12-91结合我国水泥质量现状及今后的发展,六大水泥的新标准强度等级设置:硅酸盐水泥设42.5,42.5R,52.5,52.5R,62.5,62.5R 六个等级,普通水泥,矿渣水泥,火山灰质水泥,粉煤灰水泥,复合水泥设32.5,32.5R,42.5,42.5R,52.5,52.5R六个等级。
与原标准相比硅酸盐水泥取消了725标号,增列了42.5等级,普通水泥取消了625和625R两个标号,增列了32.5等级,矿渣水泥,火山灰质水泥,粉煤灰水泥取消了275和625R标号,增列了32.5R强度等级,复合水泥增列了32.5R 强度等级。
见表4:新标准水泥强度等级、原标准水泥标号对照表:表4:新标准号GB175-1999 GB175-1999 GB12958-1999GB1344-1999水泥名称硅酸盐水泥普通硅酸盐水泥复合硅酸盐水泥矿渣、火山炭质粉煤灰硅酸盐水泥新标准强度等级42.5 42.5R 52.5 52.5R 62.5 62.5R 32.532.5R 42.5 42.5R 52.5 52.5R 32.5 32.5R 42.5 42.5R 52.5 52.5R 原标准号GB175-92 GB175-92 GB12958-91 GB1344-92原标准水泥标号425R 525 525R 626 625R 725R 325 425 425R 525 525R 625(普)625R(普)275 325 425 425R 525 525R 625。
1、水泥强度等级与水泥标号对照表
M5水泥砂浆的配合比:
条件:施工水平,一般;砂子,中砂;砂子含水率:2.5%;水泥实际强度:32.5 MPa
M5配合比(重量比):水泥:中砂=1:5.23。
每立方米砖砌体中,需要M5水泥砂浆是0.238m3,其中水泥67.59Kg;中砂354Kg(0.26m3)
M7.5水泥砂浆的配合比:
条件:施工水平,一般;砂子,中砂;砂子含水率:2.5%;水泥实际强度:32.5 MPa
M7.5配合比(重量比)水泥:中砂=1:4.82。
每立方米砖砌体中,需要M7.5水泥砂浆是0.251m3,其中水泥77.31Kg;中砂373Kg(0.27m3)
C20混凝土配合比
条件:坍落度35--50mm;砂子种类:粗砂,配制强度:28.2MPa;石子:河石;最大粒径:31.5mm;水泥强度等级32.5,实际强度35.0MPa .
C20混凝土配合比(重量比):水泥:砂:碎石:水=1:1.83:4.09:0.50
其中每立方米混凝土中,水泥含量:326Kg;砂的含量:598Kg;碎石:1332Kg
C25混凝土配合比
条件:坍落度35--50mm;砂子种类:粗砂,配制强度:28.2MPa;石子:河石(卵石);最大粒径:31.5mm;水泥强度等级32.5,实际强度35.0MPa .
C25混凝土配合比(重量比):水泥:砂:碎石:水=1:1.48:3.63:0.44
其中每立方米混凝土中,水泥含量:370Kg;砂的含量:549Kg;碎石:1344Kg 在实际施工过程中,砂浆、混凝土的配合比会因施工条件、材料条件的不同而变化,要根据实际情况进行现场调整。
因此上述的配合比只是参考值。
但变化的幅度不会太大。