配合比设计对集料的级配的选用
- 格式:doc
- 大小:16.00 KB
- 文档页数:2
0 引言随着工程项目建设的大规模和多样化,对混凝土的性能提出了更高的要求。
高性能混凝土的问世表明我国非常注重工程质量。
这是由于高性能混凝土相对于普通混凝土而言,高性能混凝土虽然价格稍高,但是其性能更好,对于我国经济的迅速发展起到了巨大的作用。
在实际工作中,材料实验室常常会对混凝土配合比进行试验与检测,如公路、房屋、桥梁等,都是由水泥混凝土及混凝土构件所构成,经常会在施工过程中见到,而且已经使用了很长时间。
在今后的工作中,应加强对混凝土配合比的设计与检验,对混凝土及相关建材的应用,以及对工程项目建设物的构造与构件的质量进行合理的改进。
1 混凝土配合比设计概述所谓混凝土配合比,简而言之,就是要将工程项目建设目前的结构特点、原材料的性能特点、工程项目建设中使用的各种技术、工程项目建设设备等都要考虑进去,在此基础上,以混凝土的混合特征及机械性质为依据,利用耐久性等多项特征,来决定混凝土原材料的配比,以满足目前工程项目建设的可操作性及经济性需求。
从理论上讲,混凝土配合比设计的有效性与工程混凝土的性能及造价密切相关,为满足工程对性能、经济等方面的优化需求,需进行混凝土配合比优化设计。
2 配合比设计目标分解传统的混凝土需要有经济性、工作性能、力学性能、耐久性能,并且要保证用传统的制造方法制造出合格的产品。
混凝土是一种新型的复合结构,其关键在于增强界面过渡带的填充性,增强制品与骨料的结合强度。
耐久性能是指在一定时期内,混凝土经得起风雨和化学腐蚀的耐力,并具有一定的使用性能。
造成混凝土耐久性问题的主要原因有:第一,侵蚀因素:侵蚀环境对混凝土结构的侵蚀;水、大气对水化产物的侵蚀;酸、碱、盐等会对产物结构造成影响,也包括超出其承受力或部分承受力的内力或外力。
第二,被腐蚀对象及其损坏方式。
混凝土结构与其组成材料,包含了护坡结构材料、水化产物、混凝土骨料,以及埋置的金属部件。
具体表现为:集料的溶蚀与流失、内部金属构件的锈蚀、水化产物的化学不稳定性、结构不稳定性、晶间膨胀破坏等由腐蚀物质渗透到混凝土中造成。
一、混凝土原材料选用配制高性能混凝土水泥应选用硅酸盐水泥或普通硅酸盐水泥,应符合《硅酸盐水泥、普通硅酸盐水泥》GB175的规定,不宜使用早强水泥。
矿物掺合料应选用品质稳定的产品,宜为粉煤灰、磨细粉煤灰、矿渣粉。
其他类型掺合料应经过专项论证,经业主方、监理方、咨询方认可方可应用。
所选用的矿物掺合料必须对混凝土和钢筋无害,并应符合国家现行有关标准规定。
高性能混凝土的细集料应选用细度模量为2.6-3.2的天然河砂,同时应控制砂的级配、粒形、含杂质量和石英含量。
级配曲线平滑、粒形圆、石英含量高、含泥量和含粉细颗粒少为好,避免含有泥块和云母。
当采用人工砂时,更应注意控制砂子的级配和含粉量。
有机物含量(用比色法试验):颜色不应深于标准色,如深于标准色,则应按水泥胶砂强度试验方法进行强度对比试验,抗压强度比不应低于0.95。
粗集料应选用级配合理、粒形良好、质地均匀坚固、线胀系数小、坚硬耐久的石灰岩、花岗岩、辉绿岩等碎石、碎卵石或卵石作为高性能混凝土的粗骨料,其压碎指标尚应不大于10%。
卵石中有机质含量(用比色法试验):颜色不应深于标准色。
当深于标准色时,应配制成混凝土进行强度对比试验,抗压强度比不应小于0.95。
外加剂与水泥之间应有良好的相容性,必须符合《混凝土外加剂》(GB8076)和《混凝土外加剂应用技术规范》(GB50119)等标准的规定。
硫酸钠含量:≤5.0%;氯离子含量:≤0.02%;碱含量(Na2O+0.658K2O):≤10.0%;减水率:不小于25%;泌水率比:早强型不大于50%,标准型不大于60%,缓凝型不大于70%;含气量:≤6.0%。
二、配合比要求高性能混凝土的配合比设计应根据混凝土结构的要求,确保其施工要求的工作性,以及结构混凝土的耐久性。
耐久性设计应针对混凝土结构所处外部环境中劣化因素的作用,使混凝土结构在设计使用年限内不超过容许劣化状态。
采用聚羧酸高性能减水剂,原则上每种配合比分别用两种减水剂配置(其中一个备用)。
关于高标号混凝土配合比设计技术参数的应用随着建筑物不断增高,在钢筋混凝土结构中,混凝土的设计强度等级也越来越高,经常采用C55及其以上的混凝土。
所以对C55以上混凝土的原材料的选择、配合比的设计、混凝土的施工是至关重要的。
下面就对C55以上混凝土的原材料选择、配合比的设计、混凝土的施工需注意的事项,结合本人多年来对高强度等级的配合比设计及原材料的选择应注意的技术参数的选用做以下简述。
一原材料1集料混凝土中集料体积大约占混凝土体积的3/4,由于所占的体积相当大,所以集料的质量对混凝土的技术性能和生产成本均产生一定的影响,在配制C55混凝土时,对集料的强度、级配、表面特征、颗粒形状、杂质的含量、吸水率等,必须认真检验,严格选材,特别对水泥与混凝土强度等级的比值的选用关系到水灰比的大小(即没立方米水泥用量)。
这样才能配制出满足技术性能要求的C55混凝土,同时又能降低混凝土的生产成本。
1.1 细集料砂材质的好坏,对C55以上混凝土的拌和物和易性的影响比粗集料要大。
优先选取级配良好的江砂或河砂。
因为江砂或河砂比较干净,含泥量少,砂中石英颗粒含量较多,级配一般都能符合要求。
山砂一般不能使用,山砂中含泥量较大且含有较多的风化软弱颗粒。
砂的细度模数宜控制在2.6以上,细度模数小于2.5时,拌制的混凝土拌和物显得太粘稠,施工中难于振捣,且由于砂细,在满足相同和易性要求时,增大水泥用量。
这样不但增加了混凝土的成本,而且影响混凝土的技术性能,如混凝土的耐久性、收缩裂缝等。
砂也不宜太粗,细度模数在3.3以上时,容易引起新拌混凝土的运输浇筑过程中离析及保水性能差,从而影响混凝土的内在质量及外观质量。
C55泵送混凝土细度模数控制在2.6~2.8之间最佳,普通混凝土控制在3.3以下。
另外还要注意砂中杂质的含量,比如云母、泥的含量过高,不但影响混凝土拌和物的和易性,而且影响混凝土的强度、耐久性,引起混凝土的收缩裂缝等其他性能。
公路工程水泥稳定碎石配合比设计作业指导书无机结合料稳定材料组成设计包括以下步骤:1、原材料试验;2、目标配合比设计;3、生产配合比设计;4、施工参数确定。
一、原材料试验1、本配合比使用的原材料如下:(1)粗集料:15~25mm、10~20mm、5~10mm碎石,产地***。
(2)细集料:0~5mm石屑,产地***。
(3)水泥:P.O42.5水泥,厂家****水泥有限公司。
条款规定:《公路路面基层施工技术细则实施手册》JTG F20-2015 附录B.2.1条,按照2倍标准差的标准确定级配的上下限控制范围,每档材料需要不少于8次的矿料筛分。
2、筛分结果统计平均筛分曲线及变异系数,按2倍标准差计算各档材料筛分级配的波动范围如下表1~4。
表1:15~25mm碎石筛分结果统计表2:10~20mm碎石筛分结果统计表3:5~10mm碎石筛分结果统计表4:0~5mm石屑筛分结果统计二、目标配合比设计1、选择级配范围(采用细则P19中C-B-3级配)。
2、以集料筛分平均结果构造4条合成级配曲线。
表5:集料组成比例表《公路路面基层施工技术细则实施手册》JTG F20-2015 第4.6.7条,特征曲线一般有三条,上限曲线、下限曲线和中线曲线。
表6:合成级配表3、根据JTG/T F20-2015《公路路面基层施工技术细则》中表4.6.4所推荐的5个水泥剂量,对上述4条级配曲线分别进行击实试验,得到共20组最大干密度及最佳含水率,结果见表7。
4、以2.2.3步骤所得到的20组最大干密度及最佳含水率分别成型标准无侧限抗压强度试件,经试验得到对应的7d无侧限抗压强度,结果见表7。
5、根据上述试验结果,考虑设计强度要求与经济合理问题后,确定目标级配为3号级配曲线,其相应矿料组成为(15~25)mm碎石:(10~20)mm碎石:(5~10)mm碎石:石屑=34:22:17:27;同时确定最佳水泥剂量为3.0%,最大干密度2.220g/cm³,最佳含水率5.6%。
道路建筑材料1-5什么是集料的级配?用哪些参数表示级配?道路建筑材料1-5 什么是集料的级配?用哪些参数表示级配?连续级配与间断级配类型有何差别?级配是集料中各种粒径颗粒的搭配或分部情况。
表示级配的参数有 3 个:分级筛余百分率、累积筛余百分率和通过百分率。
分计筛余百分率a i:是某号筛的筛余质量占试样总质量的百分率。
累积筛余百分率A i :是某号筛的分计筛余的百分率和大于该号筛的各筛分计筛余百分率之总和。
A i a1 a2 a i通过百分率P i :是通过某号筛的式样质量占试样总质量的百分率。
P i 100 A i常见的级配曲线有连续级配和间断级配。
连续级配类型的集料,由大到小,逐级粒径的颗粒都有,且按照一定的比例搭配,绘制的级配曲线平顺圆滑不间断。
间断级配集料中缺少一个或几个粒级的颗粒,大颗粒与小颗粒之间有较大的“空档” ,所绘制的级配曲线是非连续的,有间断的。
1-8 填隙碎石与级配碎石的集料在颗粒组成上有什么不同?这种差异对其路用性能有什么影响?填隙碎石主要是用单一的粗碎石做主骨料,经压路机碾压就位后,形成嵌锁结构,用石屑填塞粗碎石间的空隙,增加密实度和稳定性。
级配碎石是由各种大小不同的粒级集料按一定级配组成的混合料。
在颗粒组成方面,填隙碎石以单一粗碎石为主,填塞石屑于空隙中;级配碎石则含有各种不同粒径的集料。
填隙碎石强度形成和抗变形能力主要靠粗碎石颗粒的嵌锁作用,在空隙中填入石屑或粗砂,进一步增加强度和稳定性,适用于各等级公路的底基层和二级以下公路的基层。
级配碎石强度形成和抗变形能力主要与集料的颗粒间的摩擦作用和粘结作用有关。
由多种粒径的颗粒集料构成,其稳定性和平整度比填隙碎石更好,可作沥青路面和水泥混凝土路面的基层和底基层,也可作路基改善层,或低等级道路的路面。
3-3 试述混凝土拌合物施工和易性的意思,影响因素,改善措施。
新拌水泥混凝土的施工和易性,也称工作性,是指混凝土拌合物易于施工操作(拌制、运输、浇注、振捣)并获得质量均匀、成型密实的性能。
C50混凝土配合比设计注意事项事项, 混凝土, 设计现浇箱梁及悬浇箱梁配合比的设计及原材的选择注意要点作如下简述。
1、原材料1.1 集料混凝土中集料体积大约占混凝土体积的3/4,由于所占的体积相当大,所以集料的质量对混凝土的技术性能和生产成本均产生一定的影响,在配制C50混凝土时,对集料的强度、级配、表面特征、颗粒形状、杂质的含量、吸水率等,必须认真检验,严格选材。
这样才能配制出满足技术性能要求的C50混凝土,同时又能降低混凝土的生产成本。
1.1.1 细集料砂材质的好坏,对C50以上混凝土的拌和物和易性的影响比粗集料要大。
优先选取级配良好的江砂或河砂。
因为江砂或河砂比较干净,含泥量少,砂中石英颗粒含量较多,级配一般都能符合要求。
山砂一般不能使用,山砂中含泥量较大且含有较多的风化软弱颗粒。
砂的细度模数宜控制在2.6以上,细度模数小于2.5时,拌制的混凝土拌和物显得太粘稠,施工中难于振捣,且由于砂细,在满足相同和易性要求时,增大水泥用量。
这样不但增加了混凝土的成本,而且影响混凝土的技术性能,如混凝土的耐久性、收缩裂缝等。
砂也不宜太粗,细度模数在3.3以上时,容易引起新拌混凝土的运输浇筑过程中离析及保水性能差,从而影响混凝土的内在质量及外观质量。
C50泵送混凝土细度模数控制在2.6~2.8之间最佳,普通混凝土控制在3.3以下。
另外还要注意砂中杂质的含量,比如云母、泥的含量过高,不但影响混凝土拌和物的和易性,而且影响混凝土的强度、耐久性,引起混凝土的收缩裂缝等其他性能。
含泥量不超过2%,云母含量小于1%。
1.1.2 粗集料粗集料的强度、颗粒形状、表面特征、级配、杂质的含量、吸水率对C50混凝土的强度有着重要的影响。
配制C50以上混凝土对粗集料的强度的选取是十分重要的,高强度的集料才能配制出高强度的混凝土。
应选取质地坚硬、洁净的碎石。
其强度可用岩石立方体强度或碎石的压碎指标值来测定,岩石的抗压强度应比配制的混凝土强度高50%。
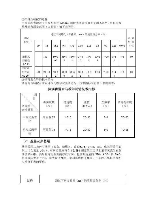
②集料及级配的选择中粒式沥青混凝土的级配形式AC-16,粗粒式沥青混凝土采用AC-25。
矿料的级配及沥青用量范围(方孔筛)如下表所示:级配类型通过下列筛孔(方孔筛,mm)的质量百分率(%)沥青用量(%)19 16 13.2 9.5 4.75 2.36 1.18 0.6 0.3 0.15 0.075细粒式沥青砼AC-13 100 90~10068~8538~6824~515~3810~287~20 5~154~8 4.0中粒式沥青砼AC-20 100 90~1070~9260~834~6220~4813~369~26 7~18 5~144~8 4.0③沥青混合料的技术指标:沥青混合料配合比设计按马歇尔试验法进行,技术指标应符合下表的要求:拌沥青混合马歇尔试验技术指标项目沥青混合料类型击实次数(次)稳定度(KN)流值(0.1mm)空隙率(%)沥青饱和度(%)中粒式沥青砼两面各75 >7.5 20-40 3-6 70-85粗粒式沥青砼两面各75 >7.5 20-40 3-6 70-85 (2)基层及底基层基层采用二灰碎石基层(石灰:粉煤灰:碎石=7.5:17.5:75),底基层采用石灰土(含灰量10%).石灰质量应符合GB1594规定的Ⅲ级以上消石灰或生石灰的技术标准,要尽量缩短石灰的存放时间;粉煤灰质量的SIO2、AI2O3和Fe2O3总含量应大于70%,烧失量<20%,集料压碎值<30%。
二灰碎石集料的级配应符合下表的要求:结构通过下列方孔筛(mm)的质量百分率(%)层次4031.59.09.50.75 2.36 1.180.60.07590724830181060基层1001009068503827207五、各专业管线规划设计苑东路为新建道路,五其它专业管线,按照延安市总体规划管线布置原则,单侧布置,全部埋地敷设,因此,雨水管道、污水管道、给水管道、热力管道、天然气管道、电力管道、电信类综合管线(电信、联通、移动、有线电视、铁通、网通、长信、公安监控),按照规划断面预留位置(详见各专业管线布置横断面图)。
沥青混合料配合比设计方法
1.等级配合比设计方法:
等级配合比设计方法是根据混合料的使用等级确定各组成部分的比例关系,确保混合料的强度和耐久性符合要求。
该方法主要包括以下步骤:(1)确定使用等级:根据路面的使用要求和交通荷载等级,确定混合料的使用等级,如AC-13、AC-20等。
(2)确定粗集料含量:根据使用等级和交通荷载等级,参考相应的规范和试验结果,确定粗集料的最佳含量范围。
(3)确定沥青含量:根据粗集料的最佳含量范围和试验结果,确定沥青的最佳含量范围。
(4)确定细集料含量:根据粗集料的最佳含量范围和试验结果,确定细集料的最佳含量范围。
(5)确定沥青级配比例:根据粗集料、细集料和沥青的最佳含量范围和试验结果,确定混合料中各组成部分的比例关系。
2.初步配合比设计方法:
初步配合比设计方法是在缺乏详细材料试验数据的情况下,根据经验和规范,进行初步的配合比设计,然后通过试验和调整来进一步确定最佳配合比。
(1)确定初步沥青含量:根据使用要求和沥青的理论含量,初步确定沥青的含量。
(2)确定初步粗集料含量:根据规范和经验,初步确定粗集料的含量范围。
(3)确定初步细集料含量:根据规范和经验,初步确定细集料的含量范围。
(4)试验和调整:根据初步配合比进行试验,分析试验结果,如果混合料的性能和使用要求不符合,可以通过调整沥青含量、粗集料含量和细集料含量来改善混合料的性能。
无论采用哪种方法,都需要根据规范和经验进行合理的估算和调整,同时进行试验和对结果进行分析,以确保最终的沥青混合料配合比满足使用要求和性能指标。
配合比设计的过程中还要考虑材料的可用性和成本等因素,以实现经济和可持续发展的目标。
检测报告工程名称: 委托单位: 检测项目: 主检:审核:批准:底基层水泥稳定石屑配合比设计1、原材料检验及选定⑴水泥:选用凌云32.5矿渣硅酸盐水泥,经检验各项技术指标均满足有关规的要求。
⑵集料:集料选用阳新底基层用石屑。
对石屑进行筛分试验,其级配满足设计要求。
石屑筛分结果2、确定水泥剂畳的摻配围水泥稳定石屑底基层,设计要求7d无侧限饱水抗压强度不小干2.OMpa o底基层用石屑属中粒土,根据经验,水泥剂量按3.0%. 3.5%. 4.0%. 4.5%四种比例配制混合料,即水泥:石屑为:3.0: 100; 3.5: 100; 4.0: 100; 4.5: 100。
3、确定最佳含水畳和最大干密度对四种不同水泥剂量和混合料做标准击实试验(乙法),分别确定出不同水泥剂量时,水泥稳定石屑的最大干密度和最佳含水量,作为强度试件成型时控制试件密度和含水量的依据。
试验结果如下表。
混合料标准击实试验结果表4、测定7d无侧限饱水抗压强度⑴制作试件:对水泥稳定石屑路面底基层混合料强度试件的制备,按现行技术规规定采用cp 150mmX 150mm的圆柱体试体,每种水泥剂量按9个试件配制,工地压实度按97%控制,制备试件所需基本参数计算如下:①配制一种剂量一个试件所需的各种原材料数量成型一个试件按7000g混合料配制,取水泥和石屑材料的含水量为0,计算水泥剂量为3.0%的各种材料数量:水泥7000X3.0/ (100+3.0) =204 g集料7000X100/ (100+3.0) =6796 g需加水量:7000x6.8%=476g②制备一个试件需要混合料数量m=up d X (1+G)O)=(兀X 152/4) X 15X2.23X97%X (1+6.8% ) =6121 g③用同样的方法计对水泥剂量为3.5%、4.0%、4.5%的混合料制件参数进行计算, 计算结果如下表。
混合料制件计算结果表⑵测定饱水无侧限抗压强度,试件经6d标准养生Id浸水,按规定方法测得7d饱水无侧限抗压强度结果如下表。
C50砼配合比对原材料的要求1、对水泥的要求水泥进场时,应附有生产厂家的品质实验查验报告等合格证明文件,并应按批次对同一生产厂,同一品种,同一强度品级及同一出厂日期的水泥进行强度、细度、安宁性和凝结时刻等性能的查验,在桥梁施工中水泥宜采用质量稳固的水泥,散装水泥应以每500t为一批,当对水泥质量有疑心或受潮或寄放时刻超过3个月时,应从头取样复验,并应其复验结果利用。
水泥用量的选择是配合比成功的重要因素之一,其用量应操纵在500kg以下,水泥与混合料的总量不超过550-600kg/m3。
2、对细集料的要求细集料材料的好坏,对C50的以上的混凝土和易性阻碍比粗集料要大,应优先选用级配良好,质地坚硬,颗粒干净且粒径小于5mm的河砂,由于机轧砂干缩性较强,山砂中含有较多的风化软颗粒,一样不能利用,细集料宜按同产地同规格,持续进场数量不超过400m3,细集料的细度模数应大于,含泥量≤2%,泥块含量≤%,云母含量≤1%,表观密度>2500kg/m3,松散堆积密度>1350kg/m3,间隙率<47%,细度模数<的砂,拌制的砼拌和物显得太粘稠,施工中难于振捣且由于细颗粒或超细颗粒料太多,增加了表面积,不但增加了水泥用量,而使砼的耐久性降低,收缩性裂痕增加。
而细度模数>以上时容易造成砼的离析及保水性差,故砂选择细度模数之间的中粗砂为宜,其筛分结果应在相应的级配范围之内。
3、对粗集料的要求。
粗集料的强度、颗粒现状、表面特点、级配、杂质的含量、吸水率对C50砼的强度有着重要的阻碍,因此配置C50以上砼对粗集料的强度的选取是十分重要的,研究说明混凝土强度很高时应该用小粒径的粗集料,缘故是集料表面积增加,平均粘结应力降低,使混凝土强度增加。
依照长期对C50砼试件的破坏结果观看,以碎石破坏为主,表现为碎石大部份先被压裂破坏,水泥胶结材料后破坏。
理想的粗集料应该是立方体的,干净的,有棱角的碎石,针片状颗粒应减至最小;选择粗集料的要求为:岩石的抗压强度应比配制的砼强度高50%,一样也用压碎值指标来操纵,压碎值≤12%,含泥量<1%,针片状颗粒含量<5%,表观密度>2500kg/m3,松散堆积密度>1350kg/m3,间隙率<47%。
级配碎石配合比设计文件排版存档编号:[UYTR-OUPT28-KBNTL98-UYNN208]
级配碎石底基层配合比设计说明
一、设计依据
1、根据施工图纸及现场情况
2、《公路工程路面基层施工技术规范》
3、《公路工程无机结合料稳定材料试验规程》
4、《公路工程集料试验规程》
5、《公路工程质量检验评定标准》
二、材料说明
1、碎石压碎值%,针片状平均含量为%,符合规范及设计要求。
2、粗石粉液限%,塑性指数为,均符合规范及设计要求。
三、设计步骤
1、确定各种集料在混合料中的比例,采用图解法,确定集料比例为10-
40mm碎石:5-10mm碎石:粗石粉=38:30:32,按此比例混合料经筛分后级配符合规范及要求。
2、确定最大干密度及含水量,根据以上确定的配合比将三种材料掺配,进行击实试验得到最大干密度为2.07g/cm3,最佳含水量为%。
四、根据上表结果及现场施工情况确定:
级配碎石配合比:
10-40mm碎石:5-10mm碎石:粗石粉
=38:30:32
级配碎石最大干密度:2.07g/cm3
级配碎石最佳含水量:%。
级配碎石底基层配合比报告试验单位:
日期: 2011年6月20日。
配合比设计对集料的级配的选用徐致松(福宁高速公路总监办福建宁德市 352100)摘要:配合比设计是指导施工的标准试验,而集料的级配的选用关系配合比的经济性、合理性。
目前选用方法各有千秋,效果亦有区别,本文就此作一介绍,并重点提出“中值型选择法”,此法对热拌沥青混合料路面的配合比设计至关重要,可供配合比设计时参考。
关键词:配合比设计;集料;级配;选用配合比设计是施工质量控制和指导施工的重要依据,属施工的标准试验的一种,是施工前必作的试验项目,如:混凝土配合比、砂浆配合比、路面基层、面层各种不同结构的施工配合比等。
而配合比所采用的集料级配是控制集料各粒级施工的配合比例及确定集料采备数量的依据,也是配合比是否合理、适用的关键,特别对热拌沥青混合料路面配合比设计至关重要。
然而,大多数施工单位试验人员对配合比设计集料的级配选用认识不足,且作法和说法存在较大差异,笔者根据多年实践,将自己的具体作法予以介绍,供广大同行参考。
1 配合比集料的级配选用的依据凡施工中要使用集料的工程,其施工技术规范都对集料的级配范围有明确规定。
但是在有些工程,因为工程质量对集料的级配较为敏感,在施工规范中除对集料的级配范围规定外,还对一些关键筛孔的筛分通过的质量百分率(或累计筛余质量百分率),提出特别要求,如JTJ032-94《公路沥青路面施工技术规范》7.3.6.3条规定‘标准配合比的矿料级配至少应包括0.075mm、2.36mm、4.75mm三档的筛孔通过率接近要求级配的中值;JTJ041-2000《公路桥涵施工技术规范》在细集料的级配范围表中的注:②中规定‘……除5.00、0.63、0.16号筛孔外,其余各筛孔累计筛余允许超出分界线,但其总量不得大于5%。
’④中规定‘对于高强泵送混凝土用砂……2.5mm筛孔的累计筛余量不得大于15%,0.315mm筛孔的累计筛余量宜在85%~92%范围内。
’等,但对其他筛孔的级配范围中值的筛分通过质量百分率(或累计筛余质量百分率)的波动允许百分率没有严格的规定,只能以级配范围作为配合比的集料选用的依据,和施工工地在集料进行抽检试验时,对集料的级配判定是否合格的控制依据。
配合比设计对集料的级配的选用配合比集料的级配选用的依据凡施工中要使用集料的工程,其施工技术规范都对集料的级配范围有明确规定。
但是在有些工程,因为工程质量对集料的级配较为敏感,在施工规范中除对集料的级配范围规定外,还对一些关键筛孔的筛分通过的质量百分率(或累计筛余质量百分率),提出特别要求,如JTJ032-94《公路沥青路面施工技术规范》7.3.6.3条规定标准配合比的矿料级配至少应包括0.075mm、2.36mm、4.75mm三档的筛孔通过率接近要求级配的中值;JTJ041-2000《公路桥涵施工技术规范》在细集料的级配范围表中的注:②中规定除5.00、0.63、0.16号筛孔外,其余各筛孔累计筛余允许超出分界线,但其总量不得大于5%。
④中规定对于高强泵送混凝土用砂2.5mm筛孔的累计筛余量不得大于15%,0.315mm筛孔的累计筛余量宜在85%~92%范围内。
等,但对其他筛孔的级配范围中值的筛分通过质量百分率(或累计筛余质量百分率)的波动允许百分率没有严格的规定,只能以级配范围作为配合比的集料选用的依据,和施工工地在集料进行抽检试验时,对集料的级配判定是否合格的控制依据。
而较为合理的、适用的、理想的集料的级配,应该首选级配范围的中值。
但要设计好一个经济合理的、适用的、理想的配合比,还要考虑集料的级配以外的其他一些有关的因素。
2 配合比设计集料的级配选用的两种方法:施工所用集料的采购备料,都是先控制一个最大、最小粒径范围,然后在此范围分几个档次,采购进场2~5种不同规格的集料,由配合比设计人员根据规定集料的级配要求,计算出各种规格的集料用量比例,作为施工配料和备料进场的依据。
目前集料的级配计算、选用常用的方法有如下两种:2.1粗放型选择法:根据实际进场各种集料筛分试验的级配结果,依据规范规定的级配要求,用试算法、图解法或专用的电脑软件,计算出各种集料组合时所占的比例,并按此比例计算集料的合成级配,绘制级配结果曲线图。
级配碎石配合比设计一. 试验依据1.《公路路面基层施工技术规范》JTJ034—2000 JTJ034—JTJ0342.《公路工程集料试验规程》JTGE42—2005 JTGE42—JTGE423.《公路土工试验规程》JTJ051—93 JTJ051—JTJ0514.《公路工程国内招标文件》范本5. 设计图纸二. 原材料选用1. 碎石:磁村石料厂生产20-30mm 碎石,10-20mm 碎石,5-10mm 碎石,石粉。
2. 水:采用饮用水。
三. 配合比设计1.合成级配结合《公路路面基层施工技术规范》JTJ034-2000 的要求,用图解法将3 种集料配至级配碎石2 号级配范围内。
2.击实采用重型击实法,配料时将试样依次用四分法取样,并且用烘干法测其试样的含水量,预定5 个不同的含水量将碎石加水拌和均匀,密封好浸润2 小时后,做击实试验,每层击实完毕后检查该层厚度是否合适,以调整以后层次的试样用量,尽量保持每层高度一致。
每组击实完毕后混合料比击实筒的高度控制在6mm 以内,齐筒顶细心刮平、称量、取样,测其含水量。
试验室推荐:碎石的合成级配:20-30mm 碎石10-20mm 碎石:5-10mm 碎石:石粉=19:27:22:32最大干密度:2.28g/cm3最佳含水量:5.0%施工压实质量控制参数:含水量: 4.5%<ω5.5% %干密度: ρ=2.28g/cm3压实度: K>96%省道湖南路西官庄至南庄段改建工程一合同项目部二00 七年五月省道湖南路西官庄至南庄段改建工程一合同底基层级配碎石配合比报告。
C55现浇梁高性能混凝土配合比设计及质量控制摘要:随着近年来我国铁路的快速发展,对混凝土的性能要求越来越高,特别是预应力混凝土现浇梁中经常采用C55及其以上的混凝土,所以C55及其以上混凝土的原材料选择、配合比设计、混凝土施工是至关重要的。
根据C55高性能混凝土在铁路现浇梁混凝土施工中的应用,在满足相关规程的同时,对混凝土原材料的控制和配合比设计进行探讨,以保证施工质量,达到内实外美的效果。
关键词:现浇梁原材料控制配合比设计质量控制0、引言现浇梁用C55高性能混凝土是铁路建设施工过程中较难控制的混凝土。
本文结合张唐铁路ZTSG-4标现浇梁的实际情况,对高性能混凝土原材料的质量控制、配合比设计及施工质量控制进行阐述。
1、工程概况以张唐铁路ZTSG-4标王家沟跨京通铁路特大桥现浇梁为试验样本。
采用(40+60+40)m预应力混凝土连续梁,主跨跨越既有京通铁路,边跨跨越354省道。
混凝土设计强度等级为C55,设计使用年限100年。
2、原材料控制混凝土是多组分材料混合形成的,原材料的质量对混凝土的性能存在至关重要的影响。
原材料的控制包括审查原材料的生产许可证、质量证明书、质量试验报告单是否满足设计要求,并在规定时间内对进场原材料按规定方法进行取样与检测[1]。
2.1、水泥水泥的品质是影响混凝土质量的重要因素。
配制高强度、高性能的混凝土所用水泥除满足国家标准规定的质量要求、与外加剂有良好的适应性外,还应选择水泥质量稳定的厂家。
本试验采用的是唐山冀东P·O 42.5水泥。
2.2、矿物掺合料因掺合料单掺使用在不同施工条件下难以协调混凝土强度、水化热、耐久性等施工性能之间的矛盾,所以预应力梁混凝土采用到是粉煤灰与矿粉双掺的方法。
掺合料Ⅰ:掺加粉煤灰可以改变混凝土和易性,增加混凝土粘性,减少离析与泌水,降低由于水化热带来的混凝土温度升高,减少或消除混凝土中碱基料反应,同时,也可以节省水泥的用量。
本试验采用的粉煤灰为内蒙古上都发电厂生产的Ⅰ级粉煤灰。
1 配合比集料的级配选用的依据凡施工中要使用集料的工程,其施工技术规范都对集料的级配范围有明确规定。
但是在有些工程,因为工程质量对集料的级配较为敏感,在施工规范中除对集料的级配范围规定外,还对一些关键筛孔的筛分通过的质量百分率(或累计筛余质量百分率),提出特别要求,如JTJ032-94《公路沥青路面施工技术规范》7.3.6.3条规定‘标准配合比的矿料级配至少应包括0.075mm、2.36mm、4. 75mm三档的筛孔通过率接近要求级配的中值;JTJ041-2000《公路桥涵施工技术规范》在细集料的级配范围表中的注:②中规定‘……除5.00、0.63、0.16号筛孔外,其余各筛孔累计筛余允许超出分界线,但其总量不得大于5%。
’④中规定‘对于高强泵送混凝土用砂……2.5mm筛孔的累计筛余量不得大于15%,0.315mm筛孔的累计筛余量宜在85%~92%范围内。
’等,但对其他筛孔的级配范围中值的筛分通过质量百分率(或累计筛余质量百分率)的波动允许百分率没有严格的规定,只能以级配范围作为配合比的集料选用的依据,和施工工地在集料进行抽检试验时,对集料的级配判定是否合格的控制依据。
而较为合理的、适用的、理想的集料的级配,应该首选级配范围的中值。
但要设计好一个经济合理的、适用的、理想的配合比,还要考虑集料的级配以外的其他一些有关的因素。
2 配合比设计集料的级配选用的两种方法:施工所用集料的采购备料,都是先控制一个最大、最小粒径范围,然后在此范围分几个档次,采购进场2~5种不同规格的集料,由配合比设计人员根据规定集料的级配要求,计算出各种规格的集料用量比例,作为施工配料和备料进场的依据。
目前集料的级配计算、选用常用的方法有如下两种:
2.1粗放型选择法:根据实际进场各种集料筛分试验的级配结果,依据规范规定的级配要求,用试算法、图解法或专用的电脑软件,计算出各种集料组合时所占的比例,并按此比例计算集料的合成级配,绘制级配结果曲线图。
一般情况下只要集料中各级颗粒含量不超出规定的级配组成范围曲线(即处于上限和下限曲线之内),且关键筛孔的通过量符合规定,则应认为是合格的,可以用于配合比的试配试验,试配试验也可能获得成功。
按规范规定的条文评判此配合比所用集料的级配,好似无懈可击,但若由于某些因素影响使得进场的集料本身颗粒级配不够理想,或由于进场的品种较少,致使合成级配曲线形成上下较大的波折,更甚者还会出现个别点处于级配曲线的极边沿,不是一条圆滑的、接近级配的中值的理想曲线,就应对施工质量的控制持怀疑态度。
在施工实施中若遇进场集料因加工等问题,造成级配的波动是趋向级配的中值有利方面波动,则可原谅,否则,则更加远离了级配的中值,对质量控制的影响就难于估计。
因此在审核该配合比设计集料的级配时,不能单纯以不超出级配范围为满足,而应对集料的级配作认真的调整,从原材料上检查原因,按照级配曲线的缺陷,改换进场集料的品种,或增加新的品种,以满足集料的级配要求。
但如此处理有些施工单位因经济利益关系,较难接受,按现行规范规定要求,应如何说服施工单位,应如何处置,尚无良策。
2.2 中值型选择法:首先对进场集料认真检验,根据各种不同规格的集料试验筛分结果,用试算法、图解法或专用的电脑软件,计算出各种集料组合时所占的比例,并按此比例计算集料的合成级配,评判合成级配曲线,是否接近规范规定的集料的级配范围的中值,根据施工经验一般不要超出要求的级配中值的上下2~3%为宜(规范有规定
的允许波动范围的筛孔,则按规范执行),据此评判进场的各种集料是否适用该工程。
否则,则应对进场集料的规格、品种予以调整、更换。
然后将经过试验确认合格的进场集料,根据配合比试配试验所需数量,按规范规定级配要求的粒径(或筛孔)级别,筛分为单粒级的集料分别存放备用,配合比试配试验时再按照规范规定级配的中值对各级粒径(或筛孔)的要求比例,掺配组合成符合级配的中值的混合集料,即可用此集料与其他材料掺配进行试配的各项规定试验。
用该集料掺加完成的配合比设计用于施工,质量保证就较为可靠,可减少在进场集料,因某种因素造成集料的级配在允许范围波动时,对质量造成的较大影响。
特别是对消除施工中出现的集料离析现象较为明显;在路面施工中效果尤为明显,对路面工程的平整度质量控制较为有利,且外观良好,不易出现松散现象等。