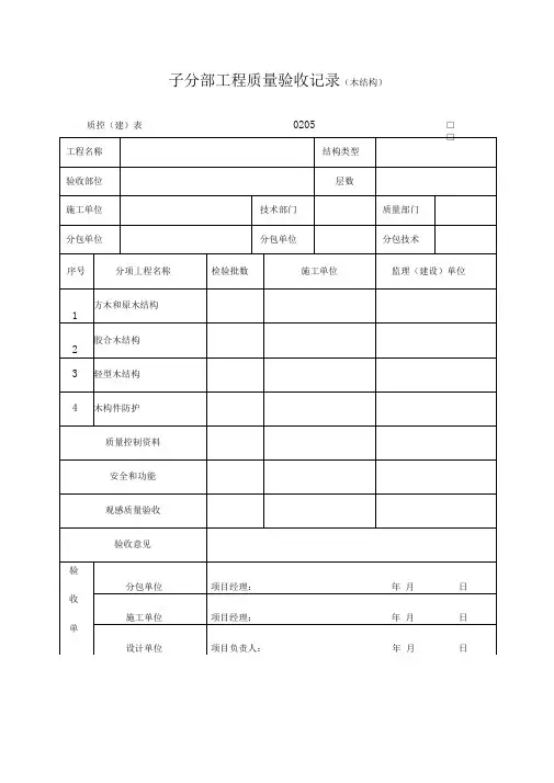
1-1-9木结构-1-2_方木和原木结构工程检验批质量验收记录(表二)
- 格式:xls
- 大小:34.00 KB
- 文档页数:4
木材检验批质量验收记录表
一、基本信息
- 检验批编号:
- 检验日期:
- 检验地点:
二、被检木材信息
- 木材名称:
- 产地:
- 规格:
- 数量:
三、质量验收项目和标准
1. 外观质量
- 裂纹:不得超过规定长度和宽度
- 疤痕:不得超过规定大小
- 端平直度:不得超过规定范围
- 颜色:正常色泽
2. 尺寸质量
- 长度:符合规定范围
- 宽度:符合规定范围
- 厚度:符合规定范围
3. 湿度
- 含水率:符合规定标准范围
4. 质量等级
- 根据规定等级进行划分和验收
四、质量验收结果
- 合格数量:
- 不合格数量:
五、质量问题处理措施
1. 合格品处理
- 入库数量:
- 存放位置:
2. 不合格品处理
- 处理办法:
- 处理人:
- 处理日期:
六、总结与建议
- 检验结果总结:
- 建议:
注:本文档为木材检验批质量验收的记录表,用于记录每批木材的基本信息、质量验收项目、验收结果和问题处理措施。
根据实际情况填写相关信息,并且可以根据需要增加、修改或删除内容。
验收结果和处理措施应根据相应标准和规定进行判断和执行。
12345678910
1第7.2.1条
2第7.2.2条
3第7.2.3条
木结构防护检验批质量验收记录
工程名称
施工单位
验收部位项目经理施工执行标准名称
及编号
分包单位主控项目施工单位检查
评定结果
分包项目
经 理施工单位检查评定记录施工班组长
规范规定
监理(建设)单位
验收记录监理(建设)单位
验收结论
员等进行验收。
木结构防腐构造措施木结构防护剂保持量和透入度木结构防火构造措施项目专业质量检查员:专业工长年 月 日
年 月 日
监理工程师
(建设单位项目技术负责人):。
123456789101第4.2.1条2第4.2.2条12345678910-3-2-5±10±15±10±15L/500L/200±5±2-10-3-4±0.2d ±0.5d且不大于4B/100±1d
±1d
+20
-10专业工长木
桁
架
木
梁
木
柱
制
作
允
许
偏
差
值构件截面尺寸结构长度
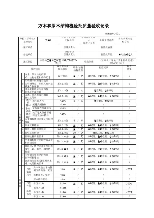
桁架高度方木和原木结构工程检验批质量验收记录(表一)
工程名称
施工单位
施工执行标准名称
及编号
验收部位项目经理受压或压弯构件纵向弯曲弦杆节点间距齿连接刻槽深度支座节点受剪面分包单位
主控项目
一般项目
1方木、板材、原木等级检查
木构件含水率
螺栓中心间距钉进孔处的中心间距长度宽度进孔处
出孔
处方木原木
垂直木纹方向顺木纹方向桁架起拱
方木构件高度、宽
度
板材厚度、宽度
原木构件梢径
长度不大于15m
长度大于15m
施工班组长跨度不大于15m
跨度大于15m 方木构件原木构件监理(建设)单位验收记录规范规定 规范规定 (mm)分包项目经理施工单位检查评定记录施工单位检查评定记录。
方木和原木结构检验批质量验收记录工徎名称分项工徎名称验收部位施工单位项目负责人专业工长分包单位项目负责人(分包单位)施工班组长施工执行标准及编号《木结构工程施工质量验收规范》 GB50206-2012质量验收规范的规定施工单位检查评定记录监理(建设)单位验收记录主控项目1、结构形式、结构布置和构件截面尺寸应符合设计文件的规定2木材质量符合设计文件的规定并应具有产品质量合格证书3进场木材的弦向静曲强度其强度最低值应符合表4.2.3要求4方木、原木及板材的目测材质等级应符合本规范表4.2.4要求;不得采用普通商品材的等级标准替代5木材平均含水率原木或方木≤25%板材及规格材≤20%受拉构件连接板≤18%通风不畅的木构件≤20%6承重钢构件和连接所用钢材质量应有产品质量合格证书和化学成分的合格证书;进口钢材的材质标准不低于现行国家标准;钢木屋架下弦所凧圆钢应作抗拉屈服强度、极限强度、延伸率、冷弯桅验,并应满足设计文件的规定。
7焊条的质量应符合现行国家标准,型号与所用钢材匹配,并应有产品质量合格证书8螺栓、螺帽质量应有产品质量合格证书,其性能应符合现行国家标准的规定9圆钉质量应有产品质量合格证书,性能应符合现行行业标准规定;设计文件规定钉子的抗弯屈服强度时,应作钉子抗弯强度见证检验SG-025方木和原木结构检验批质量验收记录质量验收规范的规定施工单位检查评定记录监理(建设)单位验收记录10圆钢拉杆的质量圆钢拉杆应平直,接头应采用双面绑条焊螺帽下垫板应设计文件规定,厚度不应小于螺杆直径的30%,方形垫板的边长不应小于螺杆直径的 3.5倍,圆形垫板的直径不应小于螺杆直径的4倍钢木屋架下弦圆钢拉杆、桁架主要受拉腹杆、蹬式节点拉杆及螺栓直径大于20m m 时,均采用双螺帽自锁;受拉螺杆伸出螺帽的长度,不应应小于螺杆直径的80%11承重钢构件节点焊缝焊脚高度不得小于设计文件的规定,除设计文件另有规定外,焊缝质量不得低于三级,-30℃以下工作的受拉构件焊缝质量不得低于二级12钉、螺栓连接节点的连接件规格及数量应符合设计文件的规定13木桁架支座节点的齿连接质量端部木材不应有腐朽、开裂和斜纹等缺陷,剪切面不应位于木材髓心侧;螺栓连接的受拉接头,连接区段木材及连接板均应采用Ia等材,并应符合本规范附录B 的有关规定;其他螺栓连接接头也应避开木材腐朽、裂缝、斜纹和松节等缺陷部位14抗震构造措施应符合设计文件规定;抗震设防烈度8级以上时,应符合质量验收规范的要求。
GD-C5-711128/2年 月 日
监理单位 验收结论专业监理工程师:
年 月 日施工单位
检查结果专业工长:
项目专业质量检查员:
8屋盖结构支撑系统的完整性第4.3.8条/
表面8mm /封山、封
檐板平直
下边缘5mm /±5mm /油毡搭接宽度-10mm //原木上表面平直-7mmm /间距-10mm //原木梢径
-5mm /7屋面
木
构架
的安
装檩条
、椽木方木、胶合木截
面
-2mm 方木、胶合木上表面平直-4mm 挂瓦条间距
支座标高
±5mm /支座轴线对支承
面中心位移
10mm /)受压或压弯构件
纵向弯曲L/300(L=)垂直度
H/200且不大于15/6木桁架、梁及
柱的安装
结构中心线的间
距
±20mm /(H=/5木构件受压接头
第4.3.5条/4钉连接质量要求
第4.3.4条 /3螺栓连接(含受拉接头)
的螺栓数目、排列方式、
间隙、边距和端距
第4.3.3条/检查记录检查结果一般项目2齿连接质量要求
第4.3.2条/方木和原木结构检验批质量验收记录
128验收项目
设计要求及 规范规定最小/实际 抽样数量。
020********020********注:本表内容的填写需依据《现场验收检验批检查原始记录》。
本检验批质量验收的规范依据见本页背面。
填写说明一、填写依据1 《木结构工程施工质量验收规范》GB50206-2012。
2 《建筑工程施工质量验收统一标准》GB50300-2013。
二、检验批划分材料、构配件的质量控制应以一幢方木、原木结构房屋为一个检验批;构配件安装质量控制应以整幢房屋的一楼层或变形缝间的一楼层为一个检验批。
三、GB50206-2012规范摘要主控项目4.2.1 方木、原木结构的形式、结构布置和构件尺寸,应符合设计文件的规定。
检查数量:检验批全数。
检验方法:实物与施工设计图对照、丈量。
4.2.2 结构用木材应符合设计文件的规定,并应具有产品质量合格证书。
检查数量:检验批全数。
检验方法:本规范附录B。
4.2.4 方木、原木及板材的目测材质等级不应低于表4.2.4的规定,不得采用普通商品材的等级标准替代。
方木、原木及板材的目测材质等级应按本规范附录B评定。
检查数量:检验批全数。
检验方法:本规范附录B。
1 原木或方木不应大于25%。
2 板材及规格材不应大于20%。
3 受拉构件的连接板不应大于18%。
4 处于通风条件不畅环境下的木构件的木材,不应大于20%。
检查数量:每一检验批每一树种每一规格木材随机抽取5根。
检验方法:本规范附录C。
4.2.6 承重钢构件和连接所用钢材应有产品质量合格证书和化学成分的合格证书。
进场钢材应见证检验其抗拉屈服强度、极限强度和延伸率,其值应满足设计文件规定的相应等级钢材的材质标准指标,且不应低于现行国家标准《碳素结构钢》GB700有关Q235及以上等级钢材的规定。
-30℃以下使用的钢材不宜低于Q235D或相应屈服强度钢材D 等级的冲击韧性规定。
钢木屋架下弦所用圆钢,除应作抗拉屈服强度、极限强度和延伸率性能检验外,尚应作冷弯检验,并应满足设计文件规定的圆钢材质标准。
12345678910方木截面
原木梢径间距方木相表面平直
原木上表面平直
下边缘表面4
年 月 日
年 月 日
方木和原木结构工程检验批质量验收记录(表二)
一般项目
23支座轴线对支承面中心位移支座标高
檩条橼条油毡搭接宽度
挂瓦条间距
封山、封
檐板平直
施工单位检查评定结果
监理(建设)单位验收结论
1.1.9木结构-1-2
员等进行验收。
木
桁
架
、
梁
、
柱
安
装
允
许
偏
差
值屋
面木骨
架的
安装
允许
偏差
值木屋盖上弦平面横向支撑设
置结构中心的间距垂直度受压或压弯构件纵向弯曲项目专业质量检查员:10±5-2-5规范规定 (mm)±20H/200且不大于15L/300±558-1047监理(建设)单位验收记录监理工程师(建设单位项目技术负责人):施工单位检查评定记录按设计文件-10。